- Conception et installation d'un système de chauffage au gaz
- Installation et raccordement de la chaudière
- Appareil de chaudière de chauffage au gaz
- Installation d'une chaudière au sol
- Installation d'une chaudière murale
- Gaz liquéfié dans la maison: caractéristiques, préparation
- Les principaux avantages du chauffage au gaz liquéfié
- Étapes et caractéristiques de l'organisation du chauffage au gaz liquéfié
- Gaz liquéfié en bouteilles : compact et pas cher
- Types de chaudières à gaz
- Types de chaudières murales pour le chauffage domestique
- Chaudières à gaz au sol
- Chauffage à air (convecteur)
- Installation de système de chauffage
- Schémas d'approvisionnement en chaleur au gaz à la maison
- L'appareil et les éléments d'un système de chauffage monotube
- Quelle est la différence entre les chaudières à combustible solide
- foyer au gaz
- Chaudières gaz à convection et à condensation
Conception et installation d'un système de chauffage au gaz

autorisation spéciale
Ce dernier confirme leur droit d'effectuer ces travaux. Pour cette raison, vous ne pouvez tout préparer que vous-même pour l'installation de l'équipement.
Et confiez l'installation de la chaudière à des spécialistes. Ils concevront rapidement et correctement le système.
Il comprend tout un ensemble de documents :
- calcul hydraulique et thermique du système ;
- système de chauffage avec radiateurs;
- Spécification matérielle ;
- estimation finale.
Ce n'est qu'après avoir reçu toutes les approbations et approbations nécessaires que vous pouvez acheter du matériel et de l'équipement.
L'installation se déroule en plusieurs étapes. Vous devez d'abord installer l'équipement de la chaudière. Vient ensuite l'installation de l'autoroute, ainsi que des colonnes montantes chauffantes. Une étape importante est l'installation de l'équipement de contrôle et l'automatisation du contrôle. En conclusion, la mise en service et les tests du système dans différents modes sont effectués.
Installation et raccordement de la chaudière
Parlons maintenant de la façon de faire du chauffage au gaz dans une maison privée. Pour l'installation d'une chaudière à gaz, il est nécessaire d'allouer une pièce séparée, à laquelle les exigences suivantes sont imposées:
- limite de résistance au feu des structures enveloppantes - pas moins de 45 minutes;
- hauteur sous plafond - 2,5 m;
- accès libre à la chaudière;
- la présence d'une sortie séparée sur la rue et d'une ouverture de fenêtre;
- la présence d'un analyseur de gaz.
Appareil de chaudière de chauffage au gaz
Avant de parler de l'installation du chauffage au gaz, il convient de comprendre le dispositif de la chaudière. L'appareil d'une chaudière à gaz dans une maison privée:
- Brûleur à gaz rectangulaire avec buses pour une répartition uniforme de la flamme et une combustion efficace du combustible.
- L'échangeur de chaleur est un boîtier métallique avec une batterie intégrée. Un fluide caloporteur circule à l'intérieur des canalisations, qui est réchauffé par la chaleur dégagée lors de la combustion du gaz. Dans les chaudières à circuit unique, il y a un échangeur de chaleur et dans les appareils à double circuit, il y en a deux.
- La pompe de circulation est nécessaire pour réguler la pression dans les systèmes à circulation forcée. Cette pièce n'est pas disponible dans toutes les chaudières.
- Vase d'expansion pour l'évacuation temporaire du liquide de refroidissement.
- Système de contrôle automatique de la chaudière.
- Un dispositif qui est responsable de l'élimination des produits de combustion du gaz. Dans les unités atmosphériques, cette partie est reliée à la cheminée et dans les chaudières turbocompressées, il y a un double tuyau avec un ventilateur intégré.
Installation d'une chaudière au sol
Si l'installation du chauffage au gaz est réalisée à l'aide d'une chaudière au sol, une base solide avec un revêtement de sol ignifuge doit être préparée. Les murs autour de l'appareil jusqu'à une hauteur de plus de 10 cm doivent avoir un revêtement ignifuge. La distance minimale entre le brûleur à gaz et le mur est de 1 m.
L'unité est d'abord connectée à la cheminée, puis connectée au système de chauffage à l'intérieur de la maison. Un filtre grossier est monté à l'entrée de retour. Des vannes d'arrêt sont installées sur toutes les canalisations adaptées à la chaudière. L'appareil à deux tuyaux est connecté à la canalisation d'alimentation en eau froide.
Installation d'une chaudière murale

Avant d'installer un appareil mural, les bouchons en sont retirés et les tubes à l'intérieur sont lavés avec une pression d'eau fournie sous pression. Retirez donc de l'appareil les débris qui pourraient s'accumuler lors du montage et du transport.
L'unité est accrochée uniquement sur un mur plat et solide, sur lequel un joint incombustible est installé. L'appareil est monté de manière à laisser un espace de 45 mm entre celui-ci et la surface du mur. D'autres équipements, la chaudière est installée à une distance d'au moins 20 cm.Une prise doit être équipée à proximité.
Pour fixer la chaudière, des bandes spéciales sont utilisées, qui sont réglées en fonction du niveau. Après cela, l'équipement est connecté à l'alimentation en eau. Des filtres sont installés sur les conduites d'arrivée d'eau. Pour connecter le gazoduc, un tuyau en acier avec un joint en paronite est utilisé.
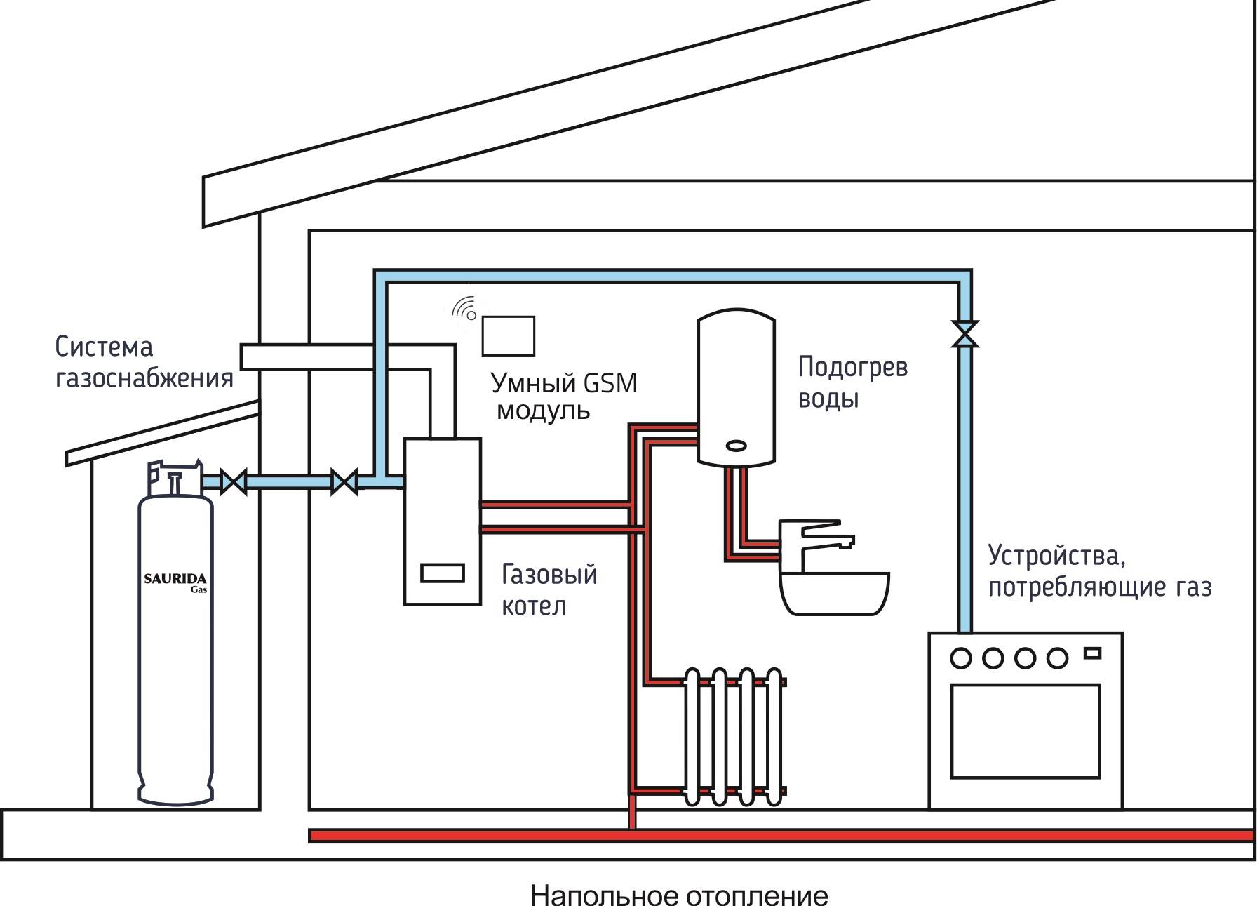
Gaz liquéfié dans la maison: caractéristiques, préparation
Pour organiser ce type d'apport de chaleur à une habitation, des conteneurs spéciaux pour le carburant sont utilisés - des réservoirs à gaz. Situées en sous-sol, les cuves alimentent l'unité thermique, assurent la continuité et l'efficacité des travaux.
En règle générale, les réservoirs de gaz sont installés à plus de 10 mètres directement de la maison elle-même et à 2 mètres de toutes sortes de communications.
gazomètre
Actuellement, une grande variété de conteneurs pour les mélanges propane-butane sont proposés sur le marché, parmi lesquels vous pouvez facilement choisir la meilleure option pour chaque maison et chaque chaudière spécifiques, fournissant ainsi au logement une chaleur de haute qualité.
Pour chauffer une maison privée au gaz liquéfié, en règle générale, des chaudières d'une capacité de 18 à 90 kW et des réservoirs de 3 à 9 mètres cubes pour le stockage du combustible sont suffisants. Le stockage est rempli à 85 % à partir d'un camion-citerne spécial, qui livre du propane-butane au fur et à mesure de sa combustion dans la chaudière.
Système de chauffage au GPL
Les principaux avantages du chauffage au gaz liquéfié
Actuellement, chauffer une maison individuelle au gaz liquéfié est un procédé qui présente de nombreux avantages par rapport aux options plus traditionnelles.
Parmi les principaux avantages de cette méthode, citons :
- la possibilité d'utiliser du gaz liquéfié toute l'année ;
- commodité dans la livraison, l'exploitation et le stockage du carburant. De nombreuses photos de tels systèmes de chauffage montrent que le réservoir de gaz est compact et ne prend pas beaucoup de place sur le site, car il est enterré dans le sol ;
- respect de l'environnement - lors de la combustion, le gaz n'émet pas autant de substances nocives que le même carburant diesel ou essence;
- durabilité et fiabilité du système de chauffage.
Faire le plein du réservoir d'essence
Étapes et caractéristiques de l'organisation du chauffage au gaz liquéfié
Le processus d'exécution des travaux d'installation, qui nécessite de chauffer la maison au gaz liquéfié, ne pardonne pas les performances des amateurs. La conception, l'installation du réservoir de gaz et de tous les équipements supplémentaires doivent être effectués par des professionnels qui ont tous les permis, et leurs activités sont autorisées.
Aujourd'hui, le marché de la fourniture de gaz autonome est riche en offres variées d'entreprises qui possèdent une vaste expérience et sont capables de créer le système de gazéification le plus optimal pour n'importe quelle installation.
Néanmoins, malgré toute la complexité et les exigences accrues, le chauffage au gaz liquéfié à faire soi-même peut toujours être réalisé. Pour ce faire, il est nécessaire de connaître les principales étapes du travail, leurs caractéristiques et leurs exigences.
Une telle instruction contribuera à garantir des performances, une fiabilité et une qualité élevées du système de chauffage, ainsi que la sécurité de son fonctionnement.
Conception du système
L'événement initial, au cours duquel le type de système, le prix, les performances et de nombreux autres paramètres sont déterminés.
À ce stade, il est important de respecter toutes les exigences des normes et réglementations du SNiP, car sans elles, il sera impossible de démarrer l'équipement et d'assurer son fonctionnement normal.
Fourniture de matériel. En règle générale, les équipements d'alimentation en gaz autonome ne posent aujourd'hui aucun problème, car de nombreuses entreprises proposent de nombreuses options, allant des plus économiques aux plus chères.
Avec tout cela, chaque consommateur peut visionner une vidéo du fonctionnement de l'équipement, s'assurant ainsi de ses performances et de sa fonctionnalité.
Installation et mise en service
Vous pouvez, bien sûr, faire tous les travaux vous-même, mais il est préférable de les confier à des professionnels qualifiés - c'est le seul moyen de garantir que le chauffage autonome d'une maison de campagne au gaz liquéfié fonctionnera efficacement et sans faute, et restera en sécurité pendant longtemps.
Remplissage du système avec du gaz liquéfié.
Prestation d'équipement.
Gaz liquéfié en bouteilles : compact et pas cher
Pour les personnes qui ne souhaitent pas installer de réservoirs de gaz sur leur site, le chauffage d'une maison de campagne avec du gaz liquéfié en bouteilles peut être une excellente alternative.
Dans ce cas, tout le système de chauffage fonctionnera sur le même gaz liquéfié, mais il n'entrera plus dans la chaudière à partir d'un grand réservoir de gaz, mais à partir de cylindres compacts mais volumineux.
Cette option de chauffage sera un choix idéal pour les petits chalets, chalets d'été et autres bâtiments où la taille du site ne permet pas l'installation des réservoirs à gaz même les plus compacts. Avec tout cela, le coût de l'entretien et le carburant lui-même seront plus qu'abordables.
Bouteille GPL
Types de chaudières à gaz

La version murale est plus compacte, mais moins puissante
Types de chaudières murales pour le chauffage domestique
Tout d'abord, il convient de diviser l'équipement de chauffage au gaz par fonctionnalité: il ne sera utilisé que pour le chauffage ou également pour préparer de l'eau chaude pour des besoins techniques. Si le chauffage de l'eau est supposé, une chaudière à double circuit est nécessaire, seule une chaudière à circuit unique fonctionne pour le chauffage.

Chaudières à gaz murales - une petite armoire à la mode à installer dans la cuisine
Ensuite, vous devez décider du type de désenfumage. Il existe des chaudières à gaz avec des cheminées atmosphériques et des chambres de combustion ouvertes, il existe des chaudières turbocompressées (elles ont une chambre de combustion fermée). Les atmosphères nécessitent une bonne cheminée et un bon tirage, l'oxygène pour la combustion provient de la pièce dans laquelle l'unité est installée, il doit donc y avoir un canal d'entrée d'air et une cheminée en état de marche (tout cela est vérifié au démarrage du système).

Types de chambres de combustion
Les chaudières à tirage forcé (turbocompressées) peuvent être installées sans cheminée. La sortie des fumées de la chaudière à travers un tuyau coaxial (également appelé tuyau dans un tuyau) peut être évacuée directement vers le mur. Dans le même temps, la fumée sort par un tuyau (elle est pompée par une turbine), par le second, l'air de combustion entre directement dans la chambre de combustion.
Ce type d'équipement est bon pour tout le monde, sauf qu'en hiver le coaxial est envahi par le givre, ce qui aggrave la traction. En cas de mauvais tirage, l'automatisation éteint la chaudière - afin que les produits de combustion ne pénètrent pas dans la pièce. La mise en marche n'est possible que lorsque la traction est rétablie, c'est-à-dire que vous devrez rembourrer ou enlever d'une autre manière les excroissances de neige.
Il existe également un type distinct de chaudières - à condensation. Ils se distinguent par un rendement très élevé dû au fait que la chaleur est prélevée sur les gaz de combustion (ils condensent les vapeurs). Mais un rendement élevé n'est atteint qu'en mode basse température - dans la conduite de retour, le liquide de refroidissement ne doit pas avoir une température supérieure à +40 °C. Si la température est encore plus basse, c'est encore mieux.

Les chaudières à condensation sont les plus efficaces
De telles conditions conviennent au chauffage avec des sols chauffés à l'eau.Donc, si vous avez conçu un tel chauffage au gaz d'une maison privée - avec des sols chauds, une chaudière à condensation est ce dont vous avez besoin. Il présente peu d'inconvénients - un prix élevé (par rapport aux conventionnels) et un condensat caustique, qui impose des exigences particulières à la qualité de la cheminée (en bon acier inoxydable).
Chaudières à gaz au sol
Si vous avez besoin de plus de puissance, l'option murale ne fonctionnera pas - elles ont une puissance maximale de 40 à 50 kW. Dans ce cas, mettez une chaudière au sol. Ici ils sont de forte puissance, et il existe aussi des modèles qui peuvent fonctionner en cascade. De cette façon, de grandes surfaces peuvent être chauffées.
Certaines des chaudières au sol peuvent fonctionner non seulement au gaz principal, mais également au gaz liquéfié. Certains peuvent encore fonctionner avec du carburant liquide. Ce sont donc des unités assez pratiques. Leur corps est en acier et l'échangeur de chaleur peut être en acier ou en fonte. La fonte pèse et coûte plus cher, mais a une durée de vie plus longue - de 10 à 15 ans. À l'intérieur du boîtier se trouvent un brûleur, une automatisation et un échangeur de chaleur.

La structure de la chaudière à gaz au sol
Lors du choix, vous devez faire attention à la fonctionnalité de l'automatisation. En plus de l'ensemble standard - contrôle de la présence de gaz, de flamme et de poussée, il existe de nombreuses autres fonctions utiles :
- maintien de la température de consigne,
- la possibilité de programmer des modes par jour ou par heure,
- compatibilité avec les thermostats d'ambiance ;
- adapter le fonctionnement de la chaudière à la météo,
- mode été - fonctionne pour chauffer l'eau sans chauffage;
- la possibilité de travailler en parallèle avec des panneaux solaires ou d'autres sources de chaleur alternatives, etc.
Plus la fonctionnalité de l'automatisation est large, plus la chaudière et sa maintenance sont chères
Mais aussi de nombreux programmes vous permettent d'économiser du carburant, ce qui n'est pas moins important. En général, vous choisissez
Chauffage à air (convecteur)
Dans les systèmes de chauffage à air, la chaleur est transférée par convection. L'air de la pièce est chauffé par des appareils spéciaux - des convecteurs. Le gaz naturel ou liquéfié lors de la combustion est converti en énergie sans la participation d'un fluide caloporteur.
Les convecteurs à l'aide de capteurs maintiennent la température réglée dans la pièce. Les appareils sont équipés d'une chambre de combustion de type fermé. Les gaz d'échappement sortent par un tuyau coaxial intégré dans le mur. Il n'y a pas d'odeur dans la pièce, le niveau d'oxygène ne diminue pas, ce dont les habitants des maisons privées ont peur en vain.

Le chauffage à air est beaucoup plus économique que le chauffage à eau traditionnel. La pose de tuyaux, le pompage de liquide de refroidissement n'est pas nécessaire. L'énergie est dépensée pour chauffer la pièce et n'est pas perdue lors du passage dans le pipeline et pour le chauffage des radiateurs. Consommation de gaz - 0,13-0,51 m³ / heure à une puissance de 2-10 kW.
Installation de système de chauffage
L'installation du système de chauffage d'une maison de campagne s'effectue en plusieurs étapes:
- développement de projets, obtention de permis auprès des autorités compétentes ;
- achat de matériaux, d'équipements et préparation d'outils ;
- raccordement au gazoduc, qui longe la rue et par lequel le gaz est fourni aux bâtiments résidentiels ;
- préparation d'un emplacement pour une chaudière à gaz, tuyauterie;
Installation d'équipements à gaz
installation de chaudières ;
remplir le système de liquide de refroidissement ;
Diagnostique.
Le critère principal par lequel la quantité de matériaux est calculée, le choix du modèle d'équipement de chauffage est effectué, est la superficie de la maison. Plus il est grand, plus l'appareil aura besoin de puissance. Pour une petite maison, une chaudière de petite taille convient, qui peut être installée dans la salle de bain ou dans la cuisine. Pour un chalet ou un manoir à deux étages, mieux vaut choisir un gros appareil puissant.
Le système de chauffage d'une maison privée installée conformément à toutes les règles fonctionnera pendant une longue période. Avant de commencer les travaux d'installation, vous devez vous familiariser avec le schéma de chauffage et les règles d'installation des équipements de chauffage.
Schémas d'approvisionnement en chaleur au gaz à la maison
S'il est prévu d'effectuer un chauffage au gaz de type eau, les experts conseillent tout d'abord de décider de l'option de circulation du liquide de refroidissement, ce qui se produit:
- Type forcé à l'aide d'une pompe. Dans de tels systèmes de chauffage, le liquide de refroidissement se déplace à une vitesse donnée et la chaleur pénètre dans tous leurs éléments. En raison de la présence de la pompe, des tuyaux de petite section sont utilisés et, par conséquent, le volume de liquide dans le système est faible - il chauffe rapidement. La maison offre des conditions pour un séjour confortable. Mais la pompe de circulation nécessite de l'électricité pour fonctionner. Pour qu'il soit constamment dans la maison, vous devez fournir une alimentation de secours. Avec une rare panne de courant, quelques piles suffiront. Avec des pannes de courant fréquentes, un générateur coûteux doit être présent dans le système.
- Naturel (gravitationnel). Dans ce cas, il sera nécessaire d'installer une canalisation de grand diamètre, ce qui signifie qu'il devrait y avoir beaucoup de liquide de refroidissement dans le système.De plus, le liquide se déplace à travers les tuyaux à faible vitesse et l'efficacité de chauffage est négligeable. En conséquence, les batteries éloignées dans les longues branches restent froides. Mais d'un autre côté, un système à circulation naturelle ne dépend pas de la disponibilité de l'électricité.

L'appareil et les éléments d'un système de chauffage monotube
Un système monotube, comme déjà mentionné, est un circuit fermé qui comprend une chaudière, une canalisation principale, des radiateurs, un vase d'expansion, ainsi que des éléments qui font circuler le liquide de refroidissement. La circulation peut être naturelle ou forcée.
En circulation naturelle, le mouvement du fluide caloporteur est assuré par différentes densités d'eau : de l'eau chaude moins dense, sous la pression de l'eau refroidie provenant du circuit de retour, est forcée dans le système, remonte la colonne montante jusqu'au point supérieur, d'où il se déplace le long du tuyau principal et est démonté à travers les radiateurs et autres éléments du système. La pente du tuyau doit être d'au moins 3-5 degrés. Cette condition ne peut pas toujours être remplie, en particulier dans les grandes maisons à un étage avec un système de chauffage étendu, car la différence de hauteur avec une telle pente est de 5 à 7 cm par mètre de longueur de tuyau.
La circulation forcée est réalisée par une pompe de circulation, qui est installée dans la partie inverse du circuit juste en face de l'entrée de la chaudière. À l'aide d'une pompe, une pression suffisante est créée pour maintenir la température de l'eau de chauffage dans les limites établies. La pente du tuyau principal dans un système à circulation forcée peut être bien moindre - il suffit généralement de prévoir une différence de 0,5 cm pour 1 mètre de longueur de tuyau.
Pompe de circulation pour système de chauffage monotube
Pour éviter la stagnation du liquide de refroidissement en cas de panne de courant, dans les systèmes à circulation forcée, un collecteur accélérateur est installé - un tuyau qui élève le liquide de refroidissement à une hauteur d'au moins un mètre et demi. Au point supérieur du collecteur d'accélération, un tuyau est drainé dans un vase d'expansion dont le but est de réguler la pression dans le système et d'exclure son augmentation d'urgence.
Dans les systèmes modernes, des vases d'expansion de type fermé sont installés, ce qui exclut le contact du liquide de refroidissement avec l'air. Une membrane flexible est installée à l'intérieur d'un tel réservoir, d'un côté de laquelle l'air est pompé avec une surpression, de l'autre côté, la sortie du liquide de refroidissement est prévue. Ils peuvent être installés n'importe où dans le système.
Un exemple de raccordement d'un vase d'expansion à un système de chauffage monotube
Les vases d'expansion de type ouvert sont de conception plus simple, mais nécessitent une installation obligatoire en haut du système. De plus, le liquide de refroidissement qu'ils contiennent est activement saturé d'oxygène, ce qui peut entraîner une défaillance prématurée des tuyaux en acier et des radiateurs en raison de la corrosion active.
La séquence d'installation des éléments est la suivante:
- Chauffage par chaudière (gaz, gasoil, combustible solide, électrique ou mixte) ;
- Collecteur d'accélération avec accès au vase d'expansion ;
- Le pipeline principal qui contourne tous les locaux de la maison le long d'un itinéraire donné. Tout d'abord, il faut tracer un circuit vers les pièces qui ont le plus besoin de chauffage : une chambre d'enfant, une chambre, une salle de bain, car la température de l'eau en début de circuit est toujours plus élevée ;
- Radiateurs installés dans des endroits sélectionnés ;
- Pompe de circulation juste avant l'entrée de la partie retour du circuit dans la chaudière.
Quelle est la différence entre les chaudières à combustible solide
Outre le fait que ces sources de chaleur produisent de l'énergie thermique en brûlant divers types de combustibles solides, elles présentent un certain nombre d'autres différences par rapport aux autres générateurs de chaleur. Ces différences sont précisément le résultat de la combustion du bois, elles doivent être considérées comme allant de soi et toujours prises en compte lors du raccordement de la chaudière à un système de chauffage à eau. Les fonctionnalités sont les suivantes :
- Grande inertie. À l'heure actuelle, il n'existe aucun moyen d'éteindre brusquement un combustible solide en combustion dans une chambre de combustion.
- Formation de condensat dans le foyer. La particularité se manifeste lorsqu'un caloporteur à basse température (inférieure à 50 °C) pénètre dans le réservoir de la chaudière.
Noter. Le phénomène d'inertie n'est absent que dans un type d'unités à combustible solide - les chaudières à granulés. Ils ont un brûleur, où les granulés de bois sont dosés, après l'arrêt de l'alimentation, la flamme s'éteint presque immédiatement.
Le danger d'inertie réside dans la surchauffe possible de la chemise d'eau de l'appareil de chauffage, à la suite de quoi le liquide de refroidissement y bout. De la vapeur se forme, ce qui crée une haute pression, déchirant le boîtier de l'unité et une partie de la canalisation d'alimentation. En conséquence, il y a beaucoup d'eau dans la chaufferie, beaucoup de vapeur et une chaudière à combustible solide inadaptée à un fonctionnement ultérieur.
Une situation similaire peut se produire lorsque le générateur de chaleur est mal connecté. En effet, dans les faits, le mode de fonctionnement normal des chaudières à bois est maximal, c'est à ce moment que l'appareil atteint son efficacité passeport.Lorsque le thermostat réagit au caloporteur atteignant une température de 85 ° C et ferme le volet d'air, la combustion et la combustion lente dans le four se poursuivent. La température de l'eau augmente encore de 2 à 4°C, voire plus, avant que sa croissance ne s'arrête.
Afin d'éviter une surpression et un accident ultérieur, un élément important est toujours impliqué dans la tuyauterie d'une chaudière à combustible solide - un groupe de sécurité, dont nous parlerons plus en détail ci-dessous.
Une autre caractéristique désagréable du fonctionnement de l'appareil au bois est l'apparition de condensat sur les parois intérieures du foyer en raison du passage d'un liquide de refroidissement non chauffé à travers la chemise d'eau. Ce condensat n'est pas du tout la rosée de Dieu, car il s'agit d'un liquide agressif, à partir duquel les parois en acier de la chambre de combustion se corrodent rapidement. Ensuite, après avoir mélangé avec de la cendre, le condensat se transforme en une substance collante, il n'est pas si facile de l'arracher de la surface. Le problème est résolu en installant une unité de mélange dans le circuit de tuyauterie d'une chaudière à combustible solide.
Un tel revêtement sert d'isolant thermique et réduit l'efficacité d'une chaudière à combustible solide.
Il est trop tôt pour que les propriétaires de générateurs de chaleur avec échangeurs de chaleur en fonte qui ne craignent pas la corrosion poussent un soupir de soulagement. Ils peuvent s'attendre à un autre malheur - la possibilité de destruction de la fonte par un choc thermique. Imaginez que dans une maison privée, l'électricité a été coupée pendant 20 à 30 minutes et que la pompe de circulation, qui fait circuler l'eau dans une chaudière à combustible solide, s'est arrêtée. Pendant ce temps, l'eau dans les radiateurs a le temps de se refroidir et dans l'échangeur de chaleur - de se réchauffer (en raison de la même inertie).
L'électricité apparaît, la pompe s'allume et envoie le liquide de refroidissement refroidi du système de chauffage fermé à la chaudière chauffée.A partir d'une forte chute de température, un choc thermique se produit au niveau de l'échangeur de chaleur, la section en fonte se fissure, l'eau coule jusqu'au sol. Il est très difficile à réparer, il n'est pas toujours possible de remplacer la section. Ainsi, même dans ce scénario, l'unité de mélange empêchera un accident, qui sera discuté plus tard.
Les urgences et leurs conséquences ne sont pas décrites afin d'effrayer les utilisateurs de chaudières à combustible solide ou de les inciter à acheter des éléments inutiles des circuits de tuyauterie. La description est basée sur l'expérience pratique, qui doit toujours être prise en compte. Avec la connexion correcte de l'unité thermique, la probabilité de telles conséquences est extrêmement faible, presque la même que pour les générateurs de chaleur utilisant d'autres types de combustibles.
foyer au gaz
En termes de coût, les foyers au gaz sont presque les mêmes que les appareils au bois ou électriques. Mais le gaz est beaucoup moins cher. Et aussi, contrairement au bois de chauffage, le chauffage au gaz implique l'absence de cendres. Dans le même temps, vous n'avez pas besoin de surveiller en permanence le fonctionnement de la chambre de combustion et de veiller à la disponibilité constante du bois de chauffage.
Selon le type d'installation, les foyers sont divisés en:
- embarqué;
- île;
- mural.
En termes d'éléments internes et de conception, les foyers sont similaires aux chaudières à gaz. La méthode de connexion au réseau est également identique. La différence réside uniquement dans la méthode de chauffage des locaux. La chaudière à gaz est conçue pour chauffer le liquide et la cheminée pour chauffer l'air de la vitre avant ou du corps.
Chaudières gaz à convection et à condensation
Les chaudières à gaz à convection sont des appareils de type standard qui n'utilisent que l'énergie de la combustion du combustible. De telles unités ont un dispositif simple et un coût relativement peu coûteux.Le principal problème du dispositif de convection est la formation de condensat sur l'échangeur de chaleur, composé d'eau et d'acides. Le moyen de lutter contre la rosée est de maintenir une température élevée dans l'échangeur de chaleur, et pour cela, la température du liquide de refroidissement dans le retour doit être d'au moins 60 degrés. Parmi les appareils de chauffage avec chaudières de ce type, il est permis d'utiliser des radiateurs muraux, des registres et des convecteurs. Le système de chauffage au sol et les appareils au sol ne sont pas combinés avec une unité de convection, car ils ne réchaufferont pas les jambes, mais les brûleront.
Les unités de condensation n'utilisent pas toujours pleinement leur énergie, qui est produite lors du processus de combustion du carburant. Ils convertissent l'énergie de condensation de la vapeur d'eau en chaleur.
Pour une chaudière à condensation, il est important que l'échangeur ait une température basse, ainsi que le retour. Un schéma typique d'alimentation en chaleur au gaz dans une maison privée avec une unité de chauffage de ce type est le suivant: des radiateurs sont placés sous les fenêtres et un système de chauffage par le sol est installé, pour lequel ils utilisent le retour des batteries de chauffage, où le liquide de refroidissement donne hors de la dernière chaleur.
Lors du chauffage d'une maison privée à l'aide d'équipements à gaz, des chaudières sont utilisées:
- avec circulation naturelle - ils aspirent l'air de la pièce dans un brûleur ouvert et éliminent les produits de combustion en les dirigeant vers la ventilation générale. Leur installation nécessite une pièce séparée d'une superficie d'au moins 4 "carrés" avec une large porte et fenêtre;
- à circulation forcée . Dans ce cas, afin de maintenir la combustion, l'air est prélevé dans la rue et les produits de combustion y sont évacués par un conduit séparé. La chaudière peut être installée même dans une zone résidentielle.
Les chaudières à circulation naturelle et forcée, lorsqu'elles sont équipées de systèmes de chauffage au gaz autonomes, doivent être connectées et démarrées uniquement par des travailleurs du service de gaz.





























