- Est-il légal de s'installer dans un immeuble ?
- Où obtenir l'autorisation ?
- Liste approximative des documents
- Comment les obtenir ?
- Comment installer une chaudière à gaz pour le chauffage dans un appartement
- Avantages de la chaudière
- Types de systèmes
- Système de chauffage autonome au gaz
- Chauffage électrique autonome individuel
- Caractéristiques du chauffage individuel des appartements
- Fournir de la chaleur au système de chauffage centralisé des immeubles d'habitation
- Procédure d'inscription
- Chauffage individuel - à prévoir
- Est-il possible de refuser le chauffage central pour tous les résidents de la maison
- Que dit la loi?
- Qu'en est-il des factures de chauffage ?
Est-il légal de s'installer dans un immeuble ?
L'installation de chauffage autonome est régie par plusieurs lois fédérales :
- Loi fédérale n° 190-FZ "Sur l'approvisionnement en chaleur".
- Articles 26-27 du Code du logement.
- Décret gouvernemental n° 307.
Où obtenir l'autorisation ?
- Si le propriétaire est une entreprise énergétique, la demande est adressée au chef d'entreprise.
- Propriétaires – autorisation de renoncer à tous les propriétaires. Il est plus facile de le faire lors d'une assemblée générale des locataires, mais en même temps vous devrez faire le tour de tous les appartements afin de récolter le nombre de signatures requis.
Référence! Un permis n'est pas requis si le système n'a pas de propriétaire, et la déconnexion du système central ne violera pas les droits des autres résidents.
Liste approximative des documents
Pour refuser les services du réseau de chauffage, vous aurez besoin du jeu de documents suivant (article 26 du code du logement) :
- une pétition-déclaration rédigée sous forme libre ;
- passeport technique de l'appartement indiquant le passage du chauffage principal à travers l'appartement (une photocopie certifiée par un notaire est autorisée);
- un extrait du livret de la maison, où sont indiquées toutes les personnes inscrites dans l'appartement ;
- autorisation du fournisseur de chaleur ;
- certificat de propriété d'un bien immobilier;
- consentement signé par tous les propriétaires d'appartements de plus de 18 ans ;
- si la maison appartient à des monuments architecturaux, un permis de l'organisation pour la protection des monuments architecturaux sera requis;
- la conclusion de la commission.
Important! Les autorités de régulation ne peuvent exiger des documents supplémentaires allant au-delà de l'article 26. Un projet technique de réorganisation du système, approuvé par les fournisseurs de gaz et d'énergie thermique, doit être joint au dossier de documents.
Le dossier doit être accompagné d'un projet technique de réorganisation du système, approuvé par les fournisseurs de gaz et d'énergie thermique.

Le projet montre :
- l'impact d'un système d'apport de chaleur individuel sur le système général (niveau de chauffage résiduel des colonnes montantes et des transats) ;
- calculs thermohydrauliques;
- nomme un nouveau type de système et son influence sur le système central de la maison.
Si les calculs montrent la possibilité d'un arrêt, le projet peut être soumis pour approbation à la municipalité.
Si le projet montre un impact négatif sur le système thermique de la maison, il ne sera pas possible d'obtenir une approbation.
Comment les obtenir ?
Les documents sont reçus selon l'algorithme suivant (le respect de la commande est obligatoire carchaque instance ultérieure nécessitera des documents de la précédente) :
- Réseau de chauffage urbain - délivre l'autorisation de se déconnecter du réseau de chauffage général.
Le consentement est délivré si le projet déclaré ne viole pas les structures d'ingénierie des appartements voisins. Si un refus déraisonnable est émis, il peut faire l'objet d'un recours devant le tribunal.
- Avec une lettre d'entente, vous devez contacter les fournisseurs de gaz ou d'électricité pour obtenir les conditions d'installation d'un système autonome. La documentation technique est délivrée dans les dix jours suivant la date d'application.
- Une organisation de conception qui développe des projets de ce type. Si la chaudière a déjà été achetée, le passeport technique de l'appareil doit être fourni à l'organisme de conception.
La quasi-totalité des prescriptions techniques imposées par les autorités de contrôle sont précisées dans le SNIPE 41-01-2003 "Systèmes de chauffage individuels", clause 6.2 "Chauffage, ventilation et climatisation".
Important! L'organisation de conception peut effectuer la collecte et l'exécution de tous les documents requis en tant que service supplémentaire. Les documents collectés pour l'autorisation doivent être envoyés à l'administration de la ville
Ça peut être fait:
Les documents collectés pour l'autorisation doivent être envoyés à l'administration de la ville. Ça peut être fait:
- personnellement;
- avec l'aide d'une société de gestion.
Une décision sur la demande est rendue dans un délai de 45 jours, après quoi les autorités disposent de trois jours pour émettre une autorisation ou un refus par écrit au demandeur.
Les autorités municipales ne sont pas très disposées à autoriser le raccordement de systèmes de chauffage à un appartement. Vous pouvez obtenir l'autorisation d'installer au tribunal.
Comment installer une chaudière à gaz pour le chauffage dans un appartement
Cela ne vaut pas la peine d'en dire beaucoup sur le principe de fonctionnement d'une chaudière à gaz, car tout y est déjà clair. L'eau pénètre dans l'échangeur de chaleur, puis elle chauffe jusqu'à la température requise, puis elle est distribuée dans le système de chauffage.
Ce qu'il faut avoir ou faire avant d'installer un chauffage individuel :
- Pour effectuer le chauffage au gaz dans un appartement, vous devez d'abord obtenir toutes les autorisations nécessaires (au service du gaz).
- Sélectionnez, calculez puis achetez les équipements nécessaires au chauffage des locaux individuels.
- La pièce ou la pièce où sera située la chaudière doit être préparée en conséquence. Vous pouvez effectuer les réparations appropriées, percer un trou sur le tuyau coaxial s'il n'y a pas de cheminée, etc.
- Grâce au système de chauffage au gaz de l'appartement, vous ne dépendez plus d'une conduite de gaz centralisée.
- Il faut également penser à la ventilation de la pièce, car cela garantit la sécurité d'utilisation de l'appareil par tous les membres de la famille.
Bien entendu, il ne sera pas possible d'installer rapidement un système de chauffage individuel, car la collecte des documents selon la liste prendra beaucoup de temps.

Voici les conditions dans lesquelles vous pouvez installer un chauffage au gaz dans les appartements :
- Une chaudière individuelle au gaz dans un appartement peut être installée dans des pièces de plus de 4 m², mais en aucun cas moins.
- Il devrait également y avoir plus de lumière naturelle dans la pièce où sera situé le système de chauffage individuel, c'est-à-dire que la présence d'une fenêtre (avec une fenêtre qui s'ouvrira pour la ventilation) est obligatoire.
- Un pipeline avec de l'eau froide doit être.
- Pour le chauffage individuel au gaz, une cheminée est nécessaire.S'il n'y a rien de tel dans un immeuble de grande hauteur, vous pouvez installer un tuyau coaxial qui traverse le mur.
- Pendant le fonctionnement de l'unité à gaz, la ventilation doit également bien fonctionner.
Si vous suivez ces règles simples, l'installation du chauffage individuel dans l'appartement se fera rapidement et sans aucun problème. Vous pouvez installer vous-même un système individuel, mais cela n'en vaut toujours pas la peine - il est préférable de contacter un spécialiste.

Avantages de la chaudière
Pour le fonctionnement d'une chaudière à gaz à double circuit, l'air prélevé dans la rue est utilisé et tous les produits de combustion sont évacués à l'aide de tuyaux de ventilation. Leur niveau d'automatisation est assez élevé et vous n'aurez qu'à régler les paramètres nécessaires pour que cela fonctionne.
Grâce à un système d'automatisation bien pensé, le gaz est fourni et allumé dans les brûleurs après avoir reçu un signal positif des capteurs existants. Cela ne peut pas arriver spontanément.
Le liquide de refroidissement dans le système circule grâce à la présence d'une pompe. De l'eau ordinaire ou un antigel spécial peut être utilisé comme liquide de refroidissement.
Types de systèmes
À ce jour, deux systèmes sont le plus souvent utilisés pour le chauffage individuel des appartements - le gaz et l'électricité.
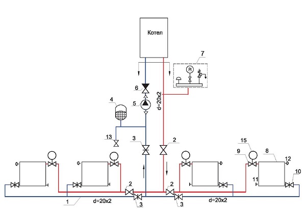
Système de chauffage autonome au gaz
La disposition du système de chauffage autonome dépend en grande partie du type d'effet que vous attendez de sa mise en œuvre dans votre appartement, ainsi que de la taille des pièces à chauffer. Pour installer un système individuel, vous aurez certainement besoin d'un plan clair pour le futur système.Il convient de garder à l'esprit que, puisque vous envisagez d'installer un nouveau système de chauffage dans l'appartement, il doit répondre à toutes les exigences autant que possible. Autrement dit, aucune approche originale ou l'introduction d'idées inhabituelles - seulement un strict respect des règles. Pour créer un schéma de système et son installation ultérieure, des spécialistes doivent être invités. Le chauffage autonome d'un appartement à faire soi-même provoque souvent des tragédies - il vaut donc mieux ne pas le risquer.
Chaudière à gaz dans un nouveau bâtiment
En aucun cas, vous ne devez commencer l'installation du système sans rassembler la documentation nécessaire. Il y a des cas où des personnes ont installé des systèmes de chauffage individuels sans obtenir l'approbation des services publics. En conséquence - d'énormes amendes et le démantèlement forcé du système.
De nombreux artisans impliqués dans l'installation d'équipements à gaz pour le chauffage d'appartements notent que le plus approprié à ces fins est l'installation d'un chauffage autonome dans un appartement à l'aide d'une chaudière murale. Il dispose d'une chambre de combustion séparée et d'une protection à plusieurs niveaux. De plus, ces chaudières sont équipées d'un système d'évacuation des fumées de haute qualité - il comprend un petit tuyau dirigé horizontalement à travers lequel la fumée est évacuée dans la rue sans gêner les résidents de l'appartement.
Gaz moderne chaudière dans la cuisine appartements
Considérez les principaux avantages d'un système de chauffage autonome au gaz:
- coût abordable - le coût du système, ainsi que son installation et son fonctionnement, est assez faible. Le chauffage autonome au gaz d'un appartement peut être payé même par les familles dont la richesse est modérée.
- un grand nombre de modèles - en fait, le marché moderne offre aux consommateurs un large choix de chaudières pour le chauffage des locaux. Vous pouvez le choisir en fonction de caractéristiques individuelles - coût, volume, puissance, surface de chauffage, quantité de carburant consommée.
- facilité d'utilisation - la plupart des modèles modernes ont la capacité de s'ajuster automatiquement. De plus, vous pouvez activer et désactiver indépendamment le système si nécessaire. De plus, certains modèles vous permettent de régler la température de chauffage optimale et de la maintenir automatiquement.
Chaudière à gaz
ensemble complet - aujourd'hui, il est facile de trouver une chaudière à gaz, qui est complétée par tous les éléments nécessaires à l'installation du système de chauffage
En particulier, vous n'avez pas à inventer quelque choseou pour créer ventilation.
compacité et silence - malgré son importance, une chaudière à gaz est un appareil plutôt petit qui peut être facilement utilisé même dans un très petit appartement. De plus, cela fonctionne presque silencieusement - et c'est aussi un avantage important du système pour beaucoup.
Comme déjà mentionné, il est extrêmement important de confier l'installation du système de chauffage à des professionnels. Contactez une entreprise spécialisée dans ce service, concluez par tous les moyens un accord et obtenez l'autorisation de chauffage autonome d'un appartement
Ne comptez pas sur votre propre force - la simplicité visible du processus d'installation est très trompeuse. Le système nécessite la conformité avec toutes les fonctionnalités d'installation que vous ne connaissez peut-être tout simplement pas. De plus, seul un professionnel pourra démonter les éléments de l'ancien système de chauffage afin qu'il continue de fonctionner dans toute la maison.
Bien sûr, beaucoup sont contrariés par le fait que vous devez payer pour l'installation du système - après tout, tout peut être fait à la main
Mais, peu de gens sont capables de l'installer correctement, et surtout - rapidement. De plus, un spécialiste qui installe le système peut garantir ses performances et sa sécurité.
Et c'est extrêmement important.
Chauffage électrique autonome individuel
S'il est décidé d'installer le chauffage dans l'appartement à l'électricité, le plus souvent dans ce cas, une chaudière électrique à double circuit est utilisée. Ce type de chauffage est particulièrement efficace lorsque des coupures constantes de gaz se produisent dans un immeuble à appartements. Pour installer un tel système, seule la proximité d'une source d'alimentation électrique est nécessaire.
Schéma du système de chauffage autonome.
Mais le principal avantage d'un tel système réside dans ses dimensions compactes et son accessibilité lors des travaux d'installation.
Il est également important que toutes les activités d'une chaudière électrique à double circuit soient basées sur le fonctionnement respectueux de l'environnement de l'unité, elle n'émet absolument aucun produit de combustion nocif et n'utilise pas d'air dans son travail.
Pour installer un système de chauffage électrique. aucune zone séparée n'est nécessaire, car un tel appareil électrique peut être facilement placé sur n'importe quel mur pratique. De plus, une chaudière électrique murale ne nécessite pas d'installation particulière de cheminées, de systèmes de ventilation et d'un permis d'installation séparé, comme c'est le cas avec une chaudière murale à gaz.
L'installation d'un appareil électrique mural assure un fonctionnement silencieux sans vibrations diverses. La pratique montre que ces chaudières ont fait preuve d'une grande durabilité et d'une grande durabilité sur toute la période de fonctionnement constant.Et l'entretien et la réparation des chaudières électriques sont beaucoup plus rapides et plus faciles que les équipements à gaz. Pour de nombreux consommateurs, tous ces facteurs énumérés sont déterminants dans le choix d'un système de chauffage.
Caractéristiques du chauffage individuel des appartements
Si vous envisagez de passer au chauffage autonome, vous devez évaluer de manière réaliste vos capacités et comprendre que la plupart des options tout à fait acceptables pour les maisons privées ne sont pas possibles dans un immeuble de grande hauteur. Les chaudières à combustible solide et à combustible liquide de toutes sortes doivent être immédiatement « balayées ».
Ceci est dû au fait que pour leur bon fonctionnement. une alimentation en carburant est nécessaire, ce qui n'est pas sûr dans un immeuble à appartements.

Le chauffage individuel dans l'appartement peut être organisé de différentes manières. Il y a certainement moins d'options que dans une maison privée, mais il suffit de choisir le système le plus adapté aux conditions existantes.
De plus, c'est aussi extrêmement gênant. Il est interdit d'utiliser dans ce cas un plancher d'eau chaude. Il n'est possible d'installer qu'une seule de ses variétés électriques.
Vous devez savoir que lors de l'organisation du chauffage individuel dans un immeuble de grande hauteur, vous devrez tenir compte non seulement de vos propres intérêts, mais également des intérêts des autres résidents qui pourraient être insatisfaits de certaines des difficultés qui en résultent. de vos actes.
Ainsi, le choix correct de la source de chaleur est très important. Il s'agit d'une étape cruciale, qui conditionne, de fait, la réussite de l'événement prévu.
Malgré les limitations, il existe encore de nombreuses options pour les systèmes autonomes. Il s'agit avant tout d'un chauffage au gaz.De plus, il faut tenir compte du fait que nous ne parlons pas de carburant en bouteille, mais de raccordement à une conduite de gaz.
L'option avec des cylindres ne vaut même pas la peine d'être envisagée, car elle coûtera beaucoup plus cher que le chauffage centralisé et elle est extrêmement gênante. Le chauffage au gaz de ville est très économique et peut fonctionner de manière totalement autonome.
La meilleure source de chaleur pour l'un des appartements d'un immeuble de grande hauteur sera une chaudière murale à double circuit avec thermostat et allumage électronique. Il maintiendra automatiquement la température la plus confortable et fournira de l'eau chaude.
Si l'appartement dispose de suffisamment d'espace libre, vous devez faire attention à la chaudière avec une chaudière. Il sera donc possible de stabiliser l'alimentation en eau chaude
Le chauffage électrique peut également être installé dans les immeubles à appartements. Elle peut être mise en œuvre de plusieurs manières, lorsque l'électricité est utilisée pour le chauffage direct, plus coûteux, ou indirect.

Une chaudière murale à gaz couplée à une chaudière prendra certes beaucoup de place, mais cela assurera une alimentation en eau chaude ininterrompue à la température souhaitée et dans n'importe quel volume
Un système alimenté à l'électricité peut avoir une chaudière, une pompe à chaleur comme source de chaleur et un plancher de câbles électriques, un film infrarouge, des plinthes comme émetteur d'énergie. radiateurs ou convecteurs électriques.
Le propriétaire de l'appartement peut choisir n'importe quelle option appropriée ou en combiner plusieurs. Par exemple, le chauffage au sol et les convecteurs. Examinons en détail chacune des manières possibles d'organiser le chauffage autonome.
Fournir de la chaleur au système de chauffage centralisé des immeubles d'habitation
Comme on le sait, une part importante du parc de logements est alimentée en chaleur de manière centralisée. Et, malgré le fait que ces dernières années des systèmes d'approvisionnement en chaleur plus modernes soient apparus et soient introduits, le chauffage central reste en demande, sinon parmi les propriétaires, du moins parmi les promoteurs de logements à plusieurs appartements. Cependant, il convient de noter que de nombreuses années d'expérience étrangère et nationale dans l'utilisation d'une telle option de chauffage ont prouvé son efficacité et son droit d'exister à l'avenir, à condition que tous les éléments soient sans problème et de haute qualité.
Une caractéristique distinctive d'un tel système est la génération de chaleur à l'extérieur des bâtiments chauffés, dont la livraison à partir de la source de chaleur est effectuée par des canalisations. En d'autres termes, le chauffage centralisé est un système d'ingénierie complexe réparti sur une grande surface, fournissant de la chaleur à un grand nombre d'objets en même temps.
Procédure d'inscription
Avant de commencer l'installation de l'équipement, il est nécessaire d'élaborer un projet de chauffage autonome. Souvent, les unités à gaz sont utilisées comme installation de chauffage principale dans la construction de tels systèmes. Le propriétaire doit contacter le fournisseur de combustible "bleu" afin que le schéma de chauffage soit correctement établi. Les spécialistes de l'organisation détermineront la meilleure option pour le chauffage autonome, en tenant compte des conditions techniques spécifiques.
Le point le plus important est le niveau de pression dans le gazoduc. S'il est insuffisant et ne permet pas le fonctionnement normal de l'installation, alors sur la création chauffage au gaz dans l'appartement vous pouvez oublier. Ensuite, vous devrez envisager l'option d'un appareil de chauffage avec un liquide de refroidissement différent.Comme alternative, vous pouvez envisager le schéma avec une chaudière électrique ou le faire plus facilement en installant un «plancher chaud» dans l'appartement.
C'est intéressant : quoi le type de chauffage au sol est préférable de choisir.
avant d'aller à la compagnie de gaz, il est nécessaire de rassembler une certaine liste de documents. Le propriétaire devra fournir :
- Passeport technique pour l'appartement. Ce document doit contenir des informations indiquant que le logement est déconnecté de l'alimentation en chaleur centralisée.
- Passeport et NIF.
- Une copie du passeport de l'équipement, ainsi que des instructions pour son installation.
- Facture payée pour les services d'une compagnie de gaz pour la compilation d'un système de chauffage individuel.
La législation de la Fédération de Russie énonce clairement les points importants concernant l'aménagement du chauffage autonome au gaz. La chaudière doit être équipée d'une chambre combustion de type fermé et ont des moyens bien établis d'éliminer le monoxyde de carbone. Si cette condition n'est pas remplie, alors pour l'installation d'un appareil de chauffage les appartements seront interdits.
Chauffage individuel - à prévoir
Étant donné que le système de chauffage interne fait partie de la propriété commune d'un immeuble, toute action pour sa reconstruction n'est possible qu'avec le consentement des propriétaires de tous les appartements. Ainsi, le "feu vert" sur la voie d'un système de chauffage individuel ne dépend pas seulement des gouvernements locaux, mais aussi des "voisins de bonne humeur".
Pour obtenir une décision positive, il est également très important de choisir le bon équipement de chauffage. Il doit être de haute qualité, doit être approuvé pour le fonctionnement par Rostekhnadzor, avoir les certificats appropriés, la conclusion sanitaire et épidémiologique

Une bonne chaudière de bonne qualité et bien choisie vous apportera chaleur et confort pendant de nombreuses années : n'essayez pas d'économiser dessus, et plus encore, vous ne devriez pas acheter une unité d'occasion
Pour obtenir une décision sur la possibilité de transférer un appartement au chauffage individuel, le demandeur doit soumettre les documents suivants à l'administration locale :
- application du formulaire approuvé ;
- projet développé;
- ensemble de documentation technique pour l'installation du système.
Le développement du projet doit être confié exclusivement à des organisations agréées vérifiées. Il doit contenir des calculs et des conclusions confirmant que l'arrêt du chauffage central dans cet appartement particulier n'affectera pas le fonctionnement de l'ensemble du système de la maison, que le régime thermohydraulique du bâtiment restera dans la plage normale.
La décision doit être prise par la commission dans un délai d'un mois et demi. En cas de « réponse positive », le demandeur se voit délivrer un document lui permettant d'effectuer toutes les actions de réparation décrites dans le projet.
Est-il possible de refuser le chauffage central pour tous les résidents de la maison
Très souvent, une situation se présente lorsque les propriétaires de tous les appartements veulent abandonner le centre chauffage dans un immeuble
Dans ce cas, les organisations de niveau supérieur sont plus susceptibles de réagir positivement, en tenant compte de l'opinion de la majorité des résidents.
Cependant, pour décider s'il est possible de refuser le chauffage dans un appartement, une collision avec des pièges n'est pas exclue. Vous devez les connaître afin de ne pas vous faire refuser le raccordement d'un système de chauffage individuel.
Tout d'abord, une réunion imprévue des propriétaires est requise logement de l'ensemble de l'immeuble avec tenue de registre obligatoire. La question d'une éventuelle déconnexion générale du chauffage central est décidée par vote avec le résultat consigné dans le protocole.

Ensuite, vous devez rédiger une clause de non-responsabilité. chauffage central dans un immeuble. Ce document doit être signé par chaque propriétaire de l'appartement.
La demande dûment remplie, accompagnée du procès-verbal de la réunion, doit être soumise pour examen à une commission spéciale, créée pour examiner les questions de ce type. A ce stade, il faut comprendre que si le chauffage autonome d'une maison provoque un dysfonctionnement dans le fonctionnement de l'alimentation générale en chaleur, la commission peut refuser de l'éteindre. Le même résultat peut être obtenu s'il n'y a pas de charge supplémentaire sur les conduites électriques et de gaz.
Si la commission prend une décision positive, le représentant des propriétaires reçoit une liste d'organisations dont les conditions techniques doivent être prises en compte lors de l'élaboration de la documentation du projet.

Le projet fini est soumis pour approbation aux organismes suivants :
- L'entreprise responsable de l'approvisionnement en énergie.
- Systèmes de chauffage.
- Prestation gaz.
- Organisation du logement.
- Le département chargé de la préservation du monument de l'architecture.
Le projet convenu est transféré à un organisme d'installation agréé qui effectuera des travaux de conversion du chauffage.
Une fois tous les travaux d'installation terminés, les organisations énumérées ci-dessus doivent les accepter et autoriser le démarrage du système de chauffage.

Que dit la loi?
L'article 14 de la loi fédérale sur l'approvisionnement en chaleur stipule
En termes simples, vous ne pouvez pas installer votre propre chaudière si elle n'est pas prévue par le schéma de fourniture de chaleur MKD et si la source d'énergie au gaz naturel ne répond pas à ces exigences techniques.
Comme vous pouvez le voir, le législateur n'interdit pas directement l'installation d'une chaudière de chauffage individuelle dans un appartement. Mais pour son installation, il est nécessaire de passer par une procédure laborieuse pour recueillir les signatures des voisins, convenir des conditions techniques, d'un projet, etc. La déconnexion du système d'alimentation en chaleur commun est considérée comme une réorganisation (reconstruction) de la propriété commune d'un MKD. En conséquence, pour sa mise en œuvre, le consentement de tous les propriétaires des locaux et de l'administration du district est requis. Vous pouvez en savoir plus sur la procédure d'approbation dans la lettre du ministère de la Construction, ainsi que sur la décision de justice ici.
Qu'en est-il des factures de chauffage ?
Mais non, les organismes de fourniture de chaleur continuent de facturer de nombreuses personnes qui sont passées au chauffage individuel pour le chauffage, y compris la superficie de l'appartement. Je connais des cas où le Teploset a émis un consentement écrit pour déconnecter le propriétaire du système central, mais a continué à émettre une facture. En effet, pourquoi s'y opposeraient-ils, puisque les frais peuvent continuer à être facturés. Parce que le système de chauffage est le même pour MKD. Et la norme, qui permettrait d'allouer le paiement de la chaleur séparément pour les appartements et les locaux communs, n'a pas encore été adoptée.
Sur cette question, devant la Cour suprême en 2015, un représentant du ministère de la Construction a expliqué lors d'une réunion qu'il était prévu d'introduire des amendements à la loi (et maintenant 2018 arrive bientôt - mais il n'y a toujours pas d'amendements). Le litige concernait uniquement le calcul du paiement de la chaleur pour un appartement séparé de la chaudière commune du système de chauffage.La Cour suprême, dans sa décision, a ensuite indiqué qu'un tel calcul est légal et qu'une lacune dans la loi n'enlève rien à son exactitude.
Et en 2017, la Cour suprême dans une autre affaire a déjà décidé que
Quand les amendements à la loi seront adoptés et s'ils seront adoptés, on ne peut que deviner. Le ministère de la Construction, dans sa lettre suivante contenant des réponses aux questions sur le montant du paiement de l'énergie thermique pour l'entretien de SDI, a proposé qu'il soit établi par vote à l'assemblée générale du MKD "basé sur les principes d'humanité, de raison et juste"
. C'est drôle, surtout sur l'humanité.
Mon avis est qu'une telle décision de l'assemblée générale serait contraire au Règlement services publics et logement code. Parce que la loi ne permet pas aux propriétaires de fixer leur propre taux de consommation et le montant du paiement du service inclus dans la structure de paiement des locaux d'habitation.
Il existe encore des décisions positives dans lesquelles le tribunal a pris parti pour le propriétaire de l'appartement, qui a installé son propre système de chauffage. Et ça plaît. Par exemple, l'un des plus frais de ma région est ici. (malheureusement, le p.s a été annulé par le présidium en cassation en mars 2018, après la rédaction de cet article). Le tribunal a estimé que l'organisme de fourniture de chaleur ne pouvait pas prouver la fourniture de services de chauffage au propriétaire, qui se chauffait. Et s'il n'y a pas de service, il n'y a pas de paiement, y compris pour la consommation totale dans le MKD.
Installer ou non sa chaudière dans un appartement est une question ambiguë. Il y a un risque élevé qu'après avoir traversé toutes les étapes d'approbation du projet et obtenu l'autorisation, le propriétaire reçoive toujours un reçu de paiement du Réseau de chauffage.
Pour le moment, je ne recommande pas d'aller en justice avec des réclamations pour contester les charges de chauffage - les tribunaux refusent de les satisfaire dans toutes les régions, vous devez attendre l'adoption de la loi sur les paiements de chauffage (il existe déjà un projet) , ou l'avis de la Cour constitutionnelle.
PS il n'a pas fallu longtemps pour attendre - en décembre 2018, la Cour constitutionnelle a chargé le gouvernement d'élaborer un calcul pour payer le chauffage par les particuliers. En savoir plus dans l'article sur la pratique de la Cour suprême en 2018
calcul facture chauffage
de (Mise à jour : 12/01/2019)





































