- Introduction
- Le GNL est le carburant du 21ème siècle
- Perspectives pour l'hydrogène liquéfié
- Risque d'incendie/d'explosion et atténuation
- Pourquoi liquéfier le gaz naturel ?
- Economie et sécurité des transports
- Utilisation dans divers domaines
- Propriétés et capacités du propane, du butane et du méthane liquéfiés
- Gaz de pétrole liquéfié - comment il est meilleur que les autres carburants
- Refroidissement des gaz
- Gaz américain
- Avantages du gaz liquéfié
- Indice d'octane
- La diffusion
- Pression du réservoir
- Échappement
- impuretés
- Processus de production
- Purification et liquéfaction des gaz
- Comment obtenir
- Construction d'une usine de GNL
- GNL et investissements
Introduction
Actuellement, dans les chaufferies qui font partie de l'infrastructure des entreprises de transport ferroviaire, dans la plupart des cas, le charbon et le mazout servent de source d'énergie et le carburant diesel de secours. Ainsi, par exemple, une analyse des installations d'alimentation en chaleur du chemin de fer Oktyabrskaya, une branche des chemins de fer russes, a montré que les chaufferies fonctionnent principalement au mazout et que seules certaines d'entre elles fonctionnent au gaz naturel.
Les avantages des chaudières à fioul sont leur autonomie complète (possibilité de les utiliser pour des installations éloignées du réseau de gaz) et le faible coût de la composante combustible (par rapport aux chaudières à charbon, diesel et électriques), les inconvénients sont la nécessité d'organiser une installation de stockage, assurer l'approvisionnement en fioul, contrôler la qualité du fioul, les problèmes de pollution de l'environnement. Lors de la livraison de carburant en gros volumes, il est nécessaire d'organiser un système de déchargement (chauffage et vidange du mazout) et des routes d'accès, la nécessité de chauffer les installations de stockage et les conduites de mazout pour le transport du carburant vers les chaudières, ainsi que des coûts supplémentaires pour le nettoyage des échangeurs de chaleur de chauffage. et les filtres à mazout.
Dans le cadre de la forte augmentation attendue des redevances pour les émissions nocives dans l'atmosphère, la Direction centrale de l'approvisionnement en chaleur et en eau des chemins de fer russes a décidé de réduire l'utilisation de mazout dans les chaudières ferroviaires. Dans la région de Mourmansk, où passe une partie du chemin de fer Oktyabrskaya, un projet est présenté visant à réduire la dépendance au mazout des chaufferies de la ville et du district, y compris la possibilité de les faire passer au gaz naturel liquéfié (GNL). Il est prévu de construire une usine de GNL en Carélie et une infrastructure gazière dans le district fédéral du Nord-Ouest.
L'abandon du mazout augmentera de 40% l'efficacité des chaufferies de la région de Mourmansk.
Le GNL est le carburant du 21ème siècle
Dans un avenir proche, la Russie pourrait devenir l'un des principaux producteurs et fournisseurs du marché mondial du gaz naturel liquéfié, un type de carburant alternatif relativement nouveau pour notre pays.De tout le gaz naturel produit dans le monde, plus de 26 % sont liquéfiés et transportés sous forme liquide dans des camions-citernes spéciaux des pays producteurs vers les pays consommateurs de gaz.
Le gaz naturel liquéfié présente des avantages significatifs par rapport aux autres vecteurs énergétiques. Ils peuvent être fournis en peu de temps aux établissements non gazéifiés. De plus, le gaz naturel liquéfié est le plus écologique et le plus sûr des carburants de grande diffusion, ce qui ouvre de larges perspectives d'utilisation dans l'industrie et les transports. Aujourd'hui, plusieurs options sont envisagées pour la construction d'usines de liquéfaction de gaz naturel en Russie et de terminaux pour son expédition à l'exportation, dont l'une est censée être mise en œuvre dans le port de Primorsk, région de Leningrad.
Le gaz naturel liquéfié en tant que carburant alternatif présente de nombreux avantages. Premièrement, la liquéfaction du gaz naturel augmente sa densité de 600 fois, ce qui augmente l'efficacité et la commodité du stockage et du transport. Deuxièmement, le GNL est non toxique et non corrosif pour les métaux, c'est un liquide cryogénique qui est stocké sous une légère surpression à une température d'environ 112 K (-161 °C) dans un conteneur à isolation thermique. Troisièmement, il est plus léger que l'air et, en cas de déversement accidentel, il s'évapore rapidement, contrairement au propane lourd qui s'accumule dans les dépressions naturelles et artificielles et crée un risque d'explosion. Quatrièmement, il permet de gazéifier des objets situés à des distances considérables des conduites principales. Le GNL est aujourd'hui moins cher que n'importe quel carburant pétrolier, y compris le diesel, mais les dépasse en termes de calories.Les chaudières fonctionnant au gaz naturel liquéfié ont un rendement plus élevé - jusqu'à 94%, ne nécessitent pas de consommation de carburant pour le préchauffer en hiver (comme le fioul et le propane-butane). Le bas point d'ébullition garantit une vaporisation complète du GNL aux températures ambiantes les plus basses.
Perspectives pour l'hydrogène liquéfié
Outre la liquéfaction directe et l'utilisation sous cette forme, un autre vecteur énergétique, l'hydrogène, peut également être obtenu à partir du gaz naturel. Le méthane est CH4, le propane est C3H8 et le butane est C4H10.
Le composant hydrogène est présent dans toutes ces énergies fossiles, il suffit de l'isoler.
Les principaux avantages de l'hydrogène sont le respect de l'environnement et une large distribution dans la nature, cependant, le prix élevé de sa liquéfaction et les pertes dues à l'évaporation constante annulent ces avantages.
Afin de transférer l'hydrogène d'un état gazeux à un liquide, il doit être refroidi à -253 ° C. Pour cela, des systèmes de refroidissement à plusieurs étages et des unités de «compression/détente» sont utilisés. Jusqu'à présent, ces technologies sont trop chères, mais des travaux sont en cours pour réduire leur coût.
Nous vous recommandons également de lire notre autre article, où nous avons décrit en détail comment faire générateur d'hydrogène pour maison de vos propres mains. Plus de détails - allez.
De plus, contrairement au GPL et au GNL, l'hydrogène liquéfié est beaucoup plus explosif. Sa moindre fuite en combinaison avec l'oxygène donne un mélange gaz-air, qui s'enflamme à la moindre étincelle. Et le stockage de l'hydrogène liquide n'est possible que dans des conteneurs cryogéniques spéciaux. Il y a encore trop d'inconvénients à l'hydrogène carburant.
Risque d'incendie/d'explosion et atténuation
Conteneur de gaz sphérique couramment utilisé dans les raffineries.
Dans une raffinerie ou une usine à gaz, le GPL doit être stocké dans des réservoirs sous pression. Ces conteneurs sont cylindriques, horizontaux ou sphériques. Habituellement, ces navires sont conçus et fabriqués conformément à certaines règles. Aux États-Unis, ce code est régi par l'American Society of Mechanical Engineers (ASME).
Les conteneurs de GPL ont des soupapes de sécurité de sorte que lorsqu'ils sont exposés à des sources de chaleur externes, ils libèrent du GPL dans l'atmosphère ou la torchère.
Si une citerne est exposée à un incendie d'une durée et d'une intensité suffisantes, elle peut être sujette à une explosion de vapeur en expansion de liquide bouillant (BLEVE). C'est généralement une préoccupation pour les grandes raffineries et les usines pétrochimiques qui manipulent de très grands conteneurs. En règle générale, les réservoirs sont conçus de manière à ce que le produit sorte plus vite que la pression ne peut atteindre un niveau dangereux.
L'un des moyens de protection utilisés dans les environnements industriels consiste à équiper ces conteneurs d'une mesure qui assure un certain degré de résistance au feu. Les grands conteneurs de GPL sphériques peuvent avoir des parois en acier jusqu'à 15 cm d'épaisseur et sont équipés d'une soupape de surpression certifiée. Un grand incendie près du navire augmentera sa température et sa pression. La soupape de sécurité supérieure est conçue pour soulager la surpression et empêcher la destruction du conteneur lui-même.Avec une durée et une intensité suffisantes du feu, la pression créée par le gaz en ébullition et en expansion peut dépasser la capacité de la vanne à éliminer l'excès. Si cela se produit, le conteneur surexposé peut se rompre violemment, éjectant des pièces à grande vitesse, tandis que les produits libérés peuvent également s'enflammer, causant potentiellement des dommages catastrophiques à tout ce qui se trouve à proximité, y compris d'autres conteneurs.
Les personnes peuvent être exposées au GPL sur le lieu de travail par inhalation, contact avec la peau et contact avec les yeux. L'Administration de la sécurité et de la santé au travail (OSHA) a fixé la limite légale (limite d'exposition autorisée) pour l'exposition au GPL sur le lieu de travail à 1 000 ppm (1 800 mg/m 3 ) sur une journée de travail de 8 heures. L'Institut national pour la sécurité et la santé au travail (NIOSH) a fixé une limite d'exposition recommandée (REL) de 1 000 parties par million (1 800 mg/m 3 ) sur une journée de travail de 8 heures. À des niveaux de 2 000 ppm, 10 % limite inférieure d'explosivité, le gaz de pétrole liquéfié est considéré comme directement dangereux pour la vie et la santé (uniquement pour des raisons de sécurité liées au risque d'explosion).
Pourquoi liquéfier le gaz naturel ?
Le carburant bleu est extrait des entrailles de la terre sous la forme d'un mélange de méthane, d'éthane, de propane, de butane, d'hélium, d'azote, d'hydrogène sulfuré et d'autres gaz, ainsi que leurs divers dérivés.
Certains d'entre eux sont utilisés dans l'industrie chimique, et certains sont brûlés dans des chaudières ou des turbines pour produire de la chaleur et de l'électricité. De plus, un certain volume de l'extrait est utilisé comme carburant pour moteur à gaz.
Les calculs des travailleurs du gaz montrent que si le carburant bleu doit être livré sur une distance de 2 500 km ou plus, il est souvent plus rentable de le faire sous forme liquéfiée que par pipeline
La raison principale de la liquéfaction du gaz naturel est de simplifier son transport sur de longues distances. Si le consommateur et le puits de production de gaz combustible sont situés à proximité l'un de l'autre sur terre, il est alors plus facile et plus rentable de poser un tuyau entre eux. Mais dans certains cas, la construction d'une autoroute s'avère trop coûteuse et problématique en raison de nuances géographiques. Ils recourent donc à diverses technologies pour produire du GNL ou du GPL sous forme liquide.
Economie et sécurité des transports
Une fois le gaz liquéfié, il se présente déjà sous la forme d'un liquide pompé dans des conteneurs spéciaux pour le transport par voie maritime, fluviale, routière et/ou ferroviaire. En même temps, technologiquement, la liquéfaction est un procédé assez coûteux d'un point de vue énergétique.
Dans différentes usines, cela prend jusqu'à 25% du volume de carburant d'origine. Autrement dit, pour générer l'énergie requise par la technologie, il faut brûler jusqu'à 1 tonne de GNL pour trois tonnes sous forme finie. Mais le gaz naturel est désormais très demandé, tout est payant.
Sous forme liquéfiée, le méthane (propane-butane) occupe 500 à 600 fois moins de volume qu'à l'état gazeux
Tant que le gaz naturel est à l'état liquide, il est ininflammable et non explosif. Ce n'est qu'après évaporation lors de la regazéification que le mélange gazeux résultant convient à la combustion dans les chaudières et les cuisinières. Par conséquent, si le GNL ou le GPL sont utilisés comme carburant hydrocarboné, ils doivent être regazéifiés.
Utilisation dans divers domaines
Le plus souvent, les termes « gaz liquéfié » et « liquéfaction du gaz » sont évoqués dans le cadre du transport d'un vecteur énergétique hydrocarboné. Autrement dit, le carburant bleu est d'abord extrait, puis il est converti en GPL ou GNL. De plus, le liquide résultant est transporté puis remis à l'état gazeux pour une application particulière.
Le GPL (gaz de pétrole liquéfié) est constitué à 95 % ou plus d'un mélange propane-butane, et le GNL (gaz naturel liquéfié) est constitué de 85 à 95 % de méthane. Ce sont des types de carburant similaires et en même temps radicalement différents.
Le GPL issu du propane-butane est principalement utilisé comme :
- carburant pour moteurs à gaz;
- carburant à injecter dans les réservoirs à gaz des systèmes de chauffage autonomes;
- liquides pour le remplissage des briquets et bouteilles de gaz d'une contenance de 200 ml à 50 litres.
Le GNL est généralement produit exclusivement pour le transport longue distance. Si pour le stockage du GPL, il y a une capacité suffisante pour résister à une pression de plusieurs atmosphères, alors pour le méthane liquéfié, des réservoirs cryogéniques spéciaux sont nécessaires.
Les équipements de stockage de GNL sont hautement technologiques et occupent beaucoup d'espace. Il n'est pas rentable d'utiliser un tel carburant dans les voitures particulières en raison du coût élevé des cylindres. Des camions au GNL sous la forme de modèles expérimentaux uniques circulent déjà sur les routes, mais il est peu probable que ce carburant «liquide» trouve une large application dans le segment des voitures particulières dans un proche avenir.
Le méthane liquéfié comme carburant est désormais de plus en plus utilisé en exploitation :
- locomotives diesel ferroviaires;
- navires de mer;
- transports fluviaux.
En plus d'être utilisés comme vecteur énergétique, le GPL et le GNL sont également utilisés directement sous forme liquide dans les usines à gaz et pétrochimiques. Ils sont utilisés pour fabriquer divers plastiques et autres matériaux à base d'hydrocarbures.
Propriétés et capacités du propane, du butane et du méthane liquéfiés
La principale différence entre le GPL et les autres types de carburant est la capacité de changer rapidement son état de liquide à gazeux et vice versa dans certaines conditions externes. Ces conditions comprennent la température ambiante, la pression interne dans le réservoir et le volume de la substance. Par exemple, le butane se liquéfie à une pression de 1,6 MPa si la température de l'air est de 20 ºC. Dans le même temps, son point d'ébullition n'est que de -1 ºС, donc en cas de gel sévère, il restera liquide, même si le robinet de la bouteille est ouvert.
Le propane a une densité énergétique plus élevée que le butane. Son point d'ébullition est de -42 ºС, par conséquent, même dans des conditions climatiques difficiles, il conserve la capacité de former rapidement du gaz.
Le point d'ébullition du méthane est encore plus bas. Il passe à l'état liquide à -160 ºС. Le GNL n'est pratiquement pas utilisé pour les conditions domestiques, cependant, pour l'importation ou le transport sur de longues distances, la capacité du gaz naturel à se liquéfier à une certaine température et pression est d'une grande importance.

transport par tanker
Tout gaz d'hydrocarbure liquéfié a un coefficient de dilatation élevé. Ainsi, dans une bouteille remplie de 50 litres contient 21 kg de propane-butane liquide. Lorsque tout le « liquide » s'évapore, 11 mètres cubes d'une substance gazeuse se forment, ce qui équivaut à 240 Mcal. Par conséquent, ce type de combustible est considéré comme l'un des plus efficaces et des plus rentables pour les systèmes de chauffage autonomes. Vous pouvez en savoir plus ici.
Lors de l'utilisation de gaz d'hydrocarbures, il est nécessaire de prendre en compte leur lente diffusion dans l'atmosphère, ainsi que leur faible inflammabilité et leurs limites d'explosivité au contact de l'air. Par conséquent, ces substances doivent être manipulées correctement, en tenant compte de leurs propriétés et des exigences de sécurité particulières.
Tableau des propriétés
Gaz de pétrole liquéfié - comment il est meilleur que les autres carburants
L'industrie de l'application du GPL est assez large, ce qui est dû à ses caractéristiques thermophysiques et à ses avantages opérationnels par rapport aux autres types de carburant.
Transport. Le principal problème de la livraison de gaz conventionnel aux colonies est la nécessité de poser un gazoduc, dont la longueur peut atteindre plusieurs milliers de kilomètres. Le transport de propane-butane liquéfié ne nécessite pas la construction de communications complexes. Pour cela, des bouteilles ordinaires ou d'autres réservoirs sont utilisés, qui sont transportés par transport routier, ferroviaire ou maritime sur n'importe quelle distance. Compte tenu de la grande efficacité énergétique de ce produit (une bouteille de SPB permet de cuisiner des repas pour toute la famille pendant un mois), les avantages sont évidents.
ressources produites. Les objectifs d'utilisation des hydrocarbures liquéfiés sont similaires aux objectifs d'utilisation du gaz principal. Celles-ci comprennent : la gazéification d'installations et d'établissements privés, la production d'électricité par des générateurs de gaz, le fonctionnement de moteurs de véhicules, la production de produits de l'industrie chimique.
Pouvoir calorifique élevé. Le propane, le butane et le méthane liquides sont très rapidement transformés en une substance gazeuse dont la combustion dégage une grande quantité de chaleur.Pour le butane - 10,8 Mcal/kg, pour le propane - 10,9 Mcal/kg, pour le méthane - 11,9 Mcal/kg. L'efficacité des équipements thermiques qui fonctionnent au GPL est bien supérieure à celle des appareils qui utilisent des combustibles solides comme matières premières.
Facilité de réglage. La fourniture de matières premières au consommateur peut être régulée en mode manuel et en mode automatique. Pour ce faire, il existe toute une gamme d'appareils chargés de la régulation et de la sécurité du fonctionnement du gaz liquéfié.
Indice d'octane élevé. Le SPB a un indice d'octane de 120, ce qui en fait une matière première plus efficace pour les moteurs à combustion interne que l'essence. Lors de l'utilisation de propane-butane comme carburant moteur, la période de révision du moteur augmente et la consommation de lubrifiants est réduite.
Réduire le coût de la gazéification des colonies. Très souvent, le GPL est utilisé pour éliminer la charge de pointe sur les principaux systèmes de distribution de gaz. De plus, il est plus rentable d'installer un système de gazéification autonome pour une agglomération éloignée que de tirer un réseau de canalisations. Par rapport à la pose de gaz de réseau, les investissements en capital spécifiques sont réduits de 2 à 3 fois. D'ailleurs, plus d'informations peuvent être trouvées ici, dans la section sur la gazéification autonome des installations privées.
Refroidissement des gaz
Dans le fonctionnement des installations, des systèmes de refroidissement des gaz de différents principes peuvent être utilisés. En mise en œuvre industrielle, il existe trois principales méthodes de liquéfaction :
- cascade - le gaz passe séquentiellement à travers une série d'échangeurs de chaleur connectés à des systèmes de refroidissement avec différents points d'ébullition du réfrigérant. En conséquence, le gaz se condense et pénètre dans le réservoir de stockage.
- réfrigérants mixtes - le gaz pénètre dans l'échangeur de chaleur, un mélange de réfrigérants liquides avec différents points d'ébullition y pénètre, qui, en ébullition, réduisent séquentiellement la température du gaz entrant.
- turbo-expansion - diffère des méthodes ci-dessus en ce que la méthode d'expansion adiabatique du gaz est utilisée. Ceux. si dans les installations classiques on réduit la température due à l'ébullition du réfrigérant et des échangeurs de chaleur, alors ici l'énergie thermique du gaz est dépensée pour le fonctionnement de la turbine. Pour le méthane, des installations basées sur des turbo-détendeurs ont été utilisées.
Gaz américain
Les États-Unis ne sont pas seulement le berceau de la technologie de production réduite de gaz, mais aussi le plus grand producteur de GNL à partir de sa propre matière première. Ainsi, lorsque l'administration Donald Trump a proposé l'ambitieux programme Energy Plan - America First visant à faire du pays la première puissance énergétique mondiale, tous les acteurs de la plateforme gazière mondiale devraient l'écouter.

Ce genre de revirement politique aux États-Unis n'était pas vraiment une surprise. La position républicaine américaine sur les hydrocarbures est claire et simple. C'est de l'énergie bon marché.
Les prévisions concernant les exportations américaines de GNL sont variées. La plus grande intrigue dans les décisions commerciales "gaz" se développe dans les pays de l'UE. Devant nous se déroule le tableau de la concurrence la plus forte entre le gaz « classique » russe via Nord Stream 2 et le GNL américain importé. De nombreux pays européens, dont la France et l'Allemagne, voient dans la situation actuelle une excellente opportunité de diversifier les sources de gaz en Europe.
Quant au marché asiatique, la guerre commerciale entre les États-Unis et la Chine a conduit à un refus total des ingénieurs électriciens chinois du GNL américain importé.Cette décision ouvre d'énormes opportunités pour acheminer du gaz russe par gazoducs vers la Chine pendant longtemps et en volumes énormes.
Avantages du gaz liquéfié
Indice d'octane
L'indice d'octane du carburant gazeux est supérieur à celui de l'essence, de sorte que la résistance au cognement du gaz liquéfié est supérieure à celle de l'essence de la plus haute qualité. Cela vous permet d'obtenir une plus grande économie de carburant dans un moteur avec un taux de compression plus élevé. L'indice d'octane moyen du gaz liquéfié - 105 - est inaccessible pour n'importe quelle marque d'essence. Dans le même temps, le taux de combustion du gaz est légèrement inférieur à celui de l'essence. Cela réduit la charge sur les parois du cylindre, le groupe de pistons et le vilebrequin, et permet au moteur de fonctionner en douceur et en silence.
La diffusion
Le gaz se mélange facilement à l'air et remplit les cylindres d'un mélange homogène de manière plus uniforme, de sorte que le moteur tourne plus doucement et plus silencieusement. Le mélange gazeux brûle complètement, il n'y a donc pas de dépôts de carbone sur les pistons, les soupapes et les bougies d'allumage. Le carburant gazeux ne lave pas le film d'huile des parois du cylindre et ne se mélange pas non plus avec l'huile dans le carter, ce qui n'altère pas les propriétés lubrifiantes de l'huile. En conséquence, les cylindres et les pistons s'usent moins.
Pression du réservoir
Le GPL se distingue des autres carburants automobiles par la présence d'une phase vapeur au-dessus de la surface de la phase liquide. Lors du remplissage de la bouteille, les premières portions de gaz liquéfié s'évaporent rapidement et remplissent tout son volume. La pression dans la bouteille dépend de la pression de vapeur saturante, qui à son tour dépend de la température de la phase liquide et du pourcentage de propane et de butane qu'elle contient. La pression de vapeur saturante caractérise la volatilité du HOS.La volatilité du propane est supérieure à celle du butane, par conséquent, sa pression à basse température est beaucoup plus élevée.
Échappement
Lors de la combustion, moins d'oxydes de carbone et d'azote et d'hydrocarbures imbrûlés sont libérés que l'essence ou le carburant diesel, sans dégagement d'hydrocarbures aromatiques ou de dioxyde de soufre.
impuretés
Le gazole de haute qualité ne contient pas d'impuretés chimiques telles que le soufre, le plomb, les alcalis, qui renforcent les propriétés corrosives du carburant et détruisent les pièces de la chambre de combustion, du système d'injection, de la sonde lambda (capteur qui détermine la quantité d'oxygène dans le mélange de carburant), convertisseur catalytique des gaz d'échappement.
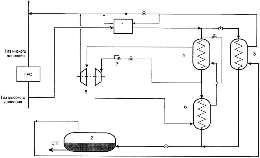
Processus de production
La matière première pour la production est le gaz naturel et le réfrigérant.
Il existe deux technologies pour la production de GNL :
- cycle ouvert;
- cycle de détente de l'azote.
La technologie à cycle ouvert utilise la pression du gaz pour générer l'énergie nécessaire au refroidissement. Le méthane traversant les turbines est refroidi et détendu, laissant un liquide. C'est une méthode simple, mais elle présente un inconvénient important - seulement 15% du méthane est liquéfié, et le reste, pas assez de pression, quitte le système.
Technologies de production de GNL
S'il y a des consommateurs directs de gaz à proximité de l'usine, cette technologie peut être utilisée en toute sécurité, car elle est moins chère - la quantité minimale d'électricité est dépensée pour le processus de production. Le résultat est un coût inférieur du produit final. Mais s'il n'y a pas de consommateurs, il n'est pas économiquement possible d'utiliser cette méthode - de grandes pertes de matières premières.
Technologie de production utilisant l'azote :
- dans un circuit fermé contenant des turbines et des compresseurs, l'azote circule en permanence ;
- après refroidissement de l'azote, celui-ci est envoyé vers un échangeur de chaleur, où du méthane est délivré en parallèle ;
- le gaz est refroidi et liquéfié ;
- l'azote est envoyé au compresseur et à la turbine pour refroidissement et passage au cycle suivant.
Technologie de séparation des gaz à membrane
Les avantages de cette technologie :
- 100 % d'utilisation de matières premières ;
- compacité de l'équipement et simplicité de son fonctionnement;
- haute fiabilité et sécurité.
Il n'y a qu'un seul inconvénient - une consommation d'électricité élevée (jusqu'à 0,5 kW/h est consommé pour 1 nm3/h de produits finis), ce qui augmente considérablement le coût.
Schéma d'implantation de l'usine d'azote
Purification et liquéfaction des gaz
Essentiellement, la liquéfaction du gaz naturel est le processus de sa purification et de son refroidissement. Seule la température requise est de moins 161 degrés Celsius.
Pour atteindre cet ordre de températures, on utilise l'effet Joule Thompson (évolution de la température des gaz lors d'un étranglement adiabatique - débit de gaz lent sous l'action d'une perte de charge constante dans le papillon). Avec son aide, la température du gaz purifié chute à la valeur à laquelle le méthane se condense. (la note nécessite des éclaircissements)
L'usine de liquéfaction doit avoir des lignes séparées de traitement et de récupération des fluides frigorigènes. De plus, des fractions individuelles de gaz provenant du champ (propane, éthane, méthane) peuvent agir comme réfrigérant à différentes étapes du refroidissement.
La débutanisation fait partie du processus de distillation des matières premières en fractions, au cours duquel les fractions dont la température de condensation est plus élevée sont séparées, ce qui permet de purifier le produit final des impuretés indésirables.Chaque produit de condensation est conservé en tant que sous-produit précieux pour l'exportation.
Du condensat est également ajouté au produit final.Des stabilisants, qui réduisent la pression de vapeur du carburant condensé, ce qui le rend plus pratique pour le stockage et le transport. Ils permettent également de rendre le processus de transition du méthane de l'état liquide vers le gaz (regazéification) gérable et moins coûteux pour l'utilisateur final.
Comment obtenir
Le GNL est produit à partir de gaz naturel par compression suivie d'un refroidissement. Lorsqu'il est liquéfié, le gaz naturel est réduit en volume d'environ 600 fois. Le processus de liquéfaction se déroule par étapes, à chacune desquelles le gaz est comprimé de 5 à 12 fois, puis il est refroidi et transféré à l'étape suivante. La liquéfaction proprement dite se produit lors du refroidissement après la dernière étape de compression. Le procédé de liquéfaction nécessite donc une importante dépense d'énergie[source non spécifiée 715 jours] de 8 à 10 % de sa quantité contenue dans le gaz liquéfié.
Dans le processus de liquéfaction, différents types d'installations sont utilisées - papillon, turbo-détendeur, turbine-vortex, etc.
Construction d'une usine de GNL
En règle générale, une usine de GNL se compose de :
- usines de prétraitement et de liquéfaction du gaz;
- lignes de production de GNL ;
- réservoirs de stockage;
- équipement de chargement de pétroliers ;
- des services supplémentaires pour fournir à l'usine de l'électricité et de l'eau pour le refroidissement.
- Technologie de liquéfaction
Procédés de liquéfaction des grandes usines de GNL :
- AP-C3MRTM - Air Products & Chemicals, Inc. (APCI)
- AP-X - Air Products & Chemicals, Inc. (APCI)
- #AP-SMR (Réfrigérant à mélange unique) - Air Products & Chemicals, Inc. (APCI)
- Cascade-ConocoPhillips
- MFC (cascade de fluides mixtes) - Linde
- PRICO (SMR) - Noir & Veatch
- DMR (réfrigérant mixte double)
- Liquéfin-Air Liquide
GNL et investissements
Haute intensité en métal, complexité du processus technologique, nécessité d'importants investissements en capital, ainsi que la durée de tous les processus associés à la création d'infrastructures de ce type : justification des investissements, procédures d'appel d'offres, attraction des fonds empruntés et des investisseurs, la conception et la construction, qui s'accompagnent généralement de graves difficultés logistiques, — créent des obstacles à la croissance de la production dans ce domaine.
Dans certains cas, les usines de liquéfaction mobiles peuvent être une bonne option. Cependant, leurs performances de pointe sont très modestes et la consommation d'énergie par unité de gaz est supérieure à celle des solutions stationnaires. De plus, la composition chimique du gaz lui-même peut devenir un obstacle insurmontable.
Afin de réduire les risques et d'assurer le retour sur investissement, des plans sont en cours d'élaboration pour l'exploitation des usines pendant 20 ans à l'avance. Et la décision de développer un champ dépend souvent de la capacité de la zone à fournir du gaz pendant une longue période.
Les usines sont développées pour un site et des conditions techniques spécifiques, qui sont largement déterminés par la composition de la charge de gaz entrante. L'usine elle-même est organisée selon le principe d'une boîte noire. A l'entrée des matières premières, à la sortie des produits, ce qui nécessite une participation minimale du personnel au processus.
La composition de l'équipement du site, sa quantité, sa capacité, la séquence des procédures nécessaires à la préparation du mélange gazeux pour la liquéfaction sont développées pour chaque installation spécifique conformément aux exigences du Client et des consommateurs de produits.






































