- Avantages et inconvénients
- plaque
- Table de cuisson émaillée
- Panneau en acier inoxydable
- Alliage d'aluminium
- Vitrocéramique et verre résistant à la chaleur
- Comment allumer un feu
- Avantages de l'utilisation du contrôle du gaz
- Sécurité enfants
- Appareil de cuisinière à gaz
- Dispositif de brûleur à gaz
- Contrôle du gaz
- Allumage électrique
- Thermostat de surchauffe
- Comment allumer le four
- Cuisinières à gaz, fabricants et sélection de pièces détachées
- Les règles de sécurité
- En bref sur la puissance des brûleurs et des poêles
- Guide de dépannage étape par étape
- Utilisation du four
- Thermostat du four
- Ce qu'il ne faut pas faire
- Sécurité de l'éclairage du four
- Conclusions et vidéo utile sur le sujet
- Conclusions et vidéo utile sur le sujet
Avantages et inconvénients
Outre les avantages communs à tous les réchauds à gaz (cuisson rapide, possibilité de modifier les conditions de température de cuisson, contrôle et régulation de l'intensité du feu), les mini réchauds ont aussi leurs propres avantages.
- La taille. Ayant des dimensions compactes, ils prennent peu de place, ils peuvent donc être installés dans une petite zone.
- Portabilité. En raison de leur petite taille et de leur poids, vous pouvez changer leur emplacement, les transporter dans le pays, faire n'importe quel voyage.
- Polyvalence. Ils sont capables de travailler à partir d'un gazoduc et d'une bouteille.
- Les modèles avec fours ont les mêmes capacités fonctionnelles que les modèles au sol conventionnels. Ils ont des options d'allumage électrique, d'allumage piézo, de contrôle du gaz et sont équipés d'un thermostat.
- Rentabilité. Leur fonctionnement est plus rentable par rapport aux cuisinières électriques.
- Prix. Leur prix est bien inférieur au coût des réchauds à gaz classiques.
Les inconvénients comprennent plusieurs facteurs.
Les réchauds à un et deux brûleurs ont une faible puissance et sont limités dans le nombre de plats cuisinés simultanément.
Pour les modèles alimentés par une bouteille de gaz liquéfié, il est nécessaire de changer périodiquement la bouteille ou de la ravitailler dans des stations-service spécialisées.
Il est nécessaire de vérifier régulièrement le système de raccordement du poêle au ballon.
Lors de l'utilisation de bouteilles de gaz, il est important de respecter les règles de sécurité.


plaque
L'apparence d'une cuisinière à gaz dépend en grande partie du matériau à partir duquel sa table de cuisson est fabriquée. À savoir:
Table de cuisson émaillée
Les réchauds à gaz bon marché ont le plus souvent un panneau émaillé. Ce revêtement traditionnel a passé l'épreuve du temps et a fait ses preuves. L'émail, en règle générale, est un revêtement durable, mais en cas d'impact ou de forte pression, des éclats de surface sont possibles, ce qui affectera grandement l'apparence de la plaque. Aujourd'hui, les plaques émaillées, bien qu'elles soient produites dans un nouveau design moderne, appartiennent progressivement au passé. Ils sont remplacés par des plaques avec d'autres revêtements qualitativement nouveaux.
Panneau en acier inoxydable
L'acier est largement utilisé comme matériau pour la surface de cuisson des cuisinières. Le revêtement en acier est toujours pratique et fiable. La surface miroir en métal de la plaque est superbe.De plus, la surface mate donne au poêle un aspect moderne et un style particulier. Malheureusement, l'acier inoxydable est sensible aux taches et aux rayures.
Alliage d'aluminium
Ce matériau est similaire en apparence et en couleur à l'acier inoxydable, mais a une teinte plus claire. En gros, ce n'est rien de spécial.
Vitrocéramique et verre résistant à la chaleur
Il semble que ces matériaux doivent être cassants. Mais ce n'est pas. Les derniers modèles de réchauds à gaz, appelés « gaz sur verre » et « gaz sous verre », utilisent ce matériau à haute résistance et résistant à la chaleur. La beauté et l'attractivité de ces modèles sont indéniables, mais leur soin a ses propres caractéristiques.
table de cuisson gaz vitrocéramique
Comment allumer un feu
Si vous n'avez jamais rencontré de cuisinières à gaz auparavant, la question de savoir comment allumer une cuisinière à gaz peut être très pertinente. Pour ce faire, vous devez suivre un certain algorithme. Tout d'abord, vous devez aérer la pièce. Ensuite, suivez ces étapes étape par étape :
- Ouvrir la vanne sur le tuyau ou la vanne si une bouteille de gaz est utilisée.
- Allumez le brûleur.
Ce processus se produit de différentes manières, selon le type de poêle et la source de feu. Le poêle peut être allumé des manières suivantes :
- d'une source de feu ouverte - allumettes;
- à l'aide d'un briquet électrique ou en silicone ;
- allumage électrique.
Les modèles modernes de cuisinières à gaz sont équipés d'un système d'allumage électrique intégré. Cette fonction peut être affichée sur un bouton séparé ou intégrée au robinet du brûleur. C'est le seul cas où le brûleur peut être allumé en même temps que le robinet du poêle est tourné. Dans d'autres modèles, vous devez d'abord fournir un feu (étincelle), puis ouvrir le robinet du brûleur.Le robinet s'ouvre dans le sens des aiguilles d'une montre avec une légère indentation. Pour plus d'informations sur la façon d'allumer un four à gaz, lisez ici.
La flamme doit être d'une couleur bleue distincte et uniformément répartie autour du brûleur. S'il glisse vers l'intérieur, fermez le robinet et rallumez le brûleur. La hauteur de flamme optimale ne doit pas dépasser 2-2,5 cm et est ajustée en tournant le bouton de la vanne. S'il y a un courant d'air dans la pièce, la flamme aura tendance à se détacher du brûleur, ce qui est dangereux pour la sécurité incendie. Avec un excès d'air, il est nécessaire de fermer la fenêtre. En cas de manque d'air, la couleur de la flamme passera clairement du bleu au jaune et du monoxyde de carbone sera libéré, ce qui est dangereux pour la santé humaine.
Avantages de l'utilisation du contrôle du gaz
Le gaz utilisé dans les cuisinières et les tables de cuisson domestiques est une substance très dangereuse. Même en l'absence d'explosion et d'incendie, il peut entraîner la mort par empoisonnement. Et les rapports d'incidents indiquent une fréquence élevée de tels cas. Le contrôle du gaz vous permet de réduire le niveau de danger à presque zéro. Le système bloque automatiquement l'alimentation en carburant en l'absence de flamme.
La principale chose qu'offre le système de contrôle du gaz est une augmentation significative du niveau de sécurité. Le blocage de l'approvisionnement d'une substance combustible est une garantie presque complète non seulement de l'absence d'incendie, mais également du risque d'empoisonnement humain.
En plus des solutions purement techniques pour bloquer les situations d'urgence, les utilisateurs de poêles avec contrôle du gaz ont la possibilité de ne pas surveiller le poêle : le contrôle du gaz coupera automatiquement l'alimentation en cas de flamme soufflée par un courant d'air ou en raison de déversements d'aliments sur le brûleur.
De plus, les femmes au foyer ont la possibilité de réduire le niveau de contrôle sur les enfants. En tournant accidentellement les poignées, elles ne pourront pas déclencher l'alimentation en gaz. Cela nécessite de maintenir le bouton enfoncé pendant quelques secondes, ce qui est assez difficile pour un petit enfant.

Sécurité enfants
De rares modifications de cuisinières à gaz contiennent une fonction telle qu'une sécurité enfant. Mais nous avons trouvé un merveilleux exemple - Bosch HGG 233127 R. Il s'agit d'une technique puissante qui s'enflamme presque en un clic, donne des conseils pour chauffer le four à l'aide d'un indicateur, est équipée d'une minuterie, d'un affichage numérique et d'une foule d'autres choses utiles . L'assemblage est turc, mais cette commande OEM inspire confiance. Soit dit en passant, le coût du modèle n'est pas aussi élevé que prévu - seulement 24 tr. Juste un cadeau dans le contexte d'une fonctionnalité aussi large.
J'ajouterai que certains poêles ont des serrures mécaniques spéciales qui bloquent la porte. C'est également une option très utile pour ceux qui ont de jeunes enfants dans la famille.
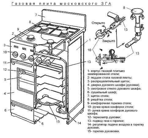
Appareil de cuisinière à gaz
Les fabricants de cuisinières à gaz améliorent constamment leurs produits, mais le principe de fonctionnement de base reste le même. Par conséquent, la conception des cuisinières à gaz de différents modèles n'est pas très différente les unes des autres. Chaque modèle se compose de :
- corps;
- plaque;
- brûleurs;
- four;
- systèmes d'approvisionnement en gaz domestique;
- équipements à gaz (tuyaux, tuyaux d'arrêt).
Les modèles modernes sont équipés de systèmes électroniques qui, en plus de l'allumage et de l'éclairage électriques, vous permettent de contrôler le temps de fonctionnement de l'appareil, la température et la sécurité du système de gaz dans son ensemble.
Dispositif de brûleur à gaz
Le brûleur est situé à l'intérieur du poêle, sa fonction principale est la formation d'un mélange combustible.Dans le réservoir du brûleur, le gaz est mélangé à l'air et acheminé vers le brûleur par une buse.
Le brûleur d'une cuisinière à gaz est situé sur sa surface et se compose d'une base, d'un séparateur et d'un couvercle. Le flux de gaz brûlant pénètre dans le couvercle du réflecteur et de celui-ci dans le diviseur, qui distribue les mêmes flammes.
Les brûleurs diffèrent par leur taille, ce qui affecte la puissance de combustion. Il est réglé par le bouton d'alimentation en gaz.
Indicateurs de puissance du brûleur :
- petit - 0,7-1,2 kW;
- moyen - 1,3-1,8 kW;
- grand - 2,0-4,0 kW ou plus.
Dans certains modèles de cuisinières à gaz, des brûleurs électriques sont utilisés. L'aspect pratique de tels modèles réside dans l'intensité différente de chauffage des éléments gaz et électriques. En cas d'interruptions de gaz ou d'électricité, de tels modèles de poêles sont indispensables.
Contrôle du gaz
Malgré la facilité d'utilisation, les cuisinières à gaz sont des appareils à risque d'incendie. Pour résoudre ce problème, une fonction de contrôle du gaz a été créée. En cas d'extinction du brûleur ou de fuite de gaz, le mécanisme coupe l'alimentation des brûleurs ou du four.
Le système de contrôle du gaz se compose d'un thermocouple et d'une électrovanne, qui sont reliés par un fil isolé spécial. Le thermocouple est assemblé à partir de deux métaux différents, fusionnés à l'extrémité, et est situé au bord de la flamme. L'élément fusible envoie un signal à l'électrovanne, qui laisse le robinet de gaz ouvert.
En cas d'extinction soudaine de la flamme, le thermocouple se refroidit immédiatement et arrête de signaler la vanne. Il ferme et arrête l'alimentation en gaz.
Le système de contrôle du gaz est installé principalement sur les plaques de cuisson, mais dans de nombreux modèles, un tel système est également fourni dans le four.
Allumage électrique
Tout moderne les plaques sont équipées d'une fonction allumage électrique. Ils fonctionnent à partir d'un réseau avec une tension de 220 V.
Le système comprend :
- bouton d'allumage rotatif ;
- condensateur;
- transformateur;
- bougies;
- élément semi-conducteur (thyristor).
Lorsque vous tournez et noyez la poignée sur le panneau, une tension est appliquée au condensateur. Cela lui donne une charge. Le condensateur chargé envoie du courant à travers le thyristor au transformateur, où une haute tension est générée. Ensuite, le courant circule vers les bougies situées au niveau des brûleurs. Les bougies forment une étincelle et enflamment le gaz qui s'écoule vers le brûleur.
L'allumage électrique peut être mécanique ou automatique. Dans le premier cas, en plus de tourner la poignée, vous devez appuyer sur le bouton de démarrage du gaz. Dans le second, du gaz et une étincelle se produisent simultanément lorsque la poignée est enfoncée et noyée.
Thermostat de surchauffe
Le thermostat vit dans le four et maintient la température réglée. En général, cela évite la surchauffe et offre un fonctionnement plus confortable. Il existe des modèles avec des thermostats mécaniques, électroniques, électromécaniques.
Dans les cuisinières à gaz, un thermostat mécanique fonctionne plus souvent; il est généralement combiné à une soupape à gaz de four. Cette chose fonctionne très simplement : une fois la température de consigne atteinte dans la chambre, le thermostat commute le robinet au minimum. Dès que le four commence à refroidir, le thermostat ramène à nouveau le robinet à la température maximale.
Il existe de nombreux modèles de cuisinières à gaz avec thermostats, mais je vous recommande de vous référer au Gefest 6100-03. La conception de cette technique est relativement simple, mais fiable. Le modèle mentionné est disponible en trois couleurs, équipé d'un allumage automatique de la table de cuisson et du four. Il y a une minuterie, un gril à gaz. Excellent ensemble pour 19 tr.
Comment allumer le four
Un four est un autre composant invariable d'une cuisinière à gaz moderne. Cependant, même maintenant, il y a des femmes au foyer pour qui il n'est pas facile d'allumer correctement le four. Quelles astuces n'ont pas été inventées pour protéger l'utilisateur.

Les cuisinières peuvent avoir différents systèmes d'allumage du gaz dans le four. Certains doivent même maintenant être incendiés avec une allumette domestique. Sur les modèles de poêles modernes, il peut y avoir un système d'allumage électronique automatique ou un système d'allumage semi-automatique quelque peu simplifié. La prévention des fuites est également installée sur ces plaques. Dans le même temps, même les appareils modernes conservent la possibilité de mettre le feu au gaz dans le four avec vos mains.

Afin d'allumer le gaz sans dispositifs automatiques, c'est-à-dire manuellement à l'aide d'une allumette, un allumeur est prévu en bas du four. C'est à lui qu'on apporte une allumette allumée. L'interrupteur correspondant doit être tourné en position maximale et maintenu pendant environ 10 secondes afin que le mélange gaz-air ait le temps de s'accumuler dans la quantité nécessaire à l'allumage. Après avoir préchauffé le four et éteint la soupape de sécurité, vous pouvez utiliser l'appareil en réglant la température requise pour la cuisson.

Vous pouvez allumer le four pour certains poêles modernes hautement modernisés à la fois de manière traditionnelle et à l'aide d'un allumage électrique. Un système automatique est envisagé lorsqu'il suffit de tourner le régulateur d'alimentation en gaz. Après cela, une charge électrique est appliquée à un dispositif ressemblant aux contacts d'un briquet piézo. Avec l'inclusion semi-automatique, vous devrez en plus appuyer sur le bouton.
Une sorte de mémo sur l'allumage d'un four semi-automatique peut contenir plusieurs points importants.
- Réglez l'alimentation maximale en gaz à l'aide du commutateur de mode.
- Appuyez sur le bouton d'allumage électrique et maintenez-le enfoncé pendant 10 secondes (vous pouvez compter jusqu'à dix par vous-même).
- Assurez-vous que le gaz est allumé, relâchez le bouton.
- Si le feu dans le four n'apparaît pas, vous ne pouvez pas maintenir le bouton enfoncé plus de 15 secondes. Il est préférable de le relâcher et d'aérer le four, puis de répéter toutes les opérations ci-dessus.
- S'il n'a pas été possible d'allumer le four avec un allumage électrique, après l'avoir aéré, vous pouvez essayer de l'allumer avec une allumette.
- Si le brûleur s'est partiellement allumé lors de l'allumage, il est préférable de couper le gaz et de répéter l'allumage du four.

Dans le cas de l'allumage manuel du four, les mêmes étapes sont effectuées, mais au lieu de maintenir le bouton d'allumage électrique, vous devez tenir une allumette près de l'allumeur. Afin de ne pas avoir peur d'une inflammation soudaine du mélange gaz-air, il est préférable d'utiliser de longues allumettes ménagères. En cas d'écart par rapport à l'ordre d'allumage du four prévu dans les instructions, il est préférable de consulter des spécialistes.

Cuisinières à gaz, fabricants et sélection de pièces détachées
Le logo du fabricant est apposé sur les cuisinières à gaz modernes. Etiqueté au dos avec :
Étiquette avec le logo du fabricant
- Produits GOST. Recherchez les possibilités du poêle sur Internet sous le nom de la réglementation.
- La chaleur de combustion est indiquée ci-dessous. Le gaz est différent, l'équipement est conçu pour certaines conditions. Dans notre cas, la chaleur spécifique de combustion sera de 35570 kJ/cu. m : valeurs typiques pour un mélange de propane et de butane, à la limite supérieure du gaz naturel. Des informations seront nécessaires lorsque viendra le temps d'acheter des buses pour une cuisinière à gaz. Le produit est marqué de la lettre G, suivie du type de mélange de carburant. Comparez les chiffres en regardant GOST 27441-87.Cela deviendra clair : nous avons affaire au gaz du G20. Voir les spécifications complètes du mélange.
- La plaque signalétique indique les valeurs de pression de gaz. A travers une fraction de 1300 et 2000 Pa. En mbar - 13 et 20. Valeurs typiques. La littérature indique que la pression dépend de la chaleur spécifique de combustion, du type de gaz. 20 mbar est typique, les tolérances sont garanties dans chaque direction. Découvrez la pression dans le service de gaz. Pour le carburant naturel - 13 mbar, le propane-butane donne 20.
Buse (injecteur)
Il faut des buses de type G20/20 ou G20/13, vendues partout. Les buses G30/30 conviennent au cylindre. Les services de gaz russes fournissent des informations de référence en millimètres de colonne d'eau. Convertir approximativement en mbar en divisant le chiffre par 10. Revérifiez les informations : dans certaines parties de la ville, les conditions diffèrent de celles indiquées par le service d'information.
Spécifiez le diamètre d'alésage, le pas de filetage. Le diamètre du four est souvent de 8 mm, pour les brûleurs - 6. Le pas de filetage est de 0,8 mm. Il est préférable de mesurer avec un pied à coulisse (pour les dimensions externes, internes, voir le livre de référence des graphiques d'ingénierie). Photographiez les anciennes pièces de rechange, envoyez-les au revendeur ou apportez-les au magasin. Les acheteurs se demandent pourquoi le diamètre des trous des jets est différent. La puissance du brûleur est différente. Il ne suffit pas de connaître les paramètres du gaz, il faut tenir compte de la position du brûleur, du but. Pour l'approvisionnement du réseau de gaz naturel, nous déterminerons approximativement le diamètre en mm, comme la racine carrée de la puissance en kW. Pour 2kW :
D \u003d √ 2 \u003d 1,4 mm.
Pour le gaz en bouteille liquéfié, la taille du trou est de 62 % de cette valeur. Lorsque la pression augmente, le diamètre diminue en conséquence. La concentration souhaitée du mélange gaz-air est atteinte.Avant d'acheter des buses pour cuisinières à gaz, vérifiez la disponibilité des pièces de rechange dans le kit. La machine avec une plaque signalétique sur la paroi arrière n'est pas conçue pour fonctionner avec une bouteille, n'essayez pas de l'adapter au gaz liquide.
Buses pour cuisinières à gaz
Un citoyen ordinaire ne peut pas modifier l'équipement, changer les buses. Les gens sont appelés à effectuer des opérations par téléphone 04. La buse peut se redresser de travers, empoisonner le gaz. Le résultat est une explosion.
Voir les manuels, alors le processus ira bien. Les nouvelles plaques ont un passeport indiquant les valeurs requises.
Les règles de sécurité
Et enfin, vous devez faire attention aux règles de sécurité et aux conseils utiles pour installer et connecter une cuisinière à gaz. Lors de la connexion, vous devez respecter toutes les exigences relatives à la capacité cubique de la pièce
Le tuyau flexible en caoutchouc doit être visible et ne doit être obstrué par rien. Les conduites de gaz et les tuyaux doivent être facilement accessibles pour une inspection externe. Ne cachez pas les tuyaux derrière les faux panneaux fixes et les cloisons sèches afin de pouvoir les montrer lors de la vérification. Utilisez une boîte soignée. Ils sont maintenant produits dans une grande variété de n'importe quelle couleur.
Aussi, ne faites pas plus de raccordements que ne l'exigent les conditions techniques de fonctionnement d'un réchaud à gaz. Regardez une vidéo sur l'installation d'une cuisinière à gaz : les connexions doivent être uniquement celles qui sont nécessaires, rien de plus ! Ne peignez pas le tuyau, car la peinture peut l'abîmer et il se fissurera avec le temps. Pour un rendu plus esthétique, vous pouvez utiliser de la toile cirée ou du papier collant.
Le tuyau en caoutchouc doit être directement connecté uniquement au robinet en aval et son autre extrémité uniquement à la sortie de la cuisinière à gaz (un adaptateur est autorisé).Si les travailleurs du gaz viennent vérifier le poêle et trouvent des règles de fonctionnement de la connexion, il y aura des problèmes. Le poêle peut être éteint et condamné à une amende pour avoir enfreint les règles de fonctionnement des appareils à gaz.
N'oubliez pas que si vous avez correctement connecté la cuisinière à gaz, sans fuite de gaz, sans enfreindre aucune exigence, elle fonctionnera avec bonheur et pendant longtemps. Si tous les travaux liés à l'installation d'un poêle à gaz sont effectués conformément à toutes les normes et conditions qui prescrivent le travail au gaz, il n'y aura aucune réclamation de la part de l'industrie du gaz. Et le processus de cuisson vous apportera beaucoup d'émotions positives !
En bref sur la puissance des brûleurs et des poêles
La puissance totale de la surface de travail dépend du nombre de brûleurs et de leur puissance directe, indiqués dans le passeport de l'équipement. La moyenne pour un brûleur est de 2 à 2,5 kW. Avec une qualité de gaz décente et une pression normale dans la conduite, cette valeur est tout à fait suffisante pour un traitement thermique confortable et relativement rapide des produits. Dans ce cas, la puissance maximale du brûleur est déterminée au tour maximal du régulateur et à la pleine alimentation en gaz.
Les fabricants proposent souvent des plaques de cuisson domestiques dont les brûleurs ont des puissances différentes :
- sur les petits - 0,7-1,2 kW;
- sur moyen - 1,3-1,8 kW;
- sur les grands - jusqu'à 4 kW et plus.
Une telle solution technologique est tout à fait logique et pratique: cela n'a aucun sens de préparer du café dans un Turc sur un puissant brûleur WOK ou d'essayer de faire bouillir une grande quantité d'eau sur un petit. Le choix de différentes capacités vous permet d'économiser du gaz, et si la température dans la pièce est maintenue à l'aide d'un climatiseur, vous pouvez économiser de l'électricité.
Lors de l'utilisation de brûleurs puissants, l'air se réchauffe davantage en raison du transfert de chaleur, de sorte que la technologie climatique aura besoin de plus de ressources pour le refroidissement
Ainsi, les paramètres acceptables pour le pouvoir calorifique du gaz utilisé par une table de cuisson du segment de prix moyen, composé de 4 brûleurs, sont de 8 à 10 kW. Les modèles plus économiques ont généralement une puissance totale de 5 à 7 kW.
Les surfaces de cuisson à haut pouvoir calorifique pour un fonctionnement normal en toute sécurité peuvent nécessiter la disposition d'une cheminée séparée ou l'installation d'une hotte à usage intensif. Cependant, pour les conditions domestiques, l'achat de tels modèles n'est pas toujours impossible.
Les cuisinières à gaz avec brûleurs à deux et trois circuits sont particulièrement appréciées. La soi-disant double ou triple "couronne" est un brûleur puissant dans lequel la flamme n'est pas émise dans une rangée, mais dans plusieurs cercles. Un tel appareil vous permet de cuisiner plus rapidement et de chauffer les plats plus uniformément.
Guide de dépannage étape par étape
Algorithme d'identification des pannes matérielles les plus courantes :
- Vérifier la présence de tension aux bornes du câble d'alimentation à l'aide d'un voltmètre. Après vous être assuré que l'alimentation est fournie au panneau de commande, appuyez sur le bouton "Sand". L'indication sonore et lumineuse est activée sur l'écran tactile.
- Sur la machine d'introduction située dans le tableau d'alimentation, la tension sur les contacts supérieurs est vérifiée. Ce processus est effectué à l'aide d'un multimètre, d'un indicateur de basse tension (UNN) et d'un indicateur unipolaire.
- L'alimentation en tension du mécanisme de commande mécanique et électronique est réalisée à l'aide d'une unité spéciale.Pour vérifier la santé des zones de cuisson, il est nécessaire de mesurer alternativement le courant électrique avec un ampèremètre.
- Les radiateurs électriques tubulaires, les capteurs de température, les interrupteurs électriques, les contacts normalement ouverts et fermés, toutes sortes de régulateurs sont vérifiés pour les défauts et pour trouver les causes de panne de l'appareil.
Utilisation du four
Après avoir allumé le feu dans le four, il est préférable de régler la température de chauffage maximale pour gagner du temps. Mais pendant cette période, il est nécessaire d'évaluer attentivement l'odeur qui peut apparaître lorsque la température augmente. Dans les anciens modèles de poêles, vous devrez vérifier visuellement l'uniformité du feu.

Vous pouvez regarder la flamme dans le four à travers une fenêtre spéciale
S'il y a des signes d'une composition de gaz spécifique, il est nécessaire d'éteindre immédiatement l'appareil, d'aérer la pièce et de répéter le chauffage après un certain temps. Si, après quelques minutes de chauffage, il a «tiré» une brûlure, cela signifie un mauvais nettoyage des murs après l'utilisation précédente. Il est préférable d'éteindre le poêle et de laver les murs, sinon le nouveau plat absorbera les particules brûlées et gâchera son arôme.
Certains modèles des versions précédentes présentent des défauts de conception qui entraînent la combustion de la vaisselle. S'il n'est pas possible de remplacer l'équipement, des remèdes populaires peuvent venir à la rescousse: emplacement des briques de silicate au fond, récipients contenant de l'eau, du sel ou du sable.
Thermostat du four
Cet élément est nécessaire pour maintenir la température réglée à l'intérieur de la chambre. Selon le modèle choisi, il existe des thermostats électroniques, électromécaniques et mécaniques.Pour le réglage, un bouton tournant en cercle est le plus souvent utilisé. Dans le cas d'un système électronique, il peut s'agir d'un écran tactile avec visualisation de données numériques.
L'élément principal du thermostat est un dilatomètre, qui réagit aux fluctuations de température à l'intérieur de la chambre. Dès qu'elle atteint un niveau critique, la tige linéaire se dilate, agissant sur la vanne. Ce dernier commence à couper progressivement l'alimentation en gaz. Si la température, au contraire, diminue, le dilatomètre donne l'ordre d'augmenter le volume de carburant fourni pour la combustion.

Thermostat du four
Les paramètres critiques pour la cuisson sont définis par l'utilisateur via la commande locale. Si le thermostat est en panne, le four se réchauffera aux valeurs maximales ou arrêtera complètement de pomper la température.
Ce qu'il ne faut pas faire
Comme toute technique, il n'est pas souhaitable d'utiliser une cuisinière à gaz à d'autres fins. L'apparition de nombreuses situations d'urgence est causée précisément par de telles actions. Il convient de rappeler que les dommages causés par une mauvaise utilisation des équipements à gaz peuvent être sans commune mesure avec le bénéfice momentané.

Il existe des cas connus d'utilisation de cuisinières à gaz pour se réchauffer, par exemple lorsque, pour une raison quelconque, l'apport de chaleur au système de chauffage central est trop faible ou absent. Souvent, les propriétaires de cuisinières à gaz à ces fins allument tous les brûleurs (2 à 4 brûleurs) et le four en même temps, qui reste également ouvert. Dans le même temps, le poêle reste sans surveillance pendant assez longtemps.

Les spécialistes du fonctionnement des équipements à gaz n'approuvent catégoriquement pas un tel traitement des poêles. Avec le fonctionnement de tous les appareils consommateurs de gaz, sa consommation augmente fortement.Souvent, dans le désir de chauffer la pièce au plus vite, les citoyens gelés tentent d'ouvrir l'alimentation au maximum. Si, pour une raison quelconque, l'un des brûleurs s'éteint, l'allumage d'autres brûleurs ou du four peut se produire.

Les objets inflammables (rideaux, sacs en plastique, tout produit en plastique) ne doivent pas être placés à proximité du poêle. Pendant le fonctionnement du four, la face extérieure du poêle est très chaude. Cela peut non seulement endommager l'objet, mais aussi le faire s'enflammer.

Sécurité de l'éclairage du four
Quelle que soit la manière dont la flamme est allumée dans le four, il vaut toujours la peine de suivre les règles spécifiques pour un fonctionnement en toute sécurité. L'interaction avec le gaz est toujours un risque, vous devez donc être extrêmement prudent pour niveler la probabilité d'une urgence.
Ensuite, considérez les règles de base pour un allumage sûr du four :
- Avant d'allumer le four à gaz, aérez-le toujours pour libérer l'espace d'une éventuelle accumulation de gaz.
- Inspectez les tuyaux, vérifiez périodiquement l'étanchéité de leurs connexions et, si nécessaire, remplacez ceux qui sont usés par des neufs.
- Assurez-vous que le brûleur du four est complètement allumé. Si un segment ne brûle pas, coupez l'alimentation en gaz, ventilez l'armoire et rallumez la flamme.
- Ne laissez jamais un four en fonctionnement sans surveillance, n'oubliez pas de vérifier la présence d'une flamme à travers le hublot de la porte de l'armoire.
- N'utilisez jamais le four allumé comme source de chaleur. Il est impossible de chauffer la cuisine à l'aide d'air chauffé par le brûleur.
- Nettoyez soigneusement toutes les surfaces à l'intérieur du four après chaque cuisson.Les dépôts de graisse et autres contaminants peuvent obstruer les trous de l'allumeur ou du brûleur lui-même, à cause desquels la flamme brûlera de manière inégale ou sera complètement absente lors du fonctionnement ultérieur.
L'odeur de gaz ou l'alarme sonore du capteur de fuite est une alarme dans laquelle il est interdit d'utiliser l'équipement. Aérez la zone et, si possible, trouvez la source de la fuite de carburant.
Le diagnostic principal des dysfonctionnements du four peut être effectué indépendamment si la procédure n'implique pas le démontage des composants principaux. Dans d'autres cas, le travail doit être confié à un spécialiste.
Il est toujours utile de surveiller le fonctionnement des équipements potentiellement dangereux. Le fonctionnement incorrect de tout élément devrait être alarmant et devenir une raison pour appeler un maître du service de gaz pour inspecter, diagnostiquer le problème et le résoudre.
Conclusions et vidéo utile sur le sujet
À quoi cela ressemble et où se trouve le trou de l'allumeur dans un four à gaz est décrit dans la vidéo ci-dessous. De plus, la vidéo montre comment retirer la plaque de protection et accéder au brûleur.
Informations sur la façon d'allumer une flamme dans un four sans allumage électrique avec contrôle du gaz dans la vidéo suivante :
Comme pour tout équipement à gaz, le travail avec le four doit être extrêmement prudent.
Faites attention à tout dysfonctionnement alarmant de l'appareil et contactez des spécialistes à temps pour éviter les situations d'urgence.
Et c'est assez simple d'allumer une flamme dans un four à gaz: il vous suffit d'apprendre à bien le faire une seule fois, après quoi l'hôtesse n'aura pas besoin d'aide extérieure.
Vous souhaitez compléter les informations fournies par des recommandations ou commentaires utiles ? Ou avez-vous des questions que nous n'avons pas abordées dans ce document ? Demandez-les à nos experts et aux autres visiteurs du site - le formulaire de commentaires se trouve ci-dessous.
Conclusions et vidéo utile sur le sujet
La vidéo traitera de l'entretien obligatoire des équipements de gaz en interne :
Ce que le capitaine doit faire pendant la maintenance :
Ce que nous devons payer lors des inspections et comment vous pouvez économiser :
Il est strictement interdit de faire fonctionner un chauffe-eau ou une plaque de cuisson au gaz défectueux. Cependant, une personne inexpérimentée n'est pas capable de déterminer tous les problèmes en eux de manière indépendante. Par conséquent, il est fortement déconseillé d'interférer avec les vérifications de routine de la cuisinière à gaz de votre appartement. Ce n'est pas tant une question d'application de la loi que de sécurité personnelle.
Si vous avez une expérience positive ou négative de communication avec des travailleurs du gaz ou une histoire intéressante liée au fonctionnement (réparation) d'équipements à gaz, écrivez des commentaires dans le bloc ci-dessous. Nous sommes également prêts à vous aider à comprendre tous les aspects de l'inspection et de l'entretien des appareils à gaz.





































