Climatiseur à canaux à ventilation forcée : subtilités de choix et d'installation

Climatiseurs gainables avec apport d'air frais pour un appartement

Alimentation des systèmes de ventilation

Les systèmes de ventilation pour les locaux domestiques peuvent avoir différentes configurations et coûter de plusieurs centaines à des dizaines de milliers de dollars. Le plus simple et le moins cher d'entre eux :

  • soupape de fenêtre, installé en haut du cadre de fenêtre en plastique et permettant à l'air frais d'entrer naturellement dans la pièce.
  • Ventilateur d'alimentation, qui est monté dans une fenêtre ou un trou dans le mur extérieur. Dans notre zone climatique, ces ventilateurs ne sont pratiquement pas utilisés dans les locaux résidentiels.

L'inconvénient de ces systèmes simples est qu'en hiver la pièce
de l'air trop froid peut entrer, ce qui peut entraîner des maladies, le décollement du papier peint, le dessèchement des meubles et du parquet. Pour éviter que cela ne se produise, de l'air à une température d'au moins + 18 ° C doit être fourni aux locaux d'habitation.
(ceci, soit dit en passant, est une exigence de SNiP), donc dans le système de ventilation, il est nécessaire
il doit y avoir un radiateur avec un système automatique qui régule sa puissance et le protège de la surchauffe. De plus, le système de ventilation doit avoir un filtre à air facilement amovible (sinon, la maison, avec l'air frais
une grande quantité de poussière tombera) et une bonne isolation phonique. Ces exigences sont satisfaites par des systèmes de ventilation empilés assemblés en tant que constructeur à partir de composants séparés : un ventilateur, un silencieux, un filtre, un réchauffeur et un système d'automatisation. Cependant, les systèmes de composition prennent beaucoup de place (généralement une pièce séparée est nécessaire pour leur placement - une chambre de ventilation) et nécessitent une conception, une installation et une mise en service qualifiées. C'est pourquoi, pour la ventilation des maisons de campagne, des appartements et des petits bureaux, utilisez plus souvent centrales de traitement d'air monoblocs.

L'unité d'alimentation (PU) est un système de ventilation compact, dont tous les composants sont assemblés dans un insonorisé
boîtier (monobloc). Grâce à cette conception, les centrales de traitement d'air monoblocs se sont débarrassées de bon nombre des défauts inhérents aux systèmes empilés. Leur petite taille et leur faible niveau de bruit ont permis de les placer sur des balcons ou même directement dans des locaux résidentiels, et la sélection et le réglage de tous les composants au stade de la production ont rendu inutiles une conception et une mise en service complexes.

Ensuite, nous parlerons de ce qu'ils sont, ainsi que de la façon dont
choisir la bonne centrale de traitement d'air pour un appartement, une maison de campagne
espace de maison ou de bureau.

Caractéristiques du système

J'ai décidé moi-même qu'il me fallait au moins 80 m3 par pièce, avec deux personnes. Si vous voulez vous sentir frais, vous avez besoin d'environ 120 m3.

Aération forcée :

  • quatre chambres, de 80 à 120 m3 par chambre
  • la hotte est réalisée en canaux d'extraction natifs (2 canaux : cuisine + wc, salle de bain)
  • capacité à équilibrer le flux d'air entre les pièces
  • exigences de filtration EU5-EU7

Conditionnement:

  • le but est de refroidir l'air entrant
  • prise d'air de la rue - jusqu'à 300 m3
  • recirculation dans l'appartement - jusqu'à 300 m3
  • alimentation en air de chaque pièce (trois pièces) jusqu'à 200 m3

Total:

  • en mode ventilation de 320 m3 à 480 m3 par appartement.
  • en mode climatisation jusqu'à 600 m3 par appartement.

Appareil et principe de fonctionnement

Un climatiseur avec alimentation en air peut être de plusieurs variétés.

Parmi les consommateurs, les appareils avec un système d'entrée forcée de masses d'air sont en demande, dont l'emplacement du bloc est un canal ou un mur. La différence entre la conception de tels systèmes et les systèmes standard est la suivante :

  • conduit d'air - il relie l'unité intérieure à l'unité extérieure ;
  • purification des mélanges d'air fournis.

Les climatiseurs gainables pour la ventilation sont équipés d'appareils de chauffage conçus pour chauffer le flux de masses d'air, quelle que soit la saison. Ils peuvent être hydrauliques ou électriques. Fourniture d'équipement de climatisation :

Bloc intérieur (évaporatif)

Il se compose d'un échangeur de chaleur, d'un ventilateur, d'un filtre et d'une unité de commande électronique.

Si le climatiseur est monté au mur, l'unité intérieure est montée au mur.

Si l'unité de ventilation est une unité gainable, l'unité intérieure est montée dans un caisson ou au-dessus d'un faux plafond. L'installation ne viole donc pas la conception de la pièce, car tout l'équipement est caché derrière le plafond, tandis que l'alimentation en air s'effectue à travers des grilles décoratives.

Unité extérieure

Il se compose d'un compresseur, d'un échangeur de chaleur à condenseur, d'un ventilateur de refroidissement d'air, d'une turbine d'aspiration et d'une chambre de mélange des masses d'air.

L'unité extérieure est montée à l'extérieur. Si une telle unité est équipée d'un ventilateur centrifuge, elle peut être installée à l'intérieur.

Principe d'opération:

  • L'air frais s'écoule vers le conditionneur à travers le bloc externe au moyen de la turbine d'absorption.
  • Par les conduits d'air, l'air frais pénètre dans la chambre de mélange de l'unité intérieure.
  • À l'aide de la chambre, le processus de mélange des flux d'air frais entrants et des sorties de masses d'air de la pièce est effectué.
  • L'air déjà mélangé est ensuite nettoyé.
  • Avant que les flux d'air ne soient fournis à la pièce, ils sont en outre traités (chauffage, refroidissement, humidification, etc.) selon les paramètres définis par l'utilisateur, qui peuvent être maintenus automatiquement.

Principe d'opération

Les entrées d'air comprennent également deux blocs. Les principaux éléments du premier d'entre eux sont:

  • glacière;
  • filtre;
  • ventilateur;
  • Panneau de configuration.

Climatiseur à canaux à ventilation forcée : subtilités de choix et d'installationClimatiseur à canaux à ventilation forcée : subtilités de choix et d'installation

Éléments du deuxième - module à distance :

  • Pompe à chaleur;
  • groupe compresseur et condenseur ;
  • commande par microprocesseur.

Le connecteur des blocs considérés est un pipeline de fréon. Un radiateur à commande électronique est également connecté à l'unité intérieure.

L'air est prélevé simultanément de la pièce et de la rue. Ils entrent dans la chambre de mélange, où, respectivement, le mélange a lieu.L'air résultant passe à travers les filtres et est traité selon le mode spécifié, c'est-à-dire qu'il est refroidi, chauffé ou séché. Et enfin, il retourne dans la chambre. Ainsi, l'air à l'intérieur est non seulement refroidi, mais également rafraîchi.

Climatiseur à canaux à ventilation forcée : subtilités de choix et d'installation

Calcul de gaine

Le calcul du système de climatisation par gaine est assez compliqué et ne doit être confié qu'à des spécialistes qualifiés. En bref, la procédure ressemble à ceci:

  1. Pour chaque pièce, un calcul d'ingénierie thermique est effectué, sur la base duquel la capacité de refroidissement requise est déterminée.
  2. La capacité de refroidissement détermine le volume approximatif d'air refroidi que le climatiseur doit fournir à une pièce donnée. Pour les modèles avec une capacité de refroidissement jusqu'à 20 kW, environ 165 mètres cubes d'air doivent être fournis pour fournir 1 kW d'air. m / h, pour les plus puissants (jusqu'à 40 kW), ce chiffre est d'environ 135 mètres cubes. m/h

Connaissant le diamètre des conduits d'air, le matériau et la vitesse de circulation de l'air (cela dépend du volume d'alimentation), la résistance aérodynamique de chaque branche et de l'ensemble du système dans son ensemble est déterminée.

Climatiseur gainable avec apport d'air frais

Climatiseur à canaux à ventilation forcée : subtilités de choix et d'installation

Le dispositif du système de canaux est à deux modules. Un bloc, compresseur-condenseur, est à l'extérieur du périmètre, l'évaporateur est situé à l'intérieur de la pièce. Entre eux, ils sont reliés par des tubes en cuivre avec du fréon et du câblage électrique. L'unité d'évaporation peut être dissimulée dans le revêtement de la pièce. Les climatiseurs avec la fonction d'entrée d'air frais de la rue produisent un échange d'air dans la pièce pendant 2-3 heures. Physiologiquement, l'air devient sain, saturé d'oxygène. Ces climatiseurs comprennent des systèmes de Daikin "Ururu Sarara".Hitachi et Haier ont créé leurs propres modèles avec un apport d'air frais.

La technologie de nettoyage et de mélange des flux d'air est complexe. Dans un bloc spécial à l'extérieur du périmètre, l'air prélevé dans la rue passe à travers un catalyseur au manganèse, l'adsorption des impuretés, y compris les odeurs, se produit. Il y a un filtre à l'entrée du système de climatisation, sur lequel restent de petits débris, insectes et autres saletés externes. Après les flux de gaz sont mélangés et passés à travers un filtre photocatalytique, où ils sont biologiquement désinfectés. L'air pur est enrichi en vitamines et en acide hyaluronique. Le produit cicatrisant est introduit dans la pièce.

Lire aussi :  Comment se débarrasser du condensat dans le tuyau de ventilation: les subtilités de l'élimination des gouttes du conduit

Choix de l'emplacement et des caractéristiques d'installation

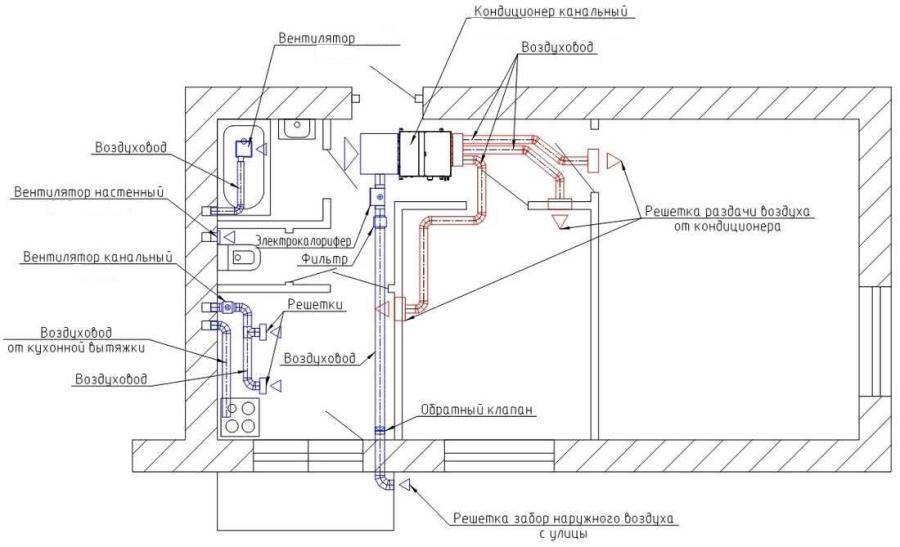
Avant d'installer la ventilation par conduit, une conception du système doit être établie. Il doit indiquer le site d'installation du lanceur lui-même, l'emplacement des conduits d'air, des grilles de ventilation, etc.

Il est important de prendre en compte le sens du flux d'air. Le lieu d'entrée des masses d'air frais doit être un local résidentiel, tel qu'un salon, un bureau, une chambre, etc.

En conséquence, les odeurs désagréables de la salle de bain ou de la cuisine ne pénétreront pas dans les pièces à vivre, mais seront immédiatement éliminées par les grilles d'évacuation. Les courants d'air peuvent se croiser, se refléter sur la surface des meubles, etc.

Il vaut mieux réfléchir à ces points à l'avance pour que la trajectoire du mouvement des flux d'air soit la plus efficace possible.

En hiver, la température de chauffage de l'air provenant de la rue doit être corrélée à la quantité de chaleur dans la pièce. Si la maison est bien chauffée, le chauffage de l'air peut être laissé à un niveau minimum.

Mais si pour une raison quelconque la puissance du système de chauffage n'est pas suffisante, l'air injecté doit être réchauffé plus fortement.

Climatiseur à canaux à ventilation forcée : subtilités de choix et d'installationCe diagramme montre le mouvement correct des masses d'air lors de la ventilation : l'air frais pénètre dans les pièces d'habitation et les flux d'échappement sont évacués par des grilles dans la cuisine et la salle de bain.

Lors du choix d'une unité d'alimentation, vous devez décider de l'achat et de l'installation de filtres fins supplémentaires. Généralement, ces appareils sont équipés de filtres de classe G4, capables de retenir des contaminants relativement importants.

S'il y a un besoin ou un désir de se débarrasser des poussières fines, vous aurez besoin d'une autre unité de filtrage, par exemple, la classe F7. Il est installé dans le système après l'installation de l'alimentation.

Climatiseur à canaux à ventilation forcée : subtilités de choix et d'installation
Chaque unité de ventilation d'alimentation est équipée d'un filtre grossier. Le remplacement des filtres s'effectue par la trappe de visite, à laquelle l'accès doit être libre

Si l'unité de ventilation d'alimentation n'est pas équipée de filtres fins, ils sont achetés séparément.

Même si les propriétaires de la maison ont refusé d'installer de tels éléments pour une raison quelconque, il est toujours recommandé de prévoir une place dans le système au cas où une telle installation serait nécessaire à l'avenir.

Le lanceur doit être installé de manière à être accessible pour l'entretien régulier et les réparations périodiques.

Une attention particulière doit être portée à l'emplacement de la trappe de visite par laquelle les filtres sont remplacés. La trappe doit s'ouvrir librement, laissant suffisamment d'espace pour les manipulations avec les éléments filtrants.

Climatiseur à canaux à ventilation forcée : subtilités de choix et d'installation
Lors de l'installation de la ventilation d'alimentation, vous aurez besoin d'un outil spécial et d'une perceuse au diamant pour percer le mur. La taille des trous peut aller jusqu'à 200 mm

Lors de l'installation du PU, il est nécessaire de percer le mur extérieur. Une perceuse à percussion ne convient généralement pas à un tel travail; le travail est effectué avec une perceuse au diamant à refroidissement constant par eau.

Afin de ne pas endommager la décoration intérieure de la pièce, il est préférable de percer de l'extérieur.

Étapes d'installation

Les fabricants fournissent généralement climatiseur au sol mobile avec les instructions de mode de ventilation d'alimentation pour le montage. Aucun travail d'installation complexe n'est requis, car l'ensemble de l'appareil se trouve dans un boîtier qui se tiendra à l'intérieur. Il ne reste plus qu'à assembler correctement les pièces en suivant les recommandations. Plus difficile peut être le problème avec le retrait du tuyau de ventilation.

Climatiseur à canaux à ventilation forcée : subtilités de choix et d'installationAménagement de l'aération

Il existe trois options pour organiser la ventilation. Vous pouvez faire sortir le tuyau par la fenêtre, préparer à l'avance un trou spécial préalablement fait dans le mur ou l'envoyer à la gaine de ventilation. De plus, si vous envisagez d'utiliser le climatiseur dans plusieurs pièces, en le déplaçant tour à tour d'une pièce à l'autre, vous devez réfléchir à la manière de créer une branche pour le tuyau dans chacune d'elles et à l'endroit où l'équipement sera placé afin qu'il n'interfère avec personne.

Chaque variante du dispositif de soutirage a ses propres caractéristiques :

  • Le plus pratique est le puits de ventilation, mais cela n'est pas toujours possible en raison de l'emplacement des trous de ventilation, car la longueur du tuyau d'air ne doit pas dépasser deux mètres.
  • Ce n'est pas si simple de le sortir par la fenêtre, vous ne pouvez pas sortir le tuyau par la fenêtre et le laisser, car de cette façon l'air chaud reviendra dans la pièce, respectivement, cela annulera tout le fonctionnement de l'appareil.Par conséquent, il sera nécessaire d'installer un panneau imperméable spécial auquel le tuyau sera connecté. À l'état non fonctionnel, un bouchon est installé sur le trou. Un tel panneau peut généralement être acheté dans le même magasin qui vend des climatiseurs.
  • Vous pouvez spécialement faire un trou dans le mur pour cela, en organisant une branche pour le tuyau. C'est pratique car vous pouvez le placer presque n'importe où. La section transversale du trou ne doit pas être inférieure à celle du conduit. Il est préférable de fermer les murs avec un morceau de tuyau ou un film PVC.

Lorsque la prise est prête à l'emploi, il ne reste plus qu'à assembler le climatiseur conformément aux instructions, à retirer tous les films de protection et à le connecter. Vous ne pouvez allumer l'appareil que quelques heures après l'assemblage et l'appareil doit être placé verticalement. Il convient également de lire attentivement les instructions, car différents modèles peuvent avoir leurs propres nuances qui doivent être prises en compte pour que l'appareil puisse fonctionner correctement.

L'un des avantages des climatiseurs mobiles est que, contrairement aux systèmes split, ils ne nécessitent aucune autorisation pour être installés. Par conséquent, n'importe qui peut se permettre une telle acquisition. De plus, c'est une excellente option pour ceux qui vivent dans des appartements loués - lors d'un déménagement, vous pouvez emporter le climatiseur avec vous.

Méthodes de calcul et de sélection

La méthode la plus simple et la plus rapide pour calculer un système divisé est basée sur la superficie de la pièce. Pour 10 m². mètres - 1000 W de capacité de refroidissement. Cependant, il faut garder à l'esprit qu'un tel calcul donne une erreur d'environ 30% et peut être appliqué à des pièces dont la hauteur sous plafond ne dépasse pas 3 mètres et à des pièces sans un grand nombre de personnes et d'équipements qui génèrent une grande quantité de chaleur supplémentaire.Des calculs plus précis sont effectués à l'aide de formules tenant compte des caractéristiques des locaux.

Pour les pièces avec des hauteurs sous plafond jusqu'à 3 mètres

N

CD

= 35*

F

pompon

+ 150*

n

de personnes

+ 350*

n

La technologie

+

q

*

F

les fenêtres

,W

  • F
    pompon
    - superficie de la pièce (m 2);

  • 35 - la valeur du gain de chaleur à travers les murs extérieurs (W / m 2);
  • n
    de personnes
  • 150 —
    gain de chaleur d'une personne dans un état calme (W);

  • n
    La technologie
  • F
    les fenêtres
    - surface de fenêtre (m 2);

  • q
    - le coefficient de la chaleur quotidienne moyenne qui tombe sur la fenêtre.
  1. si les fenêtres sont orientées au nord - 40 W / m 2
  2. si les fenêtres sont orientées au sud - 366 W / m 2
  3. si les fenêtres sont orientées ouest - 350 W / m 2
  4. si les fenêtres sont orientées à l'est - 309 W / m 2

Pour les pièces avec une hauteur sous plafond supérieure à 3 mètres

N

CD

=

q

*

V

pompon

+ 130*

n

de personnes

+ 350*

n

La technologie

,W

  • V
    pompon
    - le volume de la pièce (m 3) ;

  • n
    de personnes
    - le nombre de personnes dans la salle ;

  • 130 - gain de chaleur d'une personne dans un état calme (W);
  • n
    La technologie
    - le nombre d'équipements (ordinateurs) ;

  • 350 - gain de chaleur d'un ordinateur (W) ;.
  • q
    - coefficient de chaleur journalière moyenne dans la pièce.

q - le coefficient de chaleur quotidienne moyenne est égal à :

  1. si les fenêtres sont orientées au nord - 30 W / m 2
  2. si les fenêtres sont orientées au sud - 40 W / m 2
  3. si les fenêtres sont orientées à l'ouest - 35 W / m 2
  4. si les fenêtres sont orientées à l'est - 32 W / m 2
Lire aussi :  Ventilation d'échappement à travers le mur vers la rue : installation de la vanne à travers un trou dans le mur

Les résultats des calculs ne sont pas non plus entièrement précis et peuvent entraîner une erreur de calcul de 10 à 15%, mais cela suffit généralement pour la sélection pratique de l'équipement. Pour des calculs plus précis, il est nécessaire de se référer à la littérature pédagogique académique spéciale, qui fournit les formules appropriées pour le calcul.

Le deuxième indicateur à prendre en compte lors du choix d'un climatiseur gainable est la pression d'air statique. Étant donné que l'admission d'air de la pièce et l'alimentation en air de la pièce sont effectuées par l'unité intérieure à travers des conduits d'air de différentes longueurs et conceptions, il est nécessaire de calculer correctement les pertes en eux, ainsi que lorsqu'ils tournent, dans le grilles de distribution et d'aspiration afin de sélectionner correctement l'unité intérieure par la valeur de la hauteur statique. Sinon, toute la pression du flux d'air sera perdue pour surmonter ces résistances.Toutes les résistances doivent être prises en compte et une unité intérieure avec une hauteur statique supérieure de 20% aux pertes doit être sélectionnée. Ces pertes dépendent de la vitesse, de la section et du type de conduit. Des pertes se produisent également dans les grilles d'entrée et de sortie d'air, qui sont également calculées en fonction du débit volumique d'air. Pour un calcul plus précis des pertes, vous pouvez utiliser la documentation de référence spécialisée ou contacter des spécialistes qualifiés.

S'il est nécessaire d'effectuer un apport d'air frais, il faut tenir compte du fait que la quantité maximale d'apport d'air frais pour les climatiseurs gainables est de 30 %. Lorsque le climatiseur fonctionne pour le chauffage en hiver, son fonctionnement stable a lieu à des températures extérieures jusqu'à moins 10 ÷ 15 C. Si la température de l'air extérieur est inférieure à moins 20 C et que le climatiseur fonctionne pour le chauffage, un chauffage supplémentaire de l'air frais est nécessaire d'une autre manière.

En pensant à installer un système split moderne dans leur maison ou leur appartement, les gens se demandent souvent comment fonctionne le système split canal ? Le principe de fonctionnement du climatiseur gainable
basé sur la transmission et la filtration des masses d'air à l'aide d'un système de puits d'aération.
La différence avec un climatiseur conventionnel est qu'un tel équipement est monté dans un système de conduits. À cet égard, il est nécessaire de prévoir l'installation d'équipements de canal En construction
ou rénovation majeure.

Avant de plonger dans les subtilités du travail, il est nécessaire de comprendre ce qu'est ce système, car beaucoup ne savent tout simplement pas ce qu'est un climatiseur de type conduit. La climatisation canalisée est un système split spécial qui maintient la température requise dans les pièces moyennes et grandes. Cela consiste en 2 blocs principaux
:

  • interne;
  • externe.

L'unité extérieure contient un compresseur, un ventilateur et un échangeur de chaleur à condenseur. L'intérieur comprend un échangeur de chaleur à évaporateur, un ventilateur avec un moteur électrique, un diffuseur à volute, un bac de collecte de liquide, une chambre à air et des tuyaux pour les communications. En plus de ces deux blocs, le système devrait inclure des conduits d'air et des grilles, mais ils sont déjà sélectionnés individuellement pour chaque pièce.

Climatiseur à canaux à ventilation forcée : subtilités de choix et d'installation

Conseils de sélection

Mais il est extrêmement difficile de choisir le bon appareil de ventilation par gaine pour un appartement ou pour une maison, simplement en se familiarisant avec les informations fournies par les fabricants.

Au contraire, vous pouvez faire un choix, mais il est peu probable qu'il soit le bon.Il est impératif de prêter attention aux avis des autres consommateurs. C'est leur avis qui vous permet d'identifier les forces et les faiblesses de chaque option.

Climatiseur à canaux à ventilation forcée : subtilités de choix et d'installation

Pour des raisons évidentes, il est préférable de faire appel à des ingénieurs et des concepteurs indépendants, plutôt qu'à ceux proposés par le fabricant, le revendeur ou l'organisation commerciale.

Les professionnels prendront en compte :

  • caractéristiques du vitrage ;
  • la superficie de l'espace vitré;
  • superficie totale desservie ;
  • destination des locaux ;
  • paramètres sanitaires nécessaires;
  • la présence d'un système de ventilation et ses paramètres;
  • méthode de chauffage et propriétés techniques de l'équipement;
  • le niveau de perte de chaleur.

Climatiseur à canaux à ventilation forcée : subtilités de choix et d'installation

Le calcul correct de tous ces paramètres n'est possible qu'après avoir étudié les caractéristiques de l'objet lui-même et un certain nombre de mesures. Parfois, vous devez utiliser un logiciel spécial pour concevoir des conduits d'air et sélectionner un bon équipement de conduit. Ce n'est que lorsque les propriétés nécessaires des canaux, les exigences en matière d'admission d'air et les emplacements d'installation optimaux ont été déterminés qu'il est possible de choisir le climatiseur lui-même. Cela n'a aucun sens de faire ce choix sans projet - il est plus facile de jeter de l'argent par les fenêtres au sens littéral

Vous devez également faire attention à :

  • Fonctionnalité;
  • consommation de courant;
  • Energie thermique;
  • possibilité de séchage à l'air;
  • contenu de la livraison ;
  • avoir une minuterie.

Climatiseur à canaux à ventilation forcée : subtilités de choix et d'installation

Planification d'un système de climatisation gainable

Le système de conduits se compose de deux sous-systèmes : l'un - l'alimentation - l'air refroidi est distribué dans les locaux, l'autre - l'évacuation - l'air chauffé des locaux est acheminé vers le climatiseur. Des diffuseurs sont installés sur les conduits d'air soufflé, des grilles sur les conduits d'air extrait.

Lors de la conception d'un système de climatisation, tenez compte des points suivants :

Les diffuseurs et les grilles doivent être situés en haut - au plafond ou en haut du mur, mais en même temps, ils doivent être situés sur les côtés opposés de la pièce.

Les conduits d'aération doivent être situés derrière le faux plafond et à l'intérieur des cloisons.
Chaque conduit doit être posé de manière à avoir le moins de virages possible - ils augmentent la traînée aérodynamique.
La forme de section transversale optimale du conduit est un cercle. Dans un canal rectangulaire, l'air forme des tourbillons aux angles, ce qui entraîne une augmentation de la traînée aérodynamique. Cependant, les conduits rectangulaires, même carrés, ont une hauteur inférieure pour la même surface de section, ils sont donc préférables dans une pièce avec des plafonds bas.

Les conduits d'air en plastique et en acier galvanisé offrent le moins de résistance au flux d'air

Ces derniers sont incombustibles, ce qui est important pour les pièces à haut degré de sécurité incendie. Mais si vous le souhaitez, le conduit d'air peut être fabriqué indépendamment, même en carton. Le contreplaqué est souvent utilisé dans le même but.

Le moyen le plus simple d'installer des conduits ondulés flexibles, mais il est recommandé de ne les utiliser qu'en dernier recours. Sur de longues sections, ils s'affaissent et se pincent aux points d'attache, de sorte que la traînée aérodynamique de la chenille finit par augmenter considérablement.
Les diffuseurs et les grilles doivent être sélectionnés de manière à ce qu'à l'apport maximal d'air refroidi, sa vitesse ne dépasse pas 2 m/s. Sinon, le flux d'air produira un bruit perceptible. Si le diamètre ou la forme du conduit ne vous permet pas d'utiliser le diffuseur que vous jugez adapté, utilisez un adaptateur spécial

Dans le même but, le contreplaqué est souvent utilisé. Le moyen le plus simple d'installer des conduits ondulés flexibles, mais il est recommandé de ne les utiliser qu'en dernier recours.Sur de longues sections, ils s'affaissent et se pincent aux points d'attache, de sorte que la traînée aérodynamique de la chenille finit par augmenter considérablement.
Les diffuseurs et les grilles doivent être sélectionnés de manière à ce qu'à l'apport maximal d'air refroidi, sa vitesse ne dépasse pas 2 m/s. Sinon, le flux d'air produira un bruit perceptible. Si le diamètre ou la forme du conduit ne vous permet pas d'utiliser le diffuseur que vous jugez adapté, utilisez un adaptateur spécial.

Dans les endroits de ramification sur des lignes avec moins de résistance aérodynamique, des diaphragmes doivent être installés, à l'aide desquels leur section transversale peut être partiellement bloquée. Un tel ajustement permettra d'équilibrer le système. Sans cela, presque tout l'air s'engouffre dans le canal avec la moindre résistance.

Avec une durée importante des conduits d'air, il est nécessaire de prévoir des trappes de visite pour le dépoussiérage.
Des éléments facilement démontables doivent être prévus dans le doublage du faux-plafond et des cloisons, par démontage permettant d'accéder aux diaphragmes et trappes de visite des gaines d'air.

Lire aussi :  Aménagement de la ventilation des conduites d'égout: construction de conduits d'air à partir de produits polymères

Pour éviter la formation de condensat, les conduits d'air soufflé doivent être enveloppés d'un matériau calorifuge de l'extérieur.

Concevoir

L'unité se présente sous la forme d'un ensemble monobloc composé d'un carter, d'un échangeur, d'un récupérateur de gouttes et d'un bac de récupération des condensats.

  • Le corps est galvanisé. Ses dimensions sont standards, elles correspondent à la taille standard des rangées de conduits d'air rectangulaires. Installation facile grâce au boulonnage des brides
  • Les composants de l'échangeur de chaleur sont situés directement dans le broyeur. Il se compose d'une série de tubes en cuivre à travers lesquels passent divers fluides frigorigènes, ainsi que de plaques en aluminium, offrant une extension de l'espace de refroidissement.
  • Les masses d'air traversant l'échangeur de chaleur, ayant renoncé à leur énergie, se refroidissent et se transforment en condensat sur la surface froide des tuyaux de cuivre et des plaques d'aluminium.
  • La collecte de l'excès d'humidité fournit un capteur de gouttes. Il comprend des nervures en plastique à travers lesquelles le condensat pénètre dans le bac situé au fond du boîtier. L'efficacité de l'éliminateur de gouttelettes est assurée par le déplacement de flux d'air supérieurs à 2,5 m/s ; aux débits minimaux, il ne peut pas être utilisé.

Pour une évacuation ininterrompue des condensats, le bac est monté uniquement en position horizontale. Le drainage de l'excès d'humidité est effectué dans le bac, où une isolation thermique supplémentaire et un tube de drainage sont fournis.

Planification d'un système de climatisation gainable

Le système de conduits se compose de deux sous-systèmes : l'un - l'alimentation - l'air refroidi est distribué dans les locaux, l'autre - l'évacuation - l'air chauffé des locaux est acheminé vers le climatiseur. Des diffuseurs sont installés sur les conduits d'air soufflé, des grilles sur les conduits d'air extrait.

Lors de la conception d'un système de climatisation, tenez compte des points suivants :

Les diffuseurs et les grilles doivent être situés en haut - au plafond ou en haut du mur, mais en même temps, ils doivent être situés sur les côtés opposés de la pièce.

Les conduits d'aération doivent être situés derrière le faux plafond et à l'intérieur des cloisons.
Chaque conduit doit être posé de manière à avoir le moins de virages possible - ils augmentent la traînée aérodynamique.
La forme de section transversale optimale du conduit est un cercle.Dans un canal rectangulaire, l'air forme des tourbillons aux angles, ce qui entraîne une augmentation de la traînée aérodynamique. Cependant, les conduits rectangulaires, même carrés, ont une hauteur inférieure pour la même surface de section, ils sont donc préférables dans une pièce avec des plafonds bas.

Les conduits d'air en plastique et en acier galvanisé offrent le moins de résistance au flux d'air

Ces derniers sont incombustibles, ce qui est important pour les pièces à haut degré de sécurité incendie. Mais si vous le souhaitez, le conduit d'air peut être fabriqué indépendamment, même en carton

Dans le même but, le contreplaqué est souvent utilisé. Le moyen le plus simple d'installer des conduits ondulés flexibles, mais il est recommandé de ne les utiliser qu'en dernier recours. Sur de longues sections, ils s'affaissent et se pincent aux points d'attache, de sorte que la traînée aérodynamique de la chenille finit par augmenter considérablement.
Les diffuseurs et les grilles doivent être sélectionnés de manière à ce qu'à l'apport maximal d'air refroidi, sa vitesse ne dépasse pas 2 m/s. Sinon, le flux d'air produira un bruit perceptible. Si le diamètre ou la forme du conduit ne vous permet pas d'utiliser le diffuseur que vous jugez adapté, utilisez un adaptateur spécial.

Dans les endroits de ramification sur des lignes avec moins de résistance aérodynamique, des diaphragmes doivent être installés, à l'aide desquels leur section transversale peut être partiellement bloquée. Un tel ajustement permettra d'équilibrer le système. Sans cela, presque tout l'air s'engouffre dans le canal avec la moindre résistance.

Avec une durée importante des conduits d'air, il est nécessaire de prévoir des trappes de visite pour le dépoussiérage.
Des éléments facilement démontables doivent être prévus dans le doublage du faux-plafond et des cloisons, par démontage permettant d'accéder aux diaphragmes et trappes de visite des gaines d'air.

Pour éviter la formation de condensat, les conduits d'air soufflé doivent être enveloppés d'un matériau calorifuge de l'extérieur.

Le principe de fonctionnement de la ventilation de type alimentation

Un bon échange d'air dans une zone résidentielle est essentiel. Il est loin d'être toujours possible d'organiser une ventilation efficace chez soi de manière naturelle. Dans une telle situation, la ventilation forcée est considérée comme l'une des meilleures options pour les locaux d'habitation.

Une étanchéité excessive est une caractéristique des appartements modernes. Des fenêtres en plastique sont installées partout, qui, contrairement aux fenêtres en bois, ne laissent pas passer du tout les masses d'air. Cela s'applique également aux portes d'entrée qui, lorsqu'elles sont fermées, bloquent le froid, la poussière, le bruit et l'air frais.

Un climatiseur avec une fonction d'entrée d'air frais ou une vanne de fenêtre aidera à résoudre partiellement le problème. Cependant, ils ne fournissent de l'air qu'à une seule pièce.

La ventilation artificielle, sinon mécanique, est un système de moyens par lequel la quantité nécessaire d'air frais est forcée dans la pièce. Dans le même temps, le flux d'air est chauffé à une température confortable et filtré pour éliminer les éventuels contaminants.

Climatiseur à canaux à ventilation forcée : subtilités de choix et d'installation
La version la plus simple de l'unité de ventilation d'alimentation peut être fabriquée à la main, mais son efficacité sera inférieure à celle du modèle de production industrielle

Filtration de l'air

Après un an de fonctionnement, j'ai été intrigué par la question du remplacement des filtres. J'ai décidé de chercher sur le marché des analogues.

Option 1 - achetez du matériel de filtre et cousez le filtre vous-même.

  • J'ai démonté un ancien filtre et j'ai fait un motif - format de feuille 350x2000 mm.
  • ci-dessous matériel photo:
    • Matériau de densité progressive. Lâche à l'extérieur, très dure à l'intérieur.
    • NF300 - très similaire à la composition du filtre d'origine. Il se plie facilement, il est facile d'y coudre un filtre.
    • Le NF500/PS est très dense, voire rigide. Faire quelque chose de similaire à l'original ne fonctionnera pas.
    • NF400/P - exactement ce dont vous avez besoin
  • Je n'ai pas encore fait de couture.

Option 2 - commandez l'ensemble de filtre.

La finition est excellente, elle s'intègre parfaitement dans le boîtier d'origine du FFR 200. J'ai décidé moi-même de le commander - c'est une économie de 2 à 3 fois sur l'original.

Système de contrôle à microprocesseur

Le système de contrôle électronique maintient automatiquement les paramètres souhaités du système de climatisation et de ventilation à tout moment de l'année. En été, l'air est refroidi et la température de consigne est maintenue dans la pièce. En automne et au printemps, le climatiseur passe en mode "pompe à chaleur" et chauffe efficacement l'air sans allumer les radiateurs (électriques ou à eau). Si la température extérieure descend en dessous de 0 °C, un chauffage supplémentaire (climatiseur de type gainable) est activé. Le module de contrôle électronique du chauffage vous permet d'ajuster en douceur sa puissance en fonction de la température extérieure, ce qui garantit une consommation électrique minimale.

Climatiseurs frais pour appartement

Climatiseur à canaux à ventilation forcée : subtilités de choix et d'installation

Un autre type de système split est le climatiseur d'alimentation et d'extraction de la gamme de produits Hitachi, ils ne sont pas très puissants, l'échange d'air n'atteint que 8 m 3 par heure, mais cette quantité est suffisante pour une chambre. Le climatiseur Hitachi RAS-10JH2 est un exemple de système de séparation d'alimentation et d'évacuation.Le modèle a un compresseur à onduleur, 2 tuyaux sont utilisés - alimentation et échappement. L'air est évacué de force, l'air frais de la rue peut être chauffé. La télécommande a des options distinctes pour l'alimentation en air de la rue et l'évacuation des gaz d'échappement. Un mode est choisi, puis le système est réglé sur un état d'équilibre.

Haier propose 2 modèles de climatiseurs frais haut de gamme : Aqua Super Match AS09QS2ERA et LIGHTERA HSU-09HNF03/R2(DB). Dans ces unités, le système de soufflage d'air est une option supplémentaire. Mais après avoir acheté l'équipement, il est possible de prévoir un renouvellement d'air avec un débit de 25 m 3 /heure. Les deux modèles de climatiseurs ont la fonction intégrée d'un mélange d'air de la rue. Pour ce faire, l'unité extérieure dispose d'un ventilateur de surpression et d'une chambre de mélange de deux flux gazeux. Un tuyau flexible avec de l'air extérieur peut être introduit directement dans la pièce d'une manière ou d'une autre.

Évaluation
Site sur la plomberie

Nous vous conseillons de lire

Où remplir la poudre dans la machine à laver et combien de poudre verser