- Achetez ou fabriquez le vôtre
- Comment choisir un pistolet hydraulique
- Conception, objectif et principe de fonctionnement de l'interrupteur hydraulique
- Qu'est-ce qu'un pistolet hydraulique ?
- Combinaison d'un collecteur de chauffage avec une flèche hydraulique
- Les fonctions
- Pourquoi avons-nous besoin d'une flèche hydraulique: principe de fonctionnement, objectif et calculs
- Dispositif de flèche hydraulique chauffant
- Caractéristiques supplémentaires de l'équipement
- Le principe de fonctionnement de la flèche hydraulique dans les systèmes de chauffage
- Flèche hydraulique dans le système de chauffage d'une maison privée et son installation étape par étape de vos propres mains
- Hydrogun et son but
- Répartition uniforme de la chaleur
- Équilibrage de pression
- Travailler avec plusieurs chaudières
- Installation d'une flèche hydraulique dans un système de chauffage : 5 règles générales
- Comment calculer la flèche hydraulique du système de chauffage à l'aide de la formule
- Qu'est-ce qu'une flèche hydraulique (séparateur hydraulique) dans un système de chauffage
- But et principe de fonctionnement
- Modes de fonctionnement
- Lorsqu'un pistolet hydraulique est nécessaire
- Quand puis-je mettre
- Comment fonctionne un pistolet hydraulique dans différents cas
- Chauffage avec mitigeur 4 voies
- Pour un fonctionnement neutre
- La chaudière n'a pas assez de puissance
- Le débit sur le circuit primaire est supérieur au débit de liquide de refroidissement
- Schémas de fabrication
Achetez ou fabriquez le vôtre
Un ensemble prêt à l'emploi de pistolets hydrauliques assemblés en Europe avec des équipements auxiliaires dans le réseau de distribution coûte de 200 à 300 dollars américains.
L'utilisateur qui achète une telle conception bénéficiera de tous les avantages de son fonctionnement dans le système d'alimentation en chaleur: économie de carburant, conditions thermiques et hydrauliques fiables dans le réseau et durabilité de l'équipement principal de la chaudière.
Simple schéma du séparateur hydraulique
L'assemblage en usine résout non seulement les problèmes de distribution, mais également la protection du système contre les coups de bélier, la corrosion et les dépôts de boues sur les surfaces de chauffage internes. Tous les composants de la structure sont soigneusement calculés, fabriqués à l'aide de la technologie moderne et mis en place en usine.
Il peut être conseillé aux artisans à domicile qui souhaitent économiser sur les distributeurs, qui ont une expérience de serrurier et tout l'équipement nécessaire, de réaliser eux-mêmes une flèche hydraulique, car il existe aujourd'hui des méthodes et des schémas de fabrication assez détaillés sur Internet. L'appareil appartient à des produits hydrauliques complexes et lors de leur exécution, les éléments suivants doivent être pris en compte :
- Les éperons doivent avoir des fils symétriques et bien coupés.
- L'épaisseur des parois des buses est choisie de la même manière.
- La qualité des soudures doit être élevée.
Comment choisir un pistolet hydraulique
Un pistolet hydraulique ne fonctionne efficacement que s'il est correctement sélectionné. Lors du choix d'un distributeur, les caractéristiques de base sont la puissance thermique de la chaudière et la consommation d'eau horaire totale pour toutes les chaudières. Il ne doit pas dépasser le débit d'eau horaire dans le circuit de la chaudière.
Ensuite, faites attention aux caractéristiques de conception du pistolet hydraulique :
- forme de section - carrée ou ronde
- nombre de branchements : 4, 6 ou 8 entrées/sorties ;
- version de l'alimentation/évacuation de l'eau ;
- méthode d'installation de la buse - sur un axe commun ou en alternance.
Les experts conseillent aux chaudières murales et aux flèches hydrauliques d'acheter des modèles prêts à l'emploi avec des manomètres, un évent et un puisard pour nettoyer le circuit d'eau des boues.
Conception, objectif et principe de fonctionnement de l'interrupteur hydraulique
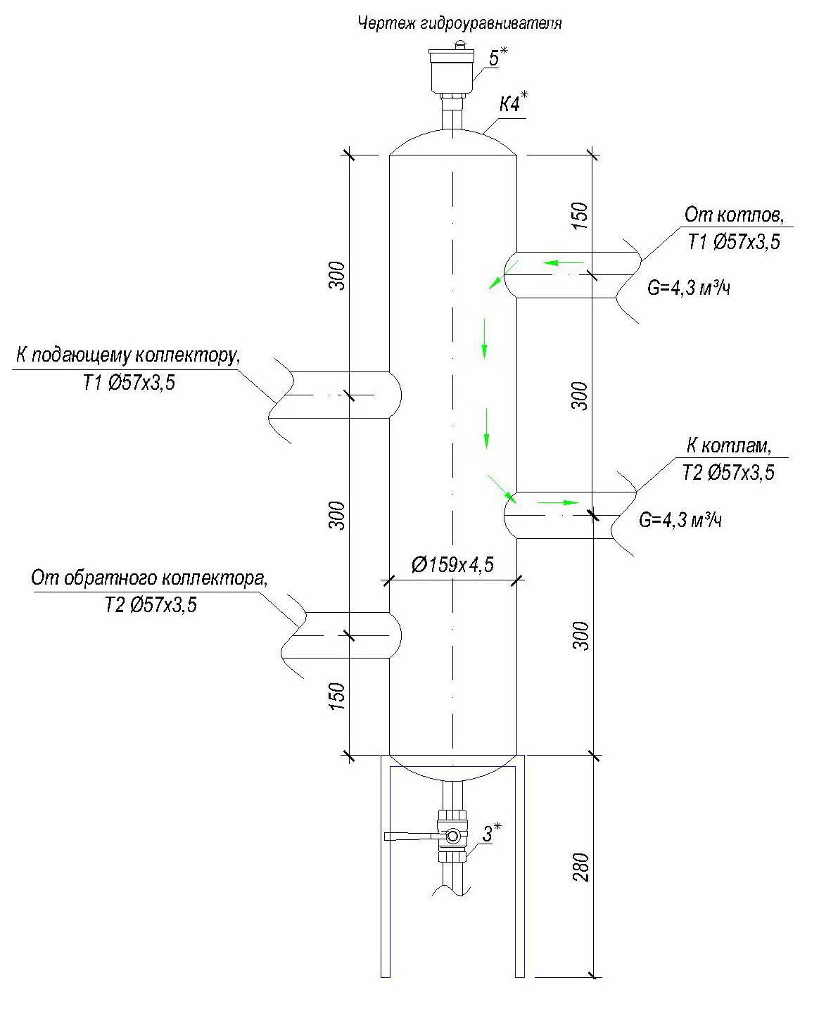
Une flèche hydraulique pour le chauffage se compose d'un corps en bronze ou en acier avec deux tuyaux pour le raccordement au circuit de la chaudière (tuyau d'alimentation + tuyau de retour), ainsi que plusieurs tuyaux (généralement 2) pour le raccordement des circuits consommateurs de chaleur. Un purgeur d'air automatique est monté dans la partie supérieure du séparateur hydraulique via un robinet à boisseau sphérique ou une vanne d'arrêt, et une vanne de drainage (vidange) est installée dans la partie inférieure. Un maillage spécial est souvent installé à l'intérieur du corps des flèches hydrauliques d'usine, ce qui vous permet de diriger de petites bulles d'air dans l'évent.
La conception du modèle Valtec VT. VAR00.
La flèche hydraulique pour le chauffage remplit les fonctions suivantes :
- Maintenir l'équilibre hydraulique du système. L'activation / désactivation de l'un des circuits n'affecte pas les caractéristiques hydrauliques des circuits restants ;
- Assurer la sécurité des échangeurs de chaleur en fonte des chaudières. L'utilisation d'une flèche hydraulique vous permet de protéger les échangeurs de chaleur en fonte des changements brusques de température (par exemple, lors de travaux de réparation, lorsque la pompe de circulation est éteinte ou lorsque la chaudière est allumée pour la première fois). Comme vous le savez, une forte variation de la température du liquide de refroidissement affecte négativement les échangeurs de chaleur en fonte;
- Prise d'air. La flèche hydraulique pour le chauffage remplit les fonctions d'élimination de l'air du système de chauffage. Pour ce faire, dans la partie supérieure de l'appareil se trouve un tuyau de dérivation pour le montage d'un purgeur d'air automatique;
- Remplir ou vidanger le liquide de refroidissement.La plupart des interrupteurs hydrauliques fabriqués en usine et fabriqués par nos soins sont équipés de vannes de vidange à travers lesquelles il est possible de remplir ou de vidanger le liquide de refroidissement du système ;
- Nettoyer le système des impuretés mécaniques. Le faible débit du liquide de refroidissement dans le séparateur hydraulique en fait un dispositif idéal pour collecter les diverses impuretés mécaniques (tartre, calamine, rouille, sable, et autres boues). Les particules solides circulant dans le système de chauffage s'accumulent progressivement dans la partie inférieure de l'appareil, après quoi elles peuvent être évacuées par le robinet de vidange. Certains modèles de flèches hydrauliques peuvent en outre être équipés de pièges magnétiques qui attirent les particules métalliques.
Schéma d'un système de chauffage utilisant un séparateur hydraulique.
Conseils! Il est recommandé d'installer le piège magnétique avant de remplir le système de liquide de refroidissement, sinon, lors de l'installation du piège, il sera nécessaire de vidanger l'eau du séparateur hydraulique.
Flèche hydraulique pour chauffage Gidruss.
Le processus d'élimination des particules mécaniques à travers une vanne de vidange :
- Éteignez la chaudière et les pompes de circulation ;
- Une fois le liquide de refroidissement refroidi, nous bloquons la section de la canalisation où se trouve la vanne de vidange;
- Nous mettons un tuyau d'un diamètre approprié sur le robinet de vidange, ou, si l'espace le permet, nous remplaçons un seau ou tout autre récipient ;
- Nous ouvrons le robinet, vidangons le liquide de refroidissement jusqu'à ce que de l'eau propre coule sans contaminants;
- Nous fermons la vanne de vidange, après quoi nous ouvrons la section bloquée du pipeline;
- Nous souscrivons le système et démarrons l'équipement.
Qu'est-ce qu'un pistolet hydraulique ?
Cet appareil peut ressembler à ceci :
Extérieurement, les flèches hydrauliques peuvent différer de celles présentées sur la photo, mais «l'essence» est la même pour toutes: il s'agit simplement d'un tuyau auquel six buses sont soudées. Un tuyau pour une flèche hydraulique convient non seulement à une section ronde, mais également à une section carrée:
Les conduites d'alimentation et de retour sont connectées aux tuyaux de dérivation "saillant" sur les côtés. Le tuyau de dérivation le plus haut - sur la "couronne" - pour un purgeur d'air automatique. Le plus bas est pour le robinet de vidange, à travers lequel la saleté qui précipite dans le pistolet hydraulique sous forme de sédiments est éliminée.
La disposition de la flèche hydraulique peut être vue dans la figure suivante :
Sur la section, nous voyons qu'il n'y a rien à l'intérieur du pistolet hydraulique - pas de «dispositif». Le robinet inférieur est sur le côté ici, mais du bas, comme sur les deux premières photos, c'est mieux, car avec la position latérale du robinet, la saleté qui se trouve en dessous du robinet restera dans le pistolet hydraulique.
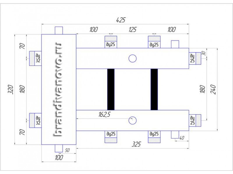
Combinaison d'un collecteur de chauffage avec une flèche hydraulique
Les petites maisons sont chauffées par une chaudière avec une pompe intégrée. Les circuits secondaires sont reliés à la chaudière par une flèche hydraulique. Les circuits indépendants des bâtiments résidentiels de grande surface (à partir de 150 m 2) sont reliés par un peigne, le séparateur hydraulique sera encombrant.
Quels tuyaux pour le chauffage par le sol sont meilleurs et plus pratiques à utiliser. Caractéristiques techniques de chaque type de produits de tuyauterie utilisés pour le chauffage par le sol.
Le collecteur de distribution est monté après le pistolet hydraulique. L'appareil se compose de deux parties indépendantes qui combinent des cavaliers. Selon le nombre de circuits secondaires, les dérivations sont coupées par paires.
Le peigne de distribution facilite le fonctionnement et la réparation de l'équipement. Les vannes d'arrêt et de contrôle du système d'alimentation en chaleur de la maison sont situées au même endroit. Le diamètre élargi du collecteur assure un débit uniforme entre les circuits individuels.
L'utilisation d'une flèche hydraulique sauvera la chaudière des chocs thermiques
Le séparateur et le collecteur de distribution coplanaire forment le module hydraulique. L'unité compacte est pratique pour les conditions exiguës des petites chaufferies.
Les déclencheurs de montage sont fournis pour attacher avec un astérisque :
- le circuit basse pression du chauffage au sol est connecté par le bas ;
- circuit de radiateur haute pression - d'en haut ;
- échangeur de chaleur - sur le côté, du côté opposé à la flèche hydraulique.
La figure montre une flèche hydraulique avec un collecteur. Le schéma de fabrication prévoit l'installation de vannes d'équilibrage entre les collecteurs aller/retour :
Schéma d'une flèche hydraulique avec un collecteur
Les vannes de régulation fournissent un débit et une pression maximum sur les circuits les plus éloignés du pistolet hydraulique. L'équilibrage réduit les processus d'étranglement inapproprié du débit, vous permet d'atteindre l'alimentation estimée en liquide de refroidissement.
Important! Un système de chauffage autonome désigne des systèmes fonctionnant avec une température ambiante élevée sous pression (dont une flèche hydraulique pour le chauffage d'une maison particulière). Un spécialiste possédant suffisamment de connaissances en génie thermique, d'expérience et de compétences professionnelles (soudage électrique et au gaz, plomberie, travail avec des outils électriques portatifs) peut fabriquer une flèche chauffante de ses propres mains.
De nombreux sites Internet proposent des instructions étape par étape pour fabriquer une flèche hydraulique pour le chauffage, des vidéos peuvent également aider dans ce processus.
Un spécialiste possédant suffisamment de connaissances en génie thermique, d'expérience et de compétences professionnelles (soudage électrique et au gaz, plomberie, travail avec des outils électriques portatifs) peut fabriquer une flèche hydraulique chauffante de ses propres mains.De nombreux sites Internet proposent des instructions étape par étape pour fabriquer une flèche hydraulique pour le chauffage, des vidéos peuvent également aider dans ce processus.
Dimensions du collecteur de chauffage avec une flèche hydraulique
Les connaissances théoriques aideront à établir des schémas et des dessins d'un interrupteur hydraulique de chauffage, à passer une commande individuelle d'équipement dans une organisation spécialisée et à contrôler le travail d'un entrepreneur. Confier la fabrication des composants critiques du système de chauffage à des non-professionnels est dangereux pour la vie et la santé. Il convient de rappeler que le matériel endommagé du fait de la faute du propriétaire n'est pas soumis à la réparation et au retour sous garantie.
Les fonctions

Pourquoi avons-nous besoin d'un pistolet hydraulique et quelles fonctions remplit-il :
- Le but du séparateur hydraulique est d'effectuer un équilibrage hydrodynamique dans le système de chauffage. C'est un noeud supplémentaire. La flèche hydraulique protège l'échangeur de chaleur de la chaudière, réalisé en fonte, des risques de chocs thermiques.De plus, cet équipement préserve votre système des dommages en cas d'arrêt automatique des services d'eau chaude, plancher chauffant... Ce dispositif doit être installé lors de l'installation du système de chauffage avec des chaudières équipées d'échangeurs de chaleur en fonte.
- L'utilisation d'un séparateur hydraulique est nécessaire lors de l'installation de systèmes de chauffage à plusieurs circuits. Dans ce cas, le dispositif empêche l'influence des circuits de l'un sur l'autre, et assure leur fonctionnement ininterrompu.
- Dans le cas de calculs corrects des dimensions et des caractéristiques du plan hydromécanique, un équipement de ce type est capable d'effectuer l'option d'un puisard, éliminant les formations de nature mécanique de la cavité de refroidissement, représentées par la rouille, le tartre et les boues.
- Outre tout ce qui précède, une autre fonction de cet appareil est l'élimination de l'air du liquide de refroidissement, ce qui empêche considérablement le processus d'oxydation.
Pourquoi avons-nous besoin d'une flèche hydraulique: principe de fonctionnement, objectif et calculs
De nombreux systèmes de chauffage dans les ménages privés sont déséquilibrés. La flèche hydraulique permet de séparer le circuit du groupe de chauffage et le circuit secondaire du système de chauffage. Cela améliore la qualité et la fiabilité du système.
Caractéristiques de l'appareil
Lors du choix d'une flèche hydraulique, vous devez étudier attentivement le principe de fonctionnement, le but et les calculs, ainsi que découvrir les avantages de l'appareil:
- le séparateur est nécessaire pour s'assurer que les spécifications techniques sont respectées ;
- l'appareil maintient la température et l'équilibre hydraulique ;
- la connexion parallèle fournit des pertes minimales d'énergie thermique, de productivité et de pression ;
- protège la chaudière des chocs thermiques et égalise également la circulation dans les circuits;
- vous permet d'économiser du carburant et de l'électricité;
- un volume d'eau constant est maintenu;
- réduit la résistance hydraulique.

Fonctionnement de l'appareil avec un mélangeur à quatre voies
Les caractéristiques du fonctionnement de la flèche hydraulique vous permettent de normaliser les processus hydrodynamiques dans le système.
Informations utiles! L'élimination rapide des impuretés vous permet de prolonger la durée de vie des compteurs, des réchauffeurs et des vannes.
Dispositif de flèche hydraulique chauffant
Avant d'acheter une flèche hydraulique pour le chauffage, vous devez comprendre la structure de la structure.

La structure interne de l'équipement moderne
Le séparateur hydraulique est un récipient vertical constitué de tuyaux de grand diamètre avec des embouts spéciaux. Les dimensions de la structure dépendent de la longueur et du volume des circuits, ainsi que de la puissance. Dans ce cas, le boîtier métallique est monté sur des supports et les produits de petite taille sont montés sur des supports.
La connexion à la canalisation de chauffage est réalisée à l'aide de filetages et de brides. L'acier inoxydable, le cuivre ou le polypropylène sont utilisés comme matériau pour le pistolet hydraulique. Dans ce cas, la carrosserie est traitée avec un agent anti-corrosion.
Noter! Les produits polymères sont utilisés dans un système avec une chaudière de 14 à 35 kW. Fabriquer un tel appareil de vos propres mains nécessite des compétences professionnelles.

Caractéristiques supplémentaires de l'équipement
Le principe de fonctionnement, le but et les calculs de la flèche hydraulique peuvent être appris et effectués indépendamment. Les nouveaux modèles ont les fonctions d'un séparateur, d'un séparateur et d'un régulateur de température. La vanne thermostatique assure un gradient de température pour les circuits secondaires. L'élimination de l'oxygène du liquide de refroidissement réduit le risque d'érosion des surfaces internes de l'équipement. L'élimination des particules en excès augmente la durée de vie de la roue.
À l'intérieur de l'appareil, des cloisons perforées divisent le volume interne en deux. Cela ne crée pas de résistance supplémentaire.

Le schéma montre l'appareil dans la section
Informations utiles! Un équipement complexe nécessite un capteur de température, un manomètre et une ligne pour alimenter le système.
Le principe de fonctionnement de la flèche hydraulique dans les systèmes de chauffage
Le choix d'une flèche hydraulique dépend du mode de vitesse du liquide de refroidissement. Dans ce cas, la zone tampon sépare le circuit de chauffage et la chaudière de chauffage.
Il existe les schémas suivants pour connecter un pistolet hydraulique:
schéma de fonctionnement neutre, dans lequel tous les paramètres correspondent aux valeurs calculées. Dans le même temps, la conception a une puissance totale suffisante;

Utilisation du circuit plancher chauffant
un certain schéma est appliqué si la chaudière n'a pas une puissance suffisante. En cas de manque de débit, l'adjonction d'un liquide de refroidissement refroidi est nécessaire. Lorsque la différence de température a déclenché des capteurs thermiques ;

Schéma du système de chauffage
le volume de débit dans le circuit primaire est supérieur à la consommation du fluide caloporteur dans le circuit secondaire. Dans ce cas, l'unité de chauffage fonctionne en mode optimal. Lorsque les pompes du deuxième circuit sont arrêtées, le liquide de refroidissement passe par l'interrupteur hydraulique le long du premier circuit.
Possibilité d'utiliser un pistolet hydraulique
Le rendement de la pompe de circulation doit être supérieur de 10 % à la pression des pompes du circuit secondaire.

Caractéristiques du système
Ce tableau montre quelques modèles et leur coût.
Flèche hydraulique dans le système de chauffage d'une maison privée et son installation étape par étape de vos propres mains
Pour la fabrication de flèches hydrauliques, vous pouvez utiliser un tuyau ou un conteneur en métal. Cela réduira les coûts, surtout si vous pouvez effectuer vous-même les travaux de soudage (semi-automatiquement). Vous pouvez également contacter un spécialiste expérimenté. Après avoir fabriqué le pistolet à eau, il doit être isolé.
Étape 1. Nous prenons les outils et les pièces de rechange nécessaires
Tu auras besoin de:
-
Machine à souder (argon);
-
Tuyau profilé du diamètre requis ;
-
Bouchon pour purge d'air ;
-
Bouchon pour la sortie des boues ;
-
Tuyaux de dérivation (au moins 4).
Étape 2. Soudez le haut et le bas
Étant donné que le pistolet hydraulique est fabriqué à partir d'un tuyau ou d'un réservoir, les tuyaux et le fond doivent être soudés des deux côtés avec une soudure à l'argon
Il est important de considérer que la qualité du travail doit être à un niveau élevé. Il est également conseillé d'utiliser un dessin, bien que réalisé à la main, mais indiquant les paramètres requis.
Étape 3. Nous divisons la capacité du séparateur hydraulique
La capacité de la flèche hydraulique doit être divisée en plusieurs composants :
-
Du bas vers les buses inférieures, la distance doit être de 10 à 20 cm, c'est ici que la rouille, le tartre, le sable et d'autres débris s'accumuleront.
-
La distance entre le haut de l'appareil et la buse supérieure doit être d'environ 10 cm.
Les connexions supérieures d'entrée et de sortie doivent être à une distance régulée par le gradient de température. Ils peuvent être à la fois au même niveau et avec un décalage. Plus le tuyau de sortie est haut, plus la température de fonctionnement est élevée.
Si le tuyau de sortie est situé sous le tuyau d'entrée, le flux chaud y pénétrera une fois que tout le volume aura été complètement chauffé. Avec cet agencement, un système de chauffage en douceur sera obtenu. Si les buses supérieures sont situées sur le même axe, cela conduira à la formation d'un flux direct avec une mauvaise séparation de l'air, ce qui peut entraîner des poches d'air.
Il est important de faire attention à l'emplacement du tuyau d'admission supérieur. Il ne doit pas être au point le plus élevé, car cela élimine le mouvement du flux chaud. Ainsi, il n'y aura pas de mélange d'eau froide et d'eau chaude, ce qui rendra inutile l'installation d'un pistolet à eau.
Ainsi, il n'y aura pas de mélange d'eau froide et d'eau chaude, ce qui rendra inutile l'installation d'un pistolet à eau.
Étape 4. Vérification de l'appareil
Le contrôle de l'appareil est effectué après l'achèvement des travaux de soudage. Pour vérifier, tous les trous sont hermétiquement fermés, sauf un, par lequel l'eau est aspirée dans le pistolet hydraulique. Après le remplissage, le dernier trou est également scellé hermétiquement et la flèche hydraulique est laissée pendant une journée. Cette méthode vous permet de détecter l'absence de fuites.
Lisez le matériel sur le sujet: Comment choisir les accessoires pour les tuyaux
Hydrogun et son but
Il est facile d'assembler une flèche hydraulique pour se chauffer à l'aide d'une machine à souder et de sections de tuyau de la longueur requise. Pour ce faire, vous devez trouver un dessin approprié et sélectionner des matériaux.
Nous avons examiné le principe de fonctionnement de la flèche hydraulique de chauffage - elle répartit simplement le liquide de refroidissement sur plusieurs circuits. Sa tâche principale est de créer des conditions idéales pour le fonctionnement des circuits secondaires et primaires. Le circuit primaire comprend une chaudière de chauffage avec des tuyaux reliés à un interrupteur hydraulique. Les circuits secondaires sont tout le reste. Avec une pression égale dans tout le circuit, la chaudière fonctionne en mode économe - une partie du liquide de refroidissement chauffé pénètre dans le tuyau de retour, ce qui réduit la charge sur la source de chaleur.
S'il y a une chaudière de faible puissance dans le système et que le chauffage a une capacité élevée, des conditions sont créées pour fournir le liquide de refroidissement du tuyau de retour au tuyau d'alimentation, en contournant la chaudière (partiellement). Dans ce cas, l'équipement est pratiquement usé - les échangeurs de chaleur peuvent devenir inutilisables dans les plus brefs délais.
Répartition uniforme de la chaleur
Un chauffage idéalement équilibré signifie une température uniforme dans toute la maison, une pression égale dans les circuits secondaires et une charge équilibrée sur la chaudière. Dans ce cas, la tâche de la flèche hydraulique est simple - elle «distribue» le liquide de refroidissement dans plusieurs circuits, chacun ayant une pompe de circulation. En ajustant ses performances et l'alimentation en liquide de refroidissement, vous pouvez obtenir une température uniforme dans toute la maison.
Le plus important est que grâce à cette distribution, il n'y aura plus de circuits froids dans la maison, puisque le liquide de refroidissement s'écoulera dans chaque tuyau, et pas seulement là où c'est le plus facile.
Le principe de fonctionnement du pistolet hydraulique
Équilibrage de pression
Un déséquilibre du système de chauffage peut affecter la stabilité de son fonctionnement. Un circuit long nécessite une pression, un circuit court en nécessite une autre. Il en va de même pour le chauffage au sol et les chaudières. Si le système avait une grande pompe pour tous les circuits à la fois, il y aurait des surcharges à certains endroits - cela pourrait casser des tuyaux ou un échangeur de chaleur dans un chauffe-eau à accumulation. Le pistolet hydraulique répartira la pression et vous permettra de bien équilibrer tous les circuits.
Travailler avec plusieurs chaudières
Il existe des systèmes de chauffage à deux voire trois chaudières (parfois plus). De telles solutions vous permettent de chauffer une surface assez grande ou d'utiliser l'une des chaudières comme réserve. Si l'équipement n'est pas utilisé en série, mais en parallèle, cela se fait par une flèche hydraulique. En même temps, cela aide à neutraliser l'influence mutuelle des circuits secondaires les uns sur les autres.
La flèche hydraulique vous permet d'atteindre l'équilibre dans les systèmes de chauffage de toute complexité. Deux ou trois chaudières, cinq ou sept circuits - le degré peut être différent.Il révèle également le potentiel d'expansion du système. Par exemple, à l'avenir, une autre chaudière, un sèche-serviettes chauffant, une cuisine d'été avec un circuit de chauffage séparé pourront être connectés ici. Tous ces travaux peuvent être réalisés même en déplacement, sans arrêter l'équipement de la chaudière tout en maintenant le chauffage du bâtiment.
Installation d'une flèche hydraulique dans un système de chauffage : 5 règles générales
Peu importe comment le pistolet hydraulique sera fixé - il peut être fixé à la fois verticalement et horizontalement. L'angle d'inclinaison n'est pas non plus important.
Seule la direction des tuyaux d'extrémité doit être prise en compte. Le fonctionnement de la bouche d'aération et la possibilité de nettoyage des boues dépendent de leur emplacement.
La flèche hydraulique est montée immédiatement après les vannes d'arrêt de la chaudière.
L'emplacement d'installation est choisi en fonction du schéma du système de chauffage. Cependant, il est important de se rappeler que le collecteur à faible perte doit être installé le plus près possible de la chaudière. Pour un circuit collecteur, une flèche hydraulique est installée devant la chaudière.
S'il est nécessaire de connecter une pompe supplémentaire, la flèche hydraulique est installée entre la pompe et le tuyau de sortie menant à l'appareil de chauffage.
Lors de l'utilisation d'une chaudière à combustible solide, la flèche hydraulique est connectée à la sortie-entrée. Cette méthode aide à choisir la température optimale et individuelle pour chaque composant du système.
Comment calculer la flèche hydraulique du système de chauffage à l'aide de la formule
Une flèche hydraulique pour tout système de chauffage est sélectionnée ou fabriquée en tenant compte de deux paramètres:
-
Le nombre de buses (calculé en fonction du nombre de circuits) ;
-
Le diamètre (ou la surface) de la section transversale du corps.
Le nombre de buses est assez simple à calculer, mais pour déterminer le diamètre, vous devez calculer en calculant la surface de la section.La formule à cet effet ressemble à ceci:
S = G / 3600 ʋ, où :
S est la section transversale du tuyau, m2;
G est le débit de liquide de refroidissement, m3/h ;
ʋ est la vitesse d'écoulement, supposée égale à 0,1 m/s.
Un débit de fluide caloporteur aussi faible s'explique par la nécessité de prévoir une zone de pression nulle. Plus la vitesse augmente, plus la pression augmente.
Le débit du caloporteur peut être déterminé en fonction de la consommation requise de la puissance calorifique du système de chauffage. Si vous envisagez d'utiliser un élément de section circulaire, il ne sera pas difficile de calculer le diamètre de la flèche hydraulique. Pour ce faire, vous devez prendre la formule de l'aire d'un cercle et déterminer la taille du tuyau:
D = √4S/ π
Si vous décidez d'assembler vous-même la flèche hydraulique, vous devez faire attention à l'emplacement des buses dessus. Afin de ne pas les disposer au hasard, vous devez calculer la distance entre les raccordements, en fonction du diamètre des tuyaux à monter
Pour ce faire, vous pouvez utiliser l'une des méthodes suivantes :
-
Méthode des trois diamètres ;
-
La méthode des buses alternées.
Qu'est-ce qu'une flèche hydraulique (séparateur hydraulique) dans un système de chauffage

Le nom correct de cet appareil est une flèche hydraulique ou un séparateur hydraulique.
C'est un morceau de tuyau rond ou carré avec des buses soudées. Normalement il n'y a rien à l'intérieur. Dans certains cas, il peut y avoir deux grilles. L'un (ci-dessus) pour une meilleure « évacuation » des bulles d'air, le second (ci-dessous) pour filtrer les contaminants.
Exemples de pistolets à eau industriels
Dans le système de chauffage, la flèche hydraulique est placée entre la chaudière et les consommateurs - circuits de chauffage. Peut être positionné aussi bien horizontalement que verticalement. Le plus souvent placé à la verticale.Avec cette disposition, un purgeur d'air automatique est placé en partie supérieure, et un robinet d'arrêt est placé en dessous. Une partie de l'eau avec la saleté accumulée est périodiquement évacuée par le robinet.

Où est placé le séparateur hydraulique dans le système de chauffage
C'est-à-dire qu'il s'avère qu'un séparateur hydraulique placé verticalement, simultanément aux fonctions principales, élimine l'air et permet d'éliminer les boues.
But et principe de fonctionnement
Un pistolet hydraulique est nécessaire pour les systèmes ramifiés dans lesquels plusieurs pompes sont installées. Il fournit le débit de liquide de refroidissement requis pour toutes les pompes, quelles que soient leurs performances. C'est-à-dire qu'il sert au découplage hydraulique des pompes du système de chauffage. Par conséquent, ce dispositif est également appelé séparateur hydraulique ou séparateur hydraulique.
Représentation schématique de la flèche hydraulique et de sa place dans le système de chauffage
Une flèche hydraulique est installée si l'installation comporte plusieurs pompes : une sur le circuit chaudière, les autres sur les circuits de chauffage (radiateurs, plancher chauffant à eau, chaudière à chauffage indirect). Pour un fonctionnement correct, leurs performances sont sélectionnées de manière à ce que la pompe de la chaudière puisse pomper un peu plus de liquide de refroidissement (10-20%) que nécessaire pour le reste du système.
Modes de fonctionnement
Théoriquement, il existe trois modes de fonctionnement du système de chauffage avec une flèche hydraulique. Ils sont présentés dans la figure ci-dessous.
La première est lorsque la pompe de la chaudière pompe exactement la même quantité de liquide de refroidissement que l'ensemble du système de chauffage nécessite.
Modes de fonctionnement possibles du système de chauffage avec un séparateur hydraulique
Le deuxième mode de fonctionnement de la flèche hydraulique est lorsque le débit des circuits de chauffage est supérieur à la puissance de la pompe de la chaudière (chiffre du milieu). Cette situation est dangereuse pour le système et ne devrait pas être autorisée.C'est possible si la pompe de la chaudière a une capacité trop faible. Dans ce cas, pour assurer le débit requis, le fluide caloporteur du retour sera fourni aux circuits avec le liquide de refroidissement réchauffé de la chaudière. Ce mode de fonctionnement n'est pas normal et la chaudière tombera rapidement en panne.
Le troisième mode de fonctionnement est lorsque la pompe de la chaudière fournit plus de liquide de refroidissement chauffé que les circuits de chauffage n'en ont besoin (figure de droite). Dans ce cas, une partie du liquide de refroidissement chauffé est renvoyée à la chaudière. En conséquence, la température du liquide de refroidissement entrant augmente, il fonctionne en mode économe. C'est le mode de fonctionnement normal du système de chauffage avec une flèche hydraulique.
Lorsqu'un pistolet hydraulique est nécessaire
Une flèche hydraulique pour le chauffage est nécessaire à 100% si le système comporte plusieurs chaudières fonctionnant en cascade. De plus, ils doivent travailler simultanément (au moins la plupart du temps). Ici, pour un bon fonctionnement, un séparateur hydraulique est la meilleure solution.
En présence de deux chaudières fonctionnant simultanément (en cascade), une flèche hydraulique est la meilleure option
Une autre flèche hydraulique pour le chauffage peut être utile pour les chaudières avec un échangeur de chaleur en fonte. Dans le réservoir du séparateur hydraulique, il y a un mélange constant d'eau chaude et froide. Cela réduit le delta de température à la sortie et à l'entrée de la chaudière. Pour un échangeur de chaleur en fonte, c'est une aubaine. Mais un by-pass avec une vanne réglable à trois voies fera face à la même tâche et coûtera beaucoup moins cher. Ainsi, même pour les chaudières en fonte dans les petits systèmes de chauffage, avec approximativement le même débit, il est tout à fait possible de se passer de connecter une flèche hydraulique.
Quand puis-je mettre
S'il n'y a qu'une seule pompe dans le système de chauffage - sur la chaudière, la flèche hydraulique n'est pas du tout nécessaire.
L'installation d'un pistolet hydraulique se justifie dans les conditions suivantes :
- Il y a trois circuits ou plus, tous de capacités très différentes (différent volume du circuit, différentes températures sont requises). Dans ce cas, même avec une sélection parfaitement précise des pompes et un calcul des paramètres, il existe une possibilité de fonctionnement instable du système. Par exemple, une situation se produit souvent lorsque, lorsque la pompe de chauffage au sol est allumée, les radiateurs gèlent. Dans ce cas, un découplage hydraulique des pompes est nécessaire et donc une flèche hydraulique est installée.
- En plus des radiateurs, il y a un plancher chauffé à l'eau qui chauffe de grandes surfaces. Oui, il peut être connecté via un collecteur et une unité de mélange, mais il peut faire fonctionner la pompe de la chaudière en mode extrême. Si vos pompes à chaleur brûlent souvent, vous devrez probablement installer un pistolet hydraulique.
- Dans un système de moyen ou grand volume (avec deux pompes ou plus), vous allez installer un équipement de contrôle automatique - en fonction de la température du liquide de refroidissement ou de la température de l'air. En même temps, vous ne voulez pas/ne pouvez pas régler le système manuellement (avec des robinets).
Un exemple de système de chauffage avec une flèche hydraulique
Comment fonctionne un pistolet hydraulique dans différents cas
Le principe de fonctionnement du pistolet hydraulique diffère selon le but de son utilisation et le type de systèmes dans lesquels il est installé.
Chauffage avec mitigeur 4 voies
Pour décrire le schéma de fonctionnement du chauffage avec un mélangeur à 4 voies, vous devez d'abord imaginer un carré, de chaque côté duquel se trouvent des trous de largeur égale. De tous ces compartiments coule soit de l'eau froide soit de l'eau chaude.
Il n'y a que 3 modes dans le système : entièrement ouvert, entièrement fermé et intermédiaire.Commençons l'analyse par une analyse complètement fermée.

Comme nous le savons, des flux d'air chaud ou d'eau chaude sortent directement de la chaudière et des flux froids sortent du système de chauffage (l'eau a quitté la chaudière, a fait un cercle et s'est refroidie).
Si tout le système est fermé, c'est-à-dire ne fonctionne pas, l'eau chaude déborde constamment à travers le séparateur hydraulique, sans sortir nulle part, coulant constamment dans un cercle et retournant à la chaudière.
La même situation se produit avec un courant d'eau ou d'air froid, qui n'est pas réchauffé, restant froid jusqu'à son ouverture. Ces liquides ne se mélangent pas et ne se transfèrent pas de chaleur, circulant strictement le long de leur contour.
En mode intermédiaire, ces liquides commencent à se mélanger. Dans le même temps, la température est souvent légèrement supérieure à la moyenne, car toute la vapeur accumulée pendant la période de régime fermé va à l'extérieur et commence à réchauffer les flux froids. Ainsi, les sols sont généralement chauffés pour que les jambes ne brûlent pas.
En mode ouvert, les canaux d'eau chaude et froide ne se croisent plus, mais compensent les pertes les uns des autres. Qu'est-ce que ça veut dire. Imaginez à nouveau un carré. Des courants d'air chaud ou d'eau sortent d'une extrémité et pénètrent dans le système de chauffage, tandis que le liquide froid, qui le quitte, se déplace vers les côtés de la chaudière, où il se réchauffe. Et un tel processus de remplissage constant d'eau chaude avec de l'eau froide et vice versa est presque une machine à mouvement perpétuel, si vous ne tenez pas compte du fait que la chaleur a irrémédiablement disparu.
Pour un fonctionnement neutre
Le mode de fonctionnement idéal du séparateur hydraulique est le moment où la quantité d'eau chaude et d'eau froide est approximativement la même et ne nécessite pas de régulation.
Cela se produit généralement lorsque la chaudière fonctionne constamment et sans interruption - très rarement, car il y a toujours une erreur.
La chaudière n'a pas assez de puissance
Sur la base de ce problème, ils ont mis un capteur de température ou, dans notre cas, une flèche hydraulique. Après avoir reçu un signal du capteur de température intégré, le séparateur hydraulique passe à différents modes : ouvert ou fermé.
Attention! Cela garantit la sécurité de la chaudière, qui peut simplement se fissurer du jour au lendemain en raison des fluctuations de température et de pression. En distillant de l'eau, en refroidissant ou en réchauffant, la flèche hydraulique aide la chaudière à faire face à l'équilibrage de la thermodynamique afin de continuer à fonctionner.
Le débit sur le circuit primaire est supérieur au débit de liquide de refroidissement
Comme mentionné ci-dessus, si le flux chaud est trop chaud pour entrer dans la chaudière, il pénètre dans le système par la flèche hydraulique, ce qui garantit la séparation du flux en deux parties, la seconde se refroidit et entre dans le système de chauffage avec le froid de l'eau ou de la vapeur, et la partie chaude sera fortement réduite et ne constituera plus une menace pour une chaudière déjà chaude.
Schémas de fabrication
Les pistolets hydrauliques de fabrication industrielle ne sont pas bon marché et beaucoup les fabriquent de leurs propres mains. Dans ce cas, vous devez effectuer des calculs préliminaires. Les principales dimensions de conception sont indiquées dans la figure ci-dessous.

Comme on peut le voir sur la figure, le diamètre de la flèche hydraulique elle-même est pris égal à trois diamètres des tuyaux d'entrée, de sorte que les calculs sont principalement réduits à la détermination du diamètre de la flèche hydraulique.
La figure montre deux options pour les pistolets hydrauliques. Le but de la deuxième option est meilleur que le premier en ce sens que l'eau, lorsqu'elle traverse la canalisation d'alimentation, est débarrassée des bulles d'air, et lorsqu'elle revient, elle se débarrasse mieux des boues.
Le calcul se réduit principalement à déterminer le diamètre de la flèche hydraulique :

- D est le diamètre de la flèche hydraulique en mm ;
- d est le diamètre de l'entrée en mm, généralement pris égal à D/3 ;
- 1000 - compteurs de facteur de conversion en mm;
- P - puissance de la chaudière en kJ ;
- π est le nombre pi = 3,14 ;
- C - capacité calorifique du liquide de refroidissement (eau - 4,183 kJ / kg C °);
- W - la vitesse verticale maximale du mouvement de l'eau dans la flèche hydraulique, m / s, généralement prise égale à 0,1 m / s;
- ΔT est la différence de température du caloporteur à l'entrée et à la sortie de la chaudière, С°.
Vous pouvez également calculer en utilisant la formule suivante :
où:
- Q est le débit de liquide de refroidissement, m³/s ;
- V est la vitesse de déplacement de l'eau dans la flèche hydraulique, m/s ;
De plus, pour calculer le diamètre de la flèche hydraulique, il existe une telle formule:

où:
- G - consommation, m³ / heure;
- W est la vitesse du mouvement de l'eau, m/s ;
La hauteur de la flèche hydraulique peut être quelconque et n'est limitée que par la hauteur du plafond de la pièce.
Si vous agrandissez suffisamment le diamètre de la flèche hydraulique, vous pouvez obtenir deux en un: une flèche hydraulique et un accumulateur de chaleur, appelé séparateur capacitif.
Comme on peut le voir sur la figure, ce type de flèche hydraulique a un grand volume, environ 300 litres ou plus, par conséquent, en plus de remplir sa tâche principale, il est également capable d'accumuler de la chaleur. L'utilisation d'une flèche hydraulique de ce type est particulièrement justifiée lors du chauffage avec une chaudière à combustible solide, car elle est capable de lisser les fluctuations de température de la chaudière de chauffage et de stocker l'énergie thermique de la chaudière après la fin de la combustion pendant un certain temps. longue durée.
Vous devez connaître certaines des nuances lors de l'utilisation de ce type de pistolet hydraulique:
- Premièrement, une telle flèche hydraulique doit être isolée, car sinon elle chauffera la chaufferie et ne dégagera pas de chaleur vers le système de chauffage.
- La chaudière produira moins d'électricité.Cela est dû au fait qu'une température élevée du liquide de refroidissement est requise et qu'un équipement automatique est installé sur les chaudières, ce qui réduira automatiquement sa puissance pour réduire la température de sortie.





































