- Caractéristiques de l'installation d'un dispositif de verrouillage
- Comment la soupape à vide est-elle disposée ?
- Types de vannes et principe de fonctionnement
- Pivot
- Soupape de levage pour les égouts
- robinet à tournant sphérique
- Type de plaquette
- Qu'est-ce qu'un clapet anti-retour pour les égouts 110 mm et une taille différente
- Types de volets secs
- Quand est la seule solution pour installer une vanne à vide ?
- Avantages et inconvénients de l'élément d'égout
- Comment fonctionne une soupape à vide et comment est-elle disposée ?
- Types de dispositifs de verrouillage arrière
- Appareil et caractéristiques de travail
- Types de clapets anti-retour et principe de leur fonctionnement
- Pivot (pétale)
- Soulevez le clapet anti-retour pour les égouts
- Clapet anti-retour à bille
- Type de plaquette
- Matériaux, marquages, dimensions
- Ce qui est indiqué sur l'étiquette
- Dimensions des clapets anti-retour pour l'eau
- Comment vérifier
- Quelle vanne acheter ?
Caractéristiques de l'installation d'un dispositif de verrouillage
La meilleure option pour installer une vanne d'arrêt est de réparer un appartement ou de construire une maison. C'est à ce stade qu'il est le plus facile de concevoir son emplacement et de calculer la longueur de tuyau requise. Dans ce cas, le dispositif de verrouillage sera monté lors de l'assemblage de l'ensemble du système d'égouts.
Les clapets anti-retour en plastique pour l'aménagement des réseaux d'égouts internes sont fabriqués avec des éléments façonnés qui facilitent l'installation et décorent les lieux de passage à travers les structures de construction
Le plus souvent, il arrive que personne ne prévoie de faire des réparations, mais la vanne doit être installée. Ensuite, vous devez choisir cet appareil en fonction des réalités de votre réseau d'égouts. Si la vanne d'arrêt a déjà été sélectionnée et achetée, vous pouvez régler le problème de son installation.
Il y a 2 options :
- faites tout vous-même;
- appeler un plombier.
Selon le matériau des tuyaux de l'appartement / de la maison, les méthodes d'installation et la liste des travaux nécessaires à cet effet seront différentes. Le prix du problème sera également différent - pour les raccords en fonte, retirer une pièce pour installer une vanne d'arrêt à cet endroit coûte beaucoup plus cher qu'un travail similaire avec des matériaux plastiques.
Lorsque l'option avec l'invitation du maître est choisie, seuls des fonds seront nécessaires pour payer ses services. Il est également conseillé de contrôler les travaux et de vérifier la qualité de l'installation afin qu'il n'y ait pas de problèmes par la suite. Il est préférable de contacter un plombier desservant la maison / affecté à un certain territoire.
Le clapet anti-retour est relié à la canalisation d'égout en plastique à l'aide d'un élément de raccordement conçu pour dépasser la pression standard dans le réseau. Il ne permet pas les fuites.
Si vous décidez de tout faire vous-même, vous devez d'abord examiner la théorie de l'installation ou lire une brève instruction sur l'installation d'un clapet anti-retour sur le système d'égout.
Tout d'abord, vous devrez vérifier l'appareil acheté en action avant de l'installer. Pour ce faire, vous pouvez utiliser, par exemple, un jet d'eau d'un robinet.Après avoir testé les performances de la vanne et vous être assuré qu'elle laisse passer l'eau dans une seule direction, vous pouvez passer à l'étape suivante.
La deuxième étape consiste à mesurer la longueur du dispositif d'inversion et à marquer le lieu de son installation en tenant compte de ces dimensions.
Il est important ici qu'il y ait un accès libre à la vanne - périodiquement, il sera nécessaire d'effectuer un audit
Lorsque tout est balisé, il est nécessaire de retirer / couper une section du tuyau, à la place de laquelle un dispositif de verrouillage sera mis. Lors de l'installation, vous devez utiliser un joint torique et un scellant ou un ruban adhésif pour assurer une connexion sécurisée et éviter les fuites.
Pour connecter un clapet anti-retour au point de changement de direction de la branche d'égout, des coudes avec joints sont utilisés. Ils vous permettent de créer un angle de flexion optimal et d'assurer une connexion fiable.
De même, vous devez faire avec le reste des vannes d'arrêt, si vous prévoyez d'installer des dispositifs d'arrêt séparés pour chaque appareil de plomberie.
Vous devez positionner correctement la vanne en suivant les instructions fournies avec l'appareil, ou vous pouvez regarder la flèche rouge indiquant le sens de déplacement des eaux usées.
Lorsque tous les joints du tuyau d'égout avec la vanne d'arrêt sont bien isolés, vous devez vérifier le travail effectué en action en ouvrant le robinet ou en vidant l'eau dans le réservoir de vidange. Si rien ne fuit sur le site d'installation, tout est fait avec une haute qualité et vous n'avez pas à vous inquiéter.

L'option avec des dispositifs de blocage séparés sur chaque appareil de plomberie est plus pratique - de cette façon, l'appartement sera protégé de manière plus fiable en cas de blocage des égouts
Lors de l'installation d'une vanne d'arrêt dans un tuyau d'égout commun dans une maison de campagne / un chalet, vous devez également garantir un accès libre à celle-ci, même si elle est située à l'extérieur. La partie extérieure de l'égout, ainsi que l'appareil et les autres accessoires, doivent être équipés d'un câble chauffant ou d'un système d'isolation thermique.
Comment la soupape à vide est-elle disposée ?
Déjà à partir du but de cet appareil, il est clair qu'il doit rester fermé en cas de surpression dans le tuyau d'égout ou lorsqu'il est égal à la pression atmosphérique. Mais si une dépression se produit dans la conduite, le mécanisme de soupape doit assurer l'ouverture du passage pour que l'air puisse entrer de l'extérieur.
Le principe est facilement mis en œuvre avec "l'attraction" des forces gravitationnelles ordinaires. Le schéma ci-dessous montre le dispositif d'un des modèles d'aérateurs. Malgré la différence possible dans la conception des vannes de différents fabricants, le principe reste pratiquement le même.
Un exemple d'appareil et une démonstration du principe de fonctionnement d'une soupape à vide pour les égouts.
L'ensemble du mécanisme de valve est assemblé dans un boîtier en polymère (item 1). En soi, le dispositif n'implique qu'une disposition horizontale, par conséquent, dans sa partie inférieure, l'un ou l'autre dispositif est nécessairement prévu pour un raccordement étanche avec un tuyau d'égout. Dans l'exemple représenté, il s'agit d'une manchette élastique (pos. 2) pour insérer l'aérateur dans une douille ou même juste dans un tuyau coupé. Il peut y avoir un nœud de connexion sous la forme d'une prise standard de tuyaux d'égout ou d'autres options. Mais toujours cette installation est simple, fiable et compréhensible.
L'air peut pénétrer dans l'aérateur par la grille d'admission ou les trous oblongs (item 3).Ils sont situés au bas ou sur le côté de la "tête" de la vanne, mais l'air extérieur poussera presque toujours contre le diaphragme de la vanne par le bas.
C'est très facile à expliquer. L'amortisseur de soupape (pos. 5) est situé dans le siège qui lui est attribué (pos. 4) et s'adapte parfaitement à ses bords avec un brassard élastique (membrane), ne laissant pas entrer l'air du tuyau dans la pièce. Et l'ajustement est assuré par la gravité banale de cet amortisseur. C'est-à-dire que même si les pressions atmosphériques et établies dans le tuyau (colonne montante) sont égales, la vanne sera fermée. Une surpression supplémentaire dans le tuyau peut y contribuer, car la formation de gaz ne s'arrête presque jamais dans les égouts. C'est-à-dire que l'amortisseur sera ainsi encore plus appuyé contre la selle (sur le schéma, il s'agit du fragment de gauche).
Mais si pour une raison ou une autre, même un léger vide est créé dans le tuyau, la pression atmosphérique l'emportera sur la gravité et soulèvera l'amortisseur au-dessus de la selle. Comme le dit le proverbe, "la nature a horreur du vide", et l'air extérieur s'engouffre dans le tuyau, égalisant la pression et empêchant les siphons de se briser.
Pour éviter que le registre ne se déforme, il peut avoir des guides spéciaux (pos. 6). Cependant, de nombreux modèles s'en passent - le centrage est effectué en raison de la forme cylindrique de l'ensemble de soupape.
Aérateur pour tuyau de 110 mm - modèle à deux têtes de soupape. L'un d'eux a été démonté pour démontrer son appareil simple.
Il est possible, par pure curiosité, de "démonter" plusieurs autres vannes à vide de différents modèles. Mais nous n'y trouverons toujours pas de différences fondamentales.
Les différences dans la conception des différents modèles de vannes sont sans principes.
Soit dit en passant, puisque l'appareil est à l'étude, vous pouvez immédiatement attirer l'attention des lecteurs sur le «talon d'Achille» de toute valve. Ceci, bien sûr, est la membrane elle-même, plus précisément, cette zone de celle-ci, qui est pressée contre le siège de soupape par gravité
Et ici, nous ne parlons pas d'usure (si c'est le cas, elle est très invisible), mais d'autres obstacles qui peuvent placer le châssis dans un ajustement hermétique :
- Au fil du temps, la poussière peut s'accumuler sur le siège de la soupape ou sur la membrane elle-même, ce qui peut se transformer en mottes de saleté dures qui empêchent la feuille de s'ajuster parfaitement. Souvent, les propriétaires en sont informés par «l'arôme» des égouts apparu dans les locaux. La première chose à faire avec une telle «cloche» est de vérifier la propreté de la membrane et son ajustement, pour nettoyer soigneusement l'ensemble de toute contamination.
- La deuxième conclusion est que la soupape à vide doit être installée uniquement dans une pièce chauffée de la maison. Sinon, avec l'arrivée du froid, des gouttes de condensat peuvent geler sur le siège ou sur la membrane et le mécanisme de la vanne ne s'adaptera pas. Et en général, des chutes de température trop importantes ne profitent pas à la membrane en caoutchouc - elle commence à «tanner» au froid, perdant l'élasticité nécessaire.
Sinon, le mécanisme est tout à fait simple et il est difficile de trouver des circonstances qui conduiraient à une panne de la soupape à vide.
Types de vannes et principe de fonctionnement
Il existe plusieurs variétés de clapets anti-retour d'égout pour 110 et 50 millimètres, dont la portée diffère. En conséquence, tous les types de mécanismes ont une conception et un principe de fonctionnement différents d'un élément.
Lorsque des déchets liquides arrivent, le registre monte automatiquement, après quoi il revient à sa position d'origine. C'est selon le mécanisme de fonctionnement de l'amortisseur que les modèles de clapets anti-retour d'égout sont classés.
Pivot
Ce type de vannes d'égout a une membrane à ressort (on l'appelle une plaque en raison de sa forme ronde). Dans le cas où les eaux usées se déplacent dans la bonne direction, la plaque tourne et monte sans gêner le mouvement des liquides.
Cependant, avec la direction opposée des drains, la membrane à ressort est fermement pressée contre le bord extérieur, ce qui bloque la zone de travail de la canalisation.
Certains modèles ont en outre un registre supplémentaire intégré, qui est contrôlé manuellement. Un mécanisme de verrouillage similaire peut être ajusté à l'aide d'un bouton spécial situé sur l'appareil.
Ainsi, le pipeline a d'abord une section en expansion puis une section en rétrécissement, qui est un endroit possible pour la formation d'un blocage dans le système d'égout. La solution à ce problème est le placement du mécanisme de couvercle en haut du boîtier. Après l'avoir retiré, il est possible de supprimer rapidement et facilement le blocage apparu.
Soupape de levage pour les égouts
Le nom de ce type d'appareil est basé sur le mécanisme de fonctionnement de l'amortisseur. Lorsque les eaux usées se déplacent dans la bonne direction, le registre est en haut.
Principe de fonctionnement: le liquide exerce une pression sur la membrane, ce qui bloque le mouvement des drains, le ressort interne est comprimé, à la suite de quoi l'amortisseur monte. Si les eaux usées ne bougent pas, la source est dans son état normal et le chemin vers les drains est bloqué.
En raison de la forme non linéaire du corps, lorsque le liquide se déplace dans le sens opposé, la vanne ne peut pas être ouverte, ce qui garantit une sécurité totale contre les inondations.
Ce type de clapet anti-retour pour les égouts de 110 ou 50 mm est plus fiable qu'un modèle rotatif (pétale), mais il y a un inconvénient.
Les particularités de la forme sont la raison de la nécessité d'un nettoyage régulier du système, car. il se salit de temps en temps. Pour effectuer cette procédure, vous devrez dévisser les boulons (4 pièces), puis nettoyer soigneusement ou, si nécessaire, remplacer le mécanisme de travail. Si le propriétaire a la possibilité d'effectuer un nettoyage régulier, il est préférable d'acheter une telle variante du clapet anti-retour.
robinet à tournant sphérique
Dans ce type de dispositif, l'élément de verrouillage est une petite bille. La partie supérieure du corps est conçue de telle manière que lors de l'écoulement des eaux usées, la balle pénètre dans un trou séparé et permet au flux de se déplacer.
Lorsqu'il n'y a pas de liquide, la zone de travail du tuyau est bloquée, ce qui empêche le flux de passer dans la mauvaise direction. Cependant, de tels modèles présentent un inconvénient - contrairement au mécanisme de rotation et de levage de cette conception, la boule de soupape ne touche pas complètement le bord de l'appareil.
À la suite d'une fuite, un petit débit d'eaux usées peut se produire. Bien sûr, la probabilité d'inondations graves, comme si le clapet anti-retour d'égout était complètement absent, est minime.
Type de plaquette
Le principal avantage de ce type de mécanisme de verrouillage est sa petite taille, ce qui permet une installation même en l'absence d'espace libre derrière les appareils de plomberie.Extérieurement, l'appareil ressemble à un cylindre miniature avec une vanne papillon spéciale.
Cet élément peut être constitué de 2 composants, qui sont fixés à la tige centrale, ou ressembler en apparence à une petite plaque, qui est fixée au corps à l'aide d'un mécanisme à ressort.
Il est conseillé d'installer une telle option uniquement si d'autres variétés ne peuvent pas être installées. Même en tenant compte de la petite taille, il est toujours souhaitable de privilégier d'autres types d'appareils. Un clapet anti-retour de plaquette de 50 mm est rarement installé sur l'égout, car. appartient à la catégorie des équipements pour l'approvisionnement en eau. Pour les systèmes d'égouts, son efficacité est assez faible.
Un autre inconvénient de cette conception est l'impossibilité de nettoyer rapidement l'appareil. En raison de la nature de la forme, il sera nécessaire de démonter complètement la connexion afin de nettoyer la valve.
Qu'est-ce qu'un clapet anti-retour pour les égouts 110 mm et une taille différente
Un clapet anti-retour est un type de vanne d'arrêt. Il est installé dans la lumière de la canalisation pour bloquer le flux inverse de fluide en cas de colmatage du système. L'appareil est monté au sous-sol sur une section horizontale d'un égout commun à la jonction des tuyaux. Il peut également être installé dans un coude de tuyau à 90º.
Pour une sécurité maximale, un clapet anti-retour d'égout de 50 mm peut également être installé sur les sorties des appareils de plomberie aux premier et deuxième étages d'un immeuble à appartements. Une telle mesure renforcée est justifiée par le fait que les eaux fécales, lors de l'écoulement inverse, ne peuvent remonter qu'au-dessus du premier étage.De plus, la masse accumulée est capable de pousser indépendamment à travers le bouchon formé dans le tuyau.
Un clapet anti-retour peut être installé dans un coude à 90º de la conduite
Pour le secteur privé, le clapet anti-retour est monté avant d'être rejeté dans le puits d'égout (pour chaque maison séparément - à l'intérieur de la fondation). Un tel dispositif est également destiné à un système autonome, où les eaux usées s'accumulent dans une fosse de vidange ou dans une fosse septique. Dans ce cas, vous devriez vous demander comment remplir le couvercle de l'égout de vos propres mains.
Le clapet anti-retour se caractérise par une structure simple, une fiabilité, une efficacité, une durabilité, une installation facile et une maintenance pratique.
Types de volets secs
Les volets secs, comme tous les autres appareils, ont des variétés. Chacun d'eux a ses propres caractéristiques distinctives qui affectent les performances. Considérez les principaux modèles de cet appareil:
Membrane. Un tel appareil est la plus simple et la plus courante de toutes les options. Le processus de travail se déroule grâce à une membrane à ressort, qui s'ouvre sous l'influence d'un écoulement de liquide et l'eau pénètre librement dans le système d'égout. Lorsque le flux est bloqué, la membrane reprend sa position d'origine, résultant en une barrière fiable et étanche.
Flotteur. Ce type de volet est tout à fait capable d'être fabriqué à la maison. Selon les caractéristiques de conception, un tel volet est considéré comme une combinaison de types à eau et à sec. Il comprend une échelle à sortie verticale, équipée d'un robinet à flotteur. Lors de l'assemblage d'un tel appareil à la maison, des balles de tennis d'un diamètre approprié sont utilisées.
Le principe de fonctionnement d'un tel dispositif est assez simple: si le joint hydraulique est rempli d'eau, le robinet à flotteur est en position flottante et n'interfère pas avec la sortie de fluide dans l'égout. Lorsque l'eau quitte la soupape à flotteur s'abaisse et scelle la lumière du tube.

La vanne pendulaire coupe le débit grâce à un clapet qui se déplace sous l'action de l'eau
Pendule sèche. Il est fourni avec une valve, qui a nécessairement un point de fixation. Lorsqu'un flux de fluide frappe la surface de la valve, il dévie de son axe et ouvre le chemin du fluide. Le retour à la position inverse se produit sous l'influence des forces gravitationnelles.
Serrures à mémoire moléculaire. Ces appareils sont considérés comme de haute technologie et leur coût est d'un ordre de grandeur supérieur à celui des autres modèles. Grâce à la mémoire moléculaire du matériau, leurs éléments reviennent toujours à la position souhaitée, scellant la structure.
Quand est la seule solution pour installer une vanne à vide ?
En règle générale, des tuyaux sont utilisés pour connecter les toilettes au système d'égout central, à l'intérieur duquel des gaz sont toujours présents. Dans tous les cas, une grande quantité d'eau froide et chaude est évacuée dans les égouts, tandis que, selon la loi de la physique, la vapeur chaude monte.
Pour résoudre rapidement un tel problème, vous devez serrer immédiatement le bouchon à l'extrémité de la colonne montante. Pour éliminer les odeurs désagréables, vous devez installer des joints d'étanchéité spéciaux. S'il n'y a pas de ventilation sur la colonne montante, en raison du puissant débit d'eau dans le tuyau, un vide est créé lorsque les toilettes sont vidées. À la suite de ce phénomène, le contenu du joint d'eau à proximité est prélevé. Après un certain temps, une odeur désagréable d'égout peut se faire sentir dans la pièce.Pour éviter une telle nuisance, de nombreux experts recommandent d'installer une soupape de vide au point le plus haut de la colonne montante.
Vous pouvez décider d'installer ou non cet élément en prêtant attention aux conseils suivants :
- À l'aide d'une soupape à vide, vous pouvez résoudre efficacement le problème de ventilation de la colonne montante d'égout dans un immeuble de faible hauteur. S'il y a une vidange simultanée de plusieurs cuvettes de toilettes, il est peu probable que l'appareil réponde à l'usage auquel il est destiné;
- vous ne pouvez pas couper indépendamment la colonne montante du ventilateur menant au grenier dans une maison à plusieurs étages afin d'installer une soupape à vide. Dans de telles situations, il est peu probable que les appartements situés aux étages supérieurs souffrent d'odeurs désagréables, mais aux étages inférieurs, il y aura une odeur d'égout claire. D'une manière ou d'une autre, les experts identifieront la cause du problème, qui devra être résolu à leurs frais.
Avantages et inconvénients de l'élément d'égout
Les avantages d'une soupape à vide comprennent :
- pas besoin de faire un trou spécial dans le toit pour retirer la colonne montante. La toiture reste intacte, tandis que le processus d'installation du système d'égouts est grandement simplifié;
- la colonne montante d'égout se termine exactement à l'intérieur du bâtiment, de sorte que l'apparence de la maison ne se détériorera pas en raison de l'installation de nombreux tuyaux pour créer une ventilation, qui n'est pas bon marché;
- il n'est pas nécessaire d'effectuer une maintenance et une réparation périodiques de l'appareil.
Les inconvénients incluent:
- danger de défaillance sous forte charge sur le réseau d'égouts;
- la soupape à vide est assez chère, cela est dû au fait que l'appareil est fabriqué à la main.
Comment fonctionne une soupape à vide et comment est-elle disposée ?
Si une pression normale est observée dans la canalisation d'égout, cet appareil sera fermé. En raison de ce phénomène, une protection contre la pénétration d'odeurs désagréables et de fumées nocives dans la pièce est assurée. Lorsque la pression est relâchée, comme lors de la chasse d'eau des toilettes, la soupape de vide s'ouvre automatiquement, permettant à l'air d'entrer dans le système. Dans le processus, l'égalisation de la pression est effectuée.
Un tel élément pour les eaux usées peut être utilisé pour créer une aération locale. Pour ce faire, la vanne est installée sur les tuyaux des appareils de plomberie dont l'utilisation implique un débit d'eau important.
Pour qu'une telle solution soit la plus efficace possible, vous devez suivre les règles d'installation:
- la vanne doit être installée sur la colonne montante d'égout au-dessus du point d'alimentation de l'appareil de plomberie ;
- l'installation doit être effectuée dans une pièce bien aérée, il peut s'agir d'un grenier, d'un WC ou d'une salle de bain. De plus, l'accès à l'appareil pour l'inspection technique périodique doit être fourni ;
- la soupape à vide ne doit être installée que sur la zone verticale du tuyau.
Ce dispositif d'égout est un raccord simple, vous pouvez donc le fixer à l'aide d'un joint.
L'emballage de l'article comprend les pièces suivantes :
- un boîtier en plastique avec un trou latéral ;
- une tige qui, si nécessaire, est capable d'ouvrir un trou latéral ;
- pour que la tige ne monte pas, un joint en caoutchouc spécial est installé;
- l'ensemble de tige est solidement fermé avec un couvercle de protection relié au corps.
En vente, il existe des vannes à vide d'un diamètre de 50 et 110 mm.La première option peut être installée dans les maisons équipées de pas plus de deux appareils de plomberie ou dans les cas où un petit débit d'eau est fourni.
Types de dispositifs de verrouillage arrière
Sur le site d'installation, tous les clapets anti-retour conçus pour les équipements de pompage sont divisés en deux catégories :
- pour montage sur le tuyau d'aspiration d'une pompe de surface ou via un adaptateur à une pompe submersible ;
- pour l'installation de canalisations.
Les premiers empêchent le mouvement inverse de l'eau et garantissent que le système est constamment rempli, les seconds régulent la pression dans l'alimentation en eau.
Nous recommandons d'installer les deux types de clapets anti-retour, car les fonctions des appareils sont différentes. La valve sur le tuyau d'aspiration protège en outre la pompe du "marche à sec", empêche l'apparition de poches d'air, c'est-à-dire qu'elle est responsable de la santé de la pompe. Même si l'équipement est initialement équipé de l'option de protection contre la "marche à sec", grâce au clapet anti-retour, vous n'aurez pas à faire constamment le plein d'eau.
L'installation d'une telle vanne au point d'aspiration est indispensable. Mais pour stabiliser la pression dans le système, un dispositif similaire est monté devant la station de pompage ou devant le réservoir hydraulique, s'il est situé séparément
Les vannes installées sur le tuyau dans le câblage de la maison empêchent le liquide de retourner à l'extérieur - vers la pompe ou le puits. Ils maintiennent la pression d'eau requise et régulent la pression. La fonction principale des modèles de tuyaux est considérée comme la protection des équipements de pompage et de plomberie contre les surpressions soudaines et les coups de bélier.
Appareil et caractéristiques de travail
Un clapet anti-retour moderne a un corps solide en forme d'hexagone, dont la partie intérieure est divisée en plusieurs compartiments séparés : un compartiment de réception, un étranglement avec une fixation sûre de l'unité d'arrêt et la fonction d'un petite fenêtre d'inspection, ainsi qu'un compartiment de sortie.
La zone de réception est située directement devant le mécanisme de verrouillage qui relie l'entrée au produit avec l'égout. Un limiteur spécial est nécessaire pour la libre circulation du liquide drainé dans une seule direction.
Si l'eau commence à se déplacer dans la direction opposée, l'appareil se ferme instantanément. Le compartiment de sortie est nécessaire pour éliminer rapidement les eaux usées de la section de restriction, il est donc considéré comme un élément de liaison entre le mécanisme et le circuit de sortie.
Le principe de fonctionnement du clapet anti-retour est basé sur l'arrêt de la canalisation à l'aide d'un mécanisme d'obturation. Cela se produit lorsque la libre circulation des effluents le long du circuit s'arrête complètement.
L'appareil égalise la pression dans le système et la constipation, due à la gravité, ferme le pipeline et ferme la vanne.
L'appareil est commandé mécaniquement ou automatiquement. La taille nominale des luminaires fabriqués varie de 50 à 300 mm. En raison des caractéristiques de conception, l'appareil peut être monté à une jonction spécifique de deux tuyaux dans un plan horizontal ou vertical. Et aussi il est connecté à la colonne montante principale ou à chaque drain des mécanismes de plomberie.
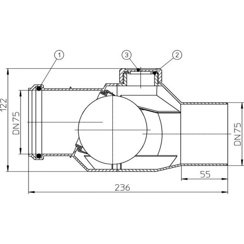
Types de clapets anti-retour et principe de leur fonctionnement
La tâche principale du clapet anti-retour (d'arrêt) est de bloquer le flux allant dans la direction opposée. Pour ce faire, une barrière mobile est placée dans ces dispositifs mécaniques.Le principe de fonctionnement de base est que dans un état calme, l'amortisseur mécanique est abaissé, bloquant la lumière du tuyau d'égout et empêchant le flux inverse de passer. Lorsque des drains apparaissent, il monte (se déplace sur le côté), les drains sortent et se referment. Par le type de cette barrière et le principe de son fonctionnement, cet équipement diffère.
Pivot (pétale)
Dans les vannes d'égout de ce type, une membrane ronde à ressort (plaque) est installée. Si le flux se déplace dans la «bonne» direction, il tourne, la montée n'interfère pas avec les drains. Si le mouvement commence dans l'autre sens, la membrane (plaque) est pressée contre le rebord à l'intérieur de la valve, bloquant étroitement et hermétiquement la lumière du tuyau. Certains modèles ont un obturateur manuel. Il s'agit de la deuxième membrane, qui peut être contrôlée à l'aide d'un bouton monté sur le corps.
En raison de la forme de la membrane, ces vannes d'arrêt sont également appelées vannes à clapet, et parfois vous pouvez entendre le terme «claquer» - c'est à cause de leur mode de fonctionnement - la membrane claque s'il n'y a pas de drain.
La figure montre comment fonctionne le clapet anti-retour pour les égouts.
L'appareil lui-même est plus grand que le tuyau sur lequel il est installé. Ainsi, dans le pipeline, il y a d'abord une expansion, puis un rétrécissement de la lumière, et ce sont des endroits potentiels pour la formation de blocages. Pour pouvoir éliminer rapidement les blocages, un couvercle amovible est réalisé dans la partie supérieure du corps du clapet anti-retour. En le supprimant, le problème peut être rapidement éliminé.
Soulevez le clapet anti-retour pour les égouts
Ce type de dispositif de verrouillage pour canalisation d'égout est ainsi nommé car lorsque les drains passent dans le « bon » sens, l'élément de verrouillage se soulève.Les drains appuient sur la plaque bloquant le passage, comprimant le ressort qui se soulève. Il n'y a pas de drains - le ressort est desserré, le passage est verrouillé. Lorsque les effluents arrivent du "mauvais" côté, il n'y a aucun moyen d'ouvrir le passage. Ceci est réalisé par une forme de coque non linéaire.
Schéma du dispositif de la vanne d'égout de levage
Le clapet anti-retour de levage est plus fiable, mais sa conception est telle qu'il se bouche souvent et nécessite un nettoyage périodique. Pourquoi avez-vous besoin de retirer le couvercle (dévisser quatre boulons), de nettoyer ou de remplacer le mécanisme.
Clapet anti-retour à bille
Une autre option pour un dispositif de verrouillage dans un clapet anti-retour est une bille. Dans ces dispositifs, la structure interne du boîtier joue un rôle important. Sa partie supérieure est conçue de telle manière que lors du passage des drains, la bille roule dans un évidement spécial du corps, ouvrant le passage.
La structure du clapet anti-retour à bille pour les égouts
Lorsqu'il est sec dans la canalisation, il obstrue le tronçon ; lorsque le flux passe en sens inverse, il obstrue la lumière de la canalisation. Le principal inconvénient de cette conception est la fuite des drains lors de l'inondation - la boule et la paroi latérale du corps ne s'adaptent pas toujours parfaitement, ce qui conduit au fait que certains des drains s'infiltrent encore. Mais des inondations massives et un geyser des toilettes ne seront pas sûrs.
Pourquoi avez-vous besoin d'une vanne d'air dans les égouts et comment l'installer, lisez ici.
Type de plaquette
Beaucoup de gens aiment davantage ce type de clapets anti-retour en raison de leur taille miniature. Il s'agit d'un très petit cylindre à l'intérieur duquel un amortisseur rotatif est installé. Il peut être composé de deux parties fixées à la tige centrale ou ressembler à une petite plaque fixée à la paroi du boîtier à un endroit à l'aide d'un ressort.
Clapet anti-retour de type plaquette
Malgré sa compacité, il vaut mieux ne pas installer ce type de clapet anti-retour sur l'égout : c'est du matériel de plomberie et il ne fonctionnera pas bien sur l'égout. Le deuxième inconvénient est l'impossibilité d'un nettoyage rapide - la conception est telle que vous ne pouvez accéder à la vanne qu'en démontant la connexion.
Matériaux, marquages, dimensions
Le clapet anti-retour pour l'eau est en acier inoxydable, en laiton, en fonte de grandes tailles. Pour les réseaux domestiques, ils prennent généralement du laiton - pas trop cher et durable. L'acier inoxydable est certainement meilleur, mais ce n'est généralement pas le corps qui tombe en panne, mais l'élément de verrouillage. C'est son choix et doit être abordé avec prudence.
Pour les systèmes de plomberie en plastique, les clapets anti-retour sont fabriqués à partir du même matériau. Ils sont en polypropylène, plastique (pour HDPE et PVD). Ce dernier peut être soudé/collé ou fileté. Vous pouvez, bien sûr, souder des adaptateurs sur du laiton, mettre une valve en laiton, puis à nouveau un adaptateur de laiton sur PPR ou plastique. Mais un tel nœud est plus cher. Et plus il y a de points de connexion, plus la fiabilité du système est faible.
Pour les systèmes en plastique et en polypropylène, il existe des clapets anti-retour fabriqués dans le même matériau
Le matériau de l'élément de verrouillage est le laiton, l'acier inoxydable ou le plastique. Ici, soit dit en passant, il est difficile de dire lequel est le meilleur. L'acier et le laiton sont plus résistants, mais si un grain de sable s'interpose entre le bord du disque et le corps, la soupape se coince et il n'est pas toujours possible de la remettre en marche. Le plastique s'use plus vite, mais il ne se coince pas. À cet égard, il est plus fiable. Pas étonnant que certains fabricants de stations de pompage installent des clapets anti-retour avec des disques en plastique. Et en règle générale, tout fonctionne pendant 5 à 8 ans sans échec.Ensuite, le clapet anti-retour commence à "empoisonner" et il est changé.
Ce qui est indiqué sur l'étiquette
Quelques mots sur le marquage du clapet anti-retour. Il est dit:
- Type de
- Passe conditionnelle
- Pression nominale
-
GOST selon lequel il est fabriqué. Pour la Russie, il s'agit de GOST 27477-87, mais il n'y a pas que des produits nationaux sur le marché.
La réussite conditionnelle est désignée par DU ou DN. Lors du choix de ce paramètre, il est nécessaire de se concentrer sur d'autres raccords ou sur le diamètre du pipeline. Ils doivent correspondre. Par exemple, vous installerez un clapet anti-retour d'eau après une pompe submersible et un filtre. Les trois composants doivent avoir la même taille nominale. Par exemple, tous doivent être écrits DN 32 ou DN 32.
Quelques mots sur la pression conditionnelle. Il s'agit de la pression dans le système à laquelle les vannes restent opérationnelles. Vous devez le prendre exactement pas moins que votre pression de travail. Dans le cas des appartements - pas moins qu'un test. Selon la norme, il dépasse celui de travail de 50%, et dans des conditions réelles, il peut être beaucoup plus élevé. La pression de votre maison peut être obtenue auprès de la société de gestion ou des plombiers.
À quoi d'autre faire attention
Chaque produit doit être accompagné d'un passeport ou d'une description. Il indique la température de l'environnement de travail. Toutes les vannes ne peuvent pas fonctionner avec de l'eau chaude ou dans un système de chauffage. De plus, il indique dans quelle position ils peuvent travailler. Certains ne doivent se tenir qu'horizontalement, d'autres uniquement verticalement. Il en existe également des universels, par exemple, des disques. Par conséquent, ils sont populaires.
La pression d'ouverture caractérise la « sensibilité » de la vanne. Pour les réseaux privés, cela importe rarement. Sauf sur les lignes d'alimentation proches de la longueur critique.
Faites également attention au fil de connexion - il peut être interne ou externe.Choisissez en fonction de la facilité d'installation
N'oubliez pas la flèche qui indique le sens du mouvement de l'eau.
Dimensions des clapets anti-retour pour l'eau
La taille du clapet anti-retour pour l'eau est calculée en fonction de l'alésage nominal et ils sont libérés pour tout - même les diamètres de canalisation les plus petits ou les plus grands. Le plus petit est DN 10 (diamètre nominal 10 mm), le plus grand est DN 400. Ils sont du même calibre que tous les autres robinets d'arrêt : robinets, vannes, piquages... Une autre "taille" peut être attribuée à la pression conditionnelle. Le plus bas est de 0,25 MPa, le plus élevé est de 250 MPa.
Chaque entreprise produit des clapets anti-retour pour l'eau en plusieurs tailles.
Cela ne signifie pas que l'une des vannes sera dans n'importe quelle variante. Les tailles les plus populaires vont jusqu'au DN 40. Ensuite, il y a les principales, et elles sont généralement achetées par les entreprises. Vous ne les trouverez pas dans les magasins de détail.
Et pourtant, veuillez noter que pour différentes entreprises avec le même passage conditionnel, les dimensions extérieures de l'appareil peuvent différer. La longueur est claire
Ici, la chambre dans laquelle se trouve la plaque de verrouillage peut être plus grande ou plus petite. Les diamètres des chambres diffèrent également. Mais la différence dans la zone du filetage de raccordement ne peut être due qu'à l'épaisseur de la paroi. Pour les maisons privées, ce n'est pas si effrayant. Ici, la pression de travail maximale est de 4-6 atm. Et pour les immeubles de grande hauteur, cela peut être critique.
Comment vérifier
Le moyen le plus simple de tester un clapet anti-retour est de souffler dedans dans la direction qui le bloque. L'air ne doit pas passer. En général. Certainement pas. Essayez également d'appuyer sur la plaque. La tige doit se déplacer en douceur. Pas de clics, de frottements, de distorsions.
Comment tester un clapet anti-retour : souffler dedans et vérifier la douceur
Quelle vanne acheter ?
La question n'est pas simple dans le sens où il n'y a pas de modèles « favoris » ou « promus » évidents. Mais en même temps - il y a une variation très importante des prix. Et plus tout - il n'y a pas de critères de sélection clairs, sauf peut-être le diamètre du tuyau sur lequel la vanne est montée, les dimensions, si l'emplacement pour son installation est limité et le moyen le plus pratique de se connecter au tuyau.
À un moment donné, les tuyaux d'évacuation de la douche et du lavabo convergent. Pour protéger cette unité de la défaillance du siphon, il a été décidé d'installer un aérateur sur un tuyau de 50 mm
Dans ce cas, bien sûr, les dimensions de l'appareil sont importantes.
Bien sûr, il faut supposer que les fabricants de produits de plomberie les plus connus et la vanne offriront les plus durables et les plus fiables. Mais vous pouvez trouver de nombreux exemples où les aérateurs les plus simples et les moins chers de la production nationale servent pendant des décennies et continuent de servir.
Par conséquent - juste un bref aperçu des modèles proposés à la vente et de leurs prix, mais sans aucune recommandation en faveur d'un produit en particulier.
| Illustration | Brève description | Coût approximatif, frotter. |
|---|---|---|
| "MkAlpine HC 50-50" - produits de la société des îles britanniques. Polypropylène. Modèle pour tube ø50 mm. Convient à une cloche standard. Débit - 3 l / s. | 850 roubles. | |
| Modèle "MkAlpine" pour tuyau DN110 mm. Polypropylène. | 2500 roubles | |
| "HL900NECO" Société autrichienne "HUTTERER & LECHNER GmbH". Disponible en trois versions - pour tuyaux DN50, DN70 et DN110 mm. Polypropylène. Filet sur le côté du boîtier. La capacité de la vanne DN110 est de 37 l/s. Murs du logement isolés thermiquement. | Pour le modèle DN110 - 2800 roubles. | |
| Vanne d'air "Wavin Optima Mini vent" de la célèbre société néerlandaise.Modèles compacts pour installation sur des canalisations d'égout d'un diamètre de 30, 40 et 50 mm. Chlorure de polyvinyle. Débit - 7,5 l / s. Installation - dans une prise standard. | 3600 roubles. | |
| Le produit de la société finlandaise UPONOR est la soupape à vide HTL. Il est fait pour 110 mm, il est complété par des adaptateurs pour 50 et 70 mm. Polypropylène. | 4700 roubles. | |
| Valve de la marque allemande "Ostendorf" de production russe. Diamètre - 110 mm. Polypropylène. | 1900 roubles. | |
| Valve à vide fabriquée en Russie par Rosturplast. Diamètre - 110 mm. | 190 roubles. | |
| La vanne de la production russe de la société Politron. Polypropylène. Diamètre - 110 mm. | 240 roubles. |
Cela suffit probablement déjà pour comprendre comment les prix de ces produits «dansent». De plus, à caractéristiques approximativement égales, matériau de fabrication, etc. Ainsi, l'auteur de cet article n'assume en aucun cas la responsabilité de recommander certains modèles - tout est trop non évident.
Certes, ils peuvent poser une question - pourquoi certains aérateurs DN110 ont-ils une tête commune, et d'autres en ont deux petites ?
Il n'y a pas de secret particulier ici. C'est juste que le fabricant produit des modèles pour les tuyaux de 50 mm et de 110 mm. Et il est technologiquement plus facile pour lui de combiner deux petites têtes de soupape dans un seul corps pour obtenir un aérateur pour un plus grand diamètre. Et cela n'affecte pas le fonctionnement de l'appareil lui-même. Sauf si vous devez vous occuper de deux membranes. Mais si l'un tombe en panne, il en coûtera moins cher à remplacer qu'un gros.
















































