Avis sur les geysers Neva

Erreurs geysers Neva Lux | neva lux

Aperçu du modèle

Considérez les meilleurs modèles.

Néva 4511

Chauffe-eau de type atmosphérique. Puissance - 21 kW. Convient pour 2 points de prise d'eau, pas plus. C'est la version la plus compacte de toute la série, c'est celle qui convient le mieux aux espaces restreints. Le prix estimé est de 9 000 roubles. La gestion est mécanique. Allumage - à partir de batteries.

Caractéristiques:

Productivité, l/min 11
Performance thermique nominale, kW 21
Consommation de gaz naturel, m³/h 1,66
Consommation de gaz liquéfié, kg/heure 2,2
Température de l'eau (min/max), °C 30/90
Poids (kg 11
Pression d'eau minimale, bar 0,15
Dimensions (HxLxP), mm 565x290x221

Avis sur les geysers Neva

Néva 6014

À en juger par la fonctionnalité, les caractéristiques techniques et la sécurité, c'est peut-être le meilleur haut-parleur de toute la gamme de modèles.Le boîtier est fabriqué dans un style high-tech. Couleur - gris acier. Possédant de nombreux avantages, son prix est modéré - environ 14 000 roubles. Saturé d'automatisation, ce qui rend l'utilisation simple, pratique et sûre. Il est facile à monter, car il a des dimensions modestes et un faible poids.

Spécifications techniques:

Productivité, l/min 14
Performance thermique nominale, kW 28
Consommation de gaz naturel, m³/h 3,0
Consommation de gaz liquéfié, kg/heure 1,1
Température de l'eau (min/max), °C 25/70
Poids (kg 13
Pression d'eau minimale, bar 0,15
Dimensions (HxLxP), mm 650x350x240

Principaux avantages:

  • système de protection à plusieurs niveaux ;
  • affichage numérique;
  • indicateur de niveau de batterie ;
  • système de refroidissement par eau à la chambre de combustion.

Avis sur les geysers Neva

Néva 5514

C'est l'une des modifications les plus puissantes de la marque. Il se caractérise par une conception technologique, un fonctionnement simple et intuitif. Facile à monter, s'adapte à tous les intérieurs. Il a une taille modeste et un poids léger. Le fonctionnement à une pression d'eau extrêmement basse est possible - le démarrage se produit à 0,1 bar. Contrôle de la température en douceur - élimine la possibilité de brûlures.

Caractéristiques de travail :

Productivité, l/min 14
Performance thermique nominale, kW 28
Consommation de gaz naturel, m³/h 3,0
Consommation de gaz liquéfié, kg/heure 1,1
Température de l'eau (min/max), °C 30/90
Poids (kg 12,5
Pression d'eau minimale, bar 0,15
Dimensions (HxLxP), mm 650x350x240

Avantages :

  • une fenêtre de visualisation qui vous permet de contrôler le fonctionnement du brûleur;
  • contrôle automatique de la combustion - lorsque le feu s'éteint, le système s'éteint;
  • Modulation de la flamme à 2 niveaux ;
  • facilité de réparation - facile à obtenir des pièces de rechange.

Avis sur les geysers Neva

Neva 4510 et 4510 M

Modification peu coûteuse avec un corps plat et un échangeur de chaleur en aluminium. C'est le modèle le moins cher de Gazapparat.Développement russe et composants chinois. Allumage par batterie. 4510 M - une version améliorée, c'est aussi un distributeur automatique, mais il est plus compact et dispose d'un échangeur de chaleur en cuivre.

Spécifications du modèle 4510 :

Productivité, l/min 10
Performance thermique nominale, kW 17
Consommation de gaz naturel, m³/h 1,95
Consommation de gaz liquéfié, kg/heure 0,64
Température de l'eau (min/max), °C 30/77
Poids (kg 10,4
Pression d'eau minimale, bar 0,3
Dimensions (HxLxP), mm 356x624x186

Avantages :

  • faible coût - environ 6 000 roubles;
  • pièces de rechange disponibles et peu coûteuses ;
  • petites tailles;
  • 2 ans de garantie ;
  • travailler à une pression d'eau minimale;
  • centres de services dans toutes les régions.

Défauts:

  • pas de modulation de puissance ;
  • échangeur de chaleur peu fiable (au 4510);
  • composants de mauvaise qualité.

Avis sur les geysers Neva

Transport en commun HSV-10E

Appareil de type Flow, avec un foyer ouvert. Fonctionne sur tout type de gaz. Prix ​​​​estimé - 7 300 roubles. Paramètres et caractéristiques de conception :

Productivité, l/min 10
Performance thermique nominale, kW 21
Température de l'eau (min/max), °C 30/60
Poids (kg 9,5
Dimensions (HxLxP), mm 340x615x175

Avis sur les geysers Neva

Type d'allumage

Les chauffe-eau Neva ont le type d'allumage suivant :

  1. Manuel. Pour allumer la colonne, l'utilisateur doit appuyer sur le bouton d'allumage et mettre le feu à l'allumeur. Les anciens modèles fabriqués au siècle dernier sont équipés de cette méthode d'allumage. C'est une façon peu pratique et, surtout, dangereuse de commencer. De plus, il s'agit d'une option peu économique : la mèche brûle constamment, gaspillant du gaz.
  2. Allumage piezo. Une telle méthode d'allumage, par exemple, dans la modification 3208. Le feu est activé en appuyant sur un bouton. Le premier allumage de la mèche se fait manuellement - pour cela, on appuie simultanément sur deux boutons : allumage gaz et piezo.À l'avenir, pour démarrer l'appareil, il vous suffira d'ouvrir le robinet - l'allumeur mettra le feu au brûleur principal et un flux chaud apparaîtra à la sortie. L'inconvénient de ce type d'allumage est la combustion constante de l'allumeur.
  3. Allumage électrique. Au lieu d'une mèche, une source d'électricité est utilisée, qui est alimentée par des piles. Cette méthode économise du gaz. Ce type d'allumage est pour les modèles 4511, 5011 et 5014.

L'allumage électrique est le moyen le plus moderne et le plus pratique de démarrer. L'allumage automatique peut être volatil et non volatil. La première option est mauvaise car lorsque l'électricité est coupée, l'appareil ne pourra pas démarrer - l'utilisateur, ainsi que la panne de courant, perdront de l'eau chaude. Le moyen le plus fiable et le plus pratique est d'être alimenté par des piles, l'essentiel est d'avoir des piles de rechange à portée de main.

Avis sur les geysers Neva

Gamme de modèles de geysers "Neva"

Actuellement, dans la gamme de chauffe-eau instantanés à gaz de la marque Neva, fabriqués par BaltGaz (BaltGaz), il existe plusieurs modèles, dont les plus populaires sont résumés dans le tableau ci-dessous, qui présente leurs principales caractéristiques techniques.

Indice "Néva 4510" "Néva Lux 5514" "Néva 4511" "Néva 4513" "Néva 3208" "Néva Transit"
Puissance thermique, kW 17 28 21 25 23,2 21
Productivité, kW 15 24 18 21 19 18,5
Consommation d'eau, l/min 8,5 14 11 13 6,45 10
Pression d'eau, atm. 0,3-6 0,3-10 0,3-6 0,1-10 0,15-6 0,2-10
Type d'allumage électronique électronique piézo électronique électronique électronique
Dimensions hors tout, mm 650*350*239 650*350*239 565*290*221 665*390*260 730*390*280 615*340*175
Poids (kg 10,4 12,5 9,5 13,5 19,5 9,5
Lire aussi :  Remplacement d'une vanne gaz : règles de sécurité, mode d'emploi et analyse des erreurs courantes

Les données sur la consommation d'eau sont données à sa température de +25˚С, et les dimensions globales conformément - hauteur × largeur × profondeur.

Avis sur les geysers Neva

Modèle "Neva Transit"

Geyser Neva Lux 5514

Semyon Nous avons acheté cette colonne afin qu'elle puisse fournir des performances solides. D'une puissance de 28 kW, cet appareil produit jusqu'à 14 l/h, ce qui est largement suffisant pour prendre une douche et faire la vaisselle en même temps. Bien que le chauffe-eau à gaz Lux 5514 soit un appareil domestique, il fonctionne comme un solide cinq. Le modèle est fiable, il chauffe l'eau très rapidement, il a un contrôle extrêmement clair - en fait, il n'y a qu'un seul bouton pour régler la température. Quelque part, je suis tombé sur des critiques selon lesquelles cette colonne avait un mauvais échangeur de chaleur, mais en fait, elle a servi pendant 6 ans et ne semble pas vouloir se casser.

Avantages :

  • Fiabilité incroyable pour un chauffe-eau domestique;
  • Coût abordable, les analogues de fabricants étrangers sont plus chers;
  • Allumage électronique, démarre automatiquement, il suffit d'ouvrir le robinet. L'absence d'allumeur vous permet d'économiser du gaz.

Défauts:

  • Il me semble que c'est un peu bruyant, les analogues sont plus silencieux ;
  • Il n'y a pas de maintien automatique de la température de l'eau, par conséquent, lorsque la pression change ou que le deuxième robinet est ouvert, la température change légèrement ;
  • Vous devez souvent changer les piles, mais elle ne veut pas travailler avec des piles bon marché ;
  • Parfois, il s'éteint pour des raisons inexplicables. Dieu merci, cela arrive rarement.

Solution pour la cuisine d'angle

Les petites cuisines, dans lesquelles les meubles sont situés dans un coin reculé de la pièce, proposent également plusieurs solutions de conception pour l'installation d'une colonne de gaz.

Comme dans le cas de Khrouchtchev, il peut s'agir d'un casier qui, bien qu'il vole de l'espace pour stocker des objets, peut cacher la colonne et les communications qui y sont connectées.

Une autre option intéressante implique une palette de couleurs bien choisie du casque et des haut-parleurs.

Avis sur les geysers Neva

Il est également possible de décorer en plus la colonne avec une variété d'autocollants ou de la peindre dans une couleur appropriée. Dans ce cas, il peut être installé n'importe où, par exemple dans un coin, à l'extérieur des armoires. L'essentiel est que cela ne se produise pas sur une cuisinière à gaz.

Avis sur les geysers Neva

Geyser Neva Transit VPG-10E

Anatolie

Un simple chauffe-eau à gaz, pas cher, mais pas sans défauts. Par exemple, il s'éteint régulièrement, car il surchauffe tout simplement. Quel genre de logique est-ce - économiser de l'essence et ne pas nager plus de 20 minutes ? J'ai dû changer le capteur, bien qu'au bout d'un moment, il se soit "éteint". Si la pression baisse, il faut ajuster la température de chauffe, sinon on risque de se brûler. Il m'a également semblé qu'elle consommait trop rapidement des piles - les voisins ont la même colonne, alors ils la changent environ une fois tous les six mois. Malgré un tas de défauts inhérents à la plupart des haut-parleurs bon marché, il n'y a pas eu de pannes graves. J'ai changé les coussinets en caoutchouc plusieurs fois au fur et à mesure qu'ils commençaient à couler, mais l'échangeur de chaleur se sent toujours bien, même si les voisins ont déjà dû le changer.

Avantages :

  • Pas de fioritures dans le design, juste un boîtier blanc strict avec deux poignées et un indicateur ;
  • S'allume normalement le soir lorsque la pression de l'eau baisse traditionnellement ;
  • Allumage électrique, vous pouvez économiser du gaz - quoi que vous disiez, mais le fusible à gaz piézoélectrique ne fonctionne pas de manière aussi économique;
  • Capable de travailler au gaz liquéfié, vous pouvez installer une colonne dans le pays.

Défauts:

  • Il n'y a pas de surveillance de la température, avec un changement brusque de pression, vous pouvez vous brûler;
  • Il n'y a pas de pannes majeures, seulement des pannes mineures, mais il faut beaucoup de temps pour savoir d'où vient l'eau ;
  • Arrêts spontanés fréquents sans raison apparente, le remplacement du capteur a aidé pendant un certain temps.

Geyser Néva 4511

Ksenia Nous avions besoin d'une colonne bon marché d'un fabricant bien connu, alors mon mari et moi avons décidé d'opter pour le chauffe-eau à gaz Neva 4511. Il fonctionne assez calmement avec deux robinets, fournissant aux consommateurs suffisamment d'eau chaude. Certes, lorsque le deuxième robinet est ouvert, la température de chauffage change légèrement, mais cela est facilement corrigé avec un mélangeur. Par conséquent, ce comportement n'est pas un inconvénient. Sur le panneau avant, un petit écran indique la température de l'eau chaude. A proximité se trouvent deux boutons pour régler la température. Juste au dessus un petit judas pour contrôler la combustion du gaz. Mais la conception de la colonne est comme si elle avait été coupée à la hache dans un seul morceau de fer - un simple rectangle. Mais il est assez fiable, même s'il n'est pas sans certaines lacunes.

Avantages :

  • Chauffe l'eau rapidement, pas besoin d'attendre le chauffage après la mise en marche ;
  • Prix ​​​​assez abordable, les analogues de marques importées sont plus chers;
  • Pendant trois ans de travail, il n'a pas fui, ce qui indique la fiabilité de l'ensemble et de l'échangeur de chaleur ;
  • Réglage pratique de la température et de la pression.

Défauts:

  • Parfois, le gaz ne s'enflamme pas immédiatement, mais après quelques secondes, ce qui provoque un fort bang ;
  • En cas de surchauffe, il commence à faire du bruit, comme un moteur rugissant à haute vitesse. Le bruit apparaît déjà après +50 degrés ;
  • Corps très fin. Pas un inconvénient très important, mais toujours en quelque sorte indigne. Bien que maintenant tous les équipements soient fabriqués dans de tels cas, même les machines à laver.

Réparation de geysers Neva Lux 4511 3208 5514 6014, etc.

Nous réalisons à domicile l'ensemble des prestations concernant le chauffe-eau Neva. Le client du service qui a effectué la réparation du geyser Neva reçoit un reçu de paiement.Ce reçu est conservé pendant toute la période de garantie. Les problèmes ou pannes récurrents dus à la faute de notre maître sont éliminés gratuitement.

DIAGNOSTIQUE

Nous diagnostiquons le geyser Neva par téléphone, donc le coût de ce service pour vous est de

0 RUBLES

APPEL

Nous prendrons de l'argent d'un montant de 500 roubles pour l'appel en cas de refus de réparation, et ce service coûte

0 RUBLES

RÉPARATION

Le coût des travaux de réparation effectués sans le coût des pièces de rechange nécessaires dans notre entreprise varie

à partir de 900 ROUBLES

Lire aussi :  Comment nettoyer votre geyser Bosch de vos propres mains : guide d'entretien + conseils précieux

GARANTIE

Avant de partir, nos employés émettront une garantie de notre société pour les travaux effectués pour une période de

jusqu'à 12 MOIS

La cause du dysfonctionnement peut être n'importe où: une buse d'allumage bouchée, un circuit ouvert dans le système de contrôle des gaz et les gaz d'échappement, une violation de l'enroulement de la soupape.

Suite...

Pendant le fonctionnement du chauffe-eau, de la suie noire tombe, la flamme du brûleur principal a une couleur jaune-blanche. La flamme fume à cause du colmatage du diffuseur du brûleur principal.

Suite...

La colonne ne s'allume pas, l'allumeur s'allume et s'éteint, un problème commun à tous les chauffe-eau instantanés, difficile à régler par soi-même.

Suite...

Vous avez détecté un chauffage d'eau insuffisant. Le problème est le revêtement de suie de l'échangeur de chaleur, l'usure de la membrane, un réglage incorrect.

Suite...

La colonne de gaz Neva ne fonctionne pas ou ne s'allume pas ? Le service effectue des réparations de haute qualité du geyser Neva de tous les modèles. Vous recevrez des informations complètes du répartiteur, ainsi que la possibilité de laisser une demande d'entretien annuel. L'arrivée du maître à une heure strictement convenue. La réparation et le diagnostic ont lieu en votre présence.Le spécialiste du service vous informera des étapes des travaux et du paiement final.

Nous vérifions la sécurité du chauffe-eau Neva une fois par an, la fréquence et l'intensité d'utilisation du chauffe-eau n'ont pas d'importance. Ceci s'applique au test de combustion du gaz dans l'allumeur et le brûleur principal. En plus du nettoyage de la colonne de gaz du brûleur et du thermocouple, les artisans effectuent un nettoyage général de l'appareil de la suie et de la poussière. Remplacement de la membrane et des autres consommables.

Avis sur les geysers Neva
  • La mèche s'allume et s'éteint →
  • Nettoyage de la colonne de gaz →
  • La colonne ne s'allume pas →
  • La colonne ne chauffe pas l'eau →
  • La colonne s'éteint →
  • La colonne s'éteint →
  • L'allumeur / la mèche s'éteint →
  • De l'eau s'écoule de la colonne →
  • La colonne est cassée →
  • Applaudissez lorsqu'il est allumé →
  • Nettoyage du brûleur →
  • Rincer le geyser →
  • Remplacement thermocouple →
  • Erreur de fonctionnement →
  • Remplacement des membranes →
  • Réparation de fuite de gaz→
  • Soudure de radiateur →
  • Réparation de bricolage→
  • Consignes →

Comment réparer une colonne Neva lux

Pour établir la raison de la panne, ainsi qu'une commande de réparation du geyser Neva, vous pouvez prendre des dispositions en appelant notre opérateur. Avec un résultat positif, le maître vous contactera pour prérégler le coût des réparations et l'heure de la visite.

Système de sécurité

La base de la sécurité des équipements à gaz est un système de protection bien pensé contre les urgences. Le fabricant a équipé toutes les modifications des chauffe-eau à gaz Neva de capteurs qui contrôlent le fonctionnement de l'appareil et garantissent son fonctionnement en toute sécurité. Les éléments suivants assurent la protection :

  • Capteurs : flamme ; pression de l'eau; contrôle de la température.
  • Soupape de sécurité.
  • Relais thermique.

Des capteurs qui contrôlent les différences de température sont installés sur les versions améliorées des chaudières Neva Lux 4513 et 4514.Ces éléments permettent de modifier la température de l'eau si des points d'eau sont connectés ou déconnectés.

Avis sur les geysers Neva

Dysfonctionnements typiques

Étant donné que les systèmes de chauffage à eau au gaz tombent en panne de temps en temps, il ne serait pas superflu de connaître les pannes les plus courantes, leurs causes et les méthodes d'élimination. Nous examinerons les deux dysfonctionnements les plus typiques du geyser Neva Transit.

Le brûleur ne s'allume pas

Presque tous les propriétaires du modèle Transit sont confrontés à un problème similaire. La raison peut résider dans un dysfonctionnement de l'unité de génération d'étincelles. Habituellement, le remplacement de ce bloc résout le problème.

Vous devez d'abord démonter le panneau avant de l'appareil. Après avoir retiré le boîtier, vous verrez le bloc dont nous avons besoin, fixé avec des boulons. Les fils doivent être soigneusement déconnectés des contacts en les tirant vers le bas. De la même manière, ils doivent être réinsérés.

La colonne s'allume une fois

Beaucoup attribuent ce problème à la faible pression de l'eau. Mais, en règle générale, la raison réside dans la nécessité de remplacer la membrane. La pièce elle-même coûte environ 100 roubles, de sorte que les réparations ne deviendront pas lourdes pour le budget familial.

Nous présentons la procédure sous la forme d'un algorithme :

  • Déconnectez le bloc avec la membrane;
  • Éteignez l'électricité ;
  • Débranchez les tuyaux ;
  • Retirez le bloc de la colonne ;
  • Ouvrez le bloc en dévissant 4 vis ;
  • Remplacer la membrane.

conclusion

Nous avons donc examiné les caractéristiques des unités de la gamme de modèles Neva Transit. D'après les informations fournies, nous pouvons conclure que cette technique est une solution d'ingénierie budgétaire accessible à tous.

Nous avons examiné les dysfonctionnements typiques du geyser Neva Transit et avons également décrit des méthodes pour résoudre les deux problèmes les plus courants.Les informations fournies vous aideront à choisir la modification appropriée du distributeur de la série Transit et à apprendre les caractéristiques de son fonctionnement et de sa réparation.

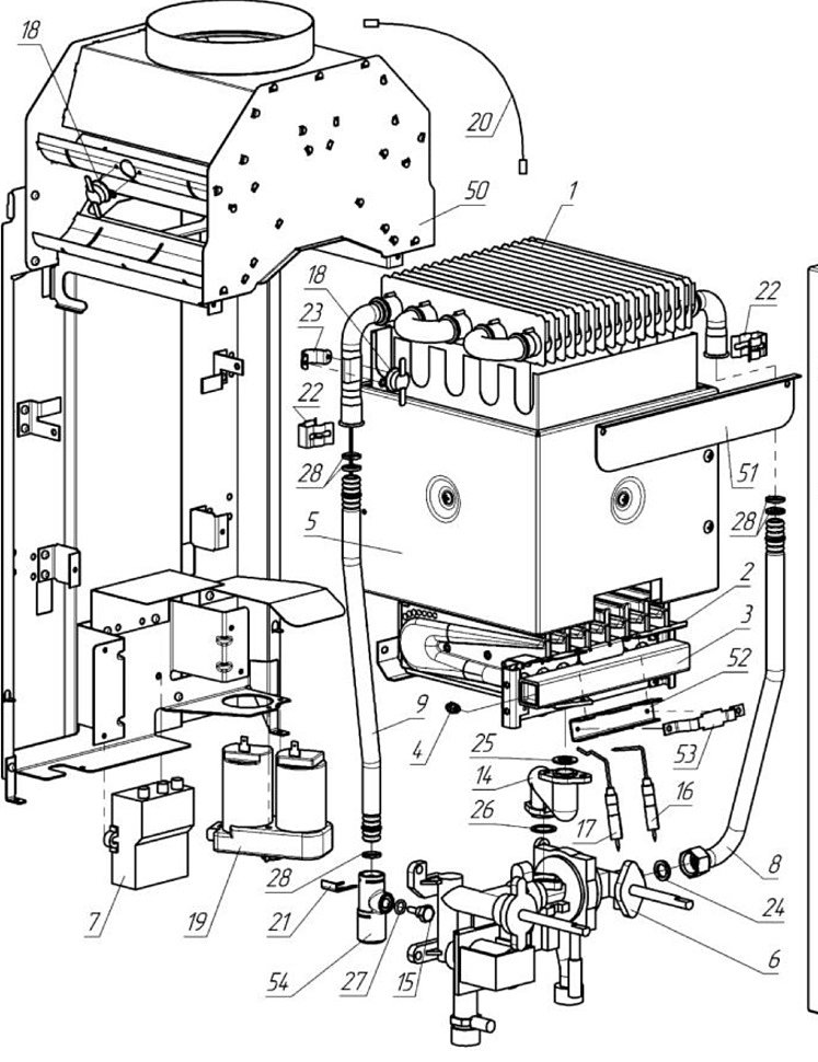
La chambre de combustion

L'usine de Gazapparat produit des chauffe-eau avec les deux types de foyers - fermés et ouverts. Dans le premier cas, la traction forcée est utilisée, dans le second, la traction naturelle.

Une cheminée coaxiale est connectée aux modèles à chambre fermée. Sa conception vous permet simultanément d'éliminer les gaz et de fournir de l'air de combustion. Les chambres ouvertes impliquent l'absorption de l'air de la pièce. De telles modifications nécessitent une cheminée traditionnelle.

Les versions avec foyers ouverts sont installées dans des pièces répondant aux exigences de sécurité :

  • superficie à partir de 8 m²;
  • système de ventilation efficace en matériau résistant à la chaleur.

Avis sur les geysers Neva

Service

Un avantage important des appareils Neva et Neva Lux est un échangeur de chaleur remplaçable. Après l'avoir acheté pour 3500-4000 roubles, vous pouvez prolonger le fonctionnement de l'ancien appareil et ne pas en acheter un nouveau

Le constructeur équipe les nouvelles versions d'échangeurs de chaleur en cuivre qui résistent à la corrosion, mais le tartre et le sel restent un problème.

Pour que l'appareil fonctionne correctement, il nécessite une maintenance et un dépannage en temps opportun :

  • Un problème courant est une électrovanne cassée. Lorsque l'utilisateur ouvre le robinet, un clic se fait entendre - l'allumage électrique est activé, mais le gaz ne va pas au brûleur. La valve, fixée avec des vis, est facile à remplacer - elle a un diamètre standard.
  • La température de sortie doit être limitée. L'eau fortement chaude contribue à la formation de tartre et de sels sur les parois de l'élément chauffant.
  • Il est nécessaire de nettoyer les brûleurs et l'échangeur de chaleur en temps opportun, pour nettoyer l'ensemble de l'appareil de toute contamination.

Avant d'utiliser l'équipement, l'utilisateur doit lire les instructions qui décrivent l'appareil et le schéma de connexion.

Avis sur les geysers Neva

Geyser Néva 4510

Pire que cette colonne, sans doute, rien n'a encore été inventé. Comment un modèle avec un échangeur de chaleur aussi fragile a-t-il pu être produit ? Comment pourrait-on même deviner de réaliser cet assemblage chargé thermiquement à partir d'un métal aussi fin ? Un an s'est écoulé depuis l'achat et les fuites ont déjà commencé. Cela ressemble à une colonne chinoise ordinaire à la russe - ils n'ont même pas pensé à éliminer les lacunes évidentes. Il fait beaucoup de bruit, des gouttes d'eau, s'éteint périodiquement. Récemment, il a complètement cessé de s'allumer la première fois, vous devez couper l'eau et la rallumer. Remplacer les piles n'a pas aidé, nettoyer tout ce qui pouvait être nettoyé n'a pas aidé non plus. J'ai décidé de changer complètement l'échangeur de chaleur, j'ai découvert le prix - j'ai décidé d'ajouter un peu plus d'argent et d'acheter une colonne normale. Pourquoi des pièces aussi chères ?

Erreur E8 - pas de traction

La colonne s'éteint après 2 à 5 minutes de fonctionnement. La réactivation n'est possible qu'après refroidissement - 2..3 minutes.

Raison #1. Pas de tirage dans la cheminée. Nettoyez la cheminée.

Raison numéro 2. Suie sur l'échangeur de chaleur. Augmentation de l'accumulation de suie sur l'échangeur de chaleur, ce qui empêche le passage du monoxyde de carbone dans la cheminée. La colonne doit être réparée pour corriger le problème.

Raison numéro 3. Capteur de traction défectueux. Le capteur de poussée fonctionne sur une pause. Au fil du temps, le capteur devient très sensible aux vibrations et peut éteindre la colonne pendant le chauffage. Par conséquent, avec cette erreur, le fonctionnement du capteur sera vérifié.

Concevoir

Structurellement, les colonnes "Neva" sont :

Écoulement.Ils sont compacts - de petites dimensions sont atteintes en raison de l'absence de réservoir de stockage. De tels appareils conviennent aux petites pièces bien ventilées. La productivité des dispositifs d'écoulement est faible. Si une colonne de débit est achetée pour desservir plusieurs prises d'eau, il faudra choisir une version à forte puissance.

Les appareils de type Flow sont plus souvent choisis par les propriétaires d'appartements.

Avis sur les geysers Neva

Cumulatif. Ils ont des dimensions impressionnantes. Capacité du réservoir - 50-500 l. Il contient de l'eau chaude. Une isolation thermique efficace empêche son refroidissement. Pour utiliser de l'eau chaude, vous n'avez pas besoin de démarrer l'appareil à chaque fois. Les colonnes de stockage sont équipées d'échangeurs de chaleur efficaces.

L'inconvénient de tels chauffe-eau peut être considéré comme des dimensions - en raison de leurs grandes dimensions, ils doivent être installés dans des pièces spéciales, dans des sous-sols ou des greniers. Ces appareils sont généralement achetés pour les maisons privées. Si le consommateur opte pour la version de type stockage Neva 4511, le poids du réservoir d'eau doit être pris en compte - une base en béton devra être préparée.

Avis sur les geysers Neva

Neva Transit VPG-E

La colonne Neva Transit E est l'unité de base de la gamme du fabricant. Cette catégorie est représentée par trois variantes, qui diffèrent les unes des autres en termes de consommation d'eau et de puissance nominale. Elle est respectivement de 6, 10 et 12 litres par minute pour les modèles 6E, 10E et 12E. Dans le même temps, la puissance des unités est respectivement de 12, 21 et 24 kW.

Le Transit E est une unité de type à flux, qui est excellente pour l'approvisionnement domestique en liquide de refroidissement chaud. Le modèle a acquis une popularité particulière parmi les propriétaires de maisons de campagne. Cela est dû au fait qu'il est capable de fonctionner sur le gaz principal et en bouteille.Cela en fait un achat rationnel pour les propriétaires qui ne disposent pas d'un système central d'alimentation en gaz.

Les chauffe-eau à gaz Neva Transit modification E plairont avec les avantages suivants:

  • Fiabilité;
  • Entretien peu exigeant;
  • Gestion pratique.

L'équipement est parfaitement adapté aux conditions russes. Il est capable de fonctionner à une pression de liquide de refroidissement dans le système à un niveau de 0,02 bar. Si votre maison a une pression instable dans le système d'alimentation en eau, la série Transit E deviendra une unité économique capable de produire du liquide de refroidissement chaud lorsque d'autres colonnes cesseraient simplement de fonctionner.

Geyser Néva 3208

Peter Tout à fait une colonne de travail, mais il consomme du gaz en quantités énormes. Il s'est avéré qu'avec près de 24 kW de puissance, il devrait chauffer 11-12 l/min, mais en fait il ne produit pas plus de 6 l/min. Le réglage de la température s'effectue uniquement au toucher, car il n'y a aucune indication. L'échangeur de chaleur est en métal fin, il a déjà dû être réparé 5 à 6 fois - l'eau coule fortement. Je ne sais pas combien de temps je vais durer, mais maintenant je veux envoyer cette colonne dans une décharge et acheter une chaudière, avec laquelle il y aura moins de problèmes. Il vaut mieux payer l'électricité que souffrir avec cette colonne.

Avantages :

  • Apparence décente, forme soignée;
  • Il commence à seulement 0,15 atm, ce qui est un bon indicateur.

Défauts:

  • L'échangeur de chaleur fuit, il coule littéralement de toutes les fissures;
  • Conception extrêmement gênante, difficile à réparer. Il pèse également près de 20 kg, ce qui n'ajoute pas de commodité ;
  • Ne garde pas la température, il faut constamment ajouter ou soustraire de l'eau froide ;
  • Peu économique, je ne sais pas où j'ai regardé lors de l'achat de cet appareil.

Erreur E1 - pas de flamme

L'allumage clique pendant environ une minute, le brûleur ne s'allume pas. L'unité de contrôle électronique ne voit pas la présence d'une flamme et la colonne passe en mode d'urgence.

Raison #1. La présence d'air dans les communications. Temps d'arrêt à long terme de la colonne, ou après son installation, le fonctionnement du brûleur pilote ne se produira qu'après l'élimination de l'air. Il est nécessaire de purger le système en allumant constamment la colonne. Étant donné que l'allumage ne dure pas plus d'une minute, après l'achèvement, vous devez rouvrir le robinet d'eau jusqu'à ce que l'allumage se produise.

Raison numéro 2. Manque de gaz dans les bouteilles ou le robinet en aval du distributeur est fermé. Ouvrir complètement le robinet. Vérifiez les bouteilles de GPL. Remplacez si nécessaire.

Raison numéro 3. Il n'y a pas de contact entre l'appareil et le détecteur de flamme. Il est nécessaire d'effectuer l'entretien des contacts sortant du boîtier électronique, si nécessaire, nettoyer, resserrer pour une bonne connexion, remplacer ceux qui sont usés.

Raison numéro 4. Détecteur de flamme en dehors de la zone de flamme. Ajustez la position du détecteur de flamme pour que son électrode soit dans la zone de combustion du gaz. Assurez-vous que l'électrode ne touche pas d'autres composants métalliques. Nettoyez l'électrode des dépôts de carbone.

Raison numéro 5. L'espace entre la bougie et l'allumeur est rompu. À cause du chauffage et du refroidissement constants, la buse du brûleur pilote est déformée, ce qui augmente l'écart avec la bougie d'allumage. Une fois tous les deux ans, ou lors de l'entretien réglementaire, l'écart doit être ajusté à 4 ... 5 mm.

Avis sur les geysers Neva

Évaluation
Site sur la plomberie

Nous vous conseillons de lire

Où remplir la poudre dans la machine à laver et combien de poudre verser