- Comment raccorder une chaudière à chauffage indirect à une chaudière à circuit unique
- Matériau de tuyau pour tuyauterie BKN
- Options pour la tuyauterie d'une chaudière à chauffage indirect
- Liaison dans un système de gravité
- Installation de la recirculation ECS avec BKN
- Tuyauterie BKN avec une chaudière à double circuit
- Matériaux et outils
- Processus d'installation : comment se connecter
- Démarrage et vérification
- Erreurs d'installation courantes
- Comment fonctionne une chaudière en tandem avec une chaudière non volatile
- Normes et règles d'installation d'une chaudière dans un appartement
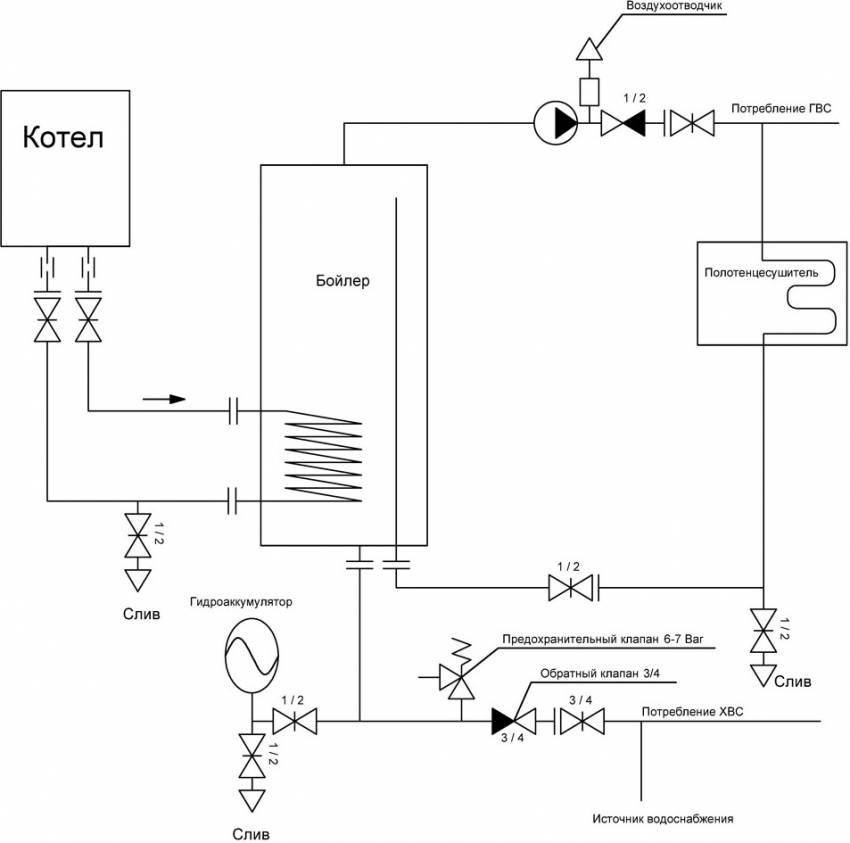
- Schémas de tuyauterie BKN avec une chaudière à circuit unique
- Raccordement direct du BKN à un circuit de chauffage
- Schéma avec thermostat et automatisation
- Liage à température élevée du liquide de refroidissement
- Se préparer à se connecter
Comment raccorder une chaudière à chauffage indirect à une chaudière à circuit unique

Raccords pour reliure BKN
- assurer une circulation continue du liquide de refroidissement de la chaudière au chauffe-eau ;
- prévenir les chocs hydrauliques et thermiques ;
- maintenir la température réglée du chauffage de l'eau en mode automatique.
- Vase d'expansion à membrane - conçu pour compenser la dilatation thermique dans le système ECS et prévenir les accidents. Lorsqu'il est connecté, le BKN est installé avec le groupe de sécurité. Le vase d'expansion doit contenir au moins 10% du volume total de la chaudière à chauffage indirect.
- Soupape de sécurité - nécessaire pour la vidange d'urgence de l'eau du BKN. Avec une augmentation excessive de la pression, il s'ouvre et évacue l'eau de la chaudière. La vanne est utilisée lors de l'entretien pour remplir le réservoir de détartrants.
- Groupe de sécurité de la chaudière à chauffage indirect - comprend un manomètre, une soupape de décharge et un évent. L'unité est conçue pour normaliser la pression dans l'alimentation en eau chaude et éviter les coups de bélier. L'installation d'un groupe de sécurité et d'un vase d'expansion est une exigence imposée par les fabricants pour la tuyauterie BKN.
- Capteur de température de la chaudière - se connecte à la pompe de circulation qui contrôle la pression dans le serpentin. Le thermostat à immersion fonctionne sur le principe d'un relais. Lorsque le chauffage de l'eau est suffisant, le capteur donne un signal pour éteindre l'équipement de pompage. L'eau cesse de chauffer. Après refroidissement, l'automatisation de la chaudière démarre la circulation.
- Vanne à trois voies - fonctionne comme une unité de mélange, ouvrant et fermant le débit d'eau vers la chaudière à partir du système de chauffage. Il existe des dispositifs mécaniques simples et des vannes à trois voies servocommandées précises.
- Pompe de circulation - selon le schéma de tuyauterie sélectionné, un ou deux modules sont installés. La pompe est utilisée pour créer une pression constante et une recirculation dans le système ECS.
Matériau de tuyau pour tuyauterie BKN
- Eau froide - un tuyau en polypropylène ordinaire peut être installé. Le matériau est adapté pour souder l'ensemble du système d'eau froide.
- Alimentation en eau chaude - la température de l'ECS fournie à l'utilisateur est maintenue à 65-70 °.Il est permis d'utiliser du polypropylène avec renfort en fibre de verre (renforcé) ou en aluminium, destiné à l'alimentation en eau chaude.Autre option: attacher avec un tuyau en cuivre. Lors de la pose d'un tuyau en cuivre, l'utilisation d'une isolation thermique est obligatoire. Le cuivre est un bon conducteur de chaleur, ce qui entraînera inévitablement une diminution de la température de l'eau chauffée lors du transport vers le consommateur final. L'isolation thermique des tuyaux protégera contre les pertes de chaleur.
Options pour la tuyauterie d'une chaudière à chauffage indirect
Un autre facteur important à prendre en compte lors du choix d'un type de connexion est la volatilité. Il existe des systèmes gravitaires dans lesquels la circulation de l'eau et du liquide de refroidissement se produit indépendamment, ainsi que des systèmes avec création de pression forcée (pompage). Ce dernier ne peut pas fonctionner sans électricité. Les fabricants de BKN dans les instructions d'utilisation indiquent le schéma de cerclage recommandé, qui est également pris en compte lors de la connexion.
- chauffage rapide de l'eau chaude;
- économies avec une utilisation constante de la chaudière;
- la possibilité d'automatiser le chauffage de l'eau.




Liaison dans un système de gravité
Installation de la recirculation ECS avec BKN
- diminution de la température de chauffage ECS ;
- augmentation des coûts de carburant ;
- dépendance énergétique.


Tuyauterie BKN avec une chaudière à double circuit
- A l'ouverture du robinet, la chaudière à double circuit chauffe l'échangeur ECS en dépensant le maximum d'énergie thermique sur celui-ci. Il faut du temps pour que la bobine chauffe. Pour cette raison, l'eau chaude n'est pas fournie à l'utilisateur immédiatement après l'ouverture du robinet, mais après un certain temps (la période dépend de la distance du point de puisage et de la puissance de la chaudière).
- Les démarrages et arrêts fréquents de l'alimentation en eau chaude créent une charge sur les éléments chauffants, ce qui peut entraîner une défaillance rapide de l'équipement.
Matériaux et outils
Matériaux:
- Tuyaux, vannes, clapets anti-retour - il n'y a pas d'exigences particulières pour eux: utilisez les mêmes matériaux que pour travailler avec des systèmes d'eau chaude ou de chauffage.
- Vase d'expansion - un réservoir séparé est nécessaire pour le système d'alimentation en eau domestique, il sert à éviter les chutes de pression soudaines lors de l'ouverture / fermeture des robinets.
Attention! Le réservoir doit être conçu pour être utilisé avec de l'eau chaude, généralement ces appareils sont marqués avec des marques spéciales. Pompe de circulation - une pompe séparée est généralement installée dans le circuit d'échange de chaleur avec un chauffe-eau
Pompe de circulation - en règle générale, une pompe séparée est installée dans le circuit d'échange de chaleur avec le chauffe-eau.
De plus, dans les systèmes ECS avec recirculation, une pompe séparée est nécessaire pour faire circuler l'eau dans le circuit ECS.
Cela élimine le besoin d'attendre que l'eau chaude coule dans des tuyaux de grande longueur depuis le site d'installation du chauffe-eau : l'eau sera immédiatement chaude.
- Fils et petites canalisations électriques - si vous prévoyez de connecter le thermostat du chauffe-eau à l'automatisation de la chaudière.
- Fixations - en particulier en cas de montage mural, également pour la fixation de tuyaux et de pompes.
- Ensemble de plomberie standard de produits d'étanchéité, joints, joints.
Outil:
- clé à gaz;
- clés de différents diamètres;
- Clé à molette;
- niveau du bâtiment ;
- perforateur, tournevis, tournevis;
- set minimum électricien : couteau, pince coupante, ruban isolant, testeur de phase.
Processus d'installation : comment se connecter
Idéalement, la chaudière doit être située le plus près possible de la chaudière de chauffage pour minimiser les pertes de chaleur.
L'eau froide est toujours fournie au tuyau inférieur de la chaudière et l'eau chaude est prélevée du tuyau supérieur.
- Choisissez l'emplacement du chauffe-eau afin qu'il ne gêne pas et qu'il soit facile à entretenir. Montez les supports, les supports, fixez-les dessus.
- Se raccorder au réseau d'eau froide : faire un robinet, mettre un robinet d'arrêt et un filtre grossier.
- À travers un té, déviez la conduite d'eau froide vers les consommateurs, connectez la deuxième sortie à la chaudière via une soupape de sécurité.
- Connectez la conduite d'eau chaude de la maison à la chaudière, sans oublier le vase d'expansion. De plus, installez des vannes de dérivation afin de pouvoir le déconnecter du circuit pendant la durée du service.
- Raccordez maintenant la chaudière à la chaudière à gaz selon l'un des schémas ci-dessus. N'oubliez pas d'éteindre la chaudière et de fermer le système avant de vous connecter !
- Connectez l'électronique, les capteurs, les pompes conformément aux instructions.
Démarrage et vérification
Après l'installation, il faut d'abord connecter et remplir la chaudière avec de l'eau froide. Assurez-vous que toutes les poches d'air sont éliminées du système et que la chaudière est complètement remplie afin de ne pas la faire surchauffer.
Lorsque la chaudière est pleine, réglez la température souhaitée à l'aide de l'automatisation. Démarrez la chaudière, ouvrez l'alimentation en liquide de refroidissement du système de chauffage vers la chaudière.
Lorsque le système est opérationnel, vérifiez que la soupape de sécurité (généralement réglée sur 8 bars) ne fuit pas, c'est-à-dire qu'il n'y a pas de surpression dans le système. Vous devez également vérifier toutes les connexions, les joints et les robinets pour détecter les fuites.
Erreurs d'installation courantes

Le fabricant, se référant aux normes du SNIP, exige lors de l'installation d'effectuer une isolation sur les conduites d'eau froide / eau chaude avec une couche de 20 mm et une conductivité thermique de 0,030 W / m2.Dans le même temps, le tuyau et tous les composants sont isolés.
Ils souffrent sans isolement et sans réseau d'eau froide, étant un lieu où le condensat est collecté massivement, créant des conditions insalubres. Une autre erreur courante est l'installation sans vase d'expansion, en particulier pour les réservoirs d'un volume de 200 litres ou plus.
Liste des autres infractions :
- Le câble électrique est acheminé dans une zone à haute température ou sur des surfaces métalliques coupantes.
- La procédure de raccordement au système d'alimentation en eau spécifiée dans le schéma par le fabricant est violée.
- Le niveau d'installation vertical/horizontal n'est pas respecté.
- Pas de boucle de masse du réchauffeur.
- Les paramètres du réseau électrique ne répondent pas aux exigences du fabricant spécifiées dans les données du passeport.
Avant de démarrer l'appareil, vous devez examiner attentivement le circuit, même la plus petite erreur dans l'installation peut devenir fatale lors de son fonctionnement, de sorte que tout propriétaire qui se respecte doit savoir comment connecter correctement la chaudière.
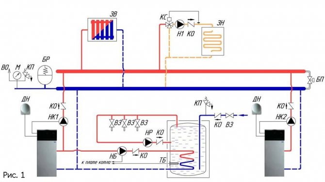
Comment fonctionne une chaudière en tandem avec une chaudière non volatile
Si une chaudière non volatile est utilisée comme source de chauffage, pour que l'ECS soit prioritaire, la chaudière doit être située au-dessus des radiateurs. Ceci est facile à faire si le modèle est de type mural. La meilleure position est lorsque le bas du ballon d'eau chaude est plus haut que la chaudière et les radiateurs.
Dans le modèle au sol, l'eau chauffera, mais cela prendra beaucoup plus de temps. De plus, l'eau au fond du réservoir restera non chauffée. Sa température ne dépassera pas le niveau de chauffage de retour dans le système de chauffage. Avec un tel schéma, l'écoulement du liquide de refroidissement se fait par gravité, la force motrice est la gravité.Il existe une méthode d'installation dans laquelle une pompe de circulation est connectée à la chaudière. Mais ce n'est pas une option, car en l'absence d'électricité, l'eau ne chauffera pas. Les spécialistes ont développé plusieurs schémas adaptés aux systèmes de chauffage gravitationnel.

L'astuce est que le diamètre du tuyau destiné au circuit du chauffe-eau est pris un pas plus grand que le diamètre du tuyau de chauffage. Le liquide de refroidissement, selon les lois de la physique, «choisira» un tuyau de grand diamètre, c'est-à-dire que la chaudière sera une priorité.
D'une autre manière, une tête thermostatique alimentée par batterie avec un capteur intégré est installée dans le système de chauffage. Tout est très simple: à l'aide du régulateur de tête thermostatique, le niveau de chauffage de l'eau souhaité est réglé. Pendant que l'eau est froide, le thermostat ouvre la voie à l'eau vers la chaudière. Dès que l'eau se réchauffe, le liquide de refroidissement est envoyé dans le circuit de chauffage.
Normes et règles d'installation d'une chaudière dans un appartement
Une fois que le propriétaire a pris une décision et acheté un chauffe-eau électrique, il doit l'installer. Avant d'installer une chaudière dans un appartement, vous devez décider qui effectuera les travaux d'installation.

Pour cela, de nombreux propriétaires invitent des spécialistes qui disposent des outils et de l'expérience nécessaires et sont prêts à installer un chauffe-eau en quelques heures avec une qualité et une fiabilité élevées. Le coût d'installation d'une chaudière dépendra de la capacité et de l'emplacement.
Les artisans à domicile peuvent gérer cela eux-mêmes. Avant de connecter la chaudière, afin que l'équipement installé dure longtemps et ne devienne pas une source de situations dangereuses, vous devrez suivre un certain nombre de règles:
- Le mur pour placer l'appareil doit être solide, il est interdit d'installer le chauffe-eau sur des cloisons en plaques de plâtre ou en bois.
- La zone de localisation est aussi proche que possible du câblage intra-maison des communications techniques: eau, égouts et électricité.
- La prise électrique d'allumage de la chaudière doit être située à côté de l'appareil et servir uniquement à celui-ci, avec un branchement direct sans rallonge.
- Il y a un espace libre devant le chauffe-eau pour l'entretien et la réparation, de plus, il est placé le plus haut possible pour ne pas gêner le passage des personnes.
- Pour une vidange d'urgence de l'eau, l'appareil doit avoir accès aux égouts.
- Vous devrez également d'abord mettre la chaudière à la terre et installer une protection RCD sur la ligne électrique.
- Le schéma d'installation de la chaudière doit être réalisé conformément aux recommandations du fabricant. Pour éteindre le chauffe-eau pour réparation ou entretien, des vannes d'arrêt et une soupape de sécurité sont installées, selon les tailles standard indiquées dans la documentation du chauffe-eau.
- Dans le cas où la conception de la chaudière ne prévoit pas de ligne de drainage avec vanne, celle-ci est installée sur les conduites d'alimentation en eau froide au point le plus bas devant le réservoir de stockage.
Schémas de tuyauterie BKN avec une chaudière à circuit unique
Il existe différents schémas de tuyauterie d'une chaudière à circuit unique avec chaudière à chauffage indirect, le plus courant : raccordement du boîtier directement et avec commande automatique.
Dans les deux cas, lors de l'installation de l'équipement de la chaudière, il est important de respecter toutes les exigences de fonctionnement en toute sécurité établies non seulement par le fabricant, mais également par les normes nationales.
Raccordement direct du BKN à un circuit de chauffage

C'est le schéma le plus simple pour lier une chaudière à circuit unique avec une chaudière, les experts le considèrent inefficace, surtout si la chaudière fonctionne à l'entrée avec un liquide de refroidissement d'une température allant jusqu'à 60 ° C. Dans ce mode de réalisation, le BKN est inclus dans le système de chauffage de la maison, en série ou en parallèle par rapport aux radiateurs de chauffage.
L'eau de source est fournie au BKN et l'eau chaude est fournie au système d'alimentation en eau chaude sanitaire des mélangeurs. L'eau froide entre dans le réservoir de stockage, dans lequel se trouve un serpentin en acier inoxydable ou en cuivre, à travers lequel l'eau de la chaudière chauffée circule, augmentant ainsi la température de l'eau dans le réservoir.
Le niveau de contrôle dans un tel schéma est manuel, en ouvrant / fermant l'alimentation en liquide de refroidissement dans le circuit à l'aide de vannes d'arrêt et de contrôle.
Schéma avec thermostat et automatisation
Il est clair qu'il est impossible d'obtenir un chauffage de haute qualité ou l'efficacité de la chaudière avec une chaudière à chauffage indirect en utilisant la méthode manuelle de contrôle du processus thermique. En réalité, il y aura toujours des situations où l'eau est soit surchauffée, soit froide.

Par conséquent, les utilisateurs utilisent un principe de contrôle simple dans le fonctionnement d'une chaudière avec une chaudière de chauffage en intégrant une vanne à trois voies et un capteur de température dans le système.
En atteignant le régime de température réglé de 55 à 65 C, le thermostat donne une commande à la vanne à trois voies, qui commute en conséquence le liquide de refroidissement de la chaudière de chauffage du chauffage de l'eau dans le réservoir au circuit de chauffage.
Liage à température élevée du liquide de refroidissement
Un chauffe-eau de cette modification fait référence à un chauffe-eau de type capacitif, c'est-à-dire que l'eau est chauffée pendant un certain temps de 2 à 8 heures, en fonction de la température du liquide de refroidissement, du taux de circulation et de la zone de chauffage de l'intérieur bobine.

Il est clair que plus l'eau chaude est chauffée à la sortie de la chaudière de chauffage, par exemple 90-95 C, plus le liquide dans le réservoir chauffera rapidement jusqu'à 65 C, ce qui signifie que le liquide de refroidissement reviendra au circuit de chauffage dont la température n'aura pas le temps de refroidir en dessous de 65 C et signifiera dans les locaux que seront maintenues les conditions de vie nécessaires.
Ce schéma, en principe, n'est pas différent du précédent, à l'exception des réglages de température. Afin de l'installer simultanément dans deux circuits de chauffage / BKN, installez 2 jeux de thermostats et vannes à trois voies, pour chaque circuit séparément. Le régime de température dans la chaudière est réglé sur une température de 95-90 C et dans le BKN - 55-65 C.
Se préparer à se connecter
La meilleure option pour installer une chaudière est une salle de bain. Si, en raison de l'espace libre limité, il n'est pas possible d'installer une chaudière à cet endroit, vous devez choisir une place dans la cuisine ou dans la buanderie. Lors du choix d'un site d'installation, il convient de veiller à assurer la possibilité d'alimenter un réseau électrique 220 V et une alimentation en eau froide.
La chaudière est installée à une distance considérable du sol. Dans la plupart des modèles, les communications sont connectées par le bas, l'appareil doit donc être placé à une hauteur d'au moins 50 cm.Si la chaudière est connectée dans la salle de bain, elle doit être placée à au moins 1 mètre de la baignoire et du lavabo.
Cela élimine la possibilité d'eau sur la surface de l'appareil et réduit la possibilité de choc électrique en cas de dysfonctionnement de l'appareil.
Il convient de garder à l'esprit qu'une chaudière remplie d'eau a une masse importante et doit être solidement fixée. Les chauffe-eau sont généralement installés au mur. Pour l'emplacement correct des trous de montage, vous pouvez utiliser une méthode de marquage très simple. Il faut préparer une feuille de carton et un feutre.
Les mesures sont effectuées dans l'ordre suivant :
-
Une feuille de carton est posée sur le sol.
- La chaudière est placée à plat sur le dessus du carton, tandis que les supports de montage doivent être bien ajustés contre le carton.
- Les trous pour les boulons de montage sont marqués sur le carton avec un marqueur.
- Un carton marqué est appliqué à l'endroit où la chaudière sera installée et les points de perçage des trous pour les boulons d'ancrage sont marqués avec un marqueur. Lorsque le marquage est terminé, des trous sont pratiqués dans le mur d'un diamètre de 12 mm avec un perforateur. La profondeur des trous dépend des boulons utilisés.
Pour une installation correcte de la chaudière, vous devrez installer une sortie séparée et fournir de l'eau froide à l'appareil.
Pour ce faire, vous devrez préparer les matériaux et outils suivants :
- Marteau perforateur ou perceuse à percussion.
- Pinces.
- Un marteau.
- Prise.
- Boîte à douilles.
- Des boulons d'ancrage.
- Câble électrique avec un diamètre d'âme d'au moins 3 mm.
- Clés.
- Tournevis.
- Construction de gypse.
- Interrupteur automatique 20 A.
- Ciseau.










































