- Les principaux types de pannes
- Avantages
- Schémas de raccordement à l'eau d'un chauffe-eau à accumulation mural
- Que peut-on faire de l'ancien radiateur "Ariston"
- Emplacement d'installation
- Astuces utiles
- Comment installer un chauffe-eau sur cloison sèche en 20 minutes après une rénovation de salle de bain
- Comment fabriquer un chauffe-eau électrique de vos propres mains
- Chauffe-eau solaire passif DIY : schéma de l'appareil
- Instructions étape par étape pour l'installation d'une chaudière
- Avantages et inconvénients
- Conseils: comment fabriquer un chauffe-eau électrique de vos propres mains
- Premier démarrage du chauffe-eau instantané
- Connecter un chauffe-eau puissant à tout l'appartement
- Sertissage
- Isolation du réservoir
- Comment installer un chauffe-eau sans réservoir
- Raccordement du chauffe-eau instantané à l'alimentation en eau
- Connexion électrique
- Comment connecter un chauffe-eau à accumulation dans le pays
- Fabrication d'un appareil fonctionnant à partir d'un système de chauffage
- Connexion électrique
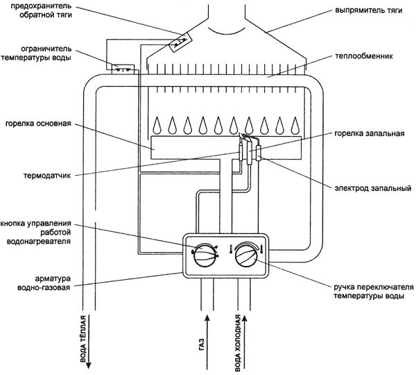
Les principaux types de pannes
Les fabricants modernes ont appris à créer d'excellents équipements de chauffage à eau de luxe. Pour un fonctionnement efficace, il utilise du gaz, échoue rarement. Cependant, même les meilleurs appareils de chauffage au gaz ne peuvent éviter les pannes. La liste des défauts inévitables comprend :
- fuites d'eau;
- mauvais chauffage du liquide;
- décharger les éléments de puissance ;
- faible pression d'eau;
- pas de gaz.
Les propriétaires de chaudières à gaz peuvent réparer eux-mêmes certains dysfonctionnements. Toute personne peut changer les piles du dispositif d'alimentation. Il est également facile d'éliminer la faible pression de l'eau - peut-être que du tartre excessif s'est formé dans l'échangeur de chaleur. Pour l'enlever, retirez l'échangeur de chaleur et rincez abondamment. Vous pouvez également utiliser des liquides de détartrage spéciaux à cet effet.
Il n'est pas difficile de résoudre vous-même le problème du mauvais chauffage de l'eau. La principale cause d'un tel dysfonctionnement est souvent la contamination par la suie de l'échangeur de chaleur. L'élimination de ce problème réside dans l'élimination de l'élément mentionné et l'élimination de la plaque. En cas de dysfonctionnements plus importants, vous devez contacter des professionnels.
Ceux qui ont vu assez de vidéo sur YouTube sur un chauffe-eau à gaz fait maison, qui consistait en un serpentin placé directement sur la plaque de cuisson dans la cuisine, ont probablement déjà rêvé de la façon dont vous pouvez obtenir beaucoup d'eau bouillante à moindre coût. En fait, ce n'est pas vrai. Aujourd'hui, nous allons parler des raisons pour lesquelles vous ne devriez pas faire un chauffe-eau à gaz de vos propres mains.
Avantages
Un tel système a ses avantages indéniables. Après tout, la chaudière dans ce cas remplit deux fonctions à la fois, ce qui en fait l'appareil le plus indispensable dans une maison ou un appartement. L'appareil présente les avantages suivants :
- gaspille beaucoup moins de chaleur que les radiateurs conventionnels, cela est dû à une couche spéciale d'isolation thermique;
- installation simple et pratique qui ne nécessite pas beaucoup d'énergie ;
- économise beaucoup d'argent et ne nécessite pas de coûts d'installation et d'entretien élevés, les chaudières de chauffage sont beaucoup plus chères que les chaudières moyennes. Les vieux chauffe-eau sont les plus économiques à utiliser;
- vous pouvez régler indépendamment le niveau de température requis ou arrêter complètement l'apport de chaleur ;
- facile à assembler soi-même à la maison, aucun outil spécial ni équipement de plomberie n'est requis, des compétences et des connaissances dans ce domaine, il suffit de suivre clairement les instructions;
- le chauffage lui-même provient du liquide de refroidissement, ce qui réduit les risques de percées et de mauvais fonctionnement du système ;
- vous pouvez utiliser de l'eau chaude et du chauffage à tout moment, même en cas d'accident à la station, cela est particulièrement fréquent en cas de rupture de canalisation dans les centrales thermiques en hiver - il fera toujours chaud à la maison.
Comme vous pouvez le constater, cet appareil présente de nombreux avantages qui, sans aucun doute, approuvent la chaudière comme source de chauffage dans la maison. Moins de coûts que pour le chauffage de la société de gestion, mais plus d'efficacité et, surtout, de fiabilité.
Schémas de raccordement à l'eau d'un chauffe-eau à accumulation mural
Les raccords pour l'alimentation en eau froide et l'évacuation de l'eau chaude sont situés au bas de la chaudière murale et sont marqués respectivement en bleu et rouge. La connexion au coffre peut se faire de deux manières :
- aucun groupe de sécurité ;
- avec l'équipe de sécurité.
Des schémas sans groupe de sécurité peuvent être utilisés lors du raccordement d'un chauffe-eau conçu pour une pression supérieure à la pression dans l'alimentation principale en eau froide, si cette pression est stable.En cas de pression instable et forte dans la ligne, il convient de privilégier le raccordement via un groupe de sécurité.
Dans tous les cas, le raccordement et l'installation du système d'alimentation en eau commencent par l'insertion de tés dans les canalisations d'eau froide et chaude après les robinets installés à l'entrée de l'alimentation en eau de l'appartement.
Attention! Si les tuyaux de la maison n'ont pas changé depuis longtemps, vous devez vérifier leur état avant de travailler. Il peut être nécessaire de remplacer les tuyaux en acier rouillés par des neufs. Des branches sont fabriquées à partir des tés pour connecter le chauffe-eau
Lorsque la chaudière est en marche, le robinet d'eau chaude doit être complètement fermé. L'eau froide coule librement vers le chauffage, les mélangeurs, la cuvette des toilettes
Des branches sont fabriquées à partir des tés pour connecter le chauffe-eau. Lorsque la chaudière est en marche, le robinet d'eau chaude doit être complètement fermé. L'eau froide coule librement vers le chauffage, les mélangeurs, la cuvette des toilettes.
Sur la chaudière, une soupape de sécurité est vissée sur l'arrivée d'eau froide. Il sert de protection contre la dilatation thermique de l'eau dans le réservoir de stockage, saignant périodiquement son excès. À partir du trou de vidange de la vanne, un tube de drainage est monté, qui doit être dirigé vers le bas et tomber librement dans le réservoir ou l'égout, sans plis qui pourraient empêcher le drainage de l'excès d'eau dans le réservoir.
Vérifier la soupape de décharge
Les vannes d'arrêt ne peuvent pas être installées entre la vanne et le chauffe-eau. Mais le té, sur la branche duquel est installé un robinet pour vider le réservoir, peut être installé, et est même recommandé par les fabricants. Le tuyau ou le tuyau qui en découle doit être amené à l'égout ou relié par un té au tuyau d'alimentation en eau froide de la soupape de sécurité.
A la sortie de la chaudière à eau chaude et à l'entrée d'eau froide, immédiatement après le clapet anti-retour, il est nécessaire d'installer des robinets qui bouchent cette ligne pendant la période où le chauffe-eau ne fonctionne pas. Après les robinets, les canalisations à travers des tuyaux flexibles de plomberie ou des tuyaux rigides en acier ou en plastique doivent être raccordées aux robinets à partir des tés du réseau.
Alimentation en eau sans groupe de sécurité avec réducteur de pression : 1 - vannes d'arrêt pour l'alimentation en eau ; 2 - réducteur de pression d'eau; 3 - vannes d'arrêt du chauffe-eau ; 4 - vérifier la soupape de sécurité ; 5 - drainage à l'égout; 6 - vanne pour vidanger l'eau du réservoir; 7 - chauffe-eau à accumulation
Si l'alimentation en eau principale nécessite un réglage de la pression, le réducteur ou ensemble de groupes de sécurité à l'arrivée d'eau froide après les robinets principaux ou sur les dérivations des tés. En règle générale, pour les chauffe-eau domestiques dans les zones urbaines, il suffit d'installer un réducteur de pression qui réduit la pression aux limites autorisées ou recommandées par le fabricant.
Le groupe de sécurité d'un chauffe-eau électrique est constitué d'éléments individuels assemblés localement. A ne pas confondre avec le groupe de sécurité pour chaudières ! L'ordre de leur installation est indiqué sur la figure.
Schéma d'approvisionnement en eau à travers le groupe de sécurité : 1 - réducteur de pression ; 2 - vanne pour vidanger le réservoir; 3 - groupe de sécurité ; 4 - vidange à l'égout lorsque la pression de l'eau est dépassée
Pour les chauffe-eau horizontaux, la connexion s'effectue selon des schémas similaires.
Que peut-on faire de l'ancien radiateur "Ariston"
Les «heureux» propriétaires de chauffe-eau Ariston, après avoir remplacé à plusieurs reprises l'élément chauffant, décident d'acheter et d'installer un appareil d'une autre marque.À partir du même appareil, une excellente version d'une douche de campagne est obtenue, dont l'eau est chauffée par l'énergie solaire. Pour transformer l'appareil en ballon d'eau chaude, vous devez :
- Coupez le boîtier extérieur de l'appareil avec une meuleuse et retirez-le.
- Dégagez le réservoir intérieur de l'isolation thermique.
- Dégraisser la surface.
- Peignez le réservoir en noir mat avec n'importe quelle peinture pour métal.
- Installer et raccorder le réservoir au système de douche d'été.
L'installation du réservoir doit être effectuée à une hauteur d'au moins 2,5 mètres dans une zone exposée au soleil. Le plus correct serait d'installer directement le chauffe-eau sur le toit de la douche d'été. Le récipient doit être installé en position verticale et le raccordement à l'eau doit être effectué sur le tuyau de vidange de l'appareil, car contrairement au modèle électrique, dans la douche d'été, l'eau sera évacuée par gravité.
Cette version de la douche de campagne est la plus simple. Si vous le souhaitez, vous pouvez créer une conception plus complexe de l'appareil qui chauffe le liquide à l'aide de l'énergie solaire.
Emplacement d'installation
Remettez le couvercle et installez le radiateur là où il ne sera pas exposé à des éclaboussures directes d'eau.
Dans ce cas, l'appareil doit être situé strictement horizontalement.
Si vous le placez sur une étagère ou le suspendez à un fil, il peut s'incliner et "s'aérer" pendant le fonctionnement. La section de l'élément chauffant, qui s'est avérée sans eau à cause de cela, va simplement surchauffer et s'éteindre.
Par conséquent, deux vis dans le mur, tout en observant le niveau de l'horizon, doivent encore être percées.
Erreur #4
Le radiateur, lorsqu'il est utilisé comme douche, n'est pas recommandé pour être installé sous le niveau de la tête d'une personne ou placé à l'intérieur d'une baignoire.
Il est permis de mettre au-dessus de l'évier.
Nous avons compris l'endroit et le câblage, passons à la plomberie.
Astuces utiles
Avant d'allumer le radiateur, ouvrez d'abord le robinet d'eau froide. Le non-respect entraînera l'épuisement de l'appareil.
Un chauffe-eau instantané fait maison est mieux utilisé dans les endroits où l'activité humaine est minimale.
Effectuez régulièrement des diagnostics d'un appareil fait maison. Si des défauts sont constatés, réparez immédiatement les dommages.
Seul un produit d'usine répond à toutes les exigences de sécurité. Sans extrême nécessité, il n'est pas recommandé de fabriquer des échantillons d'artisanat à la maison.
Lire la suite:
Installation étape par étape d'un chauffe-eau à induction
Comment fabriquer un chauffe-eau à bois de vos propres mains
Comment faire chaudière à faire soi-même - ordre de montage étape par étape
Choisir un chauffe-eau - instantané ou à accumulation
Nous connectons correctement le chauffe-eau instantané
Comment installer un chauffe-eau sur cloison sèche en 20 minutes après une rénovation de salle de bain
Si nécessaire, des plaques de n'importe quel matériau en feuille suffisamment résistant sont utilisées.
Capteur de débit ou son équivalent mécanique Cet élément alimente le réchauffeur au moment où le mouvement de l'eau est détecté.
Mais même dans ce cas, il n'est pas recommandé d'allumer simultanément plusieurs appareils électroménagers à la fois, afin que les fiches fusibles du panneau électrique ne se défoncent pas ou, pire encore, qu'un court-circuit ne se produise.
J'appelle un échangeur de chaleur un nœud dans lequel l'eau est chauffée, généralement un élément chauffant y est installé. Si le vendeur propose des services d'installation, considérez cette option, notamment lors de l'achat d'un modèle à pression électrique ou d'une colonne de gaz. L'avantage de l'appareil est le chauffage instantané de l'eau courante d'un robinet ou d'une douche.
Les chauffe-eau à accumulation, contrairement aux chauffe-eau à circulation, disposent d'un réservoir de stockage à isolation thermique de 5 à 1 litres pour l'eau, où il est constamment chauffé - en maintenant la température de l'eau que vous avez définie. Il faut se rappeler que dans ce cas, l'ampoule n'affiche pas le fonctionnement de l'élément chauffant - en cas de grillage, elle brillera également, mais le chauffage ne se produira pas. Installation de systèmes métal-plastique L'utilisation d'une couche d'aluminium dans la paroi d'une conduite d'eau pour l'eau froide et l'eau chaude est due à la nécessité de protéger les parties métalliques du système contre l'oxydation.
Regarder la vidéo Regarder la vidéo Raccordement du chauffe-eau au secteur Il existe une opinion parmi les consommateurs selon laquelle le raccordement du chauffe-eau à l'alimentation électrique consiste à brancher la fiche dans la prise. Si la pression dans le système est inférieure à la valeur autorisée, l'électricité est coupée, le voyant s'éteint. Le relais de puissance du chauffe-eau Termex Maintenant, il convient de considérer le système de contrôle groupe de contact de relais P, qui est contrôlé par le courant de la bobine. Dans les solutions de conception, différentes connexions d'alimentation secteur peuvent être utilisées.
Article Vidéo Le chauffe-eau instantané électrique est le plus souvent utilisé si les problèmes d'approvisionnement en eau chaude dans l'appartement sont fréquents. La commande électronique permet l'utilisation d'un chauffe-eau électrique instantané à plusieurs points de puisage.Les propriétaires de maisons privées qui ne sont pas en mesure de se connecter aux principaux systèmes de gaz devront privilégier les options électriques pour les équipements qui préparent l'eau sanitaire.
En conséquence, la consommation d'énergie est la même. La puissance de ces appareils est généralement de kW. Il existe deux types de chauffe-eau instantanés à commande électronique : les modèles avec contrôle uniquement de la température de l'eau ; modèles à température et pression de fluide réglables. Dessin de l'élément chauffant sec.
Réparation de chauffe-eau instantané
Comment fabriquer un chauffe-eau électrique de vos propres mains
Assez souvent, dans les maisons de ville connectées à une conduite de gaz, un chauffe-eau à gaz en circulation est utilisé, communément appelé «colonne». Les appareils sur une cuisinière à gaz qui fournissent de l'eau chaude à la cuisine et à la salle de bain sont également très populaires.
Un réservoir d'une capacité de 120 litres devrait suffire pour une famille de 4 pendant plusieurs jours. En installant une chaudière maison sur une armoire haute, l'eau de celle-ci sera fournie par gravité.

Progrès:
- Préparez un contenant de la taille requise;
- Fabriquez une bobine à partir de tuyaux en cuivre;
- Isoler la structure;
- Assembler un chauffe-eau instantané ;
- Connectez l'élément chauffant ;
- Retirez les tuyaux d'eau chaude et froide, installez des robinets à l'entrée.
Un chauffe-eau instantané fait maison à partir du réseau peut être fabriqué à partir d'une ancienne bouteille de gaz ou acheté un grand récipient en acier inoxydable ou en aluminium.
Chauffe-eau solaire passif DIY : schéma de l'appareil
Un chauffe-eau solaire est un appareil pour lequel il n'est pas nécessaire de se connecter à l'électricité et d'utiliser des pompes pour faire circuler l'eau.L'unité la plus simple, souvent utilisée pour une douche extérieure ou une plomberie maison, est un grand réservoir en métal rempli d'eau. Pendant la journée, l'eau qu'il contient peut chauffer jusqu'à 40 degrés. Grâce à la tuyauterie, vous pouvez mettre de l'eau aussi bien dans la douche que dans la cuisine.

Le convecteur solaire se compose d'un réservoir de stockage, de conduites d'eau, d'un dissipateur de chaleur et d'un échangeur de chaleur. Un réservoir de 200 litres et un convecteur solaire d'une superficie de 2 à 2,5 m² suffisent pour les besoins domestiques. Un tel appareil pourra chauffer une quantité d'eau suffisante en quelques heures d'ensoleillement.
Schéma de travail sur un convecteur solaire:
- Les tuyaux sans soudure sont soudés ensemble, formant un treillis. Par soudure, fixez-le à une tôle d'acier solide et recouvrez-le de peinture noire.
- Fabriquez un cadre en contreplaqué résistant à l'humidité et fixez-le à une tôle d'acier en découpant des trous pour les tuyaux dans le cadre.
- Isolez les tuyaux et recouvrez le collecteur de verre en reliant les pièces avec du silicone. Enduisez également l'espace libre entre le cadre et le verre avec du silicone.
- Pliez le tuyau en cuivre en spirale, faites ressortir son bord. Isolez le réservoir pour une meilleure rétention de la chaleur.
- Installez le collecteur en place, connectez-le aux tuyaux d'eau froide et chaude. Installez le vase d'expansion lorsque l'eau chaude entre dans le réservoir.
Pour vérifier le fonctionnement de la chaudière, vous devez remplir le réservoir d'eau, verser de l'eau dans le système de convecteur. Lorsque l'eau est chauffée, elle monte et remplit le réservoir, et de l'eau froide s'écoule de celle-ci dans le système.
Instructions étape par étape pour l'installation d'une chaudière
Il vaut mieux travailler ensemble, si ce n'est pas possible, alors appelez un assistant au moins juste pour accrocher le chauffe-eau.
Étape 1.Décidez de l'emplacement d'installation de la chaudière à accumulation, établissez un schéma des canalisations. Vous devrez fournir de l'eau froide et de l'eau chaude.
Un chauffe-eau y sera installé. Les dimensions de la pièce correspondent aux dimensions de la chaudière
Nous vous recommandons de vous connecter selon le schéma le plus simple et le plus fiable. Il y a une vanne d'arrêt à l'entrée d'eau froide, suivie d'une soupape de sécurité avec un retour. Une vanne n'est pas nécessaire à la sortie d'eau chaude, il suffit d'en fermer une pour les réparations. Si vous le souhaitez, vous pouvez mettre des vannes à chaque tour et sur chaque tuyau, mais le résultat d'un tel travail ne sera que négatif. En plus de devoir acheter des éléments inutiles, le temps d'installation augmentera et le nombre de fuites possibles augmentera. La pratique montre que toutes les autres vannes d'arrêt ne sont jamais utilisées, une seule entrée est toujours bloquée.
Si vous avez une nouvelle construction et que des douilles de tuyau ont déjà été faites dans le mur, le travail est alors beaucoup plus simple. Et si la chaudière est installée dans une salle de bain déjà exploitée ? L'approvisionnement en eau est mieux pris de l'évier. Démontez le raccord à l'entrée d'eau froide et installez-y un té. Connectez l'eau chaude à un robinet de douche existant. Vous pouvez effectuer ce travail rapidement en utilisant une tuyauterie extérieure et des tuyaux flexibles, ou vous pouvez abandonner les murs et masquer les communications. La deuxième option est bien meilleure, mais nécessite plus d'efforts. De plus, il n'est pas toujours possible de restaurer le revêtement mural avec des carreaux de céramique dans sa forme originale. Décidez vous-même quelle option choisir.
Étape 2. Déballez le chauffe-eau et vérifiez son contenu.Le contenu de la livraison est indiqué dans les instructions du fabricant. Au même endroit, en passant, un schéma d'installation approximatif est également donné. Sur ce schéma, un seul point est important pour vous - comment connecter la soupape de sécurité. Nous avons déjà mentionné qu'il est situé dans le même bâtiment avec l'inverse.
Avantages et inconvénients
Les chauffe-eau instantanés présentent les avantages suivants :
- installation plus facile et coût inférieur par rapport aux chaudières à accumulation ;
- compacité;
- chauffage rapide de l'eau.
Les aspects négatifs de ces appareils comprennent:
- consommation d'énergie élevée;
- la nécessité d'une pression suffisamment élevée dans l'alimentation en eau;
- l'incapacité de régler avec précision la température de l'eau de chauffage.
Choisir le bon chauffe-eau est très important. Ces appareils diffèrent les uns des autres par de nombreuses caractéristiques: puissance, pression de fonctionnement minimale, méthodes de contrôle (par exemple, contrôle de température progressif ou progressif) et autres paramètres.
Après acquisition chauffe-eau, il faut choisir un endroit pour sa mise en place.
Conseils: comment fabriquer un chauffe-eau électrique de vos propres mains
Les résidents des maisons privées éprouvent souvent des inconvénients en raison du manque d'équipement d'eau chaude. Une production d'eau chaude suffisamment gênante rend la vie incommode et entraîne une perte de temps. L'achat et l'installation d'une chaudière de chauffage électrique capable de résoudre ce problème coûteront assez cher.
La conception de la chaudière comprend un récipient de volume suffisant, un élément chauffant responsable de la chaleur et de son approvisionnement. Un conteneur pour une chaudière maison doit être choisi celui qui sera le moins sujet à la corrosion.

Comment fabriquer des serpentins pour un chauffe-eau :
- Pour la fabrication, vous pouvez utiliser un tuyau en métal.
- Vous pouvez fabriquer une bobine à partir d'un tuyau en métal-plastique de petit diamètre.
- Pour réaliser facilement un coil, vous pouvez utiliser un tuyau qui aura une forme cylindrique.
- Une extrémité du tuyau doit être fixée sur la tige, en effectuant une rotation lente, ce qui vous permettra de contrôler la densité des spires et leur liberté.
Il est important de se rappeler que du tartre se forme sur la bobine métallique au fil du temps, il doit donc être nettoyé de temps en temps. Pour garder au chaud, la chaudière doit avoir une bonne isolation thermique.
Pour ce faire, vous pouvez utiliser une grande variété de matériaux : mousse, isolon, mousse de polyuréthane.
Premier démarrage du chauffe-eau instantané
Lorsque vous coupez l'alimentation en eau chaude, fermez le robinet d'eau chaude à l'entrée de la maison ou de l'appartement. L'eau froide reste ouverte.
Ensuite, ouvrez les deux robinets d'arrêt du chauffe-eau.
Après cela, fermez n'importe quel robinet d'eau chaude dans la cuisine ou dans la salle de bain pendant 20 à 30 secondes.
Ainsi, vous faites passer de l'eau froide à travers l'appareil, expulsant l'air accumulé de tous les tubes et cavités. Ce n'est qu'après toutes ces manipulations que vous pourrez allumer la machine dans le bouclier.
Au premier démarrage, il est conseillé de sélectionner la puissance par défaut, puis de modifier ultérieurement les modes de chauffage et la température en fonction de vos besoins.
Un tel chauffe-eau instantané démarre pendant toute la saison de coupure de l'alimentation en eau chaude. Pas besoin de cliquer d'avant en arrière tous les jours.
Tous les modèles modernes fonctionnent sur un principe simple - il y a une alimentation en eau à travers elle, elle chauffe. Sinon, il est désactivé en mode veille.
C'est-à-dire qu'il ne chauffe pas constamment l'eau à l'intérieur de lui-même selon le principe de la même chaudière.
Après le redémarrage de l'eau chaude dans le système central, vous effectuez toutes les opérations dans l'ordre inverse :
éteindre la machine
fermez le robinet d'arrêt de l'appareil de chauffage
ouvrir la vanne ECS à l'entrée
Connecter un chauffe-eau puissant à tout l'appartement
Ceux qui veulent obtenir un remplacement complet de l'eau chaude devront acheter quelque chose de plus puissant.
Nous parlons de modèles de 10 kW et plus. Par exemple, les marques populaires Thermex et Clage. Le plus souvent, ils achètent pour 12-15 kW et pour trois phases.
Selon les paramètres d'usine, de telles pièces peuvent supporter une pression maximale de 10 bars (1 MPa) et tireront calmement l'ensemble du système d'ECS de la maison. Le taux de pression pour un immeuble de grande hauteur est de 0,3 (minimum) à 6 atmosphères (0,6 MPa).
Le débit de l'appareil est de 6 à 9 l/min, avec une augmentation de la température par rapport à l'initiale (delta) de 25C.
Les travaux préparatoires recommencent avec l'analyse du chauffe-eau.
Dévissez les vis en bas du boîtier et retirez délicatement le capot de protection.
Attention, il y a une boucle de fils entre l'affichage numérique et la carte de contrôle, ne le déchire pas.
Ce câble se déconnecte facilement via la prise.
Un radiateur mural est souvent livré avec un petit morceau de câble standard, qui peut rarement être adapté n'importe où.
Sertissage
Ce terme s'appelle un test de contrôle qui confirme le bon fonctionnement de l'équipement et de la plomberie. Lorsqu'il est effectué dans un appartement ou une maison privée, un dispositif spécial est utilisé, à l'aide duquel l'eau est pompée dans le système et la pression est augmentée manuellement. Cela se fait dans l'ordre suivant :
- Le testeur de pression est connecté à une conduite d'eau remplie d'eau. La pression monte à une valeur de 4-5 atmosphères.
- Le système est inspecté pour détecter les fuites et les éliminer au fur et à mesure qu'elles sont détectées.
- Une nouvelle montée en pression à 10-12 atmosphères est effectuée après leur liquidation.
- Dans cet état, le réchauffeur et les canalisations qui y sont reliées sont laissés pendant une journée.
Voir la vidéo
Le chauffe-eau est considéré comme prêt à fonctionner si la pression maximale atteinte dans l'alimentation en eau ne change pas au cours de la journée.
Isolation du réservoir
Pour minimiser les pertes de chaleur, le réservoir doit être enveloppé d'une couche d'isolation thermique. Pour cette utilisation :
- isoler ;
- mousse de construction;
- laine minérale;
- mousse;
- mousse de polyurethane.
Certains utilisent un substrat à base de papier d'aluminium pour les revêtements de sol stratifiés. La chaudière dans ce cas est enveloppée, comme un thermos. L'isolant est fixé avec des attaches en feuillard, de la colle ou du fil. Nous recommandons d'isoler tout le corps. Cela garantira non seulement une conservation à long terme de l'eau chaude, mais réduira également la durée de chauffage du réservoir, ce qui réduira le débit du liquide de refroidissement.
Sans isolation thermique soigneusement organisée, l'eau du réservoir se refroidit rapidement. Le plus souvent, ils recourent à la construction d'un double réservoir : un petit récipient est placé à l'intérieur d'un grand. L'espace qui en résulte entre eux remplit également la fonction d'isolation thermique.
Comment installer un chauffe-eau sans réservoir
Comme déjà mentionné, le chauffe-eau instantané a des dimensions plus petites, il est donc plus facile de lui trouver une place. Il peut être accroché à côté du mur, ou vous pouvez le cacher dans une armoire. Ses dimensions sont généralement de 15*20cm*7cm environ. En général, ils sont petits. Poids - à partir d'une résistance de 3 à 4 kg, de sorte que les exigences en matière de fixations sont minimales.Habituellement, il est soit accroché à deux chevilles de petit diamètre vissées dans le mur, soit il a une plaque de montage qui est vissée au mur, et le chauffe-eau y est déjà accroché. Nous avons compris comment installer un chauffe-eau à circulation, maintenant à propos de la connexion.
Raccordement du chauffe-eau instantané à l'alimentation en eau
De ce côté, tout est simple. Mais l'inconvénient est qu'il ne peut fournir de l'eau qu'à un point à la fois. Selon l'emplacement d'installation, soit une pomme de douche avec un tuyau flexible, soit un jars pour laver la vaisselle est placé à la sortie d'eau chaude. Il est possible de mettre à la fois le "jars" et l'arrosoir à travers le tee (comme sur la photo à l'extrême droite).

Comment brancher un chauffe-eau électrique instantané
Afin de pouvoir retirer le chauffe-eau si nécessaire et de ne pas couper l'eau dans tout l'appartement ou la maison, des vannes à bille sont installées à l'entrée et à la sortie. Ce sont des équipements obligatoires. Le raccordement des buses au point de raccordement de la conduite d'alimentation en eau froide s'effectue de la même manière que lors du raccordement de la chaudière : avec des tuyaux ondulés en acier inoxydable ou des tuyaux en plastique. L'eau chaude au point, si nécessaire, est acheminée par un tuyau flexible : en principe, il n'y a pas de températures trop élevées ici, donc il faut qu'elle résiste.

Schéma de câblage chauffe-eau instantané à l'alimentation en eau
Une autre caractéristique des chauffe-eau instantanés est qu'ils ne peuvent normalement chauffer qu'une certaine quantité d'eau. Avec une augmentation du débit ou une température d'entrée trop basse, ils ne font pas face à la tâche. Par conséquent, le plus souvent, un tel chauffe-eau est utilisé de manière temporaire - dans le pays ou lorsque l'alimentation en eau chaude est coupée à titre préventif (pour l'été).
Il n'est pas difficile de résoudre le problème avec une quantité d'eau excessive (lorsque la pression monte au-dessus de la norme) : soit mettre un réducteur à l'entrée, soit un limiteur de débit. Le réducteur est un appareil plus sérieux et il est recommandé de l'installer à l'entrée de l'appartement, et le limiteur de débit est un petit cylindre avec une vanne. Il se visse sur l'arrivée d'eau froide. Un exemple de comment installer un chauffe-eau à débit et où enrouler le limiteur de débit est dans la vidéo.
Connexion électrique
Avec la partie électrique du raccordement, tout est pareil qu'avec la chaudière : une ligne dédiée, RCD + automatique. D'autres ne sont que des valeurs nominales et des sections de fil. Puissance nominale jusqu'à 5 kW - 25 A, jusqu'à 7 kW - 32 A, de 7 à 9 kW - 40 A. La section du fil de cuivre est de 4-6 mm (monofilament).
Comment connecter un chauffe-eau à accumulation dans le pays
En règle générale, les chalets doivent faire face à une très faible pression à l'intérieur du système de plomberie, ce qui élimine la possibilité en utilisant des schémas d'installation classiques chauffe-eau. Le moyen de sortir de cette situation est un conteneur spécial installé séparément de l'appareil de chauffage: les réservoirs de la chaudière en sont déjà remplis. Un clapet anti-retour ne peut pas être utilisé dans ce schéma.
Il est important de choisir le plus précisément possible le volume de capacité supplémentaire: il doit être plusieurs fois supérieur au volume du réservoir (réservoirs) de l'appareil. Le récipient pour créer la pression ne peut pas être fermé (sous vide), il faut donc y faire des trous.

Il est préférable qu'il y ait une vanne à flotteur dans un tel réservoir pour régler le niveau de liquide. Un robinet ou une vanne est installé sur le tuyau allant du réservoir au chauffe-eau.Avant de raccorder le chauffe-eau, le réservoir sous pression est monté jusqu'au grenier : il doit être situé au-dessus de la chaudière à une hauteur de plus de deux mètres. Si la datcha ou la maison de campagne ne sera pas utilisée en hiver, le contenu du réservoir doit être vidé avant le début du gel.
Fabrication d'un appareil fonctionnant à partir d'un système de chauffage
Comment fabriquer soi-même un chauffe-eau à circulation qui fonctionne à partir d'un système de chauffage? La base du fonctionnement de cette unité est le chauffage de l'échangeur de chaleur avec un serpentin, qui est placé dans le liquide de refroidissement chaud du système de chauffage. Un accumulateur de chaleur peut jouer son rôle.
Cependant, l'insertion d'une telle bobine dans un nouvel accumulateur de chaleur conduira à un mauvais résultat. Vous pouvez endommager l'isolation, ce qui réduira considérablement le niveau d'efficacité. La fabrication d'un accumulateur thermique doit être effectuée de manière indépendante. L'appareil doit être petit. Ensuite, un échangeur de chaleur s'y écrase et toute la structure est isolée.
Connexion électrique
La connexion au réseau électrique ne doit pas faire l'objet de moins d'attention que l'approvisionnement en eau. Tout d'abord, il est nécessaire de calculer la puissance totale de tous les appareils électriques de l'appartement, y compris le chauffe-eau installé. Le chiffre obtenu doit être comparé aux caractéristiques du disjoncteur général.
Il convient de garder à l'esprit que dans de nombreuses maisons de bâtiments anciens, les équipements de commutation et le câblage électrique ne sont pas conçus pour la puissance que leurs consommateurs chargent aujourd'hui. Par conséquent, il est préférable de les remplacer si possible.
La puissance de la plupart des chauffe-eau monophasés est jusqu'à 9 kW à un courant allant jusqu'à 27A. Compte tenu de la puissance élevée de tels appareils, il est conseillé de tendre une ligne distincte du tableau électrique pour les alimenter. Lors de la connexion, il est recommandé d'utiliser un câble à trois conducteurs PVA 3x4.
Dans le même temps, il ne faut pas oublier que le courant dans une pièce humide est le plus dangereux, les considérations de sécurité électrique doivent donc primer. Par conséquent, il est obligatoire d'installer un dispositif de courant résiduel en plus du disjoncteur.
En soi, connecter le fil ne semble pas être quelque chose de difficile. En règle générale, le schéma de connexion est donné dans les instructions. Sous le couvercle du chauffe-eau se trouve un bornier. Trois conducteurs doivent y être connectés: phase, zéro de travail et terre.
il est strictement interdit de connecter le fil de terre au zéro de travail
Un chauffe-eau instantané est l'un des dispositifs les plus efficaces en cas d'arrêt de courte durée de l'alimentation en eau chaude. Il présente de nombreux avantages par rapport aux autres appareils qui remplissent des fonctions similaires. De tels appareils sont pratiques pour une utilisation à la fois dans les appartements en ville et dans les petites maisons de campagne. L'installation de chauffe-eau n'est pas particulièrement difficile et peut très bien se faire de vos propres mains.











































