Régulateur de vitesse du ventilateur : types d'appareils et règles de connexion

Contrôle de la vitesse du refroidisseur d'ordinateur

Critères de sélection et coût

Afin de choisir correctement le type de régulateur le plus approprié, vous devez avoir une bonne idée des variétés de ces appareils:

  1. Différents types de contrôle. Peut être un système de contrôle vectoriel ou scalaire. Les premiers sont utilisés plus souvent, tandis que les seconds sont considérés comme plus fiables.
  2. La puissance du régulateur doit correspondre à la puissance maximale possible du moteur.
  3. Par tension, il est pratique de choisir un appareil qui possède les propriétés les plus polyvalentes.
  4. Caractéristiques de fréquence.Le régulateur qui vous convient doit correspondre à la fréquence la plus élevée utilisée par le moteur.
  5. Autres caractéristiques. Ici, nous parlons de la taille de la période de garantie, des dimensions et d'autres caractéristiques.

Selon l'objectif et les propriétés du consommateur, les prix des régulateurs peuvent varier considérablement.

Pour la plupart, ils se situent entre environ 3,5 mille roubles et 9 mille roubles:

  1. Contrôleur de vitesse KA-18 ESC conçu pour les modèles à l'échelle 1:10. Il en coûte 6890 roubles.
  2. Le variateur de vitesse MEGA est collector (étanche). Il en coûte 3605 roubles.
  3. Régulateur de vitesse pour les modèles LaTrax 1:18. Son prix est de 5690 roubles.

Contrôle électronique du transformateur automatique

Le circuit d'un transformateur automatique électronique est basé sur le principe de la modulation de largeur d'impulsion. Dans ce cas, la modulation d'impulsions est réalisée par un circuit à transistor. Pendant le fonctionnement de ce circuit, un changement progressif de la tension de sortie se produit. La structure de l'étage de sortie du transformateur comprend des transistors à effet de champ ou bipolaires. Ils ont une porte d'isolement et commutent à une fréquence d'environ 50 kHz.

Le contrôle de puissance se produit en raison du cycle de service changeant des impulsions. Ce paramètre est le rapport entre la période de répétition de l'impulsion et sa durée

Dans ce cas, la fréquence reste inchangée. La diminution de la puissance fournie au moteur électrique se produit en raison d'une diminution de la durée des impulsions et d'une augmentation des pauses entre elles.

Ces modèles de contrôleurs sont de taille compacte et à faible coût. Comme inconvénient, il convient de noter la longueur limitée du câble de l'appareil lui-même au moteur électrique.À cet égard, l'unité de commande du transformateur automatique est placée dans un boîtier séparé et est placée directement à côté du ventilateur.

Périphérique système

Le type de collecteur du moteur se compose principalement d'un rotor, d'un stator, ainsi que de balais et d'une génératrice tachymétrique.

  1. Le rotor fait partie de la rotation, le stator est un type d'aimant externe.
  2. Les balais, qui sont en graphite, constituent la partie principale du contact glissant, à travers lequel une tension doit être appliquée à l'armature rotative.
  3. La génératrice tachymétrique est un appareil qui surveille la caractéristique de rotation de l'appareil. S'il y a une violation de la régularité du processus de rotation, il corrige le niveau de tension entrant dans le moteur, le rendant ainsi le plus fluide et le plus lent.
  4. Stator. Une telle pièce peut comporter non pas un aimant, mais par exemple deux paires de pôles. En même temps, au lieu d'aimants statiques, il y aura des bobines d'électroaimants. Un tel appareil est capable d'effectuer un travail à la fois en courant continu et en courant alternatif.

Circuit du contrôleur de vitesse du moteur du collecteur

Sous la forme de variateurs de vitesse pour moteurs électriques 220 V et 380 V, des convertisseurs de fréquence spéciaux sont utilisés. De tels dispositifs sont classés comme de haute technologie et ils aident à effectuer une transformation cardinale des caractéristiques du courant (forme du signal, ainsi que fréquence). Dans leur configuration, il existe de puissants transistors à semi-conducteurs, ainsi qu'un modulateur de largeur d'impulsion. L'ensemble du processus de mise en œuvre du fonctionnement de l'appareil se produit en contrôlant une unité spéciale sur le microcontrôleur. Le changement de vitesse dans la rotation du rotor des moteurs est plutôt lent.

C'est pour cette raison que les convertisseurs de fréquence sont utilisés dans les appareils chargés. Plus le processus d'accélération est lent, moins la charge sera placée sur la boîte de vitesses, ainsi que sur le convoyeur. Dans tous les chastotniks, vous pouvez trouver plusieurs degrés de protection: par charge, courant, tension et autres indicateurs.

Certains modèles de convertisseurs de fréquence sont alimentés par une tension monophasée (elle atteindra jusqu'à 220 Volts), créant ainsi une tension triphasée. Cela permet de connecter un moteur asynchrone à la maison sans utiliser de circuits et de conceptions particulièrement complexes. Dans ce cas, le consommateur pourra ne pas perdre de puissance en travaillant avec un tel appareil.

Pourquoi utiliser un tel appareil-régulateur

Si on parle de moteurs régulateurs, alors les révolutions sont nécessaires :

  1. Pour des économies d'énergie importantes. Ainsi, aucun mécanisme n'a besoin de beaucoup d'énergie pour effectuer le travail de rotation du moteur, dans certains cas, il est possible de réduire la rotation de 20 à 30%, ce qui contribuera à réduire considérablement les coûts énergétiques plusieurs fois à la fois.
  2. Pour la protection de tous les mécanismes, ainsi que les types de circuits électroniques. À l'aide d'un convertisseur de fréquence, il est possible d'effectuer un certain contrôle sur la température globale, la pression, ainsi que d'autres indicateurs de l'appareil. Dans le cas où le moteur fonctionne sous la forme d'une certaine pompe, puis dans le récipient dans lequel l'air ou le liquide est pompé, il convient d'introduire un certain capteur de pression. Lorsque la marque maximale est atteinte, le moteur terminera simplement automatiquement son travail.
  3. Pour le processus de démarrage progressif.Il n'est pas nécessaire d'utiliser des types d'équipements électroniques supplémentaires - tout peut être fait en modifiant les paramètres du convertisseur de fréquence.
  4. Pour réduire les coûts de maintenance des appareils. À l'aide de tels régulateurs de vitesse dans les moteurs 220 V, il est possible de réduire considérablement le risque de défaillance des appareils, ainsi que des types de mécanismes individuels.

Les schémas par lesquels les convertisseurs de fréquence sont créés dans un moteur électrique sont largement utilisés dans la plupart des appareils ménagers. Un tel système peut être trouvé dans les sources d'alimentation sans fil, les machines à souder, les chargeurs de téléphone, les alimentations d'ordinateurs personnels et d'ordinateurs portables, les stabilisateurs de tension, les unités d'allumage de lampe pour le rétroéclairage des moniteurs modernes, ainsi que les téléviseurs LCD.

Pourquoi régler la vitesse

Régulateur de vitesse du ventilateur : types d'appareils et règles de connexion

Ainsi, une question raisonnable se pose, dans quel but il est nécessaire de se connecter ventilateur au régulateur de vitesse. Tout d'abord, il convient de mentionner les réelles possibilités et ressources du ventilateur. Si, pendant toute la durée de son fonctionnement, il fonctionnera à sa pleine capacité, cela entraînera une réduction de la durée de vie ou la défaillance d'un certain nombre de pièces. En conséquence, des pannes se produisent.

Conseils! Lors du choix d'un ventilateur pour une pièce, assurez-vous de tenir compte de la superficie de la pièce, car chaque appareil a son propre maximum. Si vous l'installez dans une très grande pièce, il fonctionnera sous une charge importante. Pour cette raison, choisissez un appareil disposant d'une réserve de marche.

La vie moderne nécessite l'utilisation d'un grand nombre d'appareils électroménagers.Ainsi, ils ont diverses pièces et éléments qui chauffent pendant le fonctionnement. Pour éviter qu'ils ne surchauffent, des ventilateurs sont installés, par exemple, dans un ordinateur ou un four. Et il n'est pas toujours nécessaire que le ventilateur connecté fonctionne à pleine capacité. Après tout, la charge de l'équipement peut souvent augmenter légèrement et si le ventilateur tourne à la même vitesse, une surchauffe peut se produire.

Régulateur de vitesse du ventilateur : types d'appareils et règles de connexion

Imaginez un bureau ou une autre pièce où il y a une grande accumulation d'appareils électroménagers. Lors de son fonctionnement, un bruit pouvant atteindre 50 décibels peut être généré. Et imaginez si tous les ventilateurs disponibles fonctionnent simultanément à pleine capacité. En conséquence, le régulateur de vitesse est capable de réduire tous les bruits. De plus, cela permettra une utilisation rationnelle de l'électricité, car la pleine puissance de l'appareil n'est pas requise dans tous les cas.

Comme vous pouvez le constater, il existe de nombreuses raisons pour lesquelles un régulateur de vitesse est également installé sur l'unité connectée. Nous allons maintenant examiner les principales caractéristiques des trois types de régulateurs de vitesse, puis nous apprendrons à établir la connexion de nos propres mains.

Comment se connecter?

Vous pouvez connecter le régulateur de vitesse au ventilateur de vos propres mains. Pour ce faire, vous devez lire attentivement les instructions et suivre un certain nombre de mesures de sécurité lorsque vous travaillez avec des appareils électriques. Selon le type de construction et le type de ventilateurs à entretenir, les contrôleurs peuvent être installés au mur, à l'intérieur du mur, à l'intérieur de l'unité de ventilation ou dans une armoire autonome du système "maison intelligente". Les régulateurs muraux et encastrés sont fixés avec des vis ou des chevilles, selon les dimensions et le poids de l'appareil.Les fixations sont généralement incluses dans le kit avec le schéma de connexion de l'appareil.

Les schémas de connexion des modèles peuvent différer, cependant, il existe toujours des schémas généraux et une séquence d'actions. Tout d'abord, le contrôleur doit être connecté à un câble qui alimente le ventilateur en courant. Le but principal de cette étape est de séparer les fils "phase", "zéro" et "terre". Ensuite, les fils sont connectés aux bornes d'entrée et de sortie. L'essentiel en même temps est de ne pas confondre les fils par endroits et de se connecter conformément aux instructions. De plus, vous devez vérifier que la taille de la section du câble d'alimentation et de la connexion correspond à la tension maximale autorisée de l'appareil connecté.

Lors de la connexion du contrôleur de vitesse à des ventilateurs d'ordinateur portable 12 volts, vous devez connaître les températures maximales autorisées des pièces de l'appareil. Sinon, vous pouvez perdre votre ordinateur, dans lequel le processeur, la carte mère et la carte graphique tomberont en panne à cause d'une surchauffe. Lors de la connexion du contrôleur à un équipement de bureau, vous devez également suivre strictement les instructions. Si vous devez connecter plusieurs ventilateurs à la fois, il est préférable d'acheter un contrôleur multicanal, car certains modèles sont capables de desservir jusqu'à quatre ventilateurs en même temps.

Les contrôleurs de vitesse de ventilateur sont un appareil multifonctionnel important. Ils protègent les équipements de la surchauffe, prolongent la durée de vie des moteurs de ventilateurs électriques, économisent de l'énergie et réduisent considérablement le niveau sonore dans les locaux. En raison de leur efficacité et de leur praticité, les appareils gagnent de plus en plus en popularité et la demande croissante des consommateurs.

Régulateur de vitesse du ventilateur : types d'appareils et règles de connexionRégulateur de vitesse du ventilateur : types d'appareils et règles de connexion

Comment fabriquer un contrôleur de vitesse de ventilateur de vos propres mains, voir ci-dessous.

Caractéristiques

Un contrôleur de vitesse de ventilateur est un petit appareil qui peut réduire ou augmenter la vitesse de rotation de l'arbre de travail. Les contrôleurs sont connectés aux ventilateurs selon un certain schéma et sont contrôlés à l'aide d'une méthode manuelle ou d'une automatisation. Les modèles automatiques sont étroitement interconnectés avec d'autres appareils de l'unité de ventilation, par exemple, avec des capteurs qui déterminent la température, la pression, le mouvement, ainsi que des photocapteurs et des appareils qui déterminent l'humidité. Les données de ces appareils sont transmises au contrôleur qui, en fonction de celles-ci, sélectionne le mode de vitesse approprié.

Les modèles mécaniques sont contrôlés manuellement. La régulation de la vitesse de rotation s'effectue à l'aide d'une molette montée sur le corps de l'appareil. Souvent, les contrôleurs sont montés dans le mur selon le principe d'un interrupteur, ce qui rend leur utilisation pratique et vous permet de modifier en douceur le nombre de tours à tout moment. Les appareils sont produits dans une large gamme de puissance et peuvent fonctionner sur des tensions de 220 et 380 V.

Schéma de câblage du contrôleur de vitesse du ventilateur

Il n'est pas rare que les ménages exigent l'installation d'un contrôleur de vitesse de ventilateur. Il convient de noter tout de suite qu'un variateur classique pour régler la luminosité de l'éclairage n'est pas adapté à un ventilateur.

Il est important pour un moteur électrique moderne, en particulier asynchrone, d'avoir une sinusoïde de forme correcte à l'entrée, mais les variateurs d'éclairage conventionnels la déforment assez fortement. Pour une organisation efficace et correcte du contrôle de la vitesse du ventilateur, il est nécessaire de :

  1. Utilisez des contrôleurs spéciaux conçus pour les ventilateurs.
  2. Gardez à l'esprit que seuls les modèles spéciaux de moteurs électriques asynchrones peuvent être réglés efficacement et en toute sécurité, donc avant d'acheter, renseignez-vous dans les spécifications techniques sur la possibilité de régler la vitesse en abaissant la tension.

Façons d'ajuster la vitesse de rotation des ventilateurs domestiques

Il existe plusieurs façons de régler la vitesse du ventilateur, mais seules deux d'entre elles sont pratiquement utilisées à la maison. Dans tous les cas, vous ne pouvez réduire le nombre de tours du moteur qu'en dessous du maximum possible selon le passeport de l'appareil.

Il est possible de disperser le moteur électrique uniquement à l'aide d'un variateur de fréquence, mais il n'est pas utilisé dans la vie courante, car il a un coût élevé à la fois en soi et dans le prix du service d'installation et de mise en service. Tout cela rend l'utilisation d'un variateur de fréquence peu rationnelle chez soi.

Lire aussi :  Ventilation de l'espace sous-toiture des combles : les subtilités de conception + notice de pose

Il est permis de connecter plusieurs ventilateurs à un régulateur, si seulement leur puissance totale ne dépasse pas le courant nominal du régulateur. Lors du choix d'un régulateur, tenez compte du fait que le courant de démarrage du moteur électrique est plusieurs fois supérieur à celui de fonctionnement.

Façons d'ajuster les ventilateurs dans la vie quotidienne :

  1. L'utilisation d'un régulateur de vitesse de ventilateur à triac est le moyen le plus courant, vous permettant d'augmenter ou de diminuer progressivement la vitesse de rotation dans la plage de 0 à 100 %.
  2. Si le moteur du ventilateur 220 Volt est équipé d'une protection thermique (protection contre la surchauffe), alors un régulateur à thyristor est utilisé pour contrôler la vitesse.
  3. La méthode la plus efficace pour régler la vitesse de rotation d'un moteur électrique consiste à utiliser des moteurs à plusieurs fils de bobinage. Mais je n'ai pas encore vu de moteurs électriques à plusieurs vitesses dans les ventilateurs domestiques. Mais sur Internet, vous pouvez trouver des schémas de câblage pour eux.

Très souvent, le moteur électrique bourdonne à basse vitesse lors de l'utilisation des deux premières méthodes de réglage - essayez de ne pas faire fonctionner le ventilateur pendant une longue période dans ce mode. Si vous retirez le couvercle, vous pouvez le faire pivoter à l'aide d'un régulateur spécial situé en dessous pour régler la limite inférieure du régime moteur.

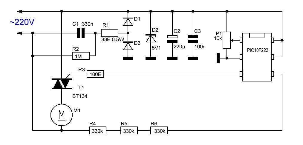
Schéma de câblage d'un variateur de vitesse de ventilateur triac ou thyristor

Presque tous les régulateurs ont des fusibles à l'intérieur qui les protègent des courants de surcharge ou de court-circuit, au cas où ils grilleraient. Pour restaurer la fonctionnalité, il sera nécessaire de remplacer ou de réparer le fusible.

Le contrôleur est connecté assez simplement, comme un interrupteur ordinaire. Au premier contact (avec l'image d'une flèche), une phase est connectée à partir du câblage électrique de l'appartement. Sur le second (avec l'image d'une flèche dans le sens opposé), si nécessaire, une sortie de phase directe sans réglage est connectée. Il est utilisé pour allumer, par exemple, un éclairage supplémentaire lorsque le ventilateur est allumé. Le cinquième contact (avec l'image d'une flèche inclinée et d'une sinusoïde) est relié à la phase qui va au ventilateur. Lors de l'utilisation d'un tel schéma, il est nécessaire d'utiliser une boîte de jonction pour se connecter, à partir de laquelle le zéro et, si nécessaire, la terre sont connectés directement au ventilateur, en contournant le régulateur lui-même, qui ne nécessite que 2 fils pour se connecter.

Mais si la boîte de jonction du câblage électrique est éloignée et que le régulateur lui-même est à côté du ventilateur, je recommande d'utiliser le deuxième circuit. Un câble d'alimentation arrive au régulateur, puis il va directement au ventilateur. Les fils de phase sont connectés de la même manière. Et 2 zéros sont assis sur les contacts n ° 3 et n ° 4 dans n'importe quelle séquence.

La connexion d'un contrôleur de vitesse de ventilateur est assez simple à faire de vos propres mains, sans faire appel à des spécialistes. Assurez-vous d'étudier et de toujours suivre les règles de sécurité électrique - ne travaillez que sur une section de câblage électrique hors tension.

Circuit contrôleur triac (thyristor)

Le fonctionnement de ces dispositifs est basé sur la régulation de la tension de phase en raison de l'angle d'ouverture changeant des thyristors. De ce fait, le moteur électrique reçoit des ondes ayant une forme sinusoïdale, dans lesquelles l'alternance initiale s'avère coupée. Le réglage se fait avec un triac symétrique, dit triac.

Cette méthode vous permet de régler le chauffage des appareils de chauffage et la luminosité de la lueur des ampoules à incandescence. Cependant, il n'est pas du tout adapté aux moteurs asynchrones présents dans de nombreux modèles de ventilateurs. Cela est dû à une forte distorsion de la forme d'onde de la tension de sortie allant vers la charge, provoquant divers dysfonctionnements, jusqu'à une panne complète de l'appareil.

À cet égard, les contrôleurs basés sur des triacs sont soumis à une modification obligatoire, ce qui permet de les utiliser davantage en conjonction avec des ventilateurs. Tout d'abord, la valeur minimale de la tension fournie à la charge est définie. Le bruit du secteur est réduit en utilisant un condensateur de suppression de bruit supplémentaire.La valeur du courant de fonctionnement maximal du thyristor doit être environ 4 fois supérieure au courant de fonctionnement du moteur.

L'utilisation de régulateurs à thyristors est bien adaptée aux moteurs monophasés avec protection thermique intégrée. Pour un contrôle direct, une molette de réglage spéciale est utilisée, avec la possibilité de régler la vitesse minimale du ventilateur. La puissance maximale autorisée de ces moteurs électriques est de 220 watts.

Comment choisir?

Un modèle spécifique de régulateur de vitesse doit être sélectionné en fonction du type de machine électrique connectée - un moteur à collecteur, un moteur électrique triphasé ou monophasé. Conformément à cela, un certain convertisseur de fréquence est sélectionné.

De plus, pour le régulateur de vitesse, vous devez sélectionner :

  • Type de contrôle - il existe deux manières : scalaire et vectorielle. Le premier d'entre eux est lié à la charge sur l'arbre et est plus simple, mais moins fiable. Le second est accordé en retour de l'amplitude du flux magnétique et agit comme l'opposé complet du premier.
  • Puissance - ne doit pas être inférieure ou même supérieure à la puissance nominale du moteur électrique connecté à la vitesse maximale, il est souhaitable de prévoir une marge, en particulier pour les régulateurs électroniques.
  • Tension nominale - est sélectionné en fonction de l'amplitude de la différence de potentiel pour les enroulements d'un moteur asynchrone ou collecteur. Si vous connectez une machine électrique à un régulateur d'usine ou fait maison, une telle puissance suffira, s'il y en a plusieurs, le régulateur de fréquence doit avoir une large plage de tension.
  • Plage de vitesse - sélectionnée en fonction du type d'équipement spécifique. Par exemple, de 500 à 1000 tr/min suffisent pour faire tourner le ventilateur, mais la machine peut nécessiter jusqu'à 3000 tr/min.
  • Dimensions et poids hors tout - choisissez de manière à ce qu'ils correspondent à la conception de l'équipement, n'interfèrent pas avec le fonctionnement du moteur électrique. Si une niche ou un connecteur approprié est utilisé pour le régulateur de vitesse, les dimensions sont sélectionnées en fonction de la quantité d'espace libre.

Comment réduire ou augmenter la vitesse du ventilateur de la hotte

Dans les systèmes d'extraction, l'augmentation ou la diminution de la vitesse du ventilateur vous permet de modifier le débit, ce qui affecte l'échange d'air global. Pour le contrôler, on utilise l'une des méthodes déjà envisagées (en modifiant la tension ou la fréquence du courant).

En pratique, la première des méthodes est utilisée, car le contrôleur de fréquence dans ce cas coûtera plus cher que le ventilateur lui-même.

La particularité de cette méthode réside dans sa simplicité et son faible coût, ce qui est très important pour les systèmes et appareils domestiques utilisés dans les lieux publics.

Lire aussi :  Chauffage de la ventilation d'alimentation dans un appartement: types d'appareils de chauffage, caractéristiques de leur choix et installation

Régulateur de capot

Il est possible d'augmenter ou de diminuer la vitesse d'étirage d'une manière mécanique simple. Pour ce faire, dans certains échantillons de modules de commande, une petite roue est fournie, à travers laquelle la vitesse du moteur change par étapes ou en douceur.

Règles de connexion du contrôleur

Pour connecter le contrôleur de vitesse du ventilateur, vous pouvez utiliser les services de spécialistes ou essayer de vous débrouiller seul.Il n'y a pas de caractéristiques fondamentales dans la connexion - il est tout à fait possible de faire face à une telle tâche par vous-même.

Régulateur de vitesse du ventilateur : types d'appareils et règles de connexionTous les fabricants de bonne foi doivent joindre des instructions pour l'utilisation et l'installation de leurs produits.

Selon les caractéristiques de conception et le type d'équipement à entretenir, les contrôleurs peuvent être installés :

  • sur le mur, comme une sortie de surface ;
  • à l'intérieur du mur;
  • à l'intérieur du boîtier de l'équipement ;
  • dans une armoire spéciale qui contrôle les appareils intelligents à la maison. Il s'agit généralement d'un bornier ;
  • connecter à un ordinateur.

Pour connecter personnellement le régulateur, vous devez d'abord lire attentivement les instructions proposées par le fabricant. Un tel document est généralement livré avec l'appareil et contient des recommandations utiles à la fois pour le raccordement, l'utilisation et l'entretien.

Les modèles muraux et encastrés devront être fixés au mur avec des vis et des chevilles. Les composants sont le plus souvent fournis par le fabricant avec l'appareil principal. Dans les instructions du régulateur, vous pouvez également voir le schéma de connexion. Cela facilitera grandement les travaux ultérieurs sur son installation correcte.

Régulateur de vitesse du ventilateur : types d'appareils et règles de connexionLes schémas de connexion des régulateurs peuvent varier d'un fabricant à l'autre. Par conséquent, vous devez étudier attentivement les recommandations avant l'installation.

Le variateur de vitesse est connecté au câble qui alimente le ventilateur, selon le schéma du fabricant. L'objectif principal est de couper le fil de phase, de zéro et de terre et de connecter les fils aux borniers d'entrée et de sortie, en suivant les recommandations. Dans le cas où le ventilateur a son propre interrupteur séparé, il devra être remplacé par un régulateur, après avoir démonté le premier comme inutile.

N'oubliez pas que la section des câbles d'alimentation et de raccordement doit correspondre au courant de tension maximum appareil connecté.

Il est important de trouver des entrées et des sorties sur l'appareil à raccorder pour brancher le câble d'alimentation de la section appropriée. Le schéma fourni par le fabricant vous y aidera. Si vous devez connecter le contrôleur à un PC, vous devez d'abord déterminer quelle est la température maximale autorisée des composants individuels de l'équipement.

Sinon, vous risquez de perdre irrémédiablement votre ordinateur, ce qui surchauffera et brûlera des pièces importantes - le processeur, la carte mère, la carte graphique et autres.

Si vous devez connecter le contrôleur à un PC, vous devez d'abord déterminer quelle est la température maximale autorisée des composants individuels de l'équipement. Sinon, vous risquez de perdre irrémédiablement votre ordinateur, ce qui surchauffera et brûlera des pièces importantes - le processeur, la carte mère, la carte graphique et autres.

Le modèle du reobas sélectionné contient également des instructions et des recommandations de connexion du fabricant

Il est important de respecter les schémas donnés sur ses pages lors de l'installation de l'appareil vous-même.

Régulateur de vitesse du ventilateur : types d'appareils et règles de connexion
S'il est nécessaire de connecter plus d'un ventilateur, vous pouvez acheter un reobas multicanal

Il existe des régulateurs et des appareils intégrés qui sont achetés séparément. Pour les connecter correctement, vous devez suivre les instructions.

Par exemple, le contrôleur intégré a des boutons marche/arrêt à l'extérieur de l'unité centrale. Les fils provenant du régulateur sont connectés aux fils du refroidisseur. Selon le modèle, reobas peut contrôler la vitesse de 2, 4 ventilateurs ou plus en parallèle.

Régulateur de vitesse du ventilateur : types d'appareils et règles de connexion
Pour les fans d'ordinateurs et autres utilisés à la maison, vous pouvez fabriquer vous-même un régulateur

Un régulateur séparé pour le refroidisseur est installé dans une baie de 3,5 ou 5,25 pouces. Ses fils sont également connectés à des refroidisseurs et des capteurs supplémentaires, s'ils sont inclus, sont connectés aux composants correspondants de l'unité centrale, dont ils devront surveiller l'état.

Comment connecter un variateur de vitesse à un ventilateur

Il est tout à fait possible d'installer soi-même des régulateurs de rotation domestiques, sans recourir aux services d'un électricien professionnel. Cette procédure est comparable en complexité au remplacement d'une prise ou d'un interrupteur.

Tous les dispositifs de contrôle ont trois modifications principales. Les deux premiers types sont muraux et peuvent être installés sans niche ou en niche. La troisième option consiste à monter l'appareil sur un rail DIN. La connexion du contrôleur de vitesse du ventilateur dans tous les cas ne causera aucune difficulté.

Chaque contact est marqué avec son propre marquage, des fils supplémentaires ne sont pas du tout nécessaires. Dans la plupart des cas, un régulateur de vitesse est installé à la place d'un interrupteur de ventilateur classique. Un câblage supplémentaire est requis uniquement lorsque le contrôleur et l'unité de commande sont situés dans des boîtiers séparés. Le câble d'alimentation est connecté au contrôleur directement à partir du tableau de distribution et un fil de signal à faible courant est utilisé pour connecter le contrôleur.

Régulateur de vitesse du ventilateur : types d'appareils et règles de connexion

régulateur de puissance

Régulateur de vitesse du ventilateur : types d'appareils et règles de connexion

Schémas de connexion du ventilateur de salle de bain - erreurs et règles d'installation d'un interrupteur d'évacuation dans la salle de bain

Régulateur de vitesse du ventilateur : types d'appareils et règles de connexion

régulateur de courant

Régulateur de vitesse du ventilateur : types d'appareils et règles de connexion

Qu'est-ce qu'un contrôleur PID

Régulateur de vitesse du ventilateur : types d'appareils et règles de connexion

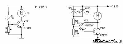
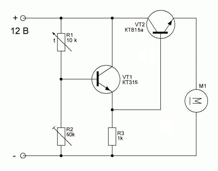
Régulateur de vitesse du moteur du collecteur

Régulateur de vitesse du ventilateur : types d'appareils et règles de connexion

Comment câbler un gradateur

Tâches résolues par l'installation de convertisseurs de fréquence.

Les tâches principales dans la conception de ces systèmes sont d'assurer un échange d'air efficace au moindre coût, de coordonner le fonctionnement avec les modes de fonctionnement d'autres systèmes d'ingénierie du bâtiment. L'utilisation d'un variateur de fréquence permet de :

  • Fournir une protection des moteurs de ventilateur contre les surcharges, la charge déséquilibrée, l'augmentation ou la diminution de la tension d'alimentation, d'autres modes de fonctionnement anormaux et d'urgence sans l'utilisation de circuits de protection supplémentaires.
  • Surveillez les performances du système à partir d'un emplacement distant, coordonnez-vous avec les systèmes de protection contre la fumée et les incendies. Les variateurs de fréquence dédiés Danfoss VLT prennent en charge les protocoles de communication courants et sont également compatibles avec le service Web Cloud-Control.
  • Ajustez les performances du système en fonction de la charge. Les convertisseurs de fréquence vous permettent de réguler l'alimentation en air sans utiliser de registres et de ventilateurs coûteux à angle de pale variable. La consommation électrique est proportionnelle à la charge réelle.
  • Répondez rapidement aux incidents et résolvez les problèmes opérationnels. Les onduleurs Danfoss pour les systèmes de ventilation ont pour fonction de surveiller une courroie d'entraînement cassée, le débit d'air, la température, l'humidité et d'autres paramètres de l'air. Ces appareils enregistrent également l'accident dans la mémoire intégrée.
  • Augmenter la période de révision des équipements de ventilation. Démarrage progressif, limitation des courants de démarrage, régulation de la vitesse de rotation du moteur d'entraînement réduisent la charge sur le réseau électrique, le circuit cinématique.

Régulateur de vitesse du ventilateur : types d'appareils et règles de connexion

Évaluation
Site sur la plomberie

Nous vous conseillons de lire

Où remplir la poudre dans la machine à laver et combien de poudre verser