- Avantages d'une installation professionnelle
- Schéma des armoires de commande de ventilation
- 3 Caractéristiques de fabrication
- But et équipement de l'armoire de commande de la pompe
- Brève description de l'équipement standard
- A quoi sert une armoire de commande ?
- 4 Aménagement intérieur
- Modèles populaires
- Système de protection
- Aperçu du modèle
- SHUPN-2
- ÉVITER
- SHKANS-0055
- Modes de fonctionnement de l'unité d'extraction
- 1 Objectif de l'armoire
- Armoires de commande des ventilateurs d'incendie conformes à la réglementation.
- Bolide.
- Plasma-T.
- Frontière.
- Fonctionnement des commandes de ventilation
- Capteurs de contrôle de la ventilation
- Contrôleurs
- Le principe de fonctionnement des systèmes de ventilation automatisés
- Armoires de commande avec inverseur de source automatique (transfert automatique)
- Nomination de l'ATS
- Champ d'application
- Fonctions principales de l'ATS
- Description des modes de fonctionnement ATS
- Marquage des panneaux d'automatisation et de contrôle
- Installation de systèmes de ventilation
Avantages d'une installation professionnelle
Selon les règles, l'installation et la maintenance des systèmes de ventilation, ainsi que des salles de contrôle, doivent être effectuées par des spécialistes ayant une formation d'ingénieur. Ils sont également entièrement responsables du mauvais choix, de l'installation, de la connexion des appareils, ainsi que de la maintenance des appareils techniques dans un état inapproprié ou d'urgence.
Afin de déterminer correctement le remplissage du bouclier ou de l'armoire, les installateurs effectuent une surveillance complète du réseau de ventilation.
Ensuite, vous devez faire ce qui suit :
- analyser la charge ;
- choisir le schéma optimal ;
- déterminer les modes de fonctionnement des appareils afin d'augmenter l'efficacité ;
- ramasser du matériel.
L'assemblage lui-même prend un peu de temps: tous les appareils sont montés à tour de rôle sur plusieurs rangées, les fils sont soigneusement attachés aux borniers et disposés le long des lignes en faisceaux organisés, puis ils sont sortis.
Une des options de connexion, où NK1 et NK2 sont des appareils de chauffage de type canal ; M1 - ventilateur triphasé ; A, B, C - connexion réseau, N - neutre, PE - terre ; Q - thermostat de protection contre la surchauffe ; Y - thermostat de protection contre l'allumage
Les installateurs professionnels ont de l'expérience dans l'installation et le fonctionnement de SCHUV, il est donc peu probable qu'ils se trompent avec le choix du modèle et les nuances des appareils de connexion. De plus, ils connaissent bien les schémas des systèmes de ventilation des appartements et des maisons de campagne et peuvent rapidement déterminer s'il y a une erreur dans le dessin.
Si vous ne le comprenez pas à temps et connectez les appareils selon un schéma analphabète - et cela se produit également - vous pouvez créer une urgence.
De nombreuses entreprises qui fabriquent ou vendent des équipements de ventilation, de réfrigération et de chauffage sont engagées dans la vente et la vente de boucliers et d'armoires. Par exemple, à Moscou, cela peut être fait dans les entreprises Ruclimat, Roven, AV-avtomatika, Galvent, etc.
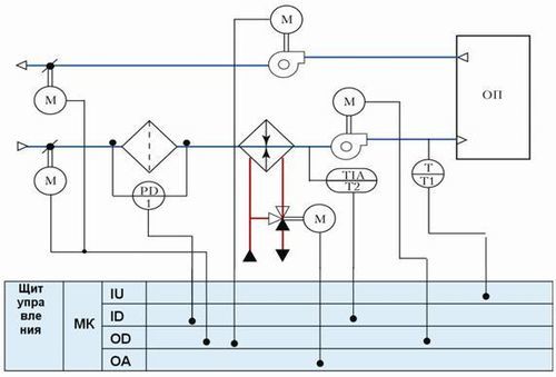
Schéma des armoires de commande de ventilation
schéma de l'unité de commande de ventilation d'alimentation avec chauffage d'eau
La disposition standard de l'armoire de commande de ventilation comprend :
- Convertisseur de fréquence;
- contrôleur de microprocesseur ;
- démarreurs, interrupteurs à couteau;
- commutateurs automatiques;
- contacteurs ;
- mécanismes de protection;
- relais;
- indicateurs de modes.
schéma de l'unité de commande pour la ventilation d'alimentation et d'extraction avec chauffage de l'eau
Des convertisseurs de fréquence sont nécessaires pour modifier la vitesse de rotation des pales du ventilateur et du moteur asynchrone, démarrer les mécanismes sans à-coups, offrant un mode de fonctionnement plus favorable. Le contrôle de la fréquence permet de contrôler la vitesse en mode manuel et automatique, évite les surcharges du moteur. Réduction des coûts énergétiques et augmentation de la sécurité du système, prolongeant la durée de vie du système.
L'un des éléments importants du circuit de commande de l'armoire de ventilation est le contrôleur.
Type de contrôleur :
- discret;
- analogique.
Les modèles présentés sur le marché russe contiennent un menu de programmation en russe. Les capacités du contrôleur sont suffisantes pour résoudre tous les problèmes qui surviennent lors du fonctionnement des systèmes de ventilation. Les contrôleurs les plus pratiques sont la programmation gratuite, qui vous permet d'organiser le contrôle du système de ventilation de n'importe quel schéma.
Le schéma fiable et simple de l'armoire de commande de ventilation permet de ne pas effectuer son entretien et sa maintenance. Une fois tous les 6 mois, l'intégrité des câbles et de l'isolation, l'état de la mise à la terre sont vérifiés. De plus, vous devez respecter les règles d'utilisation de l'équipement.
3 Caractéristiques de fabrication
Étant donné que le fonctionnement ininterrompu de l'ensemble du système dépend de l'armoire de ventilation, lors de sa fabrication, il est important de sélectionner des matériaux capables d'assurer un fonctionnement régulier dans les conditions spécifiées. Voici quelques facteurs importants à considérer lors de l'élaboration d'un plan de ventilation :
- 1. Quelle est la température ambiante.Chaque matériau est conçu pour certaines conditions, et si elles ne sont pas respectées, l'appareil fonctionnera moins bien. La coque extérieure peut fondre, ce qui nécessitera le remplacement de l'ensemble de l'appareil.
- 2. La hauteur du bâtiment par rapport au niveau de la mer. Avec son changement, la pression atmosphérique change également, ce qui affecte le fonctionnement de la ventilation. Le transfert de chaleur se détériore, et cela doit être pris en compte à l'avance.
- 3. Niveau d'humidité. S'il est trop élevé, le risque de court-circuit augmente dans le système.
Pour tenir compte de tout cela et plus encore, des mesures préliminaires sont parfois effectuées, mais le plus souvent, des normes prédéfinies sont utilisées qui conviennent à la plupart des locaux. Cependant, il est toujours souhaitable de savoir à quelle hauteur au-dessus du niveau de la mer le système sera, dans quelles limites la température dans les pièces peut fluctuer, et aussi quelle est la puissance de l'équipement. De plus, il convient de considérer que les conditions à l'intérieur de l'armoire et à l'extérieur seront différentes et de connaître à l'avance la température du bouclier et de l'atmosphère environnante.
Après avoir collecté toutes les données nécessaires, vous pouvez sélectionner ou commander une armoire adaptée à tous égards.
But et équipement de l'armoire de commande de la pompe
Le remplissage technique des différents modèles est différent, car les points de contrôle ont un objectif fonctionnel individuel.
Brève description de l'équipement standard
La présence de certains éléments dépend du nombre et de la catégorie de pompes, des capacités techniques étroites ou plus larges et de la disponibilité de fonctions supplémentaires.
L'équipement de base de la plupart des modèles en vente est le suivant :
- Boîtier métallique rectangulaire avec un panneau de contrôle situé sur la face avant.La conception du panneau peut différer, mais il contient nécessairement des indicateurs et des boutons tels que "Démarrer" ou "Arrêter".
- Interrupteur (un ou plusieurs) qui permet d'allumer/éteindre la pompe en mode manuel.
- Fusibles et éléments de protection.
- Unité de contrôle qui régule la tension des trois phases.
- Convertisseur de fréquence nécessaire pour contrôler un moteur asynchrone.
- Unité de contrôle automatique responsable de l'arrêt planifié et d'urgence de l'équipement.
- Un ensemble de capteurs indiquant la pression et la température de l'eau.
- Relais thermique.
- Un ensemble d'ampoules - signalisation lumineuse.
Les principales fonctions intégrées dans l'unité de contrôle dépendent de plusieurs facteurs. Par exemple, s'il y a 2 pompes, la principale et la supplémentaire (de secours), un programme est installé qui vous permet d'activer les deux mécanismes à tour de rôle.
Panneau de commande pour deux pompes fonctionnant en mode veille. L'avantage de la commutation d'intervalle est une répartition uniforme de la charge et une augmentation de la ressource planifiée.
Le capteur de température protège l'équipement contre la surchauffe et le fonctionnement à sec (la probabilité d'une telle situation se produit souvent dans les puits avec un débit insuffisant). L'automatisation arrête le fonctionnement de l'équipement et, lorsque des conditions favorables à la prise d'eau se présentent, elle rallume le moteur de la pompe connectée.
- La station de contrôle de l'équipement de pompage réduira la consommation d'énergie et garantira une prolongation de la durée de vie
- L'armoire de commande pour une ou plusieurs (jusqu'à 9) pompes submersibles les démarre automatiquement lorsque l'eau est prélevée dans le système et que la pression dans celui-ci diminue
- Le SHUN de la pompe submersible est équipé d'un fusible de type relais pour empêcher les courts-circuits d'affecter l'équipement et le brassage des urgences
- La station de contrôle de la pompe peut être alimentée à partir d'un réseau centralisé ou d'un groupe électrogène autonome
Les dispositifs de protection contre les surtensions, les coupures de phase, les connexions incorrectes protègent les mécanismes et ne leur permettent pas de fonctionner en mode d'urgence. Ils ajustent les paramètres du réseau et seulement après avoir égalisé les indicateurs, ils connectent automatiquement l'équipement.
La protection contre les surcharges fonctionne à peu près de la même manière. Par exemple, l'activation simultanée de deux pompes est interdite, ce qui entraîne des coûts inutiles et une utilisation irrationnelle des équipements.
A quoi sert une armoire de commande ?
L'armoire de commande est conçue pour contrôler et coordonner le fonctionnement de tous les appareils inclus dans le système d'alimentation, d'extraction, d'alimentation et d'extraction, de ventilation d'urgence, en mode automatique ou manuel. De plus, les centrales peuvent fonctionner avec succès avec des systèmes de ventilation équipés de chauffe-eau et de refroidisseurs électriques ou à eau, de récupération et de recirculation des flux d'air. Les principales tâches résolues à l'aide d'une armoire de commande:
- Surveillance de l'état et des performances des équipements inclus dans le système de ventilation.
- Assurer les modes de fonctionnement nécessaires des appareils.
- Notification en temps opportun des pannes d'équipement, de la contamination des conduits d'air et des éléments filtrants.
4 Aménagement intérieur
Bien que les armoires de commande de ventilation puissent effectuer différentes tâches et avoir des conceptions différentes, il existe quelques éléments de base qui sont présents presque partout. Ils sont nécessaires pour contrôler un tel système :
- 1. Le convertisseur de fréquence est utilisé pour que la vitesse des pales du ventilateur change en douceur et que le moteur ne soit pas surchargé immédiatement après le début du travail.
- 2. Interrupteur de démarrage et de couteau - éléments permettant d'allumer et d'éteindre l'équipement.
- 3. Le contrôleur contrôle l'ensemble du système, ses fonctions peuvent être librement modifiées pour définir tous les paramètres nécessaires. Il est analogique et discret.
- 4. Contacteur - un mécanisme pour allumer ou éteindre les appareils à distance.
- 5. Les dispositifs automatiques sont utilisés pour la connexion ou la déconnexion d'urgence du courant en cas d'urgence, comme un court-circuit.
- 6. Les mécanismes de protection protègent contre diverses situations d'urgence.
- 7. Les relais ouvrent ou ferment un circuit pendant que le système fonctionne.
- 8. Indicateurs lumineux. Par leur lueur, vous pouvez obtenir des informations sur le fonctionnement de l'équipement.
Modèles populaires

Sur le marché intérieur, les produits des marques suivantes ont très bien fait leurs preuves :
- La gamme d'armoires de la marque Grundfos est assez étendue. Il a des produits avec différentes configurations et caractéristiques techniques. Certains modèles disposent d'une protection contre le fonctionnement à sec, les sous-tensions et les défaillances de phase. Cependant, tous peuvent :
- gérer l'équipement de pompage;
- démarrer automatiquement l'unité après une longue période d'inactivité ;
- contrôler le niveau d'eau et afficher les données sur le panneau d'affichage ;
- réglementer le fonctionnement de l'équipement;
- ces produits peuvent être utilisés dans la plage de température de -20 à +40°C ;
- Tous les équipements de cette marque bénéficient d'une garantie de deux ans.
- Les armoires Alpha Control protègent de manière fiable l'équipement de pompage contre les facteurs négatifs qui provoquent la défaillance des unités. Ils peuvent fonctionner avec tous les modèles de pompes. Ces produits sont destinés à être raccordés à un réseau de 220 et 380 V. Le fait que le modèle puisse être utilisé pour contrôler deux pompes sera indiqué par le marquage « D » dans la désignation.
Système de protection
Le contrôle automatique de la ventilation, comme tout autre, n'a pas le droit d'exister sans une sécurité adéquate. Les mécanismes de protection du bouclier peuvent être déclenchés dans l'une des circonstances suivantes :
- Une défaillance dans le mode de fonctionnement de l'élément constitutif.
- Défaillance de l'un des appareils ou appareils.
- L'incapacité de contrôler certains paramètres de l'air dans la pièce - en cas de perte de communication avec une sorte de capteur.
Pour résoudre ces problèmes dans le fonctionnement du mécanisme de ventilation automatique, le contrôleur de contrôle est conçu. L'utilisation de contrôleurs vous permet de réagir rapidement aux écarts les plus insignifiants par rapport à l'état normal lors du fonctionnement de chacun des appareils et, en même temps, de les éliminer rapidement.
Ainsi, le contrôle de la ventilation de la pièce, si vous disposez d'un écran spécial, devient rapide, simple, aussi pratique et sûr que possible.
Aperçu du modèle
SHUPN-2
Armoire de commande typique pour deux pompes (y compris la réserve). Utilisé pour interagir avec les unités submersibles utilisées dans les systèmes d'extinction d'incendie et l'irrigation agricole. Puissance jusqu'à 55 kW, température de fonctionnement de -10 à +50 degrés. Le fabricant met en avant des exigences particulières pour l'environnement.L'air ne doit pas contenir de gaz agressifs et ne pas être saturé de poussières conductrices. Une humidité relative jusqu'à 80% est autorisée. L'armoire est conçue pour une durée de vie de dix ans. Prix de détail 31 600 roubles.
ÉVITER
Produit par la société Ecotechnologies, qui présente des produits sur le marché intérieur depuis 2005. La garantie matérielle est de deux ans.
Les armoires sont conçues pour fonctionner avec des pompes de drainage et des stations de pompage des eaux usées. Peut faire fonctionner des réservoirs d'incendie. L'unité est contrôlée en deux modes - automatique et manuel.
Il est possible de connecter deux pompes - réserve et principale. En cas de panne de la pompe principale, la pompe de secours sera automatiquement activée. L'alternance automatique des pompes est prévue pour assurer un temps de fonctionnement uniforme et éviter la surchauffe de l'enroulement. À la demande du client, l'unité est modernisée. Par exemple, un module GPRS est installé, qui assure le transfert des messages SMS en cas d'accident. La puissance admissible de chaque pompe est de 4 à 11 kW, selon le modèle d'armoire. Le coût moyen d'un modèle budgétaire est de 10 900 roubles.
SHKANS-0055
Si vous êtes propriétaire d'une maison de campagne ou d'une datcha avec alimentation en eau autonome, vous vous êtes probablement demandé au moins une fois comment faire fonctionner l'équipement de pompage plus efficacement et plus longtemps, et disposez également de plusieurs modes de fonctionnement pratiques. De plus, parfois deux pompes sont utilisées à la fois pour alimenter la maison en eau et arroser le jardin, il est donc nécessaire de coordonner et d'automatiser leur travail. Vous obtiendrez la réponse à toutes les questions lorsque vous découvrirez ce qui est armoire de commande de la pompeet aussi pourquoi c'est nécessaire.
Le but principal des armoires électriques est de contrôler le moteur électrique d'une ou plusieurs unités de pompage à la fois. Le type de pompe n'a pas d'importance. Il peut s'agir d'un équipement de type submersible ou d'une pompe de forage ou de drainage.
De plus, le but de l'équipement de pompage peut être différent. Par exemple, une unité de type submersible est nécessaire pour le fonctionnement efficace du système de chauffage, l'approvisionnement en eau d'une maison de campagne ou la création d'un système d'extinction d'incendie. Mais la pompe de drainage, associée à l'armoire de commande, est utile pour pomper du liquide.
Si vous installez une armoire de commande pour coordonner le fonctionnement de la pompe de forage, vous trouverez enfin la paix et le repos tant attendus, car désormais vous n'avez plus besoin de surveiller le fonctionnement de l'équipement, tout cela se fera par l'automatisation située dans l'armoire. Dans ce cas, cet appareil pourra remplir les fonctions suivantes :
l'équipement assurera un démarrage sûr et en douceur du moteur de l'unité de pompage ;
l'automatisation pourra réguler le fonctionnement du convertisseur de fréquence;
de plus, l'appareil surveillera la pression dans le système, le niveau d'eau, ainsi que sa température, ce qui est très important pour la mise en marche et l'arrêt en temps opportun de l'équipement de pompage.
Les fonctions des armoires de commande pour deux ou plusieurs pompes sont encore plus étendues :
- si l'unité remarque que l'une des pompes fonctionne en mode d'urgence, elle connectera immédiatement la deuxième pompe au travail ;
- puisque l'automatisation de l'armoire de commande régulera le fonctionnement alterné de chacune des pompes, l'usure générale des groupes motopompes viendra plus tard ;
- si l'une des pompes est inactive pendant une longue période, l'équipement pourra la protéger de l'envasement;
- grâce à un tel dispositif, vous pouvez bloquer manuellement le fonctionnement d'une des pompes ;
- l'automatisation de l'armoire a différents programmes de contrôle pour plusieurs pompes ;
- si nécessaire, vous pouvez obtenir des données complètes sur le fonctionnement de chaque unité séparément.
Modes de fonctionnement de l'unité d'extraction
Modes de réglage de l'écran

M1 - auto / off - Ventilateur 1 - on - off
M2 - auto/off - Ventilateur 2 - on - off
Si nous allumons d'abord l'interrupteur SA1 en auto, alors le ventilateur M1 devient le principal. Lorsque le commutateur SA2 est activé en mode automatique, le ventilateur M2 devient une sauvegarde. Si nous allumons d'abord SA2, le ventilateur principal sera M2 et M1 sera la sauvegarde. Si l'un des ventilateurs tombe en panne, le système bascule automatiquement sur celui de secours.
Accident. Arrêt du système
Ce mode est activé lors du déclenchement d'une alarme incendie, d'un dysfonctionnement du registre d'entrée d'air extérieur ou d'un dysfonctionnement du capteur de température d'entrée.
Ajustement
En mode configuration, vous pouvez activer tous les mécanismes séparément. Lorsque ce mode est activé, le voyant vert de l'automate est allumé.

Écran de réglage de la hotte
Point de consigne. Honoré Saint Vozd. — Le point de consigne du registre d'air extérieur MAM3 est le point de consigne du contrôleur PID pour contrôler le registre en fonction du capteur de température d'entrée.
Point de consigne T min - réglage de la température minimale en fonction du capteur de température
Setpoint Tmax - réglage de la température maximale en fonction du capteur de température
Lorsque les réglages Tmin et Tmax sont dépassés, il passe en mode Urgence. Arrêtez le système.
Zone morte MAM3 - Zone morte du registre MAM3. Le registre d'air extérieur MAM3 est toujours surveillé. Nous donnons à la tâche \ get un signal de retour.Zone morte - une zone dans laquelle le registre n'a aucune sensibilité. Vous pouvez régler 2 à 5 degrés.
Coefficient prop.R (MAM3) – coefficient de proportionnalité du régulateur PID
Integ.factor I (MAM3) – facteur d'intégration du régulateur PID
Les coefficients proportionnels et d'intégration sont les coefficients du régulateur PID du registre extérieur. Sélectionné par expérience.
Point de consigne min M1 – Plage de commande minimale du ventilateur M1
Consigne max M1 – Plage de contrôle maximale du ventilateur M1
Point de consigne min M2 — Plage de commande minimale du ventilateur M2
Point de consigne max M2 – Plage de contrôle maximale du ventilateur M2
Les ventilateurs M1 et M2 fonctionnent en proportion directe avec la sortie du régulateur PID du registre. Min et max définissent la plage de régulation du ventilateur. (min-15, max-1015). 15 - 0 hertz, 1015 - 50 hertz.
Setpoint Motor hour M1, Setpoint Motor hour M2 – définissez le temps en heures après lequel le ventilateur principal s'éteindra et le ventilateur de secours commencera à fonctionner.
Options d'échappement d'écran

L'écran affiche divers paramètres de l'installation - la position du volet d'air extérieur, l'état de l'extraction M1 et M2, la position des volets MAM1 et MAM2, le temps de fonctionnement des ventilateurs M1 et M2.
Filtres d'écran

Filtres - délai de réponse. Le temps d'exposition en secondes pour un accident particulier, ou pour allumer des ventilateurs ou des volets, est réglé.
Réinitialiser les alarmes du système - les interrupteurs SA1 et SA2 sont mis en position d'arrêt. Appuyez sur le bouton F1 de l'automate.
1 Objectif de l'armoire
En règle générale, le système de ventilation d'un appartement ou d'une petite pièce ne nécessite pas une gestion complexe de nombreux paramètres, mais dans les grandes entreprises, les choses sont différentes.Cela est particulièrement vrai pour les industries où l'approvisionnement en air naturel est impossible - en raison des particularités du bâtiment ou en raison de la nécessité de maintenir en permanence un certain climat intérieur.

Il existe différents modèles de tels équipements, conçus pour certaines conditions de fonctionnement:
- évacuation, alimentation ou alimentation et évacuation ;
- assurer l'évacuation des fumées émises lors de la production ;
- purifier l'air pour une utilisation ultérieure ou utiliser la recirculation ;
- minimisant la teneur en substances dangereuses dans l'air ou impliquant une récupération ;
- chauffé à l'eau ou à l'électricité.
Ces appareils ont plusieurs modes standard qui peuvent être commutés manuellement ou automatiquement en fonction des conditions extérieures.
Armoires de commande des ventilateurs d'incendie conformes à la réglementation.
Ces armoires disposent de tout ce dont vous avez besoin pour respecter la réglementation :
1. Les armoires ont la capacité de démarrer, avec une tension de 24V, ce qui élimine les problèmes de contrôle d'intégrité.
2. Avoir des modes de fonctionnement manuel/automatique
3. Les armoires émettent des signaux de dispatching exhaustifs : Travaux, Automatisation, Urgence.
4. Tous les circuits sont surveillés, y compris les circuits de puissance.
5. Il existe une possibilité de contrôle manuel externe et de contrôle à partir du panneau de l'armoire.
6. Et le plus important - un certificat de conformité à la loi fédérale n ° FZ-123.
Bolide.
ShKP-10 14925₽.
Chambre de contrôle. Il n'y a pas de circuits de commande de vannes et il est nécessaire d'utiliser le module d'évacuation des fumées S2000-SP4, qui coûte 2200 roubles, dans le cadre du système d'adressage.
Plasma-T.
SHUV 11kW 15332₽.
Armoire de commande pour un moteur pompe / ventilateur triphasé d'une puissance jusqu'à 11 kW avec démarrage direct, équipement DEK, IP31.Il n'y a pas de circuits de commande de soupape - quelque chose doit également être fait.
Frontière.
Projet SHUN/V-15-00 R3 29000₽.
La comparaison de cette armoire avec d'autres n'est pas tout à fait correcte, car cette armoire elle-même est un appareil adressable, c'est-à-dire qu'un seul fil de la ligne de communication adressable doit y être connecté, et un appareil ou module pour les boucles de contrôle et les lignes de démarrage est pas besoin.
La gestion et la répartition s'effectuent sur le réseau d'adresses.
Il n'y a pas de circuits de commande de vannes et il est nécessaire d'utiliser le module d'évacuation des fumées MDU-1, qui coûte 2280 roubles, dans le cadre du système d'adressage.
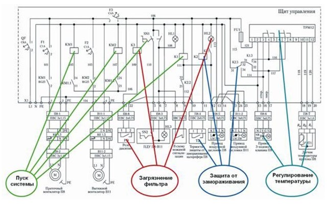
Fonctionnement des commandes de ventilation
Capteurs de contrôle de la ventilation
Ces éléments jouent le rôle de récepteurs qui collectent toutes les informations nécessaires sur le système (température, niveau de pollution, concentration de gaz, vitesse de déplacement de la masse d'air, etc.) et les transmettent au « cerveau » du complexe de ventilation. Sur la base des paramètres reçus, le système de contrôle envoie les commandes appropriées aux actionneurs.
Il existe de très nombreuses variétés de capteurs, par conséquent, pour plus de commodité, ils utilisent une sorte de classification.
Sur rendez-vous:
- des capteurs de température (analogiques et numériques) enregistrent la température des flux d'air et des éléments de travail individuels, fournissant des informations à la fois sur «l'environnement extérieur» et sur l'état du système lui-même;
- les capteurs d'humidité déterminent automatiquement le pourcentage d'humidité dans l'air ambiant, en choisissant le mode de fonctionnement le plus confortable en fonction de cela ;
- les capteurs de vitesse et de pression vous permettent de contrôler le fonctionnement des ventilateurs en fonction de l'intensité des flux de travail à l'intérieur des conduits d'air.
Par emplacement:
- intérieur collecter des informations sur les changements de température dans la pièce elle-même;
- atmosphériques sont installés à l'extérieur des bâtiments et permettent, grâce aux informations qu'ils collectent, de changer à l'avance le mode de fonctionnement en fonction des indicateurs de l'environnement extérieur.
Sur le lieu d'installation directe (il s'agit principalement de capteurs chargés de contrôler la vitesse du flux d'air et le fonctionnement des appareils de ventilation eux-mêmes):
- les capteurs de conduit enregistrent des données sur la vitesse du flux d'air et la force de sa pression, de sa pression et d'autres caractéristiques nécessaires (ils sont installés à l'intérieur des conduits d'air directement sur les murs ou avec la suppression de la section à travers le flux d'air);
- les capteurs extérieurs sont chargés de collecter les paramètres externes des appareils de ventilation - la vitesse de rotation des pales, la température des enroulements, etc. (ils sont installés directement sur la surface de l'élément contrôlé)
Une installation correcte des capteurs doit tenir compte à la fois des recommandations du fabricant pour leur installation et leur fonctionnement, et des exigences du projet lui-même. Sinon, le système risque non seulement de perdre sa sécurité, mais aussi de devenir déraisonnablement énergivore.
Contrôleurs
Ce sont des moyens de traitement des informations provenant de nombreux capteurs. Après avoir traité le signal reçu, ils donnent des commandes aux actionneurs, modifiant ainsi le mode de fonctionnement du système de ventilation.
Les plus populaires sont les contrôleurs à microprocesseur, dont les dimensions compactes permettent de les installer dans des armoires de commande de tailles standard. Un exemple d'un tel contrôleur peut être un contrôleur Pixel multifonctionnel capable de travailler avec des informations provenant de divers types de réseaux de communication, y compris les conduites de chauffage et d'alimentation en eau.
Le principe de fonctionnement des systèmes de ventilation automatisés
Alors, quel est le principe de base du fonctionnement des appareils de ventilation automatisés ?
Comme de nombreuses technologies modernes de ce type, celle-ci vise une implication minimale de l'opérateur dans le processus de contrôle des processus de rafraîchissement de l'air. Dans le vrai sens du terme, les appareils eux-mêmes s'acquittent calmement des tâches.
Les systèmes d'exploitation intelligents vous permettent de développer un algorithme nécessaire spécifiquement pour vos locaux ou vos locaux, selon lequel, à une certaine heure de la journée, le système fonctionnera dans un mode spécial. Organiser ce système de vos propres mains n'est pas facile, mais avec un peu de diligence, vous réussirez.
Par exemple, à l'heure du déjeuner, le soleil brille clairement à l'arrière du bâtiment, où il n'atteint généralement pas pendant la journée. Donc, en ce moment, le système d'unité d'échappement de cette partie devrait travailler dur.
Mais, comme ce côté n'est pas exposé au soleil pendant la majeure partie de la journée, il n'est pas économique de laisser des unités de ventilation fortement actives toute la journée.
Mais il n'y a aucun moyen de se débarrasser complètement du problème non plus. Cela signifie que le système lui-même doit contrôler la situation et changer le niveau de ventilation en fonction des conditions et de la situation.
Cet ordinateur sera assisté par tout un tas de capteurs qui déterminent les principaux indicateurs de l'air. En transmettant les données au centre de contrôle du système, ils déclenchent un processus de prise de décision quasi instantané par intelligence artificielle.
Les ventilateurs seront accélérés, les soupapes d'admission seront ouvertes plus largement, la température sera abaissée en dessous de la moyenne souhaitée. Mais seulement au bon moment !
Après cela, tous les capteurs transmettront de nouvelles mesures, qui témoigneront du régime de température normal. Le fonctionnement des gaines de ventilation reviendra à la normale.
Commutateur d'aération
C'est-à-dire qu'en plus des fonctions initiales consistant à fournir de l'air frais aux locaux avec compétence, le système joue le rôle d'un dispositif d'économie qui vous permettra de ne pas gaspiller d'électricité.
au menu
Le plus important c'est la qualité !
Lorsque vous choisissez des appareils ou des systèmes de ventilation d'extraction et d'admission entièrement automatisés, vous devez faire attention à leur puissance de consommation. Certains appareils, malgré les bons, ne sont pas extrêmement économiques (surtout lors de l'extraction de travail) et mordront sérieusement votre portefeuille en raison des tarifs de l'électricité
Surtout dans cette perspective, la ventilation d'alimentation automatique se resserrera
Certains appareils, malgré les bons, ne sont pas extrêmement économiques (surtout lorsqu'ils sont épuisants) et mordront sérieusement votre portefeuille en raison des tarifs de l'électricité. Surtout dans cette perspective, la ventilation d'alimentation automatique va se resserrer.
Le pays d'origine joue également un rôle. Le schéma de ventilation par aspiration est assez compliqué et il vaut la peine de travailler avec lui uniquement lors de l'achat d'appareils auprès de bons fabricants.

Bouclier du système de ventilation
Les fabricants européens sont considérés comme étant de la plus haute qualité, ils honorent leur réputation et font leur travail avec précision. Les appareils chinois ne sont pas moins de haute qualité, mais énergivores. Cela signifie qu'ils ne vous conviennent pas toujours.
L'importance de la qualité de la partie automatisée de votre ventilation aide les employés de bureau à supporter plus sereinement la chaleur estivale. En retour, cela augmente le rendement et l'activité
Et les systèmes de ventilation n'ont pas un effet aussi néfaste sur votre santé que les autres appareils de refroidissement.
au menu
Armoires de commande avec inverseur de source automatique (transfert automatique)
Nomination de l'ATS
Le commutateur de transfert est conçu pour alimenter la charge à partir de deux sources indépendantes : il contrôle les disjoncteurs de puissance qui protègent deux entrées indépendantes et alimentent le jeu de barres en courant. L'ATS peut également être utilisé pour activer automatiquement l'équipement de secours lorsque l'équipement principal identique est éteint. L'utilisation d'ATS vous permet d'éviter les temps d'arrêt des équipements, les perturbations des processus technologiques résultant de la perte du réseau ou si ses principales caractéristiques dépassent les valeurs autorisées.
Champ d'application
L'ATS est utilisé : dans les systèmes et dispositifs d'alimentation sans interruption ; fournir de l'énergie aux charges critiques ; dans les systèmes de redondance parallèle des alimentations.
Fonctions principales de l'ATS
La fonction principale est le passage automatique à une source d'alimentation de secours lorsque la tension de la source principale est défaillante ou que ses paramètres dépassent les valeurs normales.
- Commutation motorisée ;
- Relais de contrôle intégré ;
- Double alimentation ;
- Commutation sous charge ;
- Basculement manuel, plage de réglage 5-15s.
- Contrôle de l'augmentation ou de la diminution de la tension et de la fréquence ;
- Comptabilisation et surveillance de l'énergie électrique de la tension de sortie ATS.
Description des modes de fonctionnement ATS
ATS peut fonctionner en mode automatique et manuel.
Travailler en mode automatique :
Rétablit l'alimentation des consommateurs lorsque la source d'alimentation principale est éteinte, en connectant une source d'alimentation de secours. En cas de perte de tension à la source principale, la machine éteindra l'interrupteur automatique de la source principale, et éteindra cette source après le temps fixé par la minuterie. Une fois la temporisation écoulée, le disjoncteur de la source de secours s'enclenchera. Lorsque l'alimentation est rétablie sur la source principale, la minuterie éteindra le disjoncteur de la source de secours après un temps défini et reconnectera la source d'alimentation principale à l'aide du disjoncteur. Pour contrôler le commutateur de transfert automatique, un relais de commande programmable est utilisé, dans lequel toute la logique de fonctionnement du circuit ATS est programmée. Le relais de commande programmable est équipé d'un écran à cristaux liquides, qui affiche des informations (sous forme de textes d'affichage en russe) sur l'état actuel, les situations de commutation et d'urgence dans le circuit d'alimentation, dispose d'une mémoire non volatile, donc même si l'alimentation auxiliaire du circuit ATS est complètement hors tension, le programme est enregistré même lorsque l'alimentation est rétablie, le circuit continue de fonctionner en fonction de l'état actuel du circuit d'alimentation.
Opération manuelle:
Lorsque le commutateur de mode de fonctionnement ATS est commuté sur la position "MANUEL", seules les commandes de contrôle de sortie du relais de contrôle programmable sont désactivées, toutes les signalisations sous forme de messages texte affichés continuent de fonctionner. La commande des disjoncteurs : entrée 1 (QF1) et entrée 2 (QF2) s'effectue à l'aide de boutons en face avant de l'armoire ATS.
Schéma ATS avec deux entrées (travail et réserve) et une sortie.
Le transfert automatique d'une réserve peut se faire avec un algorithme de fonctionnement différent au choix du client :
ATS avec première priorité d'entrée :
En mode normal, l'alimentation n'est fournie qu'à partir de la première entrée. Si la tension sur celle-ci disparaît, la machine bascule sur la deuxième entrée, lorsque l'alimentation est rétablie sur la première entrée, le blindage ATS lui restitue immédiatement l'alimentation.
AVR avec entrées équivalentes :
Capable de travailler longtemps à la fois de la première et de la deuxième entrée. Lorsque la tension est coupée à la première entrée, la deuxième entrée est automatiquement connectée, à partir de laquelle l'alimentation en tension continue. Retour automatique à la première entrée lorsque l'alimentation est rétablie sur celle-ci n'est pas prévue, cela se produit uniquement lorsque l'alimentation est interrompue à la deuxième entrée. Dans les armoires ATS de ce type, il est possible de passer manuellement d'une entrée à l'autre.
AVR pas de remboursement :
Lorsque l'alimentation est interrompue à la première entrée, l'AVR de ce type passe automatiquement à la deuxième entrée. Le retour à la première entrée n'est possible qu'en mode manuel.
Certains AVR prévoient le mode de fonctionnement indépendant de chaque entrée pour différents groupes de consommateurs. Si une entrée échoue, tous les consommateurs rejoignent l'entrée réparable.
Marquage des panneaux d'automatisation et de contrôle
Le marquage classique des boucliers ressort clairement de l'abréviation des premières lettres :
- SCHU est un panneau de contrôle ;
- SHA est un bouclier d'automatisation ;
- SHAU est un panneau de contrôle et d'automatisation ;
- NKU est une désignation généralisée d'appareils complets basse tension (SchU, SCHA, SCHAU, SHR, VRU, MSB) jusqu'à 0,4 kV.
Séparément, nous pouvons souligner :
- SCHO - panneaux d'éclairage;
- SHUV ─ panneaux de commande de ventilation ;
- OSCHV ─ panneaux d'éclairage à charnières ;
- UOSCHV ─ panneaux d'éclairage intégrés.
Caractéristiques d'assemblage ShchAU
Les panneaux d'automatisation, le plus souvent, sont assemblés pour une tâche spécifique, un processus technologique ou un équipement spécifique. Le montage du bouclier comprend plusieurs étapes :
- Préparation des spécifications techniques ;
- Sélection des composants pour l'assemblage du bouclier ;
- Assemblage de bouclier ;
- Installer un bouclier sur un objet ;
- Démarrage et réglage du bouclier.
Engagé dans l'assemblage et l'installation de panneaux de contrôle et d'automatisation, organisations spécialisées.
Installation de systèmes de ventilation
Avant l'installation de systèmes de ventilation avec des composants automatiques, une rédaction compétente du projet est requise. Pour ce faire, vous devez avoir certaines compétences en ingénierie, il est donc préférable de confier ces travaux à des professionnels.

Les technologies actuelles permettent de concevoir des systèmes de contrôle automatique assez complexes pour les systèmes de ventilation. Pour cette raison, leur installation et leur réglage ultérieur, même s'il existe un projet bien conçu, ne doivent être effectués que par des spécialistes expérimentés. Faire un tel travail de vos propres mains n'est pas recommandé, surtout lorsqu'il s'agit d'un schéma très complexe. Toute lacune et erreur commise lors de l'installation peut provoquer une grave violation de l'échange d'air, en raison de laquelle des conditions se produiront dans l'espace disponible qui sont impossibles pour les personnes.

Une étape tout aussi importante dans la réalisation de tels travaux sera la mise en service. À ce stade, le fonctionnement du système de ventilation assemblé dans son ensemble est vérifié et tous les indicateurs nécessaires sont donnés conformément au projet élaboré à l'avance.










































