Aperçu des radiateurs soufflants à eau polonais Vulkano

Volcan vr2 ac - 1-4-0101-0447 - groupe vts

Gammes de modèles disponibles

Aperçu des radiateurs soufflants à eau polonais VulkanoLes petits modèles sont utilisés comme source de chaleur supplémentaire

Les meilleurs pour chauffer l'air intérieur sont les modèles Volcano VR. Pour un travail à part entière, ils n'ont pas besoin de l'air de la rue - il est prélevé directement du bâtiment.

Les modèles suivants sont produits en 2019 :

  • Aérotherme Vulcano Mini avec moteurs AC et EC;
  • VOLCANO VR1, VR2, VR3 avec moteurs AC, EC ;
  • réchauffeur Volcano VR-D.

Depuis 2018, la production de modèles avec des moteurs à courant alternatif éprouvés au fil des ans a été réduite. L'Europe est passée aux moteurs EC à consommation électrique modérée.Les modèles à économie d'énergie économisent 16 % d'énergie.

Volcan Mini

Les ventilateurs de chauffage sont conçus pour chauffer les locaux à l'aide d'un fluide caloporteur et répartir les débits par des volets commandés. La conception contient une paire d'échangeurs de chaleur avec une température de liquide de refroidissement allant jusqu'à 130 degrés. Consommation d'air - 2100 mètres cubes / heure. Bruit des moteurs au niveau de 52 dB. Poids 17,5 kg. Le coût moyen est de 21 000 roubles. Faible coût, consommation d'air moyenne, longueur de jet jusqu'à 14 m, base pour une utilisation active dans le chauffage de petites et moyennes pièces.

Volcan VR1

Une gamme populaire de ventilateurs d'une puissance de 5 à 30 kW. Prix ​​27000 roubles. L'eau est utilisée comme caloporteur sous pression jusqu'à 1,6 MPa. La température de l'environnement de travail peut atteindre 130 degrés. Le ventilateur crée un bruit jusqu'à 56 dB. Tension d'alimentation - réseau monophasé 220 V. Régime moteur - 1380 tr/min. Ce modèle est utilisé pour les besoins domestiques dans des pièces de taille moyenne. Pratique en l'absence de tension triphasée.

Volcan VR2

Aperçu des radiateurs soufflants à eau polonais VulkanoLe modèle, fonctionnant à partir de 220 V, est capable de chauffer une grande surface - un hangar, un entrepôt, une salle de sport

La puissance thermique de 8 à 50 kW chauffe une grande surface. Ceci est intéressant pour les terrains de sport, les centres commerciaux avec une pénurie de courant triphasé. Le modèle fonctionne en 220V. La longueur de la torche à jet est de 22 m, la verticale de 11 m et le coût de l'équipement est de 33 000 roubles. 2 échangeurs de chaleur d'un volume total de 2,16 dm cubes. sont responsables du passage de l'air avec un volume de 4850 mètres cubes / heure.

Volcan VR3EC

Les aérothermes Volkano d'une capacité de 13 à 75 kW sont des équipements industriels. Le jet d'air horizontal atteint 25 m, le vertical - jusqu'à 15 m.Ce modèle du volcan a un chauffage à air - 5700 mètres cubes par heure.Cette consommation est obtenue par le fonctionnement d'un petit moteur d'une puissance de 0,37 kW. L'efficacité du modèle Vulkan permet d'utiliser le radiateur pour chauffer des pièces de milliers de mètres carrés. Les qualités durables de plastique protègent contre les environnements agressifs, les rayons ultraviolets, résistent à la chaleur, au froid et à l'humidité. Les appareils de la série sont de petite taille et de conception attrayante.

Volcan Mini CE

Les moteurs à économie d'énergie d'une puissance de 95 W fournissent un flux horizontal jusqu'à 14 m et un flux vertical jusqu'à 8 m.L'équipement est compact, ce qui est nécessaire pour les petits espaces. Dans le même temps, les performances de chauffage du volcan ne souffrent pas, atteignant 2100 mètres cubes par heure. Puissance thermique 3 - 20 kW.

Comment maintenir le volcan vr1?

L'échangeur de chaleur du volcan vr1 doit être régulièrement nettoyé de la poussière et de la saleté. Surtout avant la saison de chauffage, nous recommandons de nettoyer l'échangeur de chaleur avec de l'air comprimé du côté de la grille. Le moteur du ventilateur du volcan vr1 ne nécessite pas beaucoup d'entretien. Le seul entretien concerne le ventilateur. Lorsqu'elle est sale, vous pouvez nettoyer la grille de protection de la poussière et de la saleté. Si le volcan vr1 n'est pas utilisé pendant une longue période, l'équipement doit être déconnecté de la source d'alimentation. Il y a un risque que l'échangeur de chaleur du volcan vr1 se dégivre si la température ambiante descend en dessous de 0°C et que la température du fluide de chauffage chute en même temps, en particulier lorsque des vannes à deux voies sont utilisées.

N'oubliez pas que l'achat de VOLCANO VR1 EC Neuf chez nous - DISTRIBUTEUR GENERAL implique :

  • livraison gratuite de VOLCANO VR1 EC New au terminal du centre commercial de Moscou, Novossibirsk, Krasnodar ;
  • Garantie de 5 ans (remplacement de l'équipement par un neuf dans les 5 ans à compter de la date d'achat) ;
  • La possibilité de retourner VOLCANO VR1 EC New dans les 14 jours, conformément à l'art. 502 du Code civil de la Fédération de Russie et art. 25 de la loi "Sur la protection des droits des consommateurs".
unité Volcan VR1
numéro de rangée de l'aérotherme 1
décharge d'air maximale m3/h 5300
plage de puissance de chauffage kW 5-30
poids de l'appareil (sans eau) kg 27,5
portée d'air horizontale maximale m 23
portée d'air verticale maximale m 12

Nécessaire dans n'importe quelle pièce

La forte demande d'aérothermes Volcano réside dans le fait qu'ils peuvent être installés absolument dans n'importe quelle pièce, ils conviennent au chauffage des locaux d'appartements, de maisons privées et de chalets et sont demandés dans les bureaux, les bâtiments administratifs, ainsi que dans les enfants. et les établissements d'enseignement, où le confort et la sécurité sont supérieurs à Total. Volcano s'adapte également parfaitement au chauffage des salles de marché, des concessionnaires automobiles et des entrepôts. L'efficacité et la puissance des aérothermes Volcano les rendent indispensables pour les ateliers et locaux de production, les installations sportives et les grands centres commerciaux.

Volcan VR3

Paramètres Tz/Tp
90/70  80/60  70/50  50/30 

Jp1

°C

Qp

m³/h

Pg

kW

Jp2

°C

Qw

m³/h

Δp

kPa

Pg

kW

Jp2

°C

Qw

m³/h

Δp

kPa

Pg

kW

Jp2

°C

Qw

m³/h

Δp

kPa

Pg

kW

Jp2

°C

Qw

m³/h

Δp

kPa

5700 75,0 39 3,31 32,6 64,5 33,8 2,85 25,1 54,3 28,4 2,39 18,4 33,6 17,6 1,46 7,8
4100 60,6 44,1 2,69 22 52,5 38,2 2,32 17 44,3 32,2 1,95 12,5 27,5 20 1,2 5,4
3000 49,5 49,2 2,19 15 42,9 42,7 1,89 11,6 36,3 36,1 1,59 8,6 22,6 22,5 0,98 3,7
5 5700 69,9 41,6 3,1 28,9 59,8 36,3 2,64 21,7 49,6 31 2,18 15,5 28,7 20 1,25 5,8
4100 56,8 46,3 2,52 19,5 48,7 40,4 2,15 14,8 40,5 34,4 1,78 10,6 23,5 22,1 1,02 4
3000 46,4 51,1 2,06 13,3 39,8 44,6 1,76 10,1 33,1 37,9 1,46 7,3 19,3 24,2 0,84 2,8
10 5700 65,2 44,1 2,89 25,3 55 38,8 2,43 18,6 44,8 33,4 1,97 12,8 23,7 22,4 1,03 4,1
4100 53 48,6 2,35 17,1 44,9 42,6 1,98 12,7 36,6 36,6 1,61 8,8 19,4 24,1 0,84 2,8
3000 43,3 53,1 1,92 11,7 36,7 46,5 1,62 8,7 30 39,8 1,32 6,1 15,9 25,8 0,69 2
15 5700 60,4 46,6 2,68 21,9 50,2 41,3 2,22 15,7 40 35,9 1,76 10,3 18,4 24,6 0,8 2,6
4100 49,2 50,8 2,18 14,9 41 44,8 1,81 10,7 32,7 38,8 1,44 7,1 15,1 26 0,66 1,8
3000 40,2 55 1,78 10,2 33,6 48,4 1,48 7,4 26,8 41,6 1,18 4,9 12,4 27,3 0,54 1,2
20 5700 55,6 49,1 2,47 18,8 45,4 43,8 2 13 35 38,3 15,4 8,1 12,8 26,7 0,56 1,3
4100 45,3 53 2,01 12,8 37,1 47 1,64 8,9 28,7 40,9 1,26 5,6 10,4 27,5 0,45 0,9
3000 37,1 56,9 1,64 8,8 30,4 50,2 1,34 6,1 23,6 43,4 1,04 3,9 8,3 28,2 0,36 0,6

Lors de l'utilisation d'un fluide caloporteur d'une température différente, les données concernant les performances des aérothermes Volcano sont disponibles sur demande.

Caractéristiques

Actuellement, deux modèles d'équipements de chauffage Volcano ont été lancés - VR1 et VR2. Il existe également des modèles de radiateurs soufflants Volcano VR MINI et Volcano VR3, mais ils ne sont pas largement utilisés.

Les modèles VR1 et VR2 ont un boîtier résistant à la température et à la corrosion en plastique spécial qui répond à toutes les normes de contrôle environnemental. Dans ces cas, seule une automatisation fiable est utilisée, ce qui est très facile à gérer.

Le réchauffeur Volcano VR1 appartient aux appareils à une rangée et a une puissance de 30 kW à charge maximale. Le deuxième modèle a deux rangées et l'indicateur de puissance est augmenté de 2 fois.

Aperçu des radiateurs soufflants à eau polonais Vulkano

Aperçu des radiateurs soufflants à eau polonais Vulkano

L'eau agit comme caloporteur. La température de chauffage maximale possible du fluide de travail pour les deux modèles est de 1300 ° C avec une portée de jet d'air chauffé de 25 m.Dans le premier modèle, à savoir dans VR1, 1,7 dm3 d'eau sont utilisés et dans le second - 3,1 dm3.

La pression de service maximale autorisée est de 1,6 MPa.

Il ne faut pas oublier que l'utilisation d'eau sous pression comme liquide de refroidissement nécessite une protection supplémentaire avec une possible augmentation de cet indicateur. Mais les conditions sont également prises en compte pour que lorsque la température chute à des valeurs négatives, l'échangeur de chaleur peut se rompre s'il y a de l'eau dans le système.

Aperçu des radiateurs soufflants à eau polonais Vulkano

Aperçu des radiateurs soufflants à eau polonais Vulkano

Aérotherme VOLCANO VR1 EC Neuf avec puissance de 5 à 30 kW

Modèle (Modèle) 1-4-0101-0442 réchauffeur d'air

Aérotherme VOLCANO VR1 EC (Neuf) avec échangeur simple rang et débit d'air jusqu'à 5300 m3/h

avec moteur EC

#LIFE OF VOLCANO VR1 Moteur de ventilateur EC
Durée de vie requise :
➢ 70.000 heures à 70% de charge et 35°C de température ambiante (8 ans)
➢ 30.000 heures à 100% de charge et à une température ambiante de 55°C (3,5 ans)

Aperçu des radiateurs soufflants à eau polonais Vulkano

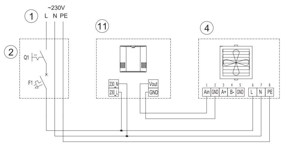
Bloc de connexion VOLCANO EC VR1 avec nouveau type de moteur EC ?

Calculateur de sélection
pour calculer la quantité de Volcano VR1 EC et découvrir
la puissance de la chaudière pour votre chambre

Plage de puissance thermique, kW 5-30
Tension d'alimentation, V 220
Consommation électrique du moteur, W 162 — 250
Type de moteur AC - 3 vitesses \ EC - en continu UE
Nombre de rangées de chauffage une seule rangée
Nombre de régimes moteur 3
Le volume d'eau dans l'échangeur de chaleur, l 1,25
Température maximale du liquide de refroidissement, С 130
Pression maximale du liquide de refroidissement, atm 16
Matériau du boîtier Plastique
Courant maximal, A 1,3
Consommation d'air (productivité), m3/h 2800/3900/5300
Hauteur de suspension maximale, m 12
Plage de débit d'air (longueur du jet d'air), m 23
Le diamètre des tuyaux de dérivation pour le raccordement du liquide de refroidissement 3/4″
Poids (kg 27,5
Niveau sonore, dB (A) 38/49/54
Protection contre l'humidité IP44
Plage de débit d'air (débit d'air vertical), m 12
Dimensions, mm : LxPxH 700x425x700
Régime moteur maximal, tr/min 1430
Température ambiante maximale + 60 degrés

Attention! La pression de service maximale pour les échangeurs de chaleur à liquide est de 16 bar. La pression maximale pour laquelle les échangeurs de chaleur à liquide ont été testés est de 21 bar

La pression maximale pour laquelle les échangeurs de chaleur à liquide ont été testés est de 21 bars.

Aérothermes Volcano - description

Les aérothermes Volcano sont des chauffe-eau équipés d'échangeurs de chaleur et de ventilateurs puissants. Ils fournissent de la chaleur aux locaux de n'importe quel usage. Leur fabricant est la société polonaise VTS, ce qui indique l'origine européenne de l'équipement. Il est prudent de dire à propos du plus haut degré de distribution de ces radiateurs soufflants en Russie.Aujourd'hui, ils sont installés dans:

  • ateliers de réparation et garages;
  • supermarchés et hypermarchés;
  • locaux d'entrepôt;
  • locaux de parking;
  • concessionnaires automobiles;
  • hangars et locaux industriels.

Aperçu des radiateurs soufflants à eau polonais Vulkano

L'ensemble d'équipement peut inclure des thermostats avec servocommandes, des panneaux de commande programmables, des vannes à deux voies et bien plus encore.

De plus, le radiateur soufflant Vulcano est un choix judicieux pour chauffer une serre où la chaleur est nécessaire pour faire pousser des cultures dans les parterres.

Les chauffe-eau Volcano ont une conception extrêmement simple. Leur cœur est constitué d'échangeurs de chaleur productifs à travers lesquels circule de l'eau chaude. Les échangeurs de chaleur sont soufflés par des ventilateurs, les flux d'air chauffé sont envoyés à travers les grilles de sortie vers l'extérieur.

Les aérothermes Volcano sont des éléments des systèmes de chauffage à air. Ils peuvent être utilisés comme modules principaux des systèmes de chauffage et comme équipement auxiliaire. De puissants jets d'air chaud remplissent de chaleur les pièces chauffées. Dans le même temps, ces radiateurs soufflants ne peuvent pas être appelés rideaux thermiques - ce sont précisément des appareils de chauffage.

Les rideaux thermiques traditionnels empêchent la pénétration du froid dans les locaux, agissant comme un équipement de chauffage d'appoint. Les radiateurs soufflants Volcano ont une fonctionnalité plus proche des pistolets thermiques.

Les principaux avantages des aérothermes Volcano :

  • Ventilateurs silencieux - offrent un environnement confortable avec un minimum de bruit.
  • Compacité et faible poids - tout cela facilite les travaux d'installation.
  • Haute performance - les modèles individuels d'unités de chauffage à air de Volcano peuvent conduire jusqu'à 5000 mètres cubes d'air et plus par heure.
  • Un schéma de connexion simple - il suffit de connecter les aérothermes avec des tuyaux flexibles d'un diamètre approprié aux tuyaux avec le liquide de refroidissement. L'électricité est également nécessaire pour leur fonctionnement - elle fait tourner les ventilateurs.
  • Construction robuste faite de nuances d'acier durables et de plastique résistant à la corrosion.
  • Conception universelle moderne - vous permet d'adapter l'équipement à n'importe quel intérieur sans gâcher son apparence.

L'avantage incontestable est le coût abordable des aérothermes Volcano.

Si vous envisagez d'acheter Volcano aux prix les plus bas en Russie et d'obtenir un service après-vente adéquat, nous vous conseillons de contacter uniquement les revendeurs officiels.

Avantages et inconvénients des modèles d'eau

Les appareils fabriqués par un fabricant polonais sont recommandés pour une utilisation dans des installations où un chauffage rapide de la pièce est requis. Le liquide de refroidissement qu'ils contiennent est de l'eau. Il chauffe jusqu'à une certaine température puis cède de la chaleur à l'air circulant à l'intérieur de l'appareil. À l'aide d'un ventilateur, il pénètre dans la pièce à travers les stores de guidage. Grâce à ce principe de fonctionnement, l'appareil est capable de réchauffer rapidement n'importe quelle pièce.

Regardez la vidéo, test de performance de ce modèle :

De plus, même les mini radiateurs soufflants volcano, contrairement aux radiateurs classiques, sont faciles à installer et ont une grande puissance. Ils travaillent déjà avec succès dans de nombreuses installations et n'ont réussi à faire leurs preuves que du meilleur côté.

L'installation du radiateur soufflant volcano vr2 ne nécessite pas de connaissances spécifiques et peut être effectuée de manière autonome. Il peut être raccordé aussi bien à un système de chauffage centralisé qu'à une chaudière individuelle. Dans ce cas, la chaleur sera répartie uniformément dans toute la pièce.

Aperçu des radiateurs soufflants à eau polonais VulkanoLes principaux avantages des équipements de la marque Volkano sont :

  • Haute performance;
  • Faible coût de maintenance et d'exploitation ;
  • Réglage automatique des paramètres ;
  • Installation facile;
  • Niveau sonore insignifiant;
  • La possibilité de créer le système de chauffage le plus efficace par rapport à tous disponibles.

Caractéristiques du modèle Volkano VR2

Les développeurs de l'appareil se sont assurés qu'il pouvait être utilisé pour chauffer même des masses d'air contenant des substances caustiques ou une humidité élevée. Ceci est indiqué par un boîtier en plastique moulé. Pour sa fabrication, un matériau est utilisé qui peut résister à un chauffage jusqu'à 130 ° C et qui est insensible à la corrosion.

Regardez une vidéo sur ce modèle :

En tant qu'éléments décoratifs, il utilise des plaques latérales colorées. Ils peuvent être commandés en plus pour une palette de couleurs spécifique de la conception de la pièce. L'échangeur de chaleur à deux rangées du radiateur soufflant volcano vr2 vous permet de développer une puissance jusqu'à 6 kW à une pression de 1,6 MPa. Son raccordement au système de chauffage s'effectue à l'aide des buses situées sur le panneau arrière de l'appareil.

Le jet d'air thermique de l'appareil pénètre dans la pièce par les grilles de guidage. De plus, sa direction est réglée par l'une des quatre positions possibles. Le radiateur soufflant Volkano VR1 est fixé à l'aide de goujons spéciaux ou d'un support de montage, ce qui permet de tourner le jet dans n'importe quelle direction.

Installation et fonctionnement des équipements

Lors du choix d'un endroit pour installer un radiateur soufflant Volkano, vous devez prendre en compte diverses nuances. Parmi eux, une importance particulière est accordée à la possibilité d'accès gratuit pour la maintenance du service. Étant donné que l'appareil nécessite un entretien préventif régulier, il doit être monté dans un endroit où il sera librement accessible.

Aperçu des radiateurs soufflants à eau polonais VulkanoCependant, en plus de cela, d'autres aspects doivent être pris en compte, tels que :

  1. Fourniture de tuyaux avec caloporteur ;
  2. Connexion à l'alimentation ;
  3. Direction rationnelle du flux d'air chauffé.

Lors du montage du radiateur soufflant sur le mur, la distance entre celui-ci et la surface ne peut pas être inférieure à 0,4 m. Dans le même temps, la hauteur de l'appareil ne doit pas dépasser 8 m.

Lire aussi :  Comment faire un ventilateur de vos propres mains

L'installation sous le plafond nécessite une distance de 0,4 m de sa surface, dans ce cas, l'appareil peut être situé à une hauteur de 4 à 12 m, des montants ou une console peuvent être utilisés comme fixations. Mais comme ils ne sont pas inclus dans le package, vous devrez les acheter séparément. Des trous de montage sont prévus dans les panneaux supérieur et inférieur du radiateur soufflant pour la fixation à un support.

Applications

Aperçu des radiateurs soufflants à eau polonais VulkanoLes radiateurs soufflants avec une protection IP accrue sont utilisés dans les lave-autos

Les unités ne sont pas adaptées au chauffage de maisons privées. Le seul domaine d'application dans l'habitation est le chauffage des vérandas, des espaces intérieurs sans la présence constante d'une personne. Les appareils Vulkan sont conçus pour chauffer des pièces à hauts plafonds : hangars, zones de production, entrepôts, serres. Les propriétaires de garages, de lave-autos, de piscines, de parquets les utilisent également dans leur travail.

Les rideaux thermiques Volcano sont utilisés avec succès aux entrées des locaux, protégeant la chaleur interne de l'air extérieur froid.

Les radiateurs sont utilisés de manière autonome et pour réchauffer les locaux en cas de pénurie d'unités de chauffage stationnaires.

L'utilisation de l'automatisation Vulkan permet d'économiser jusqu'à 70% de combustible pour les chaudières (charbon, gaz, granulés, diesel). Les systèmes fonctionnent à une plage de température du liquide de refroidissement de 50 à 120 degrés. Pour le travail, l'air déjà présent dans la pièce est utilisé. Plus la température ambiante est élevée, plus le coût de chauffage est faible.Les radiateurs soufflants fournissent de l'air chauffé à n'importe quel point de la pièce où la chaleur est nécessaire, mais les radiateurs de chauffage stationnaires ne sont pas installés en raison des volets contrôlés. Les flux d'air chaud sont constamment mélangés et excluent les zones non chauffées de la pièce.

Le radiateur soufflant à eau Volcano a trouvé une large application dans les lave-autos. Pour les pièces humides, un équipement automatique à sécurité accrue IP54 est utilisé. Les radiateurs soufflants réchauffent une voiture glacée en quelques secondes. Séchage rapide après lavage.

Aperçu des radiateurs soufflants à eau polonais VulkanoEn été, des ventilateurs de toit sont utilisés pour ventiler la pièce.

L'utilisation de radiateurs soufflants par temps chaud élargit la fonctionnalité. Ils sont utilisés comme ventilateurs, mélangeant l'air de la pièce et créant des conditions de travail favorables.

Parmi les méthodes d'application non standard, on peut noter l'utilisation d'un radiateur soufflant avec réfrigérant. Ensuite, pour éviter la formation de condensat, un bac de récupération d'eau est placé en dessous. Si nécessaire, un tuyau est adapté pour vidanger le liquide. Avec cette utilisation, les unités sont également utilisées pour refroidir les installations de production à la chaleur. Cependant, la capacité de refroidissement est inférieure à celle thermique. Pendant le fonctionnement, le condensat est transporté à l'intérieur de la pièce. Pour éviter cela, la vitesse du ventilateur est réduite.

Des performances positives

Fonctionnement du ventilateur

Dès que le radiateur soufflant Volcano est apparu sur le marché, il a immédiatement attiré l'attention des acheteurs ciblés. Et tout cela parce que les fabricants polonais ont proposé au monde un équipement universel pouvant fonctionner en tandem avec n'importe quel système de chauffage - qu'il s'agisse d'un réseau de chauffage, d'une chaufferie ou d'une chaudière à eau ordinaire de tout type.

Et ce n'est pas le seul avantage significatif du radiateur soufflant Volcano.

Par conséquent, la technique a les performances techniques maximales. Le niveau de bruit, par exemple, produit à la limite de puissance de l'unité, n'est que de 51 dB. Et dans des conditions normales de fonctionnement, il ne dépasse pas 28 dB

Cette caractéristique technique attire l'attention de ceux qui possèdent des zones et des locaux avec des exigences de niveau sonore accrues.

Presque toutes les qualités positives se manifestent dans le processus d'installation de l'équipement. Grâce à l'utilisation de solutions innovantes, le radiateur soufflant a de petites dimensions, tandis que sa puissance est suffisante pour résoudre les tâches. L'installation vous permet d'établir une connexion cachée ou d'exposer l'appareil, en l'intégrant à l'intérieur. Cette circonstance a été particulièrement appréciée par les propriétaires de centres commerciaux et de salles de conférence - ces objets dont la conception extérieure revêt une grande importance.

Volcano - chauffage haute technologie

Les conditions climatiques sur la majeure partie du territoire de notre pays sont telles que les coûts de chauffage représentent une part importante de tout budget. De la famille à l'entreprise. De plus, les systèmes de chauffage utilisés partout, malgré leur diversité, présentent un inconvénient important : le chauffage statique de l'air autour de la source de chaleur. Dans le même temps, la part du lion de l'air chaud, due à la circulation naturelle du flux d'air, monte jusqu'aux plafonds. Cela réduit de moitié l'efficacité de l'utilisation de l'énergie pour le chauffage des locaux. Ce problème est particulièrement pertinent dans les maisons des bâtiments anciens, insuffisamment isolés, avec des communications obsolètes, dans les locaux industriels avec de hauts plafonds, les institutions pour enfants et les hôpitaux.Ici, les pertes de chaleur sont encore plus importantes et atteignent jusqu'à 80 %. Pensez-y ! De 50 à 80% de l'énergie dépensée ne va nulle part ! Cependant, vous les payez de votre poche. Presque tous les bâtiments et structures utilisant des systèmes de chauffage classiques subissent d'autres pertes de chaleur. Et la proportion de ces pertes est très importante. Est-il possible de réduire les pertes et d'augmenter l'efficacité des appareils et systèmes de chauffage ?

Généralisation sur le sujet

Comme vous pouvez le voir, le radiateur soufflant Volcano a de bons paramètres techniques. Il augmente l'efficacité du système de chauffage existant et crée les conditions les plus confortables pour le fonctionnement d'une installation industrielle, commerciale ou sportive.

Lire la suite:

Comment réparer correctement un radiateur soufflant de vos propres mains

Chaudière à gaz Navien - spécifications techniques, caractéristiques de conception et gamme de modèles

Pompes de circulation danoises Grundfos - spécifications et caractéristiques de conception

Que sont les tuyaux sandwich à fumée - leurs caractéristiques, avantages et inconvénients

Pompes de circulation Wilo modernes - caractéristiques techniques et avantages opérationnels

Aérotherme VOLCANO VR3 EC (Neuf)

Modèle (Modèle) 1-4-0101-0444 réchauffeur d'air

Aérotherme VOLCANO VR3 EC Neuf d'une puissance de 13 à 75 kW
avec échangeur de chaleur à trois rangées et débit d'air jusqu'à 5700 m3/h.

avec moteur EC

#LIFE OF VOLCANO VR3 Moteur de ventilateur EC
Durée de vie requise :
➢ 70.000 heures à 70% de charge et 35°C de température ambiante (8 ans)
➢ 30.000 heures à 100% de charge et à une température ambiante de 55°C (3,5 ans)

!*!*Selon le montant $ de la commande, un % de remise supplémentaire ou la livraison gratuite au point de délivrance du VOLCANO VR3 EC (Volcano VE-ER Three E-CE) dans votre ville !​

PROTECTION MOTEUR VOLCANO VR3 EC
Protection thermique : L'unité de commande assure la protection thermique du moteur.
Lorsque la température du moteur dépasse 90°C, la puissance commence à diminuer, ce qui entraîne une diminution de la génération de chaleur et du refroidissement du moteur.
Si la température dépasse 105°C, le moteur s'arrête.
Le moteur démarrera automatiquement lorsque la température descendra à 75°C.
#Protection par tension d'alimentation :
L'unité de contrôle offre une protection contre les tensions d'alimentation basses et hautes. L'électronique arrête le moteur si la tension n'est pas dans la plage requise.
#Protection contre le blocage du rotor :
L'unité de commande désactive la protection du moteur si l'arbre du rotor est bloqué et ne peut pas tourner. L'électronique effectue 25 cycles de redémarrage du moteur et, en cas de panne, l'éteint. Ensuite, un redémarrage manuel du moteur hors tension est nécessaire.
#Défaut ou perte de phase moteur :
L'unité de commande est équipée d'une protection contre les défaillances/distorsions des phases du moteur. Si une panne de phase ou un déséquilibre de phase est détecté, l'électronique arrête immédiatement le moteur.
#Protection contre les surintensités:
L'unité de contrôle fournit une protection contre les surintensités. En cas de surintensité, l'électronique arrête immédiatement le moteur et tente de le redémarrer.
#Protection contre les erreurs d'accélération du rotor :
L'unité de commande contrôle l'accélération de l'arbre du moteur. Si l'électronique détecte un écart d'accélération (lorsque le rotor est endommagé ou difficile à tourner), le moteur sera redémarré.Après 25 cycles (un cycle d'une seconde) d'un redémarrage raté, le moteur s'arrête. Ensuite, un redémarrage manuel du moteur hors tension est nécessaire.
Remarquer!
L'unité de commande empêche la surchauffe du moteur ! Lorsque la température atteint 105°C, l'électronique arrête le moteur et le redémarre lorsque la température descend à 75°C. Cependant, si le moteur surchauffe, coupez l'alimentation pendant 20 minutes avant de procéder à son entretien. Si le moteur surchauffe, les pièces métalliques sont très chaudes et peuvent provoquer des brûlures.
Si le contrôleur commence à réduire la puissance de sortie pendant le fonctionnement, cela peut être la cause d'une surchauffe.
Assurez-vous que l'air passe à travers le carter du moteur.

Lire aussi :  Ventilation d'échappement sur le balcon et la loggia: options de ventilation

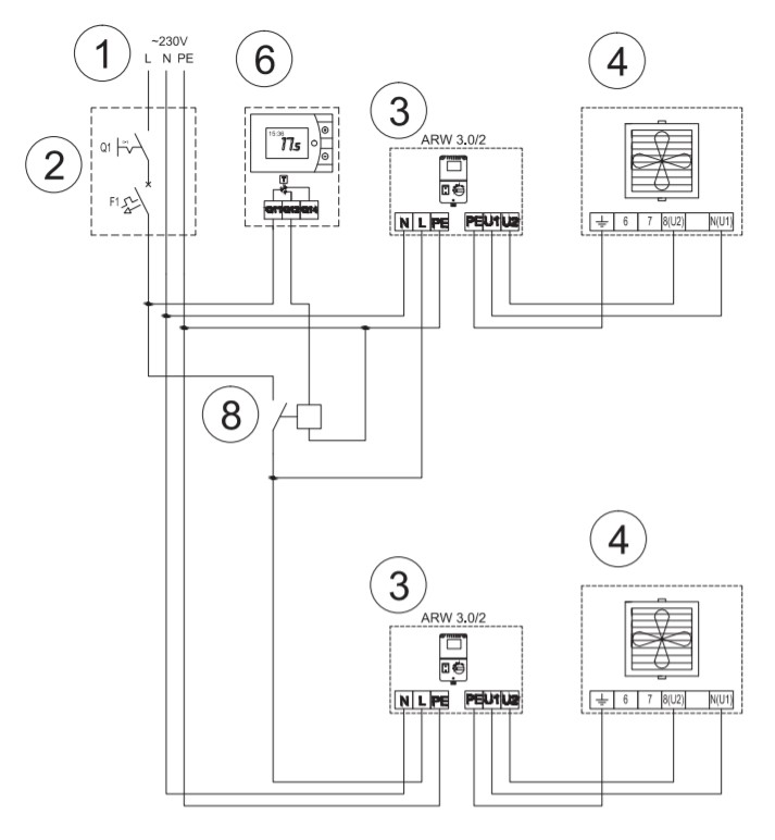
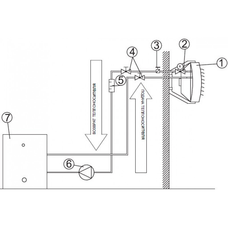
Bloc de connexion VOLCANO EC VR3 avec nouveau type de moteur EC ?

Schéma de connexion du Volcano vr3 au liquide de refroidissement

Aperçu des radiateurs soufflants à eau polonais Vulkano

Calculateur de sélection
pour calculer la quantité de Volcano VR3 EC NEW et découvrir
la puissance de la chaudière pour votre chambre

Plage de puissance thermique, kW 13-75
Tension d'alimentation, V 220
Consommation électrique du moteur, W 218 — 370
Type de moteur AC - 3 vitesses \ EC - en continu UE
Nombre de rangées de chauffage à trois rangées
Nombre de régimes moteur 3
Le volume d'eau dans l'échangeur de chaleur, l 3,1
Température maximale du liquide de refroidissement, С 130
Pression maximale du liquide de refroidissement, atm 16
Matériau du boîtier Plastique
Courant maximal, A 1,7
Consommation d'air (productivité), m3/h 3000/4100/5700
Hauteur de suspension maximale, m 12
Plage de débit d'air (longueur du jet d'air), m 25
Le diamètre des tuyaux de dérivation pour le raccordement du liquide de refroidissement 3/4″
Poids (kg 31
Niveau sonore, dB (A) 43/49/55
Protection contre l'humidité IP44
Plage de débit d'air (débit d'air vertical), m 12
Dimensions, mm : LxHxP 700x425x700
Régime moteur maximal, tr/min 1400
Température ambiante maximale +60 degrés

Attention! La pression de service maximale pour les échangeurs de chaleur à liquide est de 16 bar. La pression maximale pour laquelle les échangeurs de chaleur à liquide ont été testés est de 21 bar

La pression maximale pour laquelle les échangeurs de chaleur à liquide ont été testés est de 21 bars.

Chauffage d'un lave-auto ou d'une station-service

Pour créer des conditions favorables dans de tels ateliers, des appareils de chauffage à air sont souvent utilisés. En raison du fait que ces appareils de chauffage ont une excellente compacité, il n'est pas nécessaire de s'interroger sur son placement pratique.

Du fait que la société de fabrication EuroHeat offre une garantie à vie sur les boîtiers de ses produits, il est possible de juger de la qualité du matériau utilisé, qui ne se prête pas aux dommages mécaniques et à l'usure prématurée.

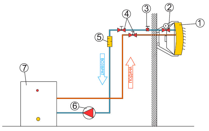
Les unités sont extrêmement faciles à utiliser et l'installation nécessitera une connexion à un système d'eau chaude, qui peut être fourni par une chaudière de chauffage supplémentaire. Le ventilateur souffle de force l'échangeur de chaleur Volcano, qui a une structure spéciale de son circuit ressemblant à un labyrinthe.

Une attention particulière est portée à l'air qui crée un flux de chaleur. Un facteur important est qu'il provient de la même pièce où il est installé.

Grâce à cela, il n'est pas nécessaire de monter des sorties d'air supplémentaires dans la rue. Le ventilateur lui-même a une conception bien pensée des pales, grâce à laquelle il fonctionne presque silencieusement, ne gênant ainsi pas le travail.

L'aérotherme en hiver assure le maintien d'indicateurs de température optimaux et participe à la lutte contre l'excès d'humidité. Mais aussi grâce à son utilisation, l'utilisation de brûleurs supplémentaires, de radiateurs électriques, etc. est exclue. L'équipement d'EuroHeat est conçu pour augmenter la sécurité du processus de travail.

Dans les ateliers de réparation automobile, il est nécessaire de choisir le bon endroit pour installer l'appareil, et il est également nécessaire de le connecter au système de chauffage et d'éliminer la possibilité de violer l'intégrité des tuyaux par lesquels le liquide de refroidissement est fourni. Un facteur important lors du choix d'un site d'installation est la possibilité de passage sans entrave d'un jet d'air chauffé.

Le plus souvent, les unités de chauffage à air sont utilisées en tandem avec le générateur de chaleur principal, qui peut être du gaz, du diesel ou l'un des types de chaudières à combustible solide. L'antigel est connu pour être utilisé comme liquide de refroidissement, qui a fait ses preuves à basse température, mais il est nécessaire de consulter un spécialiste avant d'utiliser cette substance, car elle peut affecter certains des joints qui font partie de l'appareil.

Voir la vidéo suivante pour les caractéristiques des unités de chauffage Volcano.

Gammes de modèles disponibles

Ensuite, nous examinerons les modèles de radiateurs soufflants Volcano les plus populaires en Russie. Il n'y en a pas beaucoup, donc le choix peut se faire assez rapidement. Commençons par les modèles les plus simples et les moins gourmands.

Volcan Mini

Cette gamme de modèles comprend des aérothermes Vulcano Mini d'une puissance de 3 à 20 kW. Leur conception prévoit deux échangeurs de chaleur pouvant recevoir un liquide de refroidissement d'une température allant jusqu'à +130 degrés.La puissance des moteurs électriques utilisés est de 0,115 kW à une vitesse de 1450 tr/min. Le flux d'air provenant des entrailles de ces ventilateurs se propage jusqu'à une distance de 14 mètres, assurant le chauffage de pièces assez grandes. Lorsque vous travaillez en position verticale, la hauteur du jet chaud peut atteindre 8 mètres.

La consommation d'air des radiateurs soufflants Volcano Mini est de 2100 cu. m/heure. En conséquence, ils conviennent pour une utilisation dans les systèmes de chauffage pour les locaux de petite et moyenne taille. Les moteurs ne sont pas les plus silencieux - ils font du bruit au niveau de 52 dB. Le poids de l'équipement est de 17,5 kg. Coût estimé - à partir de 21 000 roubles.

Volcan VR1

Devant nous se trouve une gamme assez populaire de radiateurs soufflants. Le coût de l'équipement commence à 28,6 mille roubles, hors remises éventuelles. La puissance des modèles varie dans la plage de 5 à 30 kW. Le nombre de rangées d'échangeurs de chaleur dans les unités est de 1, leur volume est de 1,25 mètre cube. dm. L'eau ordinaire avec une température maximale de +130 degrés est utilisée comme caloporteur. sa pression ne doit pas dépasser 1,6 MPa.

Pour conduire l'air à travers les échangeurs de chaleur, ces aérothermes utilisent des moteurs électriques d'une puissance de 0,28 kW et d'un niveau sonore de 56 dB. Ils sont alimentés par un réseau monophasé avec une tension de 220-230 V. La vitesse de rotation des moteurs électriques est de 1380 tr/min.

Volcan VR2

Les aérothermes présentés ont des caractéristiques techniques impressionnantes. Leur puissance est de 8 à 50 kW, ce qui vous permet de chauffer de grandes surfaces - ils conviennent bien aux gymnases, aux ateliers automobiles et aux supermarchés. La consommation d'air maximale pour ces unités est jusqu'à 4850 mètres cubes. m/heure.Le caloporteur est de l'eau chaude avec une température allant jusqu'à +130 degrés et une pression allant jusqu'à 1,6 MPa.

À l'intérieur des aérothermes Volcano, 2 rangées d'échangeurs de chaleur sont installées, leur volume total est de 2,16 mètres cubes. dm. Un petit moteur électrique d'une puissance de 280 watts se charge de faire fonctionner les masses d'air. Pour alimenter les ventilateurs, une alimentation électrique avec une tension de 220-230 V est nécessaire.La longueur du jet d'air chaud horizontal peut atteindre 22 m, verticale jusqu'à 11 m. Le coût de l'équipement est de 32 000 roubles.

Volcan VR3EC

Cette gamme de modèles comprend des radiateurs soufflants assez puissants - leur puissance varie de 13 à 75 kW. L'équipement passe par lui-même jusqu'à 5700 mètres cubes. m d'air par heure, montrant de hautes performances. La longueur du jet d'air horizontal atteint 25 m, vertical - 15 m.Le moteur électrique d'une puissance de seulement 370 W est responsable de tout cela - il s'agit d'un modèle à économie d'énergie qui consomme un minimum d'électricité.

Les radiateurs soufflants à eau Volcano sont équipés de trois rangées d'échangeurs de chaleur à la fois. Leur volume total est de 3,1 mètres cubes. dm, le liquide de refroidissement utilisé est de l'eau chauffée à une température allant jusqu'à +130 degrés, la pression dans le circuit de chauffage ne doit pas dépasser 1,6 MPa. La conception des ventilateurs utilise des qualités de plastique particulièrement durables avec protection UV. Il résiste à toute charge opérationnelle, transférant avec succès la chaleur, le froid et l'humidité. De plus, la série se distingue par un design attrayant et une compacité.

Volcan Mini CE

Vous ne pouvez pas passer à côté de cette série, équipée des mêmes moteurs électriques à économie d'énergie. Ces aérothermes sont équipés de deux rangées d'échangeurs de chaleur productifs - pour 2100 mètres cubes les traversent par heure. m de masses d'air.Les paramètres de liquide de refroidissement autorisés sont standard - pas plus de 1,6 MPa et pas plus de + 130 degrés, le volume des échangeurs de chaleur est de 1,12 mètre cube. dm.

Un moteur électrique miniature est chargé de pomper l'air chaud dans les pièces. Il ne consomme que 95 watts d'électricité, tournant à une fréquence de 1450 tr/min. Malgré la puissance minimale, le ventilateur crée un flux d'air horizontal jusqu'à 14 mètres de long ou vertical jusqu'à 8 mètres de long. L'équipement est extrêmement compact - il est conçu pour chauffer de petits espaces. À propos, la puissance thermique des aérothermes Volcano Mini EC est de 3 à 20 kW.

Évaluation
Site sur la plomberie

Nous vous conseillons de lire

Où remplir la poudre dans la machine à laver et combien de poudre verser