- Caractéristiques d'installation d'une conception typique
- 6 Emplacement optimal
- Comment calculer la hauteur exacte
- Qu'est-ce qui influence
- Structure du toit
- Règles de sécurité incendie
- la Coupe transversale
- Types de déflecteurs pour systèmes de ventilation
- Caractéristiques de l'auto-assemblage
- Normes et exigences
- Installation du passage de ventilation à travers le toit
- Choisir un emplacement pour le nœud du passage à travers le toit
- Types d'UE
- Gamme de taille des conduits d'air
- Classification des tuyaux de ventilation pour hottes aspirantes
- Caractéristiques générales des unités de ventilation de toiture
- Quel est le principe de la structure du passage de ventilation ?
- L'importance de la résistance dans un conduit de ventilation
- Conclusions et vidéo utile sur le sujet
Caractéristiques d'installation d'une conception typique
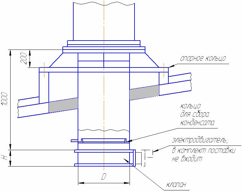
Les unités de pénétration pour les communications de ventilation de la production industrielle sont réalisées conformément aux exigences de GOST-15150. On pense que la température de l'air à l'intérieur du tuyau de communication ne doit pas dépasser 80 degrés et que l'humidité du flux doit être inférieure à 60%.

L'endroit où le tuyau de ventilation traverse le toit a généralement une configuration carrée, cela doit être pris en compte lors du choix de la forme du conduit et du type de nœud de transition
Pour calculer le nœud de passage, il convient de prendre en compte des indicateurs tels que l'angle de la pente de la pente et la distance entre l'élément et le faîte du toit.
Un nœud de transition typique peut être réalisé dans les variantes suivantes :
- avec ou sans anneau de condensat ;
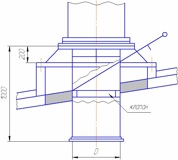
- avec vanne isolée ou conventionnelle ou sans vanne ;
- avec commande manuelle ou mécanique de la vanne ;
- avec ou sans protection contre les étincelles, etc.
Les options répertoriées peuvent varier en fonction de la situation. Par exemple, il n'est pas nécessaire d'installer une vanne mécanique si le système est stable et ne nécessite pas de réglage constant. Il est également possible de fabriquer une unité de pénétration sur commande.

Les unités typiques de pénétration à travers le toit, fabriquées dans des entreprises industrielles, sont très diverses, elles sont sélectionnées en fonction de la taille du tuyau et des caractéristiques du toit
Les structures de ce type sont en polymères, en acier inoxydable de 0,5 à 0,8 mm d'épaisseur et en acier noir de 1,5 à 2 mm d'épaisseur. La section transversale du nœud de transition fini peut être ronde, ovale, carrée ou rectangulaire. Un modèle spécifique est choisi en fonction du type de matériau de toiture et des paramètres du tuyau de ventilation.
Bien que les ensembles de passage fabriqués à l'étranger soient généralement de haute qualité, ils ne sont pas toujours adaptés aux conditions climatiques locales, il n'est donc pas inutile d'étudier attentivement les offres des fabricants nationaux.
Ils sont généralement étiquetés comme suit :
- les lettres UE avec un index de 1 à 10 indiquent une conception sans anneau de condenseur et sans vanne ;
- les indices de 2 à 10 indiquent des appareils à vanne manuelle, la bague est manquante ;
- la désignation de l'UPZ est attribuée aux appareils dotés d'une plate-forme spéciale pour l'actionneur de la vanne, prévue par la conception.
L'ensemble complet de modèles prêts à l'emploi de nœuds de transition comprend des boulons et des écrous intégrés qui sont fixés à des structures en bois, des coupelles en béton armé destinées à l'installation. La laine minérale est utilisée avec succès pour l'isolation thermique, qu'il est recommandé de protéger avec une couche de fibre de verre.
S'il est nécessaire d'installer une unité de ventilation avec une soupape de sécurité, vous devez faire attention au tuyau de dérivation qui lui est destiné. Une vanne doit être fixée à la bride inférieure de cet élément.
La bride supérieure est conçue pour fixer la position du conduit d'air. Les pinces et les supports sont utilisés comme attaches pour les accolades.
Pour protéger davantage la cheminée de ventilation de l'humidité, vous devez utiliser une jupe. Le collecteur de condensat est soudé au tuyau de dérivation.
Il est conçu pour supprimer l'humidité des masses d'airqui se déplacent dans le conduit de ventilation. Pour contrôler la vanne, un ensemble mécanique est utilisé, qui doit être installé sur l'étagère qui lui est destinée.
Cet élément ne doit pas être installé à côté de l'anneau de collecte des condensats afin de maintenir l'intégrité de tous les éléments de pénétration. Les modèles de nœuds typiques sont généralement montés avant le début des travaux de toiture : d'abord, les conduits du système de ventilation sont montés, puis le passage, et le toit est ensuite placé.
Il est recommandé qu'à la fin des travaux, tous les joints soient scellés, y compris la jonction des éléments d'assemblage à la couverture.
Pour cela, vous devez :
- nettoyer les surfaces du tuyau et du toit de la contamination;
- sceller la partie inférieure du conduit et la partie adjacente du toit avec du papier d'aluminium ;
- remplir les trous avec du mastic.
Ces mesures aideront à protéger la pénétration de l'humidité et à créer une isolation thermique supplémentaire de la structure.
L'article que nous recommandons vous familiarisera avec les règles d'installation du système de ventilation lui-même, dans lequel les nuances de conception et d'organisation sont analysées en détail.
6 Emplacement optimal
Sur un toit en pente en métal, il est préférable de placer une pénétration près du faîte lui-même. Ainsi, la longue partie du tuyau sera sous le toit, isolée des influences extérieures. L'élément court restant pourra résister à tous les coups de vent et autres processus.
Au stade de l'installation, il est également important de tenir compte de la hauteur de la gaine au-dessus du toit. Un indicateur trop bas affectera négativement la traction, et trop haut sera exposé à des rafales de vent et se déformera rapidement
De plus, il devra être fixé en plus avec des accolades et d'autres attaches.
Selon les normes de construction en vigueur, la hauteur optimale du puits au-dessus du toit en pente ne doit pas dépasser 50 centimètres. Si le toit est plat, l'indicateur de hauteur est de 30 centimètres. Lors de l'utilisation du toit pour aménager des espaces ouverts pour les loisirs, la sortie de ventilation doit s'élever d'au moins 2 mètres.
Comment calculer la hauteur exacte
Même au stade de la construction d'une maison, vous devez déterminer la hauteur de la cheminée. Cela assurera le tirage naturel, la dispersion des produits de combustion et des masses polluées dans l'atmosphère, et n'interférera pas avec les bâtiments voisins et les personnes qui y vivent. La hauteur du tuyau de ventilation au-dessus du toit est déterminée par les normes du SNIP. Le calcul est effectué en tenant compte des conditions climatiques, du type de structure, de ses caractéristiques de performance. Si des erreurs ont été commises lors de l'installation, il sera difficile et coûteux de les corriger.
Qu'est-ce qui influence
Lors de la conception d'une cheminée, les facteurs suivants influencent les calculs de hauteur :
- caractéristiques environnementales : température de l'air en hiver et en été, vitesse et force du vent ;
- la configuration du système de chauffage et de ventilation, la présence d'éléments complexes et de virages dans la ligne, ce qui contribue à augmenter la force de frottement à l'intérieur des canaux ;
- la proximité de l'emplacement de la cheminée peut entraîner l'aspiration des produits de combustion dans la ventilation d'alimentation ;
- s'éloigner du faîtage réduit les performances de l'installation, ce qui peut conduire à une chute trop haute du tuyau.
Structure du toit
Influence sur la taille l'arbre de ventilation rend la conception toits. L'installation sur un toit plat ne posera pas de difficultés - 50 cm suffisent pour assurer la traction. Sur les modèles pitchés, vous devez respecter un certain nombre de règles :
- il est obligatoire de prendre en compte la relation entre le point le plus élevé de la crête et l'extrémité du tuyau;
- lorsqu'il est retiré à une distance de 1,5 m, la limite supérieure du conduit doit dépasser le niveau du toit de 50 cm ;
- plus la distance est grande, plus le tuyau est haut pour créer une bonne traction.
Règles de sécurité incendie
Les tuyaux de ventilation et de cheminée fonctionnent souvent à proximité les uns des autres ou forment une seule unité. Pour cette raison, certaines mesures de sécurité incendie sont imposées sur ces autoroutes :
- avec des structures séparées, la distance entre elles doit être d'au moins 3 m;
- la hauteur et les dimensions du tuyau de ventilation doivent être équivalentes à la cheminée ;
- lors de l'organisation du chauffage de la partie extérieure de la mine, il est nécessaire de prendre en compte les règles de sécurité incendie;
- si les canaux sont proches, ils doivent être isolés avec des matériaux résistants à la chaleur et isolants.
la Coupe transversale
Il existe 2 types de section de conduit - rond et rectangulaire.Lors de la conception, il est nécessaire de prendre en compte non seulement la composante esthétique, mais également les performances du système. L'air se déplace plus rapidement à travers les canaux ronds, les turbulences et les flux inverses ne se forment pas. Rectangulaire près du mur, ne "vole" pas la surface utilisable et a meilleure apparence.
La meilleure option peut être une combinaison de différentes sections. Il est préférable de monter des rectangles dans des endroits visibles et des locaux d'habitation, et de placer des ronds sur les murs arrière de la maison et dans les locaux techniques.
Types de déflecteurs pour systèmes de ventilation
À ce jour, les types de déflecteurs suivants sont utilisés :
- TsAGI avec un diffuseur - une expansion du conduit de ventilation : la conception la plus efficace lorsque le débit du vent est supérieur à 2 m/s. La conception se compose d'une coupelle inférieure avec une extension à l'extrémité, d'un corps cylindrique en acier, d'un couvercle parapluie et de supports pour fixer le couvercle.
- Le champignon cylindrique Volper-Grigorovitch est une buse qui compense avec succès les pertes de charge à la sortie. Il se compose d'une coupelle inférieure, d'une coupelle supérieure à parois concaves, d'un parapluie conique et d'attaches. Le champignon Volper protège mieux le système de ventilation du vent que TsAGI.
- Le collecteur de tuyaux en forme de H est un élément de tuyaux sous la forme de la lettre H. Cette conception plutôt volumineuse protège complètement contre le vent, la pénétration d'humidité, l'inversion de poussée et le gel. Cependant, la conception augmente la force de traction de manière minimale.
- Le capuchon de la girouette tourne toujours vers le vent pendant le fonctionnement, ce qui l'empêche de souffler vers l'intérieur. Une zone de basse pression apparaît derrière le corps de buse et le jet d'air quitte plus rapidement le canal vertical.Efficace pour augmenter la motricité, mais mal protégé de la pluie.
- Le déflecteur turbo est un déflecteur rotatif sphérique avec de nombreuses pales semi-circulaires qui sont entraînées en rotation par le vent. Un vide apparaît à l'intérieur de la sphère. Pas efficace par temps calme.
L'une des variétés améliorées du champignon traditionnel sur le tuyau est le dispositif statique-dynamique de type Astato, qui se compose de 2 cônes tronqués, tournés l'un vers l'autre avec leurs sommets. Ci-dessus, un ventilateur électrique et un parapluie.
Le système est efficace même dans le calme absolu. Le seul inconvénient est le prix élevé.
Lors du choix d'un déflecteur, vous devez considérer:
- La taille de la buse doit être choisie en fonction du diamètre de l'arbre de la hotte. Si la maison a un puits rectangulaire, vous devrez utiliser un adaptateur.
- Le TsAGI et le déflecteur Volper ne nécessitent aucun entretien.
- En l'absence de traction, il est préférable d'installer des options de capuchon dynamique.
- Lors de l'achat d'un déflecteur rotatif, vous devez choisir des modèles plus chers avec un roulement fermé qui ne gèle pas en hiver.
- Dans les zones à vent fort, il est préférable de choisir un déflecteur en forme de H ou un réflecteur turbo, pour d'autres conditions climatiques - TsAGI.
Si vous avez un budget dans n'importe quelle région, vous pouvez installer Astato. L'appareil nécessite un entretien périodique.
Le déflecteur TsAGI peut être assemblé de vos propres mains. Il diffère légèrement du parapluie Grigorovitch habituel. La différence réside uniquement dans la coquille attachée autour du champignon
Voyons comment installer correctement un évent de toit. Après l'achat du modèle, vous devez assembler et fixer solidement toutes les fixations. Ensuite, lors du montage de l'appareil sur le tuyau, vous devez percer soigneusement des trous pour le montage. L'appareil est fixé sur des vis ou des rivets.De plus, vous pouvez mettre une pince.
Caractéristiques de l'auto-assemblage

Chaque modèle a des instructions d'installation, selon lesquelles le travail est effectué
L'ensemble de modules de pénétration pour la ventilation par le toit comprend du matériel et des pièces encastrées qui permettent de les fixer à des éléments en bois, des coupelles en béton armé. La fonction de protection d'isolation thermique est assurée par de la laine minérale, recouverte d'une couche de fibre de verre. Lors de l'installation de modules avec une vanne de protection, le tuyau de dérivation conçu spécifiquement pour celui-ci est pris en compte. Le mécanisme de soupape est fixé au bord inférieur de l'élément tubulaire. Sa bride supérieure sert à assurer une position fixe des conduits d'air ou des tuyaux. Pour la fixation, utilisez les pinces et les supports inclus dans le kit.
Avant de choisir un nœud de passage, l'angle d'inclinaison du toit en pente, ainsi que la distance entre celui-ci et le faîte du toit, sont pris en compte
Il est également important de déterminer la version de la vanne et de l'anneau. Toutes ces options varient en fonction des conditions de fonctionnement.
Il n'est pas nécessaire d'installer une vanne mécanique, par exemple, lorsque le système fonctionne déjà normalement et qu'aucun réglage constant n'est nécessaire.
UE sont constitués des matériaux suivants :
- polymères de différentes classes;
- acier inoxydable de 0,5 à 0,8 mm d'épaisseur;
- acier noir 1,5-2 mm.
Normes et exigences
L'installation de haute qualité du passage de la cheminée à travers le toit est si importante pour la sécurité du bâtiment et des résidents que l'État a officiellement fixé règles et règlements pour son agencement. Un document qui prend en compte les charges sanitaires et hygiéniques, dangereuses pour le feu, corrosives et autres sur la structure et les matériaux s'appelle SNiP 41-03-2003 "Isolation thermique des équipements et des canalisations".
La tuyauterie à travers le toit est prévue au stade de la construction.Si le four est reconstruit, modifié ou réparé pendant le fonctionnement, la cheminée est généralement laissée à l'ancien emplacement. La condition fondamentale pour une cheminée de haute qualité est l'emplacement du tuyau par rapport au faîte du toit.
Pour assurer une traction optimale, le meilleur endroit pour amener le tuyau sur le toit est son point le plus élevé - la crête. Cela vous permet de faire passer la partie principale du tuyau à travers le grenier, ce qui le protège de l'humidité et du froid. La difficulté réside dans le fait qu'il est nécessaire de violer l'intégrité de la poutre horizontale en installant des supports supplémentaires des deux côtés de la cheminée. Le plus souvent, le tuyau est sorti à faible distance, ce qui permet de limiter la partie rue du tuyau à un minimum de cinquante centimètres.
Il existe la dépendance suivante de la hauteur de la cheminée en fonction de sa distance par rapport à la crête :
- la distance à la crête ne dépasse pas 1,5 m - le tuyau s'élève à 50 cm au-dessus;
- distance de 1,5 à 3 m - il suffit d'amener la cheminée au ras de la crête;
- lorsque la sortie de la cheminée est à plus de 3 m du faîtage, la hauteur du tuyau peut être inférieure au point haut du toit (la différence doit être d'un angle de 10 degrés).

La hauteur optimale du tuyau est de 0,5 m à 1,5 m.La sortie est située entre les chevrons, afin de ne pas violer leur intégrité et de laisser une distance de 15 à 25 cm d'eux.
Si la sortie verticale directe du tuyau tombe sur une fusion similaire de deux toits, la pénétration du toit doit être décalée d'un demi-mètre sur le côté, en ajoutant une section horizontale (jusqu'à 1 m) à la cheminée. En hiver, la neige et la glace s'accumulent dans la cavité, ce qui crée une menace supplémentaire pour l'apparition de fuites.
Un emplacement malheureux pour la pénétration du toit pour la cheminée est la partie inférieure du toit.Ici, le tuyau peut être endommagé lorsque des masses de neige et de glace se détachent. De plus, une grande partie du tuyau doit être sortie à l'extérieur pour assurer une traction normale, ce qui contribue à son gel et à la formation de condensat sur les parois intérieures.
Installation du passage de ventilation à travers le toit
Faire passer la cheminée jusqu'au toit est une tâche qui, pour la plupart des propriétaires, peut sembler une évidence. Cependant, l'ensemble de passage de ventilation à travers le toit doit être équipé très soigneusement conformément à toutes les normes et règles techniques. Ce n'est que dans ces conditions que l'intégrité du pâté de toiture sera préservée et que le système de ventilation fonctionnera efficacement.
Le plus souvent, dans la construction de logements privés, les conduits de ventilation de la salle de bain, de la cuisine et du salon traversent le plafond jusqu'au toit. La ventilation du toit, se terminant par un tube qui s'élève au-dessus du toit, peut fournir un tirage d'air efficace. Cette méthode de disposition des conduits de ventilation rend l'air de la maison propre, car toutes les odeurs désagréables sortent par la pénétration dans la rue.
En tenant compte de SNiP, la sortie du nœud de passage conduit d'air à travers le toit requis pour:
- échange d'air dans le grenier ou le grenier de la maison;
- installation dans le mur de la section du ventilateur du puits d'égout (le tuyau du ventilateur est relié à l'égout et à la ventilation pour éliminer les odeurs);
- apport d'air pur enrichi en oxygène.
Idéalement, l'aménagement d'un passage de ventilation par le toit devrait être réalisé au stade de la conception ou lors de la construction avant que le contour de la maison ne soit fermé (toit, portes et fenêtres).
Mais en pratique, il est souvent nécessaire de reconstituer l'ensemble passage de toiture dans un bâtiment déjà construit et de s'appuyer sur les caractéristiques existantes de l'aménagement des locaux.
S'il y a des erreurs dans la disposition de l'unité de passage, cela se traduit par une forte concentration d'odeurs désagréables, de dioxyde de carbone et l'apparition d'une poussée inverse.
L'unité de ventilation à flux continu est une canalisation en plastique, en métal ou combinée. Il est placé dans un trou du toit et fixé dans une coupelle en métal. Après l'installation, le trou doit être scellé et isolé. Un conduit d'air du système de ventilation est relié à la pénétration par le bas et un capuchon de protection est placé sur le dessus.
Pour organiser le passage du tuyau, vous pouvez également utiliser un produit prêt à l'emploi, conçu pour la ventilation sur le toit. Il s'agit d'un tuyau composé d'une couche extérieure en polypropylène et d'un tuyau en métal galvanisé à l'intérieur. Au bas du produit, où le conduit d'air est installé, il y a une isolation thermique et au sommet de la structure, il y a un goutte à goutte de protection.
La conception et l'installation du nœud dépendront d'un certain nombre de facteurs :
- angle de pente du toit ;
- type de matériau de toiture - tôle profilée, céramique ou tuiles souples;
- type de toit.
Étant donné que pour l'installation du tuyau, il est nécessaire de découper une partie du toit, y compris la section extérieure, la couche d'isolation hydraulique et thermique après la fixation de la structure doit être bien scellée. Si cela n'est pas fait, l'eau passera par le tuyau de ventilation dans la maison et la température dans les pièces sera perturbée.
Il y a certaines exigences :
- il n'est pas nécessaire de connecter plusieurs passages de ventilation en un seul, mais pour toutes les pièces (colonne montante d'égout, hotte, grenier, pièces à vivre) faites une sortie séparée vers le toit;
- les structures doivent être verticales sans coudes, de sorte qu'il soit possible d'assurer librement le mouvement de l'air vers la rue;
- pour l'installation de mines, il est nécessaire de choisir des produits façonnés de haute qualité capables d'assurer l'étanchéité et le mouvement sans entrave des masses d'air;
- idéalement, les puits de ventilation doivent traverser le faîtage au milieu de la structure ou à une distance proche de celle-ci.
L'installation de passages de ventilation à travers ou à proximité du faîtage est la meilleure solution pour un toit à pignon qui n'est pas équipé d'un système de chevrons faîtiers.
L'élément principal de l'ensemble de passage est la sortie - un produit façonné sous la forme d'un tuyau de dérivation, qui a une base plate correspondant au type et à la couverture du toit. Pour différentes structures d'ingénierie, différents types de raccords sont utilisés: un passage pour les tuyaux, une sortie pour une colonne montante d'égout et pour une hotte d'évacuation.
Séparément, dans les magasins, vous pouvez trouver des unités de ventilation spéciales pour le passage à travers le toit du carton ondulé, des tuiles métalliques, des toits flexibles et à joints, ainsi que des produits universels. De nombreux types de passages correspondent à la géométrie des matériaux de toiture, de ce fait ils assurent une forte étanchéité de l'ensemble lors de l'installation.
Choisir un emplacement pour le nœud du passage à travers le toit
Toutes les recommandations pour le choix d'un passage à travers le toit se résument à s'assurer que son emplacement permet de réaliser le canal avec le moins de tours. Dans ce cas, les performances du système tendront vers le maximum.
Parfois, pour des raisons objectives, les virages sont indispensables. Les tuyaux ondulés viendront à la rescousse. L'utilisation de tuyaux ondulés permet d'installer des conduits d'air avec les virages nécessaires.

Comme indiqué ci-dessus, le passage à travers le toit avec le système de fermes est effectué aussi près que possible de la crête. Ensuite, la plus grande partie du tuyau restera dans le grenier, à l'abri des températures extrêmes et des rayons ultraviolets. L'ensemble du tuyau n'aura pas peur d'un vent violent, car seule une plus petite partie de celui-ci ira à l'extérieur.
Les indicateurs de reflux de vent doivent être pris en compte pour tout emplacement du tuyau d'échappement à travers le toit. Un vent fort peut entraîner une mauvaise circulation de l'air ou le forcer à pénétrer dans le système.
Types d'UE
En vente, il existe un grand nombre de variétés de nœuds de passage. Ils diffèrent par leur conception et d'autres paramètres.
Nœud de passe rond
Table. Types de nœuds de passage.
| Caractéristiques de conception | informations courtes |
|---|---|
|
sans soupape et avec soupapes | Les modèles sans vannes sont moins chers, mais ils ne permettent pas de régler l'émission d'air et de couper son débit. Souvent installé chez les particuliers. Les unités de vannes sont équipées d'un registre qui, si nécessaire, peut fermer le flux d'air, elles sont optimales pour l'installation de systèmes de ventilation dans les bâtiments administratifs ou industriels - où une ventilation constante n'est pas nécessaire. |
|
Avec isolation ou sans isolation supplémentaire | Les UE isolés peuvent être équipés d'une couche d'isolation thermique en basalte ou en laine de verre. Pratique pour une utilisation dans les cas où le tuyau de ventilation est principalement à l'extérieur ou situé loin du faîte.L'isolation aide à se débarrasser d'une grande quantité de condensat qui se formera en raison de la différence entre les températures extérieures et les gaz d'échappement. Les UE non isolées sont utilisées si le bâtiment est situé dans une région au climat doux ou si le tuyau de ventilation est situé à côté du faîte du toit. |
|
Mécanique et automatisé | Le modèle mécanique dispose d'un câble spécial qui permet de régler manuellement la circulation des flux d'air. Convient pour l'aménagement de systèmes de ventilation fonctionnant en permanence. Dans l'UE automatique, un contrôleur est fourni qui contrôle le système de manière indépendante. |
Installation de nœuds de passage de ventilation à travers le toit
Toutes les UE ont un marquage spécial, ce qui vous permet de mieux comprendre la gamme d'équipements. Cela ressemble à une désignation alphabétique et numérique - par exemple, UP1-01. Les deux derniers chiffres après la désignation de la lettre indiquent les dimensions de la structure. Ils peuvent varier de 01 à 10. Quant au premier chiffre, il indique les caractéristiques de conception du produit. Par exemple, une unité signale que le système n'est pas équipé d'une vanne et d'un anneau de condensat. Le diable signale qu'il n'y a pas non plus d'anneau de condensat, mais qu'il y a une vanne mécanique. Les trois lettres après les lettres indiquent que la conception a à la fois un anneau et une valve mécanique. Mais dans les produits de ce type, les numéros suivants varieront de 11 à 22, indiquant également les dimensions de la structure.
Aujourd'hui, l'industrie produit onze types de ventilateurs de taille standard, y compris ceux pour la ventilation des toitures à joints et du carton ondulé. Pour les conceptions originales de systèmes de ventilation et d'aérateurs, des versions non standard de l'UE sont fabriquées
Nœuds carrés et rectangulaires sur le toit
Gamme de taille des conduits d'air
Selon les documents réglementaires mentionnés ci-dessus, les conduits d'air ronds en acier galvanisé sont fabriqués avec des diamètres de 100, 125, 140, 160, 180, 200, 225, 250-2000 mm. Les paramètres des éléments rectangulaires varient de 100 à 3200 mm.
Dans un système de ventilation, des pièces avec des configurations et des paramètres différents peuvent être utilisées. Pour les connecter, différents éléments façonnés sont utilisés : tés, coudes, adaptateurs, diffuseurs
Pour sélectionner des produits de la bonne taille, il est nécessaire de connaître la valeur de conception de la vitesse de l'air. Dans les bâtiments résidentiels à ventilation naturelle, ce chiffre ne doit pas dépasser 1 m / s, et avec une ventilation forcée, il doit être de 3 à 5 m / s.
Pour chaque logement, vous devez calculer la quantité d'air fourni. Lors du calcul, vous devez vous concentrer sur la documentation réglementaire - SNiP 41-01-2003 et MGSN 3.01.01.
Il existe également des diagrammes spéciaux compilés par des experts qui permettent de trouver facilement le bon diamètre de conduit pour diverses options pour les systèmes standard.
Classification des tuyaux de ventilation pour hottes aspirantes
Le marché moderne offre le plus grand choix de systèmes de ventilation et d'accessoires nécessaires à l'installation. Dans ce cas, il existe une certaine classification des conduits d'air.
Tuyaux pour la ventilation peut être rond, carré ou rectangulaire.
Les tuyaux d'échappement d'une maison ou d'un appartement privé, destinés à la ventilation domestique, sont classiquement divisés en groupes suivants:
- Selon le matériau de fabrication, il peut y avoir des tuyaux en aluminium, en plastique pour la ventilation, ainsi que ceux en acier galvanisé.
- Selon la forme du conduit, on distingue les conduits carrés, rectangulaires ou ronds.
- Compte tenu du degré de flexibilité, deux types de produits sont distingués - les boîtes souples et rigides.
Les conduits d'air flexibles sont généralement fabriqués à partir d'aluminium ondulé ou d'acier galvanisé. Désormais, les tuyaux métalliques rigides ne sont plus utilisés, car leur installation est assez compliquée, tout comme le processus de fabrication lui-même. Ces tuyaux doivent avoir un diamètre de 100 à 150 mm. Les produits en aluminium sont beaucoup plus chers, bien qu'ils n'aient pas de qualités et d'avantages particuliers. Par conséquent, ils ne sont pas utilisés lors de l'installation d'une hotte de cuisine.
Les conduits d'air en plastique ont une forme ronde, carrée ou rectangulaire. Leur surface peut être rugueuse ou lisse. Le plus souvent, ils sont blancs, bien qu'ils soient souvent peints dans d'autres couleurs, ce qui permet de choisir un conduit en plastique pour une hotte de cuisine qui s'intégrera harmonieusement à l'intérieur.
Nous parlerons plus en détail de chaque type spécifique de conduits d'air ci-dessous, énumérerons leurs avantages et inconvénients, et nous nous attarderons également sur les caractéristiques d'installation.
De plus, les tuyaux de la hotte peuvent être rigides ou flexibles. Les tuyaux de ventilation en plastique sont considérés comme les plus pratiques, car grâce à leur surface lisse, ils sont faciles à nettoyer et beaucoup moins de graisse et de suie s'accumulent à l'intérieur. La douceur des murs contribue également à réduire la résistance de l'air, ce qui réduit les vibrations et le bruit.
Caractéristiques générales des unités de ventilation de toiture
Lors de l'installation de diverses communications techniques, les tuyaux de ventilation sont traditionnellement installés sur le toit. Cette approche a des caractéristiques spécifiques et nécessite un respect scrupuleux de la technologie d'installation.
Les unités de ventilation du passage ont dans de nombreux cas une conception similaire pour différents modèles. Ils sont utilisés pour le processus forcé et naturel d'évacuation de l'air vicié, du condensat et des fumées à l'extérieur du bâtiment.
Tous les types de pénétrations de toit doivent être impeccablement réalisés et scellés afin que la poussière et l'eau atmosphériques ne pénètrent pas dans les pièces résidentielles et utilitaires. Selon les schémas des passages de toit, non seulement les tuyaux de ventilation sont équipés, mais également les aérateurs, les cheminées, les antennes et les trappes de toit
Le tuyau de ventilation de l'unité de toit est positionné de manière à ce que l'air d'échappement puisse s'échapper sans entrave.
Pour les toits en pente, une solution pratique consisterait à installer un tuyau de ventilation à côté du faîtage. Cette conception ne nécessite pas de renforcement supplémentaire et l'installation d'un système de déneigement.
Avec l'emplacement proche des tuyaux d'échappement par rapport à la crête de la crête, la moindre pression du vent est exercée sur le système. Cependant, pour la formation d'un tirage normal, le tuyau de ventilation (gaine) doit être au moins 0,5 m plus haut que le faîtage.Cette exigence ne s'applique pas aux aérateurs et aux ventilateurs de toit qui résolvent le problème de drainage du gâteau de toit
La fabrication des systèmes de passage est conforme à GOST 15150, à savoir :
- L'épaisseur du matériau dépasse 1,9 mm.
- Le diamètre du cercle est de 10 à 12,7 cm.Pour les nœuds à section carrée, les dimensions peuvent varier.
- Traité avec des composés anti-corrosion.
- La taille de l'anneau de support dépasse nécessairement le diamètre des buses.
- La longueur de la structure doit être au maximum de 1 m.
Le nœud lui-même peut être placé sur un verre en béton armé ou directement sur la section du toit.
Le consommateur se voit désormais proposer une large gamme d'appareils universels et spécialisés pour la conception hermétique et opérationnelle des passages de toit, tant pour le système de ventilation interne que pour le séchage des couches de toit.
Les dimensions et la forme de la sortie sont affectées par le type de revêtement, son épaisseur et les caractéristiques particulières du matériau, ainsi que les caractéristiques de l'ensemble du système de ventilation. Son choix dépend des conditions créées à l'intérieur du bâtiment : le degré d'humidité ; pièces poussiéreuses; gazéification, etc.
Quel est le principe de la structure du passage de ventilation ?
Les caractéristiques de conception du passage de ventilation, en plus de l'évacuation de l'air sale, permettent d'assurer une forte étanchéité du toit et de protéger contre la pénétration des précipitations atmosphériques dans le grenier. Chaque nœud consiste en un adaptateur d'un certain diamètre, qui est inséré dans un tuyau de dérivation fixé à un manchon en béton.
Les systèmes de nœuds sont fixés avec des ancres, qui sont incluses dans n'importe quel kit standard. Sur une base en métal, la fixation est également effectuée, cependant, au lieu d'un verre en béton, un métal similaire est intégré.
L'anneau de support, qui fait partie de la structure d'assemblage, garantit une connexion parfaite entre la structure et la surface du toit. Les brides d'embrayage assurent une fixation fiable - la inférieure est reliée au conduit d'air, la supérieure est le support du parapluie de ventilation, qui protège le tuyau des précipitations. Un anneau est placé à l'intérieur du tuyau, ce qui garantit l'évacuation des condensats.
L'importance de la résistance dans un conduit de ventilation
Tuyau de ventilation au-dessus du toit
Le tirage des masses d'air dépend d'un autre facteur - de la rugosité des conduits de ventilation de leur intérieur.La friction créée affecte directement le flux d'air, et plus le matériau à l'intérieur est lisse, plus la poussée est importante.
Pour réduire la valeur de résistance, vous pouvez essayer d'effectuer les actions suivantes :
- tous les éléments qui composent l'arbre du canal doivent correspondre et s'emboîter pour former une surface plane ;
- il est souhaitable de créer des coutures sans saillies ni creux;
- si possible, maintenir une taille de section identique dans tout le canal, si une telle condition n'est pas réalisable, alors l'angle de déviation doit être limité à 30̊ ;
- l'absence de tronçons horizontaux dans le puits du canal.
Parmi les indicateurs importants dont dépend la conception de l'ensemble du système de ventilation figure la hauteur du tuyau de ventilation au-dessus du toit. Si son emplacement est trop bas, la poussée sera faible. Il existe également une possibilité de processus de tirage inversé, lorsque la hotte aspire de l'air et fume la pièce. Pour éviter ce processus désagréable, les experts recommandent d'utiliser une variété de buses sur les sorties du tuyau de ventilation. Ils sont non seulement capables d'augmenter la force de traction, mais permettent également à la ventilation de fonctionner dans le même mode même avec les rafales de vent les plus fortes.
Conclusions et vidéo utile sur le sujet
Sur la vidéo présentée, vous pouvez entendre l'avis d'un spécialiste des conduits d'air en plastique et des conseils pour leur installation :
Lors du choix des éléments de ventilation, vous devez examiner attentivement la disposition du système. Sur la base du plan, il est nécessaire de déterminer les caractéristiques de conception des conduits d'air, leur diamètre, leur débit, les méthodes de fixation et d'autres facteurs.
Il convient de prendre en compte les types de communications déjà installés dans la maison, ainsi que le matériau des murs, des plafonds ou d'autres parties de la structure le long desquels il est censé poser un réseau assurant la circulation de l'air.
Avez-vous quelque chose à ajouter ou avez-vous des questions sur le choix et l'installation des conduits de ventilation ? Vous pouvez laisser des commentaires sur la publication, participer aux discussions et partager votre propre expérience dans l'exécution du travail. Le formulaire de contact se trouve dans le bloc du bas.
















































