- Systèmes de ventilation de garage
- Système de ventilation dans le garage du sous-sol. Système d'échange d'air de cave
- Dispositif de ventilation dans le garage attenant à la maison
- Ventilation de garage intégrée à la maison ou séparée
- Conditions supplémentaires de ventilation du garage
- Dans une salle souterraine
- Nuances de ventilation du trou d'inspection
- Le besoin de ventilation dans le garage
- Façons d'améliorer le fonctionnement de la hotte naturelle du garage
- Pourquoi avez-vous besoin d'une ventilation de garage?
- A quoi sert la ventilation dans le garage ?
- Conversion d'un système d'échappement naturel en un système forcé
- Nuances de ventilation du trou d'inspection
- Outils et matériaux
- Conclusion
Systèmes de ventilation de garage
Les personnes qui envisagent d'installer une ventilation dans les garages pour stocker des voitures ou des camions doivent se familiariser avec les schémas de ventilation de base. Il existe trois schémas principaux qui sont le plus souvent utilisés. Ceux-ci inclus:
- Naturel. Il est considéré comme le schéma le plus couramment utilisé par la plupart des automobilistes. Avec la ventilation naturelle, vous n'avez pas à dépenser d'argent pour l'achat de ventilateurs mécaniques. Il suffit de faire des trous dans la pièce pour l'entrée et la sortie des masses d'air. Cependant, avant de créer de tels trous, vous devrez déterminer le meilleur endroit pour leur emplacement.
- Forcé.Il est recommandé de l'utiliser si le garage a un sous-sol spécial. La ventilation forcée est considérée comme plus efficace, car l'air circule à l'aide de ventilateurs supplémentaires. L'air entrant dans le système est suffisant pour assurer la ventilation du garage et de la cave. Le seul inconvénient d'un tel système est le coût financier considérable pour l'acquisition de l'équipement technique nécessaire.
- Mixte. Convient pour un garage automobile sans cave supplémentaire. Avec un schéma mixte, l'air pénètre dans la pièce de manière naturelle et est évacué à l'extérieur par un système d'évacuation.

Système de ventilation dans le garage du sous-sol. Système d'échange d'air de cave
L'utilisation efficace du sous-sol et de la cave du garage pour le stockage et la conservation des légumes n'est possible que s'il y a une ventilation adéquate. La ventilation dans un garage avec sous-sol peut être naturelle, mécanique ou combinée. Habituellement, un système de ventilation naturelle est suffisant pour ventiler la cave du garage. Vous pouvez monter un tel système de vos propres mains en utilisant des tuyaux d'égout en plastique. Lors de l'installation, vous devez respecter les recommandations suivantes :
- le schéma de ventilation de la cave dans le garage doit prévoir un nombre minimum de virages et de coudes de tuyaux ;
- le tuyau d'échappement doit être isolé pour éviter la condensation;

Pour un bon échange d'air, les tuyaux de ventilation d'alimentation et d'évacuation doivent être situés dans des coins opposés de la cave
- le diamètre doit être le même sur toute la longueur des tuyaux ;
- les entrées de tuyaux externes doivent être recouvertes de capuchons de protection pour empêcher les précipitations d'y pénétrer.
Avant d'organiser la ventilation naturelle de vos propres mains, la surface des trous est calculée.Le tuyau d'alimentation part d'un demi-mètre au-dessus du sol de la cave et est sorti. Le tuyau d'échappement est installé sous le plafond de la cave ou du sous-sol et s'étend sur le toit du garage. L'emplacement des tuyaux doit être dans les coins opposés de la cave.

Dans une cave avec le bon microclimat, la récolte récoltée restera intacte.
Le choix le plus correct de ventilation de la cave et du sous-sol en hiver consiste à utiliser la méthode forcée. Il n'y a presque pas d'échange d'air dans ces pièces et elles ont besoin d'une ventilation efficace avec une installation de ventilation mécanique. Une telle ventilation contribuera à un échange d'air normal et à la création d'un microclimat nécessaire à la conservation des produits.
Vous pouvez comprendre comment la ventilation est effectuée dans un garage avec sous-sol en regardant les instructions vidéo du dispositif de ventilation.
Dispositif de ventilation dans le garage attenant à la maison
Beaucoup de gens, construisant leurs chalets, y attachent un garage. C'est très confortable. Arrivant du travail dans sa voiture, une personne peut immédiatement rentrer chez elle. Mais un phénomène fréquent avec cet agencement des locaux est l'absence totale de hotte de garage ou, pire encore, la hotte de garage est combinée avec une hotte de maison commune.
Ventilation de garage intégrée à la maison ou séparée
La deuxième option est évaluée par tous les experts comme inadaptée aux bâtiments résidentiels. En aucun cas, une ventilation commune ne doit être effectuée, car à des températures très différentes en hiver, les gaz d'échappement peuvent pénétrer dans les pièces de la maison.
Ceci est possible dans les cas où il n'y a pas de chauffage dans le garage, car l'air froid ne peut pas remonter par le conduit de ventilation.Il y a une stagnation des gaz d'échappement et la possibilité de leur entrée dans les locaux d'habitation.
Cela explique pourquoi la ventilation dans le garage doit être individuelle et équipée en plus de ventilateurs d'extraction axiaux.

Conditions supplémentaires de ventilation du garage
Lors de l'installation de sources de pollution atmosphérique supplémentaires dans le garage (machines à bois, outils d'affûtage), un dispositif d'évacuation pour le garage est nécessaire, tel que des hottes d'évacuation, des fentes ou des panneaux. Un tel système fournira la puissance d'aspiration nécessaire pour les copeaux de bois ou de métal. Et aussi, en plus d'enlever les grains de sable polluants, la propreté du garage. Techniquement, le dispositif d'un tel système d'échappement diffère de celui habituel. Cela est dû à la nécessité d'accumuler des particules retirées de la pièce. Pour augmenter la fonctionnalité du système, il est nécessaire de l'équiper d'un conteneur pour collecter les copeaux et la poussière.
Habituellement, de simples ouvertures de fenêtres et une porte de garage suffisent pour assurer une bonne ventilation du garage en saison chaude. En hiver, des conduits d'évacuation supplémentaires devront être réalisés pour éviter le refroidissement de la pièce.
Dans une salle souterraine
Les pièces souterraines nécessitent toujours une attention particulière, car elles sont plus sensibles à l'humidité. Une humidité élevée gâche non seulement les objets stockés, mais détruit également la structure elle-même. Par conséquent, la création d'un système de ventilation dans le sous-sol / la cave / le trou de visualisation est un must. Il existe deux types de ventilation pour le sous-sol - forcée et naturelle.
Réfléchissez à la manière exacte dont vous devez installer la ventilation dans le garage de vos propres mains:
- Naturel:
L'installation d'un système naturel sera la plus simple. Sa base est le conduit de ventilation.
La largeur du canal est d'une brique ou d'un bloc de béton posé sur le mur latéral.
Comme mentionné ci-dessus, la ventilation naturelle consiste en des tuyaux d'alimentation et d'évacuation.
Cela vaut également pour la ventilation du sous-sol. La seule différence est que les conduits de ventilation souterrains sont inclus dans le système de ventilation global du garage.
C'est-à-dire que la sortie d'air s'effectue par un tuyau commun à tout le garage.
Le canal d'alimentation assure également une liaison entre le local souterrain, le garage et l'environnement extérieur. De l'entrée du sous-sol, l'air circulera dans tout le garage. L'installation de deux canaux d'alimentation n'est pas nécessaire.
Le système de tuyauterie crée une chute de pression et l'air commence à circuler de lui-même. Pour que le flux d'air soit fort, les tuyaux doivent être placés aux extrémités opposées du sous-sol.
Le tuyau d'alimentation est situé à un niveau de 30 à 50 centimètres du sol (sous-sol), le tuyau d'échappement est à 20 centimètres du plafond (garage). Une section de tuyau appropriée est de 100 à 250 cm². Mais les calculs exacts doivent être effectués par vous-même. Le résultat dépendra de la taille de la pièce et du climat.
Après avoir effectué les calculs, vous pouvez procéder à l'installation. Tout d'abord, le canal d'échappement est fixe. L'extrémité du tuyau doit être située à 50 centimètres au-dessus du niveau du toit. Puis ils installent un afflux, ça sort dans la rue. Aux extrémités du tuyau, il est nécessaire d'installer un treillis qui protégera contre les gros et les petits déchets. Un analogue moins cher des tuyaux est une porte.
Forcé:
Le système forcé pour les locaux souterrains est un peu plus compliqué que le système naturel, mais le principe de la disposition des tuyaux reste le même. La principale différence est l'utilisation de dispositifs mécaniques.Deux ventilateurs doivent être insérés dans la cavité des deux conduits de ventilation. Au lieu de ventilateurs, vous pouvez utiliser un diffuseur-girouette ou un déflecteur.
RÉFÉRENCE : La girouette-diffuseur est installée en haut du canal d'alimentation. Le déflecteur crée une masse d'air raréfié, modifiant ainsi artificiellement la pression.
L'appareil est monté tout en haut de la hotte. Une autre façon est d'utiliser une ampoule. Une ampoule est montée dans la cavité du tuyau. Lorsqu'il est allumé, il dégage de la chaleur et crée ainsi une perte de charge.
La version la plus chère et la plus qualitative de la ventilation forcée est modulaire. Le débit d'air est contrôlé par un contrôleur spécial. Mais le processus d'installation est assez compliqué et un tel système coûte cher. Mieux encore, la version modulaire convient aux grands sous-sols.
Découvrez comment fabriquer des étagères, des étagères, un établi et un monte-voiture dans le garage.
Nuances de ventilation du trou d'inspection
Pour garantir des conditions de travail confortables, la fosse d'inspection peut être équipée d'un éclairage de haute qualité, de diverses étagères pour ranger le matériel et, bien sûr, d'une ventilation. Découvrez brièvement à quoi tout cela devrait ressembler.

S'il y a déjà une hotte d'évacuation dans la pièce, vous pouvez simplement étirer les tuyaux correspondants dans le trou d'inspection. Quant au diamètre des conduits d'air, dans ce cas il peut être d'environ 10 centimètres. Le tuyau d'alimentation en air doit se terminer presque tout en bas de la fosse, fixez le second sur le côté opposé, en vous éloignant du bord supérieur également de 10 centimètres.

Le besoin de ventilation dans le garage
La ventilation du garage en hiver est très importante.En raison de la différence de température dans une rue glaciale et dans un garage chaud et hermétique, de la condensation se forme sur les surfaces des murs et des meubles. Une exposition prolongée à l'humidité affecte négativement la structure et tous les objets qui s'y trouvent.
Les étagères en bois et les armoires à outils commencent à pourrir, les surfaces en béton se fissurent et moisissent, et le corps de la machine et ses pièces souffrent de corrosion. Une partie de l'humidité s'évapore, mais en raison de l'étanchéité de la structure, l'humidité ne quitte pas ses limites. C'est pourquoi, lors de l'ouverture du garage en hiver, de nombreux propriétaires de voitures se sentent humides. En été, il y a une fraîcheur humide perceptible.
Et dans des conditions de mauvais temps hivernal avec de la glace et de la neige, une personne elle-même peut endommager le bâtiment, la voiture et elle-même. Après les trajets, il reste très souvent de la neige sur les roues, le capot et le toit du véhicule, dans ce cas il est préférable d'utiliser des pare-neige tubulaires sur le toit. Une fois dans un garage chaud, la neige commence à fondre.
Par conséquent, il est plus opportun de créer un échange d'air de haute qualité, en y dépensant un peu d'argent, que de procéder à une révision majeure de la voiture dans quelques années. La différence dans le coût de ces travaux diffère plusieurs fois.
Façons d'améliorer le fonctionnement de la hotte naturelle du garage
Lors de l'organisation de la ventilation naturelle de vos propres mains, vous pouvez obtenir un renouvellement optimal de l'atmosphère dans le garage sans l'aide d'outils mécaniques, par exemple en chauffant le tuyau d'échappement et en installant un déflecteur. L'air chaud est plus léger que l'air froid et, en s'élevant, il sortira rapidement par le conduit d'évacuation, remplacé par de l'air extérieur frais.
Pour améliorer le chauffage de l'air dans un garage non chauffé, il suffit de peindre le conduit d'évacuation avec de la peinture noire.Ainsi, les parois du conduit absorberont plus d'énergie solaire, chauffant l'air dans le conduit et le poussant vers le haut. Lors de la planification d'une ventilation naturelle avec une peinture supplémentaire du conduit, il n'est pas nécessaire d'isoler thermiquement le conduit de ventilation, de sorte que ces mesures simples et abordables contribueront également à réduire le coût d'achat et d'installation des principaux composants du système.
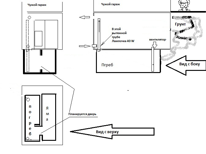
Le temps froid qui arrive à l'automne ne crée pas en soi de problèmes particuliers pour une voiture entreposée, cependant, ce sont des moyens de perturber sérieusement le fonctionnement de l'ensemble du système de ventilation d'alimentation et d'échappement. Un moteur chaud dégagera de la chaleur supplémentaire pendant une heure après l'entrée de la voiture dans le garage, mais à l'avenir, dans un garage non chauffé, la température chutera à presque les valeurs de la rue, ce qui arrêtera la ventilation naturelle.
Pour maintenir l'échange d'air dans la pièce et éviter le givrage du conduit d'évacuation, dans lequel le condensat s'accumulera inévitablement, il suffit d'acheter une lampe à incandescence ordinaire de 40 watts. Il doit être installé sous l'ouverture du conduit d'évacuation vertical et laissé allumé. La lampe générera de la chaleur, permettant à l'air de se déplacer à des vitesses allant jusqu'à 0,4 m/s. De plus, le canal du conduit d'air doit être recouvert d'un matériau calorifuge, en veillant à ce qu'aucune humidité n'y pénètre. L'inconvénient de cette méthode d'amélioration du transfert de chaleur est l'augmentation du niveau de risque d'incendie dans la pièce et, par conséquent, les lampes à incandescence les plus fiables et les plus sûres doivent être achetées.
Pourquoi avez-vous besoin d'une ventilation de garage?
La confiance, ou plutôt même l'illusion de nombreux propriétaires de voitures que cette pièce n'a pas besoin d'être aérée, réfute facilement les conséquences de ne pas avoir un tel système.
- Un environnement toxique se forme dans la pièce qui peut nuire à la santé du propriétaire. S'il n'y a pas de système de ventilation, une atmosphère se formera dans le garage qui provoquera un état léthargique, des migraines ou même une intoxication. Même si vous ne sentez pas les fumées de la combustion du carburant, c'est-à-dire que leur concentration sera insignifiante, à l'avenir, les toxines s'accumuleront et se feront certainement sentir.
- L'humidité a un effet destructeur sur les éléments métalliques du véhicule, ainsi que sur les équipements électroniques. De plus, un excès d'humidité peut endommager non seulement la voiture, mais également les murs, les supports en bois et d'autres éléments structurels (des champignons apparaîtront sur leurs surfaces).

Si vous équipez même le système de ventilation le plus simple, vous pourrez prévenir toutes ces conséquences négatives. De plus, conformément au SNiP 21-02-99, tous les bâtiments résidentiels doivent être équipés de tels systèmes de communication ainsi que les locaux d'habitation.

Si vous vous familiarisez avec les exigences européennes, alors conformément à celles-ci, la fréquence d'échange d'air complet dans le garage doit être d'au moins 6 à 10 fois par jour. Notez également qu'une ventilation capable de souffler à travers la voiture et de fournir un échange d'air doit être installée dans les extensions de garage traditionnelles à un étage et à deux étages. Dans le second cas, on parle d'objets avec un atelier situé au dessus. Cela comprend également les garages avec fosses d'inspection.En un mot, toutes les pièces du garage doivent être également bien ventilées.
De plus, une ventilation autonome de la cave (le cas échéant) doit être présente sans faute, car si la cave est isolée, la circulation des masses d'air dans celle-ci ne sera pas suffisante pour éliminer l'excès d'humidité et les arômes qui l'accompagnent.

A quoi sert la ventilation dans le garage ?
Beaucoup de gens pensent que si la pièce n'est pas résidentielle, la ventilation n'est pas du tout nécessaire. Après tout, une personne est assez rarement là, il suffit donc d'ouvrir la porte à l'arrivée et de laisser entrer l'air frais. Cependant, ce n'est pas le cas. Chaque pièce a besoin de ventilation. Et voici quelques raisons :
- La première raison est l'afflux d'air frais. En fait, une personne se trouve assez souvent dans le garage. De plus, certains y vivent pratiquement, faisant des ateliers dans le garage. Par conséquent, il est beaucoup plus agréable de respirer de l'air frais et propre et de ne pas suffoquer à cause de la puanteur et de la matité. Et dans le garage, il y a beaucoup de pièces et de matériaux qui émettent des substances toxiques. Par conséquent, il est même dangereux pour la santé.
- La présence d'humidité est mauvaise pour la voiture elle-même. À savoir, il peut lentement détruire les parties métalliques du corps, les appareils électroniques et électriques de la voiture. Le deuxième point est que l'humidité nuit aux stocks et aux pièces qui sont stockées à l'intérieur. De plus, les murs sont couverts de champignons, de la moisissure se forme. Les structures en bois peuvent commencer à pourrir et le métal peut rouiller. Il est clair que cela affecte directement la durée de vie opérationnelle.
- S'il n'y a pas de ventilation dans le garage, cela affectera négativement le propriétaire. L'environnement à l'intérieur est toxique, donc y rester entraînera des maux de tête et des empoisonnements.
Cela seul suffit pour commencer immédiatement à créer une ventilation à l'intérieur du garage. Même la ventilation la plus simple éliminera toutes les conséquences négatives. L'argument principal est que le SNIP 21/02/99 indique qu'il y a une ventilation, comme dans un immeuble résidentiel.
C'est important de savoir ! Peu importe de quel type de garage il s'agit, qu'il soit chauffé ou non, il doit être muni d'un système de ventilation. Le règlement normatif stipule qu'en 1 heure, l'afflux d'air frais doit être égal à 180 m3
Il existe également des normes européennes, selon lesquelles un renouvellement d'air complet doit avoir lieu de 6 à 10 fois en 24 heures. Voici les fonctions que remplit la ventilation dans le garage :
- l'humidité est éliminée. Il apparaît lorsque la pluie, la neige et la saleté pénètrent dans la voiture ;
- toutes les accumulations toxiques et gazeuses nocives sont éliminées, l'air sera propre, frais et agréable;
- la condensation ne se formera pas sur les surfaces (murs, plafond, trou d'inspection, voiture, pièces);
- toutes les surfaces métalliques seront protégées de la corrosion, la voiture séchera plus rapidement;
- un merveilleux microclimat est créé à l'intérieur du garage. Il a un effet bénéfique sur la voiture, sur la personne et sur les légumes qui peuvent être stockés à l'intérieur.
Tous ces facteurs indiquent que la ventilation du garage est indispensable.
Mais, il est important de savoir quels types de ventilation existent.
Conversion d'un système d'échappement naturel en un système forcé
Le système d'échappement le plus simple ne peut pas toujours faire face à ses fonctions. L'augmentation de l'efficacité de la ventilation naturelle est nécessaire dans les cas suivants :
- L'apparition d'un excès de condensat dans la cave.
- L'apparition de champignons, de moisissures.
- Air vicié dans la chambre.
L'efficacité d'un système d'échappement peut être améliorée de plusieurs façons :
- Augmentation du diamètre des tuyaux de ventilation. Avec des tailles de cave ne dépassant pas 10 à 12 mètres carrés, le tuyau d'échappement peut avoir une section de 120 * 120 mm et de 150 mm s'il est le seul.
- Augmenter la hauteur du tuyau d'échappement. Cela augmentera la traction.
- Créer des canaux d'échappement et d'alimentation supplémentaires.
- Placez un ventilateur dans le tuyau qui assure une circulation d'air forcée.
Les trois premières options nécessitent une révision sérieuse du système de ventilation. La quatrième option consiste à créer une ventilation forcée basée sur l'échappement naturel existant. Le processus de conversion se déroule en plusieurs étapes :
- Connexion des câbles d'alimentation au site d'installation de l'alimentation.
- Démontage de la grille décorative.
- Mise en place du ventilateur.
- Installation d'une grille décorative.
- Connexion du ventilateur à l'alimentation.
Dans la plupart des cas, il suffit d'installer un ventilateur sur le tuyau d'échappement. Pour améliorer l'effet, le second peut être intégré au canal d'entrée. Pour un gain de poussée maximal, un ventilateur centrifuge est installé. Il a augmenté la puissance et le niveau de bruit. Cette conception est installée à l'extérieur, lors de l'installation, il sera nécessaire de démonter partiellement le canal.
Après avoir terminé l'installation ou le rééquipement du système de ventilation, il est nécessaire de vérifier le tirage. Pour ce faire, une bougie ou une allumette allumée est amenée dans le conduit de ventilation. En présence d'une bonne traction, la flamme penche légèrement vers le conduit.
Avec une bonne traction, la flamme de la bougie se penche vers le conduit d'air
Nuances de ventilation du trou d'inspection
La fosse d'inspection, comme le sous-sol, est également une source de condensation qui, comme mentionné précédemment, peut entraîner un certain nombre de problèmes qui nuisent à la sécurité de la voiture. Malgré le fait qu'il soit situé à l'intérieur, il est impossible d'y organiser une ventilation de haute qualité au moyen d'une ventilation naturelle.
Il semblerait qu'il serait conseillé de traiter le dispositif de ventilation dans le garage lui-même, car la voiture s'y trouve, et non dans le trou d'inspection. Mais en fait, la fosse est une source d'humidité, car elle se trouve en dessous du niveau de la pièce et, par conséquent, du condensat peut s'y accumuler, qui se répandra ensuite dans tout le garage.
La fosse elle-même doit être maintenue en bon état. De là, il est nécessaire d'éliminer l'évaporation des composés chimiques, les odeurs des produits synthétiques utilisés pour entretenir la voiture. L'air doit y être frais, car de nombreux automobilistes peuvent rester longtemps dans le trou d'inspection.
Dans le cas d'un trou de vision, la hotte ne peut être réalisée qu'à proximité du sol de cette partie du bâtiment du garage. Dans le cas de l'utilisation d'un ventilateur, vous pouvez vous débarrasser du problème d'accumulation d'humidité dans la fosse et, par conséquent, au bas de la machine.
En équipant la surface du sol d'un système de chauffage «plancher chaud», vous empêcherez non seulement la formation de condensat, mais vous contribuerez également à créer un microclimat approprié dans le garage qui fournit toutes les règles de stockage du véhicule.
Outils et matériaux
Pour faire le travail rapidement, préparez à l'avance le matériel et les outils nécessaires :
- Perforateur puissant;
- Meuleuse d'angle;
- Matériau d'isolation thermique et scellant ;
- Grilles pour protéger les sorties des canaux de la saleté ;
- Tuyaux en plastique ou en métal du diamètre requis.
De plus, selon la conception, des ventilateurs peuvent être nécessaires :
- Les dispositifs de conduit d'évacuation sont faciles à utiliser et abordables. Les régulateurs intégrés vous permettent de modifier l'intensité du remplacement de l'air. Le diamètre optimal est d'environ 160 mm. Mais il est moins cher et plus facile d'utiliser des produits d'un diamètre de 120 mm.
- Centrifuges - fonctionnent mieux sur le capot, mais ils sont plus difficiles à monter. Utilisé principalement dans les garages où les voitures sont peintes.
- Vortex - les unités les plus appropriées pour éliminer la fumée du soudage.
Pour un garage ordinaire, l'option la plus pratique est un ventilateur de conduit d'extraction. Cet appareil n'est pas cher et fait bien son travail.
Conclusion
L'installation de systèmes de ventilation dans les locaux de garage est une mesure obligatoire requise par les normes sanitaires en vigueur. Sans un système d'échange d'air compétent, on ne peut pas compter sur des conditions de stockage correctes pour une voiture et un environnement sans danger pour la santé humaine.
Trois méthodes d'organisation de la circulation des masses d'air dans les garages sont utilisées - naturelle, combinée et mécanique. Chacun d'eux présente les avantages et les inconvénients décrits ci-dessus. La méthode la moins chère et la moins efficace est la méthode de ventilation naturelle - ici, vous devez vous fier aux lois de la nature et aux conditions favorables. La méthode mécanique vous permet de prendre le contrôle total du processus et de ne pas attendre les faveurs de la nature, mais son coût est beaucoup plus élevé. Le propriétaire des lieux choisit celui qui convient en fonction de ses capacités et des spécificités des lieux.












































