- Avantages et inconvénients de l'utilisation
- Lien
- Règles de fonctionnement de l'appareil de chauffage
- Chauffage des masses d'air soufflé par recirculation
- Vitesse du liquide de refroidissement
- Qu'est-ce qu'un radiateur et pourquoi est-il nécessaire
- Le principe de fonctionnement du chauffe-eau
- Avantages et inconvénients
- Sortes
- Source de chaleur
- matériaux
- version non standard
- Types de systèmes
- Bref aperçu des modèles modernes
- 1 Caractéristiques et principe de fonctionnement
- Calcul en ligne des radiateurs électriques. Sélection de radiateurs électriques par puissance - T.S.T.
Avantages et inconvénients de l'utilisation
Si l'entreprise dispose de son propre système d'alimentation en chaleur, l'utilisation d'aérothermes pour la ventilation forcée est la plus rentable.
Un ensemble de chauffe-eau pour l'entretien d'un entrepôt. Les réchauffeurs avec un débit d'air de 5200 m³/h et une température de liquide de refroidissement de + 130ºС chauffent l'air et maintiennent la température réglée
Avantages des appareils connectés à un système centralisé :
- installation simple, dont la complexité ne diffère pas de celle de l'installation de tuyaux de chauffage;
- chauffage rapide d'une grande pièce;
- la sécurité de tous les nœuds ;
- la possibilité de régler le débit d'air chauffé;
- conception industrielle stricte.
Mais le principal avantage est l'absence d'investissements financiers réguliers - le paiement n'intervient que lors de l'achat de nouveaux équipements.
Prix actuels des chauffe-eau bimétalliques KSK fabriqués par la société de Novossibirsk T.S.T., qui fabrique des équipements thermiques. Le prix final dépend de la configuration de base et des caractéristiques techniques (+)
Le principal inconvénient est l'impossibilité d'utiliser des modèles d'eau dans la vie quotidienne, en particulier dans les logements urbains. Une alternative est l'utilisation d'appareils électriques. Une autre nuance concerne les températures négatives : l'équipement doit être installé dans des pièces où le seuil minimum ne descend pas en dessous de 0ºС.
Il n'y a pratiquement pas de pièces d'usure dans la conception du chauffe-eau. Ils tombent rarement en panne et nécessitent des réparations majeures, ce qui doit également être attribué à la "tirelire" des avantages de l'équipement (+)
Lien
L'admission des masses d'air peut s'effectuer de deux manières :
- Exécution à gauche : l'unité de mélange et la commande automatique sont installées sur le côté gauche, l'alimentation en eau se fait par le haut, la sortie est par le bas.
- Exécution correcte : ces mécanismes sont à droite, le tube d'arrivée d'eau est en bas, le « retour » est en haut.
Les tubes sont placés du côté où la vanne d'air est installée.
Les chauffe-eau sont divisés en 2 types selon le type de vanne :
- bidirectionnel - lorsqu'il est connecté à l'alimentation en chaleur générale;
- à trois voies - avec une méthode fermée de fourniture de chaleur (par exemple, lorsqu'elle est connectée à une chaudière).
Le type de vanne est déterminé par les caractéristiques du système fournissant de la chaleur. Ceux-ci inclus:
- Type de système.
- Température de l'eau au début du processus et à la sortie.
- Avec alimentation en eau centrale - la différence entre la pression dans les tuyaux d'alimentation en eau et son écoulement.
- Avec autonome - la présence ou l'absence d'une pompe installée sur le circuit d'arrivée.
Le schéma d'installation doit prévoir l'irrecevabilité de l'installation dans les cas suivants :
- avec entrée et sortie verticales du tuyau ;
- avec prise d'air supérieure.
Ces limitations sont dues à la possibilité que des masses de neige pénètrent dans l'afflux d'équipements et à d'autres fuites d'eau de fonte dans l'unité électronique.

Pour éviter les dysfonctionnements de l'unité d'automatisation, le capteur de température doit être situé dans la partie interne de l'élément de soufflage d'air à une distance d'au moins 0,5 m du mécanisme d'admission.
Règles de fonctionnement de l'appareil de chauffage
Pour un fonctionnement long et sans problème, il est important de respecter les règles de fonctionnement suivantes :
Il est impossible de dépasser la pression dans les canalisations au-dessus des indicateurs normalisés, qui sont indiqués pour chaque appareil dans la documentation technique.
Composition des masses d'air à l'intérieur doit répondre aux exigences de GOST 12.1.005-88.
Lors de l'installation, il est important de suivre les instructions et les recommandations du fabricant.
Il est interdit d'utiliser un caloporteur avec une température supérieure à +190 degrés.
L'air refroidi dans la pièce est réchauffé progressivement. La température devrait augmenter toutes les heures de 30 degrés.
Pour protéger les tubes de l'échangeur de chaleur contre la rupture, les lectures de température ne peuvent pas tomber à des valeurs négatives.
Dans une salle de production avec de l'air très humide ou sale, des radiateurs avec un niveau de protection d'au moins IP 66 sont installés. Il est interdit de réparer soi-même un équipement de chauffage.
Cette opération doit être effectuée par un personnel de service qualifié.Le respect de toutes les règles ci-dessus contribuera à prolonger la durée de vie et à protéger contre les urgences.
Il est interdit de réparer soi-même un appareil de chauffage. Cette opération doit être effectuée par un personnel de service qualifié. Le respect de toutes les règles ci-dessus contribuera à prolonger la durée de vie et à protéger contre les urgences.
Chauffage des masses d'air soufflé par recirculation

Un élément obligatoire de la ventilation est un radiateur électrique
La ventilation chauffée à recirculation, de manière générale, fonctionne selon le principe suivant :
- l'air pénètre dans la maison par l'afflux du système de ventilation;
- après un certain temps, il pénètre dans le système d'échappement, où une partie des masses d'air entrantes est évacuée à l'extérieur de la maison ;
- le reste de l'air pénètre dans la chambre de mélange.
Dans le compartiment de mélange, l'air frais est mélangé à «l'air d'échappement», chauffant ainsi les masses de vent froid (si le système est réglé en mode de chauffage de l'air dans les paramètres de contrôle, et non l'inverse). De plus, le flux d'air est dirigé vers le radiateur ou le climatiseur, puis à travers les conduits de ventilation vers la maison.
Vitesse du liquide de refroidissement
5. Calcul de la vitesse de déplacement de l'eau dans les tubes du réchauffeur reçu. Gw est le débit de liquide de refroidissement, kg/s ; pw est la masse volumique de l'eau à une température moyenne dans l'aérotherme, kg/m³ ;
fw est la surface ouverte moyenne d'un passage de l'échangeur de chaleur (accepté selon le tableau de sélection des appareils de chauffage KSK), m².
| Densité de l'eau en fonction de la température | |||||||||||||||
|---|---|---|---|---|---|---|---|---|---|---|---|---|---|---|---|
| température, °C | +5 | +10 | +15 | +20 | +25 | +30 | +35 | +40 | +45 | +50 | +55 | +60 | +65 | +70 | |
| densité, kg/m³ | 999 | 999 | 999 | 999 | 998 | 997 | 996 | 994 | 992 | 990 | 988 | 986 | 983 | 981 | 978 |
| température, °C | +75 | +80 | +85 | +90 | +95 | +100 | +105 | +110 | +115 | +120 | +125 | +130 | +135 | +140 | +150 |
| densité, kg/m³ | 975 | 972 | 967 | 965 | 962 | 958 | 955 | 951 | 947 | 943 | 939 | 935 | 930 | 926 | 917 |
| Capacité calorifique de l'eau en fonction de la température | |||||||||||||||
|---|---|---|---|---|---|---|---|---|---|---|---|---|---|---|---|
| température, °C | +5 | +10 | +15 | +20 | +25 | +30 | +35 | +40 | +45 | +50 | +55 | +60 | +65 | +70 | |
| capacité calorifique, J/(kg•°С) | 4217 | 4204 | 4193 | 4186 | 4182 | 4181 | 4179 | 4178 | 4179 | 4181 | 4182 | 4183 | 4184 | 4185 | 4190 |
| température, °C | +75 | +80 | +85 | +90 | +95 | +100 | +105 | +110 | +115 | +120 | +125 | +130 | +135 | +140 | +150 |
| capacité calorifique, J/(kg•°С) | 4194 | 4197 | 4203 | 4205 | 4213 | 4216 | 4226 | 4233 | 4237 | 4240 | 4258 | 4270 | 4280 | 4290 | 4310 |
Si deux réchauffeurs ou plus sont pris pour le calcul, cette formule n'est valable que s'ils sont consécutifs
raccordement du fluide caloporteur. C'est-à-dire que les radiateurs sont connectés de manière à ce que l'eau chaude, ayant traversé les contours d'un
échangeur de chaleur, introduit dans le second, etc. Lors de la connexion en parallèle, par exemple, de deux aérothermes KSK
liquide de refroidissement, la valeur de fw sera 2fw, etc. Par exemple, pour chauffer l'air, nous avons besoin de deux échangeurs de chaleur Ksk 3-9 s
d'une superficie de 0,455 m² (au total cela donne 0,910 m²). Le débit de liquide de refroidissement était de 0,600 kg/s. Calculer la vitesse de déplacement
un coup de chauffe. Lorsqu'elle est connectée en série via le liquide de refroidissement, la formule ressemblera à - W (m / s) \u003d Gw /
(pw • fw), avec parallèle (le caloduc est connecté à chaque aérotherme séparément) - W (m / s) = Gw / (pw • 2fw).
En conséquence, la vitesse de déplacement de l'eau dans les tubes, dans le premier cas, aura une plus grande importance que dans le second. Recommandé
la vitesse du liquide de refroidissement dans les chauffe-eau de type KSK est de (0,2 - 0,5) m / s. Le dépassement de cette vitesse est associé à une augmentation
résistance hydraulique. Les valeurs admissibles vont de 0,12 à 1,2 m/s.
Qu'est-ce qu'un radiateur et pourquoi est-il nécessaire
C'est une sorte d'échangeur de chaleur dans lequel la source de chaleur est l'air circulant en contact avec les éléments chauffants.Au moyen de l'appareil, l'air d'alimentation est chauffé dans les systèmes de ventilation et les équipements de séchage.

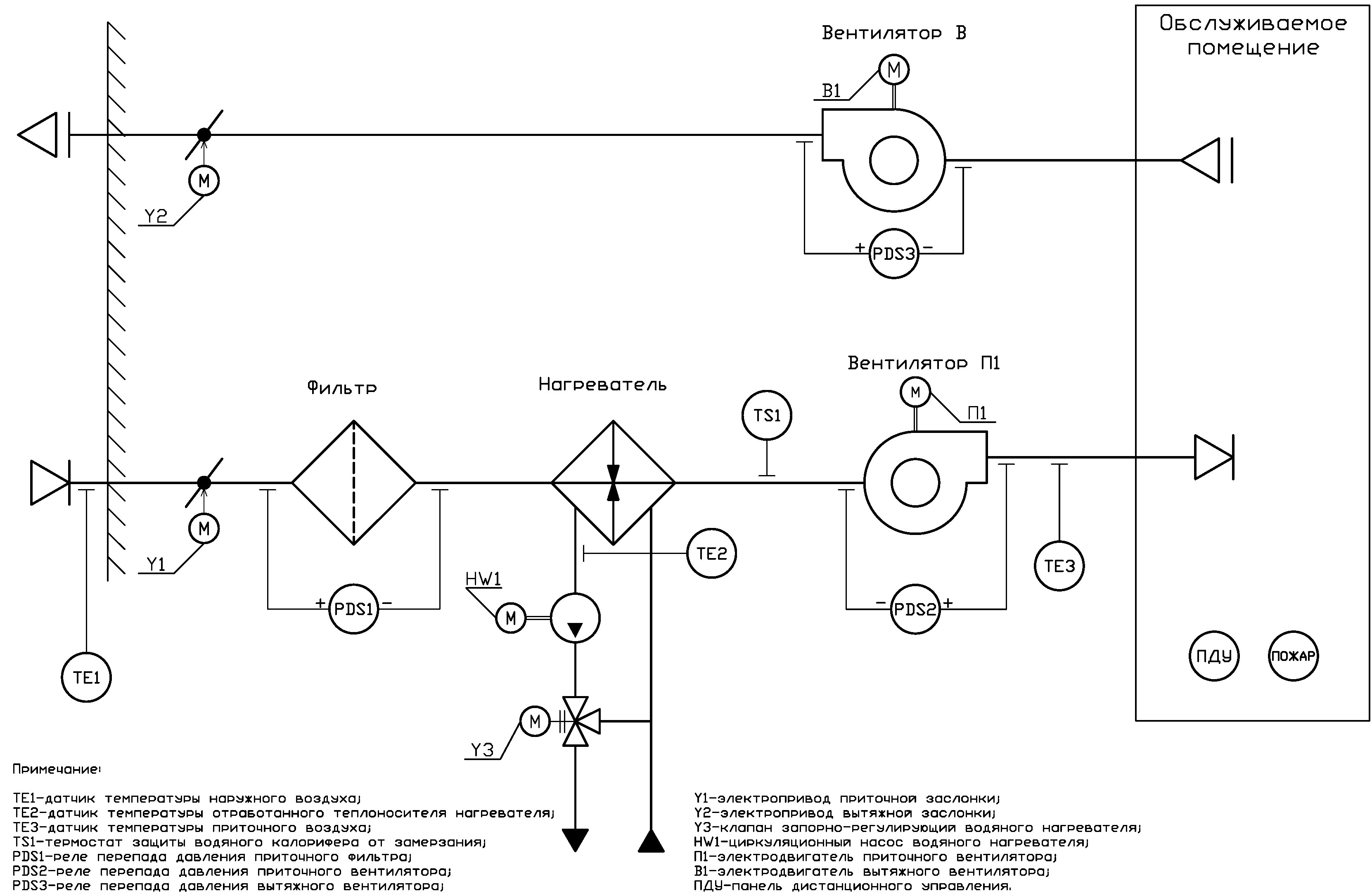
Le schéma montre la position de l'aérotherme dans une unité de ventilation gainable.
L'appareil à monter peut être présenté comme un module séparé ou comme partie d'une unité de ventilation monobloc. Le champ d'application est présenté:
- chauffage initial de l'air dans les systèmes de ventilation d'alimentation avec flux d'air de la rue ;
- chauffage secondaire des masses d'air lors de la récupération dans des systèmes de type alimentation et évacuation qui régénèrent la chaleur ;
- chauffage secondaire des masses d'air à l'intérieur des pièces individuelles pour garantir des conditions de température individuelles ;
- chauffer l'air pour le fournir au climatiseur en hiver;
- chauffage d'appoint ou d'appoint.
L'efficacité énergétique d'un aérotherme de conduit de toute conception est déterminée par le coefficient de transfert de chaleur dans des conditions de certains coûts énergétiques, par conséquent, avec des taux de transfert de chaleur importants, l'appareil est considéré comme très efficace.
La liaison dans le système de ventilation d'alimentation de la cage d'armature de régulation est réalisée au moyen de vannes à deux voies dans le réseau de la ville, ainsi que de vannes à trois voies lors de l'utilisation d'une chaufferie ou d'une chaudière. Avec l'aide de l'unité de cerclage installée, les performances de l'équipement utilisé sont facilement contrôlées et le risque de gel en hiver est minimisé.
Le principe de fonctionnement du chauffe-eau

Les appareils du système de ventilation qui fonctionnent avec de l'eau ne sont installés que s'il y a un fonctionnement ajusté et ajusté du système d'alimentation en chaleur ou de l'alimentation en eau chaude. L'unité peut chauffer des masses d'air jusqu'à une température de +70…+100°С.L'air chauffé est utilisé comme source de chaleur supplémentaire dans de grandes surfaces - gymnases, entrepôts, supermarchés, pavillons, locaux industriels et serres.
Le principe de fonctionnement de la ventilation d'alimentation avec un chauffe-eau est similaire au fonctionnement d'un appareil électroménager similaire pour le chauffage des locaux, mais au lieu d'une spirale électrique, un serpentin constitué de tubes métalliques dans lesquels circule le liquide de refroidissement agit comme un échangeur de chaleur.
Dans ce cas, le processus de chauffage des masses d'air est le suivant:
- le liquide chaud du système de chauffage ou des réseaux ECS, chauffé à 80-180 degrés, va dans un échangeur de chaleur tubulaire en cuivre, acier, bimétal ou aluminium;
- le fluide caloporteur chauffe les tubes qui, à leur tour, cèdent de l'énergie thermique aux masses d'air traversant l'échangeur de chaleur ;
- pour une distribution uniforme de l'air chauffé dans toute la pièce, il y a un ventilateur dans l'appareil (il est également responsable du retour des masses d'air vers le radiateur).
Si tout est déjà fatigué et que vous ne savez pas quoi jouer d'autre, vous pouvez essayer de télécharger les machines à sous 1xBet et profiter de nouvelles expériences avec le bookmaker populaire.
Grâce à l'utilisation de l'air déjà chauffé du système de chauffage, l'unité économise de l'argent. Un chauffe-eau pour réseaux de ventilation peut être appelé un appareil qui combine les qualités d'un convecteur, d'un ventilateur et d'un échangeur de chaleur.
Les appareils de chauffage pour réseaux de ventilation fonctionnent uniquement avec de l'air dont le degré d'empoussièrement ne dépasse pas 0,5 mg/m³ et dont la température minimale n'est pas inférieure à -20°C. L'appareil est monté à l'intérieur de la gaine de ventilation et sélectionné en fonction de ses paramètres (section et forme).Parfois, pour atteindre la température de l'air souhaitée, plusieurs appareils moins puissants sont installés en série, si une conception de performance appropriée ne peut pas être intégrée dans le conduit.
Avantages et inconvénients

Il est conseillé d'utiliser des chauffe-eau dans les entreprises industrielles qui disposent de leurs propres communications d'alimentation en chaleur. Dans ce cas, l'unité sera la plus rentable possible.
Les avantages des appareils de chauffage à air sont les suivants:
- En termes de complexité et de pénibilité, l'installation d'un échangeur de chaleur à eau peut être comparée à la pose de conduites de chauffage. En d'autres termes, il n'y aura pas de problèmes d'installation.
- Les masses d'air chauffées chauffent rapidement même une grande surface.
- L'absence de composants mécaniques et électriques complexes garantit un fonctionnement sûr.
- La direction des flux d'air chaud peut être contrôlée.
- Pendant le fonctionnement, il n'y a pas d'augmentation de charge sur le réseau électrique et une panne ne provoquera pas d'incendie. Soit dit en passant, l'unité échoue très rarement, car elle n'a pas de pièces d'usure.
- Grâce à l'utilisation du liquide chaud du réseau de chauffage, l'équipement ne nécessite pas d'investissements financiers réguliers.
Le principal inconvénient est que l'appareil de chauffage ne peut pas être utilisé à des fins domestiques dans les immeubles d'habitation. Mais alternativement, des appareils électriques similaires sont utilisés. L'équipement a des dimensions impressionnantes et nécessite un contrôle de la température du liquide de refroidissement dans le réseau de chauffage auquel il est connecté.Un tel équipement de ventilation ne peut être installé que dans des endroits où la température ambiante ne descend pas en dessous de zéro degré.
Sortes
Sur quelles bases les appareils de chauffage peuvent-ils être classés ?
Source de chaleur
Il peut être utilisé comme :
- Électricité.
- Chaleur générée par une chaudière de chauffage individuelle, une chaufferie ou une cogénération et transmise au réchauffeur par un fluide caloporteur.
Analysons les deux schémas un peu plus en détail.
Un radiateur électrique pour ventilation forcée est, en règle générale, plusieurs radiateurs électriques tubulaires (réchauffeurs) avec des ailettes pressées dessus pour augmenter la surface d'échange de chaleur. La puissance électrique de tels appareils peut atteindre des centaines de kilowatts.
D'une puissance de 3,5 kW ou plus, ils ne sont pas connectés à la prise, mais directement au blindage avec un câble séparé ; à partir de 7 kW, une alimentation électrique de 380 volts est fortement recommandée.
Sur la photo - chauffage électrique domestique ECO.
Quels sont les avantages d'un radiateur électrique pour la ventilation sur fond d'eau?
- Facilité d'installation. Convenez qu'il est beaucoup plus facile d'amener un câble à un appareil de chauffage que d'y organiser la circulation d'un liquide de refroidissement.
- L'absence de problèmes avec l'isolation thermique de l'eye-liner. Les pertes dans le câble d'alimentation dues à sa propre résistance électrique sont inférieures de deux ordres de grandeur aux pertes de chaleur dans une canalisation avec n'importe quel liquide de refroidissement.
- Réglage facile de la température. Pour que la température de l'air soufflé soit constante, il suffit de monter un simple circuit de commande avec un capteur de température dans le circuit d'alimentation de l'appareil de chauffage. A titre de comparaison, un système de chauffe-eau vous obligera à résoudre les problèmes de coordination de la température de l'air, du liquide de refroidissement et de la puissance de la chaudière.
L'alimentation a-t-elle des inconvénients?
- Le prix d'un appareil électrique est légèrement supérieur à celui d'un appareil à eau. Par exemple, un radiateur électrique de 45 kilowatts peut être acheté pour 10 à 11 000 roubles; un chauffe-eau de même puissance ne coûtera que 6 à 7 000.
- Plus important encore, lors de l'utilisation du chauffage direct à l'électricité, les coûts de fonctionnement sont exorbitants. Pour chauffer le liquide de refroidissement qui transfère la chaleur au système d'eau de chauffage de l'air, la chaleur de combustion du gaz, du charbon ou des granulés est utilisée ; cette chaleur en termes de kilowatts est beaucoup moins chère que l'électricité.
| Source d'énergie thermique | Le coût d'un kilowattheure de chaleur, roubles |
| gaz principal | 0,7 |
| Charbon | 1,4 |
| Pellets | 1,8 |
| Électricité | 3,6 |
Les chauffe-eau à ventilation forcée sont, en général, des échangeurs de chaleur ordinaires à ailettes développées.
Chauffe-eau.
L'eau ou un autre liquide de refroidissement qui les traverse dégage de la chaleur dans l'air traversant les ailettes.
Les avantages et les inconvénients du schéma reflètent les caractéristiques de la solution concurrente :
- Le coût du chauffage est minime.
- Les coûts d'exploitation sont déterminés par le type de combustible utilisé et la qualité de l'isolation du câblage caloporteur.
- Le contrôle de la température de l'air est relativement complexe et nécessite un système flexible de circulation et/ou de contrôle de la chaudière.
matériaux
Pour les radiateurs électriques, des ailettes en aluminium ou en acier sont généralement utilisées sur les éléments chauffants standard ; schéma de chauffage un peu moins courant avec une bobine de tungstène ouverte.
Elément chauffant avec ailettes en acier.
Il existe trois types de chauffe-eau.
- Les tuyaux en acier avec ailettes en acier offrent le coût de construction le plus bas.
- Les tuyaux en acier avec ailettes en aluminium, en raison de la conductivité thermique plus élevée de l'aluminium, garantissent un transfert de chaleur légèrement supérieur.
- Enfin, les échangeurs de chaleur bimétalliques en tube de cuivre avec des ailettes en aluminium assurent un transfert de chaleur maximal au prix d'une résistance légèrement inférieure à la pression hydraulique.
version non standard
Quelques solutions méritent une mention spéciale.
- Les unités d'alimentation sont un appareil de chauffage avec un ventilateur préinstallé pour l'alimentation en air.
Alimentation de l'unité de ventilation.
- De plus, l'industrie fabrique des produits avec des récupérateurs de chaleur. Une partie de l'énergie thermique provient du flux d'air dans la ventilation d'extraction.
Types de systèmes
L'unité de ventilation de soufflage avec chauffage de l'air est disponible en plusieurs types. Il peut s'agir d'une ventilation centrale, qui chauffera un grand local industriel, ou un centre de bureaux, ou elle peut être individuelle, par exemple, dans un appartement ou une maison particulière.
De plus, tous les systèmes de ventilation chauffés sont divisés en types suivants:
- Avec récupération. En fait, il s'agit d'un système d'échange de chaleur, lorsque les masses entrantes entrent en contact avec les masses sortantes et échangent de la chaleur. Cette option ne convient que pour les régions aux hivers peu froids. Ces systèmes sont appelés circuits de ventilation passive. Il est préférable de les placer près des radiateurs.
- Eau. Une telle alimentation chauffée fonctionne soit à partir d'une chaudière, soit à partir d'une batterie de chauffage central. Son principal avantage est l'économie d'énergie. La ventilation d'alimentation avec chauffage de l'air par l'eau est particulièrement appréciée des consommateurs.
- Électrique. Nécessite une consommation électrique importante.Selon le principe de fonctionnement, il s'agit d'un simple élément chauffant électrique qui chauffe l'air avec son mouvement constant.
La ventilation d'alimentation peut également différer dans la manière dont l'air est forcé dans la pièce. Il existe des options naturelles et des options forcées, lorsque l'air est aspiré à l'aide de ventilateurs. Les types de ventilation diffèrent également selon le type de commande. Ceux-ci peuvent être des modèles manuels ou automatiques, qui sont contrôlés à l'aide d'une télécommande ou d'une application spéciale sur le téléphone.
Bref aperçu des modèles modernes
Il existe de nombreux modèles sur le marché unités de mélange de différents fabricants d'équipements climatiques. Les unités de mélange DEX, SMEX, MU, SUMX, ainsi que les hydroblocs de contrôle thermique des séries MST, UTK sont produits dans différentes tailles standard avec des indicateurs de poids et de taille calculés et des dimensions de raccordement.
Vous pouvez en savoir plus à leur sujet en utilisant les liens ci-dessous :
-
Unités de mélange DEX
-
Unités de mélange MU
-
Unités de mélange WPG
-
Unités de mélange SME et SMEX
-
Unités de mélange MST
-
Unités de mélange SURP et SUR
-
Unités de mélange SWU
-
Unités de mélange VDL
-
Unités de mélange d'eau UVS
-
Unités de mélange KEV-UTM
1 Caractéristiques et principe de fonctionnement
La conception d'un tel appareil de chauffage comprend un boîtier à l'intérieur duquel se trouvent un ventilateur et un échangeur de chaleur. La gestion est effectuée au moyen d'un bloc spécial. Lorsque l'appareil est allumé, les lames créent un flux d'air qui se propage dans toute la pièce. Grâce à cela, il est possible d'obtenir un bon chauffage en peu de temps.
Dans les entreprises industrielles, il est assez difficile de maintenir une température confortable uniquement à cause des radiateurs. Ils sont efficaces, mais sont généralement moins utiles dans ces conditions. L'installation d'appareils de chauffage et d'autres appareils de chauffage coûte cher. Le coût non seulement de l'équipement est élevé, mais également de son entretien ultérieur, ainsi que du paiement de l'électricité. En règle générale, ces modèles sont très énergivores. Il est conseillé d'installer des aérothermes avec source de chaleur à eau dans les pièces suivantes :
- grandes salles de marché ;
- serres ou serres qui fonctionnent pendant la saison froide;
- ateliers de production et entrepôts avec un grand nombre de produits;
- les grands lave-autos, ainsi que les stations-service ;
- garages avec une grande surface, hangars;
- grandes salles de sport.
Bien que l'appareil soit destiné à un usage industriel, certains propriétaires de chalets ou de grandes maisons privées l'utilisent pour le chauffage des locaux. Cela est dû à la simplicité de conception et à la possibilité de fabriquer soi-même à la maison.
Calcul en ligne des radiateurs électriques. Sélection de radiateurs électriques par puissance - T.S.T.
Aller au contenu Cette page du site présente un calcul en ligne des radiateurs électriques. Les données suivantes peuvent être déterminées en ligne : - 1. la puissance requise (puissance calorifique) de l'aérotherme électrique pour la centrale de traitement d'air. Paramètres de base pour le calcul : volume (débit, performance) du flux d'air chauffé, température de l'air à l'entrée de la résistance électrique, température de sortie souhaitée - 2. température de l'air à la sortie de la résistance électrique.Paramètres de base pour le calcul : débit (volume) du flux d'air chauffé, température de l'air à l'entrée de la batterie électrique, puissance thermique réelle (installée) du module électrique utilisé
1. Calcul en ligne de la puissance du chauffage électrique (consommation de chaleur pour le chauffage de l'air soufflé)
Les indicateurs suivants sont renseignés dans les champs : le volume d'air froid traversant la batterie électrique (m3/h), la température de l'air entrant, la température requise en sortie de batterie électrique. En sortie (selon les résultats du calcul en ligne du calculateur), la puissance nécessaire du module de chauffage électrique est affichée pour respecter les conditions définies.
1 champ. Volume d'air soufflé traversant le champ de la résistance électrique (m3/h)2. Température de l'air à l'entrée de la batterie électrique (°С)
3 champs. Température d'air requise à la sortie de la batterie électrique
(°C) champ (résultat). Puissance nécessaire du chauffage électrique (consommation de chaleur pour le chauffage de l'air soufflé) pour les données saisies
2. Calcul en ligne de la température de l'air à la sortie de la batterie électrique
Les indicateurs suivants sont renseignés dans les champs : le volume (débit) d'air chauffé (m3/h), la température de l'air à l'entrée de la batterie électrique, la puissance de la batterie électrique sélectionnée. À la sortie (selon les résultats du calcul en ligne), la température de l'air chauffé sortant est affichée.
1 champ. Le volume d'air soufflé traversant le champ du réchauffeur (m3/h)2. Température de l'air à l'entrée de la batterie électrique (°С)
3 champs. Puissance thermique de l'aérotherme sélectionné
(kW) champ (résultat). Température de l'air à la sortie de la batterie électrique (°С)
Sélection en ligne d'un radiateur électrique par le volume d'air chauffé et la puissance calorifique
Vous trouverez ci-dessous un tableau avec la nomenclature des radiateurs électriques produits par notre société. Selon le tableau, vous pouvez sélectionner grossièrement le module électrique adapté à vos données. Dans un premier temps, en vous concentrant sur les indicateurs du volume d'air chauffé par heure (productivité de l'air), vous pouvez choisir un radiateur électrique industriel pour les conditions thermiques les plus courantes. Pour chaque module de chauffage de la série SFO, la plage d'air chauffé la plus acceptable (pour ce modèle et ce numéro) est présentée, ainsi que certaines plages de température d'air à l'entrée et à la sortie du réchauffeur. En cliquant sur le nom de l'aérotherme électrique sélectionné, vous accédez à la page présentant les caractéristiques thermiques de cet aérotherme électrique industriel.
| Nom du radiateur électrique | Puissance installée, kW | Plage de performances d'air, m³/h | Température de l'air d'admission, °С | Plage de température de l'air soufflé, °C (en fonction du volume d'air) |
| OFS-16 | 15 | 800 — 1500 | -25 | +22 0 |
| -20 | +28 +6 | |||
| -15 | +34 +11 | |||
| -10 | +40 +17 | |||
| -5 | +46 +22 | |||
| +52 +28 | ||||
| OFS-25 | 22.5 | 1500 — 2300 | -25 | +13 0 |
| -20 | +18 +5 | |||
| -15 | +24 +11 | |||
| -10 | +30 +16 | |||
| -5 | +36 +22 | |||
| +41 +27 | ||||
| OFS-40 | 45 | 2300 — 3500 | -30 | +18 +2 |
| -25 | +24 +7 | |||
| -20 | +30 +13 | |||
| -10 | +42 +24 | |||
| -5 | +48 +30 | |||
| +54 +35 | ||||
| OFS-60 | 67.5 | 3500 — 5000 | -30 | +17 +3 |
| -25 | +23 +9 | |||
| -20 | +29 +15 | |||
| -15 | +35 +20 | |||
| -10 | +41 +26 | |||
| -5 | +47 +32 | |||
| SFO-100 | 90 | 5000 — 8000 | -25 | +20 +3 |
| -20 | +26 +9 | |||
| -15 | +32 +14 | |||
| -10 | +38 +20 | |||
| -5 | +44 +25 | |||
| +50 +31 | ||||
| SFO-160 | 157.5 | 8000 — 12000 | -30 | +18 +2 |
| -25 | +24 +8 | |||
| -20 | +30 +14 | |||
| -15 | +36 +19 | |||
| -10 | +42 +25 | |||
| -5 | +48 +31 | |||
| SFO-250 | 247.5 | 12000 — 20000 | -30 | +21 0 |
| -25 | +27 +6 | |||
| -20 | +33 +12 | |||
| -15 | +39 +17 | |||
| -10 | +45 +23 | |||
| -5 | +51 +29 |




































