- Cadre réglementaire régissant le périmètre
- Procédure de remplacement d'une ancienne chaudière à gaz
- Raisons du remplacement
- Comment organiser le transfert de la chaudière dans une maison privée?
- Pourquoi est-il remplacé
- Installation de nouveaux équipements de chaudière
- Quels documents sont nécessaires pour le travail
- Procédure de remplacement d'une chaudière obsolète
- Quels documents sont nécessaires lors du remplacement d'une chaudière à gaz
- Ai-je besoin d'un nouveau projet lors du remplacement d'une chaudière à gaz
- Caractéristiques du remplacement d'une chaudière de même puissance
- Est-il possible de remplacer une chaudière à gaz par une électrique
- Remplacement d'une chaudière à gaz en 2019 : règles, documents, amende
- Ce que vous devez remplacer en 2018
- Démontage et installation d'équipements muraux et de sol
- Raisons du remplacement
- Exigences pour une pièce pour l'installation d'une chaudière à gaz dans une maison privée
- Normes actuelles pour l'installation d'une chaudière dans la cuisine
- Bonne organisation d'une extension pour une chaufferie
Cadre réglementaire régissant le périmètre
Une mauvaise utilisation des équipements à gaz entraîne souvent des conséquences négatives. Par conséquent, l'État a réglementé ce domaine dans les moindres détails.
Et, compte tenu de cette caractéristique, un document, même volumineux, ne pourra pas contenir toutes les informations nécessaires.
Toutes les règles nécessaires à l'installation de chaudières à gaz sont énoncées dans les documents de profil régissant.Mais le problème, c'est qu'il y en a beaucoup et qu'il faudra beaucoup de temps pour les connaître. Par conséquent, dans la plupart des cas, vous devez vous fier à des spécialistes
Par conséquent, il existe en effet de nombreux types d'instructions. Par exemple, certaines questions connexes réglementent :
- SP-401.1325800.2018, qui définit les règles de conception de tous les types de systèmes de consommation de gaz dans les bâtiments résidentiels ;
- SP 62.13330.2011, qui indique quelle doit être la pression de gaz, comment poser correctement les tuyaux vers la chaudière, etc.;
- GOST portant les numéros R 52318-2005 ; R 58121.2-2018 ; 3262-75. Où il est indiqué quels tuyaux et éléments de raccordement peuvent et doivent être utilisés lors de l'installation d'une chaudière à gaz. En outre, l'acier et d'autres types de gazoducs sont décrits. Et aussi leurs caractéristiques sont indiquées;
- GOST27751-2014 ; SP 20.13330. Ces documents définissent les exigences de charge des gazoducs externes et internes utilisés pour l'installation des chaudières ;
- SP 402.1325800.2018, qui définit les règles de raccordement des chaudières au réseau électrique ;
- SP 28.13330 et, dans certains cas, GOST 9.602-2016, qui décrit les méthodes de lutte contre la corrosion ;
- SNiP 21-01-97. Ce document précise les mesures de sécurité à respecter lors de l'exploitation des bâtiments, y compris ceux chauffés par des chaudières à gaz. Ainsi que la division des matériaux de construction en combustibles, incombustibles. Et ces informations sont importantes lors de l'équipement de la pièce dans laquelle la chaudière sera placée.
De plus, vous devez vous familiariser avec les règles énoncées dans SP 60.13330.2016 (ce document est une version mise à jour du célèbre SNiP 41-01-2003). Après tout, c'est dans ce règlement qu'il est indiqué que les sources de chauffage individuelles et ce qu'elles doivent être peuvent être utilisées pour chauffer un logement.
Et ce n'est pas tout ce que vous devez savoir pour assurer le placement correct de la chaudière et son fonctionnement en toute sécurité.
Il est impératif de se conformer aux exigences en vigueur lors de l'installation des chaudières. Sinon, l'unité spécifiée ne sera tout simplement pas autorisée à fonctionner. Et pour une connexion non autorisée, des sanctions sévères sont prévues sous la forme de lourdes amendes (à partir de 10 000 roubles). Ceci est indiqué à l'art. 7.19 du Code des infractions administratives, ainsi qu'à l'art. 215.3 du Code criminel
Et si, par exemple, la question se posait de savoir pourquoi vous devez connaître les mesures de sécurité ou les charges sur les tuyaux pendant la construction. Ensuite, il convient de rappeler que la chaudière installée sera autorisée à fonctionner. Et, lorsque les règles établies énoncées dans le document pertinent ne sont pas respectées, les lacunes identifiées devront être éliminées.
Dans le cas où la chaudière à gaz achetée est installée dans votre propre maison en bois et que les exigences relatives à la taille de la fondation ne sont pas remplies, celles-ci doivent à tout moment dépasser les dimensions de la chaudière d'au moins 30 cm. profitant du confort, vous devrez démonter la structure et effectuer de nouveaux travaux.
Procédure de remplacement d'une ancienne chaudière à gaz
Les difficultés causées par le remplacement des équipements à combustible bleu sont initialement éliminées sur le plan juridique et, seulement après avoir reçu l'approbation des institutions de contrôle du gaz, elles procèdent à des travaux techniques directs. La procédure pour ce processus est la suivante :
• Une demande d'approbation auprès de l'organisme de contrôle du gaz qui contrôle la zone où le remplacement sera effectué.• Acquisition des conditions d'ingénierie : respect du projet précédemment approuvé, discussion, si nécessaire, de l'augmentation de la restriction sur la consommation de combustible bleu (renouvellement du contrat de fourniture de gaz), conclusion sur l'inspection clé du compteur de gaz usé et le respect de l'assortiment de tuyaux dans le gazoduc. • Exécution d'un contrat avec une entreprise spécialisée qui installe et prend en charge les diagnostics et les réparations. • Démantèlement des anciens équipements techniques de chauffage. • Installation d'un nouvel appareil. • Réception-livraison à l'usage de l'organisme de surveillance gaz.

Raisons du remplacement
Le générateur d'énergie thermique pour le chauffage de l'eau d'une maison privée est calculé en fonction de la puissance nominale et de l'efficacité (productivité).
La réduction de ces paramètres, ainsi qu'un certain nombre d'autres points, nécessitent le renouvellement des équipements de la chaudière.
Les raisons d'installer de nouvelles chaudières pour remplacer les anciennes unités sont les circonstances suivantes :
- Performances insuffisantes. Une augmentation de la surface chauffée due à des extensions de la maison ou au raccordement de nouveaux appareils au circuit d'eau qui chauffent les combles, la terrasse couverte ou le sous-sol.
- Le besoin de fonctionnalités supplémentaires. Le confort et la convivialité d'un ménage privé sont déterminés en grande partie par la présence d'un circuit d'eau chaude. La possibilité de combiner un appareil de chauffage à eau et une chaudière de chauffage dans un seul appareil est fournie par les modèles à gaz à double circuit.
- Problèmes d'utilisation rationnelle du carburant bleu. Les chaudières atmosphériques et les appareils à extraction forcée des fumées (avec chambre de combustion fermée) sont remplacés par la technologie de chauffage à condensation.Lors du calcul de la productivité des équipements de nouvelle génération utilisant d'anciens modèles, l'efficacité dépasse 110%.
- Dépose de l'ancienne chaudière. Le coût de maintenance et de réparation d'une installation exploitée pendant des années est déraisonnablement élevé, un remplacement rapide permettra d'économiser de l'argent.
Comment organiser le transfert de la chaudière dans une maison privée?
La coordination du mouvement des équipements utilisant du gaz et de la distribution du gaz est effectuée avec des représentants de l'organisation d'approvisionnement en ressources. La demande est remplie dans le formulaire approuvé par le décret du gouvernement de la Fédération de Russie n ° 266.
Lors de votre visite au service de gaz, vous devez avoir avec vous un paquet des documents suivants :
- Passeport du demandeur (propriétaire du logement).
- Projet d'approvisionnement en gaz domestique.
- Passeport technique pour les locaux d'habitation.
- Passeport pour un appareil utilisant du gaz.
- Le consentement de tous les autres propriétaires, si la maison est en copropriété (représentant des intérêts des propriétaires mineurs).
La liste exacte des documents doit être clarifiée à l'avance lors d'un appel ou d'une visite.
Vous recevrez la décision de la commission sur un formulaire séparé par courrier ou en personne.
Un modèle de demande de rééquipement et de réaménagement doit contenir des informations sur le demandeur, l'objet, la liste des documents joints et des informations sur les travaux prévus. Si vous recevez un refus de réorganisation, celui-ci doit être justifié par les paragraphes pertinents sur les motifs d'une telle décision.
En pratique, il n'y a pratiquement pas de pannes. Ils ne peuvent être liés qu'à la non-conformité de la nouvelle chaufferie aux normes établies, à l'absence de documents pour l'objet confirmant les droits du propriétaire.Les travailleurs du gaz ne se soucient pas du nombre de fois et de l'endroit où vous transférerez la chaudière.
Si vous souhaitez accélérer et simplifier la procédure, essayez d'utiliser les services d'un service de gaz qui propose d'effectuer tous types de travaux clé en main. Certaines organisations offrent un service similaire et tout ce que vous avez à faire est de rédiger une demande et de conclure un accord.
Des représentants de l'entreprise se rendront sur le site, établiront les protocoles de remplacement et de transfert de tous les équipements requis, effectueront les travaux de coordination et d'installation depuis l'installation et mise à la terre chaudière gaz avant de commencer et de le configurer.
Pourquoi est-il remplacé
Pendant le fonctionnement de la chaudière, sa puissance et son efficacité diminuent progressivement. L'équipement est obsolète et ne répond plus aux normes modernes.

Les raisons les plus courantes de remplacement d'équipement :
- Les performances de la chaudière ne sont plus satisfaisantes. Si vous avez fait une extension ou connecté des appareils supplémentaires au circuit (par exemple, une chaudière), l'ancienne unité peut ne pas tirer la charge.
- Fonctionnalité inappropriée. L'installation d'un appareil à double circuit au lieu d'un appareil à circuit unique permet non seulement de chauffer la pièce, mais également d'utiliser l'alimentation en eau chaude (ECS).
- Questions de rationalité. Les chaudières standards consomment beaucoup de gaz. Mais les appareils à condensation plus modernes utilisent non seulement du gaz, mais aussi de la vapeur. Cette approche augmente l'efficacité de 110 %.
- Dépréciation ou panne d'équipement.
Par conséquent, si votre ancien AOGV fonctionne "sur son dernier souffle", si le coût de la maintenance est égal à l'achat d'un nouvel appareil, alors un remplacement est indispensable.

Quels modèles propose le marché ?
- Avec chambre de combustion fermée. C'est une variété plus sûre, car le brûleur est fermé aux influences extérieures.La fumée est évacuée par un ventilateur. La cheminée coaxiale connectée contient deux tubes à travers lesquels l'air entre et les fumées sont évacuées. Nécessite une connexion réseau.
- Avec chambre ouverte. Un brûleur ouvert nécessite que l'air soit aspiré de la pièce pour maintenir la flamme. Une bonne ventilation et un raccordement à une cheminée sont nécessaires.
Installation de nouveaux équipements de chaudière

équipement de condensation
Parfois, sous l'expression remplacer (changer) la chaudière, toute une gamme de travaux est cachée: le transfert de conduites de gaz, la fourniture de câbles électriques et même l'aménagement d'un drain pour l'évacuation des condensats acides.
L'utilisation d'une nouvelle chaudière avec un ancien chauffage nécessite l'installation de dispositifs de filtrage sur le tuyau de retour. Il est souhaitable qu'ils incluent le rinçage de l'écran sans se déconnecter du système ou une cartouche filtrante à changement rapide. Le transfert du chauffage gravitaire vers un mode fermé entraîne l'installation d'une vanne d'air automatique (AVK) et d'un vase d'expansion de type membrane.
Les organismes spécialisés complètent la procédure de remplacement de la chaudière en remettant l'objet aux autorités de surveillance du gaz. De plus, une étape obligatoire est la mise en œuvre des activités de mise en service. Le système est rempli de liquide de refroidissement, la fonctionnalité de l'unité est testée, le tirage dans la cheminée est vérifié. La puissance de l'équipement est adaptée à la zone chauffée.
Il est préférable de confier le remplacement des équipements à gaz à des équipes professionnelles. Une installation de haute qualité est la clé d'une longue période de temps entre les pannes pour une nouvelle unité.
Quels documents sont nécessaires pour le travail
Aussi paradoxal que cela puisse paraître, l'essentiel du temps nécessaire au remplacement d'une chaudière de chauffage est consacré à l'obtention de permis pour de nouveaux équipements.

Lors de l'installation de la chaudière elle-même, les exigences du SNiP 42-01-2002 "Systèmes de distribution de gaz" doivent être prises comme base. Il contient toutes les conditions techniques pour l'installation d'une nouvelle chaudière de chauffage au gaz. Dans le même SNiP, dans l'article «Approvisionnement en gaz», la procédure exacte de remplacement de l'équipement est indiquée. Bien que ce document ne soit plus valide, il contient des informations utiles qui valent certainement la peine d'être utilisées.
Procédure de remplacement d'une chaudière obsolète
L'équipement à gaz est considéré comme un appareil à danger accru.
Par conséquent, tous les travaux d'installation et d'entretien d'appareils à gaz sont également classés comme travaux à danger accru. Les règles existantes répondent sans équivoque à la question - comment remplacer une chaudière à gaz dans une maison privée - il est interdit d'installer ou de remplacer vous-même l'équipement de la chaudière. L'installation de chaudières ne peut être effectuée que par des autorités spéciales (gorgaz, rygaz, oblgaz) par l'intermédiaire d'entreprises titulaires d'une licence pour de tels travaux.
Pour commencer à remplacer la chaudière, vous devez procéder comme suit :
- Écrivez une demande au service du gaz pour obtenir l'autorisation de remplacer la chaudière. Vous devez savoir que lors du remplacement d'une ancienne chaudière par une similaire, vous n'avez pas besoin de créer un nouveau projet, mais si des modifications ont eu lieu - une chaudière d'un type différent, l'emplacement ou le schéma d'alimentation en gaz change, puis un nouveau projet est créé.
- Après avoir reçu une réponse, vous devez remettre un passeport de construction au service du gaz. Recueillir et soumettre les certificats d'inspection DVK, et si une chaudière importée est installée, un certificat de conformité.
Quels documents sont nécessaires lors du remplacement d'une chaudière à gaz
Avant de remplacer une chaudière à gaz, il est nécessaire de collecter de nombreux documents et d'obtenir des autorisations pour de tels travaux.
Vous aurez besoin des documents suivants :
- Si l'équipement provient de fabricants étrangers, vous devez fournir un certificat conforme à nos normes de sécurité ;
- Si la chaudière est à double circuit, il est nécessaire d'avoir un certificat sanitaire et hygiénique pour fournir de l'eau chaude pour les besoins domestiques. Habituellement, un tel document est fourni immédiatement avec la carte de garantie ;
- Document sur la vérification des conduits de ventilation et de fumée ;
- Contrat de garantie d'au moins 1 an, qui est conclu avec une société de services ;
- Un document avec les résultats de la connexion des équipements aux réseaux d'ingénierie.
- Agir sur les travaux cachés lors de l'installation d'une cheminée coaxiale à travers le mur;
- Projet avec modifications. La condition principale: la nouvelle chaudière doit être légalisée.
Vous devez rassembler tous les documents vous-même. Si vous n'avez pas une telle opportunité, vous pouvez contacter une entreprise d'installation spéciale. Mais dans ce cas, des coûts supplémentaires doivent être calculés.
Ai-je besoin d'un nouveau projet lors du remplacement d'une chaudière à gaz
Le projet précise le modèle, le type et la puissance de l'unité de chauffage. De plus, chaque chaudière a son propre numéro de série, indiqué dans la fiche technique et inclus dans la documentation du projet. Par conséquent, lors du remplacement, vous devrez créer un nouveau projet avec de nouvelles données.
Vous devez à nouveau suivre les étapes suivantes :
- Obtenir un devis pour le remplacement d'une chaudière à gaz. À ce stade, la société de distribution de gaz peut modifier la capacité de l'unité en fonction de la surface habitable réelle de la maison.
- Faire un nouveau projet.
- Obtenez l'approbation en soumettant un projet de distribution de gaz, les spécifications et les résultats de la vérification du conduit de cheminée.
- Remplacez l'ancienne unité par une nouvelle.
Lors du remplacement d'un vieux gaz chaudière pour une nouvelleles documents suivants sont requis :
- Le passeport.
- Documents du propriétaire du logement.
- Passeport technique pour les équipements à gaz.
- Caractéristiques.
Les prix standard pour le remplacement des équipements à gaz déjà installés sont de 1 000 à 1 500 roubles, selon la région.
Caractéristiques du remplacement d'une chaudière de même puissance
Si la consommation de gaz par heure de la nouvelle chaudière est similaire à la consommation de gaz de l'ancienne, cela simplifie grandement la tâche. Étant donné que tout ce qui est nécessaire de la part du propriétaire est de soumettre une notification de remplacement à Gorgaz.
Et à cela devrait être attaché:
- Certificat de raccordement chaudière.
- L'acte d'inspection de la ventilation, de la cheminée.
- Contrat d'au moins un an de maintenance des équipements gaz.
Après examen, la demande est autorisée. Après cela, l'équipement est remplacé, testé et son fonctionnement commence. Ainsi, le RF GD n° 1203 p.61(1) permet de fonctionner.
Est-il possible de remplacer une chaudière à gaz par une électrique
Le remplacement est tout à fait possible, mais pour cela, vous devrez obtenir l'autorisation d'un autre organisme impliqué dans l'alimentation électrique. Les documents ne sont nécessaires que si la chaudière électrique a une puissance supérieure à 8 kW. Jusqu'à cette limite de performance, l'unité appartient aux chauffe-eau domestiques ordinaires par le type de chaudière, par conséquent, elle est installée sans permis ni approbation.
Pour les chaudières électriques productives, une ligne d'alimentation électrique séparée sera nécessaire. Vous devrez faire un projet et obtenir la permission d'augmenter la quantité d'électricité produite.Séparément, il est nécessaire d'écrire une déclaration sur la déconnexion de la chaudière à gaz du réseau.
Remplacement d'une chaudière à gaz en 2019 : règles, documents, amende

Besoin de remplacer votre chaudière gaz ? Cette décision est prise pour diverses raisons, mais si vous envisagez de faire les travaux vous-même, notre article vous aidera. Nous vous indiquerons quelles normes respecter, quels documents rassembler pour le remplacement efficace des anciens équipements de chauffage.
Ce que vous devez remplacer en 2018
Si vous envisagez d'installer une nouvelle chaudière dans une autre pièce, tenez compte des exigences suivantes :
- L'installation n'est autorisée que dans des locaux non résidentiels avec une porte.
- Pour l'installation d'équipements avec une chambre de combustion ouverte, il est nécessaire d'avoir une fenêtre avec une fenêtre et une surface de pièce de 8 m² ou plus. Pour les appareils fermés, les exigences ne concernent que le volume - à partir de 9 m².
Comment organiser l'installation et collecter les documents :
- Écrivez une demande au service de gaz pour un permis.
- Obtenez une liste de spécifications. S'il s'avère que seul l'équipement change, alors le projet reste le même. Si le site d'installation change, le schéma de communication change, puis un nouveau projet est en cours de développement. Pour ce faire, vous devez contacter une entreprise disposant d'une licence.
- Prenez un passeport de construction de la société de remplacement. Avec lui, un acte sur l'état des conduits de cheminée, un acte sur la conformité des équipements aux normes, contactez l'inspection gaz.
- Démontage, installation, mise en service.
Vous pouvez faire vous-même la collecte de la documentation ou donner une commande à un service spécial.
L'installation non autorisée d'équipements dans une maison ou un appartement privé est-elle autorisée ?
L'installation à faire soi-même n'est pas interdite par les documents. Seul le raccordement non autorisé au réseau de gaz n'est pas autorisé.Le reste du travail que l'utilisateur peut effectuer avec les compétences.
Lors de la connexion de gaz sans autorisation, vous encourez une amende de 10 000 à 15 000 roubles (en vertu de l'article 7.19 du Code des infractions administratives de la Fédération de Russie). Cela n'effraie pas beaucoup de consommateurs : ils procèdent à une installation sans autorisation, puis paient une amende. Mais vous devez comprendre que vous mettez en danger non seulement vous-même, mais aussi vos voisins.
Quelles mesures doivent être prises lors du remplacement:
- Pour l'organisation des chaudières à condensation, une connexion au réseau est requise, la connexion d'un système d'évacuation des condensats selon les règles.
- Avant d'allumer, vous devrez vous mettre d'accord sur l'état de la cheminée. L'inspection est effectuée par un spécialiste du service de gaz. Après cela, un tel audit sera effectué une fois par an.
- Vous n'obtiendrez pas de garantie si vous le faites vous-même.
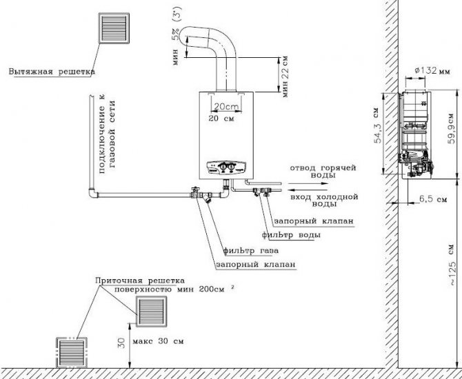
Démontage et installation d'équipements muraux et de sol
Avant de démonter l'appareil, rincez le système de chauffage afin que la saleté accumulée ne bloque pas le fonctionnement du nouvel appareil.
Alors:
- Vidanger l'eau de la chaudière.
- Débranchez l'appareil du gaz, du chauffage et de l'eau.
- Débrancher le conduit de fumée de la sortie de gaine ou de la ventilation.
- Retirez le boîtier du mur ou démontez-le du sol et rangez-le.
Comment remplacer l'appareil par un plus puissant :
- Avec un équipement mural ("Bosch", "Ariston"), faites des marquages sur le mur. Fixez la planche. Accrochez ensuite la structure sur les supports ou les ancres. Vérifiez l'emplacement avec un niveau - le boîtier doit être situé strictement horizontalement. Une base solide est en cours de préparation pour l'unité extérieure Baksi.
- Gardez une distance de 30 à 50 cm du mur Si le mur est en matériau combustible, isolez-le avec une feuille d'amiante.
- Les communications par eau sont reliées par un filtre à mailles qui retient les petites particules de débris de l'approvisionnement en eau.De plus, vous pouvez installer un filtre de purification d'eau contre les impuretés, afin de réduire le risque de dépôts de tartre. Des robinets sont montés des deux côtés du filtre. Ainsi, vous pouvez nettoyer la pièce sans vider l'eau.
- Le raccordement au gazoduc est en cours. En même temps, l'accès aux vannes d'arrêt doit être libre.
- S'il s'agit d'un appareil turbocompressé, connectez-le à un réseau de 220 volts avec mise à la terre. Attention à la polarité. Il est recommandé d'installer un stabilisateur de tension.
- Pour un type fermé, la procédure de création d'une cheminée est la suivante: une cheminée coaxiale est connectée au nouveau tuyau de dérivation du produit, l'autre extrémité est conduite dans un trou dans le mur, un conduit de ventilation. C'est le même principe d'organisation d'une cheminée conventionnelle. Dans ce cas, des tuyaux en acier sont utilisés.
- Remplir le système d'eau. Tout d'abord, allumez le courant à travers le circuit de chauffage, puis ouvrez la vanne de la chaudière elle-même. Surveillez la pression, la norme est de 0,8 à 1,8 bar.
- Vérifier l'étanchéité des connexions.
- Le lancement doit être effectué par un employé de l'entreprise. Après cela, l'équipement est mis en service.
Effectuez les travaux par vous-même ou faites appel à des spécialistes - c'est à vous de décider. Même en cas d'installation non autorisée, vous devrez mettre en service et tester l'appareil.
Regardez une vidéo utile sur le sujet :
L'article vous a-t-il aidé ?
Pas vraiment
Raisons du remplacement

La réduction de ces paramètres, ainsi qu'un certain nombre d'autres points, nécessitent le renouvellement des équipements de la chaudière.
Les raisons d'installer de nouvelles chaudières pour remplacer les anciennes unités sont les circonstances suivantes :
- Performances insuffisantes.Une augmentation de la surface chauffée due à des extensions de la maison ou au raccordement de nouveaux appareils au circuit d'eau qui chauffent les combles, la terrasse couverte ou le sous-sol.
- Le besoin de fonctionnalités supplémentaires. Le confort et la convivialité d'un ménage privé sont déterminés en grande partie par la présence d'un circuit d'eau chaude. La possibilité de combiner un appareil de chauffage à eau et une chaudière de chauffage dans un seul appareil est fournie par les modèles à gaz à double circuit.
- Problèmes d'utilisation rationnelle du carburant bleu. Les chaudières atmosphériques et les appareils à extraction forcée des fumées (avec chambre de combustion fermée) sont remplacés par la technologie de chauffage à condensation. Lors du calcul de la productivité des équipements de nouvelle génération utilisant d'anciens modèles, l'efficacité dépasse 110%.
- Dépose de l'ancienne chaudière. Le coût de maintenance et de réparation d'une installation exploitée pendant des années est déraisonnablement élevé, un remplacement rapide permettra d'économiser de l'argent.
Exigences pour une pièce pour l'installation d'une chaudière à gaz dans une maison privée
Conformément aux normes SNiP 42-01 et MDS 41.2-2000, la pièce dans laquelle la chaudière à gaz est installée doit respecter les paramètres minimaux suivants :
- la superficie des locaux est supérieure à 4 mètres carrés ;
- hauteur sous plafond - au moins 2,5 m;
- volume de la pièce - au moins 15 m3 (lorsqu'il est placé dans la cuisine, il existe des différences décrites ci-dessous);
- la présence d'une porte d'une largeur d'au moins 800 mm, selon la sécurité incendie, la porte doit s'ouvrir vers l'extérieur;
- la présence d'un espace d'au moins 20 mm sous la porte;
- la présence de lumière naturelle (à travers une fenêtre) à raison de 0,03 m2 de surface vitrée pour 1 m3 de volume de pièce (par exemple, pour une pièce d'un volume de 15 m3, la surface vitrée est de 0,03 * 15 = 0,45 m2 );
- la présence d'une ventilation dans la chaufferie basée sur le calcul - évacuation à raison de 3 échanges d'air par heure, entrée d'air - volume d'évacuation + air nécessaire à la combustion du gaz (si la chaudière a une chambre de combustion ouverte. S'il y a une chambre fermée chambre de combustion, l'air comburant n'est pas prélevé dans la pièce, et par une cheminée coaxiale) ;
- les murs séparant le local des voisins doivent avoir un degré de résistance au feu d'au moins 0,75 heure (REI 45) ou être recouverts d'une structure de même degré de résistance au feu, la limite de propagation du feu doit être égale à zéro (matériaux incombustibles) ;
- le sol de la pièce est plat horizontalement, en matériau incombustible.
Normes actuelles pour l'installation d'une chaudière dans la cuisine
Selon MDS 41.2-2000, il est permis d'installer des chaudières d'une puissance allant jusqu'à 60 kW dans la cuisine. Les travailleurs du service de gaz peuvent souvent se référer à d'autres réglementations qui indiquent une puissance maximale autorisée de 35 kW, par conséquent, avant d'installer une chaudière d'une capacité de 35÷60 kW, consultez le service de gaz local. Seule la puissance des appareils de chauffage est prise en compte, les autres appareils à gaz ne sont pas pris en compte.
Sinon, en plus des exigences ci-dessus pour une pièce séparée, il existe certaines différences lorsqu'elles sont placées dans la cuisine :
- le volume minimum de la pièce est d'au moins 15 m3 + 0,2 m3 pour chaque 1 kW de puissance de la chaudière (par exemple, lors de l'installation d'une chaudière d'une capacité de 24 kW, le volume de la pièce est de 15 + 0,2 * 24 = 19,8 m3 );
- la fenêtre doit être ouvrante ou munie d'une fenêtre;
- la présence d'un espace nécessaire à la circulation de l'air dans la partie inférieure de la porte avec une section d'au moins 0,025 m2 (Section = Largeur * Hauteur).
Bonne organisation d'une extension pour une chaufferie
S'il est impossible d'attribuer une pièce séparée à la chaufferie et que vous ne souhaitez pas installer la chaudière dans la cuisine, la chaufferie est simplement fixée au mur extérieur de la maison. De plus, les extensions sont pertinentes dans les maisons en bois, lorsque, après avoir doté les murs d'une structure réfractaire, les dimensions de la pièce ne répondront pas aux normes minimales. Les mêmes exigences s'appliquent à l'extension que pour les chaufferies standard, mais avec quelques ajouts :
- l'extension doit être officiellement enregistrée ; sans enregistrement, le service de gaz ne permettra tout simplement pas la connexion ;
- la chaufferie est fixée à un mur aveugle, à une distance d'au moins 1 mètre des fenêtres et portes les plus proches ;
- les murs d'extension ne doivent pas être reliés au mur de la maison;
- les murs de l'extension et le mur de la maison elle-même doivent respecter une limite de résistance au feu d'au moins 0,75 heure (REI 45).






























