- Le but de l'unité de rotation d'un climatiseur de toute capacité
- Facteurs de sélection et fonctionnalités supplémentaires
- Comment configurer
- Rotation, avec transmission de données via IR et canal radio
- Raccordement du module de rotation pour climatiseurs industriels
- 1 Quel est le but de l'unité de rotation des climatiseurs
- Objet et dispositif du bloc de rotation
- Indicateurs de température dans la salle des serveurs
- Systèmes de réservation pour les climatiseurs
- Caractéristiques d'installation sur l'exemple de BURR-1
- Le principe de fonctionnement de l'unité de rotation
- Spécifications du module de rotation pour climatiseur
- Objectif et caractéristiques fonctionnelles
- Rotation avec transmission de données via IR et canal radio
- Conclusions et vidéo utile sur le sujet
Le but de l'unité de rotation d'un climatiseur de toute capacité
Le maintien de la température dans une salle avec un ou plusieurs serveurs est la tâche initiale. Le fonctionnement continu des équipements est assuré par des climatiseurs avec un système de secours dont le rôle est assuré par une unité de rotation. Le principe de fonctionnement d'un simple appareil supplémentaire est assez simple. Le module définit les intervalles de temps pendant lesquels le climatiseur doit refroidir toute la pièce. Les capteurs intégrés enregistrent les changements minimes et, si nécessaire, corrigent le régime de température. L'utilisation d'un bloc de rotation élimine l'intervention humaine.Le système fonctionne hors ligne et seules les vérifications (diagnostics) du module sont effectuées à l'aide de l'assistant.
Le système de rotation du climatiseur régule le niveau de tension fourni au refroidisseur. Les capteurs directement impliqués dans le fonctionnement de l'équipement de refroidissement (salle spéciale) sont localisés selon un principe stratégique. Une partie sensible aux changements de température est installée directement dans la pièce, les deux autres capteurs sont montés à l'intérieur du module.
Avantages de l'unité rotative de climatiseur :
- l'utilisateur a le droit de modifier les régimes de température et de définir leur fréquence ;
- en cas de panne du climatiseur principal, le système bascule automatiquement sur le dispositif de secours ;
- installation de capteurs supplémentaires (réguler soigneusement la température, s'adapter au changement des facteurs environnementaux);
- arrêt d'urgence de l'équipement dans des situations d'urgence.
Pour le fonctionnement synchrone de plusieurs appareils climatiques, il n'est pas nécessaire d'utiliser des modules de rotation, mais des appareils simples simplifient la maintenance des équipements auxiliaires et permettent de prolonger leur durée de vie. La communication de l'ensemble de l'installation avec un point de sécurité ou des services d'urgence assure la sécurité non seulement des personnes travaillant à proximité du serveur, mais également des équipements coûteux.

Si le climatiseur principal tombe en panne, l'unité basculera le système sur un système de secours.
Facteurs de sélection et fonctionnalités supplémentaires
Il existe différents modèles et modifications d'unités de rotation et de redondance de climatiseurs sur le marché, qui diffèrent les uns des autres :
- par caractéristiques ;
- selon l'ensemble des fonctions ;
- selon la méthode d'installation;
- par type de gestion.
Le signal de commande peut être transmis non seulement via le canal infrarouge, comme avec BURR-1, mais également via des fils.L'ensemble complet diffère par le nombre de capteurs de température. eux-mêmes les capteurs peuvent fonctionner avec l'une ou l'autre erreur, dont dépend, dans une certaine mesure, la vitesse de fonctionnement de l'unité de rotation
Faites également attention à l'erreur de la minuterie. Ces données et d'autres doivent être indiquées dans la documentation jointe.
Lors du choix d'un matcher, les exigences du système de climatisation, sa composition et sa configuration sont prises en compte. Ainsi, pour les climatiseurs sans photodétecteurs, vous pouvez choisir des appareils avec une commande de type filaire. Un critère important est la fonctionnalité de l'appareil.
Aujourd'hui, vous pouvez acheter des blocs de rotation avec un large éventail de fonctions. En plus d'effectuer leurs tâches de base, ces appareils redémarrent automatiquement les climatiseurs qui ont été arrêtés en raison d'une panne de courant. Ils ne permettent pas d'éteindre les climatiseurs si une personne donne accidentellement une telle commande à partir de la télécommande.

L'un des blocs de redondance les plus simples pour deux climatiseurs, boutons pour l'enregistrement et les réglages à gauche, boutons pour passer aux modes de fonctionnement et de service à droite
Lorsque des boucles d'alarme sont connectées, des messages d'alarme sont transmis. Par exemple, un rapport d'incendie est envoyé si la température dans la salle des serveurs dépasse une certaine valeur (généralement à 69 °C). Le signal peut être envoyé aux pompiers, il est également possible d'alerter le personnel par SMS.
Les événements et les données des capteurs de température sont enregistrés dans des journaux non volatils. La possibilité de contrôle à distance via l'interface RS485 et Ethernet est prévue. Le protocole de communication industriel Modbus est pris en charge.
Après avoir pris connaissance de la description et des caractéristiques techniques de l'appareil, vous devez vous assurer de l'importance de sa fonctionnalité afin de faire un choix économiquement viable en connaissance de cause.
Il convient de garder à l'esprit que le refroidissement ininterrompu dépend non seulement de l'unité de secours, mais également des climatiseurs eux-mêmes. Dans les salles de serveurs, des systèmes divisés d'onduleurs de précision, de canaux et muraux sont utilisés. Cette dernière option est la plus demandée, car ces appareils sont beaucoup moins chers et prennent moins de place.

Les climatiseurs muraux fournissent un refroidissement adéquat pour les salles de serveurs et, contrairement aux modèles de précision, peuvent être utilisés dans de petites zones
Lors du choix d'un climatiseur mural, une attention particulière est portée à la capacité de refroidissement, qui doit correspondre à l'excès de chaleur à neutraliser. Le système de climatisation doit fonctionner dans la salle des serveurs, quelle que soit la période de l'année
Si la limite inférieure de la température de fonctionnement des climatiseurs est limitée à -10 C, des kits basse température sont également achetés
Le système de climatisation doit fonctionner dans la salle des serveurs, quelle que soit la période de l'année. Si la limite inférieure de la température de fonctionnement des climatiseurs est limitée à -10 C, des kits basse température sont également achetés.
Comment configurer
Sur la base des paramètres du module de contrôle de rotation définis par l'utilisateur, les climatiseurs sont allumés et éteints. Dans ce cas, une certaine séquence et des intervalles de temps spécifiés sont observés.
Pour entrer dans le menu des paramètres de l'unité de commande, appuyez sur "Entrée". Si les paramètres sont modifiés pendant le fonctionnement, au moment où ce bouton est enfoncé, l'unité peut transmettre des commandes en utilisant un protocole préalablement défini.Dans ce cas, il faudra patienter un peu tout en continuant d'appuyer sur "Entrée".
Les éléments du menu des paramètres sont combinés en plusieurs groupes, y compris l'enregistrement des unités d'exécution, les paramètres de temps et de température. Des informations sur le fonctionnement du système sont affichées sur l'écran de l'unité de commande. Il est présenté sous la forme de phrases et de symboles clairement formulés. Sur l'écran, vous pouvez voir le type de commande transmise et son état actuel, ce qui facilite la configuration et le fonctionnement ultérieur du BURR-1.
À l'aide du panneau de commande, chaque climatiseur se voit attribuer un numéro, son objectif est déterminé. Les climatiseurs sont regroupés en fonction de leur destination : réserve, participants à la rotation, etc.

Le panneau avant BURR-1 avec écran LCD et boutons de commande, en raison de sa taille compacte, prend peu de place dans l'armoire de distribution, grâce à une ergonomie réfléchie, il est pratique pour régler les paramètres
À l'aide du panneau de saisie de données, définissez les limites de température dans la salle des serveurs, la température de connexion, la température de déconnexion, le fonctionnement de l'alarme, ainsi que les paramètres de temps concernant la collaboration et la rotation.
Le mode de fonctionnement de l'unité d'exécution est déterminé par le changement de couleur et la fréquence de clignotement de la diode située au bas du boîtier. Par exemple, lorsque l'unité d'exécution est en mode normal et attend une commande de l'unité de contrôle, sa LED clignote lentement en vert.
Lorsqu'une telle commande est reçue, un voyant jaune s'allume pendant 1 à 2 secondes. L'exécution de la commande de mise sous tension s'accompagne d'un clignotement rapide de la couleur verte. En cas d'arrêt, la LED s'allume en rouge et clignote également rapidement.
Après avoir défini les paramètres et voulu quitter le menu, appuyez sur le bouton "ESC".Si vous n'appuyez pas sur les boutons pendant 4 minutes, c'est-à-dire complètement inactif, la sortie s'effectuera automatiquement.
Si aucun bouton n'est enfoncé parce qu'une commande est en cours d'enregistrement et qu'un signal IR est attendu, il n'y aura pas de déconnexion automatique
Veuillez noter que lorsque vous effectuez certaines opérations, appuyez sur "ESC" pour quitter le menu, dans lequel les modifications apportées aux paramètres ne seront pas enregistrées.

Quel que soit le modèle, le processus de configuration est intuitif, comme le montre la photo du coordinateur de climatiseur SRK-M3, indiquant les boutons de commande, les capteurs, les voyants de service et d'information.
Lorsque l'unité est en mode de réglage, la commande de rotation est suspendue, bien que toutes les minuteries fonctionnent, décomptant le temps de fonctionnement de chaque groupe de climatiseurs et le temps de rotation.
Le processus de mise en place du module de contrôle de rotation est décrit en détail dans les instructions qui y sont jointes.
Rotation, avec transmission de données via IR et canal radio
De nombreux chefs d'entreprise utilisent des climatiseurs domestiques pour maintenir la température requise dans les laboratoires et les salles de serveurs. Cela est dû au coût plutôt élevé des équipements spécialisés conçus pour refroidir l'air dans ces pièces. Pour économiser de l'énergie, augmenter la tolérance aux pannes des équipements de climatisation domestique, ainsi que pour assurer un fonctionnement ininterrompu du refroidissement, la redondance et la commutation alternée des climatiseurs basés sur les modules de rotation BURR et BIS sont souvent utilisées.
La base fonctionne dans un ensemble avec des modules exécutifs BIS installés un pour chaque appareil, qui peut être 15. La base BURR est équipée de son propre capteur de température, sur la base duquel l'équipement climatique est diagnostiqué. Le principe de son fonctionnement est de commuter l'alimentation électrique sur un certain groupe d'appareils de refroidissement.
Les commandes qui autorisent ou interdisent la fourniture d'électricité sont transmises du module de base aux modules exécutifs, via un canal radio. La portée entre les modules exécutifs peut être de 50 m et ils transmettent des commandes au climatiseur via un canal IR. La programmation des actions des émetteurs IR pour allumer ou éteindre certains appareils climatiques s'effectue sur le module de base. Avant le premier démarrage de la "base", à l'aide du panneau de saisie des données, les limites de température dans la pièce sont définies.
Un tel système permet de mettre en œuvre diverses options d'utilisation alternative de la technologie climatique, qui peuvent être constituées de deux ou trois groupes. Le dispositif de rotation du climatiseur, réalisé sur la base des modules BURR et BIS, permet de :
- Mise en service instantanée de l'équipement de climatisation de secours. En cas de panne du groupe principal ou de violation de son fonctionnement normal, une forte augmentation de la température dans la pièce se produit. C'est exactement ce à quoi le module de base réagit en donnant l'ordre de connecter la réserve.
- Connexion d'un groupe supplémentaire d'équipements climatiques, avec un manque de performance du principal.
- Commutation efficace de plusieurs groupes de climatiseurs pour produire la même ressource. La fréquence de commutation entre les groupes est définie par l'utilisateur.
L'utilisation des appareils BURR et BIS vous permet de couper automatiquement l'alimentation en tension des climatiseurs et de transmettre les commandes «Accident» ou «Incendie» au réseau général. Le principal avantage de l'utilisation de BURR et BIS est :
- Facilité d'installation, de configuration, qui fonctionne sans poser de lignes de communication à chaque appareil.
- Possibilité d'utilisation pour le refroidissement d'équipements climatiques, différentes puissances, performances et marques.
- Possibilité de monter le module de base BURR dans une pièce adjacente.
L'utilisation d'unités de rotation pour commuter les appareils de refroidissement à air en fonctionnement avec la technologie de climatisation de secours permet de prolonger considérablement leur durée de vie grâce à une mise en service et à un contrôle uniformes des indicateurs de température.
Raccordement du module de rotation pour climatiseurs industriels
Le dispositif pour climatiseurs rotatifs est équipé de blocs pour capteurs à l'avance. Pièces de petite taille, fixez la température dans la salle (en différents points de la salle des serveurs). Avec une augmentation des indicateurs réglés (humidité, température), tous les climatiseurs s'allument et ne cessent de fonctionner qu'après le retour du climat intérieur à la norme spécifiée. Dans des conditions familières, un climatiseur unique mais puissant est nécessaire pour refroidir une petite pièce, et le fonctionnement conjoint des appareils principal et de secours réduit la température dans la salle des serveurs en quelques minutes. De telles mesures sont de nature spontanée, car le fonctionnement constant de deux climatiseurs à la fois, bien qu'efficace, est coûteux en termes de quantité d'électricité consommée.
Très souvent, les propriétaires de bureaux ou de locaux industriels économisent sur des équipements coûteux et, au lieu de refroidisseurs spéciaux, la climatisation repose entièrement sur un simple appareil domestique. Les unités domestiques peuvent difficilement faire face à une charge excessive, un chauffage dangereux de l'unité externe et interne est donc inévitable. Il est possible de retarder l'inévitable panne si le propriétaire des lieux utilise des modules de rotation configurés pour des allumages fréquents des climatiseurs.
Le module de rotation d'usine standard est capable de contrôler quinze appareils de puissance moyenne à la fois. À l'intérieur de l'unité, un capteur de changement de température externe est obligatoirement installé. Le minuscule élément est responsable de la commutation de la charge sur un climatiseur approprié, quels que soient les paramètres du propriétaire de la pièce.

Le module standard gère 15 appareils
1 Quel est le but de l'unité de rotation des climatiseurs
Comme déjà noté dans la salle des serveurs, il est nécessaire d'installer des climatiseurs pour maintenir des conditions idéales. Mais, en même temps, une unité de ces dispositifs de refroidissement ne pourra pas créer une température constante appropriée dans cette pièce. Il doit toujours y avoir un équipement de secours en cas d'urgence.
Plusieurs split-systems fonctionneront à tour de rôle, contrôlés par le dispositif de rotation des climatiseurs. Cet appareil assurera la séquence de leur travail en allumant et en éteignant les climatiseurs dans le mode souhaité.
Le coordinateur des climatiseurs élimine le besoin de présence humaine à l'étape de contrôle. Un tel appareil pourra allumer et éteindre les climatiseurs au besoin à intervalles réguliers.Le mécanisme lui-même est fourni en modifiant les paramètres d'application de la tension. Ce principe de fonctionnement évite l'usure prématurée de l'équipement et répartit la charge uniformément.
Voyons à quoi est destiné le système de rotation des équipements climatiques.
- 1. La tension est commutée de l'appareil défaillant vers l'unité en réserve.
- 2. Une connexion alternée des deux modules de refroidissement maintiendra et maintiendra la température souhaitée dans la salle des serveurs.
- 3. S'il y a une panne de courant dans la zone, lorsqu'elle reprend, tous les groupes de climatiseurs seront redémarrés.
- 4. L'arrêt imprévu de cet équipement à l'aide de la télécommande ou la modification des modes de fonctionnement du climatiseur devient impossible.
- 5. Surveillé lorsque deux systèmes ou plus sont allumés par temps très chaud.
- 6. Si, en cas de température extérieure anormale, la norme dans la pièce augmente, l'alimentation supplémentaire doit être connectée en série. Cela devient possible grâce à des capteurs examinant le régime de température.
Grâce au dernier point, en cas de situation anormale, il est possible de réduire drastiquement l'augmentation de chaleur dans la salle des serveurs.
Quelle est la structure du matcher pour les climatiseurs? Les principaux éléments d'un tel système seront un microprocesseur programmable intégré et divers capteurs conçus pour collecter des informations.

Photo 1. Emplacement du coordonnateur pour le fonctionnement des climatiseurs dans la salle des serveurs.
Le capteur principal est associé à un changement de température ambiante et fonctionne dans la plage allant de cinquante degrés de gel à cent vingt degrés de chaleur. Le processus de connexion des climatiseurs est effectué via des adaptateurs spéciaux.Le mode est réglé par une minuterie. La fréquence des connexions est possible dans la plage d'une heure à dix jours.
Le mode de fonctionnement test implique l'utilisation simultanée de tous les systèmes connectés.
Les différences imposées par les constructeurs sont insignifiantes et portent principalement sur les modalités de raccordement des équipements climatiques.
Objet et dispositif du bloc de rotation
L'organisation du système de refroidissement en installant non seulement les climatiseurs principaux, mais également les climatiseurs de secours en soi ne sauve pas la situation.
Il est nécessaire de coordonner le fonctionnement de tous les appareils de manière à ce que, dans toutes les conditions, la température dans la pièce reste stable. À cette fin, des complexes spécialisés sont utilisés, souvent appelés simplement matchers.
Organisation du système de climatisation, y compris les climatiseurs principaux et de secours, une unité de contrôle, deux unités d'exécution et trois capteurs de température avec une connexion bus pour la notification d'incendie et d'urgence
Le complexe standard comprend une unité de contrôle et des unités d'exécution. Ensemble, ils remplissent les fonctions de base suivantes :
- le contrôle du fonctionnement du système ;
- changer les climatiseurs en cas de panne;
- assurer un fonctionnement séquentiel ;
- même répartition des heures de travail.
Un système de climatisation de salle de serveurs fiable se compose d'au moins deux climatiseurs : le principal et celui de réserve. Chacun d'eux, selon ses caractéristiques techniques, doit pouvoir maintenir les conditions de température nécessaires dans la salle des serveurs.
En cas de panne d'un climatiseur, l'unité de rotation allume rapidement la deuxième unité en état de marche. Lors de l'exécution de cette fonction, des capteurs thermiques sont activés qui mesurent la température et réagissent à sa moindre augmentation. La fonction de sauvegarde aide non seulement dans les situations d'urgence, mais aussi, par exemple, lors de l'entretien et de la réparation programmés des climatiseurs.
Une des options pour organiser un système de refroidissement dans une salle de serveurs avec une unité de secours et une alimentation de climatisation à partir d'une machine séparée
La mise en place de cette solution permet de changer les filtres, de recharger les climatiseurs en fluide frigorigène, d'effectuer des opérations plus complexes à tout moment opportun, tout en continuant à maintenir un microclimat optimal dans la salle des serveurs.
Le bloc de rotation assure également le fonctionnement alternatif des climatiseurs et des systèmes split, et par conséquent, la durée totale de leur fonctionnement est approximativement la même. En conséquence, la période de révision et la durée de vie de l'équipement de refroidissement sont prolongées.
Indicateurs de température dans la salle des serveurs
Les unités de rotation ont été introduites dans les systèmes de climatisation de nombreux laboratoires, centres de données, ateliers de production dans les industries de haute technologie. C'est un élément essentiel de l'équipement des salles de serveurs, qui sont disponibles dans presque toutes les organisations sérieuses.
À l'ère des technologies de l'information, même nouvelles, les entreprises en développement ont tendance à utiliser leur propre équipement serveur pour traiter, stocker et échanger des données avec des partenaires et des clients.

Des exigences strictes sont imposées au régime de température dans la salle des serveurs, dont le respect n'est possible que s'il y a deux climatiseurs ou plus
Une salle technologique distincte, dite salle des serveurs, est réservée aux équipements serveurs, où il est nécessaire de maintenir les conditions de fonctionnement spécifiées dans la documentation technique du fabricant. En particulier, l'un des paramètres les plus importants est la température de l'air.
L'American Society of Heating, Refrigeration and Air Conditioning Engineers (ASHRAE) recommande que les salles de serveurs soient maintenues entre 18°C et 27°C. La plupart des entreprises spécialisées, par exemple, fournissant des services d'hébergement, ne permettent pas à la température de l'air de dépasser 24 °C.

Une augmentation de la température, même pour une courte période, peut entraîner une panne dans le fonctionnement de l'équipement serveur, et pour éliminer l'accident, il sera nécessaire de remplacer des composants coûteux
Ces limites de température strictes sont dues aux caractéristiques opérationnelles des ordinateurs serveurs. La surchauffe locale de certains appareils faisant partie du serveur entraîne leur panne
En conséquence, tout se résume à la perte d'informations importantes, à des perturbations dans les processus de production, commerciaux, logistiques et, par conséquent, à la perte de réputation et de profit.
Un serveur moderne est équipé d'un système de dissipation thermique interne. Tous les composants internes qui génèrent de la chaleur pendant leur fonctionnement sont refroidis. Mais il est impossible d'éviter complètement le transfert de chaleur dû aux fuites dans le boîtier. Malgré les dissipateurs thermiques et même le refroidissement liquide, la température à l'intérieur du boîtier sera proche de la température ambiante.
Les composants suivants sont les plus sensibles aux conditions climatiques de fonctionnement :
- CPU;
- disque dur ;
- RAM.
À mesure que la température augmente, les matériaux utilisés pour fabriquer les composants du disque dur se dilatent. Cela conduit à la défaillance des disques magnétiques, des têtes, des systèmes de positionnement
Les problèmes de disque dur entraînent la perte d'informations importantes

Pour le refroidissement local des processeurs de serveur et de la RAM, des radiateurs métalliques sont utilisés, mais avec une augmentation significative de la température ambiante, ils ne sont pas en mesure de fournir une protection contre la surchauffe
Les serveurs modernes sont équipés de dispositifs de mémoire à accès aléatoire équipés de leur propre système de refroidissement passif (radiateurs). Mais la situation ne change pas à partir de là. Les dissipateurs thermiques ne peuvent économiser de la RAM qu'avec une très courte et légère augmentation de la température. Mais avec un échauffement plus fort de l'air, ils sont inefficaces.
Le système de protection du processeur se déclenche automatiquement en cas de surchauffe, ce qui entraîne l'arrêt du serveur et l'impossibilité de son fonctionnement normal et ininterrompu. Ne tolère pas les températures élevées et les nombreux micropuces, notamment sur les ponts sud et nord.
Vous ne devez pas vous attendre à ce que si la température extérieure (rue) se situe dans une plage acceptable, vous puissiez refuser de refroidir l'air dans la salle des serveurs. Il est nécessaire de prendre en compte tous les indicateurs de dégagement de chaleur et d'apports de chaleur. Ainsi, la puissance thermique des serveurs représente 80 à 90 % de la puissance électrique consommée et dépasse souvent 1 kW.
Ainsi, l'utilisation d'équipements coûteux et importants pour résoudre les problèmes commerciaux, sensibles à l'élévation et aux fluctuations de température, nécessite une climatisation correctement organisée, dans laquelle chaque système divisé doit fonctionner sans heurts.
Systèmes de réservation pour les climatiseurs
Il est possible de mettre en œuvre divers schémas de redondance, qui sont classiquement désignés par N + 1 et 2N, où N est le nombre de climatiseurs remplissant une fonction similaire dans le système (de l'anglais "Need" - "Necessity").
Le schéma le plus simple, qui implique l'utilisation d'un seul climatiseur de secours, est N + 1. Si le système de rotation n'est pas configuré, le climatiseur de secours n'est activé qu'en cas d'urgence et prend en charge l'intégralité de la charge.
Il peut y avoir plusieurs climatiseurs principaux en fonctionnement dans le système et chacun d'eux dispose d'un climatiseur de secours, qui est noté 2N et signifie 100% redondant. Il est clair que plus il y a de climatiseurs de secours, plus la tolérance aux pannes du système est élevée.
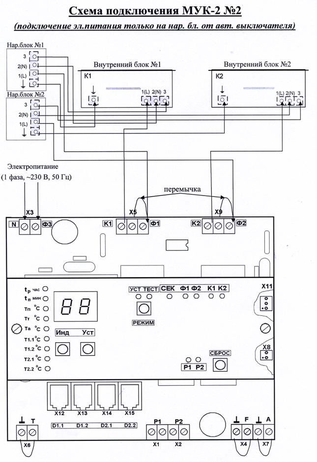
Caractéristiques d'installation sur l'exemple de BURR-1
Nous allons montrer comment l'installation est effectuée avec un exemple spécifique. En Russie, les unités de contrôle de rotation et de redondance BURR-1 sont largement utilisées, en collaboration avec les unités exécutives spécialisées BIS-1. Le nombre d'unités d'exécution peut varier en fonction du nombre total de climatiseurs dans le système.
Schéma de connexion BURR-1 et BIS-1 avec transmission de signal infrarouge, avec possibilité de coordonner le fonctionnement de 15 climatiseurs
En plus de l'appareil lui-même, le package BURR-1 comprend un capteur de température. Les unités d'exécution sont achetées pour chaque climatiseur. Équipé d'une sonde IR et d'un joint autocollant double face pour sa fixation. Le thermostat est vendu séparément.
Notez que l'ensemble complet de matchers dépend du fabricant et comprend souvent l'ensemble des capteurs de température et des accessoires auxiliaires.
Avant de commencer les travaux d'installation, l'équipement est mis hors tension, d'autres exigences de sécurité sont respectées.
BURR-1 a un boîtier en plastique, pratique pour l'installation sur un profilé métallique spécial - un rail DIN, qui est placé sur le panneau électrique, à côté des disjoncteurs. Un rail DIN de 3,5 cm convient à cet effet.
BIS-1 s'installe au-dessus du climatiseur ou directement sur le corps du climatiseur avec fixation sur un joint double face autocollant. Un capteur de température est fixé dans la zone d'entrée des stores de guidage. C'est ici qu'il pourra capter le flux d'air froid et déterminer que le climatiseur est en état de marche.
Le système nécessite également un capteur de température à distance commun, qui est installé dans un support mural dans la salle des serveurs à égale distance des climatiseurs. Ce capteur ne doit pas être soumis à des influences thermiques externes, par exemple provenant de radiateurs de chauffage.
S'il est possible d'organiser le câblage électrique, l'unité de contrôle BURR-1 peut être installée à l'extérieur de la salle de contrôle, par exemple, sur un mur ou même dans une pièce adjacente.

Un passeport et des instructions détaillées sont joints à BURR-1, où des recommandations d'installation sont données et des schémas sont donnés, l'un des avantages du modèle est la connexion d'un capteur de température et d'une alimentation sans respecter la polarité
La sonde émettrice est installée de manière à «regarder» dans le photodétecteur du climatiseur à une distance maximale de 10 cm à un angle de déviation acceptable de 45 à 60 degrés.
La portée de transmission d'un signal radio stable est de 50 mètres. C'est-à-dire qu'il s'agit de la distance maximale entre les unités principales et exécutives. Il est souhaitable de le réduire afin de réduire le niveau d'interférence provenant d'équipements tiers.
Les fonctionnalités d'installation suivantes doivent être mises en évidence :
- manque de lignes câblées ;
- la possibilité d'étendre le système;
- mise en place de différents plans sociaux.
Lors de la connexion d'une unité de rotation de climatiseur, vous n'avez pas besoin de faire passer un câble pour transmettre les signaux de commande, ce qui, entre autres, économise de l'espace dans la salle des serveurs. La composition du système de climatisation est variable.
Il peut inclure un nombre différent de climatiseurs qui diffèrent par leur puissance. En développant et en augmentant l'équipement de la salle des serveurs, l'entreprise peut, si nécessaire, inclure de nouveaux climatiseurs dans le système (jusqu'à 15 appareils au total).
Le principe de fonctionnement de l'unité de rotation
Lors du travail avec BURR-1, les commandes sont transmises via des signaux radio à une fréquence de 433 MHz aux unités exécutives, qui allument et éteignent les climatiseurs à l'aide d'émetteurs infrarouges, conformément aux paramètres. Les climatiseurs doivent être équipés de photodétecteurs. Cette exigence est satisfaite par la plupart des modèles modernes, y compris les modèles domestiques.
Les capteurs thermiques sont surveillés en permanence. En comparant les données reçues, l'état de chaque climatiseur est déterminé. Si le climatiseur est allumé et que le capteur installé sur ses stores indique que le changement de température à la sortie est inférieur à 2 C, la puissance de réserve est activée et une alarme est déclenchée.
Spécifications du module de rotation pour climatiseur
À l'aide d'un signal radio du module de base, un signal est envoyé à l'appareil (unité de rotation) pour qu'il cesse de fonctionner. De telles commandes agissent contrairement aux paramètres initiaux de l'ensemble du système.La portée du signal atteint cinquante mètres, ce qui est pratique pour le contrôle à distance du système de refroidissement du serveur. Le principal avantage du module de rotation est son multitâche, car plusieurs gros climatiseurs difficiles à utiliser sont connectés à une seule unité à la fois. Le lancement des dispositifs de sauvegarde, si un tel besoin se fait sentir, se produit instantanément, sans accrocs ni retards (ils peuvent coûter cher au propriétaire du précieux local technique).
Le module de rotation est un appareil universel qui peut masquer les lacunes de la technologie climatique. Dans des conditions de mauvais fonctionnement du climatiseur, en utilisant l'unité, la commutation de mode est régulée.
Pour les climatiseurs installés dans des pièces où le flux de données entrantes doit créer une salle de serveurs séparée, la répartition de la charge est la tâche initiale. A quoi sert le module de rotation ? Un appareil avec des réglages simples et un certain principe de fonctionnement garantit le bon fonctionnement des refroidisseurs à tout changement de température. En saison chaude ou froide, les modules équilibreront le climat à l'intérieur du local technique - la salle des serveurs.
La source
Objectif et caractéristiques fonctionnelles
La fonction principale du module de rotation est d'alterner le fonctionnement des climatiseurs dans un intervalle de temps donné en régulant la tension d'alimentation de tous les dispositifs de refroidissement. Pour ce faire, le module d'alternance utilise trois capteurs de température, dont l'un diagnostique la température ambiante, et les autres sont installés à proximité des capteurs standard des unités intérieures. Le module de rotation vous permet de :
- Commutation alternative de la technologie climatique, dont la fréquence est définie par l'utilisateur.
- Passer d'un climatiseur défectueux à un secours. Dans ce cas, un code défaut est transmis au réseau local de notification de l'entreprise.
- La possibilité de contrôler la température dans la salle des serveurs, grâce à son propre capteur, et en cas d'augmentation, la connexion d'équipements climatiques supplémentaires.
- Arrêt de tous les équipements de refroidissement en cas de situation imprévue ou d'urgence, avec émission d'un signal "Urgence" au réseau externe.
Il convient de tenir compte du fait que les blocs de rotation URK-2 et URK-2T sont les dispositifs les plus simples pour alterner deux groupes d'équipements climatiques domestiques, des climatiseurs semi-industriels ou des blocs évaporatifs de multisystèmes. L'utilisation de tels modules permet d'intégrer le système de refroidissement à un système d'alarme antivol ou incendie, ce qui permet de réagir rapidement en cas d'effraction et d'incendie dans une pièce dotée d'équipements coûteux.
Rotation avec transmission de données via IR et canal radio
Le système de rotation et de redondance, utilisant le canal infrarouge pour la transmission des données, se compose de plusieurs parties :
- Unité de contrôle de rotation BURR ;
- Unité exécutive de rotation du BRI.
Le canal infrarouge pour la transmission de données n'a pas besoin d'une connexion filaire. Les commandes du module de base sont transmises par radio aux unités d'exécution, qui sont installées une par une sur le climatiseur. Le complexe peut regrouper jusqu'à 15 systèmes split, répartis en 2 ou 3 groupes. Il est possible de combiner différentes options de rotation. Le groupe de travail est configuré via le module de base.
Caractéristiques distinctives de la rotation par IR :
- Large choix de paramètres de refroidissement grâce à l'utilisation de 15 systèmes split. Des climatiseurs de différentes marques et capacités sont connectés au complexe.Il n'est pas nécessaire d'équiper l'équipement de la fonction "Redémarrage".
- L'appareil sans fil vous permet d'économiser du temps et de l'argent pour la pose des communications.
- Haute fiabilité du système, qui n'a pas de dispositifs de commutation dans la conception. L'épuisement des contacts est exclu.
- Installation facile, possibilité de placer la base dans une pièce adjacente.
Conclusions et vidéo utile sur le sujet
L'expérience d'installation de l'unité intérieure "cassette" dans ces deux vidéos :
Deuxième partie du guide :
Comment connecter les canalisations et l'alimentation à un climatiseur à cassette, vous apprendrez de ce matériel vidéo:
En règle générale, l'installation des climatiseurs à cassette est effectuée par des maîtres du service après-vente. Cela est dû à la fois à la complexité de la fixation, à l'organisation des communications aériennes et à la nécessité de travaux d'ajustement. Ces derniers nécessitent une certaine expérience, car il existe de nombreux nœuds dans la conception de l'équipement, incl. électronique et automatisme.
Racontez-nous comment vous avez installé un climatiseur à cassette dans votre bureau ou votre maison de campagne. Il est possible que vos recommandations soient très utiles aux visiteurs du site. Écrivez des commentaires, s'il vous plaît, dans le formulaire ci-dessous, posez des questions et publiez des photos sur le sujet de l'article.
































