- Schéma de câblage basé sur LM2940CT-12.0
- Ce dont vous avez besoin pour vous connecter
- Réglage du stabilisateur d'image inertiel pour la caméra
- Alimentation réglable DIY
- Le principe de fonctionnement et le test fait maison
- Indicateur d'alimentation
- Dispositifs électromécaniques (servo)
- Comment utiliser le stabilisateur inertiel
- technologie onduleur
- Photo d'alimentation bricolage
- Configuration étape par étape
- Types de stabilisateurs de tension
- Stabilisateurs automatiques "Ligao 220 V"
- Subtilités de réglage
- Variétés de stabilisateurs 12V
- Stabilisateur classique
- stabilisateur intégral
- ↑ Programme
- Modèles CA
- Caractéristiques de l'assemblage du dispositif d'égalisation de tension
- Quel régulateur de tension est le meilleur : relais ou triac ?
- Stabilisateurs d'onduleur
Schéma de câblage basé sur LM2940CT-12.0
Le corps du stabilisateur peut être fabriqué à partir de presque tous les matériaux sauf le bois. Lorsque vous utilisez plus de dix LED, il est recommandé de fixer un dissipateur thermique en aluminium au stabilisateur.
Peut-être que quelqu'un l'a essayé et dira que vous pouvez facilement vous passer de problèmes inutiles en connectant directement les LED. Mais dans ce cas, ces derniers seront la plupart du temps dans des conditions défavorables, ils ne dureront donc pas longtemps ou même s'éteindront.Mais le réglage de voitures chères entraîne une somme assez importante.
Et à propos des schémas décrits, leur principal avantage est la simplicité. Il ne nécessite pas de compétences et d'aptitudes particulières pour être fabriqué. Cependant, si le circuit est trop compliqué, il devient alors irrationnel de l'assembler de vos propres mains.
Ce dont vous avez besoin pour vous connecter
En plus du stabilisateur lui-même, vous aurez besoin d'un certain nombre de matériaux supplémentaires :
câble tripolaire VVGnG-Ls
La section transversale du fil doit être exactement la même que sur votre câble d'entrée, qui arrive au commutateur ou à la machine d'entrée principale. Puisque toute la charge de la maison passera par là.
interrupteur à trois positions
Ce commutateur, contrairement aux simples, a trois états :
123
Vous pouvez également utiliser une machine modulaire conventionnelle, mais avec un tel schéma, si vous devez vous déconnecter du stabilisateur, vous devrez à chaque fois mettre complètement hors tension toute la maison et changer les fils.
Bien sûr, il existe un mode de contournement ou de transit, mais pour y basculer, vous devez suivre une séquence stricte. Plus d'informations à ce sujet seront discutées ci-dessous.

Avec cet interrupteur, vous éteignez complètement l'appareil en un seul mouvement, et la maison reste directement éclairée.
Fil PUGV de différentes couleurs
Vous devez clairement comprendre que le régulateur de tension est installé strictement avant le compteur électrique, et non après celui-ci.
Aucune organisation d'approvisionnement en énergie ne vous permettra de vous connecter différemment, quelle que soit la manière dont vous prouverez qu'en le faisant, en plus de l'équipement électrique de la maison, vous souhaitez protéger le compteur lui-même.

Le stabilisateur a son propre ralenti et consomme également de l'électricité, même lorsqu'il fonctionne sans charge (jusqu'à 30 W / h et plus). Et cette énergie doit être prise en compte et calculée.
Le deuxième point important est qu'il est hautement souhaitable que dans le circuit avant la connexion du dispositif de stabilisation, il y ait soit un RCD, soit un différentiel automatique.

Ceci est recommandé par tous les fabricants de marques populaires Resanta, Sven, Leader, Shtil, etc.
Cela peut être une machine différentielle d'introduction pour toute la maison, peu importe. L'essentiel est que l'équipement lui-même soit protégé contre les fuites de courant.

Une panne des enroulements du transformateur sur le boîtier n'est pas si rare.
Réglage du stabilisateur d'image inertiel pour la caméra

Si vous utilisez des poids dont la position du centre de gravité ne peut pas être modifiée (comme sur la photo), vous pouvez alors régler l'horizon en tournant la barre verticale d'un petit angle dans son point d'attache. Avant le réglage, l'une des vis est desserrée et la seconde n'est pas complètement serrée. Après cela, la barre est réglée dans la position souhaitée et les deux vis sont serrées.

Si la caméra n'a pas d'indicateur de niveau électronique, un niveau à bulle externe peut être utilisé pour régler la position horizontale de la caméra.

Si vous refusez d'installer une plate-forme à dégagement rapide et utilisez une vis photo standard, un tel stabilisateur peut être fabriqué en quelques heures.

Et voici une idée de la façon dont vous pouvez soulever la vis photo du flash au-dessus de la barre horizontale. Il y a longtemps utilisé cette solution ici>>>
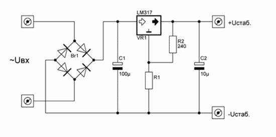
Alimentation réglable DIY
Une alimentation est une chose nécessaire pour chaque radioamateur, car pour alimenter des produits électroniques faits maison, vous avez besoin d'une alimentation réglable avec une tension de sortie stabilisée de 1,2 à 30 volts et un courant allant jusqu'à 10A, ainsi qu'un court-circuit intégré protection. Le circuit représenté sur cette figure est construit à partir du nombre minimum de pièces disponibles et peu coûteuses.
Schéma d'une alimentation réglable sur le stabilisateur LM317 avec protection contre les courts-circuits
Le LM317 est un régulateur de tension réglable avec protection intégrée contre les courts-circuits. Le régulateur de tension LM317 est conçu pour un courant ne dépassant pas 1,5A, donc un puissant transistor MJE13009 est ajouté au circuit, capable de faire passer un courant très important jusqu'à 10A, selon la fiche technique, un maximum de 12A. Lorsque le bouton de la résistance variable P1 est tourné de 5K, la tension à la sortie de l'alimentation change.
Il existe également deux résistances shunt R1 et R2 d'une résistance de 200 ohms, à travers lesquelles le microcircuit détermine la tension de sortie et la compare à la tension d'entrée. La résistance R3 à 10K décharge le condensateur C1 après la coupure de l'alimentation. Le circuit est alimenté par une tension de 12 à 35 volts. L'intensité du courant dépendra de la puissance du transformateur ou de l'alimentation à découpage.
Et j'ai dessiné ce schéma à la demande de radioamateurs débutants qui assemblent des circuits par montage en surface.
Schéma d'une alimentation réglable avec protection contre les courts-circuits sur le LM317
L'assemblage est souhaitable d'effectuer sur une carte de circuit imprimé, il sera donc agréable et soigné.
La carte de circuit imprimé de l'alimentation régulée sur le régulateur de tension LM317
La carte de circuit imprimé est conçue pour les transistors importés, donc si vous devez en installer un soviétique, le transistor devra être déployé et connecté avec des fils. Le transistor MJE13009 peut être remplacé par le MJE13007 des transistors soviétiques KT805, KT808, KT819 et autres transistors à structure n-p-n, tout dépend du courant dont vous avez besoin. Il est souhaitable de renforcer les pistes d'alimentation de la carte de circuit imprimé avec de la soudure ou du fil de cuivre fin.Le régulateur de tension LM317 et le transistor doivent être installés sur un radiateur avec une surface suffisante pour le refroidissement, une bonne option est, bien sûr, un radiateur d'un processeur informatique.
Il est conseillé d'y visser également un pont de diodes. N'oubliez pas d'isoler le LM317 du dissipateur thermique avec une rondelle en plastique et un joint conducteur de chaleur ou un gros boom se produira. Presque tous les ponts de diodes peuvent être installés pour un courant d'au moins 10A. Personnellement, je mets le GBJ2510 à 25A avec une marge de puissance doublée, il sera deux fois plus froid et plus fiable.

Et maintenant le plus intéressant ... Test de résistance de l'alimentation.
J'ai connecté le régulateur de tension à une source d'alimentation avec une tension de 32 volts et un courant de sortie de 10A. Sans charge, la chute de tension en sortie du régulateur n'est que de 3V. Ensuite, j'ai connecté deux lampes halogènes H4 55W 12V connectées en série, connecté les filaments des lampes ensemble pour créer une charge maximale, en conséquence, 220 watts ont été obtenus. La tension a chuté de 7V, la tension nominale de l'alimentation était de 32V. Le courant consommé par quatre filaments de lampes halogènes était de 9A.

Le radiateur s'est mis à chauffer rapidement, au bout de 5 minutes la température est montée à 65C°. Par conséquent, lors du retrait de charges lourdes, je recommande d'installer un ventilateur. Vous pouvez le connecter selon ce schéma. Vous ne pouvez pas installer un pont de diodes et un condensateur, mais connectez le régulateur de tension L7812CV directement au condensateur C1 d'une alimentation réglable.
Schéma de connexion du ventilateur à l'alimentation
Qu'adviendra-t-il de l'alimentation en cas de court-circuit ?
En cas de court-circuit, la tension à la sortie du régulateur chute à 1 volt et l'intensité du courant est égale à l'intensité du courant de la source d'alimentation dans mon cas 10A.Dans cet état, avec un bon refroidissement, l'unité peut rester longtemps, une fois le court-circuit éliminé, la tension est automatiquement rétablie à la limite fixée par la résistance variable P1. Pendant le test de 10 minutes en mode court-circuit, aucune partie de l'alimentation n'a été endommagée.
Composants radio pour montage d'une alimentation réglable sur le LM317
- Régulateur de tension LM317
- Pont de diodes GBJ2501, 2502, 2504, 2506, 2508, 2510 et autres similaires évalués pour un courant d'au moins 10A
- Condensateur C1 4700mf 50V
- Résistances R1, R2 200 ohms, R3 10K toutes les résistances 0,25W
- Résistance variable P1 5K
- Transistor MJE13007, MJE13009, KT805, KT808, KT819 et autres structures n-p-n
Amis, je vous souhaite bonne chance et bonne humeur! A bientôt dans de nouveaux articles !
Je recommande de regarder une vidéo sur la façon de fabriquer une alimentation réglable de vos propres mains
Le principe de fonctionnement et le test fait maison
L'élément régulateur du circuit électronique de stabilisation est un puissant transistor à effet de champ de type IRF840.
La tension de traitement (220-250V) traverse l'enroulement primaire du transformateur de puissance, est redressée par le pont de diodes VD1 et va au drain du transistor IRF840. La source du même composant est reliée au potentiel négatif du pont de diodes.

Schéma de principe d'une unité de stabilisation à haute puissance (jusqu'à 2 kW), sur la base de laquelle plusieurs appareils ont été assemblés et utilisés avec succès. Le circuit a montré le niveau optimal de stabilisation à la charge spécifiée, mais pas plus haut
La partie du circuit où l'un des deux enroulements secondaires du transformateur est connecté est formée par un redresseur à diodes (VD2), un potentiomètre (R5) et d'autres éléments du régulateur électronique. Cette partie du circuit génère un signal de commande qui est envoyé à la grille du transistor à effet de champ IRF840.
En cas d'augmentation de la tension d'alimentation, le signal de commande abaisse la tension de grille du transistor à effet de champ, ce qui entraîne la fermeture de la clé.
Ainsi, sur les contacts de connexion des charges (XT3, XT4), l'augmentation possible de la tension est limitée. Le circuit fonctionne en sens inverse en cas de baisse de la tension secteur.
La configuration de l'appareil n'est pas particulièrement difficile. Ici, vous avez besoin d'une lampe à incandescence conventionnelle (200-250 W), qui doit être connectée aux bornes de sortie de l'appareil (X3, X4). De plus, en tournant le potentiomètre (R5), la tension aux bornes marquées est ajustée à un niveau de 220-225 volts.
Éteignez le stabilisateur, éteignez la lampe à incandescence et allumez l'appareil déjà à pleine charge (pas plus de 2 kW).
Après 15 à 20 minutes de fonctionnement, l'appareil est à nouveau éteint et la température du radiateur du transistor clé (IRF840) est surveillée. Si l'échauffement du radiateur est important (plus de 75º), il faut choisir un radiateur dissipateur de chaleur plus puissant.
Indicateur d'alimentation
J'ai effectué un audit, trouvé quelques pointes de flèches M68501 simples pour ce bloc d'alimentation. J'ai passé une demi-journée à créer un écran pour cela, mais je l'ai quand même dessiné et ajusté aux tensions de sortie requises.
La résistance de la tête d'indicateur utilisée et la résistance appliquée sont indiquées dans le fichier joint sur l'indicateur.J'ai étalé le panneau avant du bloc, si quelqu'un a besoin d'un boîtier d'une alimentation ATX à refaire, il sera plus facile de réorganiser les inscriptions et d'ajouter quelque chose que de créer à partir de zéro. Si d'autres tensions sont nécessaires, la balance peut simplement être recalibrée, ce sera plus facile. Voici la vue finie de l'alimentation régulée :
Film - autocollant type "bambou". L'indicateur a un rétroéclairage vert. La LED Attention rouge indique que la protection contre les surcharges a été activée.
Dispositifs électromécaniques (servo)
La tension du secteur est réglée au moyen d'un curseur qui se déplace le long de l'enroulement. Dans le même temps, un nombre différent de tours est impliqué. Nous avons tous étudié à l'école, et certains ont peut-être eu affaire à un rhéostat dans les cours de physique.

Un stabilisateur de tension électromécanique fonctionne selon ce principe similaire. Seul le mouvement du curseur n'est pas effectué manuellement, mais à l'aide d'un moteur électrique appelé servo variateur. Connaître le dispositif de ces appareils est simplement nécessaire si vous souhaitez fabriquer un régulateur de tension 220V de vos propres mains selon le schéma.
Les dispositifs électromécaniques sont très fiables et assurent une régulation de tension en douceur. Avantages caractéristiques :
- Les stabilisateurs fonctionnent sous n'importe quelle charge.
- La ressource est nettement supérieure à celle des autres analogues.
- Coût abordable (moitié moins cher que les appareils électroniques)
Malheureusement, avec tous les avantages, il y a aussi des inconvénients :
- En raison du dispositif mécanique, le retard de réponse est très perceptible.
- De tels dispositifs utilisent des contacts en carbone, qui sont sujets à une usure naturelle dans le temps.
- La présence de bruit pendant le fonctionnement, bien qu'il soit presque inaudible.
- Petite plage de fonctionnement 140-260 V.
Il convient de noter que, contrairement au stabilisateur de tension de l'onduleur 220V (vous pouvez le fabriquer vous-même selon le schéma, malgré les difficultés apparentes), il y a toujours un transformateur ici. En ce qui concerne le principe de fonctionnement, l'analyse de la tension est effectuée par l'unité de commande électronique. S'il constate des écarts importants par rapport à la valeur nominale, il envoie une commande pour déplacer le curseur.
Le courant est régulé en connectant plusieurs tours du transformateur. Dans le cas où l'appareil n'a pas le temps de réagir rapidement à un excès de tension excessif, un relais est prévu dans le dispositif stabilisateur.
Comment utiliser le stabilisateur inertiel
Il s'est avéré que l'utilisation d'un stabilisateur inertiel est beaucoup plus facile qu'un steadicam traditionnel. Le stabilisateur inertiel rigide est toujours prêt à fonctionner instantanément, grâce à l'absence d'oscillations amorties caractéristiques des steadicams de type pendule.
Lors de l'accélération, il suffit à l'opérateur de serrer plus fort la poignée de l'appareil, et de relâcher la prise dès que la vitesse de déplacement se stabilise et que la trajectoire devient rectiligne.
Le poids de la structure en équilibre dans la main permet de ressentir facilement la position de la caméra par rapport à l'horizon à travers des sensations tactiles. C'est pour améliorer les sensations tactiles que la poignée est éloignée du centre de gravité du système à une plus grande distance que dans les caméras vidéo professionnelles.
technologie onduleur
Une caractéristique distinctive de ces appareils est l'absence de transformateur dans la conception de l'appareil. Cependant, la régulation de la tension est effectuée électroniquement et appartient donc au type précédent, mais constitue, pour ainsi dire, une classe distincte.
Si vous souhaitez fabriquer un stabilisateur de tension 220V fait maison, dont le circuit n'est pas difficile à obtenir, il est préférable de choisir la technologie de l'onduleur. Après tout, le principe même du travail est intéressant ici. Les stabilisateurs d'onduleur sont équipés de doubles filtres, ce qui minimise les écarts de tension par rapport à la valeur nominale à moins de 0,5 %. Le courant entrant dans l'appareil est converti en une tension constante, traverse tout l'appareil et, avant de sortir, reprend sa forme précédente.
Photo d'alimentation bricolage







































Nous vous conseillons également de visionner :
- Ventilateur de bricolage
- Nourrir de ses propres mains
- Portails coulissants de leurs propres mains
- Réparation d'ordinateurs à faire soi-même
- Machine à bois à faire soi-même
- Plateau de table à faire soi-même
- Barres à faire soi-même
- Lampe de bricolage
- Chaudière bricolage
- Installation de climatiseur à faire soi-même
- Chauffage bricolage
- Filtre à eau bricolage
- Comment fabriquer un couteau de vos propres mains
- Amplificateur de signal bricolage
- Réparation de téléviseur à faire soi-même
- Chargeur de batterie bricolage
- Soudage par points bricolage
- Générateur de fumée à faire soi-même
- Détecteur de métaux bricolage
- Réparation de machine à laver à faire soi-même
- Réparation de réfrigérateur à faire soi-même
- Antenne bricolage
- Réparation de vélos à faire soi-même
- Machine à souder à faire soi-même
- Forgeage à froid de vos propres mains
- Cintreuse de tuyaux à faire soi-même
- Cheminée de bricolage
- Mise à la terre de bricolage
- Support de bricolage
- Lampe de bricolage
- Stores de bricolage
- Bande LED bricolage
- Niveau bricolage
- Remplacement de la courroie de distribution à faire soi-même
- Bateau de bricolage
- Comment faire une pompe de vos propres mains
- Compresseur bricolage
- Amplificateur de son bricolage
- aquarium bricolage
- Perceuse de bricolage
Configuration étape par étape
Une alimentation de laboratoire à faire soi-même, fabriquée de vos propres mains, doit être allumée étape par étape. Le démarrage initial a lieu avec le LM301 et les transistors désactivés. Ensuite, la fonction de régulation de la tension via le régulateur P3 est vérifiée.

Si la tension est bien régulée, les transistors sont inclus dans le circuit. Leur travail sera alors bon lorsque plusieurs résistances R7, R8 commenceront à équilibrer le circuit émetteur. Nous avons besoin de telles résistances pour que leur résistance soit au niveau le plus bas possible. Dans ce cas, le courant devrait être suffisant, sinon dans T1 et T2, ses valeurs seront différentes.


De plus, la connexion du condensateur C2 peut être incorrecte. Après inspection et correction des défauts d'installation, il est possible d'alimenter la 7ème branche du LM301. Cela peut être fait à partir de la sortie de l'alimentation.

Aux dernières étapes, P1 est configuré de manière à pouvoir fonctionner au courant de fonctionnement maximal du bloc d'alimentation. Une alimentation de laboratoire avec régulation de tension n'est pas si difficile à régler. Dans ce cas, il est préférable de revérifier à nouveau l'installation des pièces plutôt que d'obtenir un court-circuit avec le remplacement ultérieur des éléments.

Types de stabilisateurs de tension
En fonction de la puissance de charge dans le réseau et d'autres conditions de fonctionnement, différents modèles de stabilisateurs sont utilisés :
Les stabilisateurs ferrorésonnants sont considérés comme les plus simples, ils utilisent le principe de la résonance magnétique. Le circuit ne comprend que deux selfs et un condensateur. Extérieurement, il ressemble à un transformateur conventionnel avec des enroulements primaires et secondaires sur des selfs.De tels stabilisateurs ont un poids et des dimensions importants, ils ne sont donc presque jamais utilisés pour l'équipement ménager. En raison de la vitesse élevée, ces appareils sont utilisés pour les équipements médicaux ;
Schéma de principe d'un régulateur de tension ferrorésonant
Les stabilisateurs à servocommande assurent la régulation de la tension par un autotransformateur dont le rhéostat est commandé par un servo variateur qui reçoit les signaux d'un capteur de commande de tension. Les modèles électromécaniques peuvent fonctionner avec des charges importantes, mais ont une faible vitesse de réponse. Le stabilisateur de tension du relais a une conception en coupe de l'enroulement secondaire, la stabilisation de la tension est réalisée par un groupe de relais, dont les signaux de fermeture et d'ouverture des contacts proviennent de la carte de commande. Ainsi, les sections nécessaires de l'enroulement secondaire sont connectées pour maintenir la tension de sortie dans les valeurs spécifiées. La vitesse de réglage est rapide, mais la précision du réglage de la tension n'est pas élevée.
Un exemple d'assemblage d'un stabilisateur de tension de relais
Les stabilisateurs électroniques ont un principe similaire aux stabilisateurs à relais, mais à la place des relais, des thyristors, des triacs ou des transistors à effet de champ sont utilisés pour redresser la puissance correspondante, en fonction du courant de charge. Cela augmente considérablement la vitesse de commutation des sections d'enroulement secondaire. Il existe des variantes de circuits sans unité de transformateur, tous les nœuds sont réalisés sur des éléments semi-conducteurs;
Une variante du circuit stabilisateur électronique
Les stabilisateurs de tension à double conversion régulent selon le principe de l'onduleur. Ces modèles convertissent la tension alternative en courant continu, puis la ramènent à la tension alternative, 220 V se forment à la sortie du convertisseur.
Circuit régulateur de tension de l'onduleur en option
Le circuit stabilisateur ne convertit pas la tension secteur. L'onduleur DC-AC génère 220 V AC à la sortie à n'importe quelle tension d'entrée. De tels stabilisateurs combinent une vitesse de réponse élevée et une précision de réglage de la tension, mais ont un prix élevé par rapport aux options précédemment envisagées.
Stabilisateurs automatiques "Ligao 220 V"
Pour les systèmes d'alarme, il est demandé à partir d'un stabilisateur de tension 220V. Son circuit est construit sur le travail des thyristors. Ces éléments peuvent être utilisés exclusivement dans des circuits semi-conducteurs. À ce jour, il existe plusieurs types de thyristors. Selon le degré de sécurité, ils sont divisés en statique et dynamique. Le premier type est utilisé avec des sources d'électricité de différentes capacités. À leur tour, les thyristors dynamiques ont leur propre limite.
Si nous parlons d'un stabilisateur de tension (le circuit est illustré ci-dessous), alors il a un élément actif. Dans une plus large mesure, il est destiné au fonctionnement normal du régulateur. C'est un ensemble de contacts qui sont capables de se connecter. Ceci est nécessaire pour augmenter ou diminuer la fréquence limite dans le système. Dans d'autres modèles de thyristors, il peut y en avoir plusieurs. Ils sont installés les uns avec les autres à l'aide de cathodes. En conséquence, l'efficacité de l'appareil peut être considérablement améliorée.
Subtilités de réglage
Le besoin d'un régulateur de tension se fera dans les conditions suivantes :
- Un réglage de la tension alternative et continue est nécessaire.
- La capacité de réguler la tension dans la charge.

Chaque élément répertorié définit son propre ensemble de composants radio dans le circuit.Mais le dispositif du régulateur le plus simple est basé sur une résistance variable. Lors du réglage de la tension alternative, aucune distorsion n'est créée. À l'aide d'une résistance variable, il est également possible d'ajuster le courant continu.


Pour que la charge de tension et de courant soit un paramètre donné, des stabilisateurs sont utilisés. La tension de sortie est vérifiée par rapport à la valeur correcte, et si de petits changements prédéterminés se produisent, le régulateur récupère automatiquement.

Vous pouvez trouver de nombreuses instructions étape par étape sur la façon de fabriquer un régulateur de tension. Mais l'option la plus simple et la plus compréhensible est considérée comme un dispositif sur circuits intégrés. La commodité des produits vous permet d'alimenter les LED et autres systèmes d'éclairage dans la voiture. Le régulateur secteur nécessite un convertisseur abaisseur et un redresseur doit être connecté à l'entrée.

Très souvent, la charge peut avoir des paramètres différents, donc pour de tels cas, des stabilisateurs de tension spéciaux sont indispensables. Leur travail peut être effectué selon plusieurs modes.
Pour tous les appareils de type électronique, il est important d'obtenir une tension stable. Ils ont des composants non linéaires intégrés dans le circuit électrique.


Il existe un régulateur de tension basé sur un thyristor. Il s'agit d'un semi-conducteur très puissant, utilisé dans les convertisseurs haute puissance. En raison de la commande spécifique, il est utilisé pour commuter les "changements".

Variétés de stabilisateurs 12V
De tels dispositifs peuvent être montés sur des transistors ou sur des circuits intégrés. Leur tâche est de garantir la valeur de la tension nominale Unom dans les limites requises, malgré les fluctuations des paramètres d'entrée. Les schémas les plus populaires sont :
- linéaire;
- impulsion.
Le circuit de stabilisation linéaire est un simple diviseur de tension. Son travail réside dans le fait que lorsque Uin est appliqué sur une "épaule", la résistance change sur l'autre "épaule". Cela maintient Uout dans les limites données.
Important! Avec un tel schéma, avec un large écart de valeurs entre tensions d'entrée et de sortie il y a une baisse d'efficacité (une certaine quantité d'énergie est convertie en chaleur) et l'utilisation de dissipateurs thermiques est nécessaire. La stabilisation des impulsions est contrôlée par un contrôleur PWM. Lui, contrôlant la clé, régule la durée des impulsions de courant
Le contrôleur compare la valeur de la tension de référence (réglée) avec la tension de sortie. La tension d'entrée est appliquée à la clé qui, en s'ouvrant et en se fermant, fournit les impulsions reçues à travers un filtre (condensateur ou inductance) à la charge
Lui, contrôlant la clé, régule la durée des impulsions de courant. Le contrôleur compare la valeur de la tension de référence (réglée) avec la tension de sortie. La tension d'entrée est appliquée à la clé qui, en s'ouvrant et en se fermant, fournit les impulsions reçues à travers un filtre (condensateur ou inductance) à la charge
La stabilisation des impulsions est contrôlée par un contrôleur PWM. Lui, contrôlant la clé, régule la durée des impulsions de courant. Le contrôleur compare la valeur de la tension de référence (réglée) avec la tension de sortie. La tension d'entrée est appliquée à la clé qui, en s'ouvrant et en se fermant, fournit les impulsions reçues à travers le filtre (capacité ou inductance) à la charge.
Noter. Les stabilisateurs de tension de commutation (SN) ont un rendement élevé, nécessitent moins d'évacuation de la chaleur, mais les impulsions électriques interfèrent avec les appareils électroniques pendant le fonctionnement.L'auto-assemblage de tels circuits présente des difficultés importantes.
Stabilisateur classique
Un tel dispositif comprend : un transformateur, un redresseur, des filtres et une unité de stabilisation. La stabilisation est généralement effectuée à l'aide de diodes Zener et de transistors.
Le travail principal est effectué par la diode zener. C'est une sorte de diode qui est connectée au circuit en polarité inversée. Son mode de fonctionnement est le mode panne. Le principe de fonctionnement du CH classique :
- lorsque Uin < 12 V est appliqué à la diode zener, l'élément est à l'état fermé ;
- lorsque Uin > 12 V arrive à l'élément, celui-ci s'ouvre et maintient constante la tension déclarée.
Attention! La fourniture de Vin dépassant les valeurs maximales spécifiées pour un certain type de diode Zener conduit à sa défaillance. Schéma d'un CH linéaire classique. Schéma d'un CH linéaire classique
Schéma d'un CH linéaire classique
stabilisateur intégral
Tous les éléments structurels de ces dispositifs sont situés sur un cristal de silicium, l'ensemble est enfermé dans un boîtier de circuit intégré (IC). Ils sont assemblés sur la base de deux types de circuits intégrés : à semi-conducteur et à film hybride. Les premiers ont des composants à l'état solide, tandis que les seconds sont constitués de films.
La chose principale! De telles pièces n'ont que trois sorties : entrée, sortie et réglage. Un tel microcircuit peut produire une tension stable de 12 V à un intervalle de Uin \u003d 26-30 V et un courant allant jusqu'à 1 A sans cerclage supplémentaire.
Circuit SN sur IC
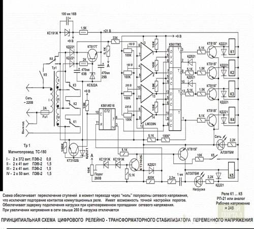
↑ Programme
Le programme est écrit en langage C (mikroC PRO pour PIC), découpé en blocs et commenté.Le programme utilise la mesure directe de la tension alternative par un microcontrôleur, ce qui a permis de simplifier le circuit. Microprocesseur appliqué PIC16F676. Bloc de programme zéro attend qu'un passage à zéro descendant se produise. Ce front mesure la tension alternative ou commence à commuter le relais. Bloc de programme izm_U mesure les amplitudes des demi-cycles négatifs et positifs
Dans le programme principal, les résultats de mesure sont traités et, si nécessaire, une commande est donnée pour commuter le relais.Des programmes séparés d'activation et de désactivation sont écrits pour chaque groupe de relais, en tenant compte des retards nécessaires R2on, R2off, R1on et R1off. Le 5ème bit du port C est utilisé dans le programme pour envoyer une impulsion d'horloge à l'oscilloscope afin que vous puissiez consulter les résultats de l'expérience.
Modèles CA
Le régulateur de courant alternatif se distingue par le fait que seuls des thyristors de type triode y sont utilisés. À leur tour, les transistors sont couramment utilisés de type champ. Les condensateurs du circuit ne sont utilisés que pour la stabilisation. Il est possible, mais rare, de rencontrer des filtres haute fréquence dans des appareils de ce type. Les problèmes de température élevée dans les modèles sont résolus par un convertisseur d'impulsions. Il est installé dans le système derrière le modulateur. Les filtres passe-bas sont utilisés dans les régulateurs d'une puissance allant jusqu'à 5 V. Le contrôle de la cathode dans l'appareil est effectué en supprimant la tension d'entrée.
La stabilisation du courant dans le réseau se fait en douceur. Afin de faire face à des charges élevées, des diodes Zener inversées sont utilisées dans certains cas. Ils sont reliés par des transistors à l'aide d'une self.Dans ce cas, le régulateur de courant doit pouvoir supporter une charge maximale de 7 A. Dans ce cas, le niveau de résistance limite dans le système ne doit pas dépasser 9 ohms. Dans ce cas, vous pouvez espérer un processus de conversion rapide.

Caractéristiques de l'assemblage du dispositif d'égalisation de tension
Le microcircuit du dispositif de stabilisation de courant est monté sur un dissipateur thermique, pour lequel une plaque en aluminium convient. Sa superficie ne doit pas être inférieure à 15 mètres carrés. cm.
Un dissipateur thermique avec une surface de refroidissement est également nécessaire pour les triacs. Pour les 7 éléments, un dissipateur thermique d'une superficie d'au moins 16 mètres carrés est suffisant. dm.
Pour que le convertisseur de tension alternative que nous fabriquons fonctionne, vous avez besoin d'un microcontrôleur. La puce KR1554LP5 fait un excellent travail avec son rôle.
Vous savez déjà que 9 diodes clignotantes se trouvent dans le circuit. Tous sont situés dessus de sorte qu'ils tombent dans les trous qui se trouvent sur le panneau avant de l'appareil. Et si le corps du stabilisateur ne permet pas leur emplacement, comme sur le schéma, vous pouvez le modifier pour que les LED aillent du côté qui vous convient.
Vous savez maintenant comment fabriquer un régulateur de tension pour 220 volts. Et si vous avez déjà dû faire quelque chose de similaire auparavant, ce travail ne vous sera pas difficile. En conséquence, vous pouvez économiser plusieurs milliers de roubles sur l'achat d'un stabilisateur industriel.
Quel régulateur de tension est le meilleur : relais ou triac ?
Les dispositifs de type triac se caractérisent par de petites tailles de boîtier et le niveau de compacité de ces dispositifs est tout à fait comparable aux modèles électromécaniques et de type relais.Le coût moyen d'un dispositif triac par rapport à des dispositifs similaires à relais de haute qualité est presque deux à trois fois plus élevé.

Stabilisateur de relais "Resanta 10000/1-ts"
Malgré l'excellente vitesse de commutation et la présence d'un écart important sur les tensions d'entrée, tout dispositif à relais est bruyant en fonctionnement et se caractérise par une faible précision.
Entre autres choses, tous les stabilisateurs de relais ont certaines restrictions sur le niveau de puissance, ce qui est dû à l'incapacité des contacts à commuter des courants très élevés.
Vous vous demandez s'il faut connecter un compteur jour-nuit ? Lisez l'article pour savoir si les doubles tarifs sont avantageux.
La procédure d'assemblage d'une lampe de poche à LED de vos propres mains est décrite dans cet article.
Le type de stabilisateurs électroniques le plus prometteur est actuellement représenté par des dispositifs modernes qui fonctionnent dans des conditions de double conversion de la tension secteur.
Outre le coût élevé, de tels dispositifs ne présentent pas d'inconvénients sérieux. C'est pourquoi lors du choix d'un dispositif de stabilisation, si le coût n'est pas critique, il est conseillé de privilégier les dispositifs entièrement assemblés à l'aide de semi-conducteurs de haute qualité.
Stabilisateurs d'onduleur
Stabilisateurs d'onduleurs modernes série Calm "Instab" Il s'agit du type de stabilisateurs "le plus jeune" - la production de masse a commencé à la fin des années 2000. Une conception innovante et des fonctionnalités non disponibles dans d'autres topologies font de ces dispositifs une percée dans la stabilisation de l'énergie électrique.
Dispositif et principe de fonctionnement.
Le principe de fonctionnement de ces appareils est similaire à celui des onduleurs en ligne et repose sur une technologie avancée de double conversion d'énergie. Tout d'abord, le redresseur convertit la tension alternative d'entrée en tension continue, qui est ensuite accumulée dans les condensateurs intermédiaires et transmise à l'onduleur, qui se reconvertit en une tension de sortie alternative stabilisée. Les stabilisateurs d'onduleur sont fondamentalement différents des relais, thyristors et électromécaniques dans leur structure interne. En particulier, ils n'ont pas d'autotransformateur et d'éléments mobiles, y compris des relais. En conséquence, les stabilisateurs à double conversion sont exempts des inconvénients inhérents aux modèles de transformateurs.
Avantages.
L'algorithme de fonctionnement de ce groupe d'appareils élimine la transmission de toute perturbation externe à la sortie, ce qui offre une protection complète contre la plupart des problèmes d'alimentation et garantit que la charge est alimentée par une tension sinusoïdale idéale avec une valeur aussi proche que possible de la tension nominale. valeur (précision ±2%). De plus, la topologie de l'onduleur élimine toutes les lacunes caractéristiques des autres principes de stabilisation de l'énergie électrique et fournit des modèles basés sur celle-ci avec une vitesse unique - le stabilisateur répond aux changements de signal d'entrée instantanément, sans retard (0 ms) !
Autres avantages importants des stabilisateurs d'onduleur :
- les limites les plus larges de la tension secteur de fonctionnement - de 90 à 310 V, tandis que la forme sinusoïdale idéale du signal de sortie est maintenue sur toute la plage spécifiée ;
- régulation de tension continue et continue - élimine un certain nombre d'effets désagréables associés aux seuils de stabilisation de commutation dans les modèles électroniques (relais et semi-conducteurs);
- l'absence d'autotransformateur et de contacts mécaniques mobiles - augmente la durée de vie et réduit le poids du produit;
- la présence de filtres haute fréquence d'entrée et de sortie - supprime efficacement les interférences émergentes (non présentes dans tous les modèles, typiques en particulier pour les produits de Shtil Group, l'un des principaux fabricants de stabilisateurs d'onduleurs).
Une question logique se pose - y a-t-il des inconvénients aux onduleurs ? Le seul inconvénient controversé est le prix plus élevé. Mais étant donné les exigences techniques des appareils électroménagers modernes et en même temps la tendance continue des chutes de tension secteur, les stabilisateurs d'onduleurs sont aujourd'hui l'option la plus rentable pour une utilisation permanente à la fois dans les maisons privées et les chalets et dans les installations industrielles. Ils garantissent le fonctionnement stable et correct des appareils électroménagers coûteux et des appareils électroniques sensibles, quelle que soit la qualité de l'alimentation électrique.

Figure 4 - Schéma d'un régulateur de tension onduleur
En savoir plus sur ce sujet ci-dessous :
Stabilisateurs de tension de l'onduleur "Calme". La programmation.
































Article très intéressant et instructif !