- Avantages et inconvénients
- Schémas de connexion pour les réservoirs de chauffage indirect Drazice
- À propos de Drazice
- Des technologies uniques
- Types de chaudières Drazice
- Types de pannes des chaudières Drazice
- Modèles populaires
- Chaudière Drazice OKC 200 NTR
- Chaudière Drazice OKC 300 NTR/BP
- Chaudière Drazice OKC 125 NTR/Z
- Chaudière Drazice OKC 160 NTR/HV
- Montage
- Description de la gamme de modèles
- Les meilleurs modèles avec échangeur de chaleur
- Baxi Premier Plus–150
- Drazice OKC 125 NTR
- Gorenje GV 120
- Protherm FE 200/6 BM
- Bosch WSTB 160-C
- Options de sélection
- Volume du réservoir
- Dispositif échangeur de chaleur
- La présence d'éléments chauffants
- matériau du réservoir
- Pression de service
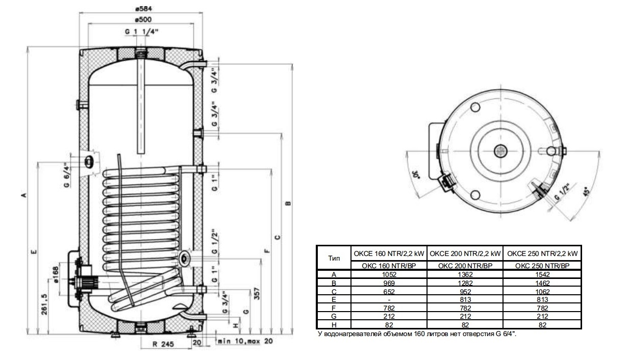
- Descriptif technique du chauffe-eau Drazice OKC 200 NTR
Avantages et inconvénients

Tout système d'eau chaude n'est pas sans défauts. Un équipement absolument parfait n'existe pas dans la nature. Au crédit de DRAZICE, ses chaudières à chauffage indirect n'ont pratiquement aucun inconvénient, au contraire, si vous analysez les avis des clients, le système est presque parfait. Cependant, nous avons réussi à trouver une mouche dans la pommade dans ce tonneau de miel, mais commençons traditionnellement par les douceurs.
Avantages :
Économie. Le coût d'un mètre cube d'eau froide est bien inférieur à celui de l'eau chaude. Dans le même temps, les chaudières à chauffage indirect ne nécessitent pas le raccordement de sources d'alimentation et d'éléments chauffants supplémentaires.
Bénéficier à.Grâce à un tel système, il est possible de fournir à la famille un grand volume d'eau chaude en un temps relativement court - la capacité des appareils de chauffage continu de l'eau varie dans 10-200 litres.
Praticité. Le liquide de refroidissement pour un tel système peut être obtenu à partir de n'importe quelle source externe.
Sécurité. Le liquide de refroidissement est protégé de manière fiable contre le contact avec l'eau. De plus, le système est protégé de manière fiable contre la surchauffe et les courts-circuits.
Commodité. La chaudière assure le retour d'eau à plusieurs points de sélection tout en maintenant une température stable. En comparaison, les chauffe-eau à accumulation ne peuvent généralement pas supporter une telle charge. Si une personne prend une douche et qu'une autre ouvre le robinet de la cuisine, la première personne sera très probablement aspergée d'un jet d'eau glacée ou d'eau bouillante.
Défauts:
Le coût est généralement plus élevé que tout équipement similaire.
Il faut beaucoup de temps pour chauffer l'eau dans le réservoir. À cet égard, les chauffe-eau à accumulation avec éléments chauffants intégrés semblent plus avantageux.
Problèmes de connexion en été. À ce moment, les systèmes de chauffage sont éteints, il y a donc des problèmes d'admission de liquide de refroidissement. Le problème est résolu en utilisant des éléments chauffants intégrés, ce qui élimine l'avantage des économies.
De plus, pour un fonctionnement efficace du système, la chaudière doit être installée à proximité de la source du liquide de refroidissement. Considérant que l'équipement a des dimensions impressionnantes, cela peut être difficile à faire. Par exemple, lors du raccordement d'une chaudière à une chaudière à gaz dans une maison privée, un local technique séparé sera nécessaire.
Schémas de connexion pour les réservoirs de chauffage indirect Drazice
Bases :
- La première étape est le raccordement de l'eau froide :
- Par l'entrée inférieure de la ligne d'alimentation.
- Le câblage est relié au tuyau de dérivation supérieur aux points de prise d'eau.
- La deuxième étape - au liquide de refroidissement:
Une option spéciale est un schéma avec une vanne à 3 voies, un système automatique à deux circuits est créé:
- Chauffage principal.
- Contour BKN.
Fonctionnement de l'équipement avec vanne à trois voies: le nœud contrôle le système en fonction des commandes du thermostat. Le dispositif de thermostat vous permet de définir des valeurs pour l'algorithme de fonctionnement de l'élément chauffant. Lorsque la t° de l'alimentation en eau chaude descend au minimum réglé sur l'appareil, le régulateur se déclenche, le flux chaud est redirigé vers la batterie. Lors de la fixation des valeurs définies, l'appareil agit en sens inverse - le liquide de refroidissement s'écoule vers sa source.
Un schéma complet pour l'installation d'une chaudière à chauffage indirect Dražice sur un système de chauffage et d'alimentation en eau :

A l'entrée/sortie du liquide de refroidissement mis en coupure vanne de démontage de la chaudière. Tous ces nœuds sont situés plus près du BKN pour réduire les pertes de chaleur. L'installation d'un filtre dans le circuit (pré-lavé) est obligatoire pour protéger contre le colmatage du système. L'isolation thermique de toutes les lignes est importante. Lors du raccordement à l'alimentation en eau, une vanne de vidange doit être installée, et une soupape de sécurité (sur la branche) est obligatoire dans tous les cas.
Schéma de connexion du réservoir de chauffage indirect Drazice avec recirculation à chaudière à combustible solide (les vannes d'arrêt ne sont pas représentées, mais elles sont nécessaires pour éteindre le chauffe-eau avant l'entretien) :
Lors de la connexion d'un réservoir avec une enveloppe de ceinture, un vase d'expansion et des unités de sécurité à la sortie du liquide de refroidissement sont recommandés, car le réservoir ECS se dilate / se contracte.

Le moyen le plus simple consiste à lier le BKN avec des chaudières montées avec un raccord spécial. D'autres générateurs de chaleur sont connectés au réservoir via un interrupteur à trois voies, qui est commuté par un entraînement électrique, contrôlé par le thermostat de la chaudière.
Schéma tuyauterie chaudière Drazice avec vanne 3 voies pour chaudières à 2 circuits :
Schéma de raccordement du réservoir de chauffage indirect Dražice à une chaudière à circuit unique :

Il convient également de se connecter avec une paire de pompes: les débits iront le long de deux lignes. La première place est occupée par le circuit d'eau chaude. Dans le cadre de ce programme, le BKN est mis en place en conjonction avec une chaudière à circuit unique. Les débits multi-températures ne modifient pas les caractéristiques, puisque des clapets anti-retour sont placés devant les pompes. Le liquide chaud est fourni uniquement par la chaudière.

La connexion de l'énergie solaire au deuxième serpentin du chauffe-eau crée un cycle fermé complet avec hydroaccumulateur, pompe et groupes de sécurité. Une unité de commande séparée pour les capteurs de collecteur est nécessaire.

Raccordement côté arrivée d'eau si les dispositifs de démontage sont proches. Le tuyau de vidange est laissé rempli de sorte que lorsque le drain est ouvert, le liquide s'écoule. La tuyauterie comprend un détendeur (6 - 8 bar), de la même taille que pour l'alimentation en eau.
Lorsque les consommateurs sont éloignés, ils réalisent une canalisation de recirculation avec une pompe, un clapet anti-retour. Si le BKN est sans raccord pour le raccordement, un tuyau de retour est coupé à l'entrée froide.
La connexion au réseau électrique est une étape distincte, le schéma standard est le suivant:
À propos de Drazice
L'histoire de l'entreprise tchèque commence en 1900 et la production de systèmes de chauffage à eau de différents types et volumes a été établie il y a un demi-siècle. Les produits de l'entreprise sont exportés dans des dizaines de pays à travers le monde, il est bien connu en dehors de l'Europe. Drazice occupe régulièrement l'une des premières places du classement des fabricants de chauffe-eau.
Des technologies uniques
Chaudières tchèques - technologies d'économie d'énergie, meilleurs matériaux et contrôle de qualité strict. Mais leur principal avantage est le système de pile à combustible.Au lieu d'un élément chauffant immergé dans l'eau, on utilise un tube sec en céramique, placé dans un manchon métallique, fait du même acier que le réservoir. Comme les matériaux sont les mêmes, il n'y a pas de réaction galvanique, ce qui signifie que la corrosion est vaincue.
La céramique est extrêmement résistante à l'environnement agressif de l'eau, de sorte que les radiateurs tchèques sont très durables. Si vous enlevez périodiquement le tartre et les sédiments, vous pouvez réduire les coûts d'exploitation. L'anode en magnésium, qui empêche la corrosion, contribue également à prolonger la durée de vie du réservoir. Les appareils sont équipés de trappes de service - pour des travaux de maintenance confortables.

Tous les produits sont conçus et fabriqués en République tchèque.
Types de chaudières Drazice
Caractéristiques de conception des radiateurs:
- contrôle et sélection de la température dans la plage de 5 à 77 °С ;
- protection automatique contre le gel et la surchauffe ;
- perte de chaleur minimale.
L'entreprise fabrique des chauffe-eau :
- Chauffage indirect - 100-1000 l.
- Combiné - 80-200 litres.
Chaudières à chauffage indirect et combiné - quelle est la différence?
De tels appareils de chauffage sont en fait des dispositifs de stockage, à l'intérieur desquels circule un liquide, chauffé par une chaudière ou une autre source de chaleur. Pour connecter l'appareil à la chaudière, une canalisation spéciale est utilisée et la circulation du liquide de refroidissement est maintenue à l'aide de pompes et de mélangeurs.
Avantages:
- pas besoin de dépenser de l'argent pour chauffer le liquide de refroidissement;
- haute efficacité;
- les réseaux électriques ne sont pas chargés ;
- des volumes d'eau chaude stables - même s'il y a plusieurs points de puisage d'eau.
Le principal inconvénient des radiateurs indirects, qui déroute de nombreux consommateurs, est la liaison à l'unité de chauffage. Il s'avère que pour chauffer l'eau, vous devez allumer le chauffage même par temps chaud
Si ce principe de chauffage ne vous convient pas, faites attention aux chaudières de type combiné
La différence fondamentale entre les radiateurs combinés est qu'en plus de l'échangeur de chaleur tubulaire, ils ont un élément chauffant électrique. L'appareil peut chauffer l'eau de manière autonome, même si le système de chauffage est éteint.

Types de pannes des chaudières Drazice
Élément chauffant avec échelle
Même les chauffe-eau les plus fiables ont besoin de soins et d'entretien. L'essentiel est de rincer le réservoir, de remplacer l'anode en magnésium et l'élément chauffant, d'éliminer le tartre. La technologie tchèque a été ininterrompue jusqu'à 15 ans si le cerclage est fait correctement. Mais parfois, des pannes inattendues se produisent, auquel cas il est nécessaire de contacter le centre de service officiel.
Les principaux types de pannes des chaudières Drazice comprennent:
- dysfonctionnement ou fuite du réservoir;
- défaillance de l'élément chauffant;
- chauffage lent ou pas de chauffage.
Les fuites de réservoir sont un problème avec tous les chauffe-eau à accumulation. La surface intérieure du réservoir est constamment en contact avec l'eau, donc tôt ou tard des traces d'utilisation et de corrosion apparaîtront. L'utilisation à long terme se reflète dans les soudures, elles peuvent fuir, parfois des trous se forment. Dans ce cas, le réservoir est irréparable. Mais si une fuite est détectée par le bas du chauffe-eau, le dysfonctionnement réside dans la dépressurisation du récipient interne. L'installateur changera le joint et la machine pourra être réutilisée.
La cause d'une panne de chaudière est souvent la formation de tartre sur l'élément chauffant ou un dysfonctionnement de son composant électrique. Si le thermostat tombe en panne, la pièce doit être complètement remplacée. Parfois, l'élément chauffant tombe en panne en raison d'une mauvaise connexion du chauffe-eau. Par conséquent, la liaison de l'appareil doit être effectuée par un installateur expérimenté.
Si l'appareil chauffe l'eau lentement ou ne le fait pas du tout, il est nécessaire de vérifier toute l'automatisation de la chaudière. Les raisons peuvent être :
- panne du thermostat ou de la soupape de sécurité;
- unité électronique défectueuse ;
- l'interrupteur de l'élément chauffant est tombé en panne.
Si l'inspection de la chaudière montre que le voyant d'alimentation est éteint, vous devrez appeler un dépanneur. Sans l'aide de techniciens, le problème ne peut pas être résolu.
Modèles populaires
Voyons quels modèles de chaudières à chauffage indirect de Drazice sont appréciés par les acheteurs russes. Nous aborderons à la fois les échantillons les plus chers et les plus simples - d'un volume limité.
Chaudière Drazice OKC 200 NTR
Devant nous se trouve l'un des modèles les plus populaires en Russie. Son réservoir émaillé contient 208 litres d'eau. Le chauffage indirect est effectué à l'aide de deux échangeurs de chaleur d'une superficie de 1,45 mètre carré. m Une surface aussi impressionnante a permis d'atteindre une puissance thermique de 32 kW. L'eau dans le réservoir peut être chauffée à une température de +90 degrés. L'alimentation en tuyaux du système de chauffage s'effectue latéralement, la chaudière elle-même est orientée vers l'installation au sol.
Cette chaudière se caractérise par un temps minimum de chauffage de l'eau - après tout, elle est indirecte. Le temps pour atteindre une température de +60 degrés à partir d'une marque de +10 degrés n'est que de 14 minutes. Cependant, une performance aussi élevée est typique de presque toutes les unités indirectes. La pression de travail dans le réservoir peut atteindre 0,6 MPa, dans les échangeurs de chaleur - 0,4 MPa. Le poids du chauffe-eau hors eau est d'environ 100 kg. Prix estimé - 25-28 mille roubles.
Un analogue de cette chaudière est le modèle Drazice OKC 160 NTR, qui a une conception similaire (il y a un échangeur de chaleur) et un volume de 160 litres.
Chaudière Drazice OKC 300 NTR/BP
Un chauffe-eau à chauffage indirect assez impressionnant, conçu pour un grand nombre de consommateurs domestiques ou à usage commercial. Par exemple, il peut être installé dans un grand chalet avec deux salles de bain. L'appareil pourra facilement remplir deux baignoires d'eau chaude, en plus il le restera pour le reste des résidents. S'il n'y a pas assez d'eau pour quelqu'un, il n'y a rien à craindre - littéralement dans 20 à 25 minutes, la portion suivante sera prête (et cela représente jusqu'à 296 litres).
Caractéristiques de l'appareil :
- Système de contrôle de pompe de circulation intégré.
- Possibilité d'installer un radiateur électrique (en plus du chauffage indirect).
- Échangeur de chaleur en spirale de grande surface.
- Protection contre la corrosion - émail et anode en magnésium.
- Température de chauffage de l'eau - jusqu'à +90 degrés.
- Beaucoup de retours positifs des acheteurs.
- Protection contre les surpressions.
Le coût estimé de l'appareil est de 45 000 roubles.
Chaudière Drazice OKC 125 NTR/Z
Devant nous se trouve une chaudière à chauffage indirect Drazice, conçue pour un montage mural. Sa capacité n'est que de 120 litres, mais compte tenu de la chauffe rapide, c'est largement suffisant. Le champ d'application principal est le ménage. L'appareil peut chauffer de l'eau jusqu'à +80 degrés, le contrôle de la température est effectué à l'aide d'un thermomètre situé sur le panneau avant du boîtier dans la partie supérieure. Toutes les connexions se font par le bas, voici les commandes et les indications.
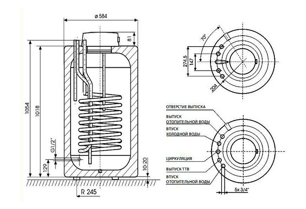
Chaudière Drazice OKC 160 NTR/HV
Peu coûteux, au sol, avec tuyauterie supérieure - c'est ainsi que nous pouvons caractériser la chaudière Dražice pour 160 litres. Nous avons devant nous un modèle de chauffage exclusivement indirect, sans possibilité d'installer un élément chauffant pour le fonctionnement pendant les périodes d'arrêt du chauffage.Cependant, pendant la saison chaude, il suffit de couper le système de chauffage en laissant la circulation exclusivement au chauffe-eau lui-même - c'est assez réaliste et très économique (le gaz coûte un peu plus cher que l'électricité, mais il donne 4 à 5 fois plus Chauffer).
Cette chaudière est réalisée dans un facteur de forme au sol et est équipée d'un simple réservoir émaillé. Une étape supplémentaire de protection contre la corrosion, en plus de l'émail, est mise en œuvre par une anode en magnésium. L'échangeur de chaleur est en acier inoxydable, ce qui le rend plus durable. Responsable du chauffage indirect, il a une puissance de 32 kW. Cela garantit d'atteindre une température de +60 degrés en seulement 10-15 minutes. Le coût de l'appareil est d'environ 25 000 roubles.
Montage
Pour installer la chaudière à chauffage indirect Dražice, nous avons besoin des outils suivants : perforateur, ruban à mesurer, niveau, clé à molette, pinces et tournevis. Parmi les matériaux, vous aurez besoin d'ancres, de tuyaux en métal-plastique, de tuyaux flexibles, de clips, de tés et de ruban d'étanchéité ou de remorquage. De plus, lors de la connexion, vous aurez besoin d'une vanne à trois voies ou d'une pompe de circulation, selon le schéma sélectionné.
Pompe de circulation
Avant d'installer une chaudière à charnière, la résistance du mur est vérifiée. Il doit être en brique ou en béton. Si le mur est fait de matériaux plus fragiles comme le gypse, il doit être renforcé avec des armatures. Il est plus pratique de placer le chauffe-eau près de la chaudière afin de simplifier davantage son raccordement.
Les points de montage sur le mur sont marqués, les trous sont percés. Il est nécessaire d'acheter à l'avance des ancres ou des chevilles avec des vis autotaraudeuses, car les fixations ne sont pas incluses dans la livraison du chauffe-eau Dražice. En fonction du volume, la section et la longueur des fixations sont sélectionnées.Pour les appareils jusqu'à 100 l, des ancres d'un diamètre et d'une longueur de 6-10 mm conviennent, plus de 100 l 12-14 mm. Les attaches sont vissées dans les trous et la chaudière est suspendue.
Si le modèle est vertical, il est installé à une hauteur d'au moins 600 mm du sol, s'il est horizontal, l'extrémité droite doit être à plus de 600 m du mur opposé.
Chaudière Drazice 100L
Ceci est nécessaire pour un accès sans entrave aux nœuds pendant la connexion, la maintenance et les réparations ultérieures. De plus, vous ne pouvez pas accrocher la chaudière près du plafond, il reste dix centimètres pour l'accrocher à des crochets.
Les modèles de sol sont simplement placés dans un endroit pratique. Si le sol est en bois, il est recommandé de faire une fondation en béton pour l'appareil. Le processus de montage correct de la chaudière et des recommandations supplémentaires pour l'installation d'un modèle spécifique sont écrits dans le manuel d'instructions.
Description de la gamme de modèles
Tous les types de réservoirs sont fabriqués et assemblés en République tchèque, ce qui confirme la haute qualité. Il existe des appareils combinés pour le chauffage à partir d'électricité et des systèmes de chauffage qui fonctionnent à partir d'une seule source, des chaudières à deux échangeurs en spirale. Pour acheter une option appropriée, vous devez tenir compte des caractéristiques de plusieurs séries :
1. Drazice OKCV, type combiné OKC (80-200L).
Ce sont des structures articulées avec un réservoir en acier recouvert d'émail. Équipé d'un tube de sortie d'eau, d'un indicateur de température, d'un thermostat de sécurité. L'isolation thermique en polyuréthane de 40 mm d'épaisseur ne contient pas de fréon, la surface intérieure est recouverte d'un émail sans nickel de haute qualité. La trappe de service vous permet d'effectuer une maintenance préventive pour éliminer le tartre et les sédiments.
Cette série de chaudières combinées Drazice comprend les marques OKCV 125, 160, 180, 200 NTR.Volume du réservoir 75-147 l, pression de travail - 0,6-1 MPa. Consommation électrique - 2 kW. La température maximale est de 80 °C, le temps de chauffage est de 2,5 à 5 heures. Les modèles Drazice OKC 80, 100, 125, 160, NTR / Z sont conçus pour un montage vertical, selon les critiques, ils sont très productifs, presque tous les types ont un thermocouple en céramique sèche et une circulation. Volume - 175-195 l, consommation électrique - 2,5-9 kW. Temps de chauffage - 5 heures, avec un échangeur de chaleur - 25-40 minutes.
2. OKCE NTR/BP, dragice S avec chauffage indirect.
Chaudières fabriquées par Drazice pour 160-200 litres de type stockage. Convient aux besoins techniques et domestiques avec un volume donné. Ils fonctionnent à partir de chaudières à combustibles solides et liquides, d'équipements à gaz et de sources d'énergie alternatives. Le modèle peut être acheté complet avec des thermocouples auxiliaires intégrés dans la bride. Le corps est fini avec une peinture à base de poudre blanche, l'isolation thermique est facultative et doit être installée par vous-même.
Les chaudières OKCE 100-300 S/3 sont conçues pour une puissance de 2.506 kW. Le volume du réservoir est de 160 à 300 litres, la pression maximale est de 0,6 MPa et la température est de 80 °C. Le temps de chauffage prend de 3 à 8,5 heures. Drazice OKCE 100-250 NTR/BP ont une bride intégrale ou latérale. Ils peuvent fonctionner avec un volume d'eau de 95 à 125 litres à une pression de 0,6-1 MPa. La puissance de l'échangeur inférieur et supérieur est de 24-32 kW. La température maximale de l'eau est de 110 °C. Facteur de sécurité réseau IP44.
3. Types électriques.
Les chauffe-eau Dražice sont cumulatifs, conçus pour un montage mural. Étant donné que la distance entre les fixations n'a pas changé tout au long de l'histoire de l'entreprise, il ne sera pas difficile de remplacer l'ancien équipement par un plus avancé.L'activité est réalisée à l'aide d'un élément en céramique, qui est contrôlé par un thermostat. Un fusible est installé pour la sécurité. Les pièces peuvent être remplacées sans rompre l'étanchéité, grâce à la trappe de service.
Drazice OKHE 80-160 sont équipés d'un élément chauffant sec, d'une vis de réglage, d'une isolation thermique renforcée de 55 mm d'épaisseur, qui protège contre la perte de ressources. Volume du réservoir - 80-152 l, surpression nominale - 0,6 MPa. Consommation d'énergie - 2 kW, le temps de chauffage de l'eau à partir de l'électricité est de 2 à 5 heures.

4. Chaudières alimentées par un système de chauffage.
Cette série comprend Drazice OKC 200 NTR, OKCV NTR. Convient pour la préparation d'eau chaude à partir du transporteur ou à l'aide de systèmes solaires. Cet équipement de sol vertical ou horizontal à charnières de forme ronde. Le réservoir est fermé par un boîtier en acier traité avec de la laque blanche. La perte de chaleur est réduite par une couche de polyuréthane de 40 mm d'épaisseur. Équipé d'anodes en magnésium, échangeur tubulaire, thermomètre, trappe de service. Dans la configuration de l'OKS, l'isolation est fournie séparément, elle est montée indépendamment. Tous les modèles ont leur propre circulation. Le volume des réservoirs est de 150 à 245 litres dans la première version et de 300 à 1000 litres dans Drazice OKCV. La température de chauffage de l'eau est de 80-100 °C, la puissance des éléments est de 32-48 kW. Pression de travail - 1-1,6 MPa.

5. Chaudières avec deux échangeurs de chaleur en spirale.
Les chaudières de Drazice Solar, Solar Set, OKC NTRR sont utilisées pour les capteurs solaires. Le système est contrôlé par un contrôleur spécial qui active ou désactive la pompe, en fonction des fluctuations de température entre le système solaire et le ballon d'eau chaude. Le chauffage supplémentaire est effectué à l'aide d'un thermoélément électrique ou d'un échangeur de chaleur de type supérieur.
Les meilleurs modèles avec échangeur de chaleur
Vous ne pouvez utiliser de telles chaudières qu'en hiver, car l'eau ne sera chauffée qu'à partir de la chaudière. Mais vous ne dépenserez pas un centime d'argent supplémentaire, car il n'y aura pas de frais supplémentaires pour l'électricité.
Baxi Premier Plus–150

Ce modèle est l'un des leaders reconnus parmi les équipements de chauffage de l'eau. La qualité et la fiabilité sont garanties par un fabricant italien bien connu. Malgré le prix plutôt élevé, l'appareil occupe en toute confiance une position de leader. Après tout, la qualité des composants et de l'assemblage n'est pas satisfaisante.
Le réservoir interne de l'appareil est en acier inoxydable et a un volume de 150 litres. La technologie Coil-in-coil est fournie pour assurer un chauffage rapide et régulier. Une couche supplémentaire d'isolation thermique en mousse de polyuréthane minimisera les pertes de chaleur.
Principaux avantages:
- possibilité d'installation au sol ou au mur;
- chauffage rapide à la température souhaitée;
- si nécessaire, il est possible d'équiper d'un élément chauffant;
- il est possible de se connecter au circuit du système de recirculation ;
- caractéristiques de montage élevées, compatibilité avec de nombreux types de chaudières.
Moments désagréables :
- coût assez élevé;
- La sonde de température n'est pas compatible avec toutes les chaudières.
Drazice OKC 125 NTR

Un représentant éprouvé et sans prétention d'un fabricant tchèque. Superbement prouvé dans les réalités russes. Le chauffe-eau peut être raccordé à une chaudière à gaz ou à combustible solide. Grâce à un système de circulation spécialement conçu, l'eau est chauffée en très peu de temps.
Avantages:
- pas trop exigeant sur les paramètres du liquide de refroidissement;
- performances de haute qualité;
- coût abordable.
Moins :
- conçu pour une utilisation sous pression ne dépassant pas 6 atmosphères, il n'est donc pas très adapté à une installation dans des appartements (à partir du chauffage central);
- le réservoir émaillé a une résistance insuffisante à la corrosion.
Gorenje GV 120

Excellent modèle budgétaire. Équipé d'un réservoir de 120 litres en acier émaillé. Le chauffage est assez rapide.
Avantages :
- prix très attractif;
- possibilité d'installation au sol ou au mur;
- la possibilité de combiner avec une chaudière de tout type;
- compatibilité totale avec le chauffage central.
Défauts:
- réservoir avec revêtement en émail ;
- la présence uniquement du câblage supérieur, ce qui n'est pas toujours acceptable.
Protherm FE 200/6 BM

Une chaudière à chauffage indirect de haute qualité d'un fabricant slovaque. Parfaitement compatible avec de nombreux types de chaudières. Le réservoir fait 184 litres, ce qui est amplement suffisant pour une famille de plusieurs personnes. Afin de réduire la formation de taches corrosives et de tartre, la conception utilise une anode en titane. Le chauffage rapide de l'eau est dû à l'emplacement inférieur de l'échangeur de chaleur tubulaire.
Pour éliminer les conséquences d'une surchauffe de l'eau, le chauffe-eau est équipé d'un système de protection supplémentaire. Fourni une isolation thermique supplémentaire au moyen d'un "manteau de fourrure" en polyuréthane.
Avantages:
- réservoir avec revêtement antibactérien;
- la possibilité de se vider rapidement à travers un raccord spécial;
- un capteur de température qui vous permet de régler la température du chauffage de l'eau;
- assemblage de qualité;
- le prix est incroyable.
Moins :
- il n'y a aucune possibilité d'installation supplémentaire d'éléments chauffants;
- pas mal de poids.
Bosch WSTB 160-C

Excellente qualité allemande au meilleur prix. Le modèle a un réservoir d'un volume de 156 litres et peut être monté au sol sous une chaudière murale.Le réservoir en acier est recouvert d'un revêtement émaillé de haute qualité pour une protection contre la rouille. Capteurs de chauffage d'eau installés et protection antigel. Peut chauffer de l'eau jusqu'à 95 C.
Avantages :
- poids léger et petite taille;
- anode en magnésium pour prévenir la corrosion ;
- temps de chauffage maximum 37 minutes ;
- prix abordable.
Défauts:
aucun avis négatif trouvé.
Options de sélection

Avant de parler de la chaudière à chauffage indirect qu'il est préférable d'acheter, examinons certains points auxquels vous devez faire attention.
Volume du réservoir
Tout d'abord, ce paramètre dépend de la chaudière de chauffage qui sera connectée au circuit commun.
De plus, il convient de prêter attention aux besoins quotidiens en eau chaude. Un paramètre mal calculé peut conduire au fait qu'il sera tout simplement impossible d'utiliser de l'eau chaude à plusieurs points d'eau en même temps
Afin de ne pas manquer d'eau chaude, chaque membre de la famille doit disposer d'environ 70 à 80 litres de volume de réservoir. Cela permettra non seulement de laver la vaisselle, mais aussi de prendre un bain sans penser que la température de l'eau peut être inconfortable. Bien entendu, la puissance de la chaudière doit également correspondre aux paramètres calculés.
Dispositif échangeur de chaleur
Il existe deux versions :
Deux réservoirs placés l'un dans l'autre. L'intérieur est rempli d'eau. Et un liquide de refroidissement circule à travers l'espace de contour extérieur, fournissant un chauffage.
Système de bobine. La version standard utilise une bobine. Cependant, il existe des modèles où deux éléments similaires sont présents. Ainsi, la chaudière peut être connectée à une source alternative d'énergie thermique.
La présence d'éléments chauffants
Cela vaut la peine d'y prêter attention si vous souhaitez utiliser de l'eau chaude non seulement pendant la saison de chauffage, mais toute l'année. Si une alimentation alternative en liquide de refroidissement n'est pas disponible, l'appareil peut fonctionner comme une chaudière électrique conventionnelle, à partir du secteur
matériau du réservoir
Il existe trois modifications sur le marché : acier émaillé ou inoxydable et revêtement en titane. Ce dernier est beaucoup plus rare et plus cher.
Lors du choix d'un réservoir, vous devez faire attention à ses qualités anti-corrosion, ainsi qu'à la présence d'une anode supplémentaire en magnésium.
Pression de service
Cet indicateur est particulièrement important pour les unités installées dans des appartements. Le chauffage centralisé, malheureusement, ne peut pas se vanter de l'absence de sauts réguliers dans le système. Il est donc préférable de choisir des modèles avec une marge de sécurité.
Descriptif technique du chauffe-eau Drazice OKC 200 NTR
Le réservoir du chauffe-eau est en tôle d'acier et testé avec une surpression de 0,9 MPa. La surface intérieure du réservoir est émaillée. Une bride est soudée au fond du réservoir, sur laquelle le couvercle de bride est vissé. Un joint torique est inséré entre le couvercle de bride et la bride. Il y a des manchons dans le couvercle de la bride
pour accueillir les capteurs du thermostat de régulation et du thermomètre.
Une tige d'anode est installée sur l'écrou M8. Le réservoir d'eau est isolé avec de la mousse de polyuréthane rigide. Le câblage électrique est situé sous un couvercle amovible en plastique. La température de l'eau peut être réglée avec un thermostat. Vers le réservoir sous pression
échangeur de chaleur soudé.
Les vannes d'arrêt de l'échangeur de chaleur doivent être ouvertes, assurant ainsi le débit d'eau de chauffage du système de chauffage à eau chaude.Avec une vanne d'arrêt à l'entrée de l'échangeur de chaleur, il est recommandé d'installer une vanne de purge d'air, à l'aide de laquelle, si nécessaire, en particulier au début de la saison de chauffage, l'air est évacué de la chaleur échangeur.
Le temps de chauffage de la chaudière Drazice OKC 200 NTR au moyen d'un échangeur de chaleur dépend de la température et du débit d'eau dans le système de chauffage à eau chaude.




























