- Matériaux et outils
- Processus d'installation : comment se connecter
- Démarrage et vérification
- Deux en un. Chaudière à gaz avec chaudière
- Possibilité de raccorder une chaudière
- Puissance de chauffe
- Caractéristiques du chauffage couche par couche d'un liquide
- Les types
- Raccordement d'une chaudière à chauffage indirect à une chaudière à circuit unique - schéma
- Conception d'une chaudière à chauffage indirect
- Comment raccorder une chaudière à chauffage indirect (chauffe-eau)
- Avantages et inconvénients
- Comment choisir la bonne chaudière pour la chaudière
- Dispositif de stockage à double circuit pour le chauffage
- Avantages et inconvénients
- Recommandations
- Caractéristiques de fonctionnement
- Erreurs courantes lors de l'installation
- Tuyauterie de chaudière à chauffage indirect et chaudière
- Types de mise en page
Matériaux et outils
Matériaux:
- Tuyaux, vannes, clapets anti-retour - il n'y a pas d'exigences particulières pour eux: utilisez les mêmes matériaux que pour travailler avec des systèmes d'eau chaude ou de chauffage.
- Vase d'expansion - un réservoir séparé est nécessaire pour le système d'alimentation en eau domestique, il sert à éviter les chutes de pression soudaines lors de l'ouverture / fermeture des robinets.
Attention! Le réservoir doit être conçu pour être utilisé avec de l'eau chaude, généralement ces appareils sont marqués avec des marques spéciales. Pompe de circulation - une pompe séparée est généralement installée dans le circuit d'échange de chaleur avec un chauffe-eau
Pompe de circulation - en règle générale, une pompe séparée est installée dans le circuit d'échange de chaleur avec le chauffe-eau.
De plus, dans les systèmes ECS avec recirculation, une pompe séparée est nécessaire pour faire circuler l'eau dans le circuit ECS.
Cela élimine le besoin d'attendre que l'eau chaude coule dans des tuyaux de grande longueur depuis le site d'installation du chauffe-eau : l'eau sera immédiatement chaude.
- Fils et petites canalisations électriques - si vous prévoyez de connecter le thermostat du chauffe-eau à l'automatisation de la chaudière.
- Fixations - en particulier en cas de montage mural, également pour la fixation de tuyaux et de pompes.
- Ensemble de plomberie standard de produits d'étanchéité, joints, joints.
Outil:
- clé à gaz;
- clés de différents diamètres;
- Clé à molette;
- niveau du bâtiment ;
- perforateur, tournevis, tournevis;
- set minimum électricien : couteau, pince coupante, ruban isolant, testeur de phase.
Processus d'installation : comment se connecter
Idéalement, la chaudière doit être située le plus près possible de la chaudière de chauffage pour minimiser les pertes de chaleur.
L'eau froide est toujours fournie au tuyau inférieur de la chaudière et l'eau chaude est prélevée du tuyau supérieur.
- Choisissez l'emplacement du chauffe-eau afin qu'il ne gêne pas et qu'il soit facile à entretenir. Montez les supports, les supports, fixez-les dessus.
- Se raccorder au réseau d'eau froide : faire un robinet, mettre un robinet d'arrêt et un filtre grossier.
- À travers un té, déviez la conduite d'eau froide vers les consommateurs, connectez la deuxième sortie à la chaudière via une soupape de sécurité.
- Connectez la conduite d'eau chaude de la maison à la chaudière, sans oublier le vase d'expansion. De plus, installez des vannes de dérivation afin de pouvoir le déconnecter du circuit pendant la durée du service.
- Raccordez maintenant la chaudière à la chaudière à gaz selon l'un des schémas ci-dessus.N'oubliez pas d'éteindre la chaudière et de fermer le système avant de vous connecter !
- Connectez l'électronique, les capteurs, les pompes conformément aux instructions.
Démarrage et vérification
Après l'installation, il faut d'abord connecter et remplir la chaudière avec de l'eau froide. Assurez-vous que toutes les poches d'air sont éliminées du système et que la chaudière est complètement remplie afin de ne pas la faire surchauffer.
Lorsque la chaudière est pleine, réglez la température souhaitée à l'aide de l'automatisation. Démarrez la chaudière, ouvrez l'alimentation en liquide de refroidissement du système de chauffage vers la chaudière.
Lorsque le système est opérationnel, vérifiez que la soupape de sécurité (généralement réglée sur 8 bars) ne fuit pas, c'est-à-dire qu'il n'y a pas de surpression dans le système. Vous devez également vérifier toutes les connexions, les joints et les robinets pour détecter les fuites.
Deux en un. Chaudière à gaz avec chaudière

Pour économiser de l'espace dans l'aménagement intérieur, ainsi que pour simplifier le raccordement, vous pouvez recourir à des innovations dans le domaine de la plomberie. Des solutions prêtes à l'emploi ont été développées qui permettent l'utilisation d'une chaudière et d'une chaudière dans un complexe inséparable. Ces modèles sont une unité au sol, où le réservoir lui-même contenant de l'eau est situé directement sous la chaudière. Le volume d'eau peut être de 40, 60, 80 litres ou plus. Une chaudière à circuit unique avec une chaudière est fixée à l'aide de plaques de fixation, sans nécessiter de vissage supplémentaire. De plus, les thermostats, les monomètres, les panneaux à cristaux liquides vous permettent de surveiller et d'ajuster indépendamment l'alimentation en eau, de surveiller la température et de la modifier à l'aide d'un mécanisme rotatif depuis n'importe où dans votre propriété ou à partir d'un panneau numérique à distance. Un exemple frappant d'un tel modèle est la chaudière Baxi Luna 3 Comfort Combi.
Possibilité de raccorder une chaudière
Une chaudière pour une chaudière à gaz est un réservoir de stockage à l'intérieur duquel est placé un échangeur de chaleur. Ce modèle, en fait, est à double circuit, car il dispose d'un raccordement à la fois pour le système de chauffage et pour l'alimentation en eau chaude.
Les modèles à double circuit ont un chauffe-eau intégré de type à circulation, dont les modèles à circuit unique ne peuvent pas se vanter. L'avantage d'une chaudière à gaz avec un ballon de stockage intégré est qu'il n'est pas nécessaire de créer une chaudière à chauffage indirect. De plus, l'eau est chauffée beaucoup plus rapidement que dans les versions à circuit unique et ne réduit pas l'efficacité du caloporteur pour le chauffage.
Une chaudière séparée peut également être connectée à des chaudières à double circuit pour fournir plus d'eau chaude. Un tel équipement appartient à la technique du chauffage couche par couche. Vous pouvez également acheter une chaudière à gaz à double circuit avec une chaudière à chauffage indirect intégrée. Ces appareils sont combinés avec la chaudière, bien que des appareils séparés puissent être achetés. Selon ce qui vous convient le mieux : facilité de transport et d'installation ou placement compact, vous pouvez choisir un modèle séparé ou adjacent.
Si une chaudière à circuit unique est déjà installée, une chaudière de chauffage à couches spéciale peut être achetée pour celle-ci, qui est équipée d'un réchauffeur de liquide à circulation. Si vous avez besoin de gagner de la place dans l'appartement, vous pouvez opter pour une chaudière à circuit unique avec une chaudière à chauffage indirect intégrée.
Puissance de chauffe
Selon la puissance du brûleur à gaz, le débit du liquide dans le chauffe-eau instantané varie. De plus, le taux de chauffage de l'eau dépend des caractéristiques de conception de l'échangeur de chaleur.Une caractéristique du chauffage du liquide est son court contact avec l'échangeur de chaleur, par conséquent, pour réchauffer le liquide de refroidissement à la température souhaitée, beaucoup de chaleur est nécessaire. Pour augmenter les performances de l'élément chauffant, il est nécessaire d'augmenter la puissance du brûleur et d'augmenter le débit de gaz.
Pour que la température de l'eau dans la douche soit de 40 degrés, vous devrez régler le brûleur à une puissance générée de 20 kW, mais si le brûleur n'est pas conçu pour une telle puissance, il est alors impossible de prendre une douche chaude. Le bain a également besoin d'un brûleur puissant, car l'eau doit être chauffée rapidement dans de grands volumes pour un ensemble normal.
La plupart des chaudières ont une capacité d'environ 20 à 30 kW, et 10 kW suffisent pour chauffer une maison. Ainsi, toute la différence peut être utilisée pour fournir de l'eau chaude sanitaire. Des brûleurs modulants ont été développés pour les chaudières à eau chaude, qui couvrent la plage de 30 à 100 % de la puissance maximale.
Cependant, même les chaudières les plus faibles ont une puissance excédentaire, ce qui entraîne des allumages et extinctions fréquents du brûleur. Ce processus entraîne une usure rapide des équipements et augmente la consommation de carburant. Ces problèmes font de l'achat d'un modèle de chaudière plus puissant pour fournir plus de liquide chaud une solution non rentable et injustifiée.
C'est pourquoi, dans les modèles à double circuit, une chaudière est fournie qui contient de l'eau chaude, ce qui permet de la donner en grand volume tout en prenant une douche ou un bain. Ainsi, le chauffage couche par couche de l'eau est optimal : il assure le fonctionnement normal de l'équipement et n'entraîne pas l'usure du brûleur.
Caractéristiques du chauffage couche par couche d'un liquide
Caractéristiques du chauffage couche par couche d'un liquide
Dans les modèles à double circuit avec chauffage stratifié, l'eau est chauffée à l'aide d'un radiateur à plaques ou d'un chauffe-eau tubulaire. La présence d'un échangeur de chaleur supplémentaire est bénéfique dans les modèles à condensation, car il fournit de la chaleur supplémentaire à partir des produits de combustion. Le liquide entre dans la chaudière avec un chauffage couche par couche déjà chauffé, ce qui vous permet de préparer rapidement le liquide chaud dans le volume requis.
Les chaudières à gaz à double circuit au sol avec chaudière présentent de nombreux avantages.
- L'écoulement d'eau chaude dans les couches supérieures de la chaudière permet de prendre une douche 5 minutes après la mise en marche de l'échangeur de chaleur. En revanche, les chaudières à chauffage indirect assurent un chauffage plus long du liquide, car le temps est consacré à la convection de l'eau chaude en dessous de la source de chaleur.
- L'absence d'échangeur de chaleur à l'intérieur du réservoir de stockage vous permet de collecter plus d'eau chaude pour les besoins domestiques. Les performances de ces chaudières sont 1,5 fois supérieures à celles des modèles à chauffage indirect.
Les types
Les fabricants d'appareils de chauffage de l'eau ne lésinent pas sur le développement de modèles ultramodernes, s'orientant correctement dans l'intérêt de la population apparue il y a plusieurs années dans les appareils autonomes de chauffage et d'alimentation en eau chaude pour les logements privés.
Actuellement, il existe deux types d'appareils de chauffage à circuit unique :
- sol;
- mur.
Les options d'étage sont plus puissantes, mais leur placement nécessite des pièces séparées sous la forme d'une extension. Chauffe-eau mural - compact, de petite taille, monté au mur.C'est pourquoi le premier de ces modèles s'est répandu parmi les propriétaires de maisons privées suburbaines et urbaines, de chalets d'été et de chalets, et les chaudières murales ont trouvé leurs admirateurs dans les zones urbaines.


Ces deux chaudières ont un dispositif simple et compréhensible, une apparence attrayante et un haut degré de sécurité. Pour vous faire votre propre opinion sur lequel d'entre eux est le meilleur, vous n'avez qu'à vous fier aux tâches auxquelles ils sont confrontés. Parfois, il est plus rentable d'acheter une unité murale à circuit unique avec moins de puissance, mais qui est suffisante pour un système de chauffage à part entière à la maison, et de faire une simple tuyauterie pour relier la structure murale à une colonne qui sert à chauffer eau froide pour ses propres besoins (la colonne peut être électrique ou à gaz). Le kit de fixation de tuyau peut être acheté séparément.

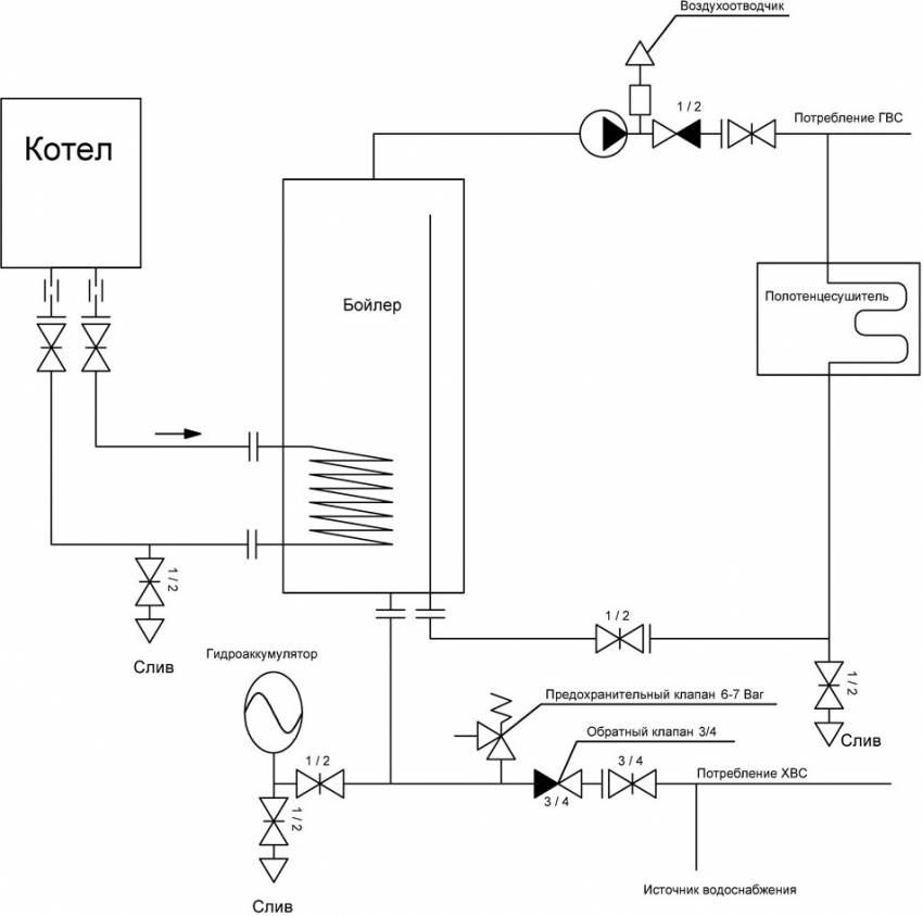
Raccordement d'une chaudière à chauffage indirect à une chaudière à circuit unique - schéma
Il est nécessaire, selon le schéma, de trouver les bornes du capteur de chaudière dans la chaudière et d'y connecter les extrémités du fil.
Les chaudières conventionnelles à chauffage indirect fonctionnent principalement avec des chaudières automatisées.
Raccordement de la chaudière à la chaudière à l'aide d'une vanne à trois voies Ce schéma de raccordement est parfait pour les chaudières à gaz équipées d'une pompe de circulation et d'un automatisme. La préférence est donnée aux modèles muraux qui peuvent être accrochés à une hauteur de 1 m au-dessus du sol.
La meilleure position est lorsque le bas du ballon d'eau chaude est plus haut que la chaudière et les radiateurs. Comment raccorder correctement une chaudière à chauffage indirect au système de chauffage ? Moins souvent, ils sont connectés à des chaudières autonomes de même volume.
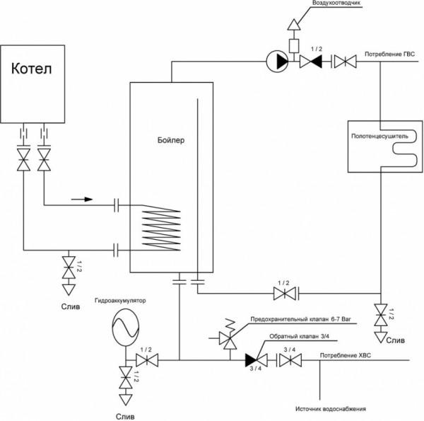
Conception d'une chaudière à chauffage indirect
Chauffage indirect Ces chauffe-eau sont thermiques ne produisent pas d'énergie par eux-mêmes. Si vous avez besoin de créer un schéma de raccordement pour une chaudière à combustible solide qui fonctionne au bois, nous vous recommandons de choisir l'option indiquée dans l'image ci-dessous. Certains fabricants produisent intentionnellement des équipements aux dimensions standard pour les connecteurs et les raccords.
Dans ce schéma, il n'y a pas de vanne à trois voies, le circuit est connecté via des tés conventionnels. Avec cette pièce, l'unité dure beaucoup plus longtemps. Le fonctionnement à des températures très élevées peut endommager prématurément l'intérieur du réservoir. Types de chaudières à gaz à double circuit avec une chaudière intégrée si elles sont nécessaires Les chaudières sont utilisées en conjonction avec des chaudières à gaz à simple et double circuit. La pompe de circulation est commune ici, elle entraîne le liquide de refroidissement à travers le circuit de chauffage et à travers le chauffe-eau.
Comment raccorder une chaudière à chauffage indirect (chauffe-eau)
Schéma de raccordement d'un chauffe-eau à chauffage indirect à un système gravitationnel Lors de la mise en œuvre de ce schéma, le circuit qui va au chauffe-eau est réalisé avec un tuyau d'un diamètre 1 pas plus grand que celui du chauffage. Ils ont un serpentin et un élément chauffant intégré.
Cette méthode de tuyauterie est utile pour ceux qui utilisent la chaudière en mode constant 2 : Option avec deux pompes de circulation . Le système de chauffage d'un appartement ou d'une maison fonctionne et, comme par hasard, comme effet secondaire, l'eau de la chaudière se réchauffe.Chaudière connectée à un équipement de chauffage et à des radiateurs électriques Cette méthode n'est possible que s'il existe un équipement de chaudière séparé pouvant fonctionner à partir de sources de chaleur naturelles sous forme de gaz liquéfié, de charbon ou de bois toute l'année. Le circuit d'eau chaude a également une priorité plus élevée que le circuit de chauffage, mais cela n'est obtenu qu'en réglant l'algorithme de commutation. La mise en œuvre du cerclage nécessite des calculs d'ingénierie thermique compétents préalables.
Oufa. Schéma électrique d'une chaudière à chauffage indirect.
Avantages et inconvénients
Les fortes qualités des chauffe-eau indirects peuvent être considérées en toute sécurité :
- Des volumes importants d'eau chaude et un approvisionnement ininterrompu en eau chaude et non tiède.
- Fourniture simultanée de plusieurs sources de consommation d'eau chaude de la température requise.
- Pendant la période chauffée de l'année, le coût de l'eau chauffée est le plus bas en termes de coûts. Étant donné que le chauffage se produit en raison de la chaleur déjà reçue d'un autre transporteur (système de chauffage).
- Le chauffage de l'eau, contrairement aux chauffe-eau instantanés, se produit sans délai inerte. J'ai ouvert le robinet et de l'eau chaude est sortie.
- Selon la disponibilité des sources de chaleur, plusieurs options énergétiques peuvent être appliquées, y compris l'énergie solaire.
Les faiblesses incluent :
- Des investissements financiers supplémentaires sont nécessaires. La chaudière à eau fonctionne en conjonction avec d'autres équipements.
- Il faudra beaucoup de temps pour que la chaudière chauffe initialement. Pendant cette période de chauffage, la température de chauffage de la maison peut diminuer.
- La chaudière doit être installée dans la même pièce que le système de chauffage. Le volume de la pièce doit permettre une installation complète du système de chauffage et de la chaudière.
Comment choisir la bonne chaudière pour la chaudière
La connexion du BKN à une seule chaudière nécessite une sélection d'équipements assez fine, répondant à un certain nombre d'exigences, car sinon un système inopérant sera créé en raison du blocage mutuel de deux types de chauffage - chauffage et eau chaude.
La source
Aspects nécessaires à prendre en compte avant d'installer une chaudière à gaz :
- Analyse de la faisabilité financière et économique de l'achat. On pense que l'achat se justifiera avec un débit d'eau chaude d'au moins 1,5 l/min, ce qui est suffisant pour assurer un service ECS pour une famille de 4 personnes.
- Le volume du réservoir de stockage. Les experts notent qu'un consommateur a besoin d'environ 100 litres d'eau chaude par jour.
- Performances de la chaudière. Cela dépend uniquement de ce paramètre si l'appareil est en mesure de garantir le chauffage simultané de l'appartement et le fonctionnement du BKN.
- Pompage horaire du liquide de refroidissement chauffé. Souvent, les acheteurs choisissent par erreur un équipement de pompage qui ne charge pas l'échangeur de chaleur.
- Type de matériau de la surface intérieure du chauffe-eau. Le réservoir d'eau ne doit pas être exposé à des processus corrosifs.
- période de chauffe. Plus le volume utile du récipient est important, plus le milieu liquide se réchauffera longtemps. Le chauffage principal de 100 litres d'eau prendra jusqu'à 2 heures. Cependant, un récipient en métal non corrosif peut chauffer le même volume en seulement 30 minutes.
- Matériau de construction d'isolation thermique.Dans les échantillons peu coûteux, l'isolation est équipée de revêtements en caoutchouc mousse, tandis que dans les puissants chauffe-eau à haute résistance, de la laine minéralisée ou de la mousse de polyuréthane est utilisée à cette fin.
- Dimensions. Il faut se rappeler que les chauffe-eau BKN sont de taille considérable et sont montés à proximité des chaudières. Il est nécessaire de sélectionner une chaudière en tenant compte des dimensions de la pièce où elle sera placée. Pour une capacité de 1000 litres, un local séparé sera nécessaire.
- Disponibilité de l'automatisation de la sécurité et de la régulation.
- Période de garantie et proximité des centres de service avec le site d'installation. Fabricant. Il est conseillé de privilégier les entreprises bien connues qui ont fait leurs preuves et qui ont des bureaux de marque en Russie.
Dispositif de stockage à double circuit pour le chauffage
Chaudière - un réservoir pour chauffer et accumuler de l'eau à la température souhaitée, qui sera délivrée au besoin par le propriétaire. Le modèle le plus simple : un réservoir équipé de quatre trous à parois renforcées et isolées, à l'intérieur duquel se trouve un serpentin.
Le travail est effectué selon l'algorithme suivant:
- Alimentation en eau chaude du système de chauffage vers le serpentin.
- Revenir.
- L'écoulement de l'eau froide directement dans le réservoir.
- La sortie du liquide chauffé du réservoir au robinet.

De plus, l'appareil comprend :
- Pompe de circulation.
- Capteur de température.
- Soupape de sécurité.
- Mécanisme de verrouillage.
- Clapet anti-retour.
- Protection anticorrosion.
Référence! Certains modèles assurent la circulation de l'eau chauffée de la chaudière entre les parois des réservoirs extérieur et intérieur. Ainsi, il faut beaucoup moins de temps pour attendre qu'il chauffe, mais un tel appareil coûte également plus cher.
Le chauffe-eau est connecté au système de chauffage juste à côté de la chaudière, parallèlement au câblage principal des appareils. Le circuit propre vous permet de garder la priorité du chauffage par rapport au système de chauffage. Réduit la fluctuation de température sur les radiateurs à accumulation lorsque le radiateur est allumé.
La sonde de température détecte une baisse de chaleur dans le ballon, suivie d'une commande à la pompe de circulation du circuit.
L'eau du système de chauffage est fournie au serpentin, le traverse, cédant une partie de l'énergie à l'eau encore froide déjà présente dans le réservoir.
Après avoir atteint le niveau souhaité, l'automatisation éteint la pompe. Lorsque le robinet des mitigeurs est ouvert, l'eau froide entrante déplace et dilue progressivement l'eau chaude. Puis le cycle se répète.
L'arrivée d'eau froide est équipée d'un clapet anti-retour qui l'empêche de se vider lorsque la pompe est éteinte. La pression dans le réservoir augmente, car les mélangeurs ne sont pas constamment utilisés et l'eau ne peut pas refluer. La soupape de sécurité ne permet pas à la pression d'atteindre un point critique, libérant un certain volume de liquide dans le drain.
Important! Le chauffe-eau est monté sur une surface plane à côté de la chaudière. Pour les modèles suspendus, un mur en rondins ou en briques convient au même niveau que la chaudière ou légèrement plus haut
Sous le sol, une partie de l'espace au sol est nivelée ou une rampe spéciale y est placée, sur laquelle la chaudière est installée.
Avantages et inconvénients
Les avantages incontestables des chaudières à chauffage indirect incluent les économies d'électricité.

Aucun brûleur à gaz ou source d'alimentation n'est nécessaire comme avec les appareils de chauffage direct.Le système de chauffage fera tout lui-même, ce qui réduit considérablement les coûts financiers.
Autres avantages :
- Productivité : un réservoir d'une capacité de cent litres, produit environ 400 litres d'eau chaude par heure.
- Alimentation en eau chaude quasi instantanée.
- Capacité à utiliser plusieurs sources d'énergie, comme un système géothermique.
- Prix démocratique.
- Simplicité dans l'appareil.
Moins :
- La vitesse de chauffe, même dans les derniers modèles, ne sera pas instantanée.
- Volumineux.
Attention! Si la famille est assez nombreuse, une pièce devra être réservée à la chaufferie, en vous pressant. Les petits modèles ne résoudront pas le problème du lavage
Recommandations
Lors du choix d'un modèle, il est nécessaire de porter une attention accrue aux caractéristiques suivantes:
- Capacité: pour deux personnes - 80-100 litres, pour trois - 100-120 litres, quatre ont besoin d'au moins 120-150 litres, cinq - 150-200 litres.
- La puissance : - dépend directement du nombre d'utilisateurs, alors qu'elle ne doit pas surcharger le potentiel du système de chauffage. Selon les experts, pour le fonctionnement coordonné normal de la chaudière et du chauffe-eau, une puissance d'au moins 24 kW est nécessaire.
- Matériau du réservoir : il est préférable de choisir des réservoirs en acier médical ou en acier inoxydable.
- Temps de préchauffage.
Il est recommandé d'acheter une version automatisée avec un capteur de température - cela rendra son utilisation plus facile et plus sûre, même pour les plus jeunes membres de la famille.
Caractéristiques de fonctionnement
- Les filtres des pompes doivent être systématiquement contrôlés et nettoyés.
- Tout modèle implique le réglage correct du thermostat, sinon la chaudière risque de surchauffer.
Photo 3. Le capitaine ajuste le thermostat d'une chaudière à gaz avec une chaudière pour éviter la surchauffe.
- Il est nécessaire de s'assurer que la température dans le réservoir ne dépasse pas les valeurs d'antigel.
- Vérifiez les anodes pour la corrosion. S'il en trouve un, la pièce est remplacée. Cela devrait être fait tous les six mois, et lorsque l'eau n'est pas dure, puis une fois par an.
Erreurs courantes lors de l'installation
La chaudière à chauffage indirect est un type de chauffage à accumulation plutôt nouveau et, malgré son apparence simple, il s'agit d'un dispositif d'ingénierie thermique complexe qui nécessite une sélection minutieuse, une installation précise et un réglage des fonctionnalités. Lors de l'installation du BKN, des erreurs sont souvent commises, dont les plus courantes :
- Lieu d'installation de l'équipement mal choisi. Par exemple, un boîtier en plastique ou en acier inoxydable doit être placé le plus près possible de la chaudière.
- Tuyauterie incorrecte de la source d'eau du robinet.
- Mauvaise tuyauterie de la pompe de circulation.
- Violation de l'isolation ECS avec une couche inférieure à 20 mm et la conductivité thermique de la couche isolante - 0,030 W / m2. Cela isole non seulement les surfaces chauffantes chaudes des tuyaux, mais également tous les composants de fonctionnement.
- Un raccordement incorrect à l'alimentation en eau ou un manque d'isolation est la principale raison de la formation de condensat sur ces conduites.
- Une erreur courante dans le système BKN est l'absence de vase d'expansion qui compense la pression de la dilatation thermique de l'eau dans le réservoir.
Tuyauterie de chaudière à chauffage indirect et chaudière

Selon l'esprit, il n'est pas nécessaire d'utiliser les possibilités du deuxième circuit d'une chaudière à double circuit lors du chauffage d'une chaudière à chauffage indirect. Il est nécessaire de lier le travail du circuit primaire au fonctionnement simultané avec chauffage et chauffage à eau chaude. Pour ce faire, il est nécessaire de connecter la chaudière et la chaudière via le collecteur de distribution.Le collecteur servira d'intermédiaire et distribuera le liquide de refroidissement chaud dans tout le système de chauffage et la chaudière de chauffage indirect. Tout cela chauffera la chaudière à double circuit.
Afin d'éviter des dépenses excessives pour le chauffage de l'eau chaude, il est nécessaire de connecter votre propre pompe au circuit de la chaudière. Un thermostat à distance doit être acheté pour la chaudière. Le thermostat à distance doit être connecté à la pompe afin qu'il fonctionne pour allumer et éteindre la pompe.
Lorsque la chaudière refroidit, le thermostat signale à la pompe de se mettre en marche. La chaudière commencera à chauffer. Une fois la température souhaitée atteinte, le thermostat émettra un signal pour s'éteindre.
Un tel schéma de connexion d'une chaudière à double circuit et d'une chaudière à chauffage indirect ne peut pas être qualifié d'idéal, mais il vous permet de chauffer normalement de l'eau chaude. La solution la meilleure et la plus économique serait d'acheter une chaudière à circuit unique avec une fonction de raccordement à la chaudière. Un tel schéma n'aurait pas à être clôturé.
Types de mise en page
Les avantages et les inconvénients des chaudières à gaz à double circuit sont bien connus, ils sont assez bons pour desservir 2-3 petits consommateurs. Mais que se passe-t-il s'il y a plus de consommateurs et que l'utilisation de chauffe-eau électriques est exclue ? Il existe plusieurs solutions modernes pour cela:
- Chaudières à gaz murales avec chaudière intégrée.
- Installations de chauffage avec un ballon de stockage externe pour l'eau chaude.
- Chaudières de chauffage indirect.
La pratique montre que pour une famille de 3 personnes pour les besoins ménagers et sanitaires, il suffit d'avoir un radiateur électrique capacitif d'une capacité de 50 litres dans la maison. Bien sûr, l'utilisation de l'eau chaude dans des limites raisonnables est implicite.Afin de ne pas acheter un tel appareil de chauffage et de ne pas poser de câbles et de canalisations supplémentaires, il vous suffit de choisir une unité de chauffage murale, à l'intérieur de laquelle se trouve un réservoir d'une capacité de 46 à 50 litres. Sa conception est deux en un : une chaudière à gaz avec une chaudière à chauffage indirect à l'intérieur. Le principe de fonctionnement est également préservé: une partie du liquide de refroidissement va au système de chauffage de la maison et l'autre au serpentin de la chaudière interne. Après avoir atteint une certaine température de l'eau dans le réservoir, qui est déterminée par le capteur, tout le volume du liquide de refroidissement passe au chauffage de la maison.
1 - ventilateur - extracteur de fumée ; 2 – échangeur de chaleur à haute performance ; 3 - chambre de combustion ; 4 - réservoir de stockage en acier inoxydable ; 5 - unité de commande avec affichage.
La conception du réchauffeur comprend 2 pompes de circulation, l'une pompe le liquide de refroidissement à travers le système de chauffage et la seconde à travers le serpentin de la chaudière, tandis que le brûleur fonctionne au maximum pour le chauffage le plus rapide de l'eau dans le réservoir. Plus tard, le circuit passe en mode de maintien de la température de l'eau, ce qui réduit la consommation de carburant.
Les chaudières à gaz murales plus puissantes sont équipées de réservoirs et d'une plus grande capacité, mais elles ne dépassent généralement pas 100 litres.



































