- Avantages et inconvénients des foyers faits maison pour les tests
- Le principe de fonctionnement de l'appareil
- Le principe de fonctionnement du poêle à ventre
- 3 options polyvalentes
- Types de poêles artisanaux en développement
- L'appareil et les inconvénients d'un poêle à ventre de type ouvert
- Avantages et inconvénients d'un compte-gouttes
- Comment faire une chaudière à huile usée de vos propres mains
- Outils et matériaux
- Processus de fabrication
- Construction d'une chaudière plus puissante
- Avantages des chaudières de chauffage en développement
- économie
- autonomie
- Simplicité de l'appareil
- Abordabilité
- Large gamme d'applications
- Respect de l'environnement
- Efficacité d'utilisation
- Poêle à ventre de deux barils
- Installation et essai d'allumage
- Installation de fournaise à l'huile usée
- Ce qui est requis pour le travail
- Préparation et montage du four (dessin)
- Créer une fournaise à l'huile usée de vos propres mains - leçon vidéo
- Types de poêles artisanaux en développement
- L'appareil et les inconvénients d'un poêle à ventre de type ouvert
- Avantages et inconvénients d'un compte-gouttes
Avantages et inconvénients des foyers faits maison pour les tests
Avant de chercher sur Internet des tutos "comment faire un four travailler dans le garage", vous devez décider s'il vaut la peine de jouer avec sa fabrication ou, peut-être, s'il vaut mieux utiliser une autre méthode de chauffage.

L'étude des informations sur les avantages et les inconvénients des poêles à ventre plat dans l'huile moteur vous aidera à répondre à cette question. Les avantages de tels appareils:
- chauffage de haute qualité;
- aucune dépendance à l'électricité;
- facilité d'entretien et d'utilisation;
- dimensions compactes ;
- facilité de transport;
- faible coût du carburant;
- la capacité de cuisiner des aliments;
- pas de flamme nue présente.

Les inconvénients incluent:
- le carburant doit être filtré;
- la cheminée doit être nettoyée régulièrement, et ses dimensions sont très importantes ;
- la surface du poêle, en s'échauffant, devient dangereuse;
- travailler a une odeur désagréable;
- le feu ne peut pas être éteint, il brûlera jusqu'à ce que le carburant soit complètement brûlé;
- degré élevé de risque d'incendie avec une utilisation illettrée;
- bruit au travail.
Le principe de fonctionnement de l'appareil
La combustion du combustible dans un poêle à ventre pendant le traitement se déroule en deux étapes principales. Initialement, l'huile remplie brûle dans le réservoir, après quoi les gaz se mélangent à l'air, pénètrent dans la deuxième chambre, où ils sont brûlés et fournissent l'efficacité de chauffage maximale possible de la pièce. Dans le même temps, la consommation de carburant est considérablement réduite et la nécessité de faire le plein en permanence de l'unité disparaît.
Un poêle à ventre bien assemblé dans l'huile se composera de deux compartiments séparés. La première chambre est un petit réservoir où l'huile usée est versée. La combustion du carburant se produit à une température relativement basse. Ci-dessus se trouve une post-combustion, où le gaz résultant est mélangé à de l'air et brûle à une température d'environ 800 degrés. Les parois métalliques du poêle à ventre chauffent et le métal épais retient efficacement la chaleur, chauffant rapidement une petite pièce.
Dans cette vidéo, vous apprendrez des informations utiles dans la fabrication de poêles à ventre:
Le principe de fonctionnement du poêle à ventre
Le travail du poêle ventru est basé sur le phénomène de pyrolyse.Un tel four, où le mazout est utilisé comme combustible, comporte 2 compartiments principaux : un réservoir et une chambre de combustion situés à différents niveaux. Le premier est destiné au coulage de l'exploitation minière et à sa combustion.
Dans un autre compartiment, situé au-dessus, a lieu la post-combustion des produits de combustion de l'exploitation minière, mélangés à l'air. Au premier stade, la température est relativement modérée et au deuxième stade, elle est beaucoup plus élevée - jusqu'à 800⁰.
Dans la fabrication d'un tel four, la tâche principale est de s'assurer que l'air pénètre dans les deux compartiments. Il pénètre dans la première chambre par une ouverture destinée à charger du combustible liquide. Le trou est équipé d'un amortisseur spécial, à travers lequel le volume d'alimentation en air est régulé.
Malgré le fait que la conception du four soit très simple, des exigences accrues sont imposées à la cheminée du poêle à ventre. Pour une élimination efficace des produits de combustion, il est nécessaire de préparer un tuyau droit d'un diamètre supérieur à 10 cm et d'une longueur supérieure à 400 cm.Les coudes et les sections horizontales sont hautement indésirables. En plus de sa destination, le tuyau agit également comme échangeur de chaleur résiduelle
L'accès de l'air au deuxième réservoir est assuré par des trous d'un diamètre d'environ 9 mm. L'efficacité d'un poêle à ventre correctement assemblé atteint 90%. Visuellement, différents poêles à ventre peuvent différer les uns des autres par leur forme et leur taille, mais le principe de fonctionnement est le même.
La puissance du poêle à ventre est proportionnelle au volume du réservoir inférieur. Plus il est grand, moins vous devez souvent ajouter de minage. Parfois, ce conteneur est rendu très massif, contenant environ 30 litres d'huile usée.
L'amélioration de la conception simple du poêle au travail a permis d'inventer une unité pour aménager un garage, dans lequel il serait agréable de se laver les mains à l'eau chaude, ou un petit bain privé:
Galerie d'images
Photo de
Chambre de postcombustion minière agrandie
Chambre basse en forme de tiroir
Schéma pratique pour couler l'exploitation minière
Réservoir d'eau chaude pratique
3 options polyvalentes
Il n'est pas difficile de fabriquer un tel appareil et tout le monde peut comprendre comment le fabriquer. Le réservoir inférieur de l'unité est une forme classique de poêle à bois et se compose d'un conteneur pour le chargement du bois de chauffage à partir de la grille et d'un compartiment pour la collecte des cendres (cendrier). Bien sûr, on ne peut pas se passer d'une cheminée, il faut donc aussi l'installer. D'en haut, la capacité de la chambre de combustion primaire est installée, où se trouve l'exploitation minière, et une vue avec un amortisseur est montée.
La chambre inférieure modifiée est reliée à la chambre secondaire à l'aide d'un tuyau avec des trous qui peuvent être obturés si nécessaire. Une cheminée est installée au dessus. Lors de l'utilisation d'un poêle à ventre dans la version classique sur bois, le réservoir d'huile doit être retiré et l'amortisseur et les trous sur le tuyau doivent être fermés. Dans un tel poêle, vous pouvez brûler du bois, du charbon et de la sciure de bois. Pour utiliser l'huile, les étapes doivent être effectuées dans l'ordre inverse, c'est-à-dire ouvrir les amortisseurs et installer la chambre où l'exploitation minière est stockée.

Pour que l'appareil fonctionne en toute sécurité, il doit être constamment nettoyé. Pour ce faire, la chambre secondaire est retirée et les résidus de produits de combustion sont éliminés dans des endroits accessibles. La cheminée est également taraudée pour éliminer la suie accumulée pendant le fonctionnement. Le récipient où l'huile est stockée doit être nettoyé de la saleté.
Types de poêles artisanaux en développement
L'huile moteur contaminée par des impuretés ne s'enflamme pas d'elle-même. Par conséquent, le principe de fonctionnement de tout poêle à mazout est basé sur la décomposition thermique du combustible - la pyrolyse.En termes simples, pour obtenir de la chaleur, l'exploitation minière doit être chauffée, évaporée et brûlée dans le fourneau, fournissant un excès d'air. Il existe 3 types d'appareils où ce principe est mis en œuvre de différentes manières :
- La conception la plus simple et la plus populaire de la combustion directe avec post-combustion des vapeurs d'huile dans un tuyau perforé de type ouvert (le soi-disant poêle miracle).
- Four d'égouttement d'huile usagée avec post-combustion fermée ;
- Brûleur Babington. Comment cela fonctionne et comment le fabriquer vous-même est décrit en détail dans notre autre publication.
L'efficacité des poêles chauffants est faible et s'élève au maximum à 70 %. A noter que les frais de chauffage indiqués en début d'article sont calculés sur la base de générateurs de chaleur d'usine avec un rendement de 85% (pour un tableau complet et un comparatif du mazout avec du bois de chauffage, vous pouvez vous rendre ici). En conséquence, la consommation de carburant dans les appareils de chauffage faits maison est beaucoup plus élevée - de 0,8 à 1,5 litre par heure contre 0,7 litre pour les chaudières diesel par 100 m² de surface. Considérez ce fait en reprenant la fabrication du four pour les tests.
L'appareil et les inconvénients d'un poêle à ventre de type ouvert
Le foyer à pyrolyse présenté sur la photo est un récipient cylindrique ou carré, rempli au quart d'huile usée ou de gasoil et équipé d'un volet d'air. Un tuyau percé de trous est soudé sur le dessus, à travers lequel l'air secondaire est aspiré en raison du tirage de la cheminée. Encore plus haut se trouve la chambre de postcombustion avec un déflecteur pour évacuer la chaleur des produits de combustion.
Le principe de fonctionnement est le suivant: le combustible doit être enflammé à l'aide d'un liquide inflammable, après quoi l'évaporation de l'exploitation minière et sa combustion primaire commenceront, provoquant une pyrolyse.Les gaz combustibles, pénétrant dans un tuyau perforé, s'enflamment au contact d'un courant d'oxygène et sont complètement brûlés. L'intensité de la flamme dans le foyer est régulée par un volet d'air.
Ce réchaud minier n'a que deux avantages : simplicité à faible coût et indépendance vis-à-vis de l'électricité. Le reste sont des inconvénients solides:
- un tirage naturel stable est requis pour le fonctionnement, sans cela, l'unité commence à fumer dans la pièce et à s'estomper ;
- l'eau ou l'antigel qui pénètre dans l'huile provoque des mini-explosions dans le foyer, ce qui provoque des éclaboussures de gouttes de feu de la postcombustion dans toutes les directions et le propriétaire doit éteindre le feu ;
- consommation de carburant élevée - jusqu'à 2 l / h avec un mauvais transfert de chaleur (la part du lion de l'énergie vole dans le tuyau);
- le boîtier monobloc est difficile à nettoyer de la suie.
Bien qu'extérieurement les poêles à ventre diffèrent, mais ils fonctionnent selon le même principe, sur la photo de droite, les vapeurs de carburant brûlent à l'intérieur d'un poêle à bois
Certaines de ces lacunes peuvent être comblées à l'aide de solutions techniques efficaces, qui seront abordées ci-dessous. Pendant le fonctionnement, les règles de sécurité incendie doivent être suivies et l'huile usée doit être préparée - défendue et filtrée.
Avantages et inconvénients d'un compte-gouttes
La différence cardinale de ce four est la suivante :
- le tuyau perforé est placé à l'intérieur d'un boîtier en acier à partir d'une bouteille ou d'un tuyau de gaz ;
- le carburant pénètre dans la zone de combustion sous forme de gouttelettes tombant au fond du bol situé sous la postcombustion ;
- Pour augmenter l'efficacité, l'unité est équipée d'air forcé au moyen d'un ventilateur, comme indiqué sur le schéma.
Schéma d'un compte-gouttes avec une alimentation en carburant inférieure à partir d'un réservoir de carburant par gravité
Le véritable inconvénient d'un réchaud goutte à goutte est la difficulté pour un débutant. Le fait est que vous ne pouvez pas vous fier entièrement aux dessins et aux calculs d'autres personnes, l'appareil de chauffage doit être fabriqué et réglé en fonction de vos conditions de fonctionnement et organiser correctement l'alimentation en carburant. Autrement dit, cela nécessitera des améliorations répétées.
La flamme chauffe le corps du corps de chauffe dans une zone autour du brûleur
Le deuxième point négatif est typique des poêles suralimentés. En eux, un jet de flamme frappe constamment un endroit du corps, c'est pourquoi ce dernier s'éteindra assez rapidement s'il n'est pas en métal épais ou en acier inoxydable. Mais les inconvénients listés sont plus que compensés par les avantages :
- L'unité fonctionne en toute sécurité, car la zone de combustion est entièrement recouverte d'un boîtier en fer.
- Consommation acceptable d'huile usée. En pratique, un poêle à ventre bien réglé avec un circuit d'eau brûle jusqu'à 1,5 litre en 1 heure pour chauffer 100 m² de surface.
- Il est possible d'envelopper le corps avec une chemise d'eau et de refaire le four pour le transformer en chaudière.
- L'alimentation en carburant et la puissance de l'unité peuvent être ajustées.
- Peu exigeant pour la hauteur de la cheminée et la facilité de nettoyage.
Chaudière à air sous pression brûlant de l'huile moteur et du carburant diesel usagés
Comment faire une chaudière à huile usée de vos propres mains
La simplicité de conception de tels appareils de chauffage vous permet de les fabriquer vous-même. Dans ce cas, il est nécessaire d'avoir des compétences en serrurerie et soudure.
Outils et matériaux
Pour fabriquer une chaudière de vos propres mains, les appareils suivants sont nécessaires:
- Bulgare;
- Machine de soudage;
- un marteau.
Pour fabriquer une chaudière à huile usée de vos propres mains, n'oubliez pas le broyeur
En tant que matériau pour la structure de chauffage, vous devez acheter:
- tissu d'amiante réfractaire;
- mastic résistant à la chaleur;
- tôle d'acier de 4 mm d'épaisseur;
- tuyau métallique d'une section transversale de 20 et 50 centimètres;
- compresseur;
- tuyau d'aération;
- disques;
- boulons;
- adaptateurs en acier;
- coins d'un demi-pouce;
- tees;
- renfort avec une section transversale de 8 millimètres;
- pompe;
- vase d'expansion.
Le corps de la chaudière pour le chauffage de petites pièces peut être constitué d'un tuyau; pour un appareil de puissance supérieure, il est préférable d'utiliser des tôles d'acier.
Processus de fabrication
L'unité d'huile usée peut être construite dans n'importe quelle forme. Pour chauffer un garage ou de petits bâtiments agricoles, il est préférable de fabriquer une petite chaudière avec des tuyaux.
La fabrication d'un tel appareil de chauffage comprend les étapes suivantes :
- Un tuyau métallique de grande section est coupé de manière à ce que sa taille corresponde à un mètre. Deux cercles correspondant à un diamètre de 50 centimètres sont préparés en acier.
- Le deuxième tuyau avec un diamètre plus petit est raccourci à 20 centimètres.
- Dans la plaque ronde préparée, qui servira de couvercle, un trou est découpé correspondant à la taille de la cheminée.
- Dans le deuxième cercle métallique, destiné au bas de la structure, une ouverture est pratiquée, à laquelle l'extrémité d'un tuyau de plus petit diamètre est reliée par soudage.
- Nous avons découpé un couvercle pour un tuyau d'une section de 20 centimètres. Tous les cercles préparés sont soudés comme prévu.
- Les jambes sont construites à partir de renforts, qui sont attachés au fond du boîtier.
- De petits trous sont percés dans le tuyau pour la ventilation. Un petit conteneur est installé en dessous.
- Dans la partie inférieure du boîtier, à l'aide d'une meuleuse, une ouverture pour la porte est découpée.
- Une cheminée est attachée au sommet de la structure.
Pour faire fonctionner une chaudière aussi simple dans l'exploitation minière, il vous suffit de verser de l'huile dans le réservoir par le bas et de l'allumer avec une mèche. Avant cela, la nouvelle conception doit être vérifiée pour l'étanchéité et l'intégrité de toutes les coutures.
Construction d'une chaudière plus puissante
Deux boîtes sont en tôle d'acier solide, qui sont reliées par un tuyau perforé. Dans la conception, il est utilisé comme bouche d'aération.
Le processus de fabrication ultérieur de l'appareil de chauffage présente certaines caractéristiques :
- Un trou est percé dans le corps inférieur de la chaudière pour alimenter en huile le réservoir d'évaporation. Un amortisseur est fixé en face de ce conteneur.
- La boîte située dans la partie supérieure est complétée par un trou spécial pour le tuyau de cheminée.
- La conception est équipée d'un compresseur d'air, d'une pompe d'alimentation en huile et d'un récipient dans lequel le carburant est versé.
Chaudière à huile usée à faire soi-même
Si le chauffage de l'eau est nécessaire, un circuit supplémentaire est connecté, ce qui nécessite l'installation d'un brûleur. Vous pouvez le construire vous-même :
- les coins d'un demi-pouce sont reliés par des éperons et des tés ;
- un raccord est fixé à l'oléoduc à l'aide d'adaptateurs ;
- toutes les connexions sont prétraitées avec un scellant ;
- un couvercle de brûleur est découpé en tôle d'acier, correspondant aux nids sur la chaudière fabriquée ;
- deux tailles différentes de plaques d'acier sont utilisées pour installer le brûleur ;
- l'intérieur de l'adaptateur de tube est étroitement recouvert d'une feuille d'amiante, qui est fixée avec du mastic et fixée avec du fil;
- le brûleur est inséré dans le logement qui lui est destiné ;
- après cela, une plaque plus petite est fixée dans le nid et recouverte de quatre couches d'amiante ;
- une grande plaque est montée comme plaque de montage ;
- des trous y sont percés pour les fixations et une feuille d'amiante est appliquée sur le dessus;
- deux plaques préparées sont reliées par des boulons.
Pour éviter que le brûleur ne se désagrège pendant le fonctionnement de la chaudière, toutes les pièces doivent être soigneusement et solidement fixées. L'appareil est allumé par une bougie de préchauffage.
Les chaudières à mazout sont considérées comme des appareils économiques et pratiques. Ils peuvent être achetés dans un magasin spécialisé ou construits indépendamment. Lors de l'utilisation de tels appareils de chauffage, il est nécessaire de se rappeler les règles de sécurité, qui incluent l'installation obligatoire d'une cheminée, la présence d'un système de ventilation et le stockage approprié du combustible liquide.
Avantages des chaudières de chauffage en développement
Les chaudières à mazout présentent de nombreux avantages.
économie

La chaudière fonctionne avec de l'huile usée déjà primaire. Un appareil correctement configuré le brûle complètement.
Le plus souvent, ces appareils sont achetés par des personnes qui ont accès à du carburant en quantité illimitée.
Par exemple, les travailleurs des dépôts ou les usines de construction de machines. Mais même si vous devez acheter le liquide utilisé, vous resterez toujours dans le noir.
Le coût du pétrole est minime et sa consommation est économique. L'huile brûle complètement, ce qui signifie que chaque centime dépensé sera épuisé.
autonomie
Une telle chaudière fonctionne de manière autonome, sans être connectée à un système de chauffage stationnaire. L'acheteur indépendamment, indépendamment de l'alimentation en chaleur centralisée, décide où l'appareil sera installé. C'est le cas chez les particuliers, où le chauffage indépendant est indispensable en saison froide.
Simplicité de l'appareil
L'appareil est si facile à assembler et à utiliser que certains artisans tentent de l'assembler eux-mêmes. Le principe de fonctionnement d'une unité faite maison et achetée est similaire, et les ressources dépensées pour la fabrication ou l'achat sont presque les mêmes.
Abordabilité
Ce n'est pas un hasard si de tels appareils de chauffage sont très populaires. Malgré le fait qu'il existe peu de fabricants de tels appareils sur le marché, ils ne surestiment pas le coût, car ils savent bien qu'un tel appareil peut être assemblé à la maison. Avec le bas prix du combustible, le consommateur peut récupérer son achat dès la première saison de chauffage.

Photo 1. Deux chaudières (jaune et rouge) fonctionnant à l'huile usée. Fabricant : Thermobile.
Large gamme d'applications
Les chaudières à mazout ne sont pas utilisées uniquement pour chauffer des locaux d'habitation. On les trouve souvent dans les bureaux, les institutions et même les zones industrielles et les entrepôts. Ce sont ces facteurs qui ont influencé le fait que de tels dispositifs ont reçu une large gamme d'applications.
Respect de l'environnement
Le carburant brûle complètement. Dans le même temps, les déchets toxiques et les substances nocives ne sont pas émis dans l'atmosphère environnante. Le fonctionnement de l'appareil est absolument inoffensif pour les personnes et l'environnement. De nombreux modèles de fabricants sont marqués du label écologique de diverses organisations environnementales.
Efficacité d'utilisation

L'appareil chauffe rapidement l'air et la pièce environnante, maintient la température réglée. La chaleur est ressentie presque immédiatement après avoir allumé l'appareil.
Non seulement il reste dans la pièce et ne disparaît pas avec le temps, mais il se propage également dans d'autres pièces.
Poêle à ventre de deux barils
Bourgeoisie maison encore plus différente. Il y a beaucoup de structures. Des conceptions les plus élémentaires aux plus complexes.

Les appareils de chauffage les plus courants pour les garages et les chalets sont les poêles à ventre
Une version très intéressante de ce poêle ventru à partir de deux fûts de diamètres différents imbriqués l'un dans l'autre. Comment le fabriquer : il faut deux fûts de diamètres différents, des briques à la place des pieds (vous pouvez souder du métal si vous le souhaitez), des portes et des charnières, du métal pour faire une grille et un couvercle. Des cailloux, de l'argile et du sable seront nécessaires pour faire du remblai.
Poêle à ventre de deux barils
- Commençons par la fabrication du remblai : mélangez des cailloux, du sable et de l'argile et enflammez-les.
- Nous avons coupé les mêmes trous dans les deux barils pour le ventilateur et le remplissage de carburant. Mais vous devez le faire avec un décalage. Nous commençons avec un baril plus petit. Nous découpons la porte du ventilateur à 2-3 cm au-dessus du bas, au-dessus à 10-15 cm au-dessus de la porte pour la pose de carburant. Nous le faisons également dans un baril plus grand, mais le trou du bas est déjà à une distance de 10-15 cm du fond, respectivement, la deuxième porte est également plus haute (la distance entre les portes est exactement comme sur un baril plus petit).
- Dans un baril plus petit au-dessus du trou de la porte du ventilateur, soudez un cercle de grille dans lequel des trous sont découpés.
- Au fond du plus grand baril, versez le remblai préparé. Nous sélectionnons le niveau de sorte que les trous pour les portes coïncident. De plus, les canons sont en contact avec les faces avant et une distance décente reste derrière. Remplir toute cette distance avec le même remblai en le compactant bien.
- Alignez les trous, soudez-les autour du périmètre, soudez les charnières et les portes, installez les serrures.
- Ensuite, vous devez installer le couvercle du poêle, y percer un trou pour la cheminée et bien le souder.
- La dernière étape consiste à installer la cheminée.
Tout, le poêle à ventre du tonneau est prêt. La particularité de cette conception est qu'elle donne une chaleur plus douce : la majeure partie du rayonnement dur est absorbée par le remblai. Cette structure peut probablement même être remplie de pierres, après avoir finalisé le couvercle afin qu'il soit possible de servir les pierres (changer celles détruites).
Quelle que soit la conception que vous choisissez, il y a quelques règles que vous devez suivre afin de vous conformer à la sécurité incendie :
- Un four de n'importe quelle conception doit être placé sur une base faite de matériaux ignifuges, tels que des carreaux résistants à la chaleur, des briques ou des feuilles de carton d'amiante.
- Les dimensions du four doivent être telles que l'espace devant le four par rapport au mur soit d'au moins 1,2 m.
- Ne placez pas un four métallique à moins de 1 m du mur. Si la paroi de la baignoire est recouverte de métal ou enduite d'une couche d'au moins 2,5 cm, cette distance peut être réduite à 80 cm.
- Une isolation suffisante de la cheminée est également très importante. Il est plus sûr de le fabriquer à partir d'un tuyau sandwich.
Suivez ces règles simples et votre poêle de sauna en métal fait maison vous ravira avec un excellent travail et une forte chaleur pendant longtemps. Vous pouvez en savoir plus sur l'installation d'un poêle dans l'article "Comment installer un poêle en métal pour un bain".
Installation et essai d'allumage
Le lieu d'installation du poêle doit être choisi le plus loin possible des objets et matériaux sensibles à la chaleur. L'appareil devient très chaud. S'il est manipulé avec négligence, il peut endommager des biens et même provoquer un grave incendie.
Il doit y avoir une base ininflammable sous l'appareil.Ne placez pas un tel appareil dans des lieux de mouvement actif de courants d'air. Sous l'influence d'un courant d'air, la flamme peut être éteinte, ce qui est dangereux. Prêt et installé dans un endroit approprié, le four est relié à une cheminée verticale.
Ensuite, un tir d'essai est effectué. Pour ce faire, de l'huile est versée dans le réservoir de carburant et environ 100 ml de liquide pour cheminées ou une autre composition similaire sont ajoutés par-dessus. Au début, ce liquide brûlera, mais bientôt l'huile bouillira, l'appareil commencera à faire du bruit. Cela signifie que le four est fabriqué correctement, il peut être utilisé conformément à sa destination.
Tous les travaux de soudage doivent être effectués avec soin, une couture serrée et uniforme est nécessaire pour que l'appareil soit sûr et facile à nettoyer
L'huile avant de verser dans le réservoir doit être défendue pendant un certain temps afin que les impuretés inutiles se déposent et ne pénètrent pas à l'intérieur. Seuls les deux tiers de la capacité doivent être remplis, le processus de combustion primaire sera alors plus efficace et plus sûr.
De temps en temps, il est nécessaire de nettoyer l'intérieur du réservoir de carburant des contaminants accumulés. Le couvercle est retiré et l'huile restante est simplement vidangée, les dépôts sont éliminés, etc. De temps en temps, vous devez tapoter le tuyau perforé et la cheminée pour éliminer la suie et la suie collectées.
Installation de fournaise à l'huile usée
La fondation d'un tel four n'est pas nécessaire, car la structure est très légère, mais la surface sur laquelle le four est installé doit être strictement horizontale. Installez le poêle de manière à ce qu'il soit pratique de verser du combustible. Pour faciliter le versement du carburant, un entonnoir (arrosoir) est utilisé. Si les sols sont en bois, avant d'installer le poêle, une tôle est posée sur le sol.
Parmi les aspects importants concernant la conception sont les suivants:
- le diamètre intérieur de la cheminée doit être d'au moins 10 cm, l'épaisseur de paroi doit être d'au moins 1 mm;
- épaisseur de l'acier pour les réservoirs - 4 mm, pour le fond du foyer et le couvercle du réservoir supérieur - 6 mm;
- la longueur du brûleur doit être supérieure à la valeur de son diamètre ;
- le volume optimal du réservoir destiné au carburant est de 8 à 15 litres;
- les tuyaux sont choisis parmi des matériaux tels que: acier inoxydable, cuivre, étain peint;
- la cheminée doit pouvoir être démontée pour faciliter l'entretien de la fournaise;
- la position inclinée des parties de la cheminée situées dans la pièce est autorisée (pour améliorer le chauffage de la pièce), cependant, à l'extérieur de la pièce, le tuyau doit être strictement vertical (pour éviter le vent soufflant).
Ce qui est requis pour le travail
- dessin;
- machine à souder et électrodes ;
- meuleuse, meules pour le métal, lime, papier de verre;
- coins ou ferrures en acier;
- un ensemble de perceuses et une perceuse ;
- tôles d'acier de 4 et 6 mm d'épaisseur;
- tuyaux de cheminée et de brûleur;
- un marteau;
- ruban à mesurer et niveau.
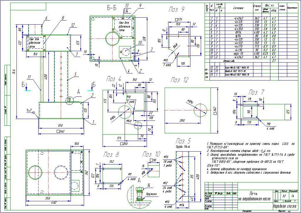
Préparation et montage du four (dessin)

- Nous imprimons le dessin et commençons à préparer l'assemblage. Nous connectons toutes les pièces avec une machine à souder. Une exception concerne les éléments de réservoir marqués sur le dessin comme "bien ajustés". Nous les rendons pliables. Toutes les soudures sont soigneusement vérifiées pour leur étanchéité. Nous nettoyons la balance avec une meuleuse ou une lime.
- Nous posons la tôle d'acier sur une surface plane, faisons des marquages et coupons les pièces avec une meuleuse. Nous effectuons le pliage sur une machine à cintrer, en préparant les détails - les parois des réservoirs.Nous vérifions l'étanchéité des pièces.
- À gauche sur la photo se trouve le couvercle fini du réservoir inférieur, à droite sa partie inférieure. Nous ne les soudons pas ensemble, les pièces doivent rester pliables, mais bien ajustées les unes contre les autres. Le trou pour verser le combustible dans le four a un diamètre d'environ 5 cm.
- Nous assemblons le réservoir supérieur (nous soudons les parois au fond).
- Nous soudons un déflecteur déflecteur dans le réservoir supérieur (plus près du trou pour le brûleur). Fixez le tuyau d'échappement. Nous y raccorderons par la suite une cheminée.
- Sur le tuyau destiné au brûleur, nous forons 48 trous d'un diamètre de 9 mm chacun. Nous connectons la chambre supérieure et le brûleur par soudage.
- Nous vérifions les dimensions des pièces. Installez la bague d'étanchéité.
- Nous soudons un réservoir conçu pour remplir l'huile. Nous l'équipons d'un tuyau de trop-plein.
- Nous découpons trois pieds de 20 cm de long dans un coin en métal et les connectons au fond du four.
Créer une fournaise à l'huile usée de vos propres mains - leçon vidéo
Certains détails de ce four peuvent être découpés dans un tuyau à paroi épaisse, une bouteille de gaz usagée. Mais s'il n'y avait pas de cylindres, il n'y a aucune possibilité ou désir de plier le métal dans un rayon, vous pouvez monter un four similaire, mais section carrée. Découper les détails de cette conception est beaucoup plus facile. En l'absence de broyeur, nous utilisons des cisailles à guillotine pour le métal.
- Préparez le fond du four. Pour ce faire, nous connectons ensemble les jambes, le fond et les parois latérales du réservoir de carburant.
- La partie supérieure du foyer doit être posée hermétiquement sur la partie inférieure. Nous vérifions soigneusement les dimensions des murs avant de couper le métal. Nous fixons le bouchon du réservoir de carburant à une vis ou un rivetage en acier pour permettre de tourner le bouchon si nécessaire.
- Nous installons une cloison dans le réservoir supérieur.
- Nous soudons le tuyau, que nous connecterons à la cheminée.
Étant donné que la cheminée aura plusieurs sections avec une pente de 45 degrés, nous installons des coudes spéciaux aux jonctions des tuyaux. À l'endroit où le tuyau traverse les plafonds, nous le gainons en outre de matériaux incombustibles (laine minérale) et d'une couche de métal (un élément spécial «passage par le toit» est vendu dans les quincailleries pour cela, ce qui facilite l'installation ). En plus des coudes, des pinces et un champignon métallique sont utiles, ce qui empêche la pluie et la neige de pénétrer dans le tuyau.
C'est là que nous terminons, nous vous conseillons de lire un article sur la façon de construire - un four bubafonyu à faire soi-même, car son design ressemble à celui que nous avons examiné le vôtre.
Types de poêles artisanaux en développement
L'huile moteur contaminée par des impuretés ne s'enflamme pas d'elle-même. Par conséquent, le principe de fonctionnement de tout poêle à mazout est basé sur la décomposition thermique du combustible - la pyrolyse. En termes simples, pour obtenir de la chaleur, l'exploitation minière doit être chauffée, évaporée et brûlée dans le fourneau, fournissant un excès d'air. Il existe 3 types d'appareils où ce principe est mis en œuvre de différentes manières :
- La conception la plus simple et la plus populaire de la combustion directe avec post-combustion des vapeurs d'huile dans un tuyau perforé de type ouvert (le soi-disant poêle miracle).
- Four d'égouttement d'huile usagée avec post-combustion fermée ;
- Brûleur Babington. Comment cela fonctionne et comment le fabriquer vous-même est décrit en détail dans notre autre publication.
L'efficacité des poêles chauffants est faible et s'élève au maximum à 70 %.A noter que les frais de chauffage indiqués en début d'article sont calculés sur la base de générateurs de chaleur d'usine avec un rendement de 85% (pour un tableau complet et un comparatif du mazout avec du bois de chauffage, vous pouvez vous rendre ici). En conséquence, la consommation de carburant dans les appareils de chauffage faits maison est beaucoup plus élevée - de 0,8 à 1,5 litre par heure contre 0,7 litre pour les chaudières diesel par 100 m² de surface. Considérez ce fait en reprenant la fabrication du four pour les tests.
L'appareil et les inconvénients d'un poêle à ventre de type ouvert
Le foyer à pyrolyse présenté sur la photo est un récipient cylindrique ou carré, rempli au quart d'huile usée ou de gasoil et équipé d'un volet d'air. Un tuyau percé de trous est soudé sur le dessus, à travers lequel l'air secondaire est aspiré en raison du tirage de la cheminée. Encore plus haut se trouve la chambre de postcombustion avec un déflecteur pour évacuer la chaleur des produits de combustion.
Le principe de fonctionnement est le suivant: le combustible doit être enflammé à l'aide d'un liquide inflammable, après quoi l'évaporation de l'exploitation minière et sa combustion primaire commenceront, provoquant une pyrolyse. Les gaz combustibles, pénétrant dans un tuyau perforé, s'enflamment au contact d'un courant d'oxygène et sont complètement brûlés. L'intensité de la flamme dans le foyer est régulée par un volet d'air.
Ce réchaud minier n'a que deux avantages : simplicité à faible coût et indépendance vis-à-vis de l'électricité. Le reste sont des inconvénients solides:
- un tirage naturel stable est requis pour le fonctionnement, sans cela, l'unité commence à fumer dans la pièce et à s'estomper ;
- l'eau ou l'antigel qui pénètre dans l'huile provoque des mini-explosions dans le foyer, ce qui provoque des éclaboussures de gouttes de feu de la postcombustion dans toutes les directions et le propriétaire doit éteindre le feu ;
- consommation de carburant élevée - jusqu'à 2 l / h avec un mauvais transfert de chaleur (la part du lion de l'énergie vole dans le tuyau);
- le boîtier monobloc est difficile à nettoyer de la suie.
Bien qu'extérieurement les poêles à ventre diffèrent, mais ils fonctionnent selon le même principe, sur la photo de droite, les vapeurs de carburant brûlent à l'intérieur d'un poêle à bois
Certaines de ces lacunes peuvent être comblées à l'aide de solutions techniques efficaces, qui seront abordées ci-dessous. Pendant le fonctionnement, les règles de sécurité incendie doivent être suivies et l'huile usée doit être préparée - défendue et filtrée.
Avantages et inconvénients d'un compte-gouttes
La différence cardinale de ce four est la suivante :
- le tuyau perforé est placé à l'intérieur d'un boîtier en acier à partir d'une bouteille ou d'un tuyau de gaz ;
- le carburant pénètre dans la zone de combustion sous forme de gouttelettes tombant au fond du bol situé sous la postcombustion ;
- Pour augmenter l'efficacité, l'unité est équipée d'air forcé au moyen d'un ventilateur, comme indiqué sur le schéma.
Schéma d'un compte-gouttes avec une alimentation en carburant inférieure à partir d'un réservoir de carburant par gravité
Le véritable inconvénient d'un réchaud goutte à goutte est la difficulté pour un débutant. Le fait est que vous ne pouvez pas vous fier entièrement aux dessins et aux calculs d'autres personnes, l'appareil de chauffage doit être fabriqué et réglé en fonction de vos conditions de fonctionnement et organiser correctement l'alimentation en carburant. Autrement dit, cela nécessitera des améliorations répétées.
La flamme chauffe le corps du corps de chauffe dans une zone autour du brûleur
Le deuxième point négatif est typique des poêles suralimentés. En eux, un jet de flamme frappe constamment un endroit du corps, c'est pourquoi ce dernier s'éteindra assez rapidement s'il n'est pas en métal épais ou en acier inoxydable. Mais les inconvénients listés sont plus que compensés par les avantages :
- L'unité fonctionne en toute sécurité, car la zone de combustion est entièrement recouverte d'un boîtier en fer.
- Consommation acceptable d'huile usée. En pratique, un poêle à ventre bien réglé avec un circuit d'eau brûle jusqu'à 1,5 litre en 1 heure pour chauffer 100 m² de surface.
- Il est possible d'envelopper le corps avec une chemise d'eau et de refaire le four pour le transformer en chaudière.
- L'alimentation en carburant et la puissance de l'unité peuvent être ajustées.
- Peu exigeant pour la hauteur de la cheminée et la facilité de nettoyage.
Chaudière à air sous pression brûlant de l'huile moteur et du carburant diesel usagés





































