- Conception d'un ventilateur centrifuge
- Remarques techniques
- Les principes du système d'échappement dans la maison
- Comment faire un ventilateur centrifuge
- Un aspirateur
- Radial
- Appareil et conception
- Particularités
- Turbines, pales
- Sortes
- Système de ventilation naturelle et artificielle
- Conception de ventilateur centrifuge
- Quelques exemples d'applications
- Appareils de ventilation pour navires
- Ventilation d'appartement
- Ventilation de la chambre de séchage
- ventilateur domestique
- Ventilateurs par version
- Ventilateurs multizones
- Ventilateurs de gaine (droits)
- Ventilateurs de toit radiaux (VKR)
- Le dispositif et le principe de fonctionnement des ventilateurs centrifuges.
- Aérateurs VK 125 – prix abordable
- Conception et principe de fonctionnement
- Matériaux du boîtier
- Roue de travail
- Moteurs électriques
- Dimensions
Conception d'un ventilateur centrifuge

La conception d'un ventilateur centrifuge est assez simple. Une roue à aubes est située dans le boîtier avec des ouvertures d'entrée et de sortie. Un moteur électrique est utilisé pour faire fonctionner l'appareil.
L'appareil fonctionne selon le principe suivant : les pales tournent et assurent ainsi le mouvement de l'air. L'air est aspiré par l'entrée sous l'influence de la force centrifuge et expulsé par la sortie.
La direction de déplacement des masses d'air à la sortie est perpendiculaire au flux entrant. En raison du fait qu'une haute pression est créée à l'intérieur, ces ventilateurs peuvent déplacer une grande quantité d'air.
Cette caractéristique permet l'utilisation de dispositifs centrifuges dans les canaux principaux de conception complexe et de grande longueur. Ces ventilateurs sont faciles à utiliser et, avec un bon fonctionnement, ils durent assez longtemps.
Les lames rotatives peuvent être montées perpendiculairement ou parallèlement à l'axe du cercle. Avec une disposition parallèle, le bruit pendant le fonctionnement de l'appareil est réduit, tandis que l'efficacité n'est pas réduite.
Pendant la production, les ventilateurs centrifuges sont équipés de fonctions supplémentaires pour effectuer certaines tâches. Par exemple, pour une utilisation dans une pièce à haute température, l'appareil doit être équipé d'une protection thermique spéciale.
S'il est destiné à être utilisé dans des conditions de forte humidité, l'appareil doit avoir une résistance accrue à la corrosion. Dans certains modèles, même une protection contre les explosions est fournie.
Ces fonctions peuvent être combinées dans une seule unité, mais le plus souvent, les modèles en ont une.
Lors du choix d'un modèle centrifuge, il faut être guidé par deux paramètres importants :
- le volume de masses d'air qui traversent la sortie dans un certain laps de temps;
- pression d'air à la sortie du ventilateur.
Connaître ces indicateurs vous aidera à faire le bon choix.
Remarques techniques
Pour la fabrication de la roue, des matériaux légers sont utilisés. Elle peut être :
- Plastique;
- duralumin;
- aluminium;
- pour le transfert d'air de fluides agressifs - en acier inoxydable.
L'utilisation de matériaux légers est due au fait qu'un moteur puissant n'est pas nécessaire pour faire tourner les pales. Même sur les soufflantes industrielles, les moteurs d'une puissance supérieure à 800 W sont rarement utilisés.
Les principales caractéristiques techniques de l'appareil dépendent :
- sens de rotation de l'axe (gauche ou droite);
- le nombre de pales ;
- formes de lames à lames (courbées ou plates);
- puissance moteur installée ;
- la taille de la roue en diamètre;
- forme du corps (le plus souvent, le corps a la forme d'un cylindre);
- technique de protection pour réduire les blessures : grille ou stores.
Parfois, ils confondent les ventilateurs centrifuges et axiaux, croyant qu'ils ne font qu'un, mais la différence entre ces appareils qui améliorent le flux d'air est grande. Ils diffèrent par leurs caractéristiques techniques et leur principe de fonctionnement.
Les principes du système d'échappement dans la maison
Pour comprendre exactement comment la ventilation par aspiration est effectuée à la maison de vos propres mains, vous devez comprendre son appareil. A savoir, par exemple, considérons un système de ventilation réalisé par de vrais professionnels dans leur domaine.
- En premier lieu se trouve la vanne d'alimentation. Sa caractéristique réside dans la possibilité de modifier la quantité d'air passant à travers le registre. Il doit être placé du côté nord, car selon les statistiques, le vent souffle le plus souvent d'ici. À l'entrée d'air de la vanne, il y a un ventilateur qui évacue le flux, forçant l'air entrant dans le canal. Ce canal peut être constitué de branches qui vont dans les pièces souhaitées de la maison. Ils sont reliés par un collecteur - un compartiment de distribution.
- À la sortie se trouve un mélangeur. Il s'agit d'une caméra spéciale qui est placée dans chaque pièce. Il apporte de l'air frais dans la pièce.Voici un récupérateur - un appareil qui sert à chauffer l'air à une température confortable. Le chauffage se produit sans coûts importants, car il y a en fait un échange normal d'énergie entre le dioxyde de carbone chaud évacué de la pièce et l'air extérieur refroidi. En été, il est recommandé d'installer des climatiseurs pour refroidir le flux chaud provenant de la rue.
- Quant à l'air utilisé, il traverse la hotte et pénètre dans le ventilateur en passant par des trous spéciaux en forme de grilles situés dans la partie supérieure de la pièce ou au plafond. Les pales transportent l'air dans le tuyau, qui est placé au même niveau que le faîte du toit de votre maison.
Lire aussi : Régulateur de puissance à thyristor T160
Comme vous pouvez le constater, une installation d'une telle complexité nécessite la participation de professionnels aux travaux. Mais il y a une alimentation à faire soi-même et une ventilation par évacuation dans la maison, ce qui est beaucoup plus facile.
Comment faire un ventilateur centrifuge
D'après ce qui a été dit, la manière évidente de réaliser le plan est de retirer le ventilateur tangentiel de la hotte, par exemple. Avantage : Le fonctionnement silencieux est assuré. Le fabricant respecte les normes prescrites par les normes, de sorte que les appareils de classe hotte d'usine sont relativement silencieux. Nous pensons que pour la plupart des lecteurs, ce n'est pas la meilleure solution au problème, poursuivons notre réflexion.
Un aspirateur
À l'intérieur de l'aspirateur se trouve un ventilateur centrifuge prêt à l'emploi. Un gros plus est qu'il existe déjà un boîtier prêt à l'emploi, qui doit être monté dans le canal en place. Les avantages supplémentaires incluent :
- Le moteur de l'aspirateur est conçu pour un fonctionnement à long terme. Fait tourner la lame pendant des jours.Les enroulements sont souvent protégés contre la surchauffe, de plus, l'air passe à travers les canaux, refroidissant le stator.
- Le moteur de l'aspirateur est destiné à surmonter les pneumocharges importantes. Lors du démontage de l'assistant de cette femme au foyer de vos propres mains, vous verrez une soupape de sécurité à l'intérieur. Essayez d'enlever et de souffler avec la force des poumons. Ne marche pas? Et le moteur le fait en plaisantant! Fixez l'entrée ou pliez le tuyau en deux. Un clic provenant de l'intérieur du boîtier indique l'opération. Nous pensons qu'une telle force est plus que suffisante pour ventiler l'installation.
- Plus - la puissance d'aspiration (en aérowatts) est indiquée dans les spécifications techniques, similaire à la pression générée. Ainsi, il est facile de calculer à l'avance par des formules si la puissance du moteur est suffisante pour la tâche choisie. Parfois, les fabricants sont si gentils qu'ils indiquent le débit, par exemple 3 mètres cubes par minute. N'importe qui peut calculer : 180 mètres cubes par heure. En raison de la puissance élevée, le débit sera maintenu malgré les virages et les coudes du conduit.
Radial
Un dispositif radial ou centrifuge diffère des autres types par une conception de boîtier en spirale inhabituelle, dans laquelle se trouve une roue à aubes, qui comprime les masses d'air pendant la rotation, les déplaçant dans la direction du centre vers la partie périphérique. Le flux pénètre dans le carter sous l'influence des forces centrifuges issues de la rotation de la roue à aubes.
Les lames sont soudées au cylindre creux sur tout son périmètre strictement parallèle à l'axe de rotation à l'aide de disques en acier, leurs extrémités sont recourbées vers l'intérieur ou vers l'extérieur, selon la destination directe de l'appareil.La rotation peut être effectuée dans n'importe quelle direction - cela dépend de la disposition du ventilateur et des tâches qui lui sont assignées (forçage ou extraction).
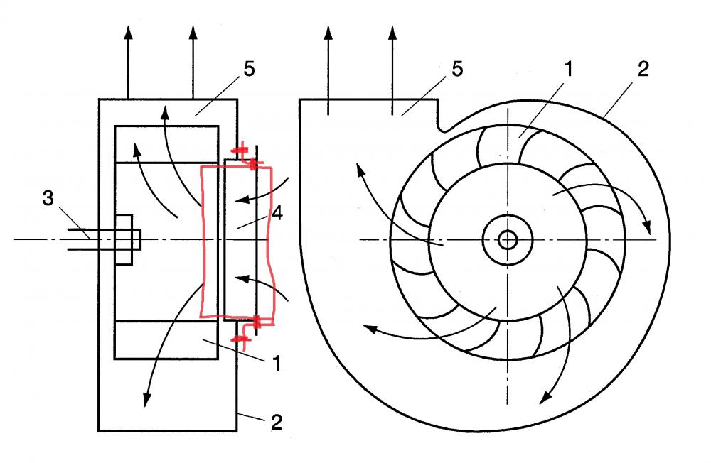
Les principaux composants d'un ventilateur radial sont illustrés dans le dessin ci-dessous, où 1 est le carter ; 2 - roue; 3 - pales de turbine; 4 - axe du ventilateur ; 5 - lit; 6 - moteur ; 7 - tuyau d'échappement; 8 - bride du tuyau d'aspiration
Avantages:
- résiste à une surcharge décente;
- économies d'énergie jusqu'à 20%;
- petit diamètre de la roue;
- faible vitesse de rotation de l'arbre d'entraînement.
Moins :
- vibrations et bruit élevés ;
- rigueur sur la qualité de fabrication des pièces tournantes.

Appareil et conception
L'aspiration se fait dans le sens de l'axe de rotation, et l'éjection se fait tangentiellement à celui-ci, perpendiculairement à l'aspiration. Lorsque les pales tournent, elles capturent les particules d'air et les rejettent avec force dans une direction centrifuge. Le boîtier du ventilateur ne permet pas au flux de se dissiper, le dirigeant vers la sortie. Dans la région de la partie centrale de la roue, un vide est formé, qui est immédiatement renouvelé par l'afflux de l'entrée située dans la partie centrale du côté plat du boîtier.
Particularités
La spécificité du fonctionnement des ventilateurs centrifuges est la possibilité d'inverser le jet d'air lorsque le sens de rotation de la roue change. Dans le même temps, il n'y a pratiquement pas de différence de pression, il n'y a que de petites différences dans les paramètres dues à l'utilisation des faces arrière des pales.Cela vous permet d'installer le ventilateur dans différentes parties du système de conduits et de fournir certains modes de fonctionnement du système.
La conception du ventilateur escargot est assez simple. Une turbine est montée sur l'arbre d'entraînement, qui tourne à l'intérieur du boîtier. Il existe des options de conception où la roue n'a pas son propre arbre et est montée directement sur l'arbre du moteur. C'est typique des petits ventilateurs. La valeur est déterminée par le numéro du ventilateur, qui indique le diamètre de la roue en dm. Par exemple, le ventilateur radial n° 4 a une roue d'un diamètre de 40 cm.
Turbines, pales
La roue à aubes (turbine) se compose de pales qui agissent sur certaines sections du flux d'air et d'une structure de support de type carrousel.
Il existe deux types :
- turbine à tambour. Il ressemble à une roue d'écureuil. Il est utilisé dans les ventilateurs effectuant le mouvement d'un milieu gaz-air avec les exigences habituelles - températures jusqu'à 80 °, absence d'inclusions agressives, inflammables, collantes ou fibreuses. Installé dans la plupart des ventilateurs
- roue ouverte. Il est beaucoup moins utilisé, car une conception de ce type est moins résistante aux contraintes mécaniques. La plupart des fabricants ne fabriquent de telles roues que sur commande. Il est utilisé pour le travail en tant qu'appareils à poussière, travaillant avec des matériaux complexes avec des inclusions fibreuses.
Sortes
L'échelle des locaux, ainsi que le niveau de pollution et de chauffage de l'air qu'ils contiennent, nécessitent l'installation de systèmes d'extraction de taille, de puissance et de configuration appropriées. Par conséquent, les ventilateurs centrifuges sont de différents types.
En fonction du niveau de pression créé par les masses d'air dans le conduit d'extraction, ils sont classés en ventilateurs :
- Basse pression - jusqu'à 1 kPa. Le plus souvent, leur conception prévoit des pales larges en tôle, qui sont courbées vers l'avant vers le tuyau d'aspiration, avec une vitesse de rotation maximale allant jusqu'à 50 m/s. Le champ d'application de leur application est principalement les systèmes de ventilation. Ils créent un niveau de bruit inférieur, ce qui leur permet d'être utilisés dans des pièces où des personnes sont constamment présentes.
- Moyenne pression. Dans ce cas, le niveau de charge créé par le mouvement des masses d'air dans le conduit d'évacuation peut être compris entre 1 et 3 kPa. Leurs pales peuvent avoir un angle et une direction d'inclinaison différents (à la fois vers l'avant et vers l'arrière), supporter une vitesse maximale allant jusqu'à 80 m/s. Le champ d'application est plus large que les ventilateurs basse pression : ils peuvent également être installés dans des usines de traitement.
- Haute pression. Cette technique est principalement utilisée pour les usines de traitement. La pression totale dans le conduit d'évacuation est de 3 kPa. La puissance de l'installation crée une vitesse circonférentielle des masses aspirées de plus de 80 m/s. Les roues de turbine sont équipées exclusivement d'aubes incurvées vers l'arrière.
La pression n'est pas la seule caractéristique par laquelle les ventilateurs centrifuges se distinguent. En fonction de la vitesse des masses d'air, qui est fournie par la roue, elles sont divisées en deux classes :
- Classe I - indique que les lames incurvées frontalement fournissent une vitesse inférieure à 30 m / s et incurvées vers l'arrière - pas plus de 50 m / s;
- La classe II comprend des installations plus puissantes : elles fournissent la vitesse des masses d'air entraînées plus élevée que les ventilateurs de classe I.
De plus, les appareils sont fabriqués avec un sens de rotation différent par rapport au tuyau d'aspiration :
- orienté vers la droite peut être installé avec le boîtier tourné dans le sens des aiguilles d'une montre ;
- vers la gauche - dans le sens antihoraire.
La portée des escargots dépend en grande partie du moteur électrique : sa puissance et son mode de fixation à la roue :
- il peut prendre de l'élan directement sur l'arbre du moteur ;
- son arbre est relié au moteur au moyen d'un accouplement et est fixé par un ou deux paliers ;
- à l'aide d'un entraînement par courroie trapézoïdale, à condition qu'il soit fixé avec un ou deux roulements.
Système de ventilation naturelle et artificielle
La ventilation naturelle est créée sans l'utilisation d'équipements électriques (ventilateurs, moteurs électriques) et se produit en raison de facteurs naturels - différences de température de l'air, changements de pression en fonction de l'altitude, pression du vent. Les avantages des systèmes de ventilation naturelle sont leur faible coût, leur facilité d'installation et leur fiabilité due à l'absence d'équipements électriques et de pièces mobiles. Pour cette raison, de tels systèmes sont largement utilisés dans la construction de logements typiques et sont des conduits de ventilation situés dans la cuisine et les salles de bain.
L'envers du bon marché des systèmes de ventilation naturelle est la forte dépendance de leur efficacité à des facteurs externes - température de l'air, direction et vitesse du vent, etc. De plus, de tels systèmes ne sont en principe pas réglementés et avec leur aide, il n'est pas possible de résoudre de nombreux problèmes dans le domaine de la ventilation.
La ventilation artificielle ou mécanique est utilisée là où il n'y a pas assez de naturel.Les systèmes mécaniques utilisent des équipements et des dispositifs (ventilateurs, filtres, réchauffeurs d'air, etc.) pour déplacer, purifier et chauffer l'air. De tels systèmes peuvent éliminer ou fournir de l'air aux pièces ventilées, quelles que soient les conditions environnementales. En pratique, dans les appartements et les bureaux, il est nécessaire d'utiliser un système de ventilation artificielle, car seul celui-ci peut garantir la création de conditions confortables.
Conception de ventilateur centrifuge
Le système de conception centrifuge est un mécanisme de pompage à architecture radiale capable de générer une pression de n'importe quelle plage.
Conçu pour le transport de gaz mono- et polyatomiques, y compris des composés chimiquement "agressifs".
La conception est «habillée» d'un boîtier en métal / plastique, appelé boîtier de protection. La coque protège la chambre intérieure de la poussière, de l'humidité et d'autres substances susceptibles de nuire au fonctionnement de l'appareil.
Un produit de ventilation de haute qualité a toujours une certaine classe de protection. Le degré de protection de la coque (Ingress Protection) est une norme internationale unique de qualité des produits qui détermine le niveau de protection de l'équipement contre les influences environnementales.
Le ventilateur radial développe nettement plus de pression que la version axiale. Cela est dû au message d'une partie de l'air qui est entré dans le tambour d'énergie, qui se forme lors du passage de l'entrée à la sortie du système.
Le mécanisme est entraîné par un moteur électrique ou un moteur à combustion interne (typique des ventilateurs industriels).La méthode la plus courante est un moteur électrique qui fait tourner un arbre avec une roue.
Il existe plusieurs options pour transmettre le mouvement de rotation du moteur à la roue :
- couplage élastique;
- Transmission par courroie trapézoïdale ;
- transmission en continu (embrayage à friction hydraulique ou inductif).
Compte tenu de l'existence d'un grand nombre de fabricants qui créent des systèmes uniques avec une variété de paramètres dynamiques, les consommateurs disposent d'une gamme assez étendue de ventilateurs.
Il y a deux canaux principaux dans le boîtier : entrée et sortie. Le mélange gazeux entre dans le premier canal, se déplace vers la chambre, y est traité, puis sort vers un autre
Grâce au travail intensif des développeurs, nous disposons d'un large éventail d'applications pour ces machines, notamment :
- systèmes de ventilation et de chauffage dans les bâtiments privés et à plusieurs étages;
- alimentation et purification d'air pour bâtiments non résidentiels;
- systèmes de filtration en agriculture;
- exécution de processus technologiques dans l'industrie légère et lourde de diverses directions.
Il existe également des applications pour les soufflantes dans les systèmes d'extinction d'incendie et l'échange d'air ultra-rapide dans les espaces confinés.
Ces ventilateurs fonctionnent avec des mélanges de gaz à haute température, ce qui oblige les fabricants à inclure dans la documentation technique des informations sur la conformité de leurs équipements aux normes internationales.
La conception éprouvée et simple du mécanisme centrifuge présente un certain nombre d'avantages évidents :
- haute fiabilité et performances inégalées;
- facilité et disponibilité de la maintenance des équipements ;
- sécurité d'intégration et de fonctionnement des unités ;
- coûts minimaux pour les ressources énergétiques et les réparations en cas de panne.
De plus, les ventilateurs ont un seuil de bruit assez bas, ce qui leur permet d'être utilisés dans des conditions domestiques. Les ventilateurs centrifuges ont également une durée de vie extrêmement longue en raison de l'absence de contact direct entre les pièces de travail du mécanisme dans la chambre de travail.
Quelques exemples d'applications
La ventilation est introuvable. Voici quelques exemples où d'autres appareils ne peuvent pas fonctionner sans ventilation :
- sur les navires (marins et d'eau douce);
- dans l'appartement (surtout dans la cuisine et la salle de bain);
- dans des chambres de séchage de différents types.
Appareils de ventilation pour navires
Trois types de ventilateurs de navire sont installés sur les bateaux et les navires :
- Injection. Ces souffleurs de navires sont utilisés lorsqu'il est nécessaire de forcer l'air dans la pièce, souvent équipés d'un diffuseur. Sans dispositifs de soufflage de navire, le fonctionnement complet de la chaufferie, l'alimentation en oxygène frais de la chaudière et le refroidissement des pièces surchauffées sont impossibles.
- Échappement. De tels instruments de navire axiaux sont capables de forcer, par la méthode du retour d'eau, à éliminer l'air des instruments. À l'aide de modèles axiaux de navires d'échappement, il est possible de nettoyer rapidement les locaux de la fumée et des émissions nocives.
- Forçage (moulins à vent). Les fourgons de navire sont conçus pour la circulation forcée des masses d'air sans les extraire et les remplacer.
Ventilation d'appartement
Dans l'appartement, une ventilation complète dans la cuisine, la salle de bain et les toilettes est particulièrement importante.
- Dans la cuisine, le ventilateur d'extraction est toujours installé sur la hotte, l'installation à la sortie de la ventilation du conduit est également souhaitable, les deux ventilateurs de suralimentation fonctionnent presque silencieusement.
- Dans les toilettes, le dispositif d'évacuation est monté sur la sortie du conduit de ventilation et aide à éliminer les odeurs.
- Pour une salle de bain, le choix d'un système de ventilation est plus difficile en raison d'un taux d'humidité élevé. Il ne suffit pas d'installer simplement la hotte sur le conduit de ventilation, une installation supplémentaire de condenseurs est nécessaire.
Ventilation de la chambre de séchage
Des chambres de séchage spéciales sont utilisées dans la vie quotidienne et la production. Avec l'aide de chambres de séchage, vous pouvez :
- vêtements secs;
- préparer des fruits secs;
- réduire la teneur en humidité du bois.
Les chambres de séchage sont capables de sécher rapidement, mais pour être efficaces, elles ont besoin de :
- la présence de condensateurs ;
- un ventilateur qui répartit uniformément l'air d'alimentation qui a traversé le chauffage à travers la chambre de séchage.
Avec une ventilation complète et une distribution uniforme de l'air d'alimentation chauffé, la chambre de séchage fonctionnera efficacement avec une consommation d'énergie minimale.
Un bref aperçu des différentes options de ventilateurs axiaux vous permet de déterminer quel appareil en termes de taille, de consommation électrique et de caractéristiques techniques est le meilleur choix en fonction de l'application envisagée.
ventilateur domestique
Le ventilateur est conçu pour créer un flux d'air dans la pièce, offrant un séjour confortable en été.
Les ventilateurs domestiques sont classés par taille, performance, nombre de pales, design et fonctionnalité.
Par exécution, il y a: sol, table et plafond.
Le nombre de lames peut aller de trois à six.
Les ventilateurs peuvent avoir les fonctions de contrôle de vitesse et "auto-rotation".
Mouvements "rotation automatique" axe de rotation du rotor dans l'horizontale plan et est conçu pour étendre l'espace de circulation d'air dans le plan horizontal.
Les pales des ventilateurs sont généralement en plastique, parfois en bois ou en métal. Le ventilateur en plastique est plus léger, donc plus sûr, mais fragile.
Pour se protéger des pales en mouvement, les ventilateurs sont équipés d'une grille. Ils peuvent également être équipés d'une minuterie, d'un rétroéclairage, etc.
Fabricants de ventilateurs : VENTS Elenberg, Scarlett, Vitek, Systemair, Polaris, ROVEN, etc.
Ventilateurs par version
De plus, les ventilateurs sont divisés selon la méthode d'exécution :
- multizone
- centrifuge (radiale)
- canal
- toit
- plafond
- axial
- la fenêtre
Ventilateurs multizones
Les ventilateurs d'extraction centrifuges multizones ont un boîtier spécial qui vous permet de connecter plusieurs conduits d'aspiration qui aspirent l'air de différentes zones. Une zone peut être un conduit de ventilation séparé, une pièce ou même une partie d'une grande pièce. De tels ventilateurs peuvent être indispensables dans les installations où une hotte aspirante doit être fabriquée. de plusieurs endroits, et il n'y a qu'une seule sortie d'air. Les ventilateurs d'extraction multizones vous permettent d'optimiser le réseau de conduits d'air, de réduire le nombre de raccords coûteux, tout en utilisant le même type de conduits d'air flexibles.
|
|
|
Ventilateurs de gaine (droits)
Sont destinés à être installés dans le canal de ventilation de section ronde ou rectangulaire. Les ventilateurs de ce type sont installés sur le même arbre avec un moteur électrique dans un seul boîtier à l'aide de plots antivibratoires.
Le ventilateur peut être axial, multipale ou radial, avec des pales courbées vers l'avant et vers l'arrière, simple ou double aspiration.
Le boîtier des ventilateurs de conduit peut être réalisé en plastique spécial, en acier galvanisé et même être mixte. En raison de leurs petites dimensions hors tout, les ventilateurs de gaine peuvent être installés directement dans le réseau de gaines d'air, intégrés dans des systèmes de ventilation et de climatisation de gaine et cachés derrière un faux plafond ou dans des armoires verticales spéciales. Toute position (horizontale, verticale ou inclinée) du ventilateur est possible lors de son installation. Les principaux avantages du ventilateur gainable sont liés à sa compacité avec un débit d'air important.
Ventilateurs de toit radiaux (VKR)
La figure montre des ventilateurs de toit typiques. Gauche - axial, droit - radial
les grands ventilateurs sont montés directement sur le toit du bâtiment, généralement avec un cadre spécial pour la durabilité et la résistance aux intempéries. En raison du fait qu'ils sont presque toute la durée de vie dans la rue, ils sont soumis à des exigences particulières en matière de résistance à l'humidité et à la poussière. Habituellement, ils sont fabriqués en acier de haute qualité avec un revêtement époxy résistant à la corrosion ou galvanisés. Il existe des ventilateurs de toit pour les systèmes de ventilation généraux et des ventilateurs spéciaux résistants à la chaleur pour les systèmes à haute température, tels que les systèmes d'extraction de fumée en cas d'incendie, organisant un échappement pour une cheminée ou une chaudière à gaz.
Le dispositif et le principe de fonctionnement des ventilateurs centrifuges.
La conception du ventilateur est déterminée
son schéma aérodynamique, selon lequel
comprendre le dessin schématique de celui-ci
pièce de débit indiquant le principal
dimensions en fractions du diamètre extérieur
roues D2. Ventilateurs
différentes tailles, fabriquées une par une
conception aérodynamique, reportez-vous à
du même type et sont géométriquement
similaire.
Principaux élémentssommes:
roue à pales, entrée
tuyau de dérivation (collecteur), corps en spirale,
moyeu, arbre
Intentionnellement rouesont
un certain nombre de modifications :
-
les roues à tambour sont réalisées
avec les omoplates courbées vers l'avant. Largeur
roues = 0,5 diamètre. Vitesse périphérique
autorisé jusqu'à 30-40 m/s. -
les roues annulaires ont une plus petite
largeur. Vitesse circonférentielle - 50-60 m / s. -
roues à front conique
les disques sont très résistants
et rigidité. Vitesse périphérique jusqu'à 85
Mme. -
des roues à trois disques sont utilisées sur
ventilateurs à double aspiration. -
monodisque sont utilisés pour la poussière
Ventilateurs.
Mode de connexion des lames avec des disques
a un impact important sur
rigidité structurelle. Appliquer
connexions : forgées massives, sur
cloutés, rivetés, soudés, collés. À
lames forgées monobloc et avant
le disque est estampé à partir d'une feuille. Plus
des joints rivetés sont souvent utilisés.
la connexion est utilisée pour les roues de grande
diamètre, en particulier pour les lames courbes
Dans tous les cas, les roues
doit être équilibré.
Omoplates. L'avantage de la feuille
blades est la simplicité du design.
L'inconvénient est une grande rigidité.
coque et coque-cadre ont
grande rigidité et travail à
vitesse circonférentielle jusqu'à 130 m/s.
collecteur d'entrée.
Les périphériques d'entrée sont axiaux et
en forme de genou. Représentation axiale
cylindrique ou conique
entrée de raccordement de tuyau
roues avec atmosphère ou aspiration
pipeline. en forme de genou
est une chambre d'aspiration
avec une entrée rectangulaire.
Le flux dans une telle chambre fait un tour
90. Section de la genouillère
les boîtes sont généralement plus grandes que la section de l'entrée de
roue 2-2,5 fois.Cadre. Réalisé
sous la forme d'un cas particulier avec parallèle
parois latérales. A la sortie du corps
conique peut être installé
diffuseur avec angle d'ouverture jusqu'à 25.
Les chambres en spirale effectuent soit
soudé ou riveté. Cadre
est rendue amovible. Plus
conceptions en porte-à-faux de ventilateur
le corps est suspendu au support
partie motrice. Une telle conception
vous permet d'obtenir différents schémas
assemblage par rotation du corps
par rapport à l'axe Uniquement pour les grandes
conceptions à double aspiration
le corps est monté sur un châssis ou sur
pieds. Boîtier du ventilateur soufflant
en raison des conditions de résistance et de rigidité
a un cadre en acier profilé et
gainage d'une feuille mince d'une épaisseur de 4-6
mm. Pour les gaz poussiéreux
le corps est en tôle
acier plus épais. Plus
les feuilles d'usure sont protégées par des superpositions
acier ou fonte blanche. Pour chimiquement
le corps du support actif est constitué de
acier allié Kh18N9T.
Aérateurs VK 125 – prix abordable
Peu coûteux parmi les analogues, unité d'alimentation et d'extraction pour l'échange d'air dans les bâtiments résidentiels, utilitaires et industriels. Fait référence au type de canal centrifuge. Fabriqué en plastique durable, résistant à l'eau et à la poussière. Des roulements à billes sont utilisés.
Protection intégrée contre la surchauffe - au moyen de fusibles thermiques et allumage automatique après un arrêt forcé. L'équilibrage dynamique du rotor inversé contribue à la réduction des vibrations et du bruit. Des lames à courbure inversée (arrière) sont installées.
Avantages:
- Faible coût, conception simple.
- Matériaux de haute qualité, résistants à l'humidité et à la poussière.
- Possibilité de régler la vitesse.
Moins :
Lors de l'installation, veuillez lire attentivement les instructions. L'appareil lui-même est très délicat et fragile.
Conception et principe de fonctionnement
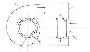
Il existe plusieurs types de ventilateurs utilisés pour déplacer divers mélanges de gaz et d'air. Le plus populaire est l'unité radiale centrifuge "escargot".
Il a une roue rotative dans l'ensemble et des lames fixées dessus. Différents modèles de ventilateurs contiennent un nombre différent de pales.
Le principe de fonctionnement de la hotte "escargot" est le suivant :
- L'air est aspiré dans le rotor par l'entrée ;
- La masse d'air reçoit un mouvement de rotation;
- De plus, au moyen de la force centrifuge, créée par la rotation des pales, de l'air sous pression est injecté à la sortie. Il est situé dans un boîtier en spirale.
En raison de la similitude du boîtier avec un escargot, le ventilateur tire son nom.
Matériaux du boîtier
Un « escargot » industriel peut comprendre différents matériaux, en fonction de l'agressivité de l'environnement d'application. Gainage d'une unité à usage général fonctionnant dans des mélanges de gaz non agressifs avec une teneur en particules inférieure à 0,1 g / cu. m, en tôles d'acier galvanisé ou au carbone de différentes épaisseurs.Si le milieu contient des mélanges gazeux agressifs, se caractérise par la présence de gaz actifs et l'évaporation d'acides, des aciers résistants à la corrosion sont utilisés. Le ventilateur "escargot" de cette conception fonctionne à des températures allant jusqu'à 200 degrés Celsius.
Il existe une version antidéflagrante du boîtier de la hotte. Il est assemblé à partir de métaux ductiles : alliages de cuivre ou d'aluminium. Ici, pendant le fonctionnement de la hotte, les étincelles sont exclues, ce qui est la principale cause d'explosions.
Roue de travail
Exigences matérielles pour la roue à aubes - plasticité et protection contre la corrosion. Ensuite, la roue résistera aux charges de vibration et aux effets chimiques de l'environnement.
Pour la conception de la forme et du nombre de pales, les charges aérodynamiques et la vitesse de rotation sont prises en compte. Vitesse de rotation élevée d'un grand nombre de pales légèrement incurvées ou droites, forme un flux d'air stable
Cela crée moins de bruit.
Un extracteur centrifuge doit être classé comme un équipement à vibrations accrues. La cause de la vibration est le faible niveau d'équilibre de la roue qui tourne. Les vibrations comportent de tels facteurs négatifs: la destruction de la fondation sur le site d'installation de l'équipement et un niveau de bruit élevé. L'installation de ressorts amortisseurs minimise les vibrations. Les ressorts sont montés sous la base du boîtier. De plus, des patins en caoutchouc sont utilisés à la place des ressorts pour certains modèles.
Moteurs électriques

L'équipement de ventilation de type "escargot" est fourni avec des moteurs électriques avec couvercles et boîtiers antidéflagrants. Une composition protectrice spéciale est utilisée pour peindre les carters de moteur. Il s'agit pour la plupart de mécanismes asynchrones à vitesse fixe.Ils sont connectés à un réseau monophasé ou triphasé, selon la conception. Dans des cas particuliers, des moteurs à vitesse variable sont utilisés.
Dimensions
Les tailles des extraits "escargot" peuvent être diverses. Le diamètre de l'ensemble varie de 250 à 1500 mm. Les "escargots" peuvent représenter un tout unique ou être divisés en plusieurs parties. Dans le cas de petits ventilateurs à volute pleine, l'angle de rotation peut être négligé. Il suffit de dévisser les boulons et de le tourner dans la position souhaitée. Les modèles plus grands sont pour la plupart pliables. Pour eux, l'angle de rotation est un paramètre important à considérer.



























La figure montre des ventilateurs de conduit typiques.
La figure montre un ventilateur radial à passage direct. 















