- Caractéristiques générales de la pompe de circulation Grundfos
- Un peu d'histoire
- 1 Avantages et inconvénients de la gamme UPS
- 1.1 Gamme d'équipements
- Application et objectif
- La programmation
- Fonctionnalités de conception et d'application
- Étapes et règles de réparation
- Durée de vie de la pompe à chaleur
- Nous prolongeons la durée de vie - les secrets des spécialistes
- Résumé
- Caractéristiques et avantages des pompes
- Installation
- 2 Gamme de modèles
Caractéristiques générales de la pompe de circulation Grundfos
L'entreprise produit une large gamme d'unités adaptées à une utilisation dans le système de chauffage, l'alimentation en eau chaude, la recirculation de l'eau chaude.
Les produits de la marque Grundfos fonctionnent avec des chaudières à combustible solide (elles ont les plus grands écarts de température), au gaz, à l'électricité, et même dans des projets avec des sources de chaleur innovantes : l'énergie solaire ou une pompe à chaleur.
Les avantages des produits Grundfos sont la fiabilité, la fiabilité et la polyvalence.
Le seul bémol est le prix relativement élevé du produit. Le coût d'une unité dépend de la puissance, de la configuration, des performances et varie de 5 à 70 000 roubles
Par conséquent, il est important de choisir la bonne configuration système. Compte tenu de la durée de vie et de la fiabilité de la conception, les investissements dans de tels équipements sont pleinement justifiés /
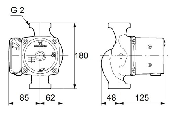
L'entreprise produit des modèles avec montage par bride et vis traditionnelle : américaine. La conception compacte permet l'installation de pompes dans une large plage de puissance avec une dimension de montage standard de 180 mm. Et pour des conditions particulièrement exiguës, des pompes de même performance peuvent avoir une distance d'atterrissage réduite de 130 mm.
Le marquage est standard et assez simple.
L'index des lettres donne une idée de la spécialisation de la pompe, suivi de trois groupes de chiffres, dont le premier indique le diamètre de la connexion, le second - la pression en décimètres, le troisième - la longueur d'installation.
Les principaux indices de lettres qui sont indiqués sur les appareils :
- BP/BP signifie combinaison de fixation écrou/écrou.
- BP/HP - écrou/filetage.
- HAUT - circulation.
- S - équipé d'un interrupteur de vitesse du rotor.
- D - duplex, jumelé.
- F - raccordement à bride. L'absence de cette lettre dans le marquage indique une connexion filetée.
- N - le boîtier est en acier inoxydable (l'absence de lettre indique un boîtier en fonte, B - un boîtier en bronze).
- A - le corps est équipé d'une valve de purge d'air.
- K - une conception spéciale qui permet l'utilisation d'antigel comme liquide de refroidissement.
Ainsi, le marquage UPS 25–60 130 indique qu'il s'agit d'une pompe de circulation avec un interrupteur de puissance (vitesse), a un diamètre de connexion de 25 mm, une pression de 6 mètres et une dimension d'atterrissage réduite de 130 mm.
Un peu d'histoire
Grundfos est une entreprise basée au Danemark. Sa principale spécialisation est les pompes de circulation. L'histoire de ce fabricant commence en 1945. L'ingénieur danois Paul Du Jensen a organisé une petite production appelée "Bjerringbro Pressestoberi og Maskinfabrik".La traduction est la suivante : usine de moulage par injection et d'usinage à Bjørringbro.
Au tout début, l'ingénieur a développé exclusivement des équipements de pompage. La haute qualité et une approche non standard pour résoudre de nombreux problèmes concernant la conception et les dimensions des appareils ont contribué au fait que les produits fabriqués par l'entreprise ont commencé à être très demandés.
La production augmentait constamment et le nombre d'utilisateurs intéressés par les produits de l'entreprise devenait de plus en plus important. Jusqu'au milieu des années 1960, le nom de l'entreprise changeait constamment. Et ce n'est qu'en 1967 que le nom Grundfos a été approuvé, qui existe à ce jour.
Les statistiques mondiales montrent que les circulateurs de chauffage Grundfos représentent plus de 50 % de la consommation mondiale. Tout d'abord, cela est dû à la haute qualité des produits. De plus, l'entreprise est devenue une entreprise internationale. Usines, ateliers, usines - vous pouvez les trouver partout dans le monde. La Russie ne fait pas exception.
1 Avantages et inconvénients de la gamme UPS
La série d'équipements de circulation UPS 100 comprend des pompes de circulation à rotor humide. Le dispositif de telles pompes implique le placement des unités de travail et du moteur dans un seul boîtier, tandis que l'arbre de rotation et la roue qui y est attachée sont isolés du milieu de travail pompé. Un tel dispositif permet l'utilisation de seulement deux presse-étoupe, sans garniture mécanique, ce qui simplifie la conception et la rend plus fiable.
Tous les modèles de pompe sont équipés de roulements en céramique durables, qui sont lubrifiés par le liquide pompé pendant le fonctionnement.En plus des systèmes de chauffage, la série UPS 100 convient pour une utilisation dans les domaines suivants :
- dans les systèmes de chauffage et de pompage d'eau industriels ;
- systèmes de pompe à chaleur;
- systèmes de chauffage au sol;
- chauffage géothermique;
- systèmes de récupération de chaleur;
- climatisation;
- unités de réfrigération.
Parmi les avantages opérationnels de telles unités, nous soulignons le rendement élevé, qui peut atteindre 80%, la fiabilité et la maintenabilité de la conception, et une longue durée de vie. Un autre avantage important est la possibilité de faire fonctionner les pompes en 3 modes de vitesse, ce qui vous permet de les configurer pour n'importe quel mode de fonctionnement.

Dispositif de pompage de la série UPS
Les avantages des pompes de la série UPS 100 incluent :
- raccordement électrique simple ;
- pas besoin de protection électrique supplémentaire grâce à l'utilisation d'enroulements de moteur à blocage résistant au courant ;
- une structure d'arbre creux, à travers le trou dans lequel l'air est retiré de la chambre ;
- pas besoin d'entretien.
L'inconvénient de ce type d'équipement est le niveau de bruit relativement élevé pendant le fonctionnement (cela ne s'applique pas à plusieurs modèles de pompes à rotor sec, également présenté dans la gamme UPS) et coût élevé. Cependant, compte tenu de la fiabilité d'un tel équipement, on peut affirmer qu'il remplit pleinement son prix.
1.1 Gamme d'équipements
La société danoise Grundfos de la gamme UPS 100 représente plus de 25 modèles de pompes de circulation, dont le coût varie entre 6 et 40 000 roubles. Considérez l'équipement le plus populaire dans différentes catégories de prix:
- Grundfos UPS 25-40 (7 000) ;
- Onduleur Grundfos 40-50F (27 000) ;
- Grundfos UPS 20-60 130 (10 000) ;
- Grundfos UPS 32-100 (35 mille).
Le circulateur le plus abordable est la pompe Grunfdos UPS 25-40. Il s'agit d'une pompe de petite taille, caractérisée par une consommation d'énergie économique et un faible bruit pendant le fonctionnement. L'UPS 25-40 est une pompe de type "sec", dans laquelle le rotor et le moteur électrique sont isolés de l'environnement de travail.

Grunddos UPS 25-40
L'unité dispose de 3 vitesses de circulation fixes, qui peuvent être commutées à l'aide d'un levier situé sur la boîte à bornes. L'automatisation intégrée vous permet de configurer n'importe quel mode de fonctionnement - continu, sur une minuterie ou en fonction des caractéristiques du liquide de refroidissement.
Considérez les caractéristiques techniques de l'UPS 25-40 :
- puissance - 25/38/45 W;
- pression de travail - jusqu'à 10 bars;
- température du liquide pompé -25+110 degrés ;
- débit de fonctionnement - 1,6 m3 / h;
- tête - jusqu'à 4 m;
- raccord fileté standard - G 1½".
Une modification plus fonctionnelle de 25-40 est le modèle UPS 20-60. Cette unité, en plus du chauffage, peut être utilisée dans les systèmes d'eau chaude, de refroidissement et de climatisation. Le modèle est conçu pour les canalisations avec un débit stable du fluide de travail, dont la pression ne dépasse pas 10 bar et la tête hydrostatique est de 1,62 m.Dans la pompe UPS 20-60, le débit nominal est augmenté à 2,3 m/h.
Le boîtier de l'UPS 20-60 est en fonte, la roue est en alliage composite résistant à la corrosion. La longueur d'installation de la pompe est de 130 mm, la taille du filetage est G 1½". Le modèle correspond à la classe d'efficacité énergétique C.

Onduleur Grundfos 20-60 130
Grundfos UPS 20-60 130 est l'un des rares modèles à rotor noyé qui répond à la classe de protection IP 44.Le coût (28 000) de ce circulateur est dû à sa grande fiabilité - la pompe est axée sur le fonctionnement dans les systèmes de chauffage à responsabilité accrue.
Spécifications ASI 20-60 130 :
- puissance maximale - 115 W;
- débit - 9,1 m3 / h;
- température du liquide - de -25 à +110 degrés;
- pression - jusqu'à 15 bars;
- hauteur maximale - 5 m.
L'UPS 20-60 130 a un boîtier en fonte avec une turbine en polymère renforcé, une plaque d'appui en acier inoxydable, des joints en caoutchouc synthétique résistant à la chaleur et un arbre en oxyde d'aluminium.
Application et objectif
Les boussoles Gileks sont des dispositifs de circulation conçus pour le chauffage et le refroidissement, la climatisation, les systèmes de ventilation. Le but des unités est de faire circuler le fluide de travail dans des systèmes fermés. Lors du fonctionnement de l'appareil, des tuyaux d'un diamètre inférieur sont utilisés par rapport à la circulation naturelle. Fournir une distribution uniforme des températures dans les systèmes. Une série d'unités se distingue par un rotor humide et un moteur à trois vitesses. Le moteur est équipé d'un bloc pour régler manuellement la vitesse du fluide de travail dans un système fermé.
Dzhileks Compasses assure le chauffage de la pièce chauffée et une distribution uniforme sur toutes les parties du circuit du fluide de travail.

Équipement standard de la pompe Compas Gileks
La présence d'un rotor humide permet de régler le système. Il offre des performances élevées, une efficacité énergétique et un fonctionnement silencieux.
La programmation
La série Jilex Compass se compose de six modèles aux caractéristiques différentes.
Description des modèles de boussoles :
- 25 40.Les pompes de circulation Dzhileks Compasses 25 40 fonctionnent avec une plage de température de dix à cent dix degrés Celsius. Crée une pression de quatre mètres. Débit trois mètres cubes par heure. A trois vitesses. Il fonctionne à des températures ambiantes allant jusqu'à cinquante degrés. Pèse trois kilogrammes;
- 25 60. La différence entre le modèle et le précédent réside dans la pression générée de six mètres et le débit de 3,8 mètres cubes par heure. Génère un bruit de 65 dB ;
- 25 80. Le modèle crée une pression maximale de huit mètres. Débit de huit mètres cubes par heure. Les pompes Gileks Compasses 25 80 émettent un bruit de 45dB ;
- 32 40. Le modèle de pompes de circulation Dzhileks Compasses 32 40 est en fonte. Fonctionne avec des températures de liquide jusqu'à cent dix degrés Celsius. Les pompes de circulation Compass 32 40 ont une puissance nominale de 32 W, une pression de quatre mètres, un poids de 3600 grammes, un diamètre de trou de 1,25 pouces ;
- 32 60. La puissance du modèle est de 55 W, il crée une pression de six mètres, le débit est de 3,8 mètres cubes par heure. émet un bruit de 45 dB ;
- 32 80. Modèle de pompe 32 80 Le compas pèse six kilogrammes. La puissance nominale de l'appareil est de 135 watts. Les pompes de circulation Dzhileks Zirkul 32 80 fonctionnent à trois vitesses. La tête et le débit maximum sont de huit mètres.
Fonctionnalités de conception et d'application
Les appareils Compass ont un certain nombre de caractéristiques qui les distinguent des autres modèles et fabricants.

Gamme de modèles de pompes Compas Dzhileks
Caractéristiques de l'appareil :
- les appareils se caractérisent par des performances élevées;
- sont appliqués aux systèmes domestiques d'approvisionnement en eau chaude et de chauffage;
- ne pas utiliser dans les systèmes d'eau potable ;
- rotor humide pour tous les modèles ;
- moteur à commande manuelle à trois vitesses ;
- fonctionne avec de l'eau et des liquides contenant de l'éthylène glycol;
- corps en fonte non sujet à la corrosion ;
- monté horizontalement et verticalement ;
- la diminution de la vitesse de rotation réduit la consommation d'énergie et le volume de l'appareil ;
- dans l'emballage, il y a des écrous pour le montage ;
- faibles vibrations.
Étapes et règles de réparation
La réparation de la pompe Sololift, ainsi que la réparation de la station de pompage Grundfos à quelque fin que ce soit, peuvent être effectuées indépendamment, après avoir identifié au préalable la source du problème.
Le diagnostic des équipements comporte plusieurs étapes :
- démarrer la station de pompage, évaluer le niveau de bruit et de vibration ;
- vérifier les indicateurs de pression ;
- assurez-vous que le moteur ne surchauffe pas pendant le fonctionnement ;
- vérifier la présence et la qualité de la lubrification des connexions nodales ;
- assurez-vous de l'intégrité de la structure et de l'absence de fuites;
- inspecter la boîte pour une fixation sûre des bornes.
Si vous êtes sûr que les dysfonctionnements ne sont pas dus à des dépôts calcaires et à la pollution, à des surcharges ou à un fonctionnement à puissance maximale, la pompe peut être démontée. Lorsque vous envisagez de réparer la pompe Grundfos de vos propres mains, assurez-vous que l'eau est évacuée des canalisations et éteignez le système. Le démontage commence par la boîte de jonction et une évaluation visuelle des composants. En règle générale, une telle inspection permet de détecter immédiatement une pièce brûlée ou usée. Sinon, nous continuerons à démonter l'installation.
Le moteur doit être en position verticale lors du démontage. Cela évitera les risques de fuite d'huile. Pour diagnostiquer le mécanisme de déclenchement, un ohmmètre doit être connecté au moteur.Cet outil, lorsque la poignée est tournée, génère une tension dans la plage de 200 à 300 V, suffisante pour prendre des mesures sur le dispositif de détermination de la résistance. Des données de diagnostic trop élevées, atteignant l'infini, indiquent une interruption de la phase de travail, trop faible - un circuit entre spires. L'auto-ajustement des paramètres de fonctionnement avec de tels écarts n'est pas possible.
Durée de vie de la pompe à chaleur
Réparation de chaufferie
L'événement est complexe et responsable. L'essentiel est de choisir une pompe de haute qualité avec laquelle fonctionnera le système de chauffage de la maison. Parmi la grande variété de pompes proposées par différents fabricants, il est difficile pour une personne ordinaire de faire le bon choix en faveur d'un modèle particulier. Le principal problème est qu'une personne ne peut pas déterminer les caractéristiques du produit et calculer indépendamment la puissance requise de l'unité pour le système de chauffage. ÀChauffage de la maison était le plus efficace, vous devez effectuer des calculs indépendamment et déterminer la quantité de chaleur nécessaire pour chauffer toutes les pièces. Les experts recommandent d'installer des pompes avec un système de réglage automatique (demandez au magasin). Ce type d'équipement est capable de fonctionner en tenant compte de toutes les exigences du système, et en même temps, en consommant très peu d'électricité. Si l'utilisateur est préoccupé par une question telle quedurée de vie pompe à chaleur , le minimum est de 10 ans. Le délai est impressionnant. Mais ces chiffres ne seront vrais que si le produit est choisi correctement.Durée de vie de la pompe à chaleur dépendra en grande partie du bon fonctionnement du produit. Une maintenance en temps opportun aidera à éviter les pannes et les dysfonctionnements imprévus.
Nous prolongeons la durée de vie - les secrets des spécialistes
Durée de vie de la pompe à chaleur
Pour que la saison de chauffage ne se transforme pas en cauchemar, vous devez suivre quelques règles simples qui contribueront à prolonger la durée de vie de la pompe :
- En produisant réparation de chaufferie , il est nécessaire d'installer l'unité conformément à toutes les exigences techniques du fabricant (la documentation correspondante est jointe au produit). La règle principale est la suivante: le rotor (plus précisément son axe) doit être situé strictement horizontalement. Même une légère inclinaison peut entraîner un mauvais fonctionnement de l'appareil et, par la suite, sa panne;
- Surveillez la formation de congestion aérienne - c'est à cause d'eux que la plupart des dysfonctionnements se produisent. L'air dégonflé en temps opportun du système de chauffage évitera les pannes imprévues;
- Surveillez périodiquement le respect du régime de température du produit et observez le liquide pompé (l'eau doit être propre, sans déchets divers). Toutes les normes sont indiquées dans la fiche technique du produit ;
- Chauffage de la maison ne doit être fait qu'avec de l'eau traitée.
Malgré la conception la plus simple de la pompe, sa fonction dans le système de chauffage de la maison est l'une des plus importantes - assurer une circulation ininterrompue de l'eau chaude. Seul le respect des règles ci-dessus contribuera à prolonger la durée de vie de l'unité et à éliminer les problèmes imprévus et les dysfonctionnements du système.
Résumé
La pompe de circulation est une excellente solution pour une maison de campagne (privée) ou un chalet. Après avoir acheté l'unité, une personne devient complètement indépendante du système de chauffage de la ville, ce qui permet des économies importantes.Un produit bien sélectionné consommera peu d'électricité, ce qui nous permet de conclure que l'achat justifie pleinement l'argent investi.
Caractéristiques et avantages des pompes
Les principaux avantages des pompes Grundfos sont :
- Le rapport qualité/prix optimal,
- haute efficacité énergétique des équipements,
- Vaste sélection pour répondre à tous les besoins.
- durée de vie assez longue
- bonne assistance technique.
Lors du choix de l'équipement de pompage, les paramètres techniques suivants doivent être pris en compte:
Vous devez d'abord décider quel type est nécessaire. Au total, trois grands groupes se distinguent: pour les puits, pour le chauffage, pour l'évacuation de l'eau ou l'assainissement. Chez Grundfos, les concepteurs ont réfléchi à presque tous les problèmes possibles qui peuvent survenir dans un domaine de fonctionnement particulier. Par conséquent, en choisissant l'équipement de ce fabricant, vous obtenez une unité qui tient compte de nombreuses années d'expérience.
Avant de commander l'équipement, il est nécessaire de décider quel type de tension sera utilisé : monophasé ou triphasé. Pour les pompes domestiques, le monophasé est principalement utilisé, dans l'industrie, le triphasé est davantage utilisé.
La principale caractéristique lors du choix d'une pompe est le graphique de la dépendance de la pression au débit. Un tel graphique montre la quantité d'eau que la pompe pompera, en fonction de la pression requise. Plus la pression à maintenir est élevée, moins la pompe peut pomper d'eau. Lors de la sélection de l'équipement, le point de fonctionnement requis doit être sous sa courbe. Il faut aussi laisser une marge de 20% pour le dépôt.
La puissance est également un paramètre important. Cela dépend de la force du courant et de l'amplitude de la tension.Ce paramètre est pris en compte lors de la sélection de la protection de la pompe, ainsi que lors du calcul de la section requise des câbles d'alimentation. Plus la puissance est élevée, plus les performances sont élevées.
Lors du choix des pompes, les paramètres géométriques et les dimensions de raccordement doivent également être pris en compte.
Avant de passer une commande, vous devez vous assurer que l'équipement sélectionné est adapté tant en termes de poids que de dimensions.
Selon les conditions de fonctionnement, les températures minimales et maximales admissibles du fluide pompé doivent être respectées. Il y a des moments où le mauvais choix de gamme a conduit à une défaillance de l'équipement.
De plus, lors du choix de pompes équivalentes, il est nécessaire de choisir celle avec un indice d'efficacité plus élevé
A long terme, de tels équipements permettront d'importantes économies d'énergie.
Pour que l'unité fonctionne longtemps et sans interruption, il est nécessaire de l'installer correctement. L'installation de tout équipement doit être effectuée strictement selon les instructions d'installation ci-jointes. N'oubliez pas non plus l'installation de systèmes de contrôle automatisés pour les pompes.
Un tel système protégera votre appareil des surtensions, de la surchauffe du moteur, de la possibilité de travailler sans eau, des infiltrations d'eau, etc., et vous permettra également de contrôler le processus automatiquement, sans intervention humaine.
Une autre condition de longévité est le bon fonctionnement. C'est aussi indiqué dans les instructions.
Il est important de comprendre que si un système de protection d'unité de pompage est installé, alors lorsqu'il se déclenche, vous devez être vigilant. Il est préférable d'effectuer un cycle complet d'inspection de l'équipement.
Installation
Des conseils détaillés et des règles d'installation se trouvent dans la documentation jointe.Il est inclus de série sur l'équipement d'origine. En pratique, les instructions sont adressées au dernier moment. Habituellement, lorsque quelque chose est déjà cassé ou a cessé de fonctionner. L'installation d'une pompe de circulation à rotors secs dans le système de chauffage est effectuée sur la conduite de retour, généralement immédiatement après le vase d'expansion. Des pompes de circulation à rotor noyé peuvent être installées dans les conduites d'alimentation.

Bien que les installateurs affirment qu'en la matière, il est préférable de prendre en compte les caractéristiques d'un système de chauffage particulier. Les règles générales impliquent que la température du porteur est plus basse sur le retour, donc la pompe fonctionnera en mode doux. Et aussi l'efficacité de l'appareil installé sur la ligne de retour est la meilleure. D'un point de vue hydraulique, l'emplacement de la pompe dans une boucle fermée n'a pas d'importance. Ne faites pas fonctionner la pompe installée avec le système non rempli de liquide. Lors de l'installation, la position correcte de l'unité doit être prise en compte.
Seulement avec une disposition verticale, le liquide de refroidissement lubrifiera complètement les pièces frottantes. Si la connexion est incorrecte, l'unité tombera en panne plus rapidement, elle devra être réparée. Cela se produit lorsque l'appareil est installé horizontalement, car le volume interne du boîtier n'est pas complètement rempli de liquide de refroidissement. En cas de pannes de courant fréquentes, il est recommandé de compléter les pompes par des alimentations sans coupure. Ils contribueront à une meilleure sécurité de l'unité contre les pannes.

Lors de l'installation, l'ordre de travail suivant doit être pris en compte :
- Vous devez d'abord monter le circuit d'eau. L'unité doit être installée avec un raccord fileté de même diamètre dans les tuyaux et dans la pompe. Le bon sens d'installation de l'appareil peut être déterminé par les flèches qui sont équipées du boîtier de l'appareil ;
- en utilisant les raccords proposés dans le kit, vous devez connecter la pompe ;
- vous devez remplir le système de chauffage;
- purger l'air éventuellement resté à l'intérieur de la pompe. Pour ce faire, dévissez le boulon du capot supérieur qui ferme le moteur.


Vous devez sélectionner la vitesse de fonctionnement. Les experts conseillent de régler la vitesse minimale. Dans ce mode, les roulements et autres mécanismes de frottement s'usent moins. En règle générale, à vitesse minimale, la charge n'est pas particulièrement forte. Pendant le fonctionnement ultérieur, il convient de choisir le mode dans lequel l'ensemble du système de chauffage se réchauffera plus uniformément. Si un modèle avec une unité électronique est acheté, ces unités sélectionneront indépendamment le taux de circulation souhaité pour le système connecté.
Le filtre à eau aidera à augmenter la durée de vie de la pompe. Le filtre doit être installé avant l'installation de l'unité. Négliger le filtre raccourcira la durée de vie de l'appareil, car les déchets pénétreront dans le boîtier de l'appareil avec le liquide de refroidissement. Pour que l'appareil installé soit réparable, il est nécessaire d'installer des robinets d'arrêt pouvant bloquer l'accès au liquide. Les connexions entre les robinets doivent être étanches.

Lors de la connexion de l'appareil, il convient de prendre en compte l'ordre dans lequel les tuyaux sont remplis de liquide de refroidissement. Les experts recommandent de faire couler le liquide d'abord dans les tuyaux inférieurs, puis de remplir progressivement tout le système. Un tel processus facilitera la libération de l'air accumulé dans le vase d'expansion. Si de l'air reste à l'intérieur des tuyaux, cela entraînera une inefficacité du système. Les grues Mayevsky ou une automatisation spéciale contribueront à une meilleure élimination de l'air du système.

2 Gamme de modèles
Les appareils Grandfos ont une large gamme de modèles.

Circulateur Grundfos Onduleur 25-40 130
Série à vitesse fixe
- Grundfos UPS 1560 avec une capacité de 3300 litres par heure, une puissance de 105 W et une pression de 5,8 mètres ;
- Grundfos UPS 1560 130 a une capacité de 1,59 mètre cube par heure, une tête de 60 mètres, une puissance de 50 W, un poids de 2,3 kg ;
- Grundfos UPS 25 40 est équipé d'une protection moteur contre les surtensions. La productivité de l'appareil est de 2900 litres par heure, la pression est de 3,8 mètres, le régime de température du liquide est de 2 à 110 degrés Celsius. Type de conception unique avec fonctionnement à 3 vitesses. Il est populaire dans les habitations à tension intermittente. L'analogue du modèle grundfosups 25 40 130 et 180 a les mêmes caractéristiques, ne diffère que par la longueur d'installation;
- Grundfos UPS 25 60 180 est polyvalent et est utilisé pour les systèmes d'eau chaude et de chauffage. La productivité de l'appareil est de 4300 litres par heure à une pression de 6,5 mètres. Il a un mode de fonctionnement à trois vitesses, une chambre de travail en fonte et un corps en aluminium. La longueur d'installation est de 180 millimètres. Une variante du modèle est Grundfos UPS 25 60/130, caractérisée par une longueur d'installation de 130 millimètres ;
- Grundfos UPS 25 80 crée une hauteur maximale de 8 mètres. Le débit de l'appareil est de 8 mètres cubes par heure. Type de rotor - humide. Le nombre de vitesses est de trois. L'appareil est utilisé dans un système de chauffage par traction. Fonctionne à une pression maximale de 10 bar ;
- Grundfos UPS 25 100 crée une pression de 10 mètres, la consommation électrique est de 280 W, la productivité est de 11 mètres cubes par heure ;
- Grundfos UPS 25 120/180 a la pression la plus élevée dans la gamme des 12 mètres et une capacité de 3,6 mètres cubes par heure. Puissance 120 W ;
- UPS 32/40 forme une pression de 4 mètres, est monté en position verticale et horizontale. Débit 12 mètres cubes par heure. Puissance 60 W ;
- Les pompes de circulation Grundfos UPS 3260 ont une capacité de 4,6 mètres cubes par heure, une tête de 6 mètres et une puissance de 90 watts. Fonctionne à des températures d'eau allant jusqu'à 95 degrés Celsius. Ils pèsent 2,6 kg Ups 3060 180 grundfos avec une longueur d'installation de 18 centimètres ;
- Les pompes de circulation Grundfos UPS 32 80 fonctionnent à des pressions allant jusqu'à 10 bars et à des températures de liquide de moins 25 à 110 degrés Celsius.
- Grundfos UPS 32 100 fonctionne à une pression de 10 bars, le débit de l'appareil est de 14 mètres cubes par heure. Grundfos UPS 32 100 crée une pression de 10 mètres. Le modèle Grundfos UPS 32 100 est conçu pour les systèmes de chauffage, de plomberie, de refroidissement et de climatisation ;
- Les onduleurs Grundfos 32 120 f fonctionnent à des températures de liquide de moins 10 à 120 degrés Celsius. Longueur de montage 22 cm. Comprend des roulements radiaux en céramique, un roulement axial en graphite, un boîtier de stator en aluminium, un boîtier en fonte. Poids 17 kilogrammes;
- Onduleur Grundfos 40 120 f. L'appareil crée une pression de 120 dm. A une connexion à bride et 3 vitesses ;
- UPS 65 120 f Grundfos avec 3 vitesses et roulements radiaux en céramique et raccordement à bride. Crée une pression de 120 dm.
La série UP est appliquée à l'approvisionnement en eau chaude dans les logements privés (pour la recirculation). Fournit rapidement de l'eau au point de prise d'eau.
Série sans vitesses fixes UP :
- Les pompes Grundfos UP 15 14 bpm sont utilisées pour les systèmes d'eau chaude. La pression générée est de 1,2 mètre, le débit est de 0,5 mètre cube par heure, la longueur d'installation est de 8 centimètres.Un analogue du modèle sont les pompes de circulation grundfos up 15 14 mais, caractérisées par la présence d'une minuterie et d'un thermostat ;
- Grundfos UP 15 40 bt avec une puissance de 25 W, un thermostat, une pression de 1,2 mètre, un débit de 0,7 mètre cube par heure. La protection contre la surchauffe prolonge la durée de vie de l'appareil ;
- Grundfos UP 2015 n est une pompe à vitesse unique avec un boîtier en acier inoxydable ;
- Les pompes de circulation Grundfos UP 15 14 b se caractérisent par une faible consommation d'énergie et un faible niveau sonore. Le modèle Grundfos UP 15 14 bapm a un rotor de moteur à aimant permanent ;
- Grundfos UP 20 14 bxa pm est équipé de deux capteurs de température. La recirculation, qui est effectuée par la machine une fois par semaine, est nécessaire pour tuer les bactéries et rincer le système. L'analogue de l'appareil est grundfos UP 2014bx pm;
- Grundfos UP 15 14b a pm est utilisé pour le recyclage ECS. Le type de rotor humide protège le moteur contre la surchauffe.












































