- Le rôle du ventilo-convecteur dans le système de climatisation
- Composants du circuit refroidisseur-ventilo-convecteur
- Question Réponse
- Types de refroidisseurs et leur description
- Combien coûtent les ventilo-convecteurs - aperçu des prix
- Caractéristiques des services
- Refroidissement par eau dans l'aquarium
- Caractéristiques de choix
- Hydromodule
- Glycol
- échangeur de chaleur
- Compresseur
- Le dispositif et le principe de fonctionnement du système de ventilo-convecteur refroidisseur
- Caractéristiques de conception des refroidisseurs
- Principales classes de refroidisseurs
- Dispositif d'unité d'absorption
- La conception des usines de compression de vapeur
- Spécificités du refroidisseur à compression de vapeur
- Comment choisir le bon refroidisseur ?
Le rôle du ventilo-convecteur dans le système de climatisation
Le ventilo-convecteur est un élément important d'un système de climatisation centralisé. Le deuxième nom est un ventilo-convecteur. Si le terme ventilo-convecteur est littéralement traduit de l'anglais, cela ressemble alors à un échangeur de chaleur à ventilateur, qui traduit le plus fidèlement le principe de son fonctionnement.
La conception du ventilo-convecteur comprend un panneau de raccordement électrique (1)‚ caisson (2) - version plafonnier‚ ventilateur (3)‚ échangeur cuivre ou aluminium (4)‚ bac à condensat (5)‚ vanne d'air (6)‚ raccord pompe pour condensat et tubes (7) (+)
Le but de l'appareil est de recevoir des médias à basse température.La liste de ses fonctions comprend également à la fois la recirculation et le refroidissement de l'air dans la pièce où il est installé, sans apport d'air extérieur. Les principaux éléments du ventilo-convecteur sont situés dans son corps. Ceux-ci inclus:
- ventilateur centrifuge ou diamétral ;
- échangeur de chaleur sous la forme d'un serpentin constitué d'un tube en cuivre et d'ailettes en aluminium montées dessus ;
- filtre à poussière;
- Bloc de contrôle.
Outre les principaux composants et pièces, la conception du ventilo-convecteur comprend un piège à condensat, une pompe pour pomper ce dernier, un moteur électrique, à travers lequel les volets d'air sont entraînés en rotation.
La photo montre un modèle de ventilo-convecteur sans cadre Trane. La performance des échangeurs de chaleur à double rangée est de 1,5 à 4,9 kW. L'unité est équipée d'un ventilateur silencieux et d'un boîtier compact. Il s'intègre parfaitement derrière des cadres ou des structures de plafond suspendu.
Selon la méthode d'installation, il existe un plafond, un canal, monté dans des canaux, à travers lesquels l'air est fourni, sans cadre, où tous les éléments sont montés sur un cadre, au mur ou sur une console.
Les appareils de plafond sont les plus populaires et existent en 2 versions : cassette et canal. Les premiers sont montés dans de grandes salles avec des faux plafonds. Derrière la structure suspendue, un corps est placé. Le panneau inférieur reste visible. Ils peuvent disperser le flux d'air sur deux ou sur les quatre côtés.
Voici une représentation schématique du principe de fonctionnement d'un ventilo-convecteur. Si le système est prévu pour être utilisé exclusivement pour le refroidissement, le meilleur endroit pour cela est le plafond. Lorsque la structure est destinée au chauffage, l'appareil est posé sur le mur dans sa partie inférieure
Le besoin de refroidissement n'existe pas toujours, par conséquent, comme on peut le voir sur le schéma qui transmet le principe de fonctionnement du système refroidisseur-fincoil, un récipient est intégré au module hydraulique qui agit comme un accumulateur pour le réfrigérant. La dilatation thermique de l'eau est compensée par un vase d'expansion relié au tuyau d'alimentation.
Les ventilo-convecteurs sont contrôlés en mode manuel et en mode automatique. Si le ventilo-convecteur fonctionne pour le chauffage, l'alimentation en eau froide est coupée en mode manuel. Lorsqu'il fonctionne pour le refroidissement, l'eau chaude est bloquée et le chemin est ouvert pour l'écoulement du fluide de travail de refroidissement.
Télécommande pour les ventilo-convecteurs à 2 et 4 tubes. Le module est connecté directement à l'appareil et placé à proximité de celui-ci. Le panneau de commande et les fils pour son alimentation sont connectés à partir de celui-ci.
Pour travailler en mode automatique, la température requise pour une pièce particulière est réglée sur le panneau. Le paramètre spécifié est pris en charge par des thermostats qui corrigent la circulation des liquides de refroidissement - froid et chaud.
L'avantage d'un ventilo-convecteur s'exprime non seulement dans l'utilisation d'un liquide de refroidissement sûr et bon marché, mais également dans l'élimination rapide des problèmes sous forme de fuites d'eau. Cela rend leur service moins cher. L'utilisation de ces appareils est le moyen le plus économe en énergie de créer un microclimat favorable dans un bâtiment.
Étant donné que tout grand bâtiment a des zones avec des exigences de température différentes, chacune d'entre elles doit être desservie par un ventilo-convecteur séparé ou un groupe d'entre eux avec des réglages identiques. Le nombre d'unités est déterminé au stade de la conception du système par calcul.Le coût des composants individuels du système de ventilo-convecteur refroidisseur est assez élevé, par conséquent, le calcul et la conception du système doivent être effectués aussi précisément que possible.
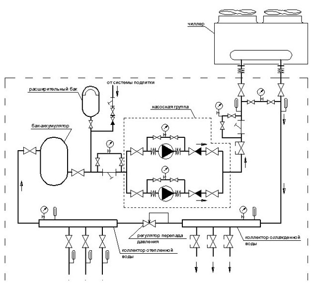
Composants du circuit refroidisseur-ventilo-convecteur
Le rôle du dispositif de refroidissement est attribué au refroidisseur - une unité externe qui produit et fournit du froid à travers des canalisations avec de l'eau ou de l'éthylène glycol circulant à travers eux. C'est ce qui distingue ce système des autres systèmes divisés, où le fréon est pompé comme liquide de refroidissement, pour le transfert duquel des tuyaux en cuivre coûteux sont nécessaires. Ici, les conduites d'eau à isolation thermique s'acquittent parfaitement de cette tâche.
Son fonctionnement n'est pas affecté par la température extérieure, tandis que les systèmes split au fréon perdent déjà leur efficacité à -10⁰. L'unité d'échange de chaleur interne est un ventilo-convecteur. Il reçoit un liquide à basse température, puis transfère le froid vers l'air ambiant‚ et le liquide chauffé retourne vers le refroidisseur.
Des ventilo-convecteurs sont installés dans toutes les pièces. Chacun d'eux travaille selon un programme individuel.
La photo montre les principaux éléments du système - station de pompage, refroidisseur, ventilo-convecteur. Le ventilo-convecteur peut être installé à grande distance du refroidisseur. Tout dépend de la puissance de la pompe. Le nombre de ventilo-convecteurs est proportionnel à la capacité du refroidisseur
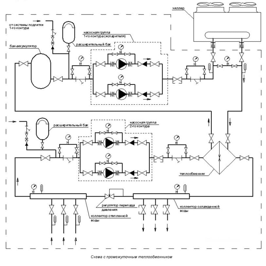
Généralement, ces systèmes sont utilisés dans les hypermarchés‚ centres commerciaux‚ bâtiments‚ construits sous terre‚ hôtels. Parfois, ils sont utilisés comme chauffage. Ensuite, via le deuxième circuit, de l'eau chauffée est fournie aux ventilo-convecteurs ou le système est commuté sur une chaudière de chauffage.
Question Réponse
Question:
Sur quoi fonctionnent les refroidisseurs ?
Réponse:
La principale substance de travail du refroidisseur est le réfrigérant. Le fréon est le réfrigérant le plus courant.Il circule dans le circuit de l'appareil et s'évapore dans l'échangeur de chaleur grâce à la chaleur reçue du liquide refroidi. Le transfert à froid s'effectue à l'aide d'un fluide caloporteur (eau, éthylène glycol).
La circulation du fluide frigorigène est assurée par le compresseur dont le bon fonctionnement dépend de nombreux facteurs. Ainsi, le fonctionnement du refroidisseur est impossible sans réfrigérant et liquide de refroidissement.
Question:
Quel est le meilleur freecooler (tour de refroidissement) ou refroidisseur ?
Réponse:
Le freecooler assure le refroidissement de l'eau ou d'un autre liquide de refroidissement dans le radiateur au niveau de chaleur dans l'air ambiant. Les ventilateurs sont utilisés pour cela. La technologie freecooling ne prévoit pas la présence d'un module compresseur. Grâce à cette caractéristique, ils consomment beaucoup moins d'électricité que les refroidisseurs.
Inconvénients des freecoolers: l'impossibilité de les utiliser pleinement par temps chaud, car le refroidissement se produit au niveau de la température de l'air. Les freecoolers s'intègrent facilement dans les unités de climatisation existantes, ils sont donc pratiques à utiliser en combinaison avec des refroidisseurs qui fonctionnent indépendamment de la température extérieure.
Question:
Quels refroidisseurs sont meilleurs à eau ou à air?
Réponse:
Selon le type de refroidissement du condenseur, les refroidisseurs sont à eau ou à air. Les appareils qui utilisent de l'eau à ces fins conviennent à un fonctionnement tout au long de l'année. Ils sont plus compacts, peuvent être installés à l'intérieur d'un bâtiment, mais sont beaucoup plus coûteux que les équipements dont la température est abaissée par un flux d'air dirigé.
Les unités d'air sont proposées à bas prix, mais leur installation nécessite de grandes surfaces pour accueillir toutes les unités et modules. Par exemple, le système de refroidissement est souvent installé à l'extérieur.Cela permet une utilisation plus rationnelle de l'espace à l'intérieur du bâtiment, mais réduit la fonctionnalité de ces équipements.
Question:
Quelle est la différence entre les refroidisseurs avec et sans pompe à chaleur ?
Réponse:
Les appareils dans lesquels une pompe à chaleur est installée peuvent non seulement refroidir, mais aussi chauffer l'espace environnant ou fournir de l'eau chaude. Cette caractéristique utile permet d'utiliser de telles installations pour le chauffage de grands locaux publics ou industriels. S'équiper d'une pompe à chaleur augmente le coût de l'équipement, mais étend considérablement ses fonctionnalités.
Question:
Quel est le principe de fonctionnement des refroidisseurs à absorption ?
Réponse:
Les appareils à absorption utilisent la chaleur perdue dans les usines comme énergie principale. Dans de tels systèmes, la substance de travail principale comprend plusieurs composants. La solution se compose d'un absorbant et d'un réfrigérant. L'absorbant est le bromure de lithium et le liquide de refroidissement est l'eau. Il entre dans l'évaporateur basse pression, d'où il sort refroidi et est absorbé par le bromure de lithium. Le liquide est concentré dans le condenseur, puis le réfrigérant est transféré par des tuyaux aux utilisateurs finaux. Les refroidisseurs à absorption n'ont pas de module compresseur, ils consomment donc un minimum d'électricité.
Question:
Quel est le coût des refroidisseurs modernes ?
Réponse:
Le coût des refroidisseurs modernes dépend de leurs caractéristiques de conception et de leur puissance. Ce sont des systèmes de climatisation industriels conçus pour desservir de grands bâtiments industriels ou publics, de sorte que le prix des nouvelles unités commence à partir de 100 000 roubles.frotter. Les moins chers sont les mini refroidisseurs de faible puissance, tandis que les plus chers ont une puissance de sortie mesurée en milliers de kW et leur coût est de plusieurs millions de roubles. De nombreux fournisseurs, sur demande, fournissent une estimation des coûts après avoir spécifié les principales caractéristiques et fonctions requises.
Types de refroidisseurs et leur description
Selon le type de liquide de refroidissement, les refroidisseurs sont divisés en :
- propylène glycol;
- éthylène glycol;
- l'eau.
Les appareils sont équipés d'un système de contrôle spécialisé basé sur un microprocesseur. Pour chaque modèle de refroidisseurs, il y a toujours la possibilité d'en acheter d'autres. équipement, ce qui permet de monter l'équipement à n'importe quel endroit.
Les groupes de condensation sont conçus selon les derniers développements techniques et d'ingénierie, grâce auxquels ils sont équipés d'un contrôle par microprocesseur, de ventilateurs silencieux et de compresseurs scroll spéciaux.
Le réfrigérant utilisé (HFC-407°C) est absolument inoffensif et n'a pas le moindre effet négatif sur la couche d'ozone.
Un évaporateur développé en plus sous la forme d'un échangeur à plaques permet de rationaliser au maximum les caractéristiques thermodynamiques de l'équipement. Les appareils sont dotés d'un système de protection du réchauffeur contre le gel pendant le temps où cet équipement n'est pas connecté au travail.
Les modules de petite taille sont montés sur un châssis de base, qui comprend tous les composants nécessaires pour démarrer et faire fonctionner l'équipement.
Combien coûtent les ventilo-convecteurs - aperçu des prix
Le coût d'un système refroidisseur-ventilo-convecteur dépend de nombreux facteurs, notamment de sa fonctionnalité et de sa puissance.Les paramètres les plus importants sont : la capacité de refroidissement, les températures minimales et maximales de l'eau de refroidissement et de chauffage, la présence ou l'absence de filtres.
Considérons plusieurs modèles.
Kentatsu KFZF30H0EN1 est un ventilo-convecteur à cassette d'une capacité de 4 et 3 kW (chauffage-refroidissement), conçu pour être installé dans un faux plafond dans des pièces d'une superficie de 20 à 30 m².
Tous les modèles de la série KFZF sont équipés d'une télécommande filaire
L'appareil se caractérise par une installation et un fonctionnement faciles, une efficacité énergétique élevée, une conception spéciale de la turbine du ventilateur et des performances à faible bruit.
Kentatsu KFZF30H0EN1
Ventilo-convecteur à canal moyenne pression RoyalClima VC-S20P2. La marque RoyalClima s'est toujours concentrée sur la haute performance et l'efficacité énergétique dans le développement d'appareils, et le VC-S 20P2 ne fait pas exception.
Le ventilo-convecteur à canal RoyalClima VC-S 20P2 est un exemple d'ingénierie avancéeRoyalClima VC-S 20P2
Modèle assez compact, mais en même temps puissant. Vous permet de maintenir et d'ajuster les paramètres du microclimat sur des objets à des fins diverses (du résidentiel à l'industriel). Assez polyvalent et facile à utiliser.
En moyenne, le coût des modèles varie de 10 à 20 000 roubles.
Et si vous avez votre propre expérience de l'utilisation de ventilo-convecteurs pour contrôler le microclimat à la maison, parlez-en à d'autres lecteurs de notre magazine en ligne.
Regardez cette vidéo sur YouTube
Ingénierie précédenteDrainage sur un toit plat: comment bien l'organiser pour ne pas rester assis dans une flaque d'eau
Next Engineering Chaleur invisible : chauffage infrarouge pour cloisons sèches
Caractéristiques des services
Pendant le fonctionnement de l'équipement, il convient de prêter attention aux activités d'inspection planifiées.Tous les éléments des systèmes de filtration doivent être changés dans le délai spécifié par le fabricant, les radiateurs installés dans les locaux doivent être vérifiés pour la corrosion et les fuites
L'inspection des nœuds principaux, selon l'échelle du système, est effectuée de manière hebdomadaire ou mensuelle.
Le panneau de commande doit être surveillé périodiquement pour la précision et la vitesse d'exécution des commandes données. Les composants électriques sont vérifiés pour l'ampérage et d'autres caractéristiques qui peuvent indiquer une fuite ou une condition anormale. La tension est mesurée sur la ligne et dans les phases.
Nécessite un équipement d'entretien et de ventilation. Il est nettoyé, lubrifié, surveille la fonctionnalité du travail, la vitesse de rotation de l'arbre. Le système de drainage est vérifié pour l'efficacité de l'élimination de l'humidité. De plus, le radiateur nécessite périodiquement un traitement antibactérien sanitaire, ce qui permet d'exclure la propagation et la formation de microflore pathogène.

Voir les vidéos suivantes pour toutes les caractéristiques techniques pour l'installation, la maintenance et le fonctionnement des refroidisseurs et des ventilo-convecteurs.
Refroidissement par eau dans l'aquarium
Les refroidisseurs d'eau de refroidissement ne sont pas utilisés uniquement à des fins industrielles. Ils sont également utilisés pour refroidir divers liquides, y compris l'eau de refroidissement dans un aquarium.
L'utilisation d'un éclairage supplémentaire dans l'aquarium entraîne une augmentation de la température de l'eau. Pour maintenir une température favorable tout au long du temps, un refroidisseur est parfait. Le principe de son fonctionnement est le même que dans les systèmes de refroidissement industriels.
Caractéristiques de choix
En raison de son prix élevé, un refroidisseur d'eau est rarement utilisé à la maison.Mais si vous décidez quand même d'acheter un refroidisseur pour votre maison, vous devez aborder ce processus de manière responsable.
Lors du choix d'un refroidisseur, pensez à :
- Prix de l'équipement ;
- Consommation d'énergie (dans les nouveaux modèles, ils essaient d'équilibrer faible consommation d'énergie et performances élevées. Ne prenez pas un réfrigérateur d'aquarium trop puissant. Choisissez strictement en fonction de vos paramètres);
- Niveau de bruit (les grands refroidisseurs émettent plus de bruit) ;
- Facilité d'entretien et disponibilité des pièces de rechange sur le marché et dans les centres de service ;
- Conformité de l'équipement avec la taille de l'aquarium;
- Design, combinaison harmonieuse avec l'intérieur;
- Un ensemble de fonctionnalités utiles.
Hydromodule
Les experts appellent un hydromodule une station de pompage, qui est nécessaire à la circulation de l'eau dans tout le système de refroidissement multimètre.

Pour que l'eau atteigne le consommateur final depuis le refroidisseur, une puissante pompe de circulation est nécessaire, qui devra faire passer des milliers de litres d'eau à travers des tuyaux. De plus, le module hydraulique comprend également un réservoir d'accumulation, qui sert de réservoir pour l'eau glacée. Avec lui, l'appareil fonctionne beaucoup plus stable et moins de temps. Étant donné que l'eau change de volume lorsque la température change, le système dispose d'un vase d'expansion intégré directement dans le circuit d'eau. Il est nécessaire pour que le système n'éclate pas lorsque la température de l'eau en circulation augmente - avec une augmentation du volume d'eau, il remplit le vase d'expansion.
Glycol
Le transfert de chaleur de l'air de la pièce refroidie au réfrigérant est effectué grâce à des caloporteurs (refroidisseurs), qui peuvent être :
- l'eau;
- Solution aqueuse;
- liquide avec un point de congélation bas.
Les liquides de refroidissement les plus courants sont des solutions d'alcools polyhydriques, notamment l'éthylène glycol, le propylène glycol et la glycérine.

Le glycol est un liquide incolore, sucré et très visqueux avec un point de congélation inférieur à -50 degrés. Il existe deux principaux types de glycol : le propylène glycol (non toxique, utilisé même dans la production alimentaire) et l'éthylène glycol (toxique, utilisé là où sa fuite ne nuira pas aux personnes, aux animaux ou aux produits alimentaires, beaucoup moins cher que le propylène glycol).
échangeur de chaleur
L'échangeur de chaleur (évaporateur) est un échangeur de chaleur dans lequel le réfrigérant bout et refroidit ainsi le liquide de refroidissement.

Le plus souvent, un échangeur de chaleur à plaques brasées est utilisé comme évaporateur, car il se distingue par son efficacité en termes de transfert de chaleur et sa compacité par rapport aux autres appareils. D'autres conceptions peuvent également être utilisées : coaxiale ou multitubulaire.
Compresseur
Le compresseur est le dispositif principal du refroidisseur, conçu pour comprimer le fréon à la haute pression requise et son alimentation ultérieure au pipeline.
Il existe trois principaux types de compresseurs :
- piston;
- vis;
- spirale.

Il convient de noter que le coût des compresseurs joue un rôle énorme dans la tarification des refroidisseurs.
C'est intéressant : Machine à bois à quatre faces : considérer de tous les côtés
Le dispositif et le principe de fonctionnement du système de ventilo-convecteur refroidisseur
Cet équipement est d'application universelle : il vous permet de maintenir un climat intérieur confortable en toutes saisons, quels que soient le nombre d'étages du bâtiment, sa superficie, sa configuration et son type.
Si l'on considère le schéma de travail le plus primitif: en fonction des paramètres spécifiés par l'utilisateur, le radiateur du plus proche déplace le liquide, qui est doté exactement de la température qui correspond à l'objectif spécifique fixé. L'eau chauffe ou refroidit l'air autour de l'élément de travail. Le ventilateur, à son tour, force cet air dans la pièce.
Le principe de fonctionnement du système refroidisseur-ventilo-convecteur
Les modèles avancés sont également capables de mélanger l'air intérieur et extérieur. Le plus proche passe le média à travers le radiateur, lui donne la température requise dans un cycle continu. Pour empêcher l'appareil de fonctionner «au ralenti», il dispose de conduites de dérivation spéciales avec vannes et actionneurs thermoélectriques.
La condensation, qui se produit inévitablement sur le radiateur, est éliminée à l'aide d'un bac de réception. La pompe de vidange, qui fonctionne en tandem avec un robinet à flotteur, élimine l'humidité accumulée du collecteur et l'envoie au tuyau de réception, et de là au drain d'égout.
Les systèmes de climatisation peuvent être refroidis par air ou par eau. Selon le critère des caractéristiques du condensateur, vous pouvez trouver des modèles de type distant ou intégré. Le chauffage peut se faire avec ou sans pompe à chaleur. Ensuite, les principales caractéristiques de conception de chaque élément de travail inclus dans un ensemble hautement productif seront examinées.
Un refroidisseur est un climatiseur qui fait passer de l'antigel ou de l'eau à travers l'évaporateur. Le liquide est fourni par un système de tuyauterie aux ventilo-convecteurs installés dans des pièces séparées. Le bundle fonctionne de la même manière que les systèmes fractionnés.Les refroidisseurs et les ventilo-convecteurs peuvent être séparés par une distance importante - cet indicateur ne dépend que de la puissance de l'équipement de pompage introduit à partir du circuit. Le refroidisseur fonctionne avec plusieurs ventilo-convecteurs, en fonction de ses performances, le nombre maximal autorisé de segments connectés du système de climatisation est défini.
Les refroidisseurs sont à compression de vapeur et à absorption. Ces derniers sont vendus dans le segment des prix élevés, ils sont volumineux et peuvent ne pas être utilisés dans tous les types de bâtiments. Les modèles de compression de vapeur, à leur tour, sont divisés en :
- extérieur (travail sur la base de ventilateurs axiaux, refroidissement par air);
- interne (ils ont un refroidissement par eau, un ventilateur centrifuge y est installé, ce qui assure le mouvement des masses d'air);
- réversible (peut fonctionner pour le refroidissement et le chauffage).
Exemple de refroidisseur réversible
Un ventilo-convecteur est un équipement qui accepte un porteur réfrigéré, il est responsable de la circulation de l'air dans la pièce desservie. Le ventilateur intégré aide à mélanger les flux de rue et internes, envoie le mélange résultant dans la bonne direction.
Il existe plusieurs types de ventilo-convecteurs :
- sol;
- mur-plafond;
- mur;
- plafond.
Exemple de ventilo-convecteur de plafond
Les unités intérieures à cassette contribuent au refroidissement, au chauffage et à la distribution uniforme des masses d'air dans les pièces où des équipements de plafond suspendu sont installés. Grâce à un tel dispositif, les éléments de travail du système de climatisation sont masqués et le bruit associé est minimisé. Dans ce cas, les flux d'air peuvent être distribués dans pas plus de 2 à 4 directions.
Les ventilo-convecteurs à canal sont montés directement dans la gaine de ventilation.Des conduits d'air séparés sont utilisés pour l'admission d'air, des canaux disposés derrière des segments de plafond suspendu sont utilisés pour éliminer les masses de déchets. Ces modèles de ferme-portes se caractérisent par des performances élevées, ils sont activement adoptés dans la construction d'entrepôts, de salles de marché et d'autres locaux de grande surface.
Caractéristiques de conception des refroidisseurs
Parmi les principales fonctionnalités figurent :
- Tous les paramètres définis dans chaque pièce seront maintenus automatiquement.
- Le système de refroidissement est considéré comme flexible et la distance entre le refroidisseur et les ventilo-convecteurs n'est limitée que par la capacité de la pompe. La longueur de l'emplacement peut atteindre des centaines de mètres.
- L'appareil est respectueux de l'environnement et sûr.
- En raison du fait que des vannes d'arrêt sont utilisées, la probabilité d'une inondation est minimisée.
- L'appareil est pratique à utiliser, grâce à la flexibilité de l'agencement et à la faible consommation d'espace utilisable pour l'installation.
- Le refroidisseur, comme une unité de réfrigération, ne fait pratiquement aucun bruit pendant le fonctionnement, il n'attirera donc pas l'attention.
- L'équipement peut être utilisé à tout moment de l'année, quelles que soient les conditions météorologiques.

La sélection d'un appareil approprié doit inclure une évaluation des caractéristiques, la prise en compte de différents types d'appareils, ainsi qu'une familiarisation avec la classification d'un modèle particulier. Pour choisir l'option appropriée, vous devriez consulter des personnes qui comprennent les refroidisseurs.
Schéma de refroidisseur
Les fabricants de refroidisseurs produisent plusieurs variétés de ces appareils. Tout d'abord, ils diffèrent les uns des autres par la manière d'évacuer la chaleur.
Les refroidisseurs les plus couramment utilisés sont les installations extérieures refroidies par air.Extérieurement, il s'agit d'une seule unité qui comprend directement le refroidisseur et le ventilateur. Ce dernier est utilisé pour forcer l'air sur le condenseur et évacuer la chaleur. Le refroidisseur est installé sur le toit du bâtiment. Le principal inconvénient de cette conception est qu'avec l'arrivée du froid, l'eau doit être évacuée de la partie extérieure du circuit. Mais cela est compensé par le faible coût du refroidisseur et le fait qu'il n'occupe pas le volume interne du bâtiment.
Si un tel refroidisseur est installé à l'intérieur du bâtiment, il ne sera pas affecté par l'environnement (pas besoin de vidanger l'eau par temps froid). L'alimentation en air du refroidisseur s'effectue par des conduits d'air, pour lesquels des ventilateurs centrifuges sont utilisés. Mais une telle caractéristique de conception augmente le coût de l'appareil, nécessite l'allocation d'espace à l'intérieur du bâtiment et l'installation de conduits d'air supplémentaires.
Une option alternative est un refroidisseur avec un condenseur à distance. Il s'agit d'un grand climatiseur split utilisé pour refroidir l'eau. Un refroidisseur avec un condenseur à distance combine les avantages des options ci-dessus: coût modéré, indépendance du changement de saisons, mais il présente également un inconvénient. Le condensateur doit être situé à une certaine distance par rapport à l'unité principale.
Un refroidisseur refroidi par eau est une conception qui ne présente pas les inconvénients ci-dessus. Cette version du dispositif de refroidissement peut être appelée à deux boucles. Bien sûr, leur coût est plus élevé et leur fonctionnement est plus difficile.
Principales classes de refroidisseurs
La division conditionnelle des refroidisseurs en classes se produit en fonction du type de cycle de réfrigération.Sur cette base, tous les refroidisseurs peuvent être conditionnellement classés en deux classes - compresseur à absorption et à vapeur.
Dispositif d'unité d'absorption
Un refroidisseur à absorption ou ABCM utilise une solution binaire contenant de l'eau et du bromure de lithium - un absorbeur. Le principe de fonctionnement est l'absorption de chaleur par le réfrigérant dans la phase de conversion de la vapeur en un état liquide.
Ces unités utilisent la chaleur dégagée lors du fonctionnement des équipements industriels. Dans ce cas, l'absorbant absorbant dont le point d'ébullition est nettement supérieur au paramètre correspondant du fluide frigorigène dissout bien ce dernier.
Le schéma de fonctionnement d'un refroidisseur de cette classe est le suivant :
- La chaleur provenant d'une source externe est transmise à un générateur où elle chauffe un mélange de bromure de lithium et d'eau. Lorsque le mélange de travail bout, le réfrigérant (eau) s'évapore complètement.
- La vapeur est transférée au condenseur et devient un liquide.
- Le réfrigérant liquide entre dans la manette des gaz. Ici, il refroidit et la pression chute.
- Le liquide entre dans l'évaporateur, où l'eau s'évapore et ses vapeurs sont absorbées par une solution de bromure de lithium - un absorbeur. L'air de la pièce est refroidi.
- L'absorbant dilué est réchauffé dans le générateur et le cycle est relancé.
Un tel système de climatisation n'est pas encore répandu, mais il est parfaitement en phase avec les tendances modernes en matière d'économie d'énergie, et a donc de bonnes perspectives.
La conception des usines de compression de vapeur
La plupart des systèmes de réfrigération fonctionnent sur la base du refroidissement par compression. Le refroidissement se produit en raison de la circulation continue, de l'ébullition à basse température, de la pression et de la condensation du liquide de refroidissement dans un système de type fermé.
La conception d'un refroidisseur de cette classe comprend:
- compresseur;
- évaporateur;
- condensateur;
- canalisations ;
- Regulateur de DEBIT.
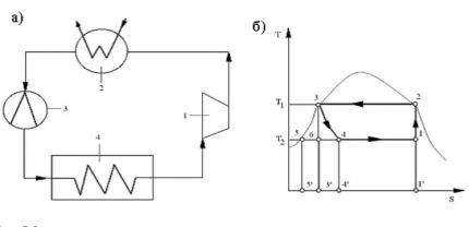
Le réfrigérant circule dans un système fermé. Ce processus est contrôlé par un compresseur, dans lequel une substance gazeuse à basse température (-5⁰) et à une pression de 7 atm est comprimée lorsque la température est portée à 80⁰.
La vapeur saturée sèche à l'état comprimé va au condenseur, où elle est refroidie à 45⁰ à une pression constante et se transforme en liquide.
Le point suivant sur la trajectoire du mouvement est la manette des gaz (soupape de réduction). A ce stade, la pression est réduite de la valeur de la condensation correspondante à la limite à laquelle se produit l'évaporation. Dans le même temps, la température chute également à environ 0⁰. Le liquide s'évapore partiellement et de la vapeur humide se forme.
Le diagramme montre un cycle fermé, selon lequel l'installation de compression de vapeur fonctionne. Le compresseur (1) comprime la vapeur saturée humide jusqu'à ce qu'elle atteigne la pression p1. Dans le compresseur (2), la vapeur dégage de la chaleur et se transforme en liquide. Dans le papillon (3), la pression (p3 - p4)‚ et la température (T1-T2) diminuent. Dans l'échangeur de chaleur (4), la pression (p2) et la température (T2) restent inchangées
Après être entrée dans l'échangeur de chaleur - évaporateur, la substance de travail, un mélange de vapeur et de liquide, dégage du froid vers le liquide de refroidissement et prend de la chaleur du réfrigérant, en séchant en même temps. Le processus se déroule à pression et température constantes. Les pompes alimentent en fluide basse température les ventilo-convecteurs. Après avoir parcouru ce chemin, le réfrigérant retourne au compresseur pour répéter à nouveau tout le cycle de compression de vapeur.
Spécificités du refroidisseur à compression de vapeur
Par temps froid, le refroidisseur peut fonctionner en mode de refroidissement naturel - c'est ce qu'on appelle le free-cooling. En même temps, le liquide de refroidissement refroidit l'air extérieur. Théoriquement, le refroidissement naturel peut être utilisé à une température extérieure inférieure à 7⁰С. En pratique, la température optimale pour cela est de 0⁰.
Lorsqu'il est réglé sur le mode "pompe à chaleur", le refroidisseur fonctionne pour le chauffage. Le cycle subit des changements, en particulier, le condenseur et l'évaporateur échangent leurs fonctions. Dans ce cas, le liquide de refroidissement doit être soumis non pas à un refroidissement, mais à un chauffage.
Les plus simples sont les refroidisseurs monoblocs. Ils combinent de manière compacte tous les éléments en un tout. Ils sont mis en vente 100% complets jusqu'à la charge de réfrigérant.
Ce mode est le plus souvent utilisé dans les grands bureaux‚ ERP‚ entrepôts.Le refroidisseur est un groupe frigorifique qui fournit 3 fois plus de froid qu'il n'en consomme. Son efficacité en tant que chauffage est encore plus élevée - il consomme 4 fois moins d'électricité qu'il ne produit de chaleur.
Comment choisir le bon refroidisseur ?
Pour les besoins d'un grand chalet, les experts recommandent d'utiliser un refroidisseur refroidi à l'eau. Ces appareils ont une conception plus simple que leurs homologues refroidis par air, respectivement, et ils sont moins chers.
La conception du refroidisseur à air comprend un ventilateur (axial ou centrifuge) pour aspirer l'air de la pièce dans laquelle l'unité est installée.

Certains modèles de refroidisseurs peuvent être utilisés non seulement pour la climatisation, mais également pour chauffer des locaux résidentiels en hiver
Pour refroidir le condenseur avec de l'eau, vous pouvez utiliser les ressources en eau locales : rivières, lacs, puits atésiens, etc.Si, pour une raison quelconque, l'accès à ces sources n'est pas disponible, une option alternative est utilisée : un refroidisseur à l'éthylène ou au propylène glycol.
Les refroidisseurs de ce type sont idéaux pour une utilisation pendant la saison froide, lorsque l'eau ordinaire gèle tout simplement.
Le choix entre un refroidisseur sous la forme d'un monobloc, lorsque le compresseur, l'évaporateur et le condenseur sont enfermés dans un boîtier commun, et l'option lorsque le condenseur est installé séparément, n'est pas si clair. Le monobloc est plus facile à installer, de plus, les performances des unités de ce type peuvent être assez élevées.

Lors du choix d'un modèle de refroidisseur approprié, vous devez évaluer ses performances et les mettre en corrélation avec le nombre de ventilo-convecteurs que l'appareil desservira
Les systèmes à distance sont montés à différents endroits : le refroidisseur lui-même se trouve dans la buanderie à l'intérieur du bâtiment (même au sous-sol) et le condenseur est à l'extérieur. Pour relier ces deux blocs, on utilise généralement des tuyaux à travers lesquels circule du fréon. Cela explique la complexité accrue de l'installation du système, ainsi que les coûts de matériel supplémentaires pour l'installation.
Mais l'installation d'un refroidisseur avec un condenseur à distance utilise moins d'espace intérieur, et de telles économies peuvent être nécessaires. Lors du choix d'un appareil approprié, vous devez également tenir compte des fonctions supplémentaires dont l'appareil est équipé.
Parmi les ajouts populaires et utiles figurent :
- contrôle et régulation de l'équilibre hydrique du système ;
- purification de l'eau des impuretés indésirables;
- remplissage automatisé de conteneurs;
- contrôle et correction de la pression interne dans le système, etc.
Enfin, il est impératif d'évaluer la capacité de refroidissement du refroidisseur, c'est-à-dire sa capacité à extraire l'énergie thermique du fluide de travail.Des indicateurs quantitatifs spécifiques sont généralement indiqués dans la fiche technique du produit. La capacité de refroidissement de chaque système de ventilo-convecteur refroidisseur spécifique est calculée séparément.
Cela prend en compte les températures maximales et minimales, la puissance du refroidisseur, les performances de la pompe, les longueurs de tuyaux, etc. Ce ne sont que des directives générales pour la sélection des refroidisseurs. Dans chaque cas, vous devriez consulter un spécialiste expérimenté qui peut prendre en compte les différentes nuances et vous aider à faire le bon choix.








































