- Variétés de systèmes divisés
- unités murales
- Plafond et conduit
- Systèmes split pour pièces spacieuses
- Système multi-split
- Caractéristiques de l'installation d'un climatiseur à cassette
- Étapes d'installation
- Corps d'évaporateur
- Nuances fonctionnelles
- Fonctionnalités avancées
- Appareils avec et sans gaine d'air
- Tour d'horizon des principaux modèles et fabricants de systèmes split
- Systèmes split Ballu
- Systèmes split Electrolux
- Systèmes divisés Daikin
- Systèmes divisés Panasonic
- Systèmes divisés Mitsubishi Electric
- 2 Conseils d'utilisation
- Fonctionnalité des climatiseurs
- Modes principaux
- Fonctions supplémentaires
- Exigences pour l'installation de climatiseurs (système split)
- Dispositif de système divisé
Variétés de systèmes divisés
unités murales
Les unités intérieures ont une configuration différente, ce qui facilite grandement le processus de leur sélection pour un design intérieur spécifique de la pièce où le luminaire intérieur sera installé.
Selon l'endroit où l'unité intérieure est fixée, on distingue les types de systèmes split suivants : mur, plafond, canal, cassette et colonne.

Les fixations murales, comme vous l'avez peut-être deviné, sont fixées à l'extérieur du mur, ce qui est très pratique, car c'est dans l'unité externe que se déroulent tous les processus importants de l'appareil.À ce jour, les systèmes split muraux occupent la tête des appareils les plus achetés qui assurent la climatisation des appartements et des maisons privées. Excellente qualité de construction, mécanisme de verrouillage de pression, compresseur agissant selon le principe du chauffage drainage, un frein électronique, un programme intelligent qui définit les conditions de température les plus confortables, séduiront même l'acheteur le plus sophistiqué.
Plafond et conduit
Des systèmes split du sol au plafond sont installés dans des pièces qui disposent d'une grande surface allongée. Un flux puissant est dirigé le long de la structure murale ou de la surface du plafond, ce principe de fonctionnement vous permet de répartir uniformément les flux d'air sur tout le périmètre.

L'installation d'installations de conduits se produit en raison de la fixation de l'unité intérieure derrière le plafond suspendu (il faudra allouer de 30 à 40 cm de la section inter-plafond), l'air est prélevé dans la pièce et revient en passant grâce à des conduits d'air spécialement équipés qui sont fournis presque partout. Un quart de l'air entrant à l'intérieur est un flux frais enrichi en oxygène.
Systèmes split pour pièces spacieuses
Diviser-système de type cassette monté exclusivement dans de grandes pièces, où il y a aussi des plafonds suspendus. Pour installer une ligne de climatisation à part entière, il faut 25 cm d'espace entre les plafonds. Le luminaire intérieur est situé derrière le faux plafond, seule la grille décorative reste en vue. L'air entre par la grille centrale du produit, où il est soigneusement traité et, après avoir traversé les stores contrôlés, est placé dans quatre directions.

S'il n'y a pas de plafonds suspendus dans la pièce, un système de colonnes divisées convient. De telles unités fournissent un fort courant d'air, qui est fourni au plafond, puis se déplace sur toute la surface de la pièce.
Système multi-split
Si l'appareil prévoit la présence de plusieurs unités intérieures à la fois, il s'agit d'un système multi-split unique. Il est le plus souvent monté afin de maintenir le microclimat d'air souhaité dans plusieurs bureaux, grands magasins, espaces de vie de taille impressionnante, par exemple, si la maison est conçue pour 3-4 étages ou plus.

Dans le même temps, le composant externe n'est pas du tout violé - un bloc externe sur la façade du bâtiment semble modeste et n'attire pas trop l'attention. Bien sûr, une telle modification technique est estimée à un coût beaucoup plus élevé par rapport aux analogues.
Caractéristiques de l'installation d'un climatiseur à cassette
Si l'on considère le module externe du système split à cassette, aucune caractéristique ne distingue l'installation de la norme classique.
Une question complètement différente est le module de cassette interne. Dans ce cas, les caractéristiques liées à l'installation sont dues à la conception de l'unité.
Les principales caractéristiques du montage du module cassette :
- la surface d'installation de la cassette est strictement horizontale ;
- l'écart entre le plafond explicite et le faux plafond est d'au moins 350 mm ;
- la structure du plafond doit supporter 4 fois le poids de la cassette ;
- la position de montage correspond aux dégagements requis par rapport aux obstacles.
Lors de l'installation du système, l'emplacement des portes, des éléments chauffants et des diverses sources de chaleur doit être pris en compte.
De plus, la position d'installation doit être coordonnée en fonction des points d'alimentation, en fonction des possibilités d'alimentation des canalisations de boucle et du canal d'évacuation des condensats.

La disposition de la cassette au plafond, qui doit être suivie lors de l'installation du climatiseur à cassette. Un écart par rapport aux paramètres définis menace de réduire considérablement la qualité de l'appareil.
La cassette doit être montée de manière à exclure la présence d'objets qui empêchent une répartition uniforme de l'air.
En règle générale, installez la cassette le plus près possible du centre de la pièce. L'installation est effectuée avec le panneau de distribution et les autres composants inclus dans l'assemblage du panneau retirés.
Le module cassette est installé par accrochage. Par conséquent, des tiges métalliques suspendues doivent être montées sur le plafond principal.
Des trous pour quatre tiges d'ancrage sont percés à la surface du plafond principal. La taille (standard) est pré-marquée entre les tiges en largeur et en longueur.

Schéma de suspension de la cassette : 1 - module de climatisation interne ; 2 - niveau du faux plafond ; 3 - tiges de support métalliques avec ancrages pour fixation dans un plafond en béton ; 4 - plafond en béton
Le module de cassette est suspendu aux tiges installées, nivelé horizontalement et fixé. En conséquence, il est nécessaire de détourner la conduite de drainage selon toutes les règles - en pente, sans virages serrés. Et apportez également les tuyaux du circuit frigorifique.
Ce n'est qu'après l'achèvement de ces travaux que la partie périphérique du faux plafond est assemblée et que les pièces du panneau de distribution de la cassette du système divisé sont installées.
Étapes d'installation
L'installation de ce type de climatiseur est considérée comme difficile en raison de la présence de deux blocs.S'il n'y a aucune connaissance concernant l'installation d'appareils de climatisation, il est préférable de confier les travaux à des professionnels.
L'ensemble du processus est divisé en étapes qui sont effectuées dans cette séquence.
1. L'équipement est déballé, l'équipement est inspecté. Lisez les instructions fournies avec le climatiseur. Dans les paragraphes d'installation, le fabricant indique les points importants et les caractéristiques de fixation de certains éléments.
2. Dans la pièce, un mur est déterminé, sur lequel il est prévu de fixer l'unité extérieure du côté de la rue. Le type de matériaux à partir desquels le bâtiment a été érigé est étudié.
3. À l'endroit prévu du mur, des trous sont faits pour les communications.
4. Du côté de la façade, des supports spéciaux sont d'abord fixés, après quoi l'unité extérieure est installée dessus.
5. La fixation de l'unité intérieure est effectuée à l'intérieur à une distance de l'appareil externe ne dépassant pas 10 m (l'indicateur de limite est indiqué dans les instructions).
6. Deux blocs sont reliés par une ligne de fréon avec un amarrage hermétique aux entrées des logements.
7. Connexion du câblage électrique.
8. Essai de fonctionnement du climatiseur et vérification des fonctions déclarées par le fabricant.
Le garant d'un travail de qualité est le lieu d'achat du matériel et la notoriété du constructeur.
Corps d'évaporateur

Le schéma de fonctionnement de l'appareil prévoit la présence d'une unité intérieure située à l'intérieur du bâtiment, où il est nécessaire de maintenir les paramètres d'air souhaités.
Principaux éléments structurels :
- Façade en forme de grille en plastique permettant un accès à l'air. Facilement démontable pour l'entretien.
- L'évaporateur est un échangeur de chaleur, où, sous l'effet catalytique du ventilateur, le fréon est chauffé et l'air est refroidi.
- Filtre grossier - sous la forme d'une grille aux propriétés électrostatiques. Ramasse les débris fins, les poils d'animaux, les grosses particules de poussière.
- Filtres fins - catalytiques, bactéricides, plasma, etc. Leur but est de purifier l'air des micro-organismes pathogènes, de la poussière, du pollen, de piéger la fumée et les odeurs désagréables. Certains modèles de climatiseurs contiennent deux filtres ou plus.
- Panneau indicateur - il contient des diodes lumineuses qui affichent le mode de fonctionnement de l'appareil, indiquant d'éventuels dysfonctionnements.
- Le ventilateur remplit la fonction de soufflage de l'évaporateur, a plusieurs vitesses.
- La carte de contrôle est située sur le côté droit du boîtier. Il abrite le microprocesseur central.
- Des persiennes verticales et horizontales réalisent la direction du flux d'air en fonction du désir de l'utilisateur.
- Plateau - situé sous l'évaporateur. Son rôle est de collecter les condensats qui se forment sur l'évaporateur et de les évacuer à l'aide d'un tuyau de vidange.
Nuances fonctionnelles
Lorsqu'elles sont chauffées, les substances liquides s'évaporent, absorbant activement la chaleur de la surface sur laquelle elles se trouvent, et lorsque la condensation se produit, le processus inverse se produit - c'est la base du principe de fonctionnement de tout système de climatisation. Ces produits ne peuvent pas produire de froid, mais transfèrent uniquement la chaleur de l'objet refroidi vers la rue ou vice versa, ce qui se produit lorsque le mode chauffage est activé. La chaleur est de l'énergie, et elle ne peut pas disparaître sans laisser de trace ou apparaître de nulle part ; son principal vecteur dans les climatiseurs est le réfrigérant.

Pendant le refroidissement, le fréon s'évapore, sa condensation se produit dans l'unité distante, après que le réfrigérant comprimé à une certaine consistance quitte le compresseur. Si le fonctionnement du climatiseur ou du système split est réglé pour chauffer la pièce, alors tout se passe dans l'autre sens.

Les caractéristiques techniques des climatiseurs domestiques sont la somme de la puissance nominale du produit, qui est dépensée pour refroidir ou chauffer l'intérieur. Les produits de cette conception sont utilisés hors saison, mais uniquement à des températures supérieures à zéro - ils ne peuvent pas être allumés en cas de gel. De plus, le chauffage s'effectue selon un schéma particulier : le sol est chauffé, créant une atmosphère confortable pour les pieds.

De plus, il y a la consommation d'énergie, la consommation d'air, le niveau de bruit produit, qui est autorisé dans les locaux d'habitation pas plus de 34 dB. Il est nécessaire de prendre en compte le bruit à la puissance minimale et maximale du produit.

Les principales caractéristiques des climatiseurs tiennent également compte du réfrigérant utilisé dans le produit - tous les appareils utilisent différents types de fréon du R-12 au R-410A, qui se compose de parts égales (50 à 50) de R32 et R125.
Fonctionnalités avancées
Qu'en est-il des fonctionnalités avancées ? Tout d'abord, des filtres supplémentaires. N'oubliez pas que la tâche principale du filtre du climatiseur est de protéger le ventilateur et l'échangeur de chaleur de la saleté et de la poussière.
Si l'échangeur de chaleur se bouche, l'évacuation de la chaleur se détériorera et le compresseur grillera. Tous les autres avantages sont de la publicité nue. Par conséquent, ne vous laissez pas berner par toutes sortes de filtres de catéchine, de pomme et de vitamine C. 
Il en va de même pour la fonction d'ionisation. Le bloc d'ionisation dont ils disposent est d'une taille telle que vous n'en ressentirez jamais l'effet réel. Sauf si vous vous dites le contraire.
Toutes ces fonctionnalités supplémentaires sont un stratagème marketing élémentaire afin de vendre le climatiseur à un prix plus élevé et de se démarquer de la concurrence.
Eh bien, à la fin, nous donnons une note aux modèles de systèmes divisés les plus populaires selon la version du site, en indiquant leurs caractéristiques, leurs principaux avantages et inconvénients. Pour plus d'informations, cliquez sur l'onglet avec le nom.






Appareils avec et sans gaine d'air
Il existe deux types de climatiseurs mobiles par la présence d'un conduit d'air :
- Avec système de conduits. Un tel climatiseur est similaire en principe à un système split standard: la chaleur est évacuée de la pièce à l'aide d'un tuyau flexible-conduit d'air. Il doit être placé à l'extérieur, sortant d'une fenêtre, d'une fenêtre, d'un balcon, d'un évent ou d'une porte. Mais en même temps, il y a un espace par lequel l'air chaud pénètre dans la pièce. Pour sortir du "cercle vicieux" et utiliser l'achat aux fins prévues, il vaut la peine d'acheter une prise pour machines à sous.
- Sans conduit d'aération. Ce système fonctionne à l'eau. L'air est forcé à travers un filtre imbibé d'eau. Lorsque l'eau s'évapore, elle prend la chaleur de l'air.
L'eau doit être ajoutée assez souvent, car elle s'évapore. Un tel système ne fait qu'humidifier l'air, et pour que l'air refroidisse au moins un peu, il est recommandé de conserver l'eau de l'appareil au réfrigérateur. En fait, il s'agit d'un humidificateur de type « froid ». Si l'humidité dans la pièce est supérieure à la norme, ce type d'appareil est totalement contre-indiqué.

Tour d'horizon des principaux modèles et fabricants de systèmes split
Lors du choix des équipements climatiques, une attention particulière est portée au fabricant. Après avoir décidé d'acheter un système split de type onduleur, vous devez absolument comparer les caractéristiques des produits fabriqués sous différentes marques
Nous vous proposons de vous familiariser avec les produits de fabricants renommés et leurs caractéristiques distinctives.
Systèmes split Ballu
Équipements climatiques liés à la classe budgétaire. Sa durée de vie est relativement courte (7 ans en moyenne). Le rapport optimal entre coût et fonctionnalité rend l'achat rentable.Pour un appartement, vous pouvez acheter un système split Ballu BSW-07HN1/OL/15Y.
Ballu - une solution abordable, de nombreuses opportunités
Systèmes split Electrolux
Équipement lié à la classe budgétaire. Une famille avec n'importe quel niveau de revenu peut acheter un système split Electrolux avec des fonctionnalités appropriées. Pendant le fonctionnement, un tel équipement peut créer un peu plus de bruit que ses homologues plus chers. En raison de la conception relativement simple, il est facile de comprendre comment contrôler le système split Electrolux.
Electrolux est une solution économique adaptée à chaque famille
Systèmes divisés Daikin
Une entreprise offrant une technologie de pointe. Tous les modèles sont de haute qualité de construction et de fiabilité. Vous pouvez choisir des équipements climatiques pour une installation dans un bâtiment résidentiel et des locaux industriels. Grâce à la fonction Intelligent Eye, il est facile de créer un microclimat à l'intérieur du bâtiment.
Les systèmes split Daikin sont présentés dans un large assortiment. Ils se distinguent par leur facilité d'installation, leur entretien ultérieur et leur respect de l'environnement. Dans les modèles modernes, un réfrigérant différent est utilisé à la place du fréon.
Daikin - produits de qualité d'un fabricant japonais
Systèmes divisés Panasonic
Une marque populaire sous laquelle des appareils électroménagers fiables sont produits en Malaisie. Des filtres fiables et des purificateurs d'air très efficaces sont utilisés pour compléter l'équipement climatique proposé. En raison de la facilité de gestion et de la facilité d'installation, les systèmes split Panasonic sont en demande constante des consommateurs.
Panasonic - équipement fiable
Systèmes divisés Mitsubishi Electric
Un fabricant populaire proposant des équipements de climatisation modernes. L'approche innovante nous permet de garantir la haute efficacité énergétique des produits proposés, le faible niveau de bruit généré et une large fonctionnalité, grâce auxquels il sera beaucoup plus facile de créer des conditions confortables à l'intérieur de n'importe quelle pièce. Différer dans un rapport optimum le prix/qualité.
Mitsubishi Electric - équipement de classe affaires
2 Conseils d'utilisation
Le compresseur d'un climatiseur peut tomber en panne parce que l'élément d'évaporation ne peut pas gérer le liquide de refroidissement. Si vous suivez certaines règles de fonctionnement, vous pouvez éviter les pannes :
- n'allumez pas l'appareil en cas de gel intense;
- l'appareil est conçu de manière à pouvoir fonctionner uniquement au-dessus des limites inférieures du fabricant ;
- le but de l'appareil est de refroidir la température, mais entre les saisons, il peut être utilisé pour chauffer des pièces;
- la charge est réduite lorsque les fenêtres et les portes sont fermées ;
- s'il est nécessaire de ventiler la pièce, le climatiseur est éteint;
- nettoyer périodiquement les chaudières, les systèmes de filtration, remplacer les pièces endommagées ;
- pour la climatisation, en principe, la température minimale n'est pas réglée, car cela surcharge le compresseur ;
- n'utilisez pas l'équipement à la maison par temps très chaud ;
- pour une diminution plus rapide de la température, augmentez le nombre de tours du ventilateur.
Fonctionnalité des climatiseurs
De nombreux consommateurs pensent que le climatiseur vous permet d'utiliser l'appareil uniquement pour refroidir l'air pendant la chaleur. Connaissant le fonctionnement du climatiseur, vous pouvez utiliser les nombreuses fonctions de l'appareil.
Modes principaux
Refroidissement - l'appareil s'allume lorsque la température dépasse les paramètres définis. Fonctionne dans la plage +1-30˚С avec une précision de 1˚. Dans les installations à onduleur - jusqu'à 0,5˚.
Chauffage - dans ce mode, les systèmes divisés à double circuit avec la fonction déclarée fonctionnent. La température de l'air est chauffée à celle définie, répartissant uniformément l'air dans tout le volume de la pièce. La fonction est pratique hors saison, lorsque le chauffage central est éteint, par temps d'été humide.
Ventilation - dans ce mode, le compresseur et le ventilateur de l'unité à distance sont éteints. Distribue uniformément l'air, ne permet pas à la chaleur de se concentrer près du plafond en hiver.
Séchage - mode de fonctionnement sans augmentation ni diminution de la température. S'allume dans les bâtiments à forte humidité pour éviter l'apparition de moisissures, d'air moisi.
Filtration - un filtre grossier retient les objets visibles à l'œil nu. Il est nettoyé tous les 14 jours avec un aspirateur. Filtres fins - nettoient l'air de la fumée, de la poussière, des virus et des bactéries. Ces filtres ne sont pas soumis au nettoyage, ils doivent être remplacés tous les 2-3 mois.
Fonctions supplémentaires
Humidification - une diminution du niveau d'humidité en dessous de 50% affecte négativement l'état de la peau humaine, des yeux secs et des maux de gorge se produisent. Productivité des appareils — 400-600 ml/heure.
Les paramètres d'humidité spécifiés sont atteints :
- Installation d'un générateur de vapeur;
- Humidification par ultrasons, l'alimentation en eau est réapprovisionnée en raison du condensat qui s'écoule dans le système de drainage ;
- Un élément d'amortissement intégré à l'unité extérieure collecte les condensats de la cassette à sel.
Nettoyage supplémentaire. Dans les systèmes split, un ou plusieurs filtres fins sont installés pour piéger les particules inférieures à 2 microns.
Type de filtre :
- Carbone (charbon) - fabriqué à partir de noix de coco. Élimine la fumée, les odeurs désagréables, la poussière.
- Photocatalytique - se compose d'une lampe ultraviolette et d'une base recouverte d'oxyde de titane aux propriétés catalytiques. Décompose la matière organique en oxydes de carbone et en eau.
- Plasma - ioniseur, créant une tension de 4800 V. Décompose les odeurs, les micro-organismes, les petites particules déposées sur la surface du filtre.
- Antibactérien - contient des substances d'origine naturelle : kakhétine, wassabs.
- Enzymatique - contient des substances bioactives qui détruisent les agents pathogènes.
- Filtre à ions argent - détruit les coquilles des bactéries, les détruisant. L'élément Nanosilver génère des ions.
- Électrostatique - crée un champ électromagnétique qui amène les particules chargées à se déposer à la surface du filtre.
Mélange d'air - le remplacement partiel de l'air accompagne les travaux. Un conduit flexible, disponible dans certains systèmes split, fournit de l'air frais, réduisant la quantité de dioxyde de carbone.
Onduleurs - le principe de fonctionnement du climatiseur: ne pas s'éteindre lorsque les paramètres souhaités sont atteints, passer en douceur à un mode de puissance inférieure. Cela évite les fluctuations de température et réduit la consommation d'énergie.
Travail à t réduit - les modèles de la version hiver (avec chauffage du drainage et unité à distance) sont capables de chauffer en cas de gel t -20-25˚С. La productivité du travail est faible.
Ionisation de l'air. Le manque d'ions d'air chargés négativement nuit à la santé. Il y a une diminution de la capacité de travail, de la léthargie, de la fatigue. C'est très pratique lorsque l'appareil est intégré à l'unité de climatisation.
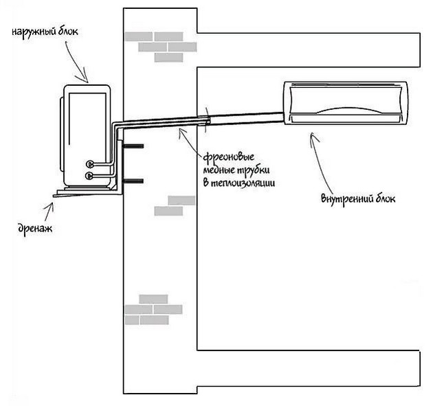
Exigences pour l'installation de climatiseurs (système split)
La plupart des climatiseurs utilisés ont un système split. Il s'agit de la conception du climatiseur, composé de deux parties : externe et interne. Ils sont reliés entre eux par des tuyaux en cuivre et un câble électrique.
Le bloc extérieur se compose des éléments suivants :
- base de fans. Il fait circuler l'air passant à travers l'échangeur de chaleur à air;
- condensateur. Dans celui-ci, le fréon se condense et se refroidit;
- compresseur. Il comprime le fréon et le pompe dans le circuit frigorifique ;
- automatisation.
L'unité intérieure se compose de :
- systèmes de filtration (nettoyage grossier et fin);
- ventilateur. Il fait circuler de l'air frais dans la pièce;
- air de refroidissement de l'échangeur de chaleur à air ;
- stores. Ils contrôlent la direction du flux d'air.
Pour que le climatiseur installé justifie les espoirs placés, serve longtemps et ne pose pas de questions aux autorités compétentes et aux voisins, vous devez respecter trois points principaux:
- Choisissez un modèle de climatiseur de qualité. Il doit être puissant pour la pièce, aussi silencieux et compact que possible.
- Installez correctement le climatiseur, choisissez l'endroit idéal et vérifiez la qualité de la fixation.
- Exploiter la structure dans le plein respect des règles, effectuer régulièrement des mesures préventives et la surveiller.
Exigences de base pour l'installation d'un climatiseur avec un système split :
- l'installation de l'unité extérieure est réalisée sur une base solide;
- la fixation des supports au mur est réalisée par des mécanismes fiables;
- une distance d'au moins 10 cm entre l'échangeur de chaleur de l'unité extérieure et le mur est maintenue ;
- distance d'au moins 10 cm du bloc modulaire droit ;
- distance d'au moins 40 cm du bloc modulaire gauche ;
- il ne doit y avoir aucun obstacle à moins de 70 cm devant le bloc;
- un accès gratuit aux ports de service est fourni ;
- les objets intérieurs ne doivent pas gêner la libre sortie de l'air;
- l'unité à l'intérieur est installée loin des sources d'humidité et de chaleur ;
- l'unité intérieure n'est pas installée devant la porte d'entrée ou le gombo, qui est toujours ouvert ;
- les flux d'air directs ne doivent pas être dirigés vers des personnes ou vers un endroit où elles se trouvent souvent ;
- il est nécessaire d'assurer une élimination de haute qualité de l'humidité à travers un tuyau de drainage;
- la distance entre l'unité et le plafond est de 15 cm minimum ;
- la plaque de montage est fixée au mur parfaitement au niveau avec des vis.
Examinons plus en détail les règles d'installation d'un climatiseur, en explorant les caractéristiques d'un système split.
Dispositif de système divisé
Pour que le processus de fonctionnement d'un tel climatiseur soit effectué efficacement, un certain nombre d'éléments sont utilisés. L'unité extérieure comprend généralement :
- ventilateur;
- compresseur;
- condensateur;
- filtre fréon;
- tableau de contrôle;
- couvercle de protection;
- raccords pour tuyaux en cuivre, etc.
Le ventilateur assure une circulation d'air constante autour de l'unité pour assurer un refroidissement rapide et stable du fréon. Ce processus se déroule dans un condenseur.À l'aide d'un compresseur, le fréon est comprimé, ce qui assure sa transition vers un état gazeux et sa circulation dans le circuit de réfrigération.

L'unité extérieure du système split est installée sur des supports spéciaux. Lors de l'installation, des précautions doivent être prises pour vidanger correctement le condensat accumulé
Le filtre nettoie le fréon des contaminants qui ont pénétré dans le système, ce qui peut se produire lors de l'installation. En plus des éléments mentionnés, une vanne à quatre voies peut également être installée dans l'unité extérieure, ce qui est nécessaire si le modèle fournit non seulement le refroidissement, mais également le chauffage de la pièce en hiver.

Dispositif d'unité extérieure : 1 - ventilateur ; 2 - échangeur de chaleur ; 3 - compresseur ; 4 - tableau de commande ; 5 - dispositif de protection ; 6 - corps
Dans les modèles d'onduleur, l'unité de commande est située presque entièrement dans la partie externe de l'appareil. Mais s'il n'y a pas d'onduleur, l'électronique est généralement placée dans l'unité intérieure. Cette partie comprend généralement :
- grille de protection ;
- systèmes de filtrage;
- ventilateur
- évaporateur;
- stores;
- panneau indicateur ;
- Unité de contrôle;
- raccords, connecteurs, etc.
La grille de protection est généralement située sur le panneau avant. Il est facile à retirer ou à ouvrir pour accéder à l'entretien des éléments internes du climatiseur. À travers les trous de cette grille, l'air pénètre dans l'appareil pour un refroidissement supplémentaire. Le filtre grossier est juste une maille en plastique qui retient les gros débris afin qu'ils ne pénètrent pas dans le corps de l'appareil.

L'unité intérieure du système split est un appareil compact qui décorera n'importe quel intérieur. Il est placé contre le mur extérieur pour raccourcir la distance à l'unité extérieure
Les filtres fins sont un système un peu plus complexe pour retenir de petites fractions de contaminants : particules de poussière, odeurs indésirables, bactéries dangereuses, etc. En règle générale, l'appareil est équipé d'un filtre à charbon et électrostatique, mais peut être équipé d'une cartouche antibactérienne ou d'autres filtres utiles.

Le dispositif de l'unité intérieure : 1 - grille de protection ; 2,3 - filtres ; 4 - ventilateur ; 5 - évaporateur ; 6.8 - stores, 7 - panneau de commande
Le ventilateur, comme mentionné précédemment, force l'air refroidi à travers l'évaporateur. Les volets roulants sont équipés d'un entraînement électrique pour contrôler la direction des flux d'air refroidi. Le panneau avec des indicateurs affiche l'état de l'appareil, par exemple, la température de l'air réglée, le mode de fonctionnement, etc.
Il s'agit d'une description générale du dispositif de système divisé. La conception de tels climatiseurs peut varier en fonction de fonctions supplémentaires: présence d'un onduleur, chauffage, etc. Pour une chambre ou un appartement, un climatiseur ordinaire suffit. L'appareil est sélectionné en fonction de la puissance, qui doit correspondre à la superficie de la pièce.







































