- Particularités
- Les principaux types d'appareils selon le principe de fonctionnement
- Nettoyage mécanique grossier et fin
- Dispositif de nettoyage par adsorption
- Filtre à eau à échange d'ions
- Méthodes de nettoyage de base
- Filtres échangeurs d'ions
- Systèmes d'osmose inverse
- électromagnétique
- Aération électrochimique
- oxydation catalytique
- Ozonation
- Comment fonctionnent les filtres à eau en fer ?
- Types de systèmes de déferrisation
- Filtration sans réactif
- Nettoyants réactifs
- Type en vrac
- osmose inverse
- Utiliser des électroaimants
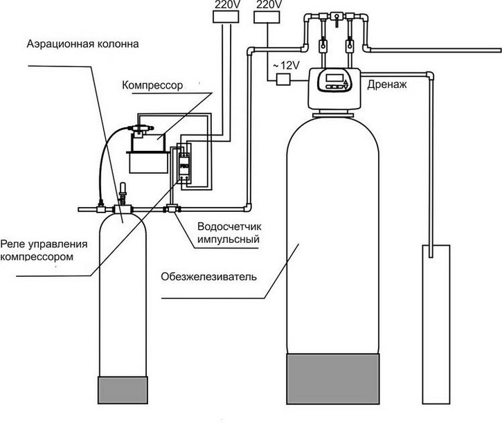
- Aération
- Filtres échangeurs d'ions
- systèmes d'adsorption
- Normes de fer dans l'eau et ses variétés
- Méthodes de déferrage de l'eau
- Méthodes de filtration du fer ferreux
- Méthodes d'élimination du fer ferrique
- Nous purifions l'eau sans dispositifs spéciaux
- Filtre maison
- Longue ébullition
- Gelé
- règlement
- Purification des impuretés mécaniques
- Filtre mécanique
- Maille avec lavage automatique
- Types de connexion
- Filtres à disque (anneaux)
- Bien nettoyer
- Avez-vous besoin d'un système de nettoyage grossier?
Particularités
Vous devrez rechercher une source souterraine, réduire vous-même la concentration de fer ferreux et ferrique chez vous. Pour éviter les problèmes liés à la présence de sels de fer dans l'eau, des tuyaux en plastique doivent être utilisés lors de la construction du puits.Avec l'approvisionnement en eau autonome d'une maison de campagne, il est préférable d'utiliser un puits ou un puits artésien.


Pour la sélection finale de la source, vous devez d'abord examiner attentivement les maisons voisines ou les chalets d'été
Pour assurer une bonne qualité de l'eau, faites attention à l'emplacement d'une toilette extérieure sur une propriété voisine et à la proximité d'une latrine à fosse


Parfois, malgré l'argent dépensé pour forer un puits artésien, un liquide rouge brique à l'odeur très désagréable d'œuf pourri s'écoule du robinet le matin; Cela signifie que l'élimination du fer est nécessaire. Son excès est nocif pour l'organisme, il peut perturber le transfert d'oxygène, provoquer une maladie grave - hémochromatose, entraîner la destruction du foie, du muscle cardiaque, des maladies du sang, une exacerbation du diabète, des problèmes articulaires.
Avant de choisir une méthode de nettoyage, vous devez faire une analyse chimique et bactériologique de l'eau. Le plus facile à éliminer est le fer ferreux et trivalent. Le divalent se dissout bien et ne se révèle que lorsque l'eau se dépose sous la forme d'un précipité jaunâtre sur les parois du vase. Lorsqu'il est exposé à des agents oxydants puissants, il attache un atome d'oxygène et devient trivalent - la rouille bien connue, qui est facile à éliminer par filtration ordinaire.

Organique ou bactérienne est bien pire éliminé. Extérieurement, il ressemble à de la gelée noire avec une odeur désagréable et une forte teneur en bactéries de fer. Parfois, dans cette masse, il y a des fils séparés d'algues bleu-vert.

Les principaux types d'appareils selon le principe de fonctionnement
Si l'on se base sur la composition des impuretés capables de retenir les filtres, alors il existe de tels types de mini-stations de nettoyage.
Nettoyage mécanique grossier et fin
Dans tout puits ou puits, il y a du sable, des flocons de rouille et des particules d'argile. Pour débarrasser le liquide des particules insolubles et installer des filtres mécaniques. Il ne faut pas négliger la nécessité de les installer, surtout lorsqu'il s'agit de liquide fortement contaminé.
Le coup principal est pris par les filtres grossiers. Il piège les particules insolubles. L'eau qui les traverse pénètre dans la plomberie.

Les filtres mécaniques grossiers se salissent avec le temps et font face à la tâche plus lentement; au fur et à mesure qu'ils se remplissent, il faut les rincer
Les filtres mécaniques, conçus pour débarrasser l'eau des particules de rouille, de sable et d'autres impuretés solides, sont de trois types :
- Maille - sous la forme de grilles cellulaires dont la taille varie de 50 à 500 microns. Il existe en vente des appareils jetables qu'il faut remplacer au fur et à mesure qu'ils se remplissent, et des appareils autolavants équipés d'un système de nettoyage automatique.
- Cartouche - sont des cartouches remplaçables placées dans des boîtiers en plastique ou en acier capables de contenir des particules aussi petites que 0,5 micron.
- Pression - structures sous forme de conteneurs anti-corrosion, à l'intérieur desquels un matériau filtrant est placé, équipés d'un tuyau de drainage et d'une unité de contrôle.
Les crépines à rinçage automatique sont souvent équipées de vannes de régulation de pression pour protéger l'équipement des surtensions soudaines et de manomètres pour mesurer la pression.

Les appareils à cartouche capturent parfaitement non seulement les petites particules de rouille et de sable, mais également les substances à structure visqueuse - argile ramollie, boue et algues
Dans l'eau qui a subi un passage à travers un filtre grossier mécanique, il reste dans tous les cas des composés chimiques et des métaux lourds. Les filtres fins y font face. Ils sont capables de retenir des particules dont la taille n'excède pas 5 microns.

Si l'occasion le permet, lors de l'aménagement d'un système d'alimentation en eau potable, il est préférable d'installer les deux appareils: nettoyage grossier et fin
Les dispositifs membranaires décrits ci-dessus font partie des filtres fins.
Dispositif de nettoyage par adsorption
L'objectif principal des filtres adsorbants est de lutter contre les goûts et les odeurs désagréables résultant des contaminants organiques. Ils protègent le corps des métaux lourds, des composés chlorés et des agents pathogènes. Le schéma de tels dispositifs peut comprendre de deux à quatre modules.
Le dispositif de nettoyage par adsorption consiste en un réservoir en fibre de verre, à l'intérieur duquel est placé du charbon actif à haute capacité d'adsorption.
L'efficacité et le taux d'adsorption dépendent de trois paramètres :
- concentrations de polluants;
- structures absorbantes ;
- réaction active de l'environnement.
La clé de l'efficacité du processus de sorption est l'empêchement de l'eau de pénétrer dans les pores du charbon actif, dont les substances en suspension sont capables de les protéger. Le charbon qui a perdu sa capacité de sorption est régénéré ou remplacé.
Filtre à eau à échange d'ions
L'objectif principal de ce type d'appareil est de capter les métaux lourds et les éléments radioactifs de l'eau.En raison de l'élimination des ions calcium et magnésium en excès de l'environnement aquatique, l'appareil adoucit parfaitement l'eau.

Un filtre échangeur d'ions est un module avec un boîtier en plastique ou en acier, à l'intérieur duquel est placé un bloc rempli de résines d'hydrogène.
Les résines échangeuses d'hydrogène et d'ions sont capables d'absorber certains ions métalliques d'une solution saline, en les remplaçant par de l'hydrogène ou d'autres ions métalliques. La composition résultante a un environnement légèrement acide, ce qui est le plus favorable pour le corps humain.
Grâce à la filtration en plusieurs étapes, la sortie produit une eau au pH neutre, exempte de bactéries, de virus et de métaux lourds (+)
Le seul inconvénient des appareils est la nécessité d'installer des réservoirs de régénération, ainsi que l'élimination des composants usagés.
Méthodes de nettoyage de base
Il existe un certain nombre de technologies qui sont utilisées pour éliminer les impuretés de fer de l'eau. A propos de leurs caractéristiques, forces, faiblesses et efficacité plus loin.
Filtres échangeurs d'ions
La méthode la plus populaire pour enlever le fer, qui implique l'utilisation d'installations spécialisées.
Les appareils sont des appareils constitués d'un boîtier rempli de résine granulaire échangeuse d'ions et d'une unité de commande.
Le principe de purification repose sur la capacité des cations à piéger les composés métalliques divalents. Le matériau du filtre a une structure moléculaire unique, de sorte que les ions dans les molécules ne sont pas maintenus fermement.
Les appareils sont classés comme multifonctionnels, car ils adoucissent l'eau, éliminent presque toutes les impuretés minérales. Il n'y a aucun inconvénient en termes d'efficacité, le prix est supérieur à la moyenne.
Systèmes d'osmose inverse
Le filtre est conçu pour éliminer le fer, comprend une membrane à travers laquelle le liquide est fourni sous pression. Les trous dans la membrane sont petits, ils bloquent les molécules de substances dissoutes dans le liquide (il ne reste que la structure H2O). Les impuretés et les minéraux nocifs sont éliminés de l'eau.
Les systèmes présentent de nombreux inconvénients :
- faible débit ;
- des pertes importantes de matières premières ;
- obtention à la sortie des eaux "mortes".
Ce dernier problème peut être résolu par la reminéralisation.
En savoir plus sur le choix d'un filtre à osmose inverse ici.
électromagnétique
Un tel traitement est effectué en plusieurs étapes.
- Le premier est l'effet des ultrasons.
- Le second est le champ électromagnétique.
Le liquide est ensuite passé à travers un filtre à sable de quartz, qui piège les oxydes de fer, préalablement séparés par un champ magnétique. La méthode est efficace, mais plutôt compliquée et coûteuse.
Aération électrochimique
La technique implique la fourniture d'un flux d'air dans l'eau et l'oxydation du fer.
L'aération à flux libre est l'option la plus simple, dans ce cas, le liquide est pulvérisé en haut du réservoir.
Lors de la chute, il est activement saturé de molécules d'oxygène, elles dissolvent le fer ferreux en ferrique.
Les structures moléculaires nouvellement formées se déposent au fond du récipient de travail. Les sédiments sont emportés par le flux d'eau dans un filtre mécanique. Si une aération de type pression est utilisée, l'oxygène sera forcé sous pression.
oxydation catalytique
L'eau purifiée du fer passe à travers les couches de chargement, puis elle est traitée à l'aide de sorbants, de catalyseurs d'oxydation ou de compositions de Burm, Pyrolox.
Le fer trivalent reste sur les couches de chargement.Tous les polluants associés disparaissent du liquide - sulfure d'hydrogène, manganèse. Pas une mauvaise façon d'utiliser dans une maison privée.
Ozonation
Méthode de traitement liquide avec chlorhydrate de sodium et permanganate de potassium. La technologie est indispensable dans les installations industrielles, elle est également utilisée dans la vie quotidienne. D'abord, le précipité ferrugineux tombe, puis il est capté par des filtres, et finalement l'eau est ozonisée.
La technologie est assez économe et efficace, conserve la composition minérale d'origine.
Comment fonctionnent les filtres à eau en fer ?
Comme nous l'avons découvert, des filtres spéciaux doivent être utilisés pour purifier l'eau du fer. Il faut immédiatement comprendre comment ils sont agencés et comment ils fonctionnent. Bien entendu, le principe de fonctionnement du filtre dépend du dispositif de filtrage que vous choisissez et de son type.
Considérez les options pour les puits. Si vous choisissez un filtre de puits, il fonctionnera très probablement sur une base d'échange de cations. L'essence du filtre est simple et dépend du type de fer contenu dans votre eau. Si votre eau contient du fer ferreux, ce qui est très courant dans les sources souterraines, vous avez besoin d'un tel filtre. L'essence du filtre de puits est de rendre le fer ferreux ferrique. Le fer trivalent se présente sous forme de flocons et donc il précipite et reste dans le filtre. Ces sédiments sont ensuite drainés dans les égouts à l'aide d'un système de drainage par filtre. Et ainsi le fer dans notre eau ne reste pas du tout.
Si l'eau contient déjà du fer ferrique, vous n'avez pas besoin d'acheter un tel filtre. Vous pouvez acheter un filtre mécanique ordinaire.C'est-à-dire que le fer ferrique est des flocons de rouille, pour les éliminer, un maillage fin suffira. Voici à quoi ressemble un filtre à eau mécanique. Il est bon marché et ne nécessite aucune procédure de maintenance particulière.
Comme nous pouvons le voir, l'importance de l'analyse de l'eau est montrée ici. Après tout, à l'aide des signes ci-dessus, vous ne pourrez pas comprendre quel type de fer est présent dans votre eau.
L'analyse le montrera à presque cent pour cent. C'est du fer contenu dans l'eau que dépendra le choix d'un appareil de filtrage.
Dans ce cas, il peut être judicieux d'installer un filtre combiné dans le puits. C'est-à-dire un filtre qui filtrerait non seulement le fer, mais également d'autres substances. Cependant, seule l'analyse de l'eau peut montrer la nécessité d'un tel filtre. Par conséquent, si une analyse de l'eau a montré que la teneur de toute autre substance dans votre eau est dépassée, il est préférable de choisir immédiatement un filtre combiné. Vous pouvez donc choisir un ensemble d'éléments filtrants en fonction de la qualité de votre eau.
Types de systèmes de déferrisation
Vous devez d'abord déterminer le degré de pollution de l'eau et sous quelle forme le fer se trouve dans l'eau.
Il existe les types suivants :
- élémentaire, sous forme non dissoute ;
- 2-valent, sous forme dissoute ;
- 3-valent, sous forme non dissoute;
- organique, qui se divise en : colloïdal, sous forme de très petites particules insolubles contenues dans l'eau en suspension, ne décantent pas et lui donnent de la turbidité ; bactérien; organique soluble
Pour un contrôle élémentaire, il suffit de verser de l'eau dans un verre et de le laisser reposer plusieurs heures.
- Le fer trivalent se présentera sous la forme d'un précipité rouillé.
- Divalent donnera à l'eau une couleur rouge trouble.
- La bactérie forme un iris à la surface.
Filtration sans réactif
N'implique pas l'utilisation de produits chimiques. La purification de l'eau de l'excès de fer, de manganèse et de sulfure d'hydrogène se produit à l'aide de sorbants naturels, qui assurent la réaction d'oxydation du fer dissous.
Ces filtres éliminent :
- turbidité,
- Couleur,
- éliminer les particules en suspension
- le sable,
- malade.
Les filtres sans réactif ont la fonction d'auto-nettoyage automatique par contre-lavage du sorbant du filtre.
Nettoyants réactifs
Recommandé pour le traitement des eaux à haut degré de pollution.
Leur travail est basé sur l'utilisation de réactifs chimiques qui accélèrent considérablement le processus d'oxydation et la formation de fer ferrique.
Ces filtres sont équipés d'un réservoir spécial pour préparer la solution de régénération.
Activement utilisé des types de réactifs tels que:
- chlorhydrate de sodium;
- permanganate de potassium ou "permanganate de potassium".
Le précipité est éliminé par filtration mécanique. Selon la méthode de nettoyage, les types de filtres suivants peuvent également être distingués.
Type en vrac
Filtres de type vrac fonctionnant sur la base de charges catalytiques, où le processus de nettoyage a lieu en raison de diverses charges et sorbants.
Dans le fonctionnement de ces systèmes de traitement, un type ou plusieurs charges de composition différente peuvent être utilisées, qui sont empilées en couches et assurent une purification complète de l'eau non seulement du fer, mais également d'autres impuretés.
osmose inverse
Les filtres à osmose inverse, qui sont basés sur le passage de liquide sous pression à travers une membrane qui a des espaces minimes que seules les molécules d'eau peuvent traverser.
Presque tous les autres éléments sont filtrés avec succès.Par conséquent, l'eau se rapproche dans ses propriétés de l'eau distillée et, dans le cas d'un usage domestique, nécessite une minéralisation supplémentaire.
Utiliser des électroaimants
Filtres utilisant des électroaimants, basés sur le traitement de l'eau par ultrasons, ce qui entraîne la coagulation du fer et facilite grandement son élimination à l'aide de divers absorbants.
Selon le modèle, ces appareils peuvent inclure :
- électroaimant solénoïde,
- aimant permanent.
Aération
Les dispositifs de déferrisation par aération fonctionnent sur le principe de l'oxydation du fer ferreux à l'aide d'air.
Ces filtres utilisent deux méthodes pour saturer l'eau en oxygène :
- aération sans pression, lorsque l'eau reçoit de l'oxygène en cours de pulvérisation;
- sous pression, lorsque l'oxygène est fourni à l'eau sous pression.
Filtres échangeurs d'ions
Systèmes fonctionnant à base de résines échangeuses d'ions : résine échangeuse d'anions ou résine échangeuse de cations. De tels systèmes peuvent être classés comme multifonctionnels, car ils sont utilisés :
- éliminer les sels et adoucir les liquides ;
- pour réduire la teneur en fer, manganèse et autres métaux non dissous.
systèmes d'adsorption
Ils fonctionnent à base d'adsorbants, qui peuvent être :
- cendre,
- argile,
- coquille de noix de coco,
- shungite,
- d'autres matériaux artificiels ou naturels.
La charge la plus populaire est le charbon actif, un adsorbant respectueux de l'environnement avec d'excellentes propriétés de filtrage.
Normes de fer dans l'eau et ses variétés
Pour l'organisation de l'approvisionnement en eau autonome des maisons, des puits domestiques sont utilisés, dont la profondeur peut atteindre 200 m.Le tubage des sources profondes (artésiennes) atteint la roche calcaire et repose dessus, l'eau remontée a un aspect cristallin sans impuretés de sable et d'argile.
Cependant, dans la plupart des cas, les puits artésiens, en raison de la forte pression des couches terrestres sur les bassins d'où provient l'eau, fournissent une eau à haute salinité. Il peut contenir du sulfure d'hydrogène, des oxydes de potassium, de manganèse et de fer. Le dernier élément se produit plus souvent que d'autres en concentration élevée et a l'effet le plus négatif sur les caractéristiques techniques et la pureté écologique de l'eau.
Parfois, le fer se retrouve dans des sources de forage moins profondes sur le sable ou dans l'eau de puits, mais dans la plupart de ces cas, son pourcentage est nettement inférieur à celui des puits artésiens et les méthodes de traitement de l'eau peuvent être complètement différentes.
Les normes établies par les services sanitaires n'autorisent pas l'utilisation d'eau dont la teneur en fer est supérieure à 0,3 mg par litre à des fins de consommation. Si cette norme est dépassée, la purification de l'eau à partir du fer est requise en utilisant l'une des nombreuses technologies, en fonction de la concentration et de la formule chimique du métal.
Avec la prise d'eau domestique provenant de puits artésiens forés dans une maison de campagne ou sur le territoire d'un chalet individuel, le consommateur peut rencontrer les formes de fer suivantes dans la composition de l'eau :
Bivalent. Le fer ferreux libre Fe2+ est complètement soluble dans l'eau, sa présence ne peut donc pas être déterminée visuellement, le critère peut être l'odeur et le goût de l'eau.Après décantation, le Fe2+ soluble par réaction chimique avec l'oxygène contenu dans l'air atmosphérique, se transforme en oxyde de fer trivalent insoluble Fe3+.
Lors du traitement de l'eau, la solubilité du Fe2+ divalent est prise en compte et cette eau n'est pas purifiée par des méthodes mécaniques. Un certain nombre de technologies pour purifier l'eau du fer d'un puits consistent à saturer intensivement les masses d'eau avec de l'oxygène jusqu'à ce que le métal soit converti en un précipité soluble, puis filtré davantage.

Riz. 2 Apparition d'eau avec du fer
trivalent. Comme mentionné ci-dessus, le fer ferrique Fe3 + se forme après l'oxydation du ferreux, il donne à l'eau une couleur rougeâtre et laisse un revêtement sur les équipements et ustensiles de plomberie. Habituellement, il est possible de se débarrasser de la couleur rouge à l'aide de filtres à charbon fluides.
Il existe d'autres formes de fer présentes dans l'eau sous forme de suspensions : le bicarbonate Fe(HCO3)2, carbonate FeCO3, sulfure FeS et sulfate FeSO4 fer, cependant, ces composés ne se trouvent pas souvent dans les artésiens, ont une faible concentration et sont filtrés dans toutes les méthodes de traitement de l'eau.
Visuellement, par l'odorat et le goût, il est impossible de déterminer la présence des réactifs listés dans l'eau en raison de leur faible pourcentage, les données souhaitées sont obtenues en laboratoire après analyse chimique de l'échantillon prélevé.
Rouille Fe(OH)3. La rouille bien connue se forme à la suite de l'interaction de l'eau avec le fer contenu dans les alliages (acier), à l'air libre, elle est constituée d'oxyde ferrique Fe2O3 et métahydroxyde Fe(OH)3. Étant donné que les composés entrant dans la composition de la rouille sont insolubles dans l'eau, elle est facilement séparée par des filtres mécaniques à la suite du traitement de l'eau.
Colloïdal.Le fer colloïdal d'origine organique se trouve dans l'eau sous forme de très fines particules en suspension ne dépassant pas 0,1 micron ; il ne peut pas être décanté et éliminé par les filtres de traitement de l'eau au charbon domestique. Il est possible de purifier le milieu aquatique à partir de ces petites fractions colloïdales uniquement lorsque à l'aide d'un système d'osmose inverse.
Bactérien. Ces composés dans le milieu aquatique sont associés à la présence de colonies bactériennes, qui transforment la forme insoluble divalente de Fe2+ en forme trivalente au cours de leur activité vitale. Les bactéries forment un film irisé dense à la surface de l'eau, confèrent de la viscosité à la structure de l'eau, la rendent impropre à la consommation en raison d'une odeur désagréable et d'un mauvais goût. Comme dans le cas du Fe3+, la purification de l'eau à partir du fer bactérien insoluble peut être effectuée à l'aide de filtres mécaniques domestiques.

Riz. 3 Conséquences de l'utilisation d'eau à forte concentration en fer
Méthodes de déferrage de l'eau
Le fer peut être présent dans l'eau sous plusieurs formes :
- se compose avec d'autres produits chimiques, ne précipite pas;
- divalent, soluble dans l'eau, précipite lors de la réaction avec l'oxygène;
- trivalent, insoluble dans l'eau, lui donne une couleur jaunâtre, lorsqu'il réagit avec l'oxygène, forme un précipité sous forme de flocons.
Selon le type de fer prédominant et sa concentration, différentes méthodes de traitement de l'eau seront efficaces. La valence et la quantité de fer dans l'eau sont déterminées à l'aide de tests de laboratoire ; des résultats précis ne peuvent pas être obtenus à la maison.
Méthodes de filtration du fer ferreux
Les méthodes de nettoyage suivantes sont efficaces contre cette forme de métal :
- Ionique.L'essence de la méthode réside dans le fait que des substances échangeuses d'ions spéciales dans la cartouche filtrante réagissent avec les impuretés contenues dans l'eau. Les systèmes au sodium sont généralement utilisés pour le traitement de l'eau. La méthode est efficace lorsque la quantité de fer dans l'eau est jusqu'à 3 mg/l, à une concentration plus élevée, elle est pratiquement inefficace.
- Osmose inverse. L'essence de la technologie d'osmose inverse est le passage de l'eau sous pression à travers une membrane partiellement perméable d'une solution d'une concentration plus élevée à une solution avec une concentration plus faible. Le diamètre des pores de la membrane est inférieur à la taille des atomes de fer, de sorte qu'ils ne peuvent pas la traverser et sont évacués par les égouts. Cette méthode est efficace à des concentrations de fer allant jusqu'à 15 mg/l. Cependant, les filtres à osmose inverse éliminent non seulement le Fe, mais également d'autres substances, dont certaines sont utiles et nécessaires à l'organisme. Par conséquent, il est recommandé de soumettre l'eau filtrée à une minéralisation supplémentaire.
- Aération. En fait, cette option ne peut même pas être appelée nettoyage. En interagissant avec l'oxygène, le fer ferreux se transforme simplement en fer trivalent, déjà plus facile à éliminer. Un cas particulier d'aération sera la décantation habituelle de l'eau dans un récipient ouvert. En plus de cette méthode, la séparation de l'eau en de nombreux petits jets par des dispositifs de jaillissement ou de type douche est également utilisée; utiliser des injecteurs ou des éjecteurs pour la dispersion eau-gaz ; l'air passe dans l'eau sous pression. Mais en tant que méthode indépendante de déferrage de l'eau, l'aération est rarement utilisée, ce n'est généralement qu'une des étapes de la purification en plusieurs étapes.
Méthodes d'élimination du fer ferrique
Les méthodes de purification de l'eau mentionnées ci-dessus ne sont efficaces pour la forme trivalente du métal qu'à sa faible concentration.A des teneurs élevées, on utilise des filtres mécaniques qui retiennent les impuretés du seul fait de la petite taille des alvéoles.

Nous purifions l'eau sans dispositifs spéciaux
S'il n'y a pas de système de purification à portée de main et qu'une eau de qualité acceptable est nécessaire, il reste à utiliser quelques méthodes simples, mais pas efficaces à 100%.
Filtre maison
Pour ce faire, une grande bouteille d'un volume de 4 à 5 litres ou plus est coupée du fond et un petit trou est fait dans le couvercle. Ensuite, couches de bas en haut :
- tissu, gaze, ouate;
- charbon;
- sable de rivière lavé.
Le taux de filtration sera faible, l'eau devra toujours être bouillie, mais en l'absence d'appareils plus avancés, une telle conception artisanale sera également utile.

Longue ébullition
Avec cette méthode, tout est simple - faites bouillir de l'eau pendant au moins 10 à 15 minutes. À haute température, les composés de fer précipitent. Mais bien que l'eau soit purifiée, du tartre se forme rapidement sur les parois du récipient bouillant.
Gelé
L'eau est congelée environ de moitié dans n'importe quel récipient approprié, après quoi le résidu non congelé est versé et la glace est décongelée et utilisée pour boire ou cuisiner.
règlement
L'eau est laissée dans un récipient avec un couvercle ouvert pendant environ une journée, après quoi, avec précaution, afin de ne pas secouer les sédiments, elle est drainée pour utiliser environ 70% de l'eau, le reste est utilisé pour les besoins ménagers
Purification des impuretés mécaniques
L'eau qui coule dans notre plomberie contient des grains de sable, des fragments de rouille, du métal, des bobinages, etc. Ces impuretés sont dites mécaniques.Leur présence a un effet néfaste sur la durabilité des robinets (robinets, vannes, etc.) et des appareils électroménagers. Par conséquent, dans les appartements et les maisons privées, ils placent des filtres à l'entrée pour les éliminer. Il existe peu de types de filtres pour la purification de l'eau des impuretés mécaniques. C'est avec des mailles et des disques comme éléments filtrants.

Le filtre le plus courant pour éliminer les impuretés mécaniques dans l'eau
L'élément filtrant des filtres mécaniques est une maille. Selon la taille des cellules, ces filtres sont divisés en dispositifs grossiers (300 à 500 microns) et fins (supérieurs à 100 microns). Ils peuvent se tenir en cascade - d'abord un nettoyage grossier (boue), puis fin. Souvent, un filtre grossier est placé à l'entrée du pipeline et des appareils avec une cellule plus petite sont placés devant un appareil électroménager, car différents équipements peuvent nécessiter différents degrés de purification de l'eau.
Selon l'orientation du flacon dans lequel l'élément filtrant est installé, ils sont droits et obliques. Les obliques créent moins de résistance hydraulique, c'est pourquoi ils sont le plus souvent installés. Lors de l'installation, le sens d'écoulement doit être respecté, il est indiqué par une flèche sur le corps.
Filtre mécanique
Il existe deux types de filtres mécaniques - avec et sans rinçage automatique. Les appareils sans autoflush sont de petite taille, leurs diamètres d'entrée / sortie sont choisis en fonction des dimensions de la canalisation dans laquelle ils sont installés. Matériau du corps - acier inoxydable ou laiton, raccords filetés - différents (les filetages externes ou internes sont sélectionnés selon les besoins). Le coût de ce type de filtres mécaniques est faible - de l'ordre de centaines de roubles, bien que ceux de marque puissent coûter beaucoup plus cher.

Filtres mécaniques sans rétrolavage : droits et obliques
Étant donné que les grilles se bouchent et doivent être nettoyées périodiquement, la partie inférieure du flacon est amovible.Si nécessaire, il est dévissé, retiré et lavé avec un filet, puis tout est retourné (tous les travaux sont effectués après avoir coupé l'eau).
Maille avec lavage automatique
Un filtre mécanique avec auto-lavage (autonettoyant) a un tuyau de dérivation et un robinet dans la partie inférieure du ballon avec un élément filtrant. Le tuyau de dérivation est déversé dans les égouts avec un tuyau ou un morceau de tuyau. S'il est nécessaire de rincer un tel filtre, il suffit d'ouvrir le robinet. L'eau sous pression évacue le contenu dans les égouts, le robinet se ferme, vous pouvez continuer à fonctionner.

Types de filtres à eau mécaniques avec rinçage
Ce type de filtre à eau mécanique contient souvent un manomètre. Il détermine si la grille est bouchée ou non. La pression est faible - il est temps de nettoyer le filtre. Si le flacon de l'appareil est transparent, il se peut qu'il n'y ait pas de manomètre - vous pouvez le déterminer par l'apparence de la grille ou des parois du flacon. Dans ce segment, les filtres à eau obliques sont rares, mais il y en a quand même.
Un détendeur peut être intégré au corps pour neutraliser les pertes de charge. Il existe des modèles avec la possibilité d'installer une unité de rinçage automatique.

Exemple d'installation d'un filtre mécanique avec auto-nettoyage
Attacher ce type de filtre mécanique est un peu plus compliqué - il doit être évacué dans les égouts, mais il existe également des modèles avec différents types de filetages afin que vous puissiez utiliser le moins d'adaptateurs possible.
Types de connexion
Les filtres de nettoyage mécaniques peuvent être manchonnés, ils peuvent être bridés. À bride - il s'agit généralement de l'équipement principal pour les conduites d'eau à haute pression et de diamètres élevés. Il peut être utilisé dans le dispositif d'approvisionnement en eau d'une maison privée.

Crépines à brides
Filtres à disque (anneaux)
Ce type d'équipement est moins courant, bien qu'il soit moins sujet à l'envasement, qu'il ait une grande surface de filtration et qu'il puisse retenir des particules de différentes tailles.
L'élément filtrant est un ensemble de disques en polymère, à la surface desquels sont appliquées des dépressions-rayures de différentes profondeurs. Les disques à l'état assemblé sont étroitement pressés les uns contre les autres, l'eau passe à travers les creux des disques, tandis que des particules de plus grand diamètre se déposent dessus. Le mouvement de l'eau est en spirale, de sorte que les suspensions sont éliminées efficacement.
Filtre à eau à disque
Lorsque le filtre à eau est obstrué, les disques sont retirés du boîtier, séparés et lavés. Après cela, mettez en place. Périodiquement, les disques doivent être remplacés, la durée de vie de l'élément filtrant dépend de la quantité de contamination et de la qualité des disques eux-mêmes. Il existe des modèles avec lavage automatique.
Monté en rupture de canalisation, le ballon peut être dirigé vers le haut ou vers le bas (voir notice d'installation).
Bien nettoyer
Pour nettoyer le liquide du puits, vous pouvez utiliser un aérateur artisanal ou de la shungite. L'aérateur convertit les impuretés contenant du fer en un précipité insoluble qui se dépose au fond du puits.
L'appareil est capable de fonctionner toute l'année, purifiant le liquide et le protégeant des micro-organismes nocifs. Il est installé dans un boîtier en plastique, qui peut être utilisé comme un bidon ordinaire de 10 litres, le haut devra être coupé. Plusieurs trous sont percés au fond du boîtier, le condensat s'écoulera à travers eux, et l'appareil lui-même et le support sont fixés à la paroi intérieure.

Maintenant, vous devez remettre la partie coupée de la cartouche et tirer le cordon à travers le cou. Ne fermez pas le trou - l'air doit circuler à l'intérieur de la cartouche.Des parties du boîtier sont fixées avec du ruban de construction, après quoi le conteneur est abaissé dans le puits. Séparément, les parties de l'appareil qui doivent être dans le liquide et la machine à ultrasons sont abaissées. Le système est connecté au réseau au moyen d'une machine 6A.
Le processus de nettoyage prend 5 à 7 jours. Vous pouvez utiliser un tel liquide lorsque l'odeur caractéristique disparaît et qu'il devient complètement transparent.
Pour éliminer le fer de l'eau, vous pouvez utiliser des méthodes mécaniques, biologiques ou chimiques. Avant de choisir l'une d'entre elles, vous devez effectuer un test de fluide en contactant l'organisme approprié, car l'efficacité de chaque méthode dépend de la quantité et de la composition des impuretés contenues dans l'eau.
Avez-vous besoin d'un système de nettoyage grossier?
Une large gamme de filtres de différentes organisations vous permet de choisir la meilleure option pour chaque cas spécifique.
Le nettoyage grossier implique la rétention de grosses impuretés. Empêcher la pénétration d'impuretés mécaniques n'affecte pas l'entrée dans l'alimentation en eau :
- chlore
- pathogène
- micro-organismes,
- produits chimiques.
L'équipement principal permet de réaliser le premier degré de purification. Ce traitement est assuré par une grille avec une taille de cellule de 20 à 500 microns.
De tels systèmes nécessitent un nettoyage régulier, sinon le taux de passage de l'eau sera réduit. Les filtres à mailles ordinaires doivent être périodiquement démontés, lavés et remis à leur place.
Les modèles avec une fonction d'auto-nettoyage permettent au système de se rincer automatiquement avec l'évacuation des débris dans les égouts. Ils ne sont pratiquement pas utilisés pour les datchas ordinaires qui ne sont pas utilisés pour le logement permanent, ainsi que pour les complexes complexes à grande vitesse.
Informations détaillées sur les filtres grossiers dans la vidéo :
Conseils! Le choix du modèle de filtre principal doit tenir compte du degré et du type de pollution de l'eau, ainsi que d'autres conditions de fonctionnement.














































