- Quand et pourquoi changer le filtre sur HBO
- Remplacement du filtre sur HBO 4 générations - instructions
- Variétés
- Polyphosphate
- Électromagnétique ou magnétique pour l'adoucissement de l'eau dure
- Cartouches de nettoyage
- Classification des raccords pour gazoducs
- Comment mettre et ranger ?
- Nous utilisons un filtre pour une chaudière à gaz
- Filtre à gaz compact (série 70600)
- Types de masques à gaz
- Masque à gaz filtrant GP
- Masque à gaz isolant (IP)
- Autonome
- Tuyau
- Caractéristiques d'installation dans la maison
- Matériaux et outils
- Sélection et préparation du site avant l'installation
- Montage
- Démarrage du système ECS et contrôle
- Marquage masque à gaz
- Avantages de l'utilisation d'un filtre chauffant
- Filtre à gaz pour chaudière
- Fonctions et objectif
- Types et comment choisir
- Modèles populaires
Quand et pourquoi changer le filtre sur HBO
remplacement en temps opportun ou nettoyage des filtres HBO une procédure très importante, car le colmatage entraîne la création d'une résistance élevée au flux de gaz.
Le résultat est une surchauffe rapide du moteur. D'ailleurs, quand filtre HBO obstrué, le carton contaminé peut se déchirer en raison de l'accumulation de saleté et pénétrer dans l'équipement, entraînant une casse.
Pour que la conception fonctionne correctement, n'achetez que des pièces de rechange d'origine et éprouvées.Les appareils de production non originale ne répondent souvent pas aux exigences et aux normes et peuvent entraîner une panne rapide de l'équipement.
INSTRUCTIONS VIDÉO
Remplacement du filtre sur HBO 4 générations - instructions
HBO 4ème génération implique l'utilisation de deux filtres.
Le premier est installé entre les buses et le réducteur, et le second est situé directement dans le réducteur de gaz.
La pièce dans laquelle le remplacement sera effectué doit être bien ventilée, car même une petite fuite de gaz ne peut être évitée, il est important d'exclure la proximité de toute source d'étincelles ou d'incendie

Outils requis :
- Tournevis,
- octaèdre,
- solution savonneuse
- deux filtres.
INSTRUCTIONS VIDÉO
Procédure de remplacement du filtre HBO :
- Bien serrer le robinet de la bouteille de gaz, de préférence à moitié vide.
- Relâchez la pression en démarrant le moteur. Cela démarrera la consommation du gaz restant dans le système et la voiture commencera à fonctionner à l'essence. Si possible, il est préférable de rouler quelques kilomètres à l'essence avant de remplacer.
- Dévissez la boîte de vitesses avec un octogone.
- Retirez le couvercle, démontez l'ancien appareil sans toucher les tubes en caoutchouc à proximité (après avoir analysé les accumulations de boue, vous pouvez comprendre à quel point l'installation est usée, comment elle fonctionnait, quelles sont les lacunes de son travail).
- Enlevez la poussière près du site d'installation du filtre avec un aspirateur. Traitez le site d'installation du nouveau filtre avec un liquide spécial.
- Posez un anneau en caoutchouc sur le fond, puis un nouveau filtre, puis un autre joint d'étanchéité.
- Fermez le couvercle, tournez les vis.
- Desserrez les deux pinces avec un tournevis, retirez le deuxième ancien filtre.
- Mettez un nouveau à sa place de sorte que la flèche pointe vers les injecteurs.
- Ouvrez la valve sur la bouteille.
- Ensuite, avec une solution savonneuse, vérifiez toutes les connexions dévissées pour identifier d'éventuelles fuites de gaz.
Le coût d'un nouvel appareil commence à partir de 1000 roubles. En l'achetant directement auprès du service, vous pouvez économiser sur l'installation, car une installation gratuite ou une bonne remise peut vous être proposée.
Tout système à gaz doit avoir un filtre à gaz, y compris une chaudière à gaz. L'appareil est monté sur une section horizontale du tuyau. Le filtre d'une chaudière à gaz nettoie le gaz qui le traverse. Cela améliore le fonctionnement sans erreur des débitmètres et empêche les équipements de gaz de tomber en panne.
Vous pouvez connaître le prix et acheter des équipements de chauffage et des produits connexes chez nous. Écrivez, appelez et venez dans l'un des magasins de votre ville. Livraison sur tout le territoire de la Fédération de Russie et des pays de la CEI.
Variétés
Pour réduire les risques de panne de chaudière, augmenter la précision des instruments de mesure et assurer une longue durée de vie des équipements, il est important de comprendre les principaux types d'appareils et de choisir le bon.
Polyphosphate
Les usines de polyphosphates sont considérées comme une option économique pour le prétraitement et l'adoucissement de l'eau entrant dans la chaudière.
Le principe de fonctionnement d'un tel appareil est de faire passer un liquide dans un flacon rempli de cristaux spéciaux. Ils assurent la formation d'un film protecteur sur les parois internes de la chaudière et ralentissent également la formation de tartre.
Photo 1. Filtre polyphosphate pour chaudière à gaz rempli de cristaux spéciaux. Ils ralentissent la formation de tartre.
Les appareils ont une conception simple :
- drain;
- ballon;
- charge;
- couvercle.
Le liquide à travers le couvercle pénètre dans le ballon rempli, où il passe à travers des cristaux de polyphosphate.De plus, il passe par le drain dans le réservoir de la chaudière à gaz.
Tout appareil de ce type nécessite un remplacement périodique de la charge - cristaux de sel de sodium. À proprement parler, il n'y a que cela dans la complexité de leur maintenance. La durée de vie d'une telle installation de nettoyage est en moyenne d'un an et demi.
Électromagnétique ou magnétique pour l'adoucissement de l'eau dure
Les appareils électromagnétiques sont chers, mais le prix est pleinement justifié : l'installation dure longtemps et permet d'obtenir une eau parfaitement propre à la sortie.
Le principe de fonctionnement est que lorsque le liquide traverse le flacon, les sels qu'il contient se décomposent. Ainsi, le tartre ne se déposera pas sur les parois de la chaudière. Au lieu de cela, le filtre lui-même sera obstrué par les plus petites particules de sel, qui sont lavées périodiquement.
Photo 2. Trois filtres magnétiques pour la chaudière du système de chauffage, le tartre qu'ils contiennent se décompose en minuscules particules.
Une autre caractéristique sera que sous l'influence du rayonnement électromagnétique, non seulement le tartre se décompose en petites particules, mais également le film le plus mince qui recouvre l'échangeur de chaleur de la chaudière se forme. Grâce à cela, il reste protégé et ne se corrode pas longtemps.
N'oublions pas que les appareils électromagnétiques et magnétiques sont des installations différentes. Les deux sont basés sur un aimant.
Attention! Les appareils électromagnétiques sont plus puissants, car ils nécessitent une connexion au réseau électrique. Idéal pour les chaudières à gaz, car ils adoucissent parfaitement l'eau de n'importe quelle température
Les installations magnétiques sont moins puissantes et ne sont pas recommandées pour les chaudières à gaz si la dureté de l'eau est trop élevée.
Les appareils magnétiques consistent en un boîtier métallique dans lequel se trouvent un grand nombre d'aimants puissants. Les appareils électromagnétiques sont en outre équipés d'un entraînement électrique dont le fonctionnement vous permet de multiplier l'action des aimants.
Cartouches de nettoyage
Les périphériques à cartouche ont un faible débit. Il existe les types d'appareils suivants :
- Mécanique - piège les petits débris. De tels appareils doivent être nettoyés fréquemment et ils n'adoucissent pas l'eau.
- Charbon - purifie l'eau grâce au charbon actif, qui agit comme une charge. Si vous ne le changez pas à temps, l'eau deviendra encore plus polluée à la suite du passage à travers le filtre.

Photo 3. Quatre filtres à cartouche à faible débit sont nécessaires pour purifier l'eau.
- Les dispositifs à cartouche échangeuse d'ions sont considérés comme les meilleurs, car ils modifient la dureté de l'eau en entrant dans une réaction chimique avec les ions calcium et magnésium.
- Osmotique - passer à travers les molécules d'eau avec du gaz. Cela vous permet de purifier le liquide des impuretés métalliques et des micro-organismes nocifs, mais cela ne fonctionnera pas pour adoucir l'eau en installant un tel filtre.
- Membrane - purifie l'eau des débris et des impuretés, mais ne la ramollit pas.
Important! Les filtres à cartouche pour les chaudières à gaz ne conviennent pas (à l'exception des dispositifs d'échange d'ions). Ils se concentrent davantage sur la purification de l'eau censée être bue.
Classification des raccords pour gazoducs
Tous les types de raccords à gaz existants, en fonction de leur objectif, peuvent être divisés en :
- éteindre. Raccords utilisés pour les arrêts périodiques de sections individuelles du gazoduc, instruments, équipements. Ce type comprend les robinets à gaz, les robinets-vannes ;
- sécurité.Servant à prévenir le risque d'augmentation de la pression du gaz au-dessus des normes établies. Ce type de raccord comprend une soupape de sécurité ;
- réglementaire. Conçu pour changer et maintenir la pression dans les limites spécifiées. Ce sont des amortisseurs, des portes, etc.;
- action inverse. Pour empêcher un changement de direction du mouvement du gaz ;
- urgence et coupure. Pour un arrêt automatique rapide du mouvement du gaz vers la section d'urgence en cas de violation du mode spécifié. Cette variété comprend une soupape de sécurité d'arrêt;
- évacuation des condensats. Celui qui élimine automatiquement le condensat qui s'accumule dans les collecteurs de condensat et dans les sections inférieures des réseaux de canalisations ;
- contrôler. Détermine la pression de la masse passable, la température, etc.
Selon la méthode de contrôle, les vannes peuvent être de deux types : contrôlées et automatiques. Le premier est entraîné par manipulation manuelle ou au moyen d'un entraînement : pneumatique, hydraulique, électromagnétique, électrique.
Le processus de contrôle manuel se caractérise par l'application de grands efforts et une perte de temps. Le plus souvent, un variateur est installé et la possibilité d'un contrôle d'urgence est conservée en cas d'accident. Et le second fonctionne à l'aide de dispositifs d'auto-opération.
La connexion à bride des gazoducs est utilisée aux transitions d'une section sous-marine ou souterraine à une section de surface. Ce type de connexion permet de lutter contre la corrosion électrochimique.
Selon la méthode de connexion, les équipements et les raccords éventuels des systèmes d'alimentation en gaz sont :
- à bride - utilisé pour les raccords avec un passage pour un milieu de plus de 50 mm. Le raccordement aux canalisations s'effectue par vissage des brides. Le principal avantage d'une telle connexion est la possibilité de réinstallations multiples, une plus grande résistance et fiabilité. On peut également noter l'applicabilité universelle. Comme inconvénient, seules une grande masse et de grandes dimensions de telles pièces sont distinguées;
- couplage - utilisé pour connecter des équipements avec un passage de 65 mm ou moins. La connexion est réalisée au moyen de raccords avec un filetage situé de l'intérieur. L'inconvénient des joints de couplage est que le fil s'efface progressivement ;
- tsapkovye avec filetage externe coupé. Un appareil est fileté dans un autre appareil ;
- soudage - ce sont des joints non séparables qui sont rarement utilisés aujourd'hui. Les avantages de cette méthode sont une étanchéité fiable et la minimisation des activités de maintenance. Les inconvénients comprennent la complexité du démontage de la connexion, qui survient lorsqu'une réparation est nécessaire, lorsque la section de gazoduc est simplement coupée;
- mamelon - les raccords sont connectés à l'aide d'un mamelon;
- couplage - les tuyaux sont reliés aux brides de tuyau avec des goujons avec écrous, qui sont situés le long du renfort;
- raccord - les raccords sont connectés à l'aide d'un raccord, d'un écrou-raccord et de bagues d'étanchéité. Il s'agit d'une méthode de connexion fiable avec possibilité de démontage.
En plus de ceux énumérés ci-dessus, il existe d'autres moyens de connecter les raccords de gaz, mais ils ne sont pas utilisés si souvent.
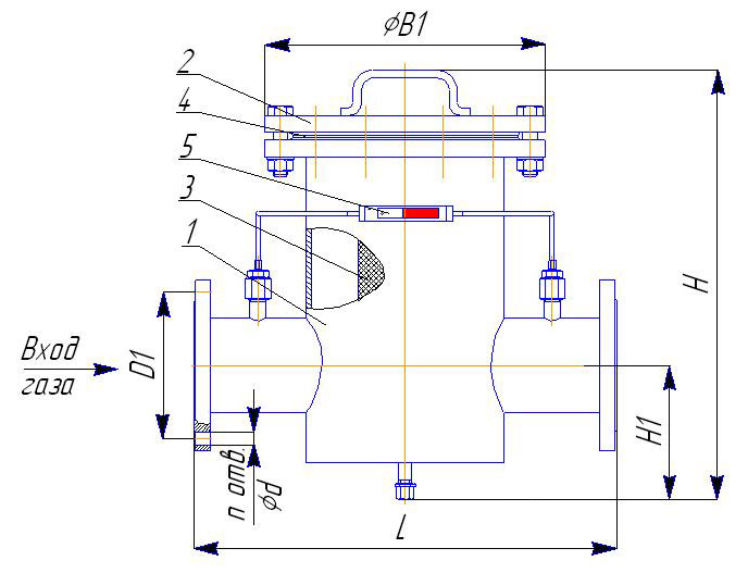
Le filtre à bride de gaz est nécessaire pour nettoyer le milieu gazeux de la poussière et des impuretés, augmentant ainsi la durée de vie et la fiabilité des appareils à gaz
N'oubliez pas non plus que la fonctionnalité du pipeline et la fiabilité de l'ensemble du système de distribution de gaz dépendront de la qualité de la connexion réalisée.
Comment mettre et ranger ?
Les masques à gaz filtrants modernes se distinguent par la plus haute qualité, la fiabilité et les capacités de protection inégalées (selon leur classe et leur type). Mais ces produits ne vous seront d'aucune utilité si vous ne respectez pas les règles d'utilisation.
Il est important de porter correctement un masque à gaz et de le ranger correctement également.

Il peut s'agir d'un nuage ou d'un brouillard d'une couleur inhabituelle. Vous pouvez prendre le produit même si vous avez reçu un signal indiquant que la zone était contaminée par des substances toxiques. Ce n'est qu'alors qu'il est judicieux de porter un masque à gaz filtrant. Vous devez le faire de la manière suivante :
- pour ne pas perdre connaissance soudainement, vous devez retenir votre souffle, fermer les yeux;
- si vous portez un couvre-chef, vous devrez certainement l'enlever en premier;
- sortez l'équipement de protection individuelle filtrant, mettez-le en enfonçant d'abord le menton dans sa moitié inférieure (c'est-à-dire le bas du masque à gaz) ;
- assurez-vous qu'il n'y a pas de plis sur le produit (si vous trouvez de tels défauts, vous devrez les redresser immédiatement);
- Vous pouvez maintenant expirer et ouvrir calmement les yeux.

Quelle que soit la zone dans laquelle vous utilisez un masque à gaz filtrant, il est très important de le ranger correctement. Cela signifie que le jeter à la première place qui se présente n'en vaut pas la peine. Essayez de garder le produit aussi loin que possible des appareils de chauffage existants dans la maison.
Il est conseillé de stocker l'équipement de protection là où il ne sera pas soumis à d'éventuels dommages mécaniques - suivez ceci.Une telle chose ne devrait être démontée et mise en place que si nécessaire - vous ne devriez pas souvent sortir un masque à gaz et «l'essayer» par vous-même pour une blague ou un divertissement. Cependant, vous pouvez accidentellement l'endommager.
Essayez de garder le produit aussi loin que possible des appareils de chauffage existants dans la maison. Il est conseillé de stocker l'équipement de protection là où il ne sera pas soumis à d'éventuels dommages mécaniques - suivez ceci. Une telle chose ne devrait être démontée et mise en place que si nécessaire - vous ne devriez pas souvent sortir un masque à gaz et «l'essayer» par vous-même pour une blague ou un divertissement. Ce faisant, vous risquez de l'endommager accidentellement.
Assurez-vous toujours que les composants du masque à gaz ne sont pas recouverts de condensat. Par la suite, cela peut entraîner la rouille des composants métalliques du produit.

Qu'y a-t-il à l'intérieur du filtre du masque à gaz, voir ci-dessous.
Nous utilisons un filtre pour une chaudière à gaz
Le filtre à gaz de la chaudière est une petite structure installée dans le gazoduc. Sa fonction est de collecter les particules de poussière et autres débris afin de les empêcher de pénétrer dans le système de la chaudière.
Un filtre pour une chaudière à gaz est un complément nécessaire à une unité traditionnelle qui protégera les principaux composants de la structure d'une usure prématurée. Si vous voulez que votre chaudière vous serve pendant des décennies, vous ne devez pas ignorer la nécessité d'acheter un élément filtrant pour le gazoduc.

Que collecte un tel filtre ? Le gaz naturel qui entre dans nos maisons par le réseau de canalisations contient toutes sortes de particules étrangères. Il peut s'agir de résines, de sable, des plus petits éléments de corrosion et bien plus encore.À l'aide d'une purification complète du gaz entrant dans le système, l'étanchéité des dispositifs de verrouillage s'améliore et leur fiabilité augmente. De plus, des appareils tels que des compteurs afficheront les données les plus précises sans erreur. En ce qui concerne la conception de l'unité elle-même, lors de l'utilisation de filtres à gaz pour la chaudière, il y a moins d'usure sur ses principaux composants, en particulier ceux qui sont extrêmement affectés par l'érosion.
Le choix d'un filtre pour une chaudière à gaz est une tâche responsable, car votre décision dépend de la fiabilité et de la sécurité de votre système d'alimentation en gaz. Aujourd'hui, une variété d'unités de filtrage sont présentées sur le marché des équipements et composants de chauffage, qui peuvent être classées selon un certain nombre de critères. En particulier, il existe des filtres à flux direct et rotatifs, qui diffèrent les uns des autres par la direction du mouvement des gaz. Selon les caractéristiques de conception, les dispositifs angulaires et linéaires sont distingués. Ils sont généralement fabriqués en acier ou en aluminium. De plus, il peut s'agir aussi bien de structures de type soudé que de composants réalisés par fonderie.
Si vous décidez d'acheter un filtre pour une chaudière à gaz, commencez par évaluer le matériau du filtre. Il existe deux principaux types de matériaux - les mailles et les cheveux.
Dans le premier cas, un treillis métallique tissé spécial est utilisé comme élément filtrant, qui retient efficacement les petites particules de poussière. Le filtre à cheveux est une cassette avec du crin de cheval pressé ou du fil de nylon imprégné d'huile de viscine.
Considérez les produits populaires qui sont demandés en Russie afin d'en savoir plus sur ce qu'est un filtre à gaz.
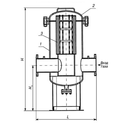
Filtre à gaz compact (série 70600)
Ce modèle, produit par la société italienne Giuliani-Anello s.r.l., est en aluminium. Il est complété par un couvercle en acier galvanisé. La conception est robuste et selon UNI-EN161 ce modèle est du groupe 1 en termes de résistance mécanique.
Le filtre est conçu pour une pression d'entrée maximale de 0,5 bar et pour un fonctionnement dans une plage de température de -10 à +80 degrés Celsius. L'élément filtrant est fabriqué en matériau spécial Viledon P15/500S, qui a un taux d'absorption de poussière élevé et une longue durée de vie. Viledon P15/500S est conforme à la norme internationale DIN EN779, ce qui en dit long.
Le nettoyeur compact de la série 70600 ravira le propriétaire avec ses petites dimensions. Il a été conçu pour fonctionner avec des chaudières à gaz et des chauffe-eau.
Lors de l'achat de ce filtre, vous devez suivre les recommandations ci-dessous :
- Assurez-vous qu'il convient à votre système de chauffage en vérifiant les spécifications;
- Ne pas installer le filtre en contact direct avec des murs en plâtre ;
- Lors de l'installation, utilisez l'outil approprié ;
- Montez l'appareil de manière à pouvoir accéder facilement à son couvercle ;
- Le sens du mouvement du gaz doit correspondre au sens de la flèche correspondante située sur le corps de l'appareil ;
- Montez le filtre après le réducteur de gaz.
Le filtre à gaz compact de la série 70600 peut être utilisé dans les canalisations horizontales et verticales, ce qui en fait une solution polyvalente pour la filtration des gaz entrants.
Un filtre pour une chaudière à gaz est une option nécessaire qui prolongera la durée de vie de votre équipement de chauffage de l'eau. Un grand nombre de variantes de conception dans différentes gammes de prix vous permettront de choisir l'installation optimale qui justifiera pleinement l'argent dépensé.
Types de masques à gaz
Selon la situation dans laquelle il est nécessaire d'utiliser un masque à gaz, différents types sont utilisés. Ils diffèrent par leur principe de fonctionnement, leur structure interne et leur objectif.
Masque à gaz filtrant GP

Ce type de masques à gaz civils (GP) est recommandé pour une utilisation par la population adulte en cas de contamination chimique, radioactive ou bactériologique de l'environnement.
Important! Le pourcentage d'oxygène dans l'air doit être d'au moins 18 %. De quoi est composé le GP ?
De quoi est composé le GP ?
- masque volumétrique couvrant le devant de la tête;
- l'unité d'observation est réalisée sous la forme de lunettes rondes ou d'une fenêtre d'observation trapézoïdale, offrant au moins 70 % de visibilité ;
- membrane grillagée pour les négociations, protégée par une armature métallique étanche. Fournit une bonne transmission du son, suffisante pour comprendre la parole intelligible et parler au téléphone ;
- l'obturateur est une fine bande élastique qui longe le bord extérieur du masque et assure un ajustement serré du masque à gaz sur le visage ;
- le système de valve d'inhalation est équipé d'un filetage qui vous permet de changer et de fixer le boîtier du filtre;
- système d'expiration à valve séparé ;
- le caisson filtrant est réalisé sous la forme d'un boîtier cylindrique en métal ou en matériau polymère durable. Possède un pas de vis pour la fixation au masque.À l'intérieur de la boîte se trouve une couche absorbante (charge) composée de charbon actif et d'un filtre en fibre de verre pour piéger les particules d'aérosol.
Le masque à gaz filtrant est attaché à la tête avec un serre-tête. Il a une partie centrale, située à l'arrière de la tête, et cinq sangles avec boucles et pinces qui assurent un ajustement parfait au visage.
L'action d'un masque à gaz filtrant est basée sur un processus chimique naturel, à la suite duquel le gaz toxique traverse le charbon actif et se combine avec lui. L'air purifié pénètre dans le masque respiratoire.
Certaines substances nocives à faible poids moléculaire et à faible point d'ébullition peuvent s'infiltrer à travers les couches de charbon actif. Pour éviter cela, des composants supplémentaires sont installés dans le boîtier du filtre qui peuvent "peser" les molécules de gaz. Des composés oxydes à base de chrome, de cuivre et d'autres métaux sont utilisés comme "agents alourdissants".
Important! Les filtres doivent être remplacés après la date d'expiration. Selon le degré de pollution de l'air, la période peut varier de 10 à 15 minutes
jusqu'à plusieurs jours.
Masque à gaz isolant (IP)

Ces modèles de masques à gaz sont équipés d'un boîtier de compression, ce qui leur permet d'être utilisés quels que soient le degré et le type de pollution de l'air. Il est utilisé lorsqu'il n'y a pas assez d'oxygène dans l'air (moins de 18%). La différence avec les masques à gaz filtrants est qu'une personne reçoit de l'air d'une source supplémentaire protégée et ne l'inhale pas de l'extérieur. Comme un filtre, il est capable de protéger les organes respiratoires, recouvre complètement la tête.
Se compose des parties suivantes :
- casque-masque - sert à protéger efficacement le système respiratoire, à fournir de l'oxygène et à éliminer le dioxyde de carbone. Il a un ensemble de lunettes, reliant des tubes de sortie et un obturateur. Équipé d'un système de fixation de tête fiable, d'un interphone pour faciliter la communication et d'un accessoire spécial pour travailler sous l'eau ;
- soupape de surpression ;
- cartouche régénérative dans laquelle pénètre le dioxyde de carbone expiré;
- sac respiratoire.
Selon le mode d'alimentation en oxygène d'un casque-masque, il existe deux types de masques à gaz isolants : autonome et tuyau.
Autonome
Le masque à gaz autonome est équipé d'une bouteille d'oxygène comprimé. Lors de l'inhalation, une personne reçoit une portion d'air pur et libère du dioxyde de carbone à travers un absorbeur spécial.
Le plus souvent, ils sont utilisés par des sauveteurs spécialement formés pour éteindre les incendies et effectuer des opérations de sauvetage.
Tuyau
Ce type de masque à gaz diffère du masque autonome en ce qu'il possède de longs tubes qui s'étendent jusqu'au réservoir d'oxygène. L'air frais est fourni par un compresseur.
Les appareils respiratoires à tuyau sont utilisés dans les espaces clos, les conteneurs scellés, les puits jusqu'à 40 m de profondeur.
Sur une note! Il existe des masques à gaz combinés dans lesquels l'alimentation en air principale se fait par un tuyau. Si nécessaire, en cas d'urgence, il peut être remplacé par une bouteille d'oxygène comprimé.
Caractéristiques d'installation dans la maison
Le processus d'installation d'un filtre à eau pour une chaudière à gaz dépend du filtre dont nous parlons. Mais il y a une procédure générale.
Matériaux et outils

Avant l'installation, vous devez préparer tout ce dont vous avez besoin pour que le travail ne prenne pas beaucoup de temps:
- brosse pour le nettoyage préliminaire des tuyaux menant à la chaudière ;
- outil pour enfiler des tuyaux en plastique;
- ruban fumé;
- remorquer;
- pinces;
- dispositif pour souder des tuyaux en plastique.
Tous les outils répertoriés doivent être présents dans l'arsenal lors de l'installation. Et également à portée de main, vous devez avoir des instructions pour installer un type d'appareil spécifique devant une chaudière à gaz.
Sélection et préparation du site avant l'installation
L'équipement est installé directement devant la pompe, car une installation ailleurs n'aurait aucun sens. Les tuyaux dans lesquels le filtre va couper doivent être exempts de saleté et de tartre, ils doivent donc d'abord être nettoyés avec une brosse ou une brosse spéciale.
Important! L'endroit où l'appareil doit être installé doit être accessible pour une maintenance ultérieure de l'appareil.
Montage
L'installation comporte plusieurs étapes :
- coupe de tuyaux;
- installation et soudure de la première vanne d'arrêt, qui doit être fixée sur un ruban adhésif ou un câble;
- installation du filtre, sa fixation;
- installation de la deuxième vanne d'arrêt, sa fixation.
Important! Lors de l'installation d'un filtre électromagnétique, la possibilité de se connecter au secteur doit être prise en compte. Il est recommandé de vérifier au préalable si les diamètres des tuyaux, du filtre et des robinets sont adaptés les uns aux autres. De plus, les experts conseillent de monter des tuyaux et un filtre sur des supports spéciaux, grâce auxquels les installations tiendront solidement.
De plus, les experts conseillent de monter des tuyaux et un filtre sur des supports spéciaux, grâce auxquels les installations tiendront solidement.
Il est recommandé de vérifier au préalable si les diamètres des tuyaux, du filtre et des robinets sont adaptés les uns aux autres.De plus, les experts conseillent de monter des tuyaux et un filtre sur des supports spéciaux, grâce auxquels les installations tiendront solidement.
Démarrage du système ECS et contrôle

Une fois le filtre installé, vérifiez le système ECS. Pour ce faire, ouvrez d'abord l'eau : si rien ne coule nulle part, ouvrez le gaz.
Le fonctionnement d'un appareil électromagnétique sera immédiatement clair, car il fonctionne à partir du réseau.
Mais à quel point un filtre d'un autre type est efficace, il ne sera possible de comprendre qu'après un certain temps.
Afin d'éviter les erreurs, tant pour l'installation d'un filtre sur la chaudière que pour la vérification et le démarrage du système, il est préférable d'inviter un spécialiste expérimenté.
Marquage masque à gaz
Pour distinguer les marques de masques à gaz, des lettres spéciales sont utilisées. C'est une abréviation indiquant les caractéristiques du dispositif de protection et son modèle. Considérez des exemples de marquages pour différentes espèces.

Médecin généraliste pour adultes :
- Le GP-7 est le moyen de protection le plus populaire pour la population adulte, qui a été abandonné il y a plus de 30 ans. Ses analogues modifiés sont GP-7V (la présence d'un dispositif pour recevoir de l'eau), GP-7VM (a des verres en forme de trapèze et deux entrées de filtre), GP-7B (a une large gamme de protection).
- GP-9 - dispose d'une grande fenêtre panoramique et d'un dispositif de négociation. Utilisé pour protéger contre les vapeurs de mercure, l'ammoniac, les émissions radioactives.
- GP-21 est un masque à gaz léger avec une large vue panoramique. Utilisé pour une protection efficace contre les substances dangereuses propagées dans l'air.
- UZS VK 320 ou UZS VK 600 - ont une taille réglable universelle.Le kit utilise des filtres de la première et de la troisième classe de protection, dont les propriétés sont supérieures à celles standard du GP-7. Recommandé pour une utilisation dans des situations d'urgence.
Le marquage des masques à gaz industriels diffère des masques civils. Pour la classification, un code alphanumérique et un marquage de couleur sont utilisés, qui indiquent le type de substances nocives et le niveau de protection.
Le codage sur les filtres en lettres signifie :
- A - composés organiques et gaz à point d'ébullition élevé (plus de 65 degrés), marqués en marron;
- AH - vapeurs à faible niveau d'ébullition (moins de 65 degrés): essence, butane, acétone, kérosène, etc. (couleur - marron);
- B - gaz d'origine inorganique (gris);
- P - microbes et suspensions d'air (blanc);
- E est indiqué en jaune - cette catégorie comprend les gaz acides, y compris HNO3 ;
- K - de l'ammoniac et de ses dérivés (indiqué en vert) ;
- CO (violet) - à partir de carbone ;
- SX - classe de danger suspendue de substances toxiques, par exemple, sarin, fosten; (le marquage est violet)
- Hg - provenant de l'évaporation de la vapeur de mercure (rouge).
Pour indiquer le degré de protection, des nombres de un à trois sont utilisés, où :
- 1 est une protection efficace faible ;
- 2 - protection avec un coefficient moyen;
- 3 - un outil avec un indice de protection élevé.
Autres caractéristiques des masques à gaz de marquage :
- Contient des informations sur le fabricant, par exemple, Breeze, DON, DOT, IZOD.
- La longueur du tuyau utilisé est indiquée sur l'équipement de protection du tuyau, par exemple, PSh-1, PSh-20ERV, PSh-40RV.
Avantages de l'utilisation d'un filtre chauffant
Parmi les avantages que comporte l'installation d'éléments de nettoyage pour le chauffage, il convient de souligner les suivants:
- le filtre offre une protection de haute qualité contre tout type de pollution ;
- vidanger l'eau du système et remplir le circuit avec du nouveau liquide de refroidissement n'a pas besoin d'être fait souvent ;
- l'installation d'un puisard vous permet sans équivoque de réduire les coûts financiers;
- un système équipé d'un tel filtre fonctionnera longtemps et de manière fiable.
Ainsi, la liste des avantages de l'élément de nettoyage ne fait que confirmer le fait que son installation est une garantie du fonctionnement stable de l'ensemble du système de chauffage et de l'absence de tout type de travaux de réparation. 1. 2. 3. 4. 5. 6.
La qualité des systèmes d'alimentation en chaleur peut se détériorer avec le temps, bien sûr, la plupart des gens ont dû y faire face en même temps. Beaucoup de gens doivent maintenant vivre dans des maisons construites il y a au moins vingt ans.
C'est dans de tels bâtiments que ce problème est le plus souvent rencontré. Une mauvaise circulation du liquide de refroidissement, dont le rôle est le plus souvent joué par l'eau, entraîne un mauvais échauffement. Le processus de corrosion dégrade la qualité de l'eau, dont les impuretés se déposent sur les parois internes des tuyaux et des radiateurs, empêchant le passage normal de la chaleur.
Naturellement, il existe un moyen de sortir de cette situation - ou, pour les cas plus «négligés», sa purification chimique (
Filtre à gaz pour chaudière
Tout système à gaz doit avoir un filtre à gaz, y compris une chaudière à gaz. L'appareil est monté sur une section horizontale du tuyau. Le filtre d'une chaudière à gaz nettoie le gaz qui le traverse. Cela améliore le fonctionnement sans erreur des débitmètres et empêche les équipements de gaz de tomber en panne.

Filtre à gaz MADAS fileté
Fonctions et objectif
Un filtre à gaz pour chaudière est un complément à l'équipement de la chaudière qui est nécessaire pour protéger les composants d'une usure précoce. Si vous avez l'intention de contribuer à la longue durée de vie de la chaudière, n'ignorez pas l'achat d'un appareil de filtration de gaz.
La fonction du filtre est de collecter les particules en excès (goudron, sable, petits morceaux de rouille) qui accompagnent le gaz à travers le système de canalisation. Grâce à un nettoyage de haute qualité du gaz qui pénètre dans le système, les valeurs d'étanchéité des vannes d'arrêt deviennent beaucoup plus élevées, la fiabilité est assurée. De plus, les appareils tels que les compteurs afficheront des données de haute précision sans erreur. La chaufferie elle-même, utilisant des filtres à gaz, ne tombera pas en panne aussi rapidement et les principaux composants de l'unité de chauffage ne se corroderont pas.

Filtre à gaz installé
Types et comment choisir
Le filtre à gaz de la chaudière doit être choisi en toute responsabilité, car le niveau de fiabilité et de sécurité du système d'alimentation en gaz dépendra du choix. Actuellement, sur le marché des appareils et composants de chauffage, vous pouvez voir une variété d'unités de filtration, classées selon certains critères.
En fonction de la direction du mouvement du gaz, les filtres à gaz peuvent être distingués :
Sur la base de leurs paramètres de conception :
Les appareils peuvent être fabriqués à partir de différents matériaux, ils distinguent:

Filtre à mailles en laiton pour gaz avec aimant
Il peut également y avoir des filtres :
Pour sélectionner un filtre à gaz, vous devez évaluer le matériau du filtre. Il peut être:
- Réticulé. Ici, l'élément de filtration est un treillis métallique tissé spécial, qui retient parfaitement les petites particules de poussière.
- Cheveux.Il s'agit d'une cassette avec du crin pressé ou du fil de nylon, qui est imprégné d'huile de viscine.
Modèles populaires
Les filtres à gaz pour chaudières sont très populaires sur le marché russe. Un modèle populaire est un petit appareil de la série 70600.
Le produit est fabriqué par Giuliani-Anello s.r.l. et en alliage d'aluminium. Le couvercle est en acier galvanisé. L'avantage du filtre est sa grande fiabilité, conformément à la norme UNI-EN161, le modèle appartient au premier groupe en termes de résistance mécanique.
Caractéristiques du filtre à gaz pour la chaudière série 70600 Giuliani-Anello.
Le matériau Viledon P15\500S se caractérise par une absorption excellente et de haute qualité des particules de poussière et une longue durée de vie. Il répond à la norme générale DIN EN779.
Filtre à gaz compact Giuliani Anello 70600
Lors de l'achat de ce filtre à gaz pour la chaudière, vous devez vous rappeler les règles suivantes :
- Il vaut la peine de s'assurer que l'élément filtrant est combiné avec votre système de chauffage en examinant ces paramètres.
- Il n'est pas nécessaire d'installer l'appareil à côté des murs sur lesquels le plâtre est appliqué.
- Pour les travaux d'installation, utilisez l'outil approprié.
- Il est souhaitable d'installer le filtre de manière à pouvoir s'approcher facilement de son couvercle.
- Le débit de gaz doit correspondre au sens indiqué par la flèche sur le corps de l'appareil.
- Il est nécessaire d'installer l'élément filtrant après le réducteur de gaz.
Le filtre pour chaudière à gaz de la série 70600 est conçu pour être installé sur des conduites verticales et horizontales, ce qui garantit la polyvalence de l'appareil.
Le filtre à gaz pour la chaudière est un dispositif petit mais très utile pour prolonger la durée de fonctionnement de l'unité de chauffage.Une variété de solutions de conception et une variété de prix permettent de choisir le meilleur appareil qui justifie pleinement l'argent investi.









































