- Qu'est-ce que c'est et pourquoi est-ce nécessaire
- Variétés de grues
- Auto-réparation de chaudières
- Schéma de câblage
- Consignes d'utilisation importantes
- Causes d'échec
- Mesures préventives
- Types de vannes pour chauffage au sol
- mélange
- Mécanique
- avec tête thermique
- Thermostatique
- Principaux dysfonctionnements et méthodes de réparation
- Vérification des composants électriques
- Vérification de la bobine de l'électroaimant et de sa réparation
- La conception et la fonctionnalité de l'appareil
- Électrovanne
- Recommandations pour la sélection et l'installation
- Où sont utilisées les vannes à trois voies ?
- La chaudière à gaz ne chauffe pas l'eau chaude
- Comment fonctionne une vanne à trois voies dans un système de chauffage
- Types de vannes à trois voies selon le principe de fonctionnement
- Conclusions et vidéo utile sur le sujet
Qu'est-ce que c'est et pourquoi est-ce nécessaire

Il ressemble à une vanne à trois voies classique pour un système de chauffage. Comme son nom l'indique, cette vanne a 3 temps. Vous pouvez même l'appeler un robinet, car il fait référence aux vannes d'arrêt et de contrôle. Il ressemble à un tee-shirt ordinaire, mais à l'intérieur de son appareil, c'est beaucoup plus compliqué. En gros, il sert à changer la température de l'eau. Il y a deux façons : dans la première, le retour est mélangé à l'alimentation pour abaisser la température ; la deuxième méthode, au contraire, sépare les flux en rejetant l'eau chaude dans la conduite de retour. Ceci est utile dans différents cas :
- Plancher chaud. Le retour et l'alimentation de chauffage sont raccordés à la vanne. Le retour étant plus froid, une eau à plus basse température est fournie aux étages. Dans le même temps, la température du reste du chauffage reste la même.
- Maintien de la température. Pour le fonctionnement normal de presque tous les équipements de chauffage, il est nécessaire que le flux de retour ne soit pas plus froid que l'alimentation de 60 degrés. Sinon, la chaudière ne durera pas longtemps. Par conséquent, la vanne prélève l'eau de l'alimentation et la renvoie.
- Protection contre la condensation. Pour la même raison. Si de l'eau plus chaude que le point de rosée pénètre dans l'échangeur de chaleur, la condensation commence à s'y accumuler.
- Protection contre la surchauffe. Les chaudières modernes sont équipées de divers capteurs. S'il s'agit, par exemple, d'une simple chaudière à combustible solide, elle continuera à fonctionner même en cas de surchauffe. La vanne à trois voies résout ce problème.
- Pour tuyauterie d'une chaudière à chauffage indirect. Afin d'avoir de l'eau chaude dans la maison, vous pouvez connecter une chaudière à la chaudière. Et puis l'eau sera chauffée par chauffage. Le robinet à trois voies sert à l'approvisionnement ininterrompu en eau chaude. Il s'ouvre lorsque la température de l'eau dans la chaudière baisse.
- Lors de l'organisation d'un contournement. Dans certains cas, il est nécessaire de diriger l'eau le long d'un chemin alternatif - un contournement. Par exemple, pour un chauffage plus efficace. La façon la plus simple de le faire est d'utiliser une vanne à trois voies. Il s'ouvrira et se fermera au bon moment.
Mais pourquoi installer une vanne quand on peut juste baisser la température ? La question semble logique, mais en fait, dans les chaudières conventionnelles à basse température, l'échangeur de chaleur tombe rapidement en panne. Pour ce mode de fonctionnement, une chaudière à condensation est mieux adaptée, mais leur prix est beaucoup plus élevé. Par conséquent, il est préférable et plus facile d'installer une vanne à trois voies.
Variétés de grues
Classement du produit selon différents critères :
Selon la vanne, il y a :
Réglementaire. Il est équipé d'un dispositif électromécanique qui ouvre les vannes souhaitées
Il comprend également une potence à réglage manuel ou automatique. Important! La tige ne peut pas être assommée même par la plus forte pression d'eau, car elle est située à l'intérieur de l'appareil. éteindre
Dans son teint il y a un dispositif à bille qui commute le débit d'eau
Éteindre. Dans son teint il y a un dispositif à bille qui commute le débit d'eau
La particularité de cet appareil est qu'il est installé sur des systèmes à basse pression. Il est de conception très simple, nécessite un entretien constant et s'use rapidement.
Par matériau de produit :
Le laiton est le matériau le plus demandé, en raison de sa longue période de fonctionnement, de ses petites dimensions et de son faible poids.
L'acier au carbone est une excellente alternative au laiton.
Fonte - utilisée pour les tuyaux de grand diamètre (à partir de 40 mm et plus). Ce n'est pas pratique pour les maisons privées.
Le bronze est un matériau à longue durée de vie.
Selon le mode d'installation : accouplement ;
à brides ;
tsapkovy ;
pour le soudage ;
fin de montage.
Pour le système de chauffage, utilisez des types tels que:
Avec un mode hydraulique constant - réglable en fonction des indicateurs de qualité. Il convient aux consommateurs avec des caloporteurs de haute qualité d'un certain volume.
Avec hydraulique variable - réglable en fonction de la quantité d'eau requise. Il est plus adapté à ceux pour qui la quantité compte.
A partir de la variante de la partie débit de l'appareil : test-purge ;
plein passage.
Du type d'obturateur intégré : cône ;
cylindrique;
Balle.
Les types suivants se distinguent selon la forme de la vanne à boisseau : en forme de T ;
en forme de L ;
En forme de S.
De la mécanique des boulons :
Presse-étoupe - contrôle le réglage du jet d'eau par le dessus des raccords grâce au presse-étoupe ;
Tension - contrôle le réglage du jet d'eau depuis le bas du renfort grâce à l'écrou.
En fonction de l'échauffement du corps :avec chauffage ;
sans chauffage.
Selon les indicateurs techniques, les vannes suivantes sont distinguées:
En forme de T - le bouton de réglage peut être en 4 positions ;
En forme de L - le bouton de réglage a deux modes, dont un angle de rotation de 180 degrés.
À partir du mécanisme de contrôle de l'appareil :
Manuel - relie les débits d'eau dans des proportions approximatives, bon marché, ressemble à un robinet à tournant sphérique standard ;
Entraînement électrique - un équipement supplémentaire est utilisé pour le fonctionnement - un moteur ou une méthode magnétique, il est possible de recevoir un choc du courant;
L'actionneur pneumatique est la meilleure option d'utilisation. Important! Avec un entraînement électrique, vous pouvez facilement équilibrer la chaleur afin que le niveau de température dans les pièces les plus éloignées de la chaudière soit le même que dans les plus proches.
Auto-réparation de chaudières
Une chaudière à gaz est un système de chauffage très complexe et dangereux. En cas d'installation incorrecte, il existe un risque d'explosion de l'unité. Si les problèmes ne sont pas corrigés rapidement ou si l'entretien n'est pas fait correctement, cela entraînera la libération de monoxyde de carbone et de produits de combustion dans la pièce, ce qui est très dangereux pour la santé et la vie des humains et des animaux domestiques.
Les dispositifs automatiques intégrés sont responsables du fonctionnement de la chaudière. Ils ne sont pas faciles à comprendre. Et si l'automatisation s'avère défectueuse, vous ne devez pas la réparer vous-même. il vaut mieux appeler un spécialiste Dépannage dans un système automatique.De vos propres mains, il est uniquement possible d'éliminer tous les contaminants dans la cheminée, les tuyaux et les autres parties de la chaudière, ainsi que de réparer les dommages visibles sur l'unité.
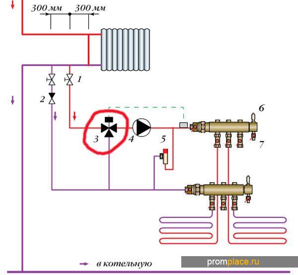
Schéma de câblage
Revenons maintenant au schéma général de la vanne. Nous avons analysé le mélange de deux flux de liquide de refroidissement qui ont des températures différentes. Ici, le principal inconvénient du "trois voies" vient de la surface, qui ne peut pas doser la quantité de liquide de refroidissement. Le flux froid est mélangé au flux chaud, et une température assez imprévisible est obtenue en sortie.
Le thermobloc essaie de maintenir un niveau donné, mais il est extrêmement difficile de le faire. Un équilibre instable est constamment présent dans ce cas. Un tel schéma ressemble au phénomène, car si vous ouvrez deux robinets d'eau froide et chaude, il sera presque impossible de déterminer la température exacte de l'eau. Ainsi, s'il n'est pas possible, à l'aide d'une vanne, d'influencer le mélange, il est alors nécessaire d'installer une unité supplémentaire pouvant influencer le liquide de refroidissement refroidi.
Le plus souvent monté :
- soupape d'équilibrage.
- Soupape de radiateur réglée
Ces deux éléments sont montés sur le by-pass afin d'obtenir la température souhaitée. S'il n'y a pas de coordination entre la pompe de la chaudière et le plancher chauffant, alors dans ce cas le transfert du liquide de refroidissement (la chaudière est plus puissante) immédiatement dans le retour du circuit de la chaudière. Ainsi, rien n'atteindra le sol chaud. Ce phénomène peut être évité en installant un clapet anti-retour, il peut également être installé à la sortie. Ainsi le problème sera résolu. Coût moyen:
- Vanne à trois voies 3300 roubles.
- Tête thermique 2700 rub.
- Clapet anti-retour par pouce 500 rub
- Vanne, vanne de radiateur jusqu'à 700 roubles
- Le montant total est d'environ 7200 roubles.
Ceci ne tient pas compte des matériaux de fixation des tuyaux.
Cela vaut la peine de considérer la plage de température. Pour le chauffage au sol, la température ne dépasse pas 40°C. Il existe également des tolérances de pression: les conceptions coûteuses «maintiennent» la pression jusqu'à 16 bars, pour les appareils électroménagers, 2,5 fois moins (5-5 bars) suffisent. Ces indicateurs sont réglementés par GOST 26349-84.
Les vannes à trois voies ont des diamètres de buse différents. Les plus populaires d'entre eux: ce sont des pouces 1 et ¾, tandis que le filetage peut être à la fois interne et externe.
Les vannes à trois voies dans le chauffage par le sol semblent indescriptibles, mais elles sont nécessaires au travail et sont utilisées dans divers domaines, remplissant des fonctions importantes. Il est recommandé d'utiliser des vannes de fabricants renommés, cet appareil compact fonctionnera sans panne pendant de nombreuses années. Lors de l'achat, vous devez vous familiariser afin qu'il n'y ait pas de dommages ou de fissures sur le boîtier. Le régulateur doit tourner librement dans n'importe quelle direction. La tête thermique est testée avec une légère chaleur. Cela peut être fait en utilisant o
Lire aussi :
Consignes d'utilisation importantes
En termes de fonctionnement, les chaudières à gaz à chambre de combustion fermée sont considérées comme plus sûres. Leur foyer ne communique pas avec l'air de la pièce. Cependant, la puissance de ces chaudières est nettement inférieure à la puissance des chaudières à chambre de combustion ouverte. Par conséquent, dans les ménages privés, le deuxième type de chaudières est souvent installé.

Le choix du futur liquide de refroidissement dépend des objectifs et des conditions de fonctionnement du système. Si un arrêt fréquent de la chaudière est prévu, il est logique de penser à utiliser de l'antigel
Le fonctionnement de telles chaudières nécessite le respect des règles de sécurité. Ainsi, pour aménager une puissante chaudière au sol, il est d'usage d'utiliser une pièce séparée avec certaines dimensions. La chaudière est montée à une certaine distance des murs. Les murs avoisinants doivent être protégés par un matériau ignifuge pour empêcher l'inflammation.
La chaufferie a besoin d'un système de ventilation. Il devrait également y avoir une source de lumière naturelle. La largeur de la porte d'entrée doit être d'au moins 80 centimètres. La cheminée est posée conformément aux instructions de la chaudière et à partir d'un matériau résistant à la chaleur. La cheminée doit s'élever au-dessus du faîte du toit d'au moins un demi-mètre.
L'une des mesures de sécurité est l'installation de détecteurs de monoxyde de carbone. Le détecteur de gaz détectera la fuite de toxine volatile en temps opportun et en avertira les utilisateurs. Il peut également être réglé pour allumer automatiquement la ventilation et couper l'alimentation en gaz. L'automatisation moderne permet l'introduction d'une variété de systèmes intelligents.
Si le capteur de température, de pression ou de teneur en gaz est hors service, vous devez immédiatement éteindre la chaudière et appeler le maître du service après-vente. L'utilisation de la chaudière sans ces appareils est lourde de conséquences négatives graves.

Les exigences du SNiP stipulent qu'il est nécessaire de connecter une chaudière à gaz à la ligne principale à l'aide d'un tuyau en cuivre ou d'un tuyau à soufflet. Dans ce cas, une grue doit être installée
Si des signes de fuite de gaz sont détectés, fermez immédiatement le robinet de gaz et ouvrez les fenêtres pour aérer la pièce. N'allumez pas la lumière et essayez d'éclairer la pièce en allumant des allumettes ou un briquet.
La chaudière à gaz doit être entretenue aux intervalles spécifiés par le fabricant. Les données sur les procédures nécessaires sont indiquées dans les instructions de l'appareil. Par exemple, vous devez nettoyer la cheminée, enlever le tartre de l'échangeur de chaleur ou nettoyer les cendres du brûleur. Ensuite, la chaudière durera longtemps et le risque de dysfonctionnements graves sera considérablement réduit.
Lorsque vous utilisez un appareil à gaz, ne l'allumez pas à la puissance maximale pendant une longue période. Cela peut entraîner un dégagement de vapeur, ce qui est inacceptable.
Parfois, la chaudière commence à faire des bruits et des vibrations inhabituels. Cela peut être dû au fonctionnement du ventilateur. Nous vous avertissons que toutes les actions pour lesquelles vous devez démonter l'enveloppe de la chaudière privent automatiquement le propriétaire du droit à la réparation ou au remplacement sous garantie.
Cependant, le propriétaire de l'unité doit contrôler le fonctionnement des mécanismes et des systèmes qui protègent la chaudière du feu. Il est nécessaire de maintenir la température dans les circuits à environ 50 degrés, ce qui réduit considérablement la probabilité de dépôts minéraux sur les surfaces internes des tuyaux et des appareils.
Causes d'échec
Dans les conditions de fonctionnement constant d'une chaudière à double circuit, des pannes ou des informations inexactes fournies par le capteur de fumée sont possibles.
Les aspects négatifs suivants peuvent entraîner de telles conséquences.
- Oxydation de contact. Lorsque le ventilateur est allumé, un bip de l'interrupteur se fait entendre, cependant, en raison des processus d'oxydation sur ses éléments porteurs de courant, le circuit ne peut pas se fermer.
- Usure des membranes. Le fonctionnement du pressostat peut se détériorer considérablement si les propriétés techniques de son élément mobile (membrane) se détériorent.
- Bouchon de débris, endommagement du tube collecteur de condensat.Si le tube est fissuré, déchiré ou obstrué, inondé d'eau, le capteur de fumée peut commencer à donner une erreur dans les lectures.


Mesures préventives
Pour éviter la casse de toutes les pièces de la chaudière, des mesures préventives spéciales sont prises. Avant le début de la saison de chauffage et après celle-ci, l'unité doit être entretenue d'une manière spéciale. Si possible, il est démonté et tous les composants de la pièce de rechange sont soigneusement inspectés pour détecter tout dommage. Tous les dysfonctionnements doivent être éliminés, les pièces cassées remplacées par des neuves ou réparées.
En raison du danger des chaudières à gaz, vous ne devez pas résoudre vous-même les problèmes si vous n'avez aucune expérience dans la réparation d'unités. Il est préférable de confier la réparation de l'appareil à un maître qui, sans erreur, identifiera les pièces cassées et les réparera ou les remplacera par de nouvelles. Lors de l'utilisation et de la maintenance, les instructions du fabricant doivent être respectées.
Types de vannes pour chauffage au sol
mélange
Lorsque la vanne est relevée, deux passages sont ouverts. Dans ce cas, l'eau froide et l'eau chaude sont activement mélangées, ainsi la température acquise est réglée, qui est contrôlée par le capteur de la tête thermique.
Si la température du liquide de refroidissement est trop élevée, la soupape est abaissée. Ainsi, seule la zone de mélange réfrigérant froid reste libre. Dans ce cas, l'eau interne est stockée dans le plancher chauffant.
Mécanique

Dans la deuxième version de la vanne à trois voies, on observe que les zones sont toutes à d'autres endroits. La zone de plancher chaud s'est déplacée vers la partie inférieure, le "plus" s'est déplacé de droite à gauche. Tous ces détails ne veulent pas dire grand-chose.
La tige est attachée à la valve, il y a des marqueurs sous eux, en se concentrant sur eux, vous pouvez régler la température.La méthode est simple et très fiable. Un tel élément est peu coûteux, mais tous les modes doivent être réglés manuellement. Le circuit de chauffage peut alors chauffer de manière inégale.
avec tête thermique
Plus important encore, lorsque la tige est levée, aucun mélange ne se produit. L'eau chaude sans le moindre retard est envoyée au circuit de chauffage par le sol
Un tel phénomène n'est pas productif et ne porte pas de charge positive. Si le bouchon est fermé, la circulation interne continue (comme dans la première version).
Thermostatique
Une vanne thermostatique à trois voies pour chauffage au sol est un appareil doté d'un thermostat spécial. Le réglage dans ce cas est effectué une fois, après quoi le mouvement de la vanne est automatiquement ajusté. Ce processus est contrôlé par une substance thermosensible (parfois une substance gazeuse). Lorsque la température augmente, ces consistances augmentent de volume et affectent la valve. Un tel appareil est plus cher, mais il fonctionne de manière assez fiable.
L'emplacement dans la troisième dernière version de la vanne à trois voies pour le chauffage par le sol est exactement le même que dans la première. La différence fondamentale est que lorsque la vanne est relevée, le liquide de refroidissement pénètre à l'intérieur du plancher chaud. Nous avons observé un phénomène similaire dans la seconde variante. Si la vanne se ferme, une circulation active a lieu, comme dans les premier et deuxième cas. La situation est donc avec une vanne fermée car elle combine les trois vannes.
Vous pouvez appeler la vanne comme ceci :
- N° 1 - Mélange
- N° 2 - Diviser
- N° 3 - Diviser
Les deux derniers sont auxiliaires, ils ne fonctionnent pas sans mélange et ne modifient que le sens de déplacement du liquide de refroidissement.
Après avoir considéré l'ensemble du tableau, il est facile de deviner que la première vanne est idéale pour un sol chaud. La raison est simple : le système comprend un liquide de refroidissement qui a subi la formation nécessaire. Il convient de garder à l'esprit que les vannes fonctionnent dans des conditions de température différentes, ont un débit différent, il existe des différences dans les matériaux à partir desquels elles sont fabriquées.
Voici les conséquences de l'utilisation d'un sol chaud sans mélange :
Principaux dysfonctionnements et méthodes de réparation
La perte de la fonctionnalité HA entraîne un arrêt de tous les équipements de la chaudière des équipements de chauffage, ou un arrêt partiel, lorsqu'il est impossible de régler le niveau de chauffage souhaité dans la pièce, en raison de l'ouverture partielle de la membrane.
Parfois, il existe des situations qui, au contraire, conduisent à une alimentation continue en combustible du dispositif de brûleur, lorsque la vanne gaz-air est constamment ouverte.
Toutes les défaillances ci-dessus doivent être immédiatement éliminées, car elles peuvent créer une urgence dans la maison. Si l'utilisateur ne sait pas quoi faire avec une vanne défectueuse, fermez immédiatement la vanne d'arrivée de gaz, aérez bien la pièce et appelez les représentants du gorgaz.
Vérification des composants électriques
Il est possible de tester la fonctionnalité du couteau principal électromagnétique sans démontage. Pour effectuer le test directement sur la chaudière, vous devez couper l'alimentation en gaz en tournant la vanne sur la conduite de gaz.
De plus, la chaudière peut rester connectée au secteur. Sur le régulateur d'alimentation en carburant du brûleur, il y a une unité électronique - un micro-interrupteur qui, lorsque le chauffage est allumé, alimente les principaux composants technologiques.

micro-interrupteur
Zones d'alimentation en tension par micro-interrupteur :
- dispositif de système d'allumage ;
- aérotherme;
- bobine électromagnétique.
Dans le cas où, par exemple, avec un tournevis, agissez de force sur la plaque de poussée hydraulique du micro-interrupteur, l'alimentation sera fournie au système d'automatisation de la chaudière.
En conséquence, l'activité des éléments suivants est activée, par exemple, au niveau de la vanne gaz de la chaudière Baxi :
- ventilateur
- allumage piézo ;
- électrovanne d'arrêt.
L'examinateur entendra le bruit du ventilateur qui se met en marche, le déclic de l'allumage piézo et le clic distinctif de la tige de soupape. Une position similaire de l'appareil montre les performances des éléments, en tout cas, dans la partie électrique.
Vérification de la bobine de l'électroaimant et de sa réparation
La pratique de fonctionnement des équipements à gaz des chaudières indique qu'un dysfonctionnement de la bobine d'électroaimant ne se produit pas toujours en raison d'une rupture du conducteur d'enroulement.
Les courts-circuits entre spires sont fréquents, ce qui entraîne également la perte de fonctionnalité de l'unité de protection. Dans le cadre de cela, il sera nécessaire de diagnostiquer l'état de l'électrovanne de la chaudière de chauffage.
Le test de performance de l'inducteur est réalisé à l'aide d'un testeur de rupture ou de court-circuit entre spires. La mesure de l'inducteur est généralement effectuée dans l'ordre de mesure de la résistance - en fixant des sondes à ses contacts. Lorsque le nœud ne répond d'aucune façon à la connexion, il semble qu'il y ait un circuit ouvert.

bobine de soupape
Dans le cas où le paramètre de résistance diagnostiqué diffère de celui indiqué dans la documentation, il est fort probable qu'un court-circuit entre spires se produise. Dans les deux cas, la résistance doit être changée.
La vanne de gaz est un équipement très critique, lors de sa réparation ou de son entretien, vous devez respecter les recommandations suivantes.
Il faut éviter les chocs, les chutes, les chocs sur l'appareil et conserver l'étiquette technique apposée sur la valve. Les données qui y sont indiquées sont très importantes pour les futures réparations.

La conception et la fonctionnalité de l'appareil
Les vannes à trois voies (TK) diffèrent par leur taille et leurs matériaux : acier inoxydable et bronze. Le corps peut être réalisé à la fois en métal et en matériau polymère. Bien que ce dernier ne soit pas très populaire.
Types de vannes
La conception a 3 ouvertures : une entrée et deux sorties, à l'intérieur se trouve un variateur qui contrôle les flux pour obtenir la température souhaitée.
Structurellement, le produit exécute la relation de l'action d'une paire de vannes à deux voies. La principale différence est que TC n'arrête pas le flux du fluide, mais régule son intensité. Les appareils 3 voies sont regroupés selon le système de réglage : « tige-siège » et « rotule », et peuvent être couplés à une tête thermique Hertz.
Le mouvement de la tige est généralement contrôlé par un entraînement de type électromécanique et est utilisé pour l'installation dans des systèmes de contrôle automatique pour les processus thermiques de la chaudière Proterm et d'autres combustibles solides modernes.

Conception de soupape
Le principe de fonctionnement du TC est basé sur le mélange de 2 flux de température du liquide de refroidissement sur les lignes d'alimentation et de retour, en un flux commun, avec un indicateur de température réglé par l'utilisateur.
Le milieu dans la cavité interne de l'appareil se déplace d'une buse à l'autre jusqu'à ce que son indicateur de température passe à la taille souhaitée.

Électrovanne
L'électrovanne est une vanne d'arrêt qui affecte directement la sécurité de l'unité. Il est principalement installé pour qu'en cas de dysfonctionnement, il ferme l'alimentation en carburant. Des situations d'urgence dans le fonctionnement du chauffage au gaz peuvent survenir en raison de divers facteurs:
- chute de pression de carburant ;
- manque de liquide dans le système (vous pouvez vérifier les joints, la vanne à trois voies et les tuyaux);
- détérioration de la traction ;
- fuite de gaz.
Chacun des problèmes ci-dessus est dangereux pour la vie humaine et, par conséquent, le fonctionnement ultérieur du système est inacceptable. C'est pourquoi l'électrovanne fonctionne. Sa position d'origine est ouverte. Pour le fermer, on lui applique une impulsion électrique provenant d'un thermocouple installé au-dessus de la flamme dans la chambre de combustion ou sur la cheminée.
Il faut dire tout de suite que cet élément sort rarement de la position debout, car il a un grand potentiel d'utilisation. Malgré cela, des moments se produisent encore.
Il existe deux manières de vérifier le fonctionnement de cette vanne :
- Feu. Le thermocouple usagé est remplacé par un neuf. Le bouton automatique est activé. Ensuite, l'allumeur est allumé et le feu est amené à l'extrémité du thermocouple. Dans ce cas, l'automatisation devrait fonctionner.
- Instrumental. Le capteur est retiré du boîtier et un contact de réparation est inséré. Il est alimenté en tension de 3 à 6V. Si l'électrovanne est en ordre, l'automatisation fonctionnera. Sinon, vous devez remplacer cet élément.
Recommandations pour la sélection et l'installation
Étant donné que loin de tous les fabricants d'équipements de chauffage complètent leurs produits avec un groupe de sécurité, vous devez souvent faire vous-même le choix d'une soupape de sécurité pour un système de chauffage.Pour ce faire, il est nécessaire d'étudier les caractéristiques techniques de la chaufferie, à savoir connaître sa puissance thermique et la pression maximale du fluide caloporteur.
Pour référence. La plupart des marques connues de générateurs de chaleur à combustible solide ont une pression maximale de 3 bars. L'exception concerne les chaudières à combustion longue STROPUVA, dont la limite est de 2 bars.
La meilleure option consiste à acheter une vanne à pression contrôlée couvrant une certaine plage. Les limites de contrôle doivent inclure la valeur de votre chaudière. Ensuite, il faut choisir un produit en fonction de la puissance de l'installation thermique, mais il est difficile de se tromper ici. Les instructions du fabricant indiquent toujours les limites de la puissance thermique des unités, avec lesquelles une vanne d'un diamètre ou d'un autre peut fonctionner.
Sur la section de la canalisation allant de la chaudière à l'endroit où la soupape de surpression est installée, il est strictement interdit d'installer des vannes d'arrêt. De plus, vous ne pouvez pas mettre l'appareil après la pompe de circulation, n'oubliez pas que cette dernière n'est pas capable de pomper le mélange vapeur-eau.
Pour éviter les éclaboussures d'eau dans la chaufferie, il est recommandé de raccorder un tuyau à la sortie de la vanne, qui conduit l'évacuation dans les égouts. Si vous souhaitez contrôler visuellement le processus, un entonnoir de vidange spécial avec une rupture de jet visible peut être placé sur la section verticale du tube.
Où sont utilisées les vannes à trois voies ?
Il existe des vannes de ce type dans différents schémas. Ils sont inclus dans le schéma de câblage du chauffage au sol pour assurer un chauffage uniforme de toutes ses sections et pour éviter la surchauffe des branches individuelles.
Dans le cas d'une chaudière à combustible solide, des condensats sont souvent observés dans sa chambre. L'installation d'une vanne à trois voies aidera à y faire face.
Le dispositif à trois voies fonctionne efficacement dans le système de chauffage lorsqu'il est nécessaire de connecter le circuit ECS et de séparer les flux de chaleur.
L'utilisation d'une vanne dans la tuyauterie des radiateurs permet de se passer d'un by-pass. Son installation sur la ligne de retour crée les conditions d'un dispositif de court-circuit.
La chaudière à gaz ne chauffe pas l'eau chaude
Capteur de débit (débit) d'eau d'une chaudière à gaz Protherm Gepard (Panther) Le capteur de débit (débit) d'eau sanitaire est une roue rotative à aubes dont la vitesse de rotation dépend de l'intensité du débit d'eau. D'après l'expérience d'exploitation des chaudières à gaz Protherm Gepard (Panther), on sait qu'une raison fréquente de l'échec de la fonction de chauffage ECS dans ces chaudières est l'arrêt de la turbine en raison de la pénétration de particules étrangères dans celle-ci. Bien que la roue soit protégée du colmatage par une crépine, elle ne fait pas toujours face à sa tâche.
Si, lorsque le robinet d'eau chaude est ouvert, le brûleur de la chaudière ne s'allume pas et que de l'eau froide s'écoule du robinet, vérifiez l'état de fonctionnement du capteur de débit ECS. Il faut appeler la ligne d.36 du menu service, qui affiche les lectures du capteur de débit. Si, avec le robinet d'eau chaude ouvert, les relevés de débit de la ligne d.36 sont égaux ou proches de zéro, alors nous concluons que le capteur de débit ne fonctionne pas.
L'emplacement du capteur de débit d'eau est indiqué par la flèche verte dans la figure ci-dessous.
Le capteur de débit d'eau est retiré en tirant le support de fixation en acier vers la gauche.Après avoir retiré le support, il est nécessaire de tirer le capteur vers vous et de le retirer de la prise. Avant de retirer la sonde, il est nécessaire de vidanger l'eau du circuit ECS de la chaudière, comme décrit ci-dessus.
Pour éviter les défaillances dans le fonctionnement du capteur de débit, il est recommandé d'alimenter la chaudière en eau via un filtre à eau du robinet supplémentaire installé devant la chaudière.
Comment fonctionne une vanne à trois voies dans un système de chauffage
Le principe de fonctionnement de la vanne est de mélanger des débits d'eau à différentes températures. Pourquoi cela devrait-il être fait ? Si vous n'entrez pas dans les détails techniques, vous pouvez répondre ainsi : pour prolonger la durée de vie de la chaudière de chauffage et son fonctionnement plus économique.
La vanne à trois voies mélange l'eau chauffée avec l'eau refroidie après avoir traversé les appareils de chauffage et la renvoie à la chaudière pour le chauffage. À la question de savoir quelle eau chauffer plus rapidement et plus facilement - froide ou chaude - tout le monde est en mesure de répondre.
Parallèlement au mélange, la vanne sépare également les flux. Il existe un désir naturel d'automatiser le processus de gestion lui-même. Pour ce faire, la vanne est équipée d'un capteur de température avec thermostat. Dans ce cas, l'entraînement électrique fonctionne mieux ici. La qualité du fonctionnement de l'ensemble du système de chauffage dépend du dispositif d'entraînement.
- Une telle vanne est installée aux endroits de la canalisation où il est nécessaire de diviser le flux de circulation en deux circuits:
- Avec mode hydraulique constant.
- Avec variables.
En règle générale, un débit hydraulique constant est utilisé par les consommateurs pour lesquels un liquide de refroidissement de haute qualité d'un certain volume est fourni. Elle est régulée en fonction des indicateurs de qualité.
Un flux variable est consommé par les objets pour lesquels les indicateurs de qualité ne sont pas les principaux.Ils se soucient du facteur quantitatif. Autrement dit, pour eux, l'alimentation est ajustée en fonction de la quantité de liquide de refroidissement requise.
Il existe dans la catégorie des vannes et des analogues à deux voies. Quelle est la différence entre ces deux types ? Une vanne à trois voies fonctionne d'une manière complètement différente. Dans sa conception, la tige ne peut pas bloquer l'écoulement avec un régime hydraulique constant.
Il est toujours ouvert et réglé sur un certain volume de liquide de refroidissement. Cela signifie que les consommateurs recevront le volume requis à la fois en termes quantitatifs et qualitatifs.
Essentiellement, la vanne ne peut pas couper l'alimentation d'un circuit à débit hydraulique constant. Mais il est capable de bloquer une direction variable, vous permettant ainsi d'ajuster la pression et le débit.
Si vous combinez deux vannes à deux voies, vous obtenez une conception à trois voies. Dans ce cas, les deux vannes doivent fonctionner de manière réversible, c'est-à-dire que lorsque la première est fermée, la seconde doit s'ouvrir.
Types de vannes à trois voies selon le principe de fonctionnement
- Selon le principe d'action, ce type est divisé en deux sous-espèces:
- Mélange.
- Partage.
Déjà par le nom, vous pouvez comprendre comment chaque type fonctionne. Le mélangeur a une sortie et deux entrées. C'est-à-dire qu'il remplit la fonction de mélange de deux flux, ce qui est nécessaire pour abaisser la température du liquide de refroidissement. Soit dit en passant, pour créer la température souhaitée dans les systèmes de chauffage par le sol, il s'agit d'un appareil idéal.
Le réglage de la température du plafond sortant est assez simple. Pour cela, il est nécessaire de connaître la température des deux flux entrants et de calculer précisément les proportions de chacun afin d'obtenir le régime de température requis en sortie. Soit dit en passant, ce type d'appareil, s'il est correctement installé et réglé, peut également fonctionner sur le principe de la séparation des flux.
Une vanne de division à trois voies divise le flux principal en deux. Il a donc deux sorties et une entrée. Cet appareil est couramment utilisé pour la séparation de l'eau chaude dans les systèmes d'eau chaude. Souvent, les experts l'installent dans la tuyauterie des aérothermes.
En apparence, les deux appareils ne sont pas différents l'un de l'autre. Mais si l'on considère leur dessin en coupe, il y a une différence qui attire immédiatement l'attention. Le mélangeur a une tige avec un robinet à tournant sphérique.
Il est situé au centre et couvre la selle du passage principal. Il y a deux vannes de ce type dans la vanne de séparation sur une tige, et elles sont installées dans les tuyaux de sortie. Le principe de leur fonctionnement est le suivant - le premier ferme un passage, accroché à la selle, et le second ouvre à ce moment un autre passage.
- Une vanne à trois voies moderne est divisée en deux types selon la méthode de contrôle:
- Manuel.
- Électrique.
Le plus souvent, vous devez faire face à une version manuelle, qui ressemble à un robinet à tournant sphérique ordinaire, uniquement avec trois buses - sorties. Les systèmes automatiques électriques sont le plus souvent utilisés pour la distribution de chaleur dans la construction de logements privés.
Comme tout appareil, une vanne à trois voies est déterminée par le diamètre du tuyau d'alimentation et la pression du liquide de refroidissement. D'où le GOST, qui permet la certification. Le non-respect de GOST est une violation flagrante, en particulier en ce qui concerne la pression à l'intérieur du pipeline.
Conclusions et vidéo utile sur le sujet
Vous trouverez ci-dessous une vidéo utile à examiner, qui montre le démontage d'un appareil qui régule les flux de chaleur dans une chaudière à gaz. De plus, la pratique du démontage de vos propres mains est donnée.
L'épandeur présenté dans la vidéo est équipé d'un entraînement de tige hydraulique. La familiarisation avec cette pratique de réparation vous aidera à comprendre comment vérifier les instruments d'un type similaire et réparer si des défauts sont trouvés.
Ainsi, une vanne à trois voies pour une chaudière à gaz domestique peut être testée dans presque toutes les conceptions, quelle que soit la conception individuelle. L'essentiel est de déterminer correctement avec quel entraînement le tableau de la chaudière à gaz est utilisé. Des informations sur ce problème peuvent être obtenues à partir de la documentation de l'équipement ou sur la base des exemples de démonstration de lecteur dans cet article.
Avez-vous des informations utiles sur le sujet abordé ci-dessus et souhaitez-vous les partager avec d'autres utilisateurs ? Écrivez vos remarques et commentaires dans le bloc ci-dessous, ajoutez une photo, laissez vos recommandations - le formulaire de commentaires se trouve ci-dessous.












































