- Instructions étape par étape pour le démontage du moteur
- Fumée, feu, court-circuit
- Comment le problème est-il résolu et est-il possible de le prévenir ?
- L'étape préparatoire au démontage de l'aspirateur Samsung
- Quels outils seront nécessaires
- Démontage du boîtier
- Démontage étape par étape
- Débrancher le tuyau et démonter le corps
- Nous retirons le moteur
- Dépose du capot moteur
- On sort les brosses en dévissant les vis de serrage
- Desserrez l'écrou du rotor
- Démonter la roue de la pompe à air
- Inspectez soigneusement le rotor, le stator et les roulements pour détecter tout dommage
- Si les roulements sont endommagés : comment les retirer
- Si les enroulements sont endommagés: comment démonter l'ancre
- Comment démonter et nettoyer la brosse turbo
- La séquence de démontage de l'aspirateur sur l'exemple du Samsung 1600w
- Démontage du moteur
- Types et causes de pannes de moteur
- Démontage du boîtier
- Raisons du démontage du moteur de l'aspirateur
- La séquence de démontage de l'aspirateur sur l'exemple du Samsung 1600w
- Démontage du moteur
- Démontage du moteur
- La séquence de démontage de l'aspirateur sur l'exemple du Samsung 1600w
- Démontage du moteur
- Dysfonctionnements mineurs et leur élimination
- Problème n ° 1 - La puissance d'aspiration a fortement chuté
- Problème n ° 2 - Filtres d'aspirateur obstrués
- Problème n ° 3 - l'appareil ne s'allume pas
- Le principe de la réparation d'un appareil électroménager
- Prévention des pannes d'aspirateur
- Entretien préventif du moteur
- Recommandations générales pour l'entretien de l'appareil
- Les principaux problèmes de l'aspirateur Samsung 1600w
- Le principe et le dispositif de l'aspirateur
Instructions étape par étape pour le démontage du moteur
La prochaine étape de la réparation d'un aspirateur Samsung consiste à inspecter et réparer le moteur de l'appareil. Pour réparer le moteur de l'aspirateur Samsung, vous devez d'abord le démonter. Cela se fait comme suit:
À l'aide d'un tournevis, les deux boulons latéraux situés en haut du boîtier sont dévissés.
Tournez un peu le corps et regardez le moteur. Si vous essayez de l'enlever, vous constaterez que la bobine vous empêche de le faire.
Dégagez soigneusement le moteur de ses fils et débranchez tous les connecteurs.
Retirez délicatement les fils de la bobine de sorte que la bobine elle-même reste sur le corps et retirez le moteur.
Une fois le moteur retiré, vous devez répéter le nettoyage.
Maintenant, vous devez retirer la gomme d'étanchéité. Pour cela, dévissez les deux boulons latéraux.
À l'aide d'un tournevis, les deux moitiés du carter du moteur sont séparées.
Ensuite, le moteur lui-même est retiré du boîtier en plastique.
Regardez le haut du moteur
Vous verrez rouler. Ils doivent être pliés dans la direction opposée. Ensuite, un tournevis est coincé dans n'importe quelle fente. Les deux moitiés sont séparées l'une de l'autre. Ainsi, la turbine est dégagée du carter.
À l'aide d'une tête à douille 12, un boulon est dévissé
Ce qui est important: le filetage est à gauche, donc lors du retrait du boulon, il doit être tourné dans le sens des aiguilles d'une montre. Dans ce cas, il faut bloquer le stator du moteur avec des petites cales en bois
Toute la structure doit être soutenue.
Vous pouvez maintenant retirer la turbine.
Retirez la rondelle et dévissez les deux boulons.
En bas, vous trouverez quatre autres vis qui doivent être dévissées.
Ensuite, vous devez retirer les brosses après avoir dévissé tous les boulons.
Nous cassons l'ancre. Nous insérons la clé dans le trou et frappons dessus avec un marteau
Le moteur sortira.
Attention aux roulements. S'ils sont en bon état, ils peuvent être huilés.
Retirer le plumeau avec une pince à épiler
Si le roulement tourne avec un bruissement et reste sec, il doit être nettoyé et lubrifié. Vous pouvez utiliser un nettoyant pour carburateur pour le nettoyer.
Remontez l'aspirateur dans l'ordre inverse.
Votre modèle d'aspirateur spécifique peut nécessiter des soins différents. Essuyez avec un chiffon légèrement humide et un peu de nettoyant les parties en plastique de l'aspirateur. Dans tous les cas, cependant, vous devez nettoyer régulièrement l'extérieur de l'aspirateur. . Vous devez vous rappeler que le nettoyage des filtres de climatisation assurera une performance optimale du climatiseur ainsi qu'une consommation d'énergie normale.
Fumée, feu, court-circuit
Saisissez le panneau supérieur du panneau avant et tirez-le vers le bas ou soulevez-le pour l'ouvrir. Soulevez ensuite légèrement le panneau. Tenez le stylo et soulevez-le. Tirez ensuite le filtre à air vers vous et faites-le glisser vers le bas. Nettoyage à l'air. Filtre à air en mousse lavable qui retient les grosses particules d'air. Le filtre peut être nettoyé avec un aspirateur ou à la main.
Comment démonter la vidéo de l'aspirateur, voir ci-dessous:
Si vous le souhaitez, vous pouvez même rembobiner le stator du moteur de l'aspirateur. Comment rembobiner la vidéo du moteur de l'aspirateur, voir ci-dessous :
Comment le problème est-il résolu et est-il possible de le prévenir ?
Pourquoi l'aspirateur ne fonctionne-t-il pas ? Considérez les raisons banales que tout utilisateur peut gérer. L'échec de l'automatisation peut se produire pour les raisons suivantes :
- Remplissage du bac à poussière.Cela sera attesté par la présence de l'odeur de la poussière.
- Entrée de gros débris. Les grosses salissures coincées dans le conduit d'air gênent le passage du flux d'air aspiré par l'aspirateur.
- Coincement dans le tuyau de litière. Preuve de ce changement de son lorsque vous allumez l'appareil.
- Contamination du filtre pré-moteur. Au cours de ce processus, une odeur de brûlé désagréable apparaît.
Considérez les possibilités de réparer un dysfonctionnement d'un aspirateur Samsung et que faire quand l'aspirateur ne s'allume pas. Vous pouvez résoudre vous-même les problèmes ci-dessus, mais il est toujours préférable de ne pas les autoriser au départ. Pour ce faire, vous devrez débrancher l'équipement de la source d'alimentation, puis démonter l'appareil et nettoyer les déchets accumulés à l'intérieur.
Pour accéder au bac à poussière, retirez le capot supérieur. Certains dépoussiéreurs peuvent être nettoyés ou remplacés par des neufs. Il est également conseillé de laver le bac à poussière et de le sécher. Afin de ne pas renverser de saleté et de poussière, fermez la vanne existante pour l'étanchéité. Lors de la réinstallation du dépoussiéreur, assurez-vous que la bouche est bien ajustée contre le porte-sac. Si cela ne se produit pas, la saleté et la poussière s'infiltreront dans la structure, ce qui entraînera une surchauffe du moteur et une accumulation de saleté sur les composants.
Des soins supplémentaires nécessitent des filtres. Assurez-vous de lire les instructions et de savoir combien de filtres sont installés dans votre modèle d'aspirateur. Tous les filtres installés dans la structure doivent être vérifiés. Certains types de filtres peuvent être lavés avec un jet d'eau pour le nettoyage. Mais avant l'installation dans la structure, assurez-vous de la sécher. Allumer l'aspirateur avec un filtre humide causera des dommages. Le remplacement périodique est effectué selon les recommandations du fabricant.Lorsque le filtre a atteint sa durée de vie utile, il est remplacé par un neuf. La période de filtrage est indiquée dans le carnet d'exploitation.
Tous les consommables de remplacement, filtres, brosses et autres accessoires peuvent être achetés dans un magasin spécialisé.
Pour éliminer le blocage dans la buse, dévissez l'accessoire ondulé du corps, inspectez son intégrité et retirez la saleté accumulée et revissez-le. La saleté coincée dans la poignée ondulée empêche le flux d'air.
Mais malgré tout, si l'aspirateur ne s'allume pas, que dois-je faire ? Si le dépannage est sérieux, mieux vaut contacter des artisans spécialisés qui pourront résoudre cette difficulté.
Mais il convient de rappeler que les principales pannes possibles sont dues à une surchauffe du moteur. Il vaut la peine de respecter les règles suivantes :
- Pour éviter la surchauffe, utilisez l'aspirateur lorsque vous nettoyez pendant 30 minutes maximum. En mode maximum, n'utilisez pas l'appareil plus de 10 à 15 minutes. Un fonctionnement prolongé peut provoquer une surchauffe, pour cela, laissez l'appareil se reposer et se refroidir.
- Gardez le bac à poussière plein de saleté et de poussière accumulées. Un excès de saleté et de poussière ne laissera pas passer le flux d'air, ce qui entraînera une surchauffe du moteur électrique. De plus, un excès de poussière dans le dépoussiéreur entraînera un colmatage de la structure à l'intérieur de l'appareil.
- Nettoyez le filtre de protection domestique à temps. Une contamination importante peut entraîner la formation d'une odeur de brûlé désagréable.
- Évitez d'aspirer des objets volumineux qui pourraient bloquer le souffleur. Avant d'utiliser l'aspirateur pour nettoyer le revêtement de sol, vous devez ramasser à la main les gros déchets et les objets accidentellement tombés.
- Les niveaux de bruit doivent être surveillés.Si le son change, cela peut indiquer une brosse bouchée ou un accessoire plissé.
Surveillez les performances de votre assistant domestique et assurez l'entretien en temps opportun de l'aspirateur et de ses consommables de remplacement. Ensuite, il sera plus facile d'éviter la casse du matériel pour maintenir la propreté dans la maison.
L'étape préparatoire au démontage de l'aspirateur Samsung
Vous pouvez remarquer des problèmes si vous utilisez l'équipement pendant un certain temps. Vous savez quel son est caractéristique de votre Samsung et les moindres changements dans celui-ci ou dans le fonctionnement de l'appareil vous seront perceptibles.

La défaillance de nombreuses pièces entraînera des problèmes financiers.
Un moteur cassé dans un aspirateur se remarque par : des sons intermittents, des rejets de poussière, des odeurs de brûlé. S'il n'est pas possible de le donner au maître, le démontage de l'aspirateur Samsung 1800 w de vos propres mains, des vidéos et des photos seront utiles.
Quels outils seront nécessaires
Besoin de nettoyer le sac à poussière ou de le changer ? Des appareils et des compétences spéciales ne sont pas nécessaires. Ils sont nécessaires en cas de problèmes avec le moteur, les fils, les éléments de la carte. Ils deviendront:
- dossier;
- poinçon;
- pinces;
- papier de verre;
- vice;
- couteau de chantier;
- connecteurs et câblage de rechange.

Utilisez des outils pour démonter l'aspirateur.
En cas de remplacement de petites pièces, vous n'aurez pas à dépenser beaucoup
Mais pour remplacer un composant volumineux et coûteux, vous pouvez faire attention à une alternative. Avec l'état de bon matériau à partir duquel il est fabriqué
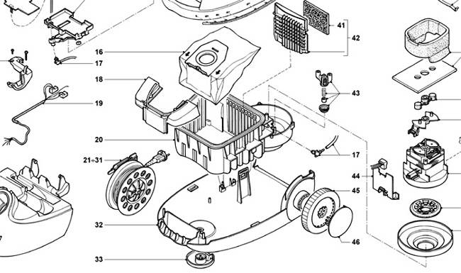
Démontage du boîtier
La partie supérieure du corps est fixée avec des vis autotaraudeuses. Dévissez-les avec un tournevis et un tournevis pour retirer le couvercle. Si vous retirez le bac à poussière, retirez également les vis en dessous.
La partie principale du corps repose sur des vis autotaraudeuses ou des loquets spéciaux. Après le retrait, l'accès à la carte mère s'ouvre. Si vous êtes sûr que la carte fonctionne normalement, mettez-la de côté pour ne pas l'endommager lors des diagnostics et des réparations. Pour cela, déconnectez ses connecteurs et dévissez la vis de la partie centrale.
À côté du moteur se trouve un clapet anti-retour - un petit bouton qui se retire tout simplement. La soupape est nécessaire pour arrêter le fonctionnement du moteur, au cas où il se boucherait avec une puissante force d'aspiration. Sans vanne, le moteur électrique peut griller.
Pour accéder au moteur lui-même, retirer le couvercle boulonné et les plaques de caoutchouc circonférentielles. À côté du moteur peuvent également se trouver des coussinets de protection en caoutchouc mousse ou en feutre. Ils fixent la position du moteur et ne lui permettent pas de toucher les parois du carter.
Démontage étape par étape
Ici, nous vous expliquerons comment accéder au moteur de l'aspirateur et examinerons plus en détail le processus de démontage.
Débrancher le tuyau et démonter le corps
En règle générale, il est nécessaire de dévisser les quatre boulons retenant les deux moitiés du boîtier avec un long tournevis cruciforme. Parfois, vous devrez supprimer certains éléments aériens, comme une turbine. L'essentiel est de ne rien endommager et de dévisser tous les boulons avant de séparer les parties du corps.
Nous retirons le moteur
Avant de retirer le moteur, déconnectez les bornes d'alimentation et les autres composants électroniques.
Dépose du capot moteur
Le couvercle est scellé avec une couture sur tout le périmètre. Pour le retirer, appuyez doucement sur la couture avec une pince. Sous l'influence de coups légers, le couvercle doit se séparer du corps principal.
On sort les brosses en dévissant les vis de serrage
En règle générale, les brosses sont pressées contre le rotor avec de petits ressorts - si les pinces sont dévissées, les ressorts peuvent s'envoler dans une direction inconnue.
Contrôler l'usure des balais de charbon : ils doivent s'ajuster uniformément et fermement contre le collecteur du moteur et être d'une épaisseur suffisante. L'épaisseur doit être comparée à la profondeur des rainures dans lesquelles ils sont insérés sur le moteur, après l'avoir préalablement mesurée avec un pied à coulisse.
Certains moteurs n'ont pas de balais du tout : ce sont des moteurs sans balais avec un moteur asynchrone et un rotor à cage d'écureuil. Ils sont rares, mais si vous n'avez pas trouvé de balais sur votre aspirateur, ne soyez pas surpris et continuez le démontage.
Desserrez l'écrou du rotor
Pour dévisser la fixation, traitez-la d'abord avec du WD-40 ou similaire. Faites ensuite des barres de serrage à la place des balais afin que le collecteur (la partie du moteur entre eux) ne tourne pas lors de la rotation. La taille et la forme sont les mêmes que les brosses, mais légèrement plus longues pour que les barres dépassent du corps.
Serrez le collecteur avec des barres à l'aide d'un étau ou d'une pince. Après cela, l'écrou peut être facilement dévissé avec une clé dans le sens des aiguilles d'une montre.
Démonter la roue de la pompe à air
La procédure dépend fortement de la marque du modèle et, en règle générale, ne pose pas de difficultés. La tâche principale est de libérer l'arbre de travail du moteur électrique. Regardez attentivement comment l'outil de travail est monté sur l'arbre, s'il a des fixations supplémentaires sous forme de vis ou de goupilles fendues. Retirez soigneusement et retirez tout. En règle générale, des rondelles de friction sont présentes sur l'arbre avec la roue, qui doivent également être traitées avec du WD-40.
Inspectez soigneusement le rotor, le stator et les roulements pour détecter tout dommage
Si les roulements sont usés, les supports de guidage se desserrent souvent à cause des vibrations.Vérifiez - si tout est en ordre, passez à autre chose. Si le roulement tombe en panne, n'essayez pas de le réparer : apportez-le pour réparation ou remplacez-le par un neuf. Dans les magasins spécialisés, les vendeurs trouveront à 100% un analogue, l'essentiel est de ne pas jeter la partie effondrée.
Il est possible que les enroulements ou leur isolation soient endommagés - des éraflures ou du vernis isolant brûlé sont visibles. Idéalement, ce serait de faire sonner le bobinage avec un multimètre (plus à ce sujet ci-dessous).
Démontez davantage le moteur afin que l'ancre puisse être remise pour le rembobinage. Si tout est en ordre avec les enroulements et que seul le roulement est cassé, essayez d'assembler l'appareil et allumez-le après avoir remplacé le roulement.
S'il n'y a pas de marques de brûlure évidentes sur l'enroulement, il peut être intact et il n'est pas nécessaire de rembobiner. Mais en présence d'éraflures avec un éclat métallique de cuivre, il vaut mieux jouer la sécurité.
Si les roulements sont endommagés : comment les retirer
Dans le bon sens, un extracteur spécial est nécessaire ici, mais les chemins de roulement peuvent être retirés de l'arbre avec un tournevis et un marteau. L'essentiel est de tout faire avec soin et de prendre son temps : les impacts sur les bagues de roulement ne doivent pas être trop durs.
Si les enroulements sont endommagés: comment démonter l'ancre
Pour démonter l'ancre, vous devez rembobiner le moteur. Le rembobinage à la maison est très difficile, nous vous recommandons donc de faire appel à des professionnels.
Résumons les instructions avec un autre exemple dans la vidéo :
Comment démonter et nettoyer la brosse turbo
Une fois tous les six mois, il est conseillé de nettoyer plus en profondeur une telle buse pour aspirateur. Pour ce faire, vous devez le démonter:
- Retirez le couvercle de protection.
- Retournez la buse. À l'intérieur, vous verrez 6 vis. Dévissez-les avec un tournevis.
- Démontez soigneusement la brosse en deux moitiés.
- Essuyez l'intérieur avec un chiffon propre.Les endroits difficiles d'accès peuvent être nettoyés avec un tuyau d'aspirateur.
- Enlevez les cheveux, les cheveux et la saleté de toutes les parties du mécanisme. Pour ce faire, vous pouvez utiliser les mêmes pincettes et ciseaux.
- Récupérez le pinceau.
C'est tout le processus de nettoyage. En principe, il n'est pas difficile de le faire même sans aide extérieure. Si des animaux domestiques vivent dans la maison, la buse devra être démontée tous les 3 mois, elle pourra alors fonctionner avec une force maximale.
"La propreté est la clé de la santé." Ce n'est pas qu'un slogan. Il s'agit d'une déclaration correcte et à jour.
Aujourd'hui, divers dispositifs aident à mettre les choses en ordre, inventés non seulement par les «paresseux», comme le dit la blague, mais en général pour plus de commodité et de facilité de travail.
La séquence de démontage de l'aspirateur sur l'exemple du Samsung 1600w
Le démontage de tout équipement commence par la préparation. Et la bonne séquence. On ne peut pas atteindre le cœur de l'appareil tant qu'on n'a pas retiré tout ce qui le recouvre.

Vous pouvez démonter l'aspirateur vous-même en suivant les instructions.
Vous pouvez l'ouvrir comme ceci :
- Débranchez tout ce qui peut interférer et déroulez le boîtier. Avec un tournevis, on dévisse toutes les vis, y compris celles cachées, qui peuvent se trouver près des boutons. Après avoir dévissé toutes les pièces pouvant maintenir la coque de l'aspirateur, retirez-la. Si cela ne fonctionne pas, inspectez à nouveau, il peut y avoir des loquets cachés.
- Débrancher l'installation électrique. Vous pouvez le voir sur les connecteurs.
- Nous retirons le moteur de l'ensemble du boîtier en plastique en le dévissant du lit.

Un bon diagnostic est la clé du succès.
Démontage du moteur
Le cœur de l'aspirateur a un processus de déploiement étape par étape.
- Vous devez d'abord retirer la roue. Mais pour cela, vous devez effectuer certaines actions. Retirez le capot avant. Utilisez un tournevis fin pour plier le côté du boîtier afin que le tournevis pénètre à l'intérieur.Écarter le haut du carter et la turbine devient accessible.
- Nous dévissons l'écrou sur la roue.
- Nous retirons les vis du boîtier, mais les brosses doivent déjà être retirées à ce stade.
- Sortez l'ancre.
- Retirez le roulement avec des extracteurs filetés.

Les filtres se bouchent, les débris sont mal aspirés, il y a une charge supplémentaire sur le moteur et, par conséquent, il se casse.
Types et causes de pannes de moteur
Si l'unité refuse de fonctionner du tout, le problème peut provenir du système d'alimentation. Si le circuit électrique et les balais sont en bon état, des dommages aux enroulements du moteur sont possibles. Des vitesses faibles, un bruit et des vibrations excessifs indiquent des problèmes dans les roulements qui maintiennent l'armature. Des collecteurs de courant défectueux et des balais usés provoquent des étincelles.
La surcharge de la turbine est une cause fréquente de panne moteur. En mode continu, l'aspirateur doit fonctionner pendant environ 30 à 40 minutes. Avec des charges plus longues, en raison d'une surchauffe, certains matériaux du moteur perdent leurs propriétés et il tombe en panne. Les ménagères peu attentives nettoient rarement le sac à poussière et ne surveillent pas l'état des filtres, ce qui entraîne également une surchauffe. Parfois, des objets étrangers pénètrent dans le tuyau et interfèrent avec l'aspiration libre - c'est une autre raison de surcharger le moteur.
La pénétration d'humidité a un effet néfaste sur le moteur. La turbine est principalement constituée de pièces métalliques, elle est donc sensible à la corrosion. De plus, sous l'action de l'humidité, des particules de poussière se forment sur les aubes, ce qui, avec le temps, entrave le fonctionnement de la turbine.
L'une des causes les plus fréquentes de pannes de moteur peut être considérée comme des surtensions dans nos réseaux électriques.Une surtension suffit parfois à désactiver complètement le moteur. Dans certains cas, une combustion partielle de la turbine est possible. La pompe continuera à fonctionner, mais ne durera pas longtemps. Pour les appareils électriques, non seulement les indicateurs de haute mais aussi de basse tension sont dangereux.
Pour éliminer les problèmes apparus, il est nécessaire de démonter le moteur de l'unité. Avant de procéder au démontage, vous devez vous familiariser avec l'emplacement des pièces de fixation individuelles. Le démontage de cet appareil électroménager n'est pas particulièrement difficile, mais il comporte quelques subtilités. En général, malgré le très grand nombre de marques et de modèles, tous les aspirateurs présentant des écarts mineurs sont équipés des mêmes moteurs.
Démontage du boîtier
La complexité du démontage du boîtier réside dans la présence de boulons cachés. Le fabricant les cache sous des boutons, des couvertures et d'autres détails. Les travaux de réparation commencent par la préparation de l'outil. Assurez-vous d'avoir besoin d'un jeu de tournevis droits et bouclés.
Et maintenant, les vis ne se trouvent souvent pas sous un tournevis cruciforme, mais triangulaires ou astérisques. Pour tester les fils, les fusibles, les contacts de commutation, vous avez besoin d'un multimètre. Il est conseillé d'avoir une pince à épiler à portée de main pour saisir les petites vis.
Si vous envisagez de démonter le moteur électrique, vous aurez besoin d'un extracteur de roulement, d'un marteau, d'un jeu de clés dont la taille varie de 8 à 17 mm. Parmi les matériaux dont vous avez besoin, vous avez besoin du lubrifiant Litol, du liquide corrosif WD-40, de nouveaux roulements et brosses.
Le démontage du boîtier commence par le dévissage de toutes les vis apparentes. Chez Samsung, ils ne sont généralement pas cachés. L'emplacement approximatif des vis est indiqué par des cercles rouges sur la photo, mais chaque modèle peut varier.Si le capot supérieur du boîtier n'a pas succombé au retrait, il y a un support caché ailleurs. De plus, il ne s'agit peut-être pas de vis, mais de loquets sur le boîtier.
Après avoir détaché le capot supérieur du bas du boîtier, ne vous précipitez pas pour le retirer brusquement. Il peut y avoir des fils provenant de l'unité électronique. Afin de ne pas les couper, les puces sont déconnectées sur la carte. Vous pouvez maintenant retirer délicatement le couvercle. L'examen comprend un moteur électrique avec des fils, ainsi que d'autres pièces électriques situées à l'intérieur de la moitié inférieure du boîtier.
Le capot supérieur avec vis est mis de côté pour ne rien perdre.
Raisons du démontage du moteur de l'aspirateur
Le bloc moteur de l'aspirateur, à son tour, se compose de 2 mécanismes fondamentaux:
- moteur collecteur;
- Ventilateur.
Le ventilateur est fixé à l'arbre rotatif, grâce auquel le processus d'aspiration a lieu. En règle générale, la principale raison de la panne du moteur est une attitude négligente ou une longue durée de vie.
Les fabricants d'appareils électroménagers ont résolu le problème avec la première option en installant un thermostat qui affiche la température sur les modèles modernes. Un tel appareil a un moteur électrique - un moteur pour un aspirateur lg. Lorsque la température critique est atteinte, le thermostat éteint automatiquement l'appareil. Pour continuer à utiliser l'appareil, laissez-le pendant un certain temps jusqu'à ce qu'il refroidisse correctement.
Une autre question qui intéresse les propriétaires d'appareils électroménagers est "Pourquoi les brosses étincellent-elles?". Comme une surchauffe rapide, ainsi qu'un fort bourdonnement, ce problème s'applique également à un dysfonctionnement de l'aspirateur. Dans de tels cas, la meilleure solution est de remplacer le moteur. Mais il existe des situations où le moteur de l'aspirateur peut néanmoins être sauvé et réhabilité.Ceux-ci incluent : une perte précoce de la puissance d'aspiration. Ne vous précipitez pas pour tirer des conclusions, peut-être que la puissance chute en raison de l'état négligé des filtres et des brosses. Au préalable, toujours, il faut vérifier le matériel. Soit dit en passant, la réparation de l'induit du moteur électrique, en fonction du niveau d'amortissement, coûte 70% du coût du moteur complet, il est donc recommandé d'acheter un nouveau produit.
Bien que, d'un autre côté, la conception des aspirateurs ménagers de différents fabricants soit similaire, essayer de réparer un aspirateur à la maison vaut toujours la peine d'être essayé.
La séquence de démontage de l'aspirateur sur l'exemple du Samsung 1600w
Le démontage de tout équipement commence par la préparation. Et la bonne séquence. On ne peut pas atteindre le cœur de l'appareil tant qu'on n'a pas retiré tout ce qui le recouvre.

Vous pouvez démonter l'aspirateur vous-même en suivant les instructions.
Vous pouvez l'ouvrir comme ceci :
- Débranchez tout ce qui peut interférer et déroulez le boîtier. Avec un tournevis, on dévisse toutes les vis, y compris celles cachées, qui peuvent se trouver près des boutons. Après avoir dévissé toutes les pièces pouvant maintenir la coque de l'aspirateur, retirez-la. Si cela ne fonctionne pas, inspectez à nouveau, il peut y avoir des loquets cachés.
- Débrancher l'installation électrique. Vous pouvez le voir sur les connecteurs.
- Nous retirons le moteur de l'ensemble du boîtier en plastique en le dévissant du lit.

Un bon diagnostic est la clé du succès.
Démontage du moteur
Le cœur de l'aspirateur a un processus de déploiement étape par étape.
- Vous devez d'abord retirer la roue. Mais pour cela, vous devez effectuer certaines actions. Retirez le capot avant. Utilisez un tournevis fin pour plier le côté du boîtier afin que le tournevis pénètre à l'intérieur. Écarter le haut du carter et la turbine devient accessible.
- Nous dévissons l'écrou sur la roue.
- Nous retirons les vis du boîtier, mais les brosses doivent déjà être retirées à ce stade.
- Sortez l'ancre.
- Retirez le roulement avec des extracteurs filetés.

Les filtres se bouchent, les débris sont mal aspirés, il y a une charge supplémentaire sur le moteur et, par conséquent, il se casse.
Démontage du moteur
Étant donné que la majorité des dysfonctionnements de l'aspirateur sont dus au moteur, il doit souvent être démonté pour être réparé.

Ce processus n'est pas difficile et est le suivant. À l'aide d'un tournevis fin, retirez délicatement le boîtier de la roue. En conséquence, l'accès à l'écrou de sa fixation s'ouvre. Après avoir dévissé cet écrou, il faut retirer les balais du moteur et dévisser les vis d'accouplement du carter
Il reste à retirer soigneusement l'ancre et vous pouvez commencer à retirer les roulements. À la suite du travail effectué sur le lieu de travail, vous devriez obtenir quelque chose comme cette image (photo)

Pour retirer les roulements, un outil disponible est généralement suffisant, mais parfois un extracteur spécial est nécessaire. Après le démontage, toutes les pièces sont soigneusement nettoyées de la poussière et de la saleté.
Une attention particulière est portée aux surfaces d'appui des roulements et du collecteur moteur
La séquence de démontage de l'aspirateur sur l'exemple du Samsung 1600w
Le démontage de tout équipement commence par la préparation. Et la bonne séquence. On ne peut pas atteindre le cœur de l'appareil tant qu'on n'a pas retiré tout ce qui le recouvre.
Vous pouvez démonter l'aspirateur vous-même en suivant les instructions.
Vous pouvez l'ouvrir comme ceci :
- Débranchez tout ce qui peut interférer et déroulez le boîtier. Avec un tournevis, on dévisse toutes les vis, y compris celles cachées, qui peuvent se trouver près des boutons. Après avoir dévissé toutes les pièces pouvant maintenir la coque de l'aspirateur, retirez-la. Si cela ne fonctionne pas, inspectez à nouveau, il peut y avoir des loquets cachés.
- Débrancher l'installation électrique.Vous pouvez le voir sur les connecteurs.
- Nous retirons le moteur de l'ensemble du boîtier en plastique en le dévissant du lit.
Un bon diagnostic est la clé du succès.
Démontage du moteur
Le cœur de l'aspirateur a un processus de déploiement étape par étape.
- Vous devez d'abord retirer la roue. Mais pour cela, vous devez effectuer certaines actions. Retirez le capot avant. Utilisez un tournevis fin pour plier le côté du boîtier afin que le tournevis pénètre à l'intérieur. Écarter le haut du carter et la turbine devient accessible.
- Nous dévissons l'écrou sur la roue.
- Nous retirons les vis du boîtier, mais les brosses doivent déjà être retirées à ce stade.
- Sortez l'ancre.
- Retirez le roulement avec des extracteurs filetés.
Les filtres se bouchent, les débris sont mal aspirés, il y a une charge supplémentaire sur le moteur et, par conséquent, il se casse.
Dysfonctionnements mineurs et leur élimination
Si l'aspirateur commence à "se comporter" - exécute ses fonctions de manière incorrecte, fait un bruit fort, vibre - il a besoin d'aide.
Le plus souvent, la cause du dysfonctionnement est le processus de nettoyage lui-même : le sac à poussière est complètement rempli ou l'un des filtres est obstrué par des débris.

Certains aspirateurs sont faciles à démonter, d'autres nécessitent certaines connaissances. Afin de ne pas vous tromper, nous vous recommandons de consulter souvent les instructions, qui sont accompagnées de schémas et d'astuces.
Généralement, vous pouvez résoudre le problème par vous-même. Mais si vous n'êtes pas doué pour réparer l'équipement, il est préférable de confier l'appareil à un centre de service, à des spécialistes.
Problème n ° 1 - La puissance d'aspiration a fortement chuté
Si vous remarquez que la poussière est mal absorbée et que de petits débris restent complètement intacts sur le sol, vous devrez en rechercher la cause par un démontage partiel.Vous devez d'abord vous assurer que tout est en ordre avec le tuyau, le tuyau et la brosse.
Procédure:
- débranchez le tuyau de l'aspirateur ;
- séparer le tuyau du tuyau;
- retirer la buse ;
- inspectez soigneusement chaque pièce;
- essayez de souffler le tuyau et le tuyau.
Si un objet volumineux (un sac en plastique, une chaussette, une feuille de papier) pénètre dans l'un des éléments, vous devez le retirer avec précaution, puis l'assembler dans l'ordre inverse et essayer de démarrer l'appareil.

Parfois, la poussée s'affaiblit simplement parce que le régulateur de puissance a été accidentellement touché et réglé au minimum. Assurez-vous de le vérifier avant toute étape de démontage.
Problème n ° 2 - Filtres d'aspirateur obstrués
Son inhabituel, traction faible, arrêt de travail - les conséquences de filtres obstrués. Pour les appareils avec indicateur de remplissage, cela peut également être déterminé par le voyant rouge allumé. Dans les appareils modernes, tout est prévu pour que les filtres puissent être livrés facilement et rapidement.
Habituellement, deux éléments principaux doivent être nettoyés - un filtre cyclone en plastique (un réservoir transparent avec des compartiments) et une éponge enfermée dans un récipient en plastique. Mais parfois, il est nécessaire de remplacer le filtre HEPA et, pour les unités de lavage, une protection supplémentaire du moteur.
Conseils photo pour le démontage, le nettoyage et le remplacement :
Galerie d'images
Photo de


Pour accéder au filtre fin, vous devez retirer le couvercle situé à l'arrière de l'appareil.

Si le filtre est propre, la raison n'y est pas - nous l'installons en place. Il est préférable de remplacer une pièce sale par une neuve, bien que certains essaient de la laver

La poussière la plus fine reste dans le filtre éponge. Il est généralement inséré dans le couvercle du réservoir et enfermé dans un petit récipient en plastique. L'éponge se nettoie bien avec de l'eau savonneuse
Conteneur avec filtre cyclone
Grille en plastique pour protéger le filtre HEPA
Nouveau filtre HEPA pour Samsung
Filtre éponge dans un récipient
Comme vous pouvez le constater, le démontage d'un aspirateur Samsung pour le nettoyage des filtres est élémentaire et rapide. Les éléments sont lavés à l'eau tiède avec un détergent non agressif. Ensuite, ils doivent être séchés et réassemblés.
Problème n ° 3 - l'appareil ne s'allume pas
La vérification standard lorsque l'appareil ne fonctionne pas consiste à l'allumer sur le réseau. Assurez-vous que le cordon d'alimentation est branché sur une prise et que le bouton de réglage de l'alimentation est réglé sur le bon réglage.

Si l'indication ne fonctionne pas et que l'aspirateur ne fait pas de bruit, vous devrez très probablement réparer ou changer le moteur. Mais des problèmes avec la carte sont également possibles, donc le démontage du boîtier est nécessaire dans tous les cas.
Le principe de la réparation d'un appareil électroménager
Afin de réparer vous-même l'aspirateur Samsung, vous devez lire le manuel d'instructions pour son fonctionnement.
Vous devez d'abord débrancher le cordon d'alimentation de la prise, faites attention aux signes extérieurs pour déterminer l'emplacement et la nature de la panne.
Dans un aspirateur moderne, il y a un refroidissement à plein débit du moteur avec de l'air purifié. Sur le boîtier, les pièces détachables sont reliées à l'aide de colliers à vis avec six vis autotaraudeuses, dont deux maintiennent la partie avant du couvercle de montage et quatre sont situées du côté opposé. La poignée est fixée par le bas avec deux vis autotaraudeuses, l'extrémité est maintenue par le même montant. La carte électronique de commande du moteur est recouverte du capot supérieur du boîtier et sécurisée par quatre verrous en plastique sur les loquets (rainures avec saillies).
La méthode de réparation d'aspirateur Samsung est simple et facile à comprendre. Vous devez d'abord préparer l'outil nécessaire:
- Plusieurs tournevis différents, pinces.
- Différentes têtes avec un poinçon.
- Petit marteau, fer à souder avec un chiffon propre.
- Une réserve de fluide WD-40, de lubrifiant EP-2 ou de Litol-24.
- Un testeur qui est nécessaire pour effectuer la continuité des circuits électriques.
- Caméra.
Prévention des pannes d'aspirateur
Des précautions doivent être prises pour prolonger la durée de vie de votre équipement. Une maintenance préventive régulière des dysfonctionnements garantit un fonctionnement de haute qualité et ininterrompu de l'unité, et empêche également l'apparition de pannes ou de pannes soudaines pendant l'utilisation.
Une inspection visuelle périodique de l'appareil vous permettra d'identifier les pièces et assemblages usés et de les remplacer à temps. Le remplacement rapide des pièces de rechange est nécessaire afin d'éviter des dommages plus graves aux autres pièces.
Entretien préventif du moteur
L'entretien du moteur électrique et le diagnostic précoce des dysfonctionnements évitent d'éventuelles défaillances dans le fonctionnement de l'équipement.
Il est recommandé de démonter le moteur une fois tous les 1 à 2 ans, de le lubrifier, de changer les joints, la gomme d'étanchéité, de nettoyer les filtres et également de changer les roulements lorsqu'ils sont usés
Le démontage de l'aspirateur doit être effectué dans l'ordre suivant :
- sortez la poubelle ou le sac, l'élément filtrant;
- dévisser le couvercle du boîtier ;
- nettoyer toutes les pièces et mécanismes d'une couche de poussière;
- dévisser les boulons et déconnecter le moteur ;
- démontez-le en pièces, rincez, lubrifiez, vérifiez l'état de l'enroulement, de l'ensemble brosse-collecteur, des roulements;
- si nécessaire, remplacer les pièces usées ;
- nettoyez le filtre HEPA.
Ensuite, vous devez assembler l'appareil dans l'ordre inverse.
Recommandations générales pour l'entretien de l'appareil
Étant donné que la fonction principale de l'aspirateur est de nettoyer la pièce de la poussière, il doit être régulièrement débarrassé des débris accumulés.
Pour éviter la surchauffe et la casse des composants, mécanismes de l'appareil, il est recommandé :
- après chaque nettoyage, vérifiez la propreté des filtres et nettoyez-les si nécessaire ;
- vider le sac à poussière, la poubelle en temps opportun ;
- stocker l'équipement dans un endroit sec, en empêchant l'eau de pénétrer dans le moteur et les pièces internes ;
- ne laissez pas entrer d'objets pointus qui pourraient endommager des composants importants de l'appareil ;
- respectez le mode de fonctionnement de l'appareil et ne le surchauffez pas.
Si des problèmes persistent avec l'appareil, suivez les recommandations de base ci-dessus pour le dépannage de l'aspirateur.
Les principaux problèmes de l'aspirateur Samsung 1600w
Avez-vous remarqué que l'aspirateur a commencé à fonctionner moins bien? Si l'appareil commence à aspirer davantage la poussière, à faire du bruit plus fort et à vibrer fortement, la cause du dysfonctionnement doit être trouvée. La plupart des modèles d'aspirateurs Samsung de milieu de gamme ont un appareil similaire, donc la plupart d'entre eux ont des raisons similaires.
Les principales causes de pannes sont :
- Chute de puissance d'aspiration - peut survenir en raison de dommages mécaniques au tube ou au tuyau, d'un objet coincé à l'intérieur ou d'un dysfonctionnement du moteur.
- Filtres bouchés. Si l'appareil dispose d'un indicateur spécial, il s'allumera et vous pourrez nettoyer le filtre, mais s'il n'y a pas d'indicateur, le principal signe de colmatage du filtre sera une diminution du tirage et une augmentation du bruit pendant le fonctionnement de l'appareil. Dans les modèles modernes, le filtre se retire et se nettoie très facilement.
- L'appareil ne s'allume pas du tout ou fonctionne par intermittence. Le bourdonnement d'un aspirateur en marche devient intermittent, il commence à sentir la poussière ou les fils brûlés.Afin de vous assurer enfin que l'aspirateur fonctionne mal, essayez de le reconnecter à d'autres prises - si cela fonctionne quand même, l'appareil doit être démonté et la cause de la panne doit être comprise.
- Le cordon ne se rétracte pas, la fiche fonctionne mal, les fils sont exposés - ce problème est résolu sans démonter le boîtier.

Après un bref diagnostic, il est nécessaire de démonter l'appareil pour rechercher la cause de la panne et, éventuellement, son élimination rapide.
Le principe et le dispositif de l'aspirateur
Le choix d'aspirateurs s'élargit. Principaux choix :
- Pour le nettoyage à sec;
- avec aquafiltre;
- aspirateur de lavage.
Le plus courant et le plus léger est un aspirateur pour le nettoyage à sec. Le principe de fonctionnement des aspirateurs modernes et des anciens est le même.
Après le démarrage, tous les débris sont aspirés par un aspirateur. Une fois à l'intérieur, les déchets passent par plusieurs étapes de filtration. Souvent, ce sont : à l'entrée des poubelles, dans la partie moteur, et à la sortie. Chacune des étapes protège l'aspirateur des dommages causés par les grosses particules.

Le premier signe que le filtre est colmaté est la baisse de la puissance d'aspiration.
Toute la poussière et la saleté sont collectées dans un sac spécial. Ils peuvent être réutilisables et remplaçables à partir de papier. Il existe des modèles d'aspirateurs qui utilisent un système de conteneur au lieu d'un sac. Toute la saleté se dépose sur les parois du conteneur, puis l'air purifié sort également.















































