- Lampe à LED
- Utilisation de lumières LED
- Lampe LED bricolage
- Eclairage LED sur secteur
- Circuit de lampe à LED 220 V
- Lampe LED recyclée
- LED pour voiture
- Lampe LED bricolage pour 220v
- Comment connecter une LED à un réseau 220 volts
- Calcul de la résistance pour la LED
- Calcul du condensateur d'extinction pour la LED
- Assemblage de la lampe
- Source de courant
- Ballast électronique
- Que devez-vous savoir sur la sécurité du montage au plafond ?
- Où puis-je accrocher la lampe LED ?
- Nous collectons une lampe à partir d'une bande de LED
- Principe d'opération
- Appareil à ampoule LED 220V
- La différence entre LED et fluorescent : une brève description
- Principales conclusions
Lampe à LED
Représente un petit élément à diode lumineuse, alimenté en courant continu, principalement 12V. Pour créer des lampes, elles sont assemblées à plusieurs, selon l'intensité lumineuse recherchée. Les avantages d'un tel éclairage:
- faible consommation d'électricité ;
- durée de vie à partir de 100 000 heures ;
- peut fonctionner pendant des jours sans s'arrêter ;
- Il existe une large gamme de modèles différents disponibles à la vente.
Le principal inconvénient est le coût élevé des lampes à LED finies. Les vendeurs ne connaissent pas bien le problème et ne peuvent pas répondre avec compétence à vos questions.La caractéristique de la lampe elle-même ne tient pas compte des pertes lors du passage de la lumière à travers le diffuseur, du verre dépoli et des propriétés du réflecteur.
L'emballage du luminaire contient des données calculées en fonction des caractéristiques et du nombre d'éléments LED. Par conséquent, en fait, le flux lumineux de la lampe achetée est bien inférieur à celui requis et l'éclairage est faible. Les lampes elles-mêmes et les pièces pour créer des circuits coûtent un sou. Par conséquent, il est plus facile pour les artisans de tout faire de leurs propres mains.
Utilisation de lumières LED
Dans les maisons et les appartements, un éclairage constant d'un lieu est souvent nécessaire. Il peut s'agir d'escaliers et de chambres d'enfants, de toilettes sans fenêtres et d'un enfant vivant dans la maison qui ne peut pas atteindre l'interrupteur.
Une lumière tamisée et une faible consommation d'énergie permettent d'installer un éclairage dans les entrées et sur le porche, devant le portail et les portes de garage. Luminaires à lueur douce grâce à l'atténuation de l'éblouissement, utilisés pour l'éclairage postes de travail dans les bureaux et cuisine.
Lampe LED bricolage

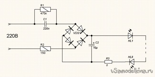
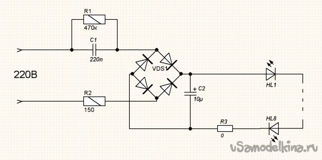
Pour la conception, nous avons besoin de: - une partie de la lampe de type "gouvernante", celle avec une base; - 5630 LED; - 4 diodes 1n4007; - condensateur électrolytique de 3,3 uF; - résistance R1 - 470k, 0,25 watts - résistance R2 - 150 ohm , 0,25 watts - résistance R3 - à ce sujet plus tard - condensateur de type K73-17 d'une capacité de 0,22 μF et d'une tension de fonctionnement de 340 V ;
Le circuit est simple avec un condensateur d'extinction.DEL d'un montant de 8 pièces.

Schéma de sélection de la capacité du condensateur.
Résistance réglable R3. Il a été réglé sur une résistance maximale avant de s'allumer, afin que la flèche de l'appareil ne sorte pas de l'échelle. Puis je l'ai minimisé. Condensateur C2 avec une tension de 340V. Lors des tests, j'ai réglé 10 microfarads, mais à cause de la taille, il ne rentrait pas dans le boîtier, je l'ai réglé avec une valeur nominale inférieure.Pourquoi tant de stress ? C'est dans le cas d'un circuit ouvert avec des LED. Étant donné que la tension passera à une tension supérieure à la tension secteur CA de 1,41 fois (230 * 1,41 \u003d 324,3 V).

Je me suis laissé guider par les mesures effectuées sur le circuit de test avec un milliampèremètre. J'ai effectué le paiement en utilisant la technologie LUT. LED Smd La carte de version Lay 6 est attachée
Nous empoisonnons la planche, perçons des trous et bricolons.


La planche est montée dans la partie de base du boîtier.Le diamètre de la gouvernante est de 38 mm, la planche est de 36 mm.
Le condensateur C1 est soudé par un auvent à la résistance R1. Encore une fois, en raison de la limitation de l'affaire. La résistance R2 est placée à l'extérieur de la carte et agit comme un "pull-up". En raison de sa planche étroitement pressée contre le boîtier.

Soudez la résistance et le fil à la base.
La première inclusion a été faite grâce à une ampoule. La consommation de la lampe était de 7,45 watts. Il n'est pas possible de mesurer le flux lumineux, mais plus de 3 watts à l'œil (par rapport à un achat à proximité).
Le circuit n'a pas d'isolation galvanique du réseau. Soyez prudent lorsque vous expérimentez et utilisez
Soyez également prudent lors de l'installation de la lampe. Installation à effectuer avec l'interrupteur éteint
La lampe fonctionne depuis environ un an et demi avec marche / arrêt constant.
Sur la vidéo, vous pouvez tout voir en détail :
Eclairage LED sur secteur
Mais pour construire un circuit d'éclairage à LED, il est nécessaire de construire des alimentations spéciales avec ou sans régulateurs, transformateurs. En guise de solution, le schéma ci-dessous montre la construction d'un circuit LED alimenté par le secteur sans l'utilisation de transformateurs.
Circuit de lampe à LED 220 V
Ce circuit est alimenté en 220V AC comme signal d'entrée.La réactance capacitive abaisse la tension alternative. Un courant alternatif entre dans un condensateur dont les plaques sont continuellement chargées et déchargées, et les courants associés circulent toujours dans et hors des plaques, ce qui provoque une réactance en amont.
La réponse créée par le condensateur dépend de la fréquence du signal d'entrée. R2 draine le courant accumulé du condensateur lorsque tout le circuit est éteint. Il est capable de stocker jusqu'à 400V, et la résistance R1 limite ce débit. Étape suivante Circuits de lampe à LED Le bricolage est un pont redresseur conçu pour convertir un signal de courant alternatif en courant continu. Le condensateur C2 est utilisé pour éliminer l'ondulation du signal CC redressé.
La résistance R3 sert de limiteur de courant pour toutes les LED. Le circuit utilise des LED blanches qui ont une chute de tension d'environ 3,5 V et consomment 30 mA de courant. Les LED étant connectées en série, la consommation de courant est très faible. Par conséquent, ce circuit devient économe en énergie et dispose d'une option de fabrication économique.
Lampe LED recyclée
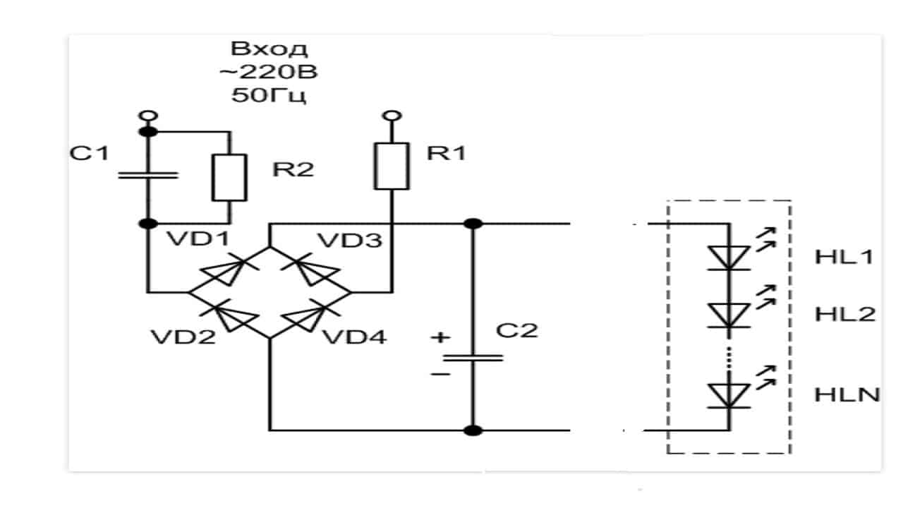
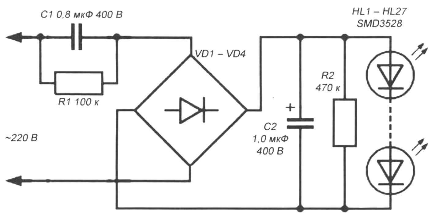
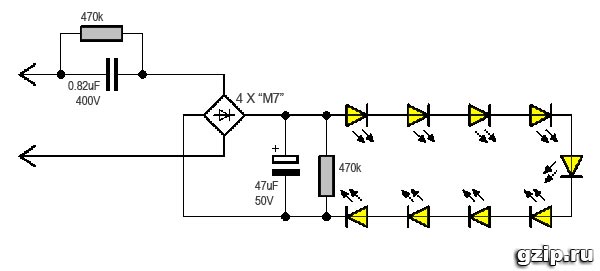
Les LED 220 V peuvent être facilement fabriquées à partir de lampes qui ne fonctionnent pas, dont la réparation ou la restauration n'est pas pratique. Une bande de cinq LED est pilotée à l'aide d'un transformateur. Dans un circuit 0,7 uF / 400V, le condensateur polyester C1 réduit la tension secteur. R1 est une résistance de décharge qui absorbe la charge stockée de C1 lorsque l'entrée CA est désactivée.
Les résistances R2 et R3 limitent le flux de courant lorsque le circuit est sous tension.Les diodes D1 - D4 forment un pont redresseur qui redresse la tension alternative réduite, tandis que C2 agit comme un condensateur de filtrage. Enfin, la diode zener D1 assure le contrôle des LED.
La procédure pour fabriquer une lampe de table de vos propres mains:
Démontez et retirez soigneusement le verre brisé.
Ouvrez l'ensemble avec précaution.
Retirez l'électronique et retirez-la.
Assemblez le circuit sur une feuille de stratifié de 1 mm.
Découpez une feuille de stratifié ronde (avec des ciseaux).
Marquez la position des six trous ronds sur la feuille.
Percez des trous pour faire correspondre les DEL au ras des six trous.
Utilisez la pointe de colle pour maintenir l'ensemble LED en position.
Fermez l'assemblage.
Assurez-vous que le câblage interne ne se touche pas.
Maintenant, testez soigneusement à 220V.
LED pour voiture
En utilisant du ruban LED, vous pouvez facilement créer un bel éclairage extérieur de voiture fait maison. Vous devez utiliser 4 bandes LED d'un mètre chacune pour une lueur claire et lumineuse. Pour assurer l'étanchéité et la résistance, les joints sont soigneusement traités avec un adhésif thermofusible. Les connexions électriques correctes sont vérifiées avec un multimètre. Le relais IGN est alimenté lorsque le moteur tourne et s'éteint lorsque le moteur est éteint. Pour réduire la tension de la voiture, qui peut atteindre 14,8 V, une diode est incluse dans le circuit pour assurer la durabilité des LED.
Lampe LED bricolage pour 220v
La lampe à LED cylindrique fournit une répartition correcte et uniforme de l'éclairage généré sur 360 degrés, de sorte que toute la pièce est éclairée de manière uniforme.
La lampe est équipée d'une fonction de protection contre les surtensions interactive, garantissant que l'appareil est parfaitement protégé contre toutes les surtensions AC.
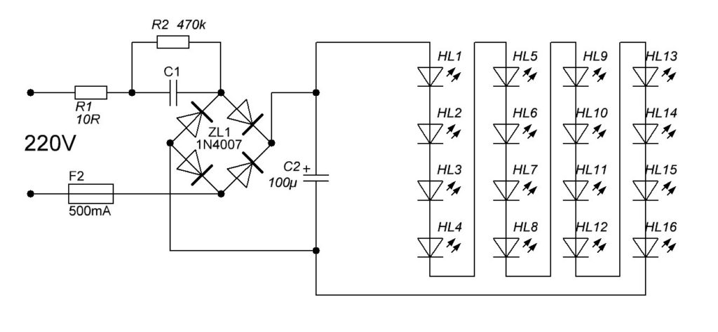
40 LED sont combinées en une longue chaîne de LED connectées en série les unes après les autres. Pour une tension d'entrée de 220 V, vous pouvez connecter environ 90 LED à la suite, pour une tension de 120 V - 45 LED.
Le calcul est obtenu en divisant la tension redressée de 310 VDC (à partir de 220 VAC) par la tension directe de la LED. 310/3.3 = 93 unités et pour les entrées 120V 150/3.3 = 45 unités. Si vous réduisez le nombre de LED en dessous de ces chiffres, il y a un risque de surtension et de panne du circuit assemblé.
Comment connecter une LED à un réseau 220 volts
Une LED est un type de diode à semi-conducteur avec une tension et un courant d'alimentation bien inférieurs à ceux d'une alimentation domestique. Avec une connexion directe à un réseau de 220 volts, il échouera instantanément.
Par conséquent, la diode électroluminescente est nécessairement connectée uniquement par l'intermédiaire d'un élément limiteur de courant. Les moins chers et les plus faciles à assembler sont les circuits avec un élément abaisseur sous la forme d'une résistance ou d'un condensateur.
Première, Que souhaitez-vous savoir lorsqu'il est connecté à un réseau 220V, pour une lueur nominale, un courant de 20mA doit traverser la LED et la chute de tension à travers elle ne doit pas dépasser 2,2-3V. Sur cette base, il est nécessaire de calculer la valeur de la résistance de limitation de courant à l'aide de la formule suivante :
- où:
- 0,75 - Coefficient de fiabilité des LED ;
- U pit est la tension de l'alimentation ;
- U pad - la tension qui chute sur la diode électroluminescente et crée un flux lumineux;
- I est le courant nominal qui le traverse ;
- R est la cote de résistance pour réguler le courant passant.
Après des calculs appropriés, la valeur de résistance doit correspondre à 30 kOhm.
Cependant n'oubliez pas qu'une grande quantité de chaleur va se dégager sur la résistance du fait de la chute de tension. Pour cette raison, il est en outre nécessaire de calculer la puissance de cette résistance à l'aide de la formule :
Pour notre cas, U est la différence entre la tension secteur et la chute de tension sur la LED. Après calculs appropriés, pour connecter une led, la puissance de la résistance doit être de 2W.
Un point important auquel il faut prêter attention lors de la connexion d'une LED à l'alimentation secteur est la limitation de tension inverse. Cette tâche est facilement gérée par n'importe quelle diode au silicium, conçue pour un courant non inférieur à celui qui circule dans le circuit.
La diode est connectée en série après la résistance ou en polarité inversée en parallèle avec la LED.
Il existe une opinion selon laquelle il est possible de se passer de la limitation de la tension inverse, car une panne électrique n'endommage pas la diode électroluminescente. Cependant, le courant inverse peut provoquer une surchauffe de la jonction p-n, entraînant une panne thermique et la destruction du cristal LED.
Au lieu d'une diode au silicium, une deuxième diode électroluminescente avec un courant direct similaire peut être utilisée, qui est connectée en polarité inverse en parallèle avec la première LED. L'inconvénient des circuits de résistance de limitation de courant est le besoin d'une dissipation de puissance élevée.
Ce problème devient particulièrement pertinent dans le cas de la connexion d'une charge avec une grande consommation de courant. Ce problème est résolu en remplaçant la résistance par un condensateur non polaire, qui dans de tels circuits est appelé ballast ou extinction.
Un condensateur non polarisé connecté au réseau alternatif se comporte comme une résistance, mais ne dissipe pas la puissance consommée sous forme de chaleur.
Dans ces circuits, lorsque l'alimentation est coupée, le condensateur reste non déchargé, créant un risque de choc électrique. Ce problème est facilement résolu en connectant une résistance shunt d'une puissance de 0,5 watts avec une résistance d'au moins 240 kOhm au condensateur.
Calcul de la résistance pour la LED
Dans tous les circuits ci-dessus avec une résistance de limitation de courant, le calcul de la résistance est effectué selon la loi d'Ohm :
R = U/I
- où:
- U est la tension d'alimentation ;
- I est le courant de fonctionnement de la LED.
La puissance dissipée par la résistance est P = U * I.
Si vous envisagez d'utiliser le circuit dans un boîtier à faible convection, il est recommandé d'augmenter la dissipation de puissance maximale de la résistance de 30 %.
Calcul du condensateur d'extinction pour la LED
Calcul de la capacité du condensateur d'extinction (en microfarads) produit par la formule suivante:
C=3200*I/U
- où:
- I est le courant de charge ;
- U est la tension d'alimentation.
Cette formule est simplifiée, mais sa précision est suffisante pour la connexion en série de 1 à 5 LED à faible courant.
Pour protéger le circuit des surtensions et des bruits impulsionnels, un condensateur d'extinction doit être sélectionné avec une tension de fonctionnement d'au moins 400 V.
Il est préférable d'utiliser un condensateur céramique de type K73-17 avec une tension de fonctionnement supérieure à 400 V ou son équivalent importé. N'utilisez pas de condensateurs électrolytiques (polaires).
Assemblage de la lampe
Tout d'abord, il est nécessaire de retirer le plateau de ballast électronique du luminaire. Ensuite, des segments de la bande LED sont collés dessus.Dans ce cas, le nombre de rangées à coller peut être différent, par exemple six rangées de trois diodes chacune avec une implantation transversale. Les variations d'installation peuvent être différentes, l'essentiel est d'observer avec précision la puissance de la lueur requise.
Source de courant
Il est nécessaire de s'attarder plus en détail sur cet élément de la nouvelle lampe, car la bande LED sur l'alimentation de la lampe fluorescente ne fonctionnera pas. Le fait est que la bande LED nécessite une stabilisation de la tension et du courant. Si cela n'est pas fait, les diodes surchaufferont et finiront par s'éteindre.
Dans notre cas, la meilleure option est une alimentation sans transformateur, mais avec un condensateur ballast. Voici le schéma de l'alimentation d'en bas.

Alimentation avec condensateur ballast
Dans ce circuit, C1 est le même condensateur de ballast qui amortit la tension secteur de 220 volts. Après cela, le courant est fourni au redresseur à diode VD1-VD4. Après cela, une tension constante est appliquée au filtre C2. Pour que les condensateurs se déchargent rapidement, deux résistances R2 pour C1, R3 pour C2 sont installées dans le circuit. La résistance R1 est une sorte de limiteur de tension secteur et la diode VD5 est une protection contre les surtensions de courant de sortie, qui sont au maximum de 12 volts (c'est en cas de rupture de la bande LED).
L'élément le plus important de ce réseau électrique est le condensateur C1
Ici, il est important de le sélectionner avec précision en fonction des paramètres de capacité requis. N'utilisez pas de formules complexes pour cela.
Trouvez simplement une calculatrice sur Internet avec laquelle vous pouvez calculer avec précision. Certes, cela nécessitera une information d'introduction : la force actuelle sur le segment de la bande LED. Ceci est généralement indiqué dans le passeport du produit.
Mais gardez à l'esprit que les documents d'accompagnement indiquent le paramètre de courant maximum, vous ne devez donc pas le prendre comme principal. Par exemple, un courant de 150 mA serait normal pour une nouvelle lampe de 30 cm de long. En même temps, les LED ne chauffera pas et la luminosité de la lueur sera suffisante.

Alimentation pour bande led
Essayez d'entrer nos données dans la calculatrice, vous obtiendrez un indicateur de capacité de 2,08 microfarads. Nous l'arrondissons à la norme - 2,2 microfarads, qui résistera à des tensions allant jusqu'à 400 volts.
Ballast électronique
Les ballasts électroniques constamment défaillants n'ont pas besoin d'être jetés. Il faut vérifier son exactitude.
Il est important ici que le pont de diodes soit intact, tous les autres détails peuvent être supprimés
Et maintenant, vous devez vérifier alimentation et plateau sous réserve d'un bon fonctionnement. Il vous suffit de connecter la bande LED à l'unité, de la brancher dans la prise et de vérifier le fonctionnement des LED. Si tout vous convient, vous pouvez installer l'alimentation dans le boîtier de la lampe et établir une connexion majeure de toutes ses pièces les unes avec les autres.
Que devez-vous savoir sur la sécurité du montage au plafond ?
Voici quelques conseils importants d'experts :
Les LED deviennent très chaudes
Par conséquent, des radiateurs spéciaux sont utilisés pour le refroidissement.
Le contact et la dissipation thermique sont améliorés grâce à une pâte thermique spéciale à la jonction entre les deux éléments importants.
Lors de l'installation, il est important de s'assurer qu'il y a un espace libre autour des radiateurs, non fermé. Autrement Les LED échoueront en avance.
Il est également interdit de monter des lampes à proximité d'appareils chauffants.
Des régulateurs spéciaux et des ampoules avec une fonction de gradation seront nécessaires pour ceux qui souhaitent régler le niveau de luminosité et d'éclairage. La disponibilité des lampes de remplacement est un facteur important dans le choix des modèles appropriés.
Où puis-je accrocher la lampe LED ?
Structures de plafond tendu et suspendu - ce sont les produits les plus souvent utilisés avec les spots LED. Les appareils peuvent être situés au centre ou sur les côtés. Ici, chaque acheteur choisit l'option qui convient le mieux aux conditions d'exploitation actuelles.
Nous collectons une lampe à partir d'une bande de LED
Nous allons analyser étape par étape la création d'une source lumineuse 220 V à partir d'un ruban LED. Pour décider d'utiliser l'innovation dans la cuisine, il suffit de se rappeler que les lampes à LED auto-assemblées sont nettement plus rentables que leurs homologues fluorescentes. Ils vivent 10 fois plus longtemps et consomment 2 à 3 fois moins d'énergie au même niveau de lumière.
Pour la construction, vous aurez besoin de deux lampes fluorescentes grillées d'un demi-mètre de long et de 13 watts. Il ne sert à rien d'en acheter des neufs, il vaut mieux en trouver des anciens et cassés, mais pas cassés et sans fissures.
Ensuite, nous allons au magasin et achetons une bande LED. Le choix est vaste, alors abordez l'achat de manière responsable. Il est conseillé d'acheter des bandes avec une lumière blanche pure ou naturelle, cela ne change pas les nuances des objets environnants. Dans de telles bandes, les LED sont assemblées en groupes de 3 pièces. La tension d'un groupe est de 12 volts et la puissance est de 14 watts par mètre de ruban.
Ensuite, vous devez démonter les lampes fluorescentes dans leurs composants.
Avec attention! N'endommagez pas les fils et ne cassez pas non plus le tube, sinon les vapeurs toxiques se dégageront et vous devrez nettoyer, comme après un thermomètre à mercure cassé.Ne jetez pas les entrailles extraites, elles vous seront utiles à l'avenir.
Vous trouverez ci-dessous un schéma de la bande LED que nous avons achetée. Dans celui-ci, les LED sont connectées en parallèle, 3 pièces dans un groupe
Veuillez noter que ce schéma ne nous convient pas.
Par conséquent, vous devez couper la bande en sections de 3 diodes chacune et obtenir des convertisseurs coûteux et inutiles. Il est plus pratique de couper le ruban avec des pinces coupantes ou des ciseaux larges et solides
Après avoir soudé les fils, le schéma ci-dessous doit être obtenu. Le résultat devrait être 66 LED ou 22 groupes de 3 LED chacun, connectés en parallèle sur toute la longueur. Les calculs sont simples. Puisque nous devons convertir le courant alternatif en courant continu, la tension standard de 220 volts dans le réseau électrique doit être augmentée à 250. La nécessité de "jeter" la tension est associée au processus de redressement.
Pour connaître le nombre de sections de LED, il faut diviser 250 Volts par 12 Volts (tension pour un groupe de 3 pièces). En conséquence, nous obtenons 20,8 (3), en arrondissant, nous obtenons 21 groupes. Ici, il est souhaitable d'ajouter un autre groupe, car le nombre total de LED devra être divisé en 2 lampes, ce qui nécessite un nombre pair. De plus, en ajoutant une autre section, nous rendrons le schéma global plus sûr.
Nous aurons besoin d'un redresseur DC, c'est pourquoi vous ne pouvez pas jeter l'intérieur retiré d'une lampe fluorescente. Pour ce faire, nous retirons le convertisseur, à l'aide de pinces coupantes, nous retirons le condensateur du circuit commun. C'est assez simple à faire, puisqu'il est situé séparément des diodes, il suffit de casser la carte. Le diagramme montre ce qui devrait arriver à la fin, plus en détail.
Ensuite, en utilisant de la soudure et de la superglue, vous devez assembler toute la structure. N'essayez même pas de faire tenir les 22 sections dans un seul luminaire. Il a été dit ci-dessus que vous devez spécifiquement trouver 2 lampes d'un demi-mètre, car il est tout simplement impossible de placer toutes les LED en une seule. De plus, vous n'avez pas besoin de compter sur une couche auto-adhésive au dos de la bande. Cela ne durera pas longtemps, les LED doivent donc être fixées avec de la superglue ou des clous liquides.
Résumons et découvrons les avantages du produit assemblé:
- La quantité de lumière des lampes LED résultantes est 1,5 fois supérieure à celle des homologues fluorescentes.
- La consommation électrique est bien inférieure à celle des lampes fluorescentes.
- La source lumineuse assemblée servira 5 à 10 fois plus longtemps.
- Enfin, le dernier avantage est la directivité de la lumière. Il ne se disperse pas et est dirigé strictement vers le bas, grâce auquel il est utilisé sur le bureau ou dans la cuisine.

Bien sûr, la lumière émise n'est pas très brillante, mais le principal avantage est la faible consommation d'énergie de la lampe. Même si vous l'allumez et ne l'éteignez jamais, il ne consommera que 4 kW d'énergie par an. Dans le même temps, le coût de l'électricité consommée par an est comparable au coût d'un ticket de bus urbain. Par conséquent, ces sources lumineuses sont particulièrement efficaces à utiliser lorsqu'un éclairage constant est requis (couloir, rue, buanderie).
Principe d'opération
Ici, les propriétaires doivent considérer plusieurs fonctionnalités :
- Une tension alternative de 220 V est fournie aux pilotes des lampes LED. La fréquence de cette énergie est de 50 Hz.
- De plus, le flux lui-même traverse le condensateur, ce qui limite le courant.
- Le composant suivant où se trouve l'énergie est un pont redresseur, monté sur la base de quatre diodes.
A la sortie du pont de l'étage suivant, une sorte de tension redressée apparaît. C'est cette version d'énergie qui est nécessaire au bon fonctionnement des diodes. Mais le pilote doit être complété par un condensateur électrolytique pour que l'appareil commence à fonctionner comme il se doit. Ensuite, les ondulations qui se produisent lorsque la tension alternative est redressée sont lissées.
L'appareil contient également des résistances de différents types. Pour décharger le condensateur, une protection supplémentaire est une résistance spéciale. L'autre, avec la désignation 1 sur les schémas, limite le courant qui va à l'ampoule lorsqu'elle est allumée.
Appareil à ampoule LED 220V
Dans toute lampe à LED, les composants suivants sont distingués:
- Le flux lumineux devient uniforme grâce au diffuseur.
- Résistances ou puces qui protègent contre les changements soudains de performances.
- Circuit imprimé pour souder des LED.
- Radiateur qui évacue la chaleur.
- Chauffeur. C'est la base pour assembler un circuit qui convertit la tension alternative en courant continu. L'essentiel est d'obtenir la valeur requise à la sortie.
- Joint diélectrique, entre le corps et la base.
- Une base dans laquelle sont vissés un lustre et une applique, une lampe.
La différence entre LED et fluorescent : une brève description
Les principales différences sont liées à la conception. La base des lampes fluorescentes est une ampoule en verre. La vapeur de mercure et les gaz inertes remplissent une partie de cet appareil à l'intérieur. Le joint assure l'étanchéité. Le champ d'application est plus large grâce à des ensembles avec plinthes de différentes dimensions.
Les lampes LED sont construites sur des matrices électroniques. Il s'agit d'une connexion électronique de plusieurs diodes entre elles. Il existe d'autres éléments auxiliaires dans les produits pour assurer le fonctionnement stable du mécanisme. La faible consommation d'énergie est le principal avantage Lampes LED comparées avec les autres.
Principales conclusions
Vous pouvez fabriquer une lampe de vos propres mains en utilisant des moyens improvisés et des produits radio peu coûteux. Cela nécessite également des Éléments LED - lampes ou bandes. Ils peuvent être à la fois faibles et forts. Lors du choix d'un matériau pour le boîtier, il faut partir des paramètres de leur transfert de chaleur. Pour connecter un tel appareil à un réseau sans alimentation, vous devrez créer un pilote avec un condensateur d'extinction, après l'avoir préalablement calculé selon la formule.
En utilisant la technologie proposée, il est possible de fabriquer des lampes de toutes formes et paramètres pour une installation en tant que source lumineuse principale ou décorative. Vous pouvez les installer à la main au plafond et aux murs dans les plafonds, dans les lustres et les lampes de table, ainsi que dans tout autre design artistique spécialement conçu.
Précédent
LEDFormule et exemple de calcul de la résistance de limitation pour la LED
Prochain
LEDDétails sur caractéristiques des lampes à LED












































