- Points d'utilisation sélectionnés
- Performances requises
- Avantages et inconvénients des générateurs de gaz
- Le chauffage à l'hydrogène : mythe ou réalité ?
- L'eau hydrogène à la maison
- Comment fonctionne la structure assemblée ?
- 3 Faisabilité économique
- Électrolyseur à faire soi-même pour une voiture
- 2 Dispositif et principe de fonctionnement
- Loi de conservation de l'énergie ↑
- Comment faire du chauffage à l'hydrogène de vos propres mains
- Caractéristiques du chauffage à l'hydrogène
- Avantages et inconvénients du chauffage à l'hydrogène à la maison
- Le dispositif et le principe de fonctionnement d'une usine d'hydrogène pour chauffer une maison
- Moteur à hydrogène: types, appareil, principe de fonctionnement
- TYPES DE MOTEURS HYDROGÈNE
- DISPOSITIF ET PRINCIPE DE TRAVAIL
- Moteur à pile à combustible à hydrogène
Points d'utilisation sélectionnés
Tout d'abord, je tiens à souligner que la méthode traditionnelle de combustion du gaz naturel ou du propane ne convient pas dans notre cas, car la température de combustion du HHO dépasse de plus de trois fois celle des hydrocarbures. Comme vous le comprenez, l'acier de construction ne résistera pas longtemps à une telle température. Stanley Meyer lui-même a recommandé d'utiliser un brûleur de conception inhabituelle, dont nous présentons le schéma ci-dessous.
Schéma d'un brûleur à hydrogène conçu par S. Meyer
Toute l'astuce de cet appareil réside dans le fait que HHO (indiqué par le numéro 72 sur le schéma) passe dans la chambre de combustion par la vanne 35. Le mélange d'hydrogène brûlant monte par le canal 63 et effectue simultanément le processus d'éjection, entraînant l'air extérieur par les ouvertures réglables 13 et 70. Sous le chapeau 40, une certaine quantité de produits de combustion (vapeur d'eau) est retenue, qui pénètre dans la colonne de combustion par le canal 45 et se mélange au gaz brûlant. Cela vous permet de réduire plusieurs fois la température de combustion.
Le deuxième point sur lequel je voudrais attirer votre attention est le liquide qui doit être versé dans l'installation. Il est préférable d'utiliser de l'eau préparée qui ne contient pas de sels de métaux lourds. L'option idéale est le distillat, qui peut être acheté dans n'importe quel magasin automobile ou pharmacie.
Pour le bon fonctionnement de l'électrolyseur, de l'hydroxyde de potassium KOH est ajouté à l'eau, à raison d'environ une cuillère à soupe de poudre par seau d'eau.
Et la troisième chose sur laquelle nous mettons un accent particulier est la sécurité. Rappelez-vous que le mélange d'hydrogène et d'oxygène n'est pas accidentellement appelé explosif. Le HHO est un composé chimique dangereux qui, s'il est manipulé avec négligence, peut provoquer une explosion. Suivez les règles de sécurité et soyez particulièrement prudent lorsque vous expérimentez avec de l'hydrogène. Seulement dans ce cas, la "brique" qui compose notre Univers apportera chaleur et confort à votre maison.
Nous espérons que l'article est devenu une source d'inspiration pour vous et que vous, après avoir retroussé vos manches, commencez à fabriquer une pile à combustible à hydrogène. Bien sûr, tous nos calculs ne sont pas la vérité ultime, cependant, ils peuvent être utilisés pour créer un modèle fonctionnel d'un générateur d'hydrogène.Si vous souhaitez passer complètement à ce type de chauffage, la question devra alors être étudiée plus en détail. C'est peut-être votre installation qui deviendra la pierre angulaire, grâce à laquelle la redistribution des marchés de l'énergie prendra fin et une chaleur bon marché et respectueuse de l'environnement entrera dans chaque foyer.
Performances requises
Afin de vraiment économiser du carburant, un générateur d'hydrogène pour une voiture doit produire du gaz chaque minute à raison de 1 litre pour 1000 cylindrée du moteur. Sur la base de ces exigences, le nombre de plaques pour le réacteur est sélectionné.
Pour augmenter la surface des électrodes, il est nécessaire de traiter la surface avec du papier de verre dans une direction perpendiculaire. Ce traitement est extrêmement important - il augmentera la zone de travail et évitera de "coller" des bulles de gaz à la surface.

Ce dernier conduit à l'isolement de l'électrode du liquide et empêche l'électrolyse normale. N'oubliez pas que pour le fonctionnement normal de l'électrolyseur, l'eau doit être alcaline. La soude ordinaire peut servir de catalyseur.
Avantages et inconvénients des générateurs de gaz
Un générateur de gaz domestique fabriqué en usine coûtera 1,5 à 2 fois plus cher qu'une chaudière à combustible solide conventionnelle. Vaut-il la peine de dépenser de l'argent pour cette "technique miracle" ?
Parmi les avantages de l'utilisation de générateurs de gaz, citons:
- combustion complète du combustible chargé dans le four et quantité minimale de cendres;
- rendement relativement élevé lorsqu'il est associé à un moteur à combustion interne ou à une chaudière à gaz;
- une large gamme de combustibles solides ;
- facilité d'utilisation et pas besoin de surveiller en permanence le fonctionnement de l'unité ;
- l'intervalle de temps entre les redémarrages du four peut aller jusqu'à une journée au bois et jusqu'à une semaine au charbon ;
- la possibilité d'utiliser du bois non séché - les matières premières humides ne peuvent être utilisées que dans certains modèles de générateurs de gaz;
- respect de l'environnement de l'appareil - cet appareil n'a pas de tuyau d'échappement, tout le gaz généré va directement dans la chambre de combustion du moteur ou de la chaudière.
Lors de l'utilisation de bois de chauffage humide, le générateur fonctionnera, mais la production de gaz sera réduite de 20 à 25 %. La baisse de productivité est due à l'évaporation de l'humidité naturelle du bois.
Cela entraîne une diminution de la température dans le four, ce qui ralentit le processus de pyrolyse. Il est préférable de bien sécher les bûches avant de les charger dans la chambre de pyrolyse. Les appareils industriels sont entièrement automatisés, le carburant leur est fourni par une tarière à partir d'un conteneur à proximité.
Un générateur de gaz fait maison ne plaît pas avec une telle autonomie, mais il est aussi assez simple à utiliser. Il suffit de temps en temps de le charger de carburant jusqu'aux globes oculaires.

Les températures de fonctionnement dans le générateur de gaz atteignent des valeurs de 1200 à 1500 ° C, son corps doit être constitué de matériaux capables de supporter de telles charges
Le générateur de gaz a moins d'inconvénients, mais ce sont :
- mauvaise contrôlabilité des volumes de gaz générés - lorsque la température dans le four diminue, la pyrolyse s'arrête et au lieu d'un mélange gazeux combustible, un mélange de résines se forme à la sortie;
- installation encombrante - même un générateur de gaz fait maison d'une puissance moyenne de 10 à 15 kW occupe un espace assez important;
- durée de l'allumage - avant que le réacteur ne produise le premier gaz, 20 à 30 minutes s'écouleront.
Après «réchauffement», le générateur produit systématiquement un certain volume de mélange gazeux, qui doit être brûlé ou jeté dans l'air.Pour fabriquer cette unité de vos propres mains, vous aurez besoin de bouteilles de gaz solides ou d'acier épais, et cela représente beaucoup d'argent. Mais tout cela est payant avec l'efficacité du générateur et le bon marché du carburant initial.
Certains modèles de générateurs de gaz sont équipés d'un souffleur d'air, tandis que d'autres ne le sont pas. La première option permet d'augmenter la capacité de l'installation, mais la lie au réseau électrique. Si vous avez besoin d'un petit générateur pour cuisiner des aliments dans la nature, vous pouvez vous contenter d'une unité compacte sans ventilateur.
La plupart des installations de production de gaz fabriquées par nos soins fonctionnent grâce au tirage naturel.
Un générateur de gaz portable à bois d'une puissance de 2,4 kW vous permet de cuisiner facilement le dîner en dehors de la ville, loin de la civilisation (+)
Pour chauffer une maison privée, un appareil plus puissant et volatil sera nécessaire. Cependant, dans ce cas, il convient de prendre soin d'un groupe électrogène de secours afin que du jour au lendemain en cas d'accident sur le réseau, vous ne soyez pas laissé sans alimentation électrique ni chauffage.
Le chauffage à l'hydrogène : mythe ou réalité ?
Le générateur de soudage est actuellement la seule application pratique pour la séparation électrolytique de l'eau. Il est déconseillé de l'utiliser pour chauffer une maison, et voici pourquoi. Les coûts énergétiques lors du travail à la flamme de gaz ne sont pas si importants, l'essentiel est que le soudeur n'ait pas besoin de transporter de lourdes bouteilles et de jouer avec des tuyaux. Une autre chose est le chauffage domestique, où chaque centime compte. Et ici, l'hydrogène perd au profit de tous les types de carburant actuellement existants.

Les générateurs de soudage fabriqués en série coûtent très cher car ils utilisent des catalyseurs pour le processus d'électrolyse, qui incluent du platine.Vous pouvez fabriquer un générateur d'hydrogène de vos propres mains, mais son efficacité sera encore inférieure à celle d'un générateur d'usine. Vous réussirez certainement à obtenir du gaz combustible, mais il est peu probable qu'il suffise à chauffer au moins une grande pièce, et encore moins une maison entière. Et si c'est suffisant, vous devrez payer de fabuleuses factures d'électricité.
Plutôt que de consacrer du temps et des efforts à obtenir du combustible gratuit, qui n'existe pas a priori, il est plus facile de fabriquer soi-même une simple chaudière à électrodes. Vous pouvez être sûr que de cette façon, vous utiliserez beaucoup moins d'énergie avec un plus grand bénéfice. Cependant, les maîtres à la maison - les passionnés peuvent toujours s'essayer et assembler un électrolyseur à la maison afin de mener des expériences et de tout voir par eux-mêmes. Une de ces expériences est montrée dans la vidéo :
L'eau hydrogène à la maison
Théoriquement, vous pouvez créer un générateur d'hydrogène de vos propres mains à la maison. Mais pour cela, vous devez avoir des connaissances particulières, disposer du matériel approprié.
Il y a deux options :
- La saturation est le processus d'enrichissement de l'eau en oxygène moléculaire. Par le principe de production de boissons gazeuses.
- L'électrolyse est le processus de passage du courant à travers un milieu liquide. L'essence de la technique réside dans la réaction de l'eau avec les métaux.
Le principe de fonctionnement d'un générateur domestique est illustré dans l'image:

L'électrolyseur le plus simple consiste en :
- conteneur à paroi épaisse (réacteur);
- électrodes métalliques connectées au secteur ;
- sas à eau;
- tube de sortie de gaz ;
- brûleurs.
Comment fabriquer un générateur d'hydrogène :
- Plongez les électrodes métalliques dans un récipient d'eau, appliquez une tension. L'ajout de sel (ou d'alcali ou d'acide) à l'eau améliorera la réaction.
- Une réaction se produira, à la suite de quoi de l'hydrogène commencera à être libéré près de la cathode (moins) et de l'oxygène près de l'anode (plus).
- Les gaz sont mélangés et pénètrent dans le tube, à travers lequel ils sont ensuite envoyés vers un joint hydraulique (joint hydraulique). Le but du joint d'eau est d'empêcher un flash dans le réacteur, de séparer la vapeur d'eau.
- Le gaz dangereux du deuxième réservoir est transféré au brûleur, où il brûle. Le résultat est de l'eau.
La création d'un générateur d'hydrogène en pratique est la suivante:
- Préparez tout ce dont vous avez besoin : 2 bouteilles en verre à large ouverture, des bouchons pour celles-ci, un système de compte-gouttes, 20 vis autotaraudeuses, 2 bâtons plats en bois, des fils.
- Connectez les bâtons en bois avec des vis autotaraudeuses avec les extrémités dans des directions différentes. Soudez les têtes des vis autotaraudeuses et amenez-y les fils. Procurez-vous des électrodes improvisées.
- Tirez le tube du compte-gouttes et insérez-le dans le bouchon de bouteille perforé. Sceller avec un pistolet à colle.
- Placer les électrodes dans le récipient et visser le couvercle.
- À travers 2 trous dans l'autre couvercle, tirez les tubes du compte-gouttes. Versez de l'eau dans la bouteille, vissez le bouchon.
- Versez de l'eau dans le réacteur avec l'ajout de sel.
- Allumez la source d'alimentation (CC, par exemple batterie de voiture, adaptateur secteur).
- Dès que des bulles apparaissent, la réaction a commencé. Réglez la tension. Allumez le gaz qui s'échappe.
Pour plus d'informations sur la fabrication d'un générateur d'hydrogène vous-même, regardez la vidéo :
Mais est-il logique d'être intrigué par la création indépendante d'un ioniseur d'eau de vos propres mains, alors qu'il est plus facile et moins cher d'en acheter un prêt à l'emploi?
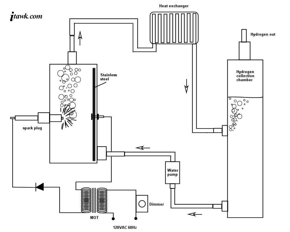
Comment fonctionne la structure assemblée ?
Une tension est appliquée au PWM, le régulateur génère une tension avec la fréquence requise. La fécondité de la production de gaz dépend de ce que sera la fréquence.Une tension est ensuite appliquée à des tubes ou des plaques en acier inoxydable contenant de l'eau. En eux, sous l'influence du courant, un "hochet" est libéré. Ensuite, il entre dans le réservoir du sécheur par des tubes flexibles. Et déjà depuis le séchoir, le gaz est fourni au circuit d'alimentation en air.
Une telle installation peut être utilisée pour le chauffage: coopératives de garage, maisons de campagne, tout dépend du vol de votre imagination. Pour utiliser cette installation pour chauffer une maison, vous devez convertir une chaudière à combustible solide ou à gaz au gaz de Brown. Si vous décidez toujours d'assembler et d'utiliser activement cette installation artisanale, vous obtiendrez du carburant bon marché. Et un produit respectueux de l'environnement qui ne pollue pas l'air. Lors de l'assemblage du générateur de gaz de Brown, vous aurez des questions. Nous répondrons ici aux questions les plus fréquemment posées.
Quel type d'eau dois-je utiliser, de l'eau du robinet ou de l'eau distillée ?
Vous pouvez utiliser de l'eau du robinet si elle ne contient pas de métaux lourds ou distillée. Mais le meilleur effet est obtenu lors de l'utilisation d'une solution d'hydroxyde de sodium ajoutée à de l'eau distillée. Il est nécessaire de respecter la proportion, pour dix litres d'eau, vous devez ajouter une cuillère à soupe d'hydroxyde de sodium et bien mélanger.
Quel métal utiliser ?
Dans divers manuels et manuels, ils écrivent que seuls les métaux rares doivent être utilisés.
Vous êtes induit en erreur. N'importe quel acier inoxydable peut être utilisé. Les meilleurs résultats lors du travail avec de l'acier ont été obtenus avec de l'acier ferromagnétique, qui n'attire pas les particules de débris inutiles. Autre point important, l'essentiel, lors du choix d'un métal, est de privilégier l'acier inoxydable, et qu'il ne soit pas sujet à l'oxydation.
Quelle est la durabilité des plaques d'électrodes ?
Il n'est pas nécessaire de changer les plaques pour de nouvelles, car elles ne sont pas du tout détruites pendant le fonctionnement.
Que faut-il faire pour préparer les plaques d'électrodes ? Et comment bien le faire ?
Tout d'abord, avant d'assembler les assiettes, elles doivent être lavées très soigneusement dans une solution savonneuse, puis leur surface doit être traitée avec une substance contenant de l'alcool (vodka ou alcool). L'électrolyseur doit être «piloté» pendant un certain temps, en remplaçant périodiquement l'eau sale par de l'eau propre. Continuez jusqu'à ce que l'eau ait lavé toute la saleté. Si l'eau est suffisamment propre, l'appareil ne chauffera pas.
Si vous avez correctement assemblé l'électrolyseur, lors de son utilisation, l'eau et les plaques ne chaufferont pas.
Il est important de ne pas surchauffer l'électrolyseur au-dessus de 65 degrés. Si la température dépasse la température spécifiée, la saleté, les métaux contenant des minéraux adhèrent aux plaques. Et ils devront être enlevés avec du papier de verre ou remplacés par de nouveaux.
Et ils devront être enlevés avec du papier de verre ou remplacés par de nouveaux.
3 Faisabilité économique
Il est très difficile de fabriquer une usine d'hydrogène de haute qualité à la maison. Le maître devra prendre en compte de nombreux paramètres. Par exemple, vous devez sélectionner avec précision le métal des électrodes. Il doit avoir certaines propriétés.
De plus, lors du montage de l'hydrolyseur, les cotes de montage doivent être respectées. Pour les obtenir, vous devez effectuer des calculs complexes, en tenant compte de la qualité de l'eau, de la puissance de sortie requise, etc.
Dans la fabrication du dispositif, même la section transversale des fils à travers lesquels le courant est fourni aux électrodes est importante.Il ne s'agit pas des performances du générateur, mais de la sécurité de son fonctionnement, mais cette nuance importante doit être prise en compte.
Le principal problème de tels dispositifs est le coût élevé de l'électricité nécessaire à la production d'oxydine d'hydrogène. Ils dépassent l'énergie qui peut être obtenue en brûlant un tel combustible.
En raison du faible rendement, le prix d'une usine d'hydrogène pour la maison rend la production de ce gaz et son utilisation ultérieure pour le chauffage non rentables. Que de gaspiller de l'électricité, il est plus facile d'installer n'importe quelle chaudière électrique. Ce sera plus efficace.
En ce qui concerne le transport routier, le tableau n'est pas très différent. Oui, vous pouvez fabriquer un hydrolyseur pour économiser du carburant, mais cela réduit la sécurité et la fiabilité.
Le seul endroit où l'hydrogène peut être utilisé efficacement comme combustible est le soudage au gaz. Les appareils à hydrogène pèsent moins, ils sont plus compacts que les bouteilles d'oxygène, mais beaucoup plus efficaces. De plus, le coût d'obtention d'un mélange ici ne joue aucun rôle.
Électrolyseur à faire soi-même pour une voiture
Sur Internet, vous pouvez trouver de nombreux schémas de systèmes HHO, qui, selon les auteurs, permettent d'économiser de 30% à 50% de carburant. De telles affirmations sont trop optimistes et ne sont généralement étayées par aucune preuve. Un schéma simplifié d'un tel système est présenté à la figure 11.

En théorie, un tel appareil devrait réduire la consommation de carburant en raison de son épuisement complet. Pour ce faire, le mélange de Brown est introduit dans le filtre à air du système de carburant. Il s'agit d'hydrogène et d'oxygène obtenus à partir d'un électrolyseur alimenté par le réseau interne de la voiture, ce qui augmente la consommation de carburant. Cercle vicieux.
Bien sûr, un circuit régulateur de courant PWM peut être utilisé, une alimentation à découpage plus efficace ou d'autres astuces peuvent être utilisées pour réduire la consommation d'énergie. Parfois, sur Internet, il existe des offres d'achat d'un bloc d'alimentation à faible ampérage pour un électrolyseur, ce qui est généralement un non-sens, car les performances du processus dépendent directement de l'intensité du courant.
C'est comme le système Kuznetsov, dont l'activateur d'eau est perdu, et il n'y a pas de brevet, etc. Dans les vidéos ci-dessus, où ils parlent des avantages indéniables de tels systèmes, il n'y a pratiquement aucun argument raisonné. Cela ne veut pas dire que l'idée n'a pas le droit d'exister, mais les économies revendiquées sont "un peu" exagérées.
2 Dispositif et principe de fonctionnement
Le chauffage domestique à l'hydrogène a été développé par une entreprise italienne. Les scientifiques ont pu réduire la température de combustion en utilisant des catalyseurs de +6000 à +300°C, ce qui a permis d'utiliser des matériaux traditionnels pour la production de chaudières de chauffage.
Le dispositif de chaudière comprend:
- chambre de combustion de carburant ;
- échangeur de chaleur;
- électrolyseur;
- un réservoir pour générer de l'hydrogène avec un électrolyte placé à l'intérieur ;
- bloc de protection à deux étages.

Les chaudières à hydrogène peuvent être de différentes capacités. Plus la surface de la pièce est grande, plus la puissance doit être grande. Certaines chaudières ont un système modulaire, le nombre maximum de canaux pour générer de l'énergie hydrogène est de 6, chaque canal doit contenir un catalyseur afin que les canaux puissent fonctionner indépendamment les uns des autres.
Les chaudières à hydrogène fonctionnent comme suit :
- la solution électrolytique entre dans l'électrolyseur et, sous l'influence d'un courant électrique, de l'hydrogène, de l'oxygène et de la vapeur d'eau sont produits ;
- les gaz entrent dans le séparateur chimique, où l'hydrogène est séparé du volume total ;
- l'hydrogène purifié à travers un bloc de protection à deux étages pénètre dans la chambre de combustion, où une réaction chimique a lieu avec la participation d'hydrogène, d'oxygène et de catalyseurs;
- pendant la réaction, de l'eau se forme et de la chaleur est libérée, la chaleur chauffe l'échangeur de chaleur, ce qui provoque un échauffement et l'eau pénètre à nouveau dans l'électrolyseur.
Loi de conservation de l'énergie ↑
Tout dans la nature est interconnecté. Si quelque chose est arrivé quelque part, cela signifie qu'il est parti de quelque part. Cette sagesse populaire, d'une manière simplifiée mais généralement correcte, décrit la loi de la conservation de l'énergie. L'hydrogène, lorsqu'il est brûlé, libère de l'énergie thermique. Mais pour obtenir du gaz par électrolyse, vous devrez dépenser une certaine quantité d'électricité. Ce qui, à son tour, est principalement obtenu en générant de la chaleur à partir de la combustion d'autres combustibles. Et si l'on prend l'énergie thermique pure nécessaire à la production d'électricité et l'énergie que l'hydrogène va donner lors de la combustion, même les installations les plus avancées entraînent une double perte. Nous jetons littéralement la moitié de l'argent. Et ce ne sont que des frais de fonctionnement, mais il faut aussi tenir compte du coût des équipements très coûteux.
Le projet du dirigeable vent-hydrogène Aeromodeller II. Les ingénieurs belges ont dressé un beau tableau, il reste à l'étayer avec des technologies spécifiques économiquement viables
Selon le laboratoire de recherche INEEL, sur les générateurs d'hydrogène industriels aux États-Unis, le coût d'un kilogramme d'hydrogène était de :
- Électrolyse à partir d'un réseau électrique industriel - 6,5 USD.
- Électrolyse des éoliennes - 9 USD.
- Photoélectrolyse à partir d'appareils solaires - 20 USD.
- Production à partir de biomasse - 5,5 USD.
- Conversion du gaz naturel et du charbon - 2,5 USD.
- Électrolyse à haute température dans les centrales nucléaires - 2,3 USD. C'est le moyen le moins cher et le plus éloigné des conditions d'origine.
De plus, même le meilleur générateur d'hydrogène à domicile sera nettement inférieur à celui industriel en termes d'efficacité. Avec de tels prix, il n'y a aucune raison de parler d'une concurrence sérieuse pour le carburant hydrogène par rapport non seulement au gaz naturel bon marché, mais aussi au chauffage électrique coûteux, au carburant diesel et même aux pompes à chaleur.
Comment faire du chauffage à l'hydrogène de vos propres mains
Fais chauffage à l'hydrogène tout maître capable de travailler le métal peut le faire de ses propres mains.
Pour former l'appareil, vous aurez besoin de l'ensemble de matériaux suivant:
- tôle d'acier inoxydable avec paramètres 50x50 cm;
- boulons 6x150, équipés de rondelles et d'écrous ;
- élément filtrant à circulation - utile d'une vieille machine à laver;
- un tube creux transparent de 10 m de long par exemple à partir du niveau de l'eau ;
- un récipient alimentaire en plastique ordinaire de 1,5 litre avec un couvercle étanche solide;
- un ensemble de raccords à chevrons avec un diamètre de trou de 8 mm;
- broyeur pour couper;
- perceuse;
- mastic silicone.
Pour fabriquer un four à hydrogène, l'acier 03X16H1 convient, et au lieu de l'eau, vous pouvez prendre une solution alcaline, ce qui créera un environnement agressif pour le passage du courant, tout en prolongeant la durée de vie des tôles d'acier.
Comment faire soi-même du chauffage domestique à l'hydrogène:
- Poser la tôle sur une table plane, coupée en 16 parties égales. Des rectangles sont obtenus pour le futur brûleur. Maintenant, coupez un coin des 16 rectangles - cela est nécessaire pour la connexion ultérieure des pièces.
- Au verso de chaque élément, percez un trou pour le boulon. Sur les 16 feuilles, 8 seront des anodes et 8 seront des cathodes. Des anodes et des cathodes sont nécessaires pour le passage du courant électrique à travers des pièces de polarité différente, ce qui assure la décomposition de l'alcali ou du distillat en hydrogène et oxygène.
- Mettez maintenant les plaques dans un récipient en plastique, en tenant compte de la polarité, en alternant plus et moins. Un tube transparent servira d'isolant pour les plaques, qui doivent être découpées en anneaux, puis en bandes de 1 mm d'épaisseur.
- Les plaques métalliques sont fixées les unes aux autres avec des rondelles de cette manière - la rondelle est d'abord placée sur la jambe du boulon, puis la plaque est mise en place. Après la plaque, vous devez mettre 3 rondelles sur le boulon, puis la plaque à nouveau. De cette manière, 8 plaques sont accrochées à l'anode et 8 plaques à la cathode.
Maintenant, vous devez déterminer le point d'arrêt du boulon dans le récipient alimentaire, percez un trou à cet endroit. Si les boulons ne sont pas inclus dans le conteneur, la jambe de boulon est coupée à la longueur souhaitée. Après cela, enfilez les boulons dans les trous, placez des rondelles sur les pieds et serrez la structure avec des écrous pour l'étanchéité. Équipez le couvercle du récipient d'un trou pour le raccord, insérez l'élément dans le trou et, pour l'étanchéité, enduisez la zone de joint avec du mastic. Soufflez maintenant le raccord. Et si de l'air s'échappe par le couvercle, vous devrez sceller le couvercle sur tout le périmètre.
Le générateur est testé en connectant n'importe quelle source de courant avec le remplissage du réservoir avec de l'eau. Un tuyau est mis sur le raccord, dont la deuxième extrémité est immergée dans un récipient. Si des bulles d'air se forment dans le liquide, le circuit fonctionne, sinon, vous devez vérifier l'alimentation actuelle. Il arrive que des bulles d'air ne se forment pas dans l'eau, mais elles apparaissent certainement dans l'électrolyseur.
Pour fournir la quantité d'énergie thermique requise, il est nécessaire d'augmenter la production et le débit de gaz en augmentant la tension dans l'électrolyte. Versez de l'alcali dans l'eau, par exemple de l'hydroxyde de sodium, qui se trouve dans le cure-pipe Krot. Rebrancher l'alimentation électrique et vérifier la capacité de l'électrolyseur.
La toute dernière étape est la connexion du brûleur à la canalisation de la conduite de chauffage. Il peut s'agir d'un sol chaud, d'un câblage de plinthe. Les joints doivent être scellés avec du silicone et l'équipement peut être mis en service.
Caractéristiques du chauffage à l'hydrogène
Ce type de chauffage a été développé par des ingénieurs italiens. Le résultat de leur travail était un appareil qui non seulement n'émettait pas de substances nocives dans l'atmosphère, mais qui ne créait pratiquement pas de bruit. Et pour la fabrication de la chaudière, de l'acier ou de la fonte résistant à la chaleur n'était pas nécessaire, car la température à l'intérieur de l'unité était basse.
Comme mentionné ci-dessus, à la suite de telles réactions chimiques, les substances nocives ne sont pas rejetées dans l'atmosphère et, par conséquent, un système complexe pour leur élimination n'est pas nécessaire. Et l'obtention de matières premières n'est plus un problème aussi grave qu'avant. Quant aux coûts, en plus du combustible lui-même, c'est généralement aussi de l'électricité pour le bon fonctionnement de la chaudière à hydrogène.
Avantages et inconvénients du chauffage à l'hydrogène à la maison
Ces systèmes de chauffage sont récemment devenus de plus en plus populaires, en raison d'avantages tels que :
- Aucune émission nocive dans l'atmosphère.
- Il n'y a pas de feu dans les systèmes à basse température car la chaleur est le résultat d'une réaction chimique.Lorsque l'oxygène et l'hydrogène sont combinés, de l'eau et de la chaleur sont obtenues, qui sont transférées à l'échangeur de chaleur. En conséquence, le liquide de refroidissement ne chauffe pas au-dessus de quarante degrés Celsius, ce qui est la température idéale pour le système "plancher chaud".
- Rentabilité - seule l'utilisation de chaudières à gaz vous permettra d'économiser davantage, mais ce type de chauffage est encore loin d'être toujours disponible dans les zones rurales.
- De plus, cela permet à l'avenir de réduire la consommation de ressources non renouvelables telles que le gaz ou le pétrole.
Mais le chauffage à l'hydrogène présente aussi des inconvénients :
- Il est préférable de n'utiliser que des versions à basse température de ces appareils, car le carburant est explosif.
- Il n'est pas encore facile de trouver un spécialiste hautement qualifié pour l'installation et la maintenance compétentes de tels appareils.

Le dispositif et le principe de fonctionnement d'une usine d'hydrogène pour chauffer une maison
À la suite de la réaction de l'hydrogène et de l'oxygène, de l'eau est obtenue et une quantité importante de chaleur est dégagée. Un tel processus, caractérisé par un rendement élevé (plus de 80 %), nécessite de grandes capacités. De plus, vous devez vous connecter en permanence à une source d'eau, dont le rôle est généralement joué par le système de plomberie de la maison. l'électricité pour la réaction électrochimique d'électrolyse, la disponibilité et le renouvellement constant de catalyseurs spéciaux.
Ce processus doit s'accompagner d'un contrôle humain et du respect de toutes les exigences de sécurité. Bien que ceux-ci soient beaucoup moins que dans le cas du chauffage au gaz. Habituellement, seul un contrôle visuel périodique du processus est requis.
Si vous souhaitez créer un tel système de vos propres mains, vous aurez au moins besoin pour cela de:
- générateur d'hydrogène;
- brûleur;
- Chaudière.
Le premier appareil est nécessaire pour l'électrolyse - la décomposition de l'eau en composants, utilisant de l'électricité et des catalyseurs. Un brûleur crée une flamme nue. La chaudière est utilisée comme dispositif d'échange de chaleur. Tous ces composants peuvent être achetés dans les magasins et assembler le système vous-même.
Le générateur d'hydrogène peut également être assemblé indépendamment. Cela nécessitera une source d'alimentation fournissant un courant de 30A, un réservoir pour l'emplacement de toutes les structures, des tubes en acier, des conteneurs pour l'eau distillée. À l'intérieur de la structure scellée, des platines en acier inoxydable sont installées - et plus elles sont nombreuses, plus l'installation produira d'hydrogène (mais plus d'électricité sera dépensée pour cela).
L'eau entrant dans le réservoir est divisée en hydrogène et oxygène sous l'action d'un courant électrique, le premier est envoyé à la chaudière avec un brûleur. Nous ajoutons que si vous utilisez un générateur PWM (au lieu d'un réseau 220V), l'efficacité de l'appareil augmente.
N'oubliez pas que seule de l'eau distillée mélangée à de l'hydroxyde de sodium est utilisée dans le système (une solution pour la préparation de laquelle on prend 1 cuillère à soupe de substance pour 10 litres de liquide). Si le distillat est difficile à obtenir, l'eau du robinet peut être utilisée. L'essentiel est de s'assurer que les métaux lourds ne sont pas dissous dans un tel liquide.
Comme vous pouvez le constater, si vous abordez correctement la conception et le choix des matériaux, il est tout à fait possible de fabriquer vous-même une chaudière à hydrogène.

Moteur à hydrogène: types, appareil, principe de fonctionnement
TYPES DE MOTEURS HYDROGÈNE
Le premier type de moteur à hydrogène fonctionne avec des piles à combustible. Malheureusement, les moteurs à hydrogène de ce type ont encore un coût élevé.Le fait est que la conception contient des matériaux coûteux comme le platine.
Le deuxième type comprend les moteurs à combustion interne à hydrogène. Le principe de fonctionnement de tels appareils est très similaire aux modèles au propane. C'est pourquoi ils sont souvent reconfigurés pour fonctionner sous hydrogène. Malheureusement, l'efficacité de tels dispositifs est d'un ordre de grandeur inférieur à ceux qui fonctionnent sur des piles à combustible.
DISPOSITIF ET PRINCIPE DE TRAVAIL
La principale différence entre les moteurs à hydrogène et les homologues à essence ou diesel auxquels nous sommes habitués aujourd'hui réside dans la manière dont le mélange de travail est fourni et enflammé. Le principe de conversion des mouvements alternatifs du vilebrequin en travail utile reste inchangé. Du fait que la combustion du carburant à base de produits pétroliers est lente, la chambre de combustion est remplie d'un mélange carburant-air un peu avant que le piston ne soit relevé à sa position la plus haute (PMH). La vitesse fulgurante de la réaction de l'hydrogène vous permet de décaler le temps d'injection au moment où le piston commence son mouvement de retour au PMB. Dans le même temps, la pression dans le système de carburant n'a pas besoin d'être élevée (4 atm suffisent).
Dans des conditions idéales, un moteur à hydrogène peut avoir un système d'alimentation électrique de type fermé. Le processus de mélange se déroule sans la participation de l'air atmosphérique. Après la course de compression, l'eau reste dans la chambre de combustion sous forme de vapeur qui, traversant le radiateur, se condense et redevient H2O. Ce type d'équipement est possible si un électrolyseur est installé sur la voiture, qui séparera l'hydrogène de l'eau résultante pour une nouvelle réaction avec l'oxygène.
En pratique, ce type de système est encore difficile à mettre en oeuvre.Pour un bon fonctionnement et pour réduire la force de frottement dans les moteurs, on utilise de l'huile dont les fumées font partie des gaz d'échappement. Au stade actuel du développement technologique, un fonctionnement stable et un démarrage sans problème d'un moteur à gaz explosif sans utilisation d'air atmosphérique ne sont pas réalisables.
Moteur à pile à combustible à hydrogène
Veuillez noter que les moteurs à hydrogène s'entendent des unités fonctionnant à l'hydrogène (moteur à combustion interne à hydrogène) et des moteurs utilisant des piles à combustible à hydrogène. Nous avons déjà considéré le premier type ci-dessus, concentrons-nous maintenant sur la deuxième option.
Une pile à hydrogène est en fait une "batterie". En d'autres termes, il s'agit d'une batterie à hydrogène avec un rendement élevé d'environ 50 %. L'appareil est basé sur des processus physiques et chimiques, dans le corps d'une telle pile à combustible se trouve une membrane spéciale qui conduit les protons. Cette membrane sépare deux chambres, dans l'une desquelles il y a une anode, et dans l'autre une cathode.
L'hydrogène pénètre dans la chambre où se trouve l'anode et l'oxygène pénètre dans la chambre avec la cathode. Les électrodes sont en outre recouvertes de métaux de terres rares coûteux (souvent du platine). Cela vous permet de jouer le rôle d'un catalyseur qui affecte les molécules d'hydrogène. En conséquence, l'hydrogène perd des électrons. Dans le même temps, les protons traversent la membrane jusqu'à la cathode, tandis que le catalyseur agit également sur eux. En conséquence, les protons se combinent avec des électrons qui viennent de l'extérieur.
Cette réaction forme de l'eau, tandis que les électrons de la chambre avec l'anode entrent dans le circuit électrique. Le circuit indiqué est connecté au moteur.En termes simples, de l'électricité est générée qui fait tourner le moteur sur une telle pile à combustible à hydrogène.
De tels moteurs à hydrogène vous permettent de parcourir au moins 200 km. sur une charge.














































