- Fabriquer un pare-étincelles de vos propres mains
- Modèles populaires
- Erreurs de montage courantes
- A quoi sert un déflecteur ? Caractéristiques fonctionnelles
- Montage du déflecteur-girouette
- Classification des déflecteurs pour cheminées
- Montage
- Caractéristiques des modèles de déflecteurs populaires
- Déflecteur Grigorovitch
- Comment faire un déflecteur TsAGI sur un tuyau de cheminée de vos propres mains
- Outils requis
- Développement d'un dessin du modèle de déflecteur TsAGI
- Instruction étape par étape
- Dessins comment faire un déflecteur sur une cheminée de vos propres mains
- Types de cheminées
- Brique
- tuyau galvanisé
- cheminée coaxiale
- Céramique
- Acier inoxydable
Fabriquer un pare-étincelles de vos propres mains
Nous avons déjà compris que la conception du pare-étincelles est simple, l'appareil ressemble souvent à un couvercle posé sur la cheminée.
Pare-étincelles en forme de chapeau de cheminée
Il n'est pas difficile d'acheter un produit, mais il sera encore plus facile et moins cher de fabriquer soi-même un pare-étincelles pour une cheminée. Cette option est recommandée pour une courte durée, car elle n'est pas très pratique à utiliser et présente les inconvénients suivants :
- La saleté et la suie se déposent rapidement sur la grille. Cela finira par affecter le bon tirage et l'évacuation des gaz de la cheminée.
- Distance mal calculée entre les cellules. Cette conception ne retient pas bien les étincelles, qui peuvent facilement sortir du tuyau.Dans le même temps, un maillage trop petit provoquera un colmatage.
Pare-étincelles sous la forme d'un tuyau avec des trous
Une autre option qui n'est pas difficile à faire soi-même (dans l'image).
Il ressemble à un tuyau avec des trous percés. Vous pouvez l'acheter ou le fabriquer vous-même. Choisissez un tuyau légèrement plus grand que la cheminée. Des trous y sont percés, un parapluie est fixé avec rapprochement. Ensuite, tout ce produit est fixé à la cheminée avec des rivets. Cette option semble assez simple, mais le problème réside dans le nombre et la taille des trous. Des trous mal percés peuvent réduire la traction. Par conséquent, si vous faites vous-même la conception, effectuez les calculs nécessaires ou procédez de manière empirique. Rappelez-vous que ce dernier nécessitera plus de temps et d'efforts.
Voici une autre photo de ce produit.
Pare-étincelles de cheminée en maille
Dans ce cas, il est nécessaire d'aborder de manière responsable le choix de la taille de la grille pour éliminer les problèmes similaires à ceux du modèle ci-dessus. Ce produit devra également être retiré et nettoyé plus d'une fois, car les trous seront obstrués par la saleté.
Si vous ne voulez pas vous embêter à nettoyer tout le temps, vous pouvez mettre un pare-étincelles en forme de dôme. Dans celui-ci, la taille des cellules de la grille est modifiée.
Cependant, cela n'exclut pas les problèmes liés à la pénétration de saleté dans le four, car ce modèle n'a pas de parapluie.
Modèles populaires
Envisagez maintenant des options plus durables. Dans l'image - la meilleure option en termes de fonctionnalité. C'est peu coûteux et il n'est pas difficile de le faire vous-même si vous avez les compétences d'un serrurier.
Pare-étincelles de cheminée avec grillage et parapluie
Le socle est en acier galvanisé d'une épaisseur de 0,6 à 1 mm. Il n'est pas nécessaire d'en choisir un très fin, bien qu'il soit plus facile de travailler avec.Nous avons besoin de fiabilité. Le treillis peut être soudé à partir de barres, mais il est préférable d'acheter du prêt-à-l'emploi, en acier inoxydable. Le coût ne sera pas beaucoup plus cher, mais il sera beaucoup plus facile à travailler par rapport aux barres. Prenez des cellules dont la taille varie de 3 à 5 mm. Emportez une meuleuse, des cisailles à métaux et une perceuse pour faire des trous pour les fixations. Étant donné que le métal devra être plié, vous devrez préparer un établi avec un coin en métal ou une partie d'un canal / coin plat.
Pour ceux qui ont peu d'expérience, il est recommandé d'essayer de faire un flan en carton. Vous pouvez apprendre les subtilités de ce processus : où faire un trou, où plier. Passez en revue le tableau de calcul.
Dimensions du pare-étincelles
Rappelez-vous la nécessité de respecter la sécurité incendie, surtout si vous avez un bâtiment en bois qui est chauffé au bois. Le pare-étincelles est une partie importante du système d'évacuation des fumées, ce qui vous permettra de ne pas vous soucier de l'apparition d'un incendie lors du chauffage du poêle.
Erreurs de montage courantes
Si le tuyau de cheminée coaxial est installé par un non-professionnel, il existe un risque de violation de la technologie et une mauvaise installation entraîne des problèmes de fonctionnement de la chaudière et de la cheminée. Il est recommandé de confier l'ensemble des travaux à des spécialistes agréés.

Les erreurs les plus courantes incluent :
Calculs incorrects de la longueur de tuyau admissible. Plus le canal à travers lequel les gaz de combustion se déplacent est long, plus ils se refroidissent et à la sortie déjà ne peut pas chauffer l'air entrant. Dans le même temps, la quantité de condensat augmente et, les jours de gel, elle gèle sur les parois de la tête, formant des glaçons. Cela se traduit par une diminution de la traction, une dégradation du fonctionnement de la chaudière et peut conduire à monoxyde de carbone dans la chambresi la sortie du tuyau est complètement obstruée.
Inclinaison insuffisante d'un long tuyau horizontal. Si la pente vers le collecteur de condensat sur une conduite longue est insuffisante, le risque de gel en tête est plus élevé.
Absence de collecteur de condensat sur une longue conduite horizontale ou verticale
Si la cheminée traversant le mur est courte, les fumées n'ont pas le temps de se refroidir suffisamment pour condenser l'humidité, et si le conduit est long, il est important de prévoir l'installation d'un té avec collecteur d'humidité, sinon il entrera dans la chambre de combustion de la chaudière, ce qui réduira l'efficacité de l'unité.
Non-respect des normes de sécurité incendie lors de l'installation d'une cheminée à travers des structures en bois. La tête de tuyau ne doit pas être située à moins de 60 cm du mur en bois.
Manque d'antigivrant, diaphragme de protection contre le vent au niveau de la cheminée horizontale.
Une cheminée coaxiale pour chaudières à gaz murales assurera un fonctionnement optimal de l'unité de chauffage et ne durera longtemps que si elle est installée correctement, en utilisant uniquement des éléments de système standard et des équipements de protection spéciaux.
Vidéo associée :
A quoi sert un déflecteur ? Caractéristiques fonctionnelles
Si le vent souffle de dessous en bas, sous le chapeau de la structure, des turbulences se forment, qui provoquent un ralentissement du dégagement de fumée (c'est un inconvénient insignifiant, mais quand même, des produits en question).Mais il existe également une issue ici, à savoir la solution à un tel problème - la création d'un cône inversé sous l'égide de l'appareil lui-même.

Les déflecteurs de cheminée sont de conception assez simple et leur principe de fonctionnement de l'appareil, mais en même temps, leur efficacité peut sans aucun doute être qualifiée de élevée. Chaque appareil, et les déflecteurs ne font pas exception, présentent certains inconvénients, mais si vous effectuez une analyse générale de toutes les caractéristiques et capacités disponibles de cet appareil, les avantages et les avantages présentent clairement des avantages par rapport aux inconvénients et aux inconvénients.
Déflecteur (traduit de l'anglais. "Reflector") - une structure de tuyau installée sur la tête pour protéger la partie supérieure de la cheminée.
La présence d'un tel dispositif permet d'augmenter l'efficacité des équipements de chauffage jusqu'à 20%.
En plus de l'objectif principal - l'élimination de la fumée, l'appareil est utilisé pour effectuer un certain nombre de fonctions importantes :
- Alignement des tractions. Une bonne traction assure l'apport d'oxygène, ce qui entraîne des économies de combustible - il brûle plus rapidement et complètement dans le générateur de chaleur.
- Extinction des étincelles. La formation d'étincelles se produit à la suite d'une augmentation de la température de combustion du combustible et du tirage dans la structure de la cheminée, ce qui peut provoquer un incendie. L'appareil permet de brûler les étincelles en toute sécurité.
- Protection contre les effets négatifs des précipitations. Un tel dispositif offre une protection fiable du canal de fumée contre la pluie, la neige, la grêle et les vents violents. Cela contribue au fonctionnement efficace et ininterrompu des équipements de chauffage, même par mauvais temps.
Voyons maintenant ce qui est possible et comment fabriquer soi-même un déflecteur sur la cheminée.La façon la plus simple de commencer est avec un déflecteur de parapluie imparfait ; ses possibilités sont bien plus larges qu'il n'y parait, et cela demande un peu de matériel et un travail pas très compliqué.
Dans les conditions climatiques de la Fédération de Russie, un déflecteur-parapluie sur une cheminée s'avère le plus souvent suffisant, d'autant qu'aucun déchet n'a également été constaté par sa faute. Mais - si le parapluie de cheminée est fait correctement. L'erreur la plus fréquente est de lever le bouchon trop haut sur les crémaillères. Cela n'aidera pas à rendre 100% de la poussée d'origine, mais la probabilité de souffler dans le tuyau augmente considérablement.
Les dimensions correctes du déflecteur-parapluie sur la cheminée sont indiquées à gauche sur la fig. Pour les tuyaux avec un dégagement de 100-200 mm, ils diminuent proportionnellement, puis la valeur de H1 augmente 1,3 fois pour les tuyaux 150-200 mm et 1,6 fois pour les tuyaux 100-150 mm.

Dimensions des déflecteurs-parapluies pour cheminée et ventilation.
A droite sur la fig. les dimensions du déflecteur-parapluie non soufflé sont données, mais dans les conditions de la Fédération de Russie il vaut mieux mettre celui-ci sur le tuyau de ventilation de la ventilation naturelle, car la grille est rapidement recouverte de suie ou de condensat de gaz de combustion, puis la poussière y adhère très bien.

Modifications du déflecteur-parapluie sur la cheminée et le tuyau de ventilation
Un parapluie à 3 étages pour un tuyau de ventilation (pos. 3) est moins susceptible de geler et de se boucher moins qu'un parapluie avec un filet. Pour les tuyaux de 130 à 200 mm, les dimensions changent proportionnellement. Et, enfin, le déflecteur Kiryushkin (pos. 3; tous les cônes - Grigorovich) est utilisé principalement comme un déflecteur actif-passif - un extracteur de fumée de faible puissance pour 12 V 100-200 mA est placé sous un petit cône.
Avant de prendre un déflecteur aérodynamiquement ouvert, voyons comment le déflecteur TsAGI le plus avancé est modifié pour une maison privée. Sa conception originale a été conçue principalement pour les installations industrielles, puis pour les immeubles d'habitation.
Modifications du déflecteur TsAGI pour les cheminées et les tuyaux de ventilation
Et à droite sur la Fig. - dimensions du déflecteur de ventilation TsAGI. Il peut être transformé de passif en passif-actif en peignant la coque avec de l'impasse de forgeron noir ou une autre peinture qui absorbe bien le rayonnement thermique de la terre et des objets entourant la maison. Les ventilateurs dans les évents du système de ventilation de la maison doivent, bien sûr, être laissés, mais ils devront être allumés de temps en temps. Comment fabriquer un déflecteur TsAGI de vos propres mains, voir la vidéo
Montage du déflecteur-girouette
L'installation d'une sonde avec un élément coupe-vent est effectuée selon un certain algorithme.
L'opération se déroule comme suit :
- A l'intérieur du canal de fumée, les paliers supérieur et inférieur sont renforcés à deux niveaux. De plus, vous devez fixer l'axe vertical.
- Un écran semi-cylindrique, un toit et une toile de girouette sont placés sur un axe vertical.
Le principe de fonctionnement du déflecteur-girouette est assez particulier. Après avoir changé la direction du vent, la girouette commence à tourner. Un rideau se déplace avec lui, fermant le canal aux effets du vent. Par conséquent, la fumée commence à sortir du côté sous le vent de la cheminée.
Les courants de vent de réception glissent sur un écran semi-cylindrique, augmentant la traction. Pour que la girouette tourne facilement avec la toile, il est nécessaire de lubrifier les roulements de tête. Pendant la saison froide, il est également nécessaire de faire tomber la glace résultant de l'apparition de condensat.
Ce type d'appareil est mieux utilisé dans les régions au climat doux et aux hivers pas trop rigoureux. Puisqu'il est assez difficile de maintenir cet appareil dans des conditions de très basses températures.
Classification des déflecteurs pour cheminées
Tous les appareils sont divisés en trois grands groupes selon plusieurs critères.
Avant de prendre une décision finale, il est recommandé de vous familiariser avec les modèles de déflecteurs les plus connus.
Le tableau comparatif répertorie uniquement les modèles populaires auprès des développeurs privés.
Table. Types de déflecteurs pour la cheminée
| La casquette de Grigorovitch | Option classique et très courante, la vitesse de déplacement des produits de combustion augmente d'environ 20 à 25 %. L'appareil se compose de deux parapluies presque identiques reliés en une seule structure à une petite distance entre eux. Peut être installé sur les cheminées rondes et carrées. En raison des caractéristiques de conception, il y a une double accélération mouvement aérien: dans le sens de l'étranglement du diffuseur et vers le capot supérieur de reprise. |
| Buse TsAGI | Le modèle a été développé par des employés de l'Institut central d'aérohydrodynamique, dans un passé récent l'institution scientifique spécialisée la plus célèbre. La poussée est améliorée en attirant la pression du vent et la différence de pression en hauteur. La buse à l'intérieur a un écran supplémentaire, à l'intérieur duquel un déflecteur traditionnel est installé. La buse TsAGI élimine l'effet de poussée inverse. L'inconvénient est que dans certaines conditions climatiques de la période hivernale, du givre peut apparaître sur les murs, ce qui aggrave les paramètres du tirage de la cheminée. |
| Cap Astato | Le produit a été développé par des spécialistes de la société française Astato.Il se compose d'une partie statique et dynamique, rarement utilisée sur les cheminées. En effet, les conditions de fonctionnement extrêmement difficiles du ventilateur imposent des exigences strictes en matière de fiabilité et de sécurité. De tels ventilateurs augmentent considérablement le coût global d'installation des conduits de cheminée. |
| Déflecteurs turbo | Dispositifs assez complexes, constitués d'une tête de turbine rotative et d'un corps fixe. En raison de la rotation des pales sous le capot de l'appareil, la pression diminue, la fumée de la cheminée est aspirée plus efficacement. Les roulements modernes permettent à la turbine de tourner à une vitesse de vent de seulement 0,5 m/s, ce qui améliore considérablement les performances des cheminées. Les déflecteurs turbo sont 2 à 4 fois plus efficaces que les modèles statiques et ont une apparence attrayante. |
| Hottes rotatives | Les visières de protection sont reliées au conduit de cheminée par un petit palier fermé des deux côtés. L'auvent a une géométrie incurvée et, en termes de projection, recouvre complètement la section de la cheminée. Une girouette est installée sur le dessus de la hotte, qui fait tourner la structure en fonction de la direction du vent. Les flux d'air traversent des fentes spéciales et montent. Un tel mouvement provoque une diminution de la pression et une augmentation du tirage naturel des gaz d'échappement de la cheminée. |
| Module en forme de H | Il est le plus souvent monté sur des cheminées industrielles. La principale caractéristique est la capacité de travailler avec de fortes rafales de vent. De plus, la possibilité d'inversion de poussée est complètement éliminée. |
Le capitaine devrait choisir un déflecteur approprié après une analyse minutieuse de tous les facteurs. Mais il faut garder à l'esprit qu'une traction très forte a non seulement des côtés positifs, mais aussi des côtés négatifs. Quoi exactement?
- Le mouvement de l'air est si rapide que la mèche s'éteint. Ce problème survient souvent sur les chaudières à gaz. Les modèles modernes ont un allumage automatique avec une étincelle électrique. Il fonctionne constamment, ce qui cause des désagréments aux utilisateurs. Les chaudières de conception obsolète ne sont pas équipées de tels dispositifs, elles doivent être démarrées manuellement.
Si le tirage est trop fort, la flamme de la chaudière s'éteindra constamment
- Un fort tirage réduit l'efficacité de la chaudière de chauffage. Les produits de combustion chauds pendant une courte période de contact avec l'échangeur de chaleur n'ont pas le temps de lui donner le maximum d'énergie thermique. Une partie importante de celui-ci est évacuée par la cheminée, ce qui augmente le coût des ressources financières pour l'entretien du bâtiment en hiver.
Un fort tirage réduit considérablement l'efficacité de la chaudière, ce qui entraîne une augmentation des coûts de chauffage
- Le fort tirage de la cheminée provoque un apport accru d'air extérieur froid. En conséquence, le confort de séjour dans les locaux se dégrade, la température baisse, il faut augmenter la puissance des chaudières. Et cela, compte tenu du coût actuel des vecteurs énergétiques, se reflète dans la situation financière des utilisateurs.
Méthode de vérification de la présence et de la force du tirage dans la cheminée
Montage
Pour installer une turbine rotative, il n'est pas nécessaire d'avoir des connaissances ou des compétences sérieuses. Le produit est de petite taille et de poids. Il ne peut être installé que par une seule personne. En moyenne, il vous faudra deux heures pour monter un déflecteur de turbo. L'installation du produit est effectuée au point le plus élevé du toit et le long du faîte. La distance aux autres déflecteurs doit être d'au moins quatre mètres.
N'oubliez pas que le niveau de température à l'intérieur du canal ne doit pas dépasser cent degrés. Pour éliminer les gaz à haute température, vous devez utiliser des buses spéciales.
Un exemple d'installation d'un déflecteur sur une partie de l'évent. canaux avec transition
Les turbines rotatives peuvent être créées à la main. Pour ce faire, vous avez besoin d'un dessin de l'appareil. Pour créer un appareil, vous n'avez pas besoin de compétences et de connaissances sérieuses. L'appareil est également disponible à l'achat. De nombreuses entreprises proposent leurs produits sur le marché. Étudiez le marché en détail avant d'acheter. N'oubliez pas que chaque fabricant affirme que ses produits sont les meilleurs. C'est loin d'être toujours le cas.
Vidéo
Caractéristiques des modèles de déflecteurs populaires
Aujourd'hui, pour un appareil de chauffage, vous pouvez choisir différents types de déflecteurs, j'aimerais donc considérer la classification et les caractéristiques de chaque type d'un tel appareil. Les déflecteurs se présentent sous différentes formes, à savoir plates, semi-circulaires, avec un couvercle, avec un toit à pignon à pignon.
En règle générale, l'installation de la première option est effectuée sur des bâtiments construits dans le style Art nouveau. Si nous parlons de maisons modernes typiques, les modèles de déflecteurs semi-circulaires sont le plus souvent utilisés.
Dans le cas où une personne habite une telle zone et dans des conditions telles que de fortes précipitations sont observées sur tout au long de l'année, et surtout beaucoup de neige en hiver, il est préférable d'utiliser un déflecteur de toit à pignon.
Maintenant, vous pouvez considérer la question à ce sujet. De quels matériaux les déflecteurs de cheminée sont-ils le plus souvent fabriqués ? En règle générale, la plupart de ces appareils sont en fer galvanisé ou en cuivre.
Bien qu'à l'heure actuelle, il y ait une tendance à voir de plus en plus souvent des échantillons créés à partir d'un polymère résistant à la chaleur et recouverts d'émail de haute qualité, résistant à de nombreux facteurs nocifs possibles. Si le conduit d'évacuation de la chaudière est conçu de telle sorte qu'il n'y ait pas de contact direct avec l'air chaud, il est tout à fait possible d'utiliser même un capuchon en plastique ordinaire.
Sur le marché intérieur, les plus populaires et les plus courants sont :
- "Dent de fumée" ;
- "Étoile Shenard" ;
- Marches de déflecteur, ayant un mécanisme de rotation ;
- "L'appareil de Grigorovich".
Tout d'abord, vous devez décider du matériel que vous prévoyez d'utiliser. L'acier inoxydable ou le fer sont les meilleurs, ainsi que le cuivre. Ces métaux sont assez résistants à toutes sortes de conditions météorologiques, en particulier aux précipitations et aux changements brusques de température.
Voici à quoi ressemble le déflecteur de cheminée
Lors du calcul, il ne faut pas oublier que la hauteur d'un tel dispositif doit être d'environ 1,5 à 1,8 du diamètre interne total du tuyau et la largeur, respectivement, d'environ 1,9.
Une fois le calcul effectué, vous pouvez procéder directement à l'installation, qui comprend les étapes suivantes :
- Un scan des principaux éléments est dessiné sur un carton ordinaire à l'aide d'un marqueur ou d'un feutre;
- Le motif est déplacé sur le métal, après quoi les détails nécessaires sont découpés;
- Tous les éléments sont interconnectés. À cette fin, vous pouvez utiliser soit la soudure, soit certaines attaches;
- Un support spécial est en métal, nécessaire pour installer le capuchon lui-même directement sur la surface du conduit;
- A la fin, un bouchon est assemblé.
Les modèles de déflecteur diffèrent à la fois par leur taille et leur sensibilité au vent.Les modèles les plus populaires sont TsAGI, Khanzhenkov, Volpert-Grigorovich, "Smoke tooth", "Hood" alias "Net", "Shenard". Le premier de ces modèles a été développé à l'Institut aérodynamique. Joukovski.
Le plus souvent, TsAGI est utilisé dans les systèmes de ventilation en raison des difficultés qui surviennent lors du nettoyage de l'appareil de la suie. Le deuxième modèle est essentiellement le même TsAGI, mais quelque peu amélioré par l'inventeur. En fait, il s'agit d'un cylindre supplémentaire autour d'un tuyau avec un couvercle parapluie, immergé à l'intérieur du cylindre sur une certaine distance.
Le déflecteur Volpert-Grigorovitch a fait ses preuves en tant que rehausseur de tirage de cheminée. Il fonctionne efficacement dans les zones où les vents sont faibles. La conception comprend 2 cylindres - le inférieur avec deux tuyaux de sortie et le supérieur avec un couvercle. La "dent de fumée" est montée dans une porte spécialement prévue dans la cheminée. En raison du fait que la conception comprend 2 poignées, vous pouvez régler le débit d'air.
Les couvercles pour cheminées sont fabriqués dans une variété de formes. Parfois, ils sont recouverts d'émail résistant à la chaleur. Les spécimens individuels ont l'air très décoratifs
Le déflecteur "Hood" a une conception rotative. Il se compose d'un piège à air semi-circulaire en forme d'auge monté sur une tige rotative montée à l'intérieur du tuyau. L'augmentation de la puissance de traction en installant un déflecteur-girouette se produit en raison de la turbulence qui se produit lors de la charge du vent.
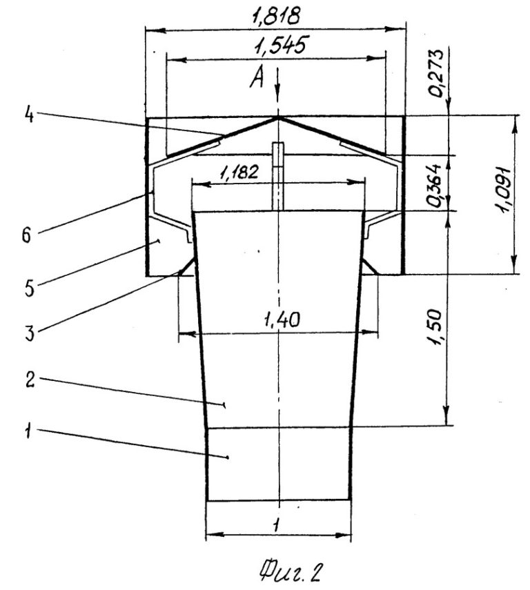
Déflecteur Grigorovitch
Une autre conception éprouvée est le déflecteur Grigorovich, qui est installé sur des cheminées rondes pour stabiliser le tirage. Le déflecteur Grigorovitch se compose de plusieurs parties :
- déflecteur en forme de cône tronqué;
- un capuchon qui protège le tuyau des précipitations ;
- cône inversé, qui crée une zone de pression réduite sous le capuchon et améliore la traction.

Vous pouvez fabriquer un déflecteur Grigorovich à partir des mêmes matériaux que les modèles ci-dessus, la technologie pour leur fabrication est généralement similaire. Les dimensions sont déterminées en fonction du diamètre du tuyau. Il est pris comme base et, à l'aide des coefficients, les dimensions restantes sont calculées :
- Le diamètre du diffuseur en forme de cône dans la partie inférieure est pris égal à 2d, dans la partie supérieure - 1,5d, la hauteur du cône tronqué - 1,5d.
- Le capuchon parapluie et le capuchon de retour en forme de cône ont un diamètre de 2d et une hauteur de 0,25d.
- La distance entre le haut du capuchon de retour et le bord supérieur du diffuseur est également de 0,25d.
- La distance entre le bord supérieur du tuyau et le bord inférieur du diffuseur est de 0,15-0,2d.
Les deux dernières tailles sont fournies avec des supports de la hauteur requise, qui sont fabriqués à partir de chutes d'étain et fixés avec des rivets, des boulons ou par soudage.
Technologie de fabrication et d'installation :
- Selon les dimensions calculées, un croquis est réalisé, transféré sur de la tôle et les éléments sont coupés avec des ciseaux pour le métal.
- Les cônes sont pliés sur un mandrin et fixent les bords avec des rivets ou par pliage. Connectez le parapluie et le cône inversé de la même manière.
- À l'aide de supports, les pièces sont fixées ensemble, en maintenant les distances calculées.
- Fixez le déflecteur au tuyau. Pour faciliter son installation, le déflecteur peut être équipé d'un cylindre inférieur dont le diamètre permet de l'enfoncer sur la canalisation.
La durée de vie d'un capuchon ou d'un déflecteur en acier inoxydable est de 25 ans, en acier galvanisé - au moins 10 ans. Pour l'allonger et donner à la galvanisation un aspect attrayant, vous pouvez la recouvrir de peinture noire résistante à la chaleur en pot. Dans ce cas, la suie et la suie ne seront pas visibles sur le bouchon.
Installer chapeau de cheminée assez simple, et les avantages en sont évidents - vous n'avez plus à perdre de temps au début de la saison de chauffage à nettoyer les tuyaux des feuilles, des peluches, de la poussière. Les précipitations ne pénétreront pas dans le tuyau, ce qui lui permettra de fonctionner sans corrosion ni destruction de briques. De plus, le montage du déflecteur rendra le tirage stable même avec une petite hauteur de tuyau, quelles que soient les conditions météorologiques.
Comment faire un déflecteur TsAGI sur un tuyau de cheminée de vos propres mains
Le processus de développement et d'assemblage du déflecteur au tuyau d'échappement se compose de quatre étapes: dessiner, créer des ébauches, assembler, installer la structure et la fixer directement sur la cheminée.
Outils requis
Vous aurez certainement besoin de :
- une feuille de papier épais pour le dessin et la mise en page;
- marqueur pour marquer;
- riveteuse pour connecter des éléments structurels;
- ciseaux à métal pour couper des pièces;
- perceuse;
- un marteau.

Ne pas oublier le bon outil avant d'installer le déflecteur
Développement d'un dessin du modèle de déflecteur TsAGI
Il existe un algorithme pour fabriquer un déflecteur sur le conduit de fumée de vos propres mains. Il est recommandé de faire la première étape sur papier. Vous devez d'abord calculer les dimensions du diamètre de la buse et du capuchon supérieur de la structure, ainsi que calculer la hauteur du réflecteur.
Pour cela, des formules spéciales sont utilisées:
- diamètre de la partie supérieure du déflecteur - 1,25d;
- diamètre de la bague extérieure - 2d;
- hauteur de construction - 2d + d / 2;
- hauteur de l'anneau - 1,2d ;
- diamètre du capuchon - 1,7d ;
- la distance de la base au bord de l'enveloppe externe est d/2.
Où d est le diamètre de la cheminée.
Un tableau aidera à faciliter la tâche, qui contient des calculs prêts à l'emploi pour les tailles standard de tuyaux métalliques.
| Diamètre de la cheminée, cm | Diamètre de l'enveloppe extérieure, cm | Hauteur de l'enveloppe extérieure, cm | Diamètre de sortie du diffuseur, cm | Diamètre du bouchon, cm | Hauteur d'installation de l'enveloppe extérieure, cm |
| 100 | 20.0 | 12.0 | 12.5 | 17.0…19.0 | 5.0 |
| 125 | 25.0 | 15.0 | 15.7 | 21.2…23.8 | 6.3 |
| 160 | 32.0 | 19.2 | 20.0 | 27.2…30.4 | 8.0 |
| 20.0 | 40.0 | 24.0 | 25.0 | 34.0…38.0 | 10.0 |
| 25.0 | 50.0 | 30.0 | 31.3 | 42.5…47.5 | 12.5 |
| 31.5 | 63.0 | 37.8 | 39.4 | 53.6–59.9 | 15.8 |
Si la cheminée a une largeur non standard, tous les calculs devront être effectués indépendamment. Mais, connaissant les formules, il est facile de mesurer le diamètre du tuyau et de déterminer tous les indicateurs nécessaires pour les utiliser lors de l'élaboration des dessins.
Lorsque les patrons sont réalisés, il est recommandé d'assembler au préalable un prototype papier du futur réflecteur. Même si vous êtes un artisan expérimenté et que vous êtes sûr de construire vous-même sans problème un déflecteur pour la cheminée d'un poêle, vous ne devez pas sauter cette étape, car cela vous aidera à identifier les erreurs et les défauts éventuels et à corriger les calculs ou un dessin. Ce n'est qu'après avoir créé la mise en page correcte du papier, qui confirme que le schéma de déflecteur est exact, que vous pouvez passer à l'étape suivante.
Instruction étape par étape
Il y a un ordre de travail qui doit être suivi, sinon vous ne pourrez pas connecter vous-même les différentes parties du déflecteur de cheminée de vos propres mains.
La procédure est la suivante :
- À l'aide de papiers vierges, transférez le gabarit sur la surface du métal à partir duquel vous prévoyez de fabriquer un réflecteur. Tracez soigneusement les contours des détails du papier. Vous pouvez utiliser un marqueur permanent, une craie spéciale et même un simple crayon à papier à cet effet.
- À l'aide de ciseaux à métal, découpez les blancs des détails structurels nécessaires.
- Sur tout le contour des sections, le métal doit être plié de 5 mm et soigneusement marché avec un marteau.
- Roulez la pièce en forme de cylindre, percez des trous pour les fixations afin de pouvoir connecter la structure avec des rivets. Le soudage est autorisé, mais pas le soudage à l'arc.Il faut veiller à ne pas brûler le métal. Choisissez une distance entre les points d'attache principaux de 2 à 6 cm, elle varie en fonction de la taille de la structure finie. Le cylindre extérieur est plié et fixé de la même manière.
- Pliez et reliez les bords, faites le reste des détails: un parapluie et un capuchon de protection en forme de cône.
- Les attaches doivent être découpées dans la tôle galvanisée - 3-4 bandes: largeur 6 cm, longueur - jusqu'à 20 cm. Pliez sur tout le périmètre des deux côtés et marchez dessus avec un marteau. De l'intérieur du parapluie, il est nécessaire de percer des trous de montage en s'écartant du bord de 5 cm, 3 points suffiront. Après cela, fixez les bandes métalliques au capuchon avec des rivets. Ensuite, ils doivent être pliés à un angle de 90 degrés.
- Connectez le diffuseur et le cône à l'aide de rivets au tuyau d'admission. Après avoir fabriqué de vos propres mains un déflecteur pour un tuyau rond, vous pouvez procéder à son installation.
Un déflecteur de cheminée Volper peut également être créé en utilisant une méthode similaire. Sa conception est très similaire au modèle TsAGI, mais au top il y a quelques différences. Ils sont également en acier inoxydable, galvanisé ou en cuivre.
Dessins comment faire un déflecteur sur une cheminée de vos propres mains
La séquence d'actions dans la fabrication de l'appareil sera la suivante:

- Nous faisons un dessin de tous les détails sur papier (de plus, leur taille creuse), les découpons et les connectons ensemble.
- Si tous les paramètres sur la mise en page papier correspondent, nous faisons de même sur la tôle.
- Une forme de diffuseur est découpée sur un morceau de métal et tordue en un cylindre.
- Pour connecter toutes les parties du déflecteur, vous devez percer soigneusement des trous dans les éléments et utiliser des boulons ou des rivets spéciaux pour créer une structure unique.
- Ensuite, un capuchon, des bandes sont faites, toutes les pièces fabriquées séparément sont reliées entre elles.
Qu'est-ce qu'une revue vidéo de déflecteur de cheminée
Il n'y a rien de compliqué dans le processus de fabrication d'un déflecteur pour un tuyau de vos propres mains, l'essentiel est de suivre les règles d'assemblage et de ne pas oublier la sélection correcte de tous les paramètres de conception.
Types de cheminées
Les tuyaux sont fabriqués à partir de différents matériaux, que nous examinerons plus en détail.
Brique
Les cheminées en briques classiques pour une chaudière à gaz sont toujours en demande, quels que soient leurs nombreux inconvénients et leurs mauvaises performances thermiques. Dans le même temps, ils respectent les normes et règles sanitaires, qui stipulent :
-
Le tuyau est fait de briques d'argile réfractaire.
-
Pour la construction des murs, une solution d'argile ou de colle spéciale est utilisée.
-
Pour améliorer le tirage, la cheminée s'élève au-dessus du niveau du faîte du toit.
Les normes réglementent la hauteur du tuyau par rapport au faîte du toit, en fonction de la distance entre eux
-
La maçonnerie assure l'étanchéité.
-
Au trou intérieur, la déviation n'est pas supérieure à 3 mm par 1 m.
-
Pour protéger contre les précipitations, un déflecteur est installé sur la tête du tuyau.
De plus, la cheminée peut avoir une conception mono qui, en raison de faibles caractéristiques thermiques, est réparée tous les 5 à 7 ans.
tuyau galvanisé
Un dispositif sandwich est aujourd'hui l'option de conception de cheminée la plus efficace. L'avantage incontestable de ces cheminées est leur résistance aux environnements agressifs et aux diverses influences mécaniques.
Le produit se compose de deux tuyaux de tailles différentes, l'un inséré dans l'autre. La laine de basalte est généralement utilisée comme charge entre eux.
cheminée coaxiale
Actuellement, les chaudières à gaz utilisent des chambres de combustion de type fermé. Ici, l'admission d'air et le désenfumage sont réalisés par un tuyau coaxial. Il s'agit d'un appareil original, introduit relativement récemment, mais déjà très populaire parmi les utilisateurs.
La solution non standard réside dans l'admission d'air par un tuyau qui évacue les produits de combustion. Il se trouve que un tuyau effectue deux fonctions dues aux caractéristiques de conception.
Une cheminée coaxiale est un tuyau dans un tuyau
Et sa différence caractéristique par rapport aux tuyaux ordinaires est la suivante ... Un tuyau plus petit (60-110 mm) est situé dans un tuyau de plus grand diamètre (100-160 mm) de manière à ce qu'ils ne se touchent pas.
Dans le même temps, la structure est un tout en raison des cavaliers sur toute la longueur et est un élément rigide. Le tuyau intérieur sert de cheminée et le tuyau extérieur sert de prise d'air frais.
L'échange d'air à différentes températures crée une traction et définit la masse d'air dans un mouvement dirigé. L'air de la pièce n'est pas utilisé pendant le fonctionnement de la chaudière, maintenant ainsi le microclimat dans la pièce.
Céramique
Une telle cheminée est une structure composite, comprenant :
-
Conduit de fumée en matériau céramique.
-
Couche isolante ou lame d'air.
-
Surface extérieure en béton Claydite.
Cette conception complexe est due à plusieurs raisons. Premièrement, le tuyau de cheminée est trop fragile pour être laissé sans protection.
Un tuyau en céramique est toujours situé à l'intérieur d'un bloc solide.
Deuxièmement, la céramique a une conductivité thermique élevée et nécessite donc une isolation fiable.Le tube intérieur de section circulaire a une surface lisse, tandis que sur le tube extérieur, des rugosités sont autorisées qui n'affectent pas l'intégrité du produit.
En règle générale, ces cheminées sont disponibles dans des longueurs de 0,35 à 1 m, selon le fabricant. La connexion des tuyaux intérieur et extérieur se fait au moyen d'un verrou, qui est un amincissement de la taille externe d'une extrémité et une expansion du tuyau intérieur de l'autre côté.
La surface extérieure en béton d'argile expansée est de forme carrée avec un trou rond à l'intérieur. De plus, ce produit offre une place pour un radiateur, qui est maintenu par des cavaliers métalliques. En même temps, ils sont fixés sur la surface extérieure et constituent une fixation fiable pour ce tuyau.
Acier inoxydable
Une cheminée à gaz en acier semble être plus fiable qu'une cheminée en brique. Ils sont résistants à la corrosion, insensibles aux fluctuations de température, ils ne sont pas affectés par l'augmentation de l'humidité de l'air et les environnements agressifs.
Cheminée en acier inoxydable devenir
De plus, ces tuyaux en acier inoxydable présentent un certain nombre d'avantages:
-
Longue période de fonctionnement.
-
Multifonctionnalité.
-
Coût relativement faible.
-
Grande force.
-
Réalisation probable d'un produit de toute complexité.
Pour les cheminées constituées de ce matériau, un assemblage de modules est caractéristique, ce qui permet le remplacement d'un segment endommagé si nécessaire. L'installation des cheminées se fait à l'aide de coudes spéciaux qui leur permettent de s'intégrer harmonieusement dans certains éléments du toit.













































