- Comment connecter un commutateur d'intercommunication à deux gangs
- Comment faire un interrupteur d'intercommunication à deux gangs
- Commentaires : 16
- Ordre de connexion
- Principe de fonctionnement - caractéristiques de commutation d'un circuit électrique
- Commande d'éclairage à partir de trois endroits ou plus
- Le principe de fonctionnement de l'interrupteur croisé (interrupteur)
- Schéma de câblage pour trois interrupteurs
- Schéma de câblage pour quatre interrupteurs
- Types d'interrupteurs à 3 points
- point de contrôle
- Schéma de connexion des fils de l'interrupteur de passage dans la boîte de jonction
- Traverser
- Principe de fonctionnement du sectionneur transversal
- Fabricants bien connus de commutateurs pass-through
- Types d'interrupteurs pour la maison (usage domestique)
- Types de commutateurs inhabituels
- Comment choisir la couleur du salon
- Différents types d'interrupteurs
- Commutateurs tactiles innovants
- Interrupteurs à distance
- Interrupteurs avec capteurs intégrés
- Pass-through ou interrupteurs à bascule
- Conception de disjoncteur de passage
- Le fonctionnement du circuit avec 3 types de commutateurs - conventionnels, traversants et croisés
- Navigation des articles
- Par des interrupteurs
- Scellé
- Modification de l'appareil
- Marquage sur le corps de l'interrupteur
Comment connecter un commutateur d'intercommunication à deux gangs
La connexion d'un commutateur d'intercommunication à deux gangs ne diffère essentiellement que par le nombre de clés et de fils, le circuit reste le même.Il y a déjà 6 fils dans le circuit des interrupteurs. Quatre d'entre eux sont des sorties et deux sont des entrées, deux sorties vers les touches de commutation.
Comment faire un interrupteur d'intercommunication à deux gangs
Le fil neutre passe à travers la boîte de jonction vers les lampes.
Le fil de phase est connecté au premier interrupteur (dispersé à chaque touche).
Les deux extrémités du fil de phase sont reliées à leur paire de sorties du premier interrupteur.
Parfois, il est nécessaire de faire des commutateurs d'intercommunication. Ce que c'est? C'est à ce moment que la lumière peut être allumée à un endroit et éteinte à un autre. Ou vice versa.
Voici des exemples de situations réelles où vous devez allumer et éteindre la lumière à différents endroits. J'en ai rencontré quelques-uns dans la pratique, d'autres que j'ai observés à différents endroits.
- Dans l'hôtel, la lumière peut être allumée à l'entrée de la chambre et éteinte par l'interrupteur à la tête de lit, déjà allongé dans le lit.
- Sur le balcon, qui a deux sorties (de la cuisine et de la chambre). Lorsque vous sortez par une porte, la lumière du balcon s'allume, lorsque vous sortez par une autre, elle s'éteint.
- Dans le pays, vous pouvez placer deux interrupteurs: du bas des escaliers au deuxième étage et d'en haut.
Ce schéma peut être mis en œuvre de deux manières principales :
- utiliser des commutateurs d'intercommunication ;
- à l'aide de relais spéciaux.
Un interrupteur traversant est un dispositif de contact inverseur. Extérieurement, il ressemble exactement à un normal. Le circuit sur de tels commutateurs est le suivant.
L'inconvénient d'un tel schéma est la position peu claire de l'interrupteur lorsque la lumière est éteinte. La clé de l'interrupteur peut être en position haute ou basse. C'est-à-dire que la position des touches des deux interrupteurs lorsque la lumière est éteinte est en opposition de phase.
Le deuxième inconvénient est que vous ne pouvez pas allumer / éteindre en trois points.Par exemple, dans la chambre, j'aimerais faire de la lumière des deux côtés du lit et près de l'entrée. Ensuite, vous devez utiliser un relais spécial.
Dans mon cabinet, j'ai utilisé le relais MR-41 fabriqué par la société tchèque Elko. C'est assez cher, environ 1400 roubles. Mais cela résout le problème au maximum.
Le relais est installé dans le panneau électrique de la même manière qu'un relais normal. Beaucoup de boutons (apparemment jusqu'à 80) y sont connectés sans fixation. Et une lampe est connectée aux contacts de puissance du relais.
Legrand et ABB ont des appareils similaires, mais ils sont beaucoup plus chers.
Lors du choix de tels appareils, il est important de s'assurer qu'il y a deux fonctions
- s'assurer que le rétroéclairage de la touche de l'interrupteur est allumé (tout le monde ne le fait pas);
- rétablissement de l'état actuel après une coupure de courant.
Elko implémente ces deux fonctions. Un autre problème est la recherche d'un interrupteur sans verrouillage. J'ai réussi à trouver de tels interrupteurs dans la populaire série Legrand Valena. Cependant, une tentative de commande a montré que vous pouvez acheter de tels commutateurs tout de suite, sans précommande, même à Moscou dans quelques endroits seulement.
Matériaux associés :
Comment faire des commutateurs de passage?
Commentaires : 16
sérieusement
dites moi si quelqu'un sait)
Le problème est résolu en achetant un interrupteur à clé de type P2K ou un interrupteur à bascule à 2 positions dans un magasin de pièces radio pour quelques roubles.
Interrupteur basse tension à faible courant P2K, lors de la commutation de l'éclairage dans la maison, il brûle après une douzaine d'interrupteurs.
Le 28 décembre, ces interrupteurs ont été vus dans les magasins OBI et Leroy Merlin. Prix à partir de 72 r ? et 240 roubles. C'est à Moscou. Sur Altufevsky sh. et sur Borovsky. Je ne sais pas pour les autres. Oui, j'ai entendu dire qu'il y en avait à Voronezh.
Tous les interrupteurs et interrupteurs servent à une chose - au bon moment pour fermer ou ouvrir le circuit électrique (allumer ou éteindre l'éclairage). Ces appareils sont de différents types et diffèrent dans leur exécution. Dans cet article, nous comprendrons ce que sont les commutateurs et les commutateurs et en quoi ils diffèrent les uns des autres.
Ordre de connexion
- En règle générale, la pose de câbles pour l'installation de tout élément de câblage est effectuée lors de travaux de réparation à grande échelle, y compris la pose de câbles dans des stroboscopes, ainsi que la préparation et l'installation de boîtiers de montage pour interrupteurs. Pour assurer une connexion fiable des contacts de l'appareil aux fils, ils doivent dépasser le bord du boîtier d'au moins 60 mm.
- Si le câblage et l'installation des boîtiers d'installation ont déjà été effectués, ils doivent être préparés pour l'installation des interrupteurs. Pour ce faire, vous devez libérer les extrémités de tous les fils (leur nombre dépend de la conception de l'interrupteur) de l'isolant de 50 à 150 cm.
- La première chose à faire est de couper la tension sur les éléments de câblage électrique à l'aide du disjoncteur installé à l'entrée de l'appartement. Avant de procéder à toute intervention sur les éléments de câblage électrique, il est nécessaire de s'assurer qu'il n'y a pas de tension à l'aide d'un tournevis indicateur ou d'un testeur.
- Les fils sont connectés aux bornes à l'aide des marquages sur le corps du produit. Dans ce cas, le fil entrant est indiqué par la lettre L (L1 et L2 si l'interrupteur est à deux touches), et les fils sortants sont indiqués par des flèches. Parfois, un schéma de câblage est appliqué à l'arrière du boîtier. L'ordre dans lequel les fils sont connectés n'a pas vraiment d'importance, cela peut être fait dans n'importe quel ordre.
- La partie active de l'interrupteur est insérée dans le boîtier et fixée avec des bancs coulissants ou des pinces.
- Un cadre en plastique est en cours d'installation à l'avant de l'appareil.
- La clé (ou les clés) est définie.
- Lors de la dernière étape, il est nécessaire de faire une inclusion de contrôle de chaque appareil pour s'assurer que le circuit fonctionne.
Principe de fonctionnement - caractéristiques de commutation d'un circuit électrique
Sur la base du principe de fonctionnement, il serait plus correct d'appeler les interrupteurs d'éclairage via des interrupteurs. Extérieurement, ils ressemblent presque aux commutateurs ordinaires. Les principales différences entre eux résident dans leur système de contact.
Le but des interrupteurs traditionnels est de fermer et d'ouvrir un circuit électrique. Les commutateurs remplissent des fonctions similaires, mais leur spécificité détermine certaines caractéristiques de conception.
Comme les interrupteurs à deux boutons, le circuit d'interrupteur traversant a trois contacts. Cependant, ce contact supplémentaire a une fonction complètement différente. Lorsqu'un interrupteur classique est actionné, une simple coupure de circuit se produit. Un interrupteur double, ouvrant un circuit, en ferme simultanément un autre, qui, à son tour, est les contacts d'un interrupteur à paire (ces appareils ne sont pas utilisés individuellement).
Le raccordement des interrupteurs de traversée est basé sur des contacts inverseurs fonctionnant selon le principe de la bascule. Certains de ces appareils ont une position zéro, lorsqu'ils sont allumés, les deux circuits sont ouverts, mais en pratique, ces appareils sont extrêmement rarement utilisés.
Lorsque les positions des interrupteurs sont modifiées, le courant est redirigé vers la borne correspondante.De ce fait, l'un des éventuels circuits d'alimentation de la source lumineuse reste fermé. La lumière s'allume lorsque les deux interrupteurs sont dans la même position.
Si à la connexion d'interrupteurs conventionnels utilise deux fils (phase cassable), alors trois conviennent aux passages, dont deux sont des cavaliers entre les interrupteurs de marche, et à travers le troisième, une phase est fournie à un interrupteur, qui du deuxième appareil va à la source lumineuse.
Une caractéristique du schéma d'éclairage utilisant des interrupteurs de passage est la présence obligatoire d'une boîte de jonction.
Commande d'éclairage à partir de trois endroits ou plus
Il n'est pas rare que des situations dans des locaux résidentiels d'une grande surface nécessitent de contrôler l'éclairage à partir de plusieurs points à la fois. Pour créer un système de contrôle multipoint qui vous permet d'allumer et d'éteindre la lumière à partir de 3 endroits en même temps, l'installation d'un interrupteur de passage n'est généralement pas suffisante.
À ces fins, il sera nécessaire d'intégrer un autre élément dans le circuit - un interrupteur croisé, qui est connecté dans une rupture dans un fil à deux fils (c'est-à-dire entre des dispositifs de passage).
Si autrefois l'admissibilité de l'implantation de tels dispositifs était principalement déterminée par l'aménagement des locaux, on les retrouve aujourd'hui un peu partout. L'installation de ce type d'interrupteurs de passage est une tâche très difficile. Tout d'abord, vous devez vous familiariser avec le principe de son travail.
Le principe de fonctionnement de l'interrupteur croisé (interrupteur)
La conception de l'interrupteur prévoit la présence de quatre contacts, dont deux sont connectés aux bornes d'un interrupteur et deux autres au deuxième appareil.
Ces appareils, lorsqu'ils sont allumés, remplissent des fonctions spéciales (de transit), car ils sont dans une certaine mesure transitoires.
Vous pouvez voir visuellement le principe de fonctionnement de l'interrupteur croisé sur l'image Gif ci-dessous.
Schéma de câblage pour trois interrupteurs
Une représentation schématique de la connexion d'un interrupteur à 2 voies et d'un interrupteur croisé est illustrée sur la figure.
Il montre clairement qu'un commutateur croisé est installé entre deux commutateurs de passage, agissant comme une sorte de nœud de transit.
Ci-dessous, nous fournissons un schéma de connexion de tous les éléments du circuit de commande d'éclairage électrique dans la boîte de jonction.
La vidéo que nous avons publiée ci-dessous vous aidera sans aucun doute à assembler un schéma de câblage pour trois interrupteurs dans une boîte de jonction.
Schéma de câblage pour quatre interrupteurs
Pour quatre points de commande, vous devrez appliquer le schéma de câblage complexe illustré dans la figure ci-dessous. Dans un tel kit, non seulement deux passages, mais également une paire de commutateurs de type croisé sont utilisés.
Lorsque l'on considère l'option de contrôler un luminaire à partir de 4 endroits à la fois, deux dispositifs de commutation croisés seront nécessaires.
S'il y a plusieurs groupes d'éclairage dans cette pièce, il convient de privilégier les interrupteurs à deux touches en croix. Les systèmes de passage ainsi installés simplifient considérablement la procédure de commande de l'éclairage.
Ces systèmes de nombreux appareils commutés (avec toute la commodité apparente) remettent encore plus en question leur fiabilité. Même avec une inclusion appropriée et une manipulation soigneuse, ils se caractérisent par les inconvénients suivants :
- coût relativement élevé;
- fiabilité relativement faible ;
- la possibilité de faux positifs ;
- complexité de l'entretien et de la réparation.
C'est pourquoi la connexion d'interrupteurs de passage et d'interrupteurs en croix pour contrôler l'éclairage à partir de plusieurs endroits est la meilleure option pour utiliser le principe de la commande multipoint.
Types d'interrupteurs à 3 points
Les aiguillages de trois lieux sont représentés par deux types de produits : traversant et traversant. Ce dernier ne peut pas être utilisé sans le premier. Selon le principe de fonctionnement, les sections sont divisées en:
- Claviers.
- Pivot. Un mécanisme rotatif est utilisé pour fermer les contacts. Ils sont présentés dans une variété de modèles et coûteront plus cher que d'habitude.
Compte tenu de l'installation, les croix sont divisées en:
- Aérien. Le montage s'effectue en haut du mur, ne nécessite pas d'évidement dans le mur pour installer l'appareil. Si la décoration de la pièce n'est pas prévue, cette option est idéale. Mais de tels modèles ne sont pas suffisamment fiables, car ils sont soumis à des facteurs externes ;
- Embarqué. Installé dans le mur, adapté aux travaux de câblage dans tous les types de bâtiments. Un trou dans le mur est pré-préparé en fonction de la taille de la boîte de commutation.
point de contrôle
Contrairement au modèle classique, l'interrupteur de passage a trois contacts et un mécanisme qui combine leur travail. Le principal avantage du produit est la possibilité d'allumer ou d'éteindre à partir de deux, trois points ou plus. Le deuxième nom d'un tel commutateur est "toggle" ou "dupliquer".
La conception du commutateur d'intercommunication à deux touches ressemble à deux commutateurs simples indépendants l'un de l'autre, mais avec six contacts. Extérieurement, un interrupteur de passage ne peut être distingué d'un interrupteur conventionnel s'il n'y avait pas une désignation spéciale dessus.
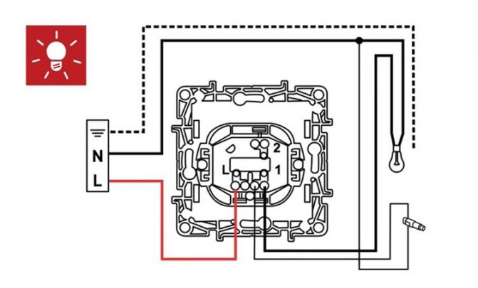
Schéma de connexion des fils de l'interrupteur de passage dans la boîte de jonction
Circuit sans conducteur de terre. Maintenant, le plus important est d'assembler correctement le circuit dans la boîte de jonction. Quatre câbles à 3 conducteurs doivent y entrer :
câble d'alimentation de la machine d'éclairage du tableau
câble pour interrupteur #1
câble pour interrupteur #2
câble pour lampe ou lustre
Lors de la connexion des fils, il est plus pratique d'orienter par couleur. Si vous utilisez un câble VVG à trois conducteurs, il comporte les deux marquages de couleur les plus courants :
blanc (gris) - phase
bleu - zéro
vert jaune - terre
ou la deuxième option :
gris blanc)
brun
le noir
Pour choisir un phasage plus correct dans le second cas, reportez-vous aux conseils de l'article « Marquage couleur des fils. GOST et règles.
L'assemblage commence avec zéro conducteur. Connectez le noyau zéro du câble de la machine d'introduction et le zéro qui va à la lampe à un moment donné via les bornes de la voiture.
Ensuite, vous devez connecter tous les fils de terre si vous avez un conducteur de terre. Comme pour les fils neutres, vous combinez la "masse" du câble d'entrée avec la "masse" du câble sortant pour l'éclairage. Ce fil est relié au corps de la lampe.
Il reste à connecter les conducteurs de phase correctement et sans erreur. La phase du câble d'entrée doit être connectée à la phase du fil sortant à la borne commune de l'interrupteur de traversée n° 1.Et connectez le fil commun du commutateur de traversée n ° 2 avec une pince Wago séparée au conducteur de phase du câble d'éclairage. Après avoir terminé toutes ces connexions, il ne reste plus qu'à connecter les noyaux secondaires (sortants) des commutateurs n ° 1 et n ° 2 entre eux
Et peu importe comment vous les connectez.
Vous pouvez même mélanger les couleurs. Mais il vaut mieux s'en tenir aux couleurs, pour ne pas se confondre à l'avenir. Sur ce, vous pouvez considérer le circuit entièrement assemblé, appliquer une tension et vérifier l'éclairage.
Les règles de connexion de base de ce schéma dont vous devez vous souvenir :
- La phase de la machine doit arriver au conducteur commun du premier interrupteur
- La même phase doit aller du conducteur commun du deuxième interrupteur à l'ampoule
- Les deux autres conducteurs auxiliaires sont interconnectés dans la boîte de jonction
- Le zéro et la terre sont alimentés directement sans interrupteurs directement aux ampoules
Traverser
Modèles croisés à 4 broches, ce qui vous permet de connecter deux broches en même temps. Contrairement aux modèles de visite, les modèles croisés ne peuvent pas être utilisés seuls. Ils sont installés complets avec des passages, ils sont désignés à l'identique sur les schémas.
Ces modèles rappellent deux interrupteurs un gang soudés. Les contacts sont reliés par des cavaliers métalliques spéciaux. Un seul bouton de commutation est responsable du fonctionnement du système de contact. Si nécessaire, un modèle croisé peut être fabriqué par vous-même.
Principe de fonctionnement du sectionneur transversal
Le dispositif de passage pour allumer et éteindre la lumière à l'intérieur a quatre bornes - il ressemble aux interrupteurs ordinaires. Un tel dispositif interne est nécessaire pour l'interconnexion des deux lignes que l'interrupteur va réguler.Le sectionneur peut à un moment donné ouvrir les deux interrupteurs restants, après quoi ils sont connectés ensemble. Le résultat est d'allumer et d'éteindre la lumière.
Fabricants bien connus de commutateurs pass-through
Legrand est un leader sur le marché de l'électroménager. La demande pour les interrupteurs de passage Legrand est due à la haute qualité des produits, à la facilité d'installation, à la commodité d'utilisation ultérieure, au design élégant et à la tarification flexible. Le seul inconvénient est la nécessité d'ajuster l'emplacement de montage. S'il ne correspond pas au produit, il peut être difficile de l'installer, ce qui s'effectue selon le schéma de câblage par passage aiguillage Legrand.

Interrupteurs traversants de Legrand
Une filiale de Legrand est la société chinoise Lezard. Cependant, seul un design élégant est resté de la marque native. La qualité de construction est bien inférieure, en raison du faible coût de production.
L'un des principaux fabricants nationaux d'appareils électriques est la société Wessen, qui fait partie de la société Schneider Electric. Tous les produits sont fabriqués selon les dernières technologies sur des équipements étrangers modernes et sont conformes aux normes de qualité européennes. Les modèles ont un design élégant universel qui vous permet d'intégrer chaque élément dans n'importe quel espace intérieur. Une caractéristique distinctive des interrupteurs Wessen est la possibilité de remplacer le cadre décoratif sans démonter l'appareil.
Un autre fabricant tout aussi connu est la société turque Viko.Les produits se caractérisent par une finition, une fiabilité et une durabilité élevées, répondent aux exigences de sécurité électrique et aux normes de qualité européennes. Dans la fabrication du boîtier de l'appareil, un plastique durable ignifuge est utilisé, conçu pour un grand nombre de cycles de travail.
L'interrupteur de passage, contrairement à l'habituel, a trois fils conducteurs
La marque turque Makel propose des produits de qualité, fiables, sûrs et élégants. Grâce à la possibilité de connecter une boucle sans avoir besoin d'utiliser une boîte de jonction, l'installation des interrupteurs devient plus facile et le fonctionnement ultérieur est confortable et sûr.
Types d'interrupteurs pour la maison (usage domestique)
Les différents types d'interrupteurs utilisés dans la vie quotidienne doivent être pratiques, sûrs et avoir un design attrayant. Ils diffèrent les uns des autres par les types et les types. Selon la méthode d'installation, le commutateur peut être intégré ou installé à l'extérieur. De nos jours, la clé rotative est le plus souvent utilisée comme commandes ; de tels interrupteurs sont courants en Europe.
Types d'interrupteurs pour la maison
Aux États-Unis, ils préfèrent utiliser des interrupteurs à levier (interrupteurs à bascule), ne voulant apparemment pas s'écarter de la tradition. Mais c'est maintenant, et dans les temps anciens, lorsque Thomas Edison n'a fait que son invention, des commutateurs rotatifs ont été utilisés. Ils étaient connus dans le monde entier dans la première moitié du 20e siècle et commutaient jusqu'à plusieurs circuits en 3-4 positions (commutateur de paquets). Les commutateurs de paquets sont encore utilisés dans de nombreux anciens boucliers utilitaires.
Pour allumer la lampe, utilisez un interrupteur à clé unique; pour les lustres, un interrupteur à deux ou même trois clés est utilisé. Pour les pièces telles que les toilettes et les salles de bains, utilisez un interrupteur double. Nous ajoutons qu'à notre époque de technologie de pointe, de nombreux commutateurs avec des fonctions supplémentaires sont apparus. Ce sont les fonctions :
- interrupteur lumineux pour la nuit
- interrupteur avec minuterie d'arrêt.
- Commutateurs avec contrôle de la luminosité.
Si tout est clair avec le premier type de fonctions, alors le second est utilisé pour économiser la lumière dans les petites pièces (garde-manger, salles de bain) où ils entrent pendant une courte période et oublient d'éteindre la lumière. Et le troisième peut être utilisé avec les luminaires prenant en charge la fonction de gradateur (gradateur). Parfois, ils se présentent sous la forme d'un ensemble, car ce type d'appareil n'est pas encore standardisé.
Types de commutateurs inhabituels
Un interrupteur avec un détecteur de mouvement est un autre moyen d'économiser de l'électricité, très pratique. La lumière s'allume si le capteur infrarouge détecte le mouvement d'une personne dans le champ de vision du capteur. Un mouvement répété peut éteindre la lumière, ou une minuterie peut le faire une fois qu'un mouvement a été détecté. L'interrupteur avec détecteur de mouvement ne nécessite aucune action de la part d'une personne, sa présence suffit.
Il y a un soi-disant interrupteur intelligent, c'est l'interrupteur en coton. Comme il réagit au bruit, il peut s'allumer involontairement. A l'intérieur se trouve un microphone, c'est aussi un amplificateur et un dispositif à microprocesseur afin de reconnaître la nature du son. Cela peut ne pas fonctionner la première fois, car il se souvient du son de l'utilisateur en mémoire pour une comparaison ultérieure.
Et de telles choses arrivent
L'interrupteur au sol se présente sous la forme d'un bouton avec fixation. Il peut être allumé en appuyant sur le pied avec peu d'effort, et la conception est faite de telle manière que le poids du pied ne l'endommage pas.
L'interrupteur de plafond est également un bouton avec un loquet, auquel la force est transmise depuis le levier, avec un cordon qui y est attaché. La mécanique est dissimulée derrière un cache décoratif. Pour l'allumer ou l'éteindre, vous devez tirer légèrement sur le cordon.
Comment choisir la couleur du salon
La palette de couleurs de cette pièce doit être faite dans des tons qui favorisent la détente, à la fois émotionnelle et physique. Les psychologues recommandent plusieurs couleurs primaires :
- Menthe.
- Du blé.
- Bleu clair.
- Lilas.
- Vert.

Malgré la popularité de la peinture murale, de nombreuses personnes préfèrent tapisser les murs à l'ancienne.

Cependant, parmi la variété de ce matériau, il est facile de s'embrouiller et tout le monde ne sait pas comment choisir un papier peint pour le salon. Pour faire le bon choix, plusieurs critères doivent être pris en compte :
- Propriétés d'un type particulier de papier peint.
- Le naturel de la matière.
- Prix.
- Coloration (unie ou imprimée).

Ces dernières années, les papiers peints en liège ou en bambou ont acquis une popularité particulière, car ils ont d'excellentes propriétés d'isolation phonique et thermique, et ont également fière allure à l'intérieur.

Différents types d'interrupteurs
Ensuite, nous verrons les différents types de commutateurs. En plus des commutateurs habituels que nous connaissons tous, il existe d'autres types de commutateurs qui ne sont pas si populaires, mais qui ont en même temps leurs propres caractéristiques et avantages. Regardons certains d'entre eux.
Commutateurs tactiles innovants
Ces commutateurs sont activés en touchant légèrement un panneau tactile sensible spécial situé à l'extérieur de l'appareil. Ainsi, le panneau fonctionne dans un système de boutons ou de touches. Sa conception comprend un circuit électronique fonctionnant sur les semi-conducteurs de l'élément sensible et son propre interrupteur. En touchant le panneau. Un contact tactile se produit et l'élément capteur envoie un signal au circuit électronique. Les interrupteurs tactiles peuvent également être équipés de capteurs supplémentaires et réagir à leurs signaux ou fonctionner à distance.
Commutateurs tactiles
Interrupteurs à distance
Ces interrupteurs permettent de contrôler le luminaire à distance. À l'aide d'une télécommande spéciale, une commande est transmise au dispositif d'éclairage via un canal radio. L'interrupteur dans ce cas est un récepteur équipé de contacts de commutation qui coupent le fil d'alimentation de la lampe.
Interrupteurs à distance
Une télécommande est attachée à ce type d'interrupteur. Souvent, cela ressemble à un porte-clés ordinaire. La portée de son action dépend en grande partie du matériau à partir duquel la télécommande est fabriquée, mais cette distance est généralement de 20 à 25 m.La télécommande fonctionne à l'électricité, qui dépend des piles. Ce schéma implique des contrôleurs à microprocesseur. Ils permettent des fonctions supplémentaires : réglage de la minuterie, réglage de l'intensité lumineuse, etc.
Interrupteurs avec capteurs intégrés
Ces capteurs spéciaux ont des détecteurs qui peuvent déterminer le niveau de mouvement de l'environnement. Plus précisément, l'absence ou la présence d'un objet assez grand dans la zone touchée, ainsi que l'intensité de l'éclairage.
Interrupteurs avec capteurs intégrés
Les signaux du capteur sont envoyés au contrôleur qui les analyse. Lorsque les paramètres prédéterminés sont fixés, un signal est envoyé à l'organe exécutif. Après cela, la fermeture-ouverture des contacts du circuit se produit. Ainsi, l'interrupteur ne fonctionne qu'après avoir détecté le mouvement d'un objet dans la zone de portée. L'appareil économise beaucoup d'énergie et est assez facile à utiliser.
Pass-through ou interrupteurs à bascule
Ceci est une sorte de modèles de clavier. Contrairement aux commutateurs d'intercommunication, ils n'ouvrent/ferment pas les contacts, mais les commutent simplement. C'est-à-dire qu'une des lampes connectées à cet interrupteur s'allume ou s'éteint. Des interrupteurs à bascule sont nécessaires afin de les utiliser pour contrôler la connexion de la lumière dans plusieurs pièces en même temps. Ils peuvent être séparés les uns des autres, l'essentiel est que non seulement un, mais également plusieurs luminaires puissent être connectés à de tels appareils.
Conception de disjoncteur de passage
Extérieurement, l'interrupteur à mi-vol ne diffère pas de l'habituel, à l'exception de la présence sur la touche d'une image conditionnelle sous la forme de deux triangles et d'un schéma de dispositif au dos de la base diélectrique.
À l'intérieur de l'interrupteur de passe, il y a trois contacts : deux fixes et un mobile (bascule), pilotés par la clé externe de l'appareil. Le contact inverseur a deux positions de fonctionnement possibles - sur l'une des bornes fixes. En appuyant sur une touche, le contact mobile se déplace d'une borne à l'autre, coupant un circuit et fermant le second.
Cette caractéristique de conception du commutateur d'intercommunication est basée sur un schéma de réseau dans lequel un appareil d'éclairage peut être contrôlé à partir de deux endroits différents. Les fils neutre et de terre de la boîte de jonction sont conduits au dispositif d'éclairage et un espace est créé dans le conducteur de phase par deux interrupteurs de traversée, entre lesquels sont posées deux lignes alternatives.
Le fonctionnement du circuit avec 3 types de commutateurs - conventionnels, traversants et croisés
Comme vous pouvez le voir, avec n'importe quelle combinaison des positions des contacts de l'interrupteur, nous pouvons toujours allumer et éteindre la lumière à partir de l'un d'eux.
Les deux sorties d'un interrupteur sont reliées à deux sorties du second interrupteur, et les deux autres sorties de cet interrupteur sont reliées aux deux autres sorties du premier interrupteur. 5 Réponses aux questions fréquemment posées Il y a des questions que les gens se posent lors du choix de ces systèmes : Combien de fils les interrupteurs doivent-ils faire fonctionner ? De tels dispositifs sont insérés dans l'espace de deux fils reliant les commutateurs de passage.
L'appareil est appelé ainsi car lors de la commutation, il inverse la connexion des fils appropriés aux fils sortants - dans le sens croisé. L'interrupteur croisé ne fonctionne qu'en combinaison avec des interrupteurs de passage et dans les circuits d'éclairage, il est allumé entre eux. Photo - schéma du fonctionnement de l'interrupteur croisé La principale différence entre les interrupteurs croisés et les interrupteurs croisés est que les premiers peuvent être utilisés indépendamment, tandis que les seconds ne le peuvent pas. À quelles bornes les fils sont-ils connectés ?
Article lié : Économies d'énergie au cent
Navigation des articles
Toutes les pièces sont fabriquées avec des matériaux de haute qualité et sont contrôlées à toutes les étapes de la production.Principe de fonctionnement Vous trouverez ci-dessous un schéma de connexion des interrupteurs intermédiaires, qui permettent d'allumer et d'éteindre la lumière indépendamment à partir de deux endroits différents. Il a également deux contacts, le même mécanisme pour commuter les contacts, mais différents dans la façon dont ils sont commutés. Les appareils qui éteignent la lumière ne font pas exception.
Afin de ne pas vous tromper sur le type d'interrupteur, vous devez vous familiariser avec le circuit de commutation présent sur le corps de l'interrupteur. Pour contrôler un appareil qui émet de la lumière à partir de trois endroits ou plus, des interrupteurs croisés sont utilisés.
Par des interrupteurs
Lorsque vous appuyez sur le bouton de l'un des trois interrupteurs, la chaîne est ouverte. Un fil neutre est tiré dans la boîte de jonction à partir du blindage.
En appuyant sur le bouton interrupteur PV2, le circuit sera fermé. Comme vous pouvez le voir, avec n'importe quelle combinaison des positions des contacts de l'interrupteur, nous pouvons toujours allumer et éteindre la lumière à partir de l'un d'eux.
Interrupteur double croix Schneider Electric
Scellé

Un type spécial d'interrupteurs - interrupteurs hermétiques conçus pour être installés dans des pièces très humides ou poussiéreuses: dans les bains, les saunas, les douches. Aussi, comme les prises étanches, elles sont classées selon le degré de protection. Ainsi, un interrupteur installé dans une salle de bain ou une douche doit avoir un indice de protection d'au moins IP-44. En savoir plus sur les classes de protection dans notre article.
11. Commutateur avec capteur de mouvement intégré

Comme son nom l'indique, l'interrupteur, ou plutôt le capteur qui lui est relié, réagit aux mouvements : la lumière s'allume lorsqu'une personne se trouve dans le champ de vision du capteur, et s'éteint lorsque cette personne en disparaît.Le plus souvent, le principe de fonctionnement de tels capteurs est basé sur le suivi du rayonnement infrarouge.
Les interrupteurs avec détecteurs de mouvement intégrés économisent de l'énergie. Avec l'aide d'eux, vous pouvez également régler l'intensité de l'éclairage, allumer des projecteurs, une sirène, des caméras de vidéosurveillance et contrôler d'autres équipements utiles. Malheureusement, le prix de ces super-mécanismes est convenable.
Astuces utiles

- Pour la salle de bain et la cuisine, utilisez des interrupteurs scellés avec une classe de protection contre l'humidité et la poussière d'au moins IP - 44
- Les interrupteurs à corde s'intégreront harmonieusement dans la chambre de bébé : le bébé peut facilement atteindre le cordon et pouvoir allumer rapidement la lumière dans l'obscurité s'il fait soudainement un mauvais rêve la nuit
- Pour le salon, les gradateurs sont les meilleurs, car regarder la télévision et lire un livre nécessitent des quantités de lumière différentes.
- Pour votre commodité, les volées d'escaliers d'une maison privée doivent être équipées d'interrupteurs de passage ou d'interrupteurs avec détecteurs de mouvement intégrés.
Modification de l'appareil
Le processus de retravailler un simple interrupteur dans le point de contrôle est accessible à tous de ses propres mains. Son apparence n'est pas différente de son homologue. Il peut avoir 1 clé, 2 ou plus. La différence entre ces appareils n'est visible que de l'intérieur. La traversée est utilisée pour commuter les circuits, il est donc plus correct de l'appeler un commutateur. Le plus souvent, à la maison, vous devez utiliser un interrupteur de marche à une touche conventionnel. Dans les grandes pièces, un appareil à plusieurs clés est parfois nécessaire.
La modification consiste à ajouter un contact : au lieu de 2, il faut en mettre 3. Comment connecter un switch pass-through au réseau ? Un câble à trois conducteurs doit être posé entre une paire de luminaires.La phase va toujours à l'interrupteur, zéro au luminaire. De nos jours, les circuits de photorelais sont réalisés sur des transistors KT315B ou sur Q6004LT. Notre tâche consiste à fabriquer un interrupteur à faire soi-même à partir d'un interrupteur ordinaire à mi-vol.
Marquage sur le corps de l'interrupteur
Sur la partie de l'interrupteur où se trouvent les contacts, il y a généralement un marquage spécial indiquant les caractéristiques du produit de commutation. Au minimum, il s'agit de la tension et du courant nominaux, ainsi que du degré de protection selon IP et de la désignation des serre-câbles.
Lorsque la lumière est allumée dans les lampes fluorescentes, une forte augmentation du courant d'appel se produit dans le circuit. Si des ampoules LED ou à incandescence sont utilisées, ce saut n'est pas si important.
Sinon, le disjoncteur doit être conçu pour de telles charges élevées, sinon il y a un risque de brûler les contacts dans ses pinces.
Pourquoi est-il si important pour les lampes électriques fluorescentes de choisir des interrupteurs spéciaux
Pour une installation dans une chambre ou un couloir, un interrupteur avec IP03 est tout à fait adapté. Pour les salles de bains, il est préférable de monter le deuxième chiffre à 4 ou 5. Et si le produit de commutation est installé à l'extérieur, alors le degré de protection doit être au moins IP55.
Lire aussi : Comment déterminer la valeur d'un condensateur céramique
Les pinces de contact pour les fils électriques sur l'interrupteur peuvent être :
- vis avec et sans plaque de pression;
- ressorts sans vis.
Les premiers sont plus fiables, tandis que les seconds simplifient grandement le câblage. De plus, la meilleure option est les colliers à vis avec l'ajout d'une plaque de pression. Une fois serrés, ils ne détruisent pas l'âme du fil avec la pointe de la vis.
Également dans le marquage des interrupteurs, il y a des désignations de bornes :
- "N" - pour le conducteur de travail zéro.
- "L" - pour un conducteur avec une phase.
- "EARTH" - pour une mise à la terre nulle du conducteur de protection.
De plus, l'utilisation habituelle de "I" et "O" indique la position de la clé dans les modes "ON" et "OFF". Il peut également y avoir des logos de fabricants et des noms de produits sur le boîtier.






































