- Options de fabrication des étuis de protection
- Objectif
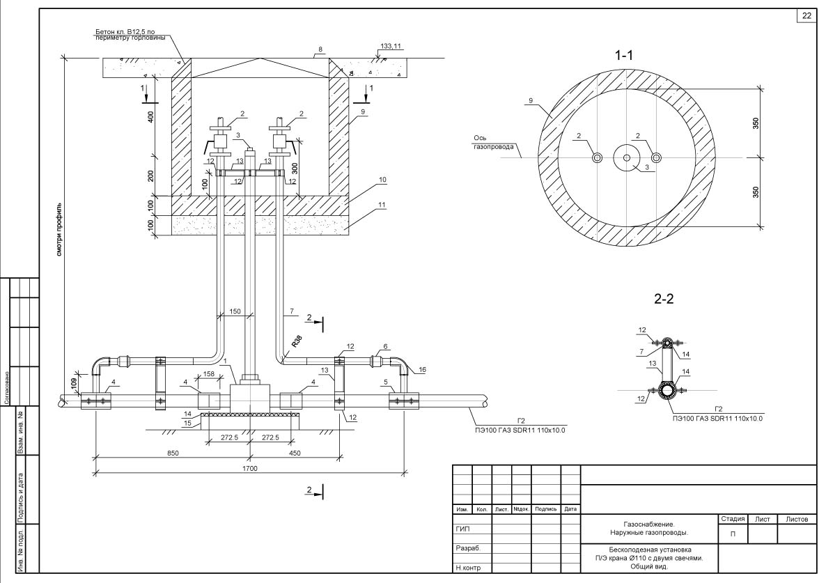
- TUYAU DE GAZ TUYAU DE COMMANDE DN50
- But de l'étui de protection
- Faire un cas
- Caractéristiques des produits d'assistance-guidage
- Grande encyclopédie du pétrole et du gaz
- But de l'étui de protection
- Faire un cas
- Tube de contrôle sur le gazoduc: objectif + règles d'installation sur le boîtier
- Étui de protection pour tuyau de gaz (ZFGT)
- Comment l'étui de protection est-il installé ?
- Quels SNIP réglementent la pose des canalisations et l'utilisation des étuis
- Le but de surveiller l'état d'un gazoduc souterrain
- Placement du gazoduc dans le boîtier
- VUS bitumineux
- But de l'étui de protection
- Faire un cas
- Le diamètre du tube de contrôle doit être d'au moins 32 mm
Options de fabrication des étuis de protection
Valise détachable longueur fixe 6 mètres

Longueur fixe du boîtier - 6000 mm. Conçu pour être installé sur des gazoducs existants à l'intersection avec les services publics dans un espace limité et n'a pas la capacité d'augmenter ou de diminuer la longueur.
Boîtier amovible sectionnel composite sur les brides d'extrémité

La longueur maximale d'une section est de 5500 mm, la minimale est de 2000 mm. Un joint en caoutchouc spécial est installé entre les brides.Le raccord à bride est monté sur des boulons M10 en acier inoxydable et permet la réalisation de boîtiers de protection de n'importe quelle longueur selon les dimensions du client.
Objectif

Le système de drainage de l'eau est dans la plupart des cas monté à partir de tuyaux en polyéthylène. Malgré la résistance de ce matériau, une déformation du pipeline peut se produire sous la pression du sol ou de la masse d'eau. De telles situations se produisent particulièrement souvent lors de la pose d'égouts sous des autoroutes, des voies ferrées, dans des canaux ou des tunnels techniques.
Le boîtier est une coque supplémentaire du pipeline. Le but du boîtier d'égout est de protéger les tuyaux souterrains en polyéthylène et matériaux similaires des impacts négatifs de l'extérieur. En particulier, nous parlons de la pression du sol, de l'eau du sol et d'autres facteurs qui réduisent considérablement la durée de vie de tous les éléments du système d'égouts.
TUYAU DE GAZ TUYAU DE COMMANDE DN50
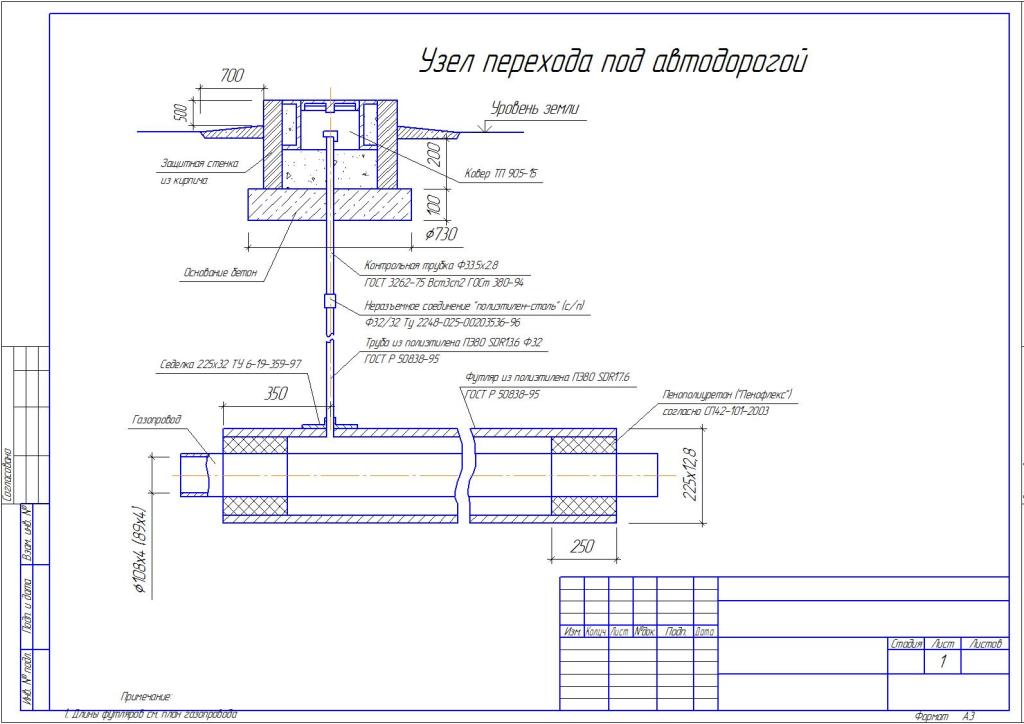
Le tube de contrôle sur le gazoduc est conçu pour détecter rapidement les fuites de gaz dans le gazoduc souterrain, aux endroits les plus critiques pour les coudes de raccordement, ainsi que là où le gazoduc est difficile d'accès pour inspection. Plus efficace sur les gazoducs situés au-dessus du niveau de la nappe phréatique. L'extrémité libre du tube de contrôle est ramenée à la surface sous un dispositif de protection - un tapis.
Nous fabriquons des tubes de contrôle en série, incl. d'après dessins
UG 14.01.00 s.5.905-25.05, UG 11.01.00 s.5.905-30.07, UG 16.01.00 s.5.905-15.
Il est possible de fabriquer d'autres tailles standard, CT avec un bouchon, ainsi que des produits selon les plans du Client.
Le tube de contrôle est utilisé pour la surveillance systématique et la détection des fuites de gaz sur les gazoducs souterrains sans ouvrir la surface de la route.Ils sont généralement installés à certaines distances le long du tracé du gazoduc, le plus souvent au-dessus des points du gazoduc pour lesquels un contrôle opérationnel périodique est important.
Le tube de commande est constitué d'un tuyau de 2 pouces dont l'extrémité inférieure est soudée au boîtier du gazoduc, la zone située entre le gazoduc et le boîtier est recouverte d'une couche de pierre concassée ou de gravier fin de 100 mm de haut et recouverte avec une enveloppe en acier d'environ 350 mm de long, pliée en forme de demi-cercle et généralement installée au-dessus du joint du gazoduc. D'en haut, le tube de contrôle est fermé par un capuchon en acier monté sur une charnière. Pour déterminer la fuite de gaz, le couvercle du tube de contrôle est replié et le tube de prélèvement de gaz de l'indicateur de gaz est inséré dans le tuyau. En l'absence d'indicateur, une fuite de gaz est détectée par l'odorat.
Sur les gazoducs en polyéthylène, des tubes de contrôle sont installés aux emplacements des joints permanents en polyéthylène-acier, à l'intersection des gazoducs avec les voies ferrées, les réseaux de chauffage, les autoroutes, les voies de tramway, les collecteurs et les tunnels, les canaux; aux endroits où des tuyaux en polyéthylène sortent du sol sur des sections verticales hors sol du gazoduc lors de l'utilisation de raccords amovibles dans un boîtier; ainsi que dans des endroits sans emplacement de puits de connexions détachables. Si la longueur de la section de gazoduc ne dépasse pas 150 m et que le tuyau est installé sans joints soudés, il est permis de ne pas installer de tube de contrôle.
Il est plus efficace d'installer des tubes de contrôle sur un gazoduc situé au-dessus du niveau de la nappe phréatique. Dans certains cas, des dispositifs sont installés pour faciliter la détection d'une fuite de gaz et bloquer son mouvement dans la zone dangereuse. Le sol ameubli contribue au rejet de gaz vers l'extérieur en direction des sous-sols et des bâtiments.Pour contrôler ces fuites et évacuer les gaz dans la direction souhaitée, dans certains cas, des drains ouverts en permanence sont disposés,
But de l'étui de protection
L'utilisation du boîtier est due non seulement à la protection du gazoduc lui-même contre les effets d'un environnement agressif et de divers dommages, mais également à la sécurité des autres. Tout le monde sait qu'une fuite de gaz est un phénomène très dangereux, donc une protection supplémentaire, dans ce cas, n'est pas un luxe, mais une condition nécessaire.
La pose de tuyaux à l'aide d'un étui de protection est strictement réglementée, conformément aux documents réglementaires - SNiP 42-01 et SNiP 32-01. Selon les exigences spécifiées dans le dernier document, non seulement le processus de pose des tuyaux lui-même est réglementé, mais également la distance à laquelle les extrémités du boîtier de protection doivent être situées.
En particulier, si nous parlons de voies ferrées, le boîtier de protection doit les traverser et avoir une longueur d'au moins 50 mètres à partir de la sortie. Une telle importance est justifiée par le fait que le gaz naturel est très explosif et que les trains ont une masse très élevée. En ce qui concerne les routes, les caisses doivent dépasser de la sortie à 3,5 mètres de celles-ci. De plus, il existe des instructions précises pour la profondeur de pose du pipeline, qui est d'environ un mètre et demi.
Faire un cas
Conformément à la même réglementation, les caisses doivent être réalisées en tubes d'acier. Le diamètre peut être différent, car tout dépend des paramètres du diamètre du gazoduc, mais, en général, le diamètre ne différera pas beaucoup, la propagation sera inférieure à 10 cm.
Caractéristiques des produits d'assistance-guidage
Les supports conventionnels pour les communications par pipeline remplissent un certain nombre de fonctions.Leur "devoir" principal est de réparer la structure. De plus, grâce aux paliers lisses, la dilatation linéaire de la canalisation n'a aucune conséquence. Et les anneaux de support-guide permettent de tirer la canalisation interne à travers la partie de communication externe (boîtier) sans lui causer de dommages.
Sur cette base, nous pouvons distinguer plusieurs fonctions principales qui sont réalisées grâce à un tel support :
- protection du pipeline contre divers dommages;
- protection des joints de manchons et des soudures ;
- tirage simple et rapide du pipeline à travers le boîtier;
- support pour le tuyau d'alimentation;
- protection cathodique contre les influences corrosives (en raison de ce détail, la possibilité de contact entre les cadres métalliques des deux tuyaux est exclue).
L'installation de ces anneaux est réalisée au stade de l'assemblage du pipeline lui-même. Leur installation ne nécessite pas l'utilisation d'équipements spéciaux, car la bague de support est fixée par soudage à l'arc électrique. Les matériaux les plus courants pour de tels supports sont le polypropylène de haute qualité, l'acier.

La caractéristique de conception des supports permet de tirer plus facilement et plus rapidement le tuyau intérieur dans l'extérieur
Grande encyclopédie du pétrole et du gaz
Le tube de commande (Fig. 20) est un tuyau de deux pouces dont la partie inférieure est soudée au boîtier et l'espace entre le boîtier et le gazoduc est rempli de gravier fin ou d'une couche de pierre concassée.
Le tube de contrôle est un tube en forme de U rempli de chaux sodée et de chlorure de calcium en quantités approximativement égales.Les couches de chlorure de calcium et de chaux sodée doivent être séparées au fond avec un petit morceau de coton (Fig.
45), et en haut ne doit pas atteindre 6 mm des tubes de sortie latéraux ; d'en haut, ils sont recouverts de morceaux de coton; le tube est fermé avec des bouchons et rempli de mastic Mendeleïev.
Remarque
Des tubes en caoutchouc sont également placés sur les tubes latéraux, fermés avec des restes d'une tige de verre.
Le tube de contrôle (Fig. III-7, a) permet de déterminer rapidement la présence de fuites de gaz d'un gazoduc souterrain. La section contrôlée du gazoduc est recouverte d'une couche de pierre concassée ou de gravier de 100 mm de hauteur et recouverte d'une enveloppe semi-circulaire en acier dont la longueur est supposée être de 350 mm.
Du boîtier à la surface de la terre sous le tapis, un tube est dévié, à travers lequel le gaz du lieu d'une éventuelle fuite monte. D'en haut, le tube de sortie est recouvert d'un capuchon en acier léger sur une charnière. Pour déterminer la présence de gaz, le couvercle est replié et un tuyau indicateur de gaz est inséré dans le tube.
En l'absence d'indicateur, la présence de gaz est détectée par l'odorat.
Le tube de commande (Fig. 13) consiste en un boîtier en fer, généralement installé au-dessus du joint (joint) du gazoduc, un tuyau en acier d'un diamètre de 2 (pouces) s'étend du boîtier à la surface de la terre, à l'extrémité supérieure de laquelle il y a un accouplement avec un bouchon. Du gravier est posé entre le tubage et la conduite de gaz pour faciliter le passage du gaz dans la conduite en cas de fuite.
Afin d'éviter la dispersion de fragments métalliques pour la fabrication de tubes de contrôle, des CD à partir de pochettes en papier sont utilisés.
Les tubes de contrôle sont utilisés lors du dynamitage sur une surface ouverte en cas d'élimination importante des charges les unes des autres. Dans des conditions souterraines, un segment de contrôle du cordon d'allumage est utilisé.
Tube de contrôle (Fig.5.6) permet de déterminer rapidement la présence de fuites de gaz d'un gazoduc souterrain. La section contrôlée du gazoduc / est recouverte d'une couche de pierre concassée ou de gravier 3 de 100 mm de haut et recouverte d'une enveloppe semi-circulaire en acier 2 d'environ 350 mm de long.
Important
De l'enveloppe à la surface de la terre sous le tapis 5, un tube 4 est prélevé, le long duquel le gaz remonte du lieu d'une éventuelle fuite. Par le haut, le tube de sortie est recouvert d'un couvercle en acier léger 6 sur une boucle.
Pour déterminer la présence de gaz, le couvercle est rabattu et un tuyau indicateur de gaz est inséré dans le tube.
Les tubes de contrôle sur les gazoducs en polyéthylène doivent être installés aux emplacements des connexions permanentes des tuyaux en plastique avec des tuyaux en acier, à l'intersection des gazoducs avec les réseaux de chauffage.
Les tubes de contrôle 3 indiquent la présence d'eau dans le mélangeur. L'un d'eux est utilisé pour évacuer l'air du système lorsque le faisceau est rempli d'eau.
Le tube de contrôle est un tube en forme de U rempli de chaux sodée et de chlorure de calcium en quantités approximativement égales. Les couches de chlorure de calcium et de chaux sodée doivent être séparées au fond avec un petit morceau de coton (Fig.
45), et en haut ne doit pas atteindre 6 mm des tubes de sortie latéraux ; d'en haut, ils sont recouverts de morceaux de coton; le tube est fermé avec des bouchons et rempli de mastic Mendeleïev.
Des tubes en caoutchouc sont également placés sur les tubes latéraux, fermés avec des restes d'une tige de verre.
Des tubes de contrôle sur les gazoducs en polyéthylène doivent être prévus à une extrémité des caisses métalliques lorsque le gazoduc traverse des voies ferrées, des tramways, des autoroutes, des canaux, des collecteurs et des tunnels, ainsi que sur les sections verticales hors sol aux endroits où les tuyaux en polyéthylène sortent de le sol lors de l'utilisation de connexions détachables dans le boîtier, aux endroits où se trouvent des connexions détachables sans puits et à l'une des extrémités de la section dans laquelle un gazoduc en polyéthylène est tiré. Lors du tirage d'un tuyau sans joints soudés et d'une longueur de section ne dépassant pas 150 m, il est permis de ne pas installer de tube de commande.
Conseils
Le tube de contrôle est utilisé pour surveiller et localiser systématiquement les fuites de gaz dans les réseaux de gaz souterrains sans ouvrir les chaussées.
Les tubes de contrôle doivent être amenés à la surface de la terre sous le tapis.
Des tubes de contrôle sont installés aux deux extrémités du boîtier.
L'extrémité libre des tubes de contrôle est descendue dans la cuve à différentes profondeurs et aboutit à des niveaux correspondant aux volumes contrôlés. Des vannes à pointeau d'arrêt sont vissées sur les extrémités extérieures des tubes, dont l'ouverture est déterminée par le flux de gaz sortant, qu'il s'agisse d'un gaz ou d'un liquide.
Pages : 1 2 3 4
But de l'étui de protection
L'utilisation du boîtier est due non seulement à la protection du gazoduc lui-même contre les effets d'un environnement agressif et de divers dommages, mais également à la sécurité des autres. Tout le monde sait qu'une fuite de gaz est un phénomène très dangereux, donc une protection supplémentaire, dans ce cas, n'est pas un luxe, mais une condition nécessaire.
La pose de tuyaux à l'aide d'un étui de protection est strictement réglementée, conformément aux documents réglementaires - SNiP 42-01 et SNiP 32-01.Selon les exigences spécifiées dans le dernier document, non seulement le processus de pose des tuyaux lui-même est réglementé, mais également la distance à laquelle les extrémités du boîtier de protection doivent être situées.

En particulier, si nous parlons de voies ferrées, le boîtier de protection doit les traverser et avoir une longueur d'au moins 50 mètres à partir de la sortie. Une telle importance est justifiée par le fait que le gaz naturel est très explosif et que les trains ont une masse très élevée. En ce qui concerne les routes, les caisses doivent dépasser de la sortie à 3,5 mètres de celles-ci. De plus, il existe des instructions précises pour la profondeur de pose du pipeline, qui est d'environ un mètre et demi.
Faire un cas
Conformément à la même réglementation, les caisses doivent être réalisées en tubes d'acier. Le diamètre peut être différent, car tout dépend des paramètres du diamètre du gazoduc, mais, en général, le diamètre ne différera pas beaucoup, la propagation sera inférieure à 10 cm.
Tube de contrôle sur le gazoduc: objectif + règles d'installation sur le boîtier
La pose souterraine de gazoducs présente de nombreux avantages. Ils ne gâchent pas l'extérieur des bâtiments de la ville et de la campagne, n'interfèrent pas avec la circulation des véhicules, n'obligent pas à déplacer les bâtiments existants. Mais ils ont un inconvénient important - la difficulté de surveiller à la fois le tuyau lui-même et le fluide qui le traverse.
Nous vous expliquerons comment le tube de contrôle du gazoduc permet de surveiller l'état du système. Faisons connaissance avec les caractéristiques de conception de cet appareil. Nous analyserons les options de localisation et les règles d'installation.
À partir de l'article que nous avons présenté, vous apprendrez où et dans quel ordre les tubes de contrôle sont installés sur le système de gazoduc. Familiarisez-vous avec les caractéristiques de les attacher aux boîtiers et aux boîtiers semi-circulaires. Vous comprendrez à quel point il est nécessaire de surveiller l'état technique d'une canalisation souterraine.
Étui de protection pour tuyau de gaz (ZFGT)
Fabrication d'enveloppes en matériaux composites de haute qualité pour canalisations souterraines - gazoducs et oléoducs selon TU 2296-056-38276489-2017 Dimensions FT150 ; TF200 ; FT250 ; FT300 ; FT350 FT400 ; FT500 ; FT600 ; FT800 ; FT1000 ; FT1200 ; FT1400
Les produits ont été testés et possèdent un certificat GAZCERT.
Le boîtier de protection composite est utilisé pour protéger les tuyaux des charges externes et des dommages mécaniques aux intersections avec les structures souterraines, les routes, les voies ferrées et les tramways, ainsi que pour la détection et l'évacuation possibles du gaz en cas de dommages au gazoduc dans le cadre de protection. Cas.
Avantages
Le boîtier protège les tuyaux des vibrations, des frottements et des dommages mécaniques.
Une attention particulière doit être portée si des tuyaux sont posés à côté d'autres communications. Les valises en fibre de verre présentent un certain nombre d'avantages par rapport aux valises en acier :
- Montage rapide qui ne nécessite pas de spécialistes hautement qualifiés et une longue installation
- Pas de soudure
- Pas de corrosion
- Protection contre les courants vagabonds
- Polyvalence d'assemblage
- Durée de vie jusqu'à 30 ans
- étanchéité
- Force
- Sans entretien
- Répond à toutes les exigences de sécurité
- Aucune mesure de sécurité supplémentaire requise
Température de travail de -50 à +100
Développement, production, test des éléments de protection des canalisations selon les TOR
Développement de rem.ensembles pour le gazoduc selon les spécifications du client.
Comment l'étui de protection est-il installé ?
Lors de la pose d'un gazoduc et d'un oléoduc, le boîtier de protection est assemblé à partir des boîtiers supérieur et inférieur. Ces boîtiers sont serrés avec des boulons en acier inoxydable et scellés avec des joints en caoutchouc.
Quels SNIP réglementent la pose des canalisations et l'utilisation des étuis
5.2.1 La pose des gazoducs doit être effectuée à une profondeur d'au moins 0,8 m jusqu'au sommet du gazoduc ou du boîtier. Dans les endroits où la circulation des véhicules et des machines agricoles n'est pas assurée, la profondeur de pose des gazoducs en acier peut être d'au moins 0,6 m.
SP 42-101-2003 "Dispositions générales pour la conception et la construction de systèmes de distribution de gaz à partir de tuyaux en métal et en polyéthylène"
4.53 Des étuis pour les gazoducs doivent être fournis pour protéger le gazoduc des charges externes, des dommages à l'intersection avec les structures souterraines et les communications, ainsi que pour permettre la réparation et le remplacement, la détection et l'évacuation du gaz en cas de fuite. Les connexions des composants du boîtier doivent assurer son étanchéité et sa rectitude.
SNiP 32-01-95 "Chemins de fer à voie de 1520 mm"
8.12 Lors de la pose souterraine à l'intersection, les canalisations sont enfermées dans une conduite de protection (canal, tunnel) dont les extrémités, aux intersections avec les canalisations transportant des produits explosifs et inflammables (pétrole, gaz, etc.), sont situées de chaque côté à à au moins 50 m du pied de la pente du remblai ou du bord de la pente de l'excavation, et en présence d'ouvrages de drainage - de l'ouvrage de drainage le plus à l'extérieur ; aux intersections avec les conduites d'eau, les égouts, les réseaux de chauffage, etc. - pas moins de 10 m.
Le but de surveiller l'état d'un gazoduc souterrain
Les gazoducs posés dans des tranchées nécessitent une inspection régulière tout autant que les routes terrestres. Bien sûr, ils ne sont pas menacés de dommages purement mécaniques, comme c'est le cas avec les communications ouvertes. Cependant, les travailleurs du gaz n'ont pas moins de raisons de s'inquiéter de leur état.
Si le tuyau transportant le carburant bleu est immergé dans le sol :
- Il est difficile de surveiller l'état mécanique du gazoduc, mais ses parois sont affectées par la pression au sol, le poids des structures et des piétons, ainsi que le passage des véhicules si la conduite principale passe sous une autoroute ou une voie ferrée.
- Il est impossible de détecter la corrosion à temps. Elle est causée par des eaux souterraines agressives, directement le sol, qui contient des composants actifs. La perte des caractéristiques techniques initiales est facilitée par les fluides techniques pénétrant jusqu'à la profondeur du tracé.
- Il est difficile de déterminer la perte d'étanchéité due à une violation de l'intégrité du tuyau ou de l'assemblage soudé. La raison de la perte d'étanchéité est généralement l'oxydation et la rouille des canalisations métalliques, l'usure banale des structures en polymère ou une violation de la technologie d'assemblage.
Malgré le fait que la pose de gazoducs dans des tranchées prévoit le remplacement complet des sols agressifs par des sols aux propriétés neutres, et que le dispositif dans les lieux de déversement possible de liquides techniques est totalement interdit, sans dispositifs spéciaux, ils ne peuvent être considérés comme complètement protégés contre agression chimique.
la source
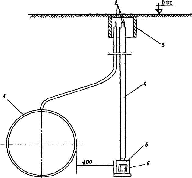
Placement du gazoduc dans le boîtier
Dès que le contrôle des gazoducs est terminé, ils peuvent être placés dans des étuis de protection, à l'intérieur desquels se trouvent des supports diélectriques spéciaux.C'est sur eux que sont placées les conduites de gaz, après quoi la structure est scellée des deux côtés. De plus, des joints spéciaux sont installés et le mélange de bitume est scellé.
Ensuite, à une extrémité de la structure, à une distance de 750 mm du bord, un trou est percé. Ensuite, un tube de commande y est monté, dont l'extrémité, lors de l'installation de la structure, sera mise en évidence, c'est-à-dire à la surface de la terre. Il y aura un dispositif spécial - un tapis, dans lequel le tube de commande sera collé.
Ceci est nécessaire pour connaître la présence ou l'absence de gaz dans le boîtier, et le tube de contrôle est une sorte de conducteur. Selon les documents réglementaires, un tube d'un diamètre d'au moins 32 mm est un composant obligatoire de cette conception.
La pose d'un tuyau avec un étui de protection en travers de la route se fera exactement de la même manière que le scellement habituel des tuyaux dans le sol. Directement, ils peuvent être ouverts de l'extérieur, mais cela conduira à un arrêt temporaire de tout trafic.
Dans de tels cas, il est nécessaire d'organiser des détours supplémentaires, ce qui est en soi très pénalisant sur le plan financier. De plus, une telle opportunité peut ne pas être disponible du tout dans certaines colonies, et la pose en travers des voies ferrées est généralement strictement interdite. Dans ce cas, il faut recourir à la recherche d'autres solutions qui peuvent aider à résoudre le problème avec des coûts financiers minimes.
S'il n'y a aucune possibilité de pose à travers la chaussée, une méthode fermée est utilisée. Sa signification est qu'un trou est fait sous les routes ou les voies ferrées, dont le diamètre dépendra des dimensions des gazoducs.
Il existe plusieurs façons de mettre en œuvre cette méthode :
- Forage horizontal. Cette méthode est utilisée assez rarement, car elle est assez agressive et peut endommager la surface de la route.
- Frapper ou percer la terre. Cette méthode est préférable, car elle utilise principalement un travail manuel, qui en soi est plus précis et précis que l'utilisation de la technologie. Les restes de la terre ne sont pas compactés ici, mais sont jetés.
En général, il existe des instructions spéciales selon lesquelles le développement du terrain est effectué. Cela prend en compte le diamètre des tuyaux eux-mêmes et certaines propriétés de la terre elle-même dans une zone particulière. Mais, comme le montre la pratique, la méthode et l'équipement dont dispose l'entrepreneur qui pose les tuyaux sont utilisés.
Les étuis de protection jouent un rôle important dans le processus de gazéification du territoire. Il s'agit avant tout d'assurer la sécurité des personnes, car une fuite de gaz à travers une paroi de canalisation peut entraîner des conséquences irréparables. Une personne, souvent, elle-même est la cause de ces événements, effectuant des travaux de terrassement à proximité ou à travers l'intersection des gazoducs.
Une telle irresponsabilité peut entraîner des conséquences catastrophiques, mais les étuis de protection réduisent considérablement ces risques.
VUS bitumineux

L'isolant bitumineux hautement renforcé est utilisé comme imperméabilisant et comme moyen de prévenir les manifestations de corrosion sur les tuyaux en acier dans les types de canalisations d'eau et de canalisations industrielles sans canal.
Le principal domaine d'utilisation des revêtements existants est la prévention des formations corrosives dans un réseau de tuyaux de petit diamètre, qui fonctionnent à des températures normales.
La structure multicouche du traitement bitume-mastic se compose de :
- apprêt à la surface des tuyaux;
- la première couche est en fibre de verre renforcée ;
- la deuxième couche est constituée de mastic bitumineux, composé de matériaux hydrophobes ;
- la couche de renfort suivante est constituée de fibre de verre ;
- une paire ou une seule couche de revêtement constituée de papier kraft.
Vidéo
L'isolation bitume-polymère hautement renforcée présente les avantages suivants :
- Facilité d'application.
- Grand niveau de force.
- Résistance à l'influence des dommages mécaniques.
- Résistant à l'écaillage cathodique.
- Excellentes caractéristiques d'adhérence aux pièces en acier.
- Perméabilité minimale à l'oxygène et à l'eau.
- Résistance aux formations de corrosion.
- Tolérance aux changements de température.
But de l'étui de protection
L'utilisation du boîtier est due non seulement à la protection du gazoduc lui-même contre les effets d'un environnement agressif et de divers dommages, mais également à la sécurité des autres. Tout le monde sait qu'une fuite de gaz est un phénomène très dangereux, donc une protection supplémentaire, dans ce cas, n'est pas un luxe, mais une condition nécessaire.
La pose de tuyaux à l'aide d'un étui de protection est strictement réglementée, conformément aux documents réglementaires - SNiP 42-01 et SNiP 32-01. Selon les exigences spécifiées dans le dernier document, non seulement le processus de pose des tuyaux lui-même est réglementé, mais également la distance à laquelle les extrémités du boîtier de protection doivent être situées.
En particulier, si nous parlons de voies ferrées, le boîtier de protection doit les traverser et avoir une longueur d'au moins 50 mètres à partir de la sortie. Une telle importance est justifiée par le fait que le gaz naturel est très explosif et que les trains ont une masse très élevée. En ce qui concerne les routes, les caisses doivent dépasser de la sortie à 3,5 mètres de celles-ci. De plus, il existe des instructions précises pour la profondeur de pose du pipeline, qui est d'environ un mètre et demi.
Faire un cas
Conformément à la même réglementation, les caisses doivent être réalisées en tubes d'acier. Le diamètre peut être différent, car tout dépend des paramètres du diamètre du gazoduc, mais, en général, le diamètre ne différera pas beaucoup, la propagation sera inférieure à 10 cm.
Le diamètre du tube de contrôle doit être d'au moins 32 mm
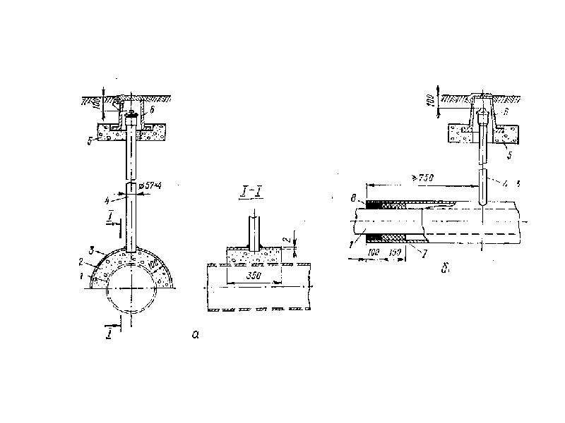
- Des tubes de contrôle sont installés dans les plus responsables. endroits du gazoduc (au-dessus des joints aux points de raccordement des succursales dans les entreprises), ramenés à la surface sous le tapis, ils sont conçus pour détecter rapidement les fuites de gaz d'un gazoduc souterrain. Pour protéger les gazoducs des grandes dynamiques et statique. charges à l'intersection des voies ferrées et des autoroutes, des collecteurs et des puits, des murs et des fondations des bâtiments ou lors de la pose de gazoducs à faible profondeur, elles sont enfermées dans des boîtiers, qui sont un morceau de tuyau en acier, dont le diamètre est supérieur au diamètre du gazoduc. L'espace entre le boîtier et le gazoduc est scellé. Le boîtier est équipé d'un tube de contrôle sorti sous le tapis.
- À certains endroits, des tubes de contrôle sont installés au-dessus des joints soudés des gazoducs. Cet appareil est constitué d'une enveloppe métallique de 350 mm de long, semi-cylindrique, de diamètre supérieur au diamètre du tuyau de 200 mm.Du tubage, posé sur une couche de pierre concassée ou de gravier, un tuyau d'un diamètre de 60 mm est dévié vers la surface du tuyau, dans lequel le gaz s'accumule en cas de fuite dans un endroit contrôlé.
- Lors de la pose d'un gazoduc sous une chaussée à chaussée améliorée, les marques des couvercles de puits et du tapis doivent correspondre à la marque de la chaussée, aux endroits où il n'y a pas de circulation et où les gens passent, elles doivent être d'au moins 0,5 m au-dessus du niveau du sol.
En l'absence d'une chaussée améliorée autour des puits et des tapis, une zone aveugle d'au moins 0,7 m de large avec une pente de 50°/00 est prévue, ce qui exclut la pénétration des eaux de surface dans le sol à proximité du puits (tapis ).
Le diamètre du tube de contrôle doit être d'au moins 32 mm.
Lors du retrait du tube de commande au-dessus du niveau du sol, son extrémité doit être pliée à 180°.
Les options d'installation des tubes de contrôle sont illustrées à la figure 1.
Pour l'échantillonnage des cas, une bougie d'échappement en tuyaux d'acier est fournie, installée sur une fondation ou un autre support.
L'option d'installation de la bougie d'échappement est illustrée à la figure 2.
Des étuis pour gazoducs doivent être fournis pour protéger le gazoduc des charges externes, des dommages à l'intersection avec les structures souterraines et les communications, ainsi que pour la possibilité de réparation et de remplacement, de détection et d'évacuation du gaz en cas de fuite. Les connexions des composants du boîtier doivent assurer son étanchéité et sa rectitude.
Le diamètre du tube de contrôle doit être d'au moins 32 mm
15.79kb.
1page
Note du touriste Avant le départ
60.08kb.
1page
Mémo à un touriste en Serbie Visas
63.09kb.
1page
une.Passeport étranger, (original) avec une période de validité d'au moins 3 mois après la date de fin du voyage, si vous avez 2 passeports internationaux valides, il est également requis
77.97kb.
1page
Programme éducatif 5B011100 Informatique
848.29kb.
12 p.
31.31kb.
1page
Lettre concernant le changement de mot de passe dans le cadre de l'accord (pour un particulier)
31.09kb.
1page
Que devrait être un enfant qui vivait avec des gens qui le détestaient ? Et que devrait ressentir un enfant lorsqu'il découvre que le plus grand sorcier de la lumière Albus Dumbledore lui-même l'a envoyé à ces personnes
4716.05kb.
20 p.
Analyse graphique dans la vraie vie
4950.95kb.
35pages
Il s'agit d'un résultat préprogrammé par l'enseignant, qui doit être atteint par l'enseignant et les élèves à la fin de la leçon.
70.38kb.
1page
1. Sur l'écran de l'ordinateur, l'image est formée à partir
35.49kb.
1page
Documents requis pour ouvrir un visa EAU
27.33kb.
1page









































