- Matériaux et outils
- Conseils pour choisir une vanne à tiroir
- Objectif et caractéristiques
- Comment effectuer le contrôle des courants d'air avec une porte coulissante
- Choisir une option de localisation
- Variétés de porte
- rétractable
- Rotatif (accélérateur)
- Fonte
- Acier inoxydable
- Types de robinets-vannes
- Barrière escamotable
- Portillon rotatif
- Portail en fonte
- Porte de type acier
- Variétés de robinets-vannes
- Qu'est-ce qu'un portail coulissant
- Fabrication de bricolage
- Fabrication de portail coulissant
- Instructions de fabrication du papillon des gaz
- Comment faire un robinet-vanne de vos propres mains
- Préparation des matériaux et des outils
- Rédaction d'un schéma (dessin)
- Marquage et découpe de pièces
- Étapes d'installation de la vanne
- Les principaux types de robinets-vannes
- Avantages et inconvénients
- Différences entre portail coulissant et portail rotatif
- Nous sélectionnons la porte
Matériaux et outils
En plus des différences structurelles, les types de portes peuvent différer dans le matériau de fabrication. La seule option possible est le métal, car seul il ne brûle pas et ne se déforme pas à haute température, et au fil du temps, même dans un environnement agressif, il ne change pas ses caractéristiques.
Pour la production, on utilise soit de la fonte, soit de l'acier inoxydable. Il n'est pas possible de construire indépendamment un amortisseur en fonte, car cela nécessite au moins une forge.Cependant, en vente, vous pouvez trouver des volets en fonte indescriptibles et magnifiquement conçus.
Barrière pivotante en fonte avec poignée confortable. Cette conception convient à une cheminée en brique de section rectangulaire pouvant supporter un poids assez lourd de l'appareil.
Les produits en acier semblent plus simples, mais leurs caractéristiques sont similaires à celles de leurs homologues en fonte. L'avantage des luminaires en acier est leur légèreté.
Si un registre en fonte pour une cheminée de poêle est installé uniquement sur une structure solide et permanente, une vanne en acier convient à tous les conduits de cheminée - brique et acier, rectangulaire et rond, solide et léger.
Échantillons d'un registre coulissant en acier galvanisé, le diamètre de la section de cheminée est de 150 mm. Galvanisé, contrairement à l'acier ordinaire, ne réagit pas à l'humidité (condensat) et ne se corrode pas
Une vanne en acier modeste suffit pour un poêle de campagne de chauffage, tandis qu'une porte en fonte sur mesure convient mieux pour ennoblir un poêle russe dans un chalet.
• métal de 3 ± 0,5 mm d'épaisseur: des feuilles plus minces brûleront rapidement, de plus, sous l'influence d'une température élevée, elles peuvent être conduites et le four deviendra informe; le métal à paroi épaisse se réchauffera très longtemps;
• un tuyau pour une cheminée ;
• barres 16 mm ;
• une feuille de métal d'une épaisseur de 0,3 mm pour la construction d'un caisson de récupération des cendres ;
• ruban à mesurer, règle, craie;
• poste à souder 140-200A ;
• meuleuse pour couper le métal; pour faire des trous ronds, il est plus pratique d'utiliser un coupe-gaz;
• une brosse métallique pour le nettoyage des lieux de soudure ;
• meule émeri pour monter les portes;
• perceuse et perceuses.
Conseils pour choisir une vanne à tiroir
Il faut se rappeler que la sélection correcte d'un élément tel qu'un amortisseur coulissant se reflétera à l'avenir non seulement dans l'indicateur de poussée, mais également dans la sécurité du système de chauffage, dont la cheminée fait partie. La porte est montée sur n'importe quel modèle de cheminées et de poêles, à l'exception des plus modernes, dans lesquels il y a un déflecteur.
Les principales recommandations pour le choix des vannes coulissantes pour la communication des fumées sont les suivantes :
- si le chauffage fonctionne en raison du traitement du gaz, il est préférable d'acheter un modèle à volet rotatif. Cela est dû au fait que de tels modèles excluent la possibilité de bloquer complètement le canal de la cheminée. Ainsi, le système de chauffage sera plus sûr. La cheminée, qui élimine les produits de combustion du poêle à gaz, doit être bloquée d'au moins 40% pendant le fonctionnement;
- il existe des systèmes de chauffage qui fonctionnent par intermittence (périodique). Un amortisseur fermé installé dans une telle structure de chauffage laisse généralement passer la vapeur pendant l'alimentation, et un amortisseur ouvert contribue à la formation d'une grande quantité de suie sur le tuyau, situé sous la plaque;
- Il est strictement déconseillé d'utiliser des éléments rotatifs pour l'installation dans les cheminées de bain.
Le dispositif rotatif est l'option la plus appropriée pour un système consommateur de gaz
Il existe 3 possibilités pour placer le registre par rapport à la cheminée :
- Placement dans la chambre de combustion d'une cheminée ou d'un poêle ;
- Montage sur le principe du "pipe in pipe" ;
- Installation dans un tuyau de ventilation.
Considérez les 2 premières options :
En plaçant la vanne dans le four du four, ou dans le tuyau de sortie
Applicable pour les cheminées métalliques. Cette option d'installation ne nécessite pas de fixations supplémentaires.Lors de l'achat d'un système prêt à l'emploi, la vanne doit être installée strictement selon les instructions du fabricant.
Le réglage de la traction avec le portail est assez simple. En changeant la position dans le sens d'augmenter l'écart, on augmente le flux d'air vers le feu et la flamme s'embrase plus fortement. La diminution du jeu réduit la poussée. La vanne est fermée une fois la flamme complètement atténuée - le four refroidit donc beaucoup plus rapidement.
Objectif et caractéristiques
Cet appareil vous permet de contrôler et de réguler le tirage au système d'évacuation des fumées. Traduit de l'allemand,

porte ("schieber")
Shiber ("schieber") signifie une pièce qui est faite d'un certain métal.
Une bonne traction est l'une des conditions essentielles au fonctionnement normal du système d'alimentation en carburant. Avec une bonne traction, le carburant brûle presque complètement, offrant un processus de chauffage efficace et économique. Si le tirage est mauvais, il y a de la fumée dans la pièce et un incendie peut se déclarer.
Pour éliminer ces moments dangereux et désagréables, un registre à glissière est installé dans le système de cheminée. Il empêche la division des bulles de gaz, qui ne doivent pas être séparées.
Il est recommandé d'installer le registre coulissant lors du chauffage au gaz, au charbon, au combustible solide.
Comment effectuer le contrôle des courants d'air avec une porte coulissante
Le bois de chauffage brûle complètement et très peu de suie est obtenue uniquement si la poussée correspond à la valeur alpha, c'est-à-dire qu'elle est comprise entre 2,0 et 2,5 (il existe une formule spéciale pour la calculer). Une condition importante pour l'existence d'une bonne traction est d'assurer l'alimentation en air de la zone de combustion.
Il est nécessaire de bien se souvenir du point suivant: si vous avez fermé la porte, le monoxyde de carbone s'infiltrera toujours dans les bains publics et vous ne verrez peut-être pas de fumée ni d'odeur de brûlé. Le monoxyde de carbone est très dangereux, car en quelques heures, vous pouvez vous épuiser complètement. Le registre ne peut être fermé qu'à la toute fin du foyer, lorsque tout le bois de chauffage est complètement brûlé et légèrement recouvert de cendres.
Vidéo "Régulateur de tirage":
Vidéo "Amortisseur de cheminée fait maison":
Attention, ne risquez pas votre santé et votre vie ! Prends soin de toi!
Choisir une option de localisation
Il existe plusieurs façons d'installer un portail, chacune ayant ses avantages et ses inconvénients. Un facteur important est la composition de la cheminée. Mais les maîtres modernes préfèrent utiliser les trois options les plus courantes :
- Installation dans un insert de cheminée.
- Fixation selon la méthode "pipe in pipe".
- Installation dans le système de ventilation.
Le registre peut être installé dans le système de ventilation.Dans le cas où le maître a choisi le type d'installation "tuyau dans le tuyau", il n'aura pas besoin d'utiliser des fixations spéciales pour fixer solidement le registre avec les éléments de la cheminée. L'emplacement de la porte dans le système de ventilation élimine complètement la possibilité de surchauffe du moteur du ventilateur pendant le fonctionnement actif.
Les fabricants modernes proposent des cheminées prêtes à être installées, qui sont équipées de tous les dispositifs nécessaires (un registre coulissant ne fait pas exception). Dans ce cas, la pièce doit être utilisée en stricte conformité avec les recommandations établies par le fabricant. Sinon, vous pouvez fabriquer une vanne dans la cheminée de vos propres mains et à un prix plus abordable.
Nous vous invitons à lire : Que faire si le béton est gelé
Il existe trois options principales pour placer le registre dans la cheminée :
- fixation "tuyau à tuyau" ;
- placement dans un insert de cheminée;
- installation dans un tuyau de ventilation.
Cheminée en brique avec registre
Si vous placez un robinet-vanne dans le tuyau de sortie ou dans le four du four, c'est-à-dire intégrez cet élément dans sa conception, l'amortisseur est placé sur un segment de tuyau aussi près que possible de la chaudière de chauffage. Cela garantit une facilité de contrôle, une facilité de rotation de l'amortisseur. Cela s'explique par le fait que la poignée ne touchera ni le portail ni la zone d'habillage. S'il est disposé selon l'option «tuyau à tuyau», aucune fixation supplémentaire n'est requise pour la connexion avec d'autres éléments du four.
Les cheminées sont généralement proposées prêtes à être installées, qui sont équipées de tout le nécessaire, y compris une vanne à tiroir. Dans ce cas, il est placé dans le système conformément aux instructions du fabricant. S'il n'est pas fourni pour une raison ou une autre, il est tout à fait possible de fabriquer et d'installer cet élément soi-même.
Variétés de porte
rétractable

Porte coulissante
La porte de type rétractable est considérée comme la plus pratique et la plus fiable à utiliser. Il s'agit d'une plaque lisse avec un petit trou longitudinal, se déplaçant le long des rainures de la cheminée. Il est monté en position horizontale, la force de traction est régulée par le mouvement de la plaque, ce qui réduit ou augmente la section du tuyau. Ce type de vanne est conçu pour les fours à briques, bien qu'il puisse également être utilisé dans les cheminées en tuyaux d'acier.

Portail avec plaque
Rotatif (accélérateur)

Portail pivotant. Plaque visible qui régule la traction
La porte rotative est une plaque métallique avec un guide soudé au centre. Il est installé à l'intérieur de la cheminée, tandis que l'extrémité du guide doit être sortie. La poussée est ajustée en faisant tourner la plaque autour de son axe. Cette conception est moins fiable, car avec le temps, la fixation par soudage s'affaiblit et l'amortisseur se détache. Le registre rotatif est utilisé dans les cheminées en acier.
Le matériau à partir duquel les vannes sont fabriquées est tout aussi important.
Fonte

Portails en fonte
La fonte est un matériau très solide et durable traditionnellement utilisé pour fabriquer des vannes de fournaise. La porte en fonte n'a qu'un seul inconvénient - beaucoup de poids.

Grille en fonte pour poêles de sauna, cheminées

Portail en fonte
Acier inoxydable

Assemblage de portail en acier de haute qualité
L'acier inoxydable ne craint pas la corrosion, dure longtemps, pèse peu et ne réduit pas l'efficacité du four. La surface lisse et polie de la valve en acier inoxydable empêche l'accumulation de suie, ce qui facilite son nettoyage. Ces registres peuvent être de n'importe quelle conception et peuvent être installés dans des cheminées en brique et en acier.

Porte en acier dans un four à briques
Types de robinets-vannes
Il existe deux principaux types de robinets-vannes - rétractables et rotatifs (papillon). Les caractéristiques de conception ressortent clairement du nom: le premier type fonctionne grâce au mouvement perpendiculaire de la plaque métallique par rapport au tuyau de cheminée.
Nous vous recommandons de lire : Comment pare-étincelles à faire soi-même sur la cheminée?

Pour améliorer le tirage, le registre recule et dépasse presque complètement la cheminée, et pour réduire le débit, il glisse à nouveau dans le tuyau.
Barrière escamotable
Le registre de cheminée de type coulissant le plus populaire.Il se compare favorablement à d'autres variétés de fiabilité de fonctionnement et de facilité d'utilisation. La porte escamotable est une plaque avec une surface lisse et uniforme, dans laquelle se trouve un trou longitudinal spécial. Il passe par les rainures de la cheminée.
Ce type de vanne est installé strictement horizontalement. Pour modifier la force de tirage dans la cheminée, il suffit de déplacer le registre dans la direction souhaitée, en augmentant ou, au contraire, en réduisant la section transversale du tuyau.
Cette option convient aux tuyaux en acier, mais convient mieux aux poêles en brique. Son installation ne nécessite pas de connaissances particulières ni d'efforts considérables.
Certains modèles ont une petite zone de découpe. Cela garantit la sécurité de la structure: même si cette vanne est complètement fermée, le mouvement du monoxyde de carbone dans celle-ci se poursuivra.
Portillon rotatif
Une autre variété est la porte rotative. C'est une plaque en métal, qui est fixée dans la partie centrale du guide par soudure.

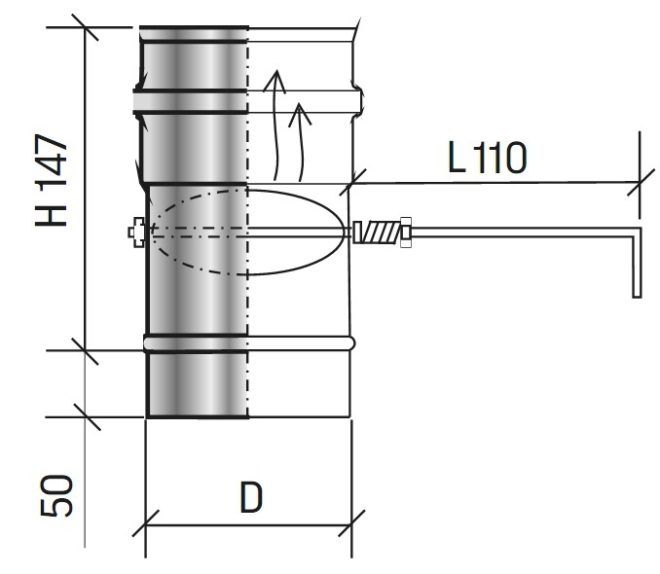
Dimensions et principe de fonctionnement du portail rotatif
Sa part principale se trouve à l'intérieur de la cheminée, mais la pointe doit toujours rester à l'extérieur. Dans le contexte de la rotation de cette plaque par rapport à son propre axe, le tirage dans la cheminée est régulé.
L'inconvénient de ce type est la nécessité d'une fixation par soudure. C'est cet endroit qui est le point faible de la structure : le registre s'ouvrira si la monture se détend.
La porte rotative se distingue par sa faible fiabilité. Mais ce chiffre peut varier en fonction de la matière à partir de laquelle il a été fabriqué. Le plus souvent, ils s'y tournent pour une installation dans des cheminées en acier.Et aussi il est installé dans les cas où il n'y a pas assez d'espace pour étendre la vanne classique.
Portail en fonte
La porte en fonte a trouvé une application assez large dans le cadre de fours de différents types, cheminées. L'inconvénient de tels produits est leur masse importante. Dans le même temps, la fonte elle-même est utilisée depuis longtemps dans la fabrication de vannes pour fours. Cela s'explique par sa grande fiabilité, sa durabilité et sa résistance.

Gamme de modèles de portails en fonte
Porte de type acier
Un assemblage de porte en acier inoxydable n'est pas l'option la moins chère. Mais la conception se caractérise par une haute qualité et d'excellentes performances. Ses avantages sont les suivants :
- maintenir l'efficacité du four;
- petite masse;
- longue durée de vie;
- non sujet à la corrosion des métaux ;
- ne permet pas l'accumulation de suie.
Ces portes peuvent avoir une conception différente selon les caractéristiques du four. Ils sont pertinents pour les cheminées en acier ou en brique.

Variétés de robinets-vannes
Étant donné que les cheminées sont différentes, nos robinets-vannes sont également différents les uns des autres. Fondamentalement, cette différence réside dans la forme et dans le mode de fonctionnement. Il existe plusieurs types de robinets-vannes :
- Vanne à glissière horizontale qui se rétracte. C'est le type de robinet-vanne le plus courant. À l'intérieur de la structure se trouve une plaque rétractable, c'est grâce à elle que la section transversale est régulée. Le plus souvent, cette conception est utilisée pour les cheminées en briques. Pour qu'en position fermée de l'élément, le canal de fumée ne se chevauche pas à 100%, de petits trous sont pratiqués dans la plaque.Ceci est fait pour une raison, car la technologie de création correspond à la sécurité incendie. La particularité de la porte horizontale est la simplicité de conception et la facilité d'installation, ainsi que l'efficacité du travail.
- Portail pivotant. Il a également un deuxième nom - "papillon des gaz". Le design est fondamentalement différent de la version précédente. Il se présente sous la forme d'un tuyau de dérivation à l'intérieur duquel se trouve une plaque métallique. Seulement, il ne s'étend pas, mais se situe sur un axe de rotation. L'appareil est équipé d'un disque rotatif amovible, qui devient inutilisable avec le temps. Cependant, en raison du schéma du mécanisme rotatif, il est facile de réparer et de remplacer la pièce vous-même. La vanne est située à l'intérieur du tuyau de cheminée. Le principe de fonctionnement consiste à faire pivoter la plaque à l'intérieur. L'avantage de cette conception de robinet-vanne est qu'il est facile à utiliser. Le propriétaire de la maison n'aura pas besoin de surveiller en permanence la position de la porte.
La deuxième option étant plus difficile à mettre en œuvre, ce registre de cheminée à faire soi-même n'est pas fabriqué. Le plus souvent, c'est la première option qui est créée - une vanne horizontale. Je voudrais noter quelques nuances supplémentaires. Un robinet-vanne est nécessaire pour les poêles à bois et autres équipements de chauffage fonctionnant aux combustibles solides. Si nous parlons de chaudières à gaz et de celles fonctionnant au combustible liquide, l'amortisseur est davantage nécessaire pour protéger la structure de la cheminée de la pénétration des précipitations atmosphériques, des débris et des animaux.
Si nous parlons d'installer une porte rotative pour un bain, il vaut mieux ne pas le faire. Pourquoi? Pendant le fonctionnement, la structure laissera passer partiellement la vapeur lorsqu'elle sera fermée. Et le nettoyage à l'air libre est difficile à réaliser.
Il existe trois façons d'installer le portail :
- Installation du produit dans l'insert de cheminée. A cet effet, il est installé à une distance de 100 cm de l'appareil de chauffage (poêle, cheminée, chaudière), ce qui simplifie le fonctionnement.
- La méthode tuyau à tuyau est basée sur la combinaison du robinet-vanne avec le reste des éléments du système de chauffage, sans l'utilisation de fixations supplémentaires.
- Installation de la vanne directement dans le tuyau de ventilation. Le but d'une telle manipulation est complètement différent. La vanne est plus nécessaire pour protéger les canaux de la pénétration d'objets étrangers, de débris, de pluie et d'animaux. Ceci est fait pour protéger le moteur du ventilateur.
Il existe deux options pour savoir comment procéder si vous devez installer une vanne. La première consiste simplement à acheter un kit et à faire l'installation vous-même selon les instructions du fabricant. La seconde consiste à fabriquer soi-même un registre de cheminée. Nous examinerons les options pour créer à la fois un dispositif rotatif et un dispositif horizontal.
Qu'est-ce qu'un portail coulissant
Le mot allemand Schieber en russe n'a changé ni de prononciation ni de sens. Si nous parlons spécifiquement du chauffage du poêle, la porte, ainsi que le robinet-vanne (soupape), est appelé un dispositif de type obturateur qui bloque le canal de la cheminée.
Le plus souvent, il est installé dans la partie supérieure de la base du canal de cheminée, qui est situé dans la pièce, de sorte que, si nécessaire, il est possible de régler manuellement le mouvement des gaz, et en même temps la qualité de Brouillon.

Voici à quoi ressemble la diapositive lorsqu'elle est étendue. À l'état rétracté (lorsque le four est déjà chauffé), la vanne est presque invisible, seul son «œil» fait saillie vers l'extérieur
L'amortisseur sur le canal de la cheminée est nécessaire pour la construction traditionnelle d'un four en briques. En le poussant partiellement ou complètement, vous pouvez réduire la poussée ou bloquer le mouvement des gaz chauffés. Le registre est complètement fermé lorsque le four est chauffé et que les gaz nocifs cessent de s'écouler dans le canal. Il existe des cas connus de décès de personnes décédées d'un ancien four «fermé».
Si vous tardez à fermer le registre, la chaleur des briques chauffées ira dans le tuyau et la température dans la pièce chutera rapidement. Un portail poussé à temps est une garantie que la maison sera chaude pendant au moins une journée. Comme vous le savez, dans les maisons de village pendant la saison froide, le poêle doit être allumé tous les matins.

Robinet-vanne en acier fabriqué en usine avec un diamètre de 200 mm. Pour simplifier l'installation, il est vendu avec un fragment de tuyau en acier, sous une forme intégrée.
Il existe un avis selon lequel les amortisseurs, obligatoires pour les fours à briques, ne sont absolument pas nécessaires pour les fours en acier (bien qu'ils soient proposés par les fabricants), ainsi que pour les modèles avec déflecteur.
L'argument contre leur utilisation est le fait que la cheminée, lorsque la vanne est fermée, se bouche rapidement avec de la suie. Sa partie supérieure est refroidie par l'air froid entrant dans le tuyau qui, au contact du tuyau en acier chaud, forme une grande quantité de condensat. Une cheminée bouchée nécessite un nettoyage constant.
Fabrication de bricolage
Si vous le souhaitez, une porte de tout type peut être construite de vos propres mains. Pour travailler, vous avez besoin d'une machine à souder et d'une meuleuse. Au départ, vous devez prendre des mesures précises du tuyau afin que la vanne à tiroir ne soit pas bien ajustée dans le tuyau. Si l'exigence n'est pas respectée, il y a un risque de coincement du registre lorsque le tuyau est chauffé.Trop de dégagement rend difficile le réglage de la force de traction.
Matériaux utilisés dans la fabrication d'un robinet à guillotine pour cheminée de type rotatif :
- ébauches de tubes en acier inoxydable d'un diamètre intérieur de 6 mm ;
- clous;
- tôle d'acier inoxydable de 2 mm de large;
- boulons d'un diamètre de 8 mm.
Fabrication:
- Après avoir mesuré le diamètre intérieur du tuyau, transférez les dimensions sur la tôle d'acier.
- Couper des cercles, poncer.
- Essayez la pièce sur l'amortisseur et coupez la section souhaitée.
- Percez des trous pour les filetages.
- Souder les amortisseurs au tuyau.
- Faites des trous sur la cheminée, installez des registres.
Pour la fabrication d'un portail coulissant fait maison, vous aurez besoin d'une ébauche de vanne, d'un cadre de guidage. L'élément coulissant est prédécoupé aux dimensions souhaitées, correspondant aux dimensions de la cheminée. Pliez un côté pour faciliter les mouvements pendant l'utilisation. Effectuer le meulage. Découpez la plaque pour l'élément coulissant. Connectez les pièces par soudure et fixez sur le tuyau.
Fabrication de portail coulissant
Porte coulissante
La conception de la vanne à vanne se compose de la vanne elle-même et du cadre de guidage. Vous devez d'abord mesurer la section interne du tuyau ou de la cheminée en brique. Selon les mesures, une vanne rectangulaire est découpée dans une tôle d'acier de 4 à 5 mm d'épaisseur. D'une part, un pli longitudinal est réalisé avec une largeur de 20-30 mm, de sorte qu'il est plus pratique d'étendre l'amortisseur. Toutes les sections sont soigneusement polies, tout en réduisant la taille du produit de 1 à 2 mm de chaque côté. Cela assurera le libre mouvement du registre à l'intérieur de la cheminée.
Schéma de porte
Si la cheminée est en acier et a une forme rectangulaire, le cadre est constitué d'une bande d'acier de 2 mm d'épaisseur et de 30 à 35 mm de largeur.La bande est pliée en laissant un espace le long de l'épaisseur de la plaque, puis elle est coupée en deux endroits à un angle de 45 degrés et en forme de U. Les espaces aux endroits des coupes sont soudés bout à bout. Les extrémités du profil fait maison sont reliées par deux pièces métalliques, en les positionnant de manière à ce que la lame de soupape passe librement entre elles. Vous devriez obtenir un cadre rectangulaire avec des rainures pour la porte. Dans ce cas, le périmètre intérieur du cadre doit nécessairement être égal à la section transversale de la cheminée.
Fabrication de robinets-vannes
Conception de porte prête à l'emploi pour une cheminée ronde
Maintenant, les feuilles doivent être reliées par soudage sur trois côtés autour du périmètre afin que les trous pour le tuyau coïncident et qu'il y ait un espace de 4 à 5 mm entre les feuilles supérieure et inférieure. Après cela, il ne reste plus qu'à insérer la vanne et à fixer la porte sur le tuyau.
Instructions de fabrication du papillon des gaz
Pour fabriquer une vanne rotative, vous aurez besoin de plus d'outils et de temps. Le plus souvent, ce type de registre est utilisé pour une cheminée en métal pour les cheminées modernes et les poêles autoportants en métal.
Un ensemble d'outils pour le travail:
- Bulgare;
- perceuse;
- pinces;
- Machine de soudage;
- boussole;
- roulette;
- marqueur de marquage.
Pour la fabrication du portail, une tôle d'acier jusqu'à 3 mm d'épaisseur est nécessaire, un tuyau en acier inoxydable d'un diamètre intérieur de 6 mm, des fixations (boulons, écrous) de 8 mm, une tige métallique.
- Tout d'abord, mesurez le diamètre intérieur du tuyau de cheminée avec un compas.
- Selon lui, tracez un cercle sur de la tôle d'acier.
- Le bulgare a coupé un cercle.
- Placez le fragment coupé dans le tuyau et vérifiez l'ajustement. Si nécessaire, finissez le volet avec un disque de meulage.
- Placer un tube métallique de 6 cm de diamètre sur un cercle au centre et y faire des marques en reculant de 3 mm de chaque côté du cercle.
- Couper le tube avec une meuleuse.
- Dans la section de tuyau résultante, percez le filetage à 6,8 mm des deux côtés.
- Percez des trous pour le soudage dans le cercle d'acier (un au centre, deux à 1 cm du bord sur les côtés opposés).
- Souder le tube fileté au cercle en acier.
Le registre à glissière est prêt, il reste à l'installer dans le tuyau de cheminée.
Comment faire un robinet-vanne de vos propres mains
Voyons comment faire les deux. registres pour cheminées - escamotable et pivotant. Chacun d'eux a ses propres nuances de fabrication et d'installation. Commençons par la vue rétractable.
Préparation des matériaux et des outils
Pour créer le modèle le plus simple d'un portail escamotable, l'acier galvanisé convient. Il est léger, grâce à sa surface lisse, il est facilement nettoyé de la suie et, si nécessaire, la partie mobile peut être facilement remplacée.
Les principaux outils sont une machine à souder, des électrodes, une meuleuse, des cisailles à métaux (nous choisissons en fonction de l'épaisseur de la tôle), une perceuse avec un disque de meulage, des forets à métaux, une lime.
Il est préférable de travailler sur un établi avec un étau. Entre autres, vous aurez besoin d'une feuille de papier pour le gabarit, d'un ruban à mesurer, d'un marqueur.
Rédaction d'un schéma (dessin)
Le dimensionnement doit être pris au sérieux, car même quelques millimètres peuvent provoquer un dysfonctionnement de la cheminée. Pour connaître les dimensions du cadre, vous devez mesurer la section transversale du canal de la cheminée avec un ruban à mesurer - elle coïncidera avec les dimensions de la face intérieure du cadre.
A cette valeur, ajoutez 20-30 mm sur trois côtés et calculez le côté extérieur du cadre.
Pour que la valve glisse facilement, sans effort, sa largeur doit être légèrement inférieure à la largeur du cadre (en tenant compte des côtés extérieurs). Pour simplifier les calculs, il est nécessaire de dessiner un schéma de conception et de désigner toutes les dimensions possibles, de sorte qu'à l'avenir, tout en travaillant avec du métal, vous puissiez naviguer par eux.
Pour les tuyaux métalliques, ils combinent généralement la conception d'un amortisseur plat avec un fragment de cheminée situé perpendiculairement.
Pour les cheminées en briques, un cadre plat en fil de fer ou un profilé avec une vanne mobile le long des guides sur deux côtés parallèles suffit.
Marquage et découpe de pièces
Après avoir déterminé les dimensions exactes, nous découpons le cadre du portail. Si la cheminée est petite, par exemple dans un bain public ou dans une cuisine d'été, vous pouvez utiliser un fil épais en le pliant en forme de lettre P.
Un cadre plus détaillé est un profil d'angle solide. Pour le fabriquer, nous coupons une bande de tôle d'acier et la plions à un angle de 90º. Pour donner au profil la forme souhaitée, aux endroits où les coins sont marqués, nous coupons l'un des plans. Lors du pliage, nous obtenons un cadre. Nous soudons les endroits des plis.
Ensuite, découpez l'obturateur lui-même. Il devrait être d'environ 5 à 10 mm plus étroit que la largeur du cadre. Nous ajustons la longueur de sorte qu'à l'état fermé, seul un petit fragment de la valve regarde. Vous pouvez le décorer de différentes manières : sous la forme d'une oreille avec un trou ou juste un bord plié.
Nous nettoyons les bords de la porte coupée avec un disque afin que le processus de fermeture / ouverture se déroule facilement et silencieusement. Les détails ne peuvent pas être peints.
Étapes d'installation de la vanne
La photo montre les étapes d'installation d'un portail fabriqué en usine.Par le même principe, un appareil fait maison est monté.
Galerie d'images Photo de Conformément au schéma du dispositif de four, nous déterminons l'emplacement d'installation de la porte coulissante et marquons les briques à couper.Nous retirons les briques qui servent de base au montage de la porte et les coupons à la taille du cadre du portail avec une meuleuse.Pour fixer le portail, nous utilisons un mortier de maçonnerie. Nous l'appliquons sur le site d'installation, puis sur les bords du cadre par le haut.La vanne "se tenait" au même niveau que le reste des briques, il n'y a donc pas d'obstacles pour la maçonnerie supplémentaire, cela se fait de la manière habituelle manière - selon le schéma de commande Étape 1 - déterminer le site d'installation Étape 2 - couper les briques autour des trous du périmètreÉtape 3 - planter la porte sur le mortierÉtape 4 - maçonnerie au-dessus de la porte
La hauteur d'installation de l'amortisseur dépend en grande partie de la conception du poêle, dans les poêles de sauna, elle est plus basse, dans les poêles de chauffage domestique, elle est plus élevée. La hauteur minimale est de 0,9 à 1 m du sol, la hauteur maximale est d'environ 2 m.
Les principaux types de robinets-vannes

Portail pivotant. On l'appelle aussi le "papillon des gaz", qui est une plaque métallique montée sur un axe rotatif. L'axe, à son tour, est monté à l'intérieur du tuyau de cheminée. Cet appareil a un disque rotatif amovible, mais avec une utilisation prolongée, il peut devenir inutilisable. Cependant, le schéma du mécanisme rotatif vous permet de le réparer et de le remplacer de vos propres mains. L'avantage de ce type d'appareil est sa facilité d'utilisation. Ce type de portail ne nécessite pas une surveillance constante de la part du propriétaire de la maison.

En raison de la complexité de la conception à faire soi-même, le mécanisme rotatif est moins souvent utilisé lors de la pose d'une cheminée ou d'un poêle.
La conception de la porte est nécessaire pour les poêles à bois et les appareils de chauffage fonctionnant à tout combustible solide.
Par conséquent, pour une chaudière à gaz, la solution la plus pratique serait d'installer un mécanisme rotatif. La température des gaz d'échappement est moins basse que lors du fonctionnement du combustible solide, de sorte que le fonctionnement d'un tel mécanisme sera plus pratique.

Vanne sur la cheminée isolée
Mais il vaut mieux refuser d'installer un mécanisme rotatif dans le bain. Le fait est qu'il laissera partiellement passer la vapeur lorsqu'il sera fermé. Et sous forme ouverte, un tel mécanisme est difficile à nettoyer.
Fabriqué en acier inoxydable, le mécanisme de glissière ne couvrira pas complètement la cheminée, mais en même temps il exclura la possibilité d'extraire les flammes à travers le cendrier dans la pièce.
Il existe trois options pour installer la porte.
- Installation d'un clapet dans un insert de cheminée. Pour ce faire, le portail est monté à une distance de 1 mètre de l'appareil de chauffage, ce qui garantit un fonctionnement simple.
- L'option "tuyau à tuyau" consiste à combiner la vanne avec d'autres éléments de la structure de chauffage sans utiliser de fixations supplémentaires.
- Installation d'un robinet-vanne dans une conduite de ventilation. Mais cette option est généralement utilisée pour protéger le moteur du ventilateur de la surchauffe pendant son fonctionnement.
Mais même si le kit fini est livré sans cet élément, le portail peut être facilement fabriqué de vos propres mains en choisissant vous-même l'option de mécanisme la plus optimale.
Avantages et inconvénients
Comme toute solution d'ingénierie, la porte présente un certain nombre d'avantages et d'inconvénients.
Avantages:
- Capacité à contrôler la traction ;
- L'économie de carburant;
- Les amortisseurs aident à garder la chaleur à l'intérieur.
Moins :
- Les appareils rendent difficile le nettoyage des cheminées;
- Si elle n'est pas installée correctement, la vanne peut se coincer et nuire au mouvement des gaz ;
- Pour un réglage correct, il est nécessaire d'avoir certaines connaissances dans le domaine des systèmes de désenfumage.
Différences entre portail coulissant et portail rotatif
Un registre rétractable vous permet de régler la section de travail de la cheminée, un registre rotatif - ouvrez ou fermez uniquement le tuyau. Bien sûr, certaines astuces sont possibles - comme fixer le porc dans une position intermédiaire de différentes manières, mais l'équipement d'usine ne le prévoit pas. De plus, la porte rotative complique le nettoyage mécanique de la canalisation.
Nous sélectionnons la porte
La porte est généralement utilisée dans les systèmes de chauffage basés sur l'utilisation de bois, de combustibles solides et liquides, de gaz. L'intensité de la combustion est contrôlée en modifiant l'alimentation en carburant. Dans une chaudière à gaz, il est conseillé d'utiliser une vanne de type rotatif. Étant donné que les gaz d'échappement ont une basse température, la structure elle-même ne sera pas endommagée. Un dispositif en acier inoxydable ne fermera pas complètement la cheminée et empêchera la flamme de s'échapper par le cendrier dans la pièce.
Il est possible de construire une porte de vos propres mains. Si vous êtes engagé dans la construction d'une maison et que vous envisagez de construire vous-même un poêle, veillez immédiatement à encastrer une porte dans la cheminée. Même lorsque vous chauffez la pièce avec une chaudière, vous devez toujours installer le registre. Vous pouvez effectuer indépendamment non seulement l'installation du robinet-vanne, mais également son assemblage. Le plus souvent, un tel besoin se pose lors du rééquipement du chauffage du four, c'est-à-dire si la maison a déjà une cheminée, mais il est nécessaire de choisir un registre approprié.
Pour la construction de la porte, il vaut la peine d'utiliser de l'acier inoxydable, car lui seul peut résister aux effets négatifs des températures élevées et du condensat. Faites d'abord un cadre, puis installez l'amortisseur. Il vaut la peine d'utiliser des coins dans lesquels la largeur de l'étagère est de 35 à 45 mm.
Après cela, nous forons un évidement pour l'axe dans le cadre. Au centre entre les parties parallèles, faites de telles activités pour les conceptions avec un virage direct. Pour une rotation angulaire, les trous doivent être placés en diagonale. Ensuite, soudez les douilles. Leur emplacement ne doit pas interférer avec la libre rotation de l'axe.
Pour l'amortisseur lui-même, on prend de l'acier de deux à trois millimètres. La plaque est insérée dans le cadre et soudée à l'axe. Le volet et le cadre doivent être séparés par un espace de 1 mm maximum. Pour que le registre se ferme complètement, il est équipé d'un limiteur. Nous montons une poignée sur l'axe, avec laquelle nous contrôlerons la porte.
Malgré la simplicité de la conception de la pièce, le portail présente de nombreux avantages. Grâce à lui, même le chauffage d'un poêle ordinaire peut être économe en énergie.





































