Station de pompage sans accumulateur hydraulique: caractéristiques du dispositif de fonctionnement et d'alimentation en eau sans réservoir hydraulique

Station de pompage sans accumulateur hydraulique et avec accumulateur

Pourquoi avez-vous besoin d'un accumulateur hydraulique?

Un accumulateur hydraulique (c'est-à-dire un réservoir à membrane, un réservoir hydraulique) est utilisé pour maintenir une pression stable dans le système d'alimentation en eau, protège la pompe à eau de l'usure prématurée due à des allumages fréquents, protège système d'alimentation en eau contre les coups de bélier possibles. En cas de coupure de courant, grâce à l'accumulateur hydraulique, vous disposerez toujours d'une petite réserve d'eau.

Station de pompage sans accumulateur hydraulique: caractéristiques du dispositif de fonctionnement et d'alimentation en eau sans réservoir hydraulique

Voici les principales fonctions qu'un accumulateur hydraulique remplit dans un système d'alimentation en eau :

  1. Protéger la pompe d'une usure prématurée.En raison de la réserve d'eau dans le réservoir à membrane, lorsque le robinet d'eau est ouvert, la pompe ne s'allumera que si l'alimentation en eau du réservoir est épuisée. Toute pompe a un certain taux d'inclusions par heure, donc, grâce à l'accumulateur, la pompe disposera d'une réserve d'inclusions inutilisées, ce qui augmentera sa durée de vie.
  2. Maintien d'une pression constante dans le système de plomberie, protection contre les chutes de pression d'eau. En raison des chutes de pression, lorsque plusieurs robinets sont ouverts en même temps, de fortes fluctuations de la température de l'eau se produisent, par exemple dans la douche et dans la cuisine. L'accumulateur hydraulique fait face avec succès à de telles situations désagréables.
  3. Protection contre les coups de bélier, qui peuvent survenir lorsque la pompe est allumée et peuvent gâcher la canalisation dans l'ordre.
  4. Maintenir un approvisionnement en eau dans le système, ce qui vous permet d'utiliser de l'eau même pendant une panne de courant, ce qui arrive assez souvent à notre époque. Cette caractéristique est particulièrement précieuse dans les maisons de campagne.

Choix : intégré ou externe ?

Selon l'emplacement d'installation, les éjecteurs à distance et intégrés sont distingués. Il n'y a pas de grande différence dans les caractéristiques de conception de ces appareils, mais l'emplacement de l'éjecteur affecte toujours d'une manière ou d'une autre l'installation de la station de pompage et son fonctionnement.

Ainsi, les éjecteurs intégrés sont généralement placés à l'intérieur du boîtier de la pompe ou à proximité de celui-ci. En conséquence, l'éjecteur prend un minimum de place et il n'est pas nécessaire de l'installer séparément, il suffit d'effectuer l'installation habituelle d'une station de pompage ou de la pompe elle-même.

De plus, l'éjecteur situé dans le boîtier est protégé de manière fiable contre la contamination. La prise d'eau sous vide et inversée s'effectue directement dans le corps de pompe.Il n'est pas nécessaire d'installer des filtres supplémentaires pour protéger l'éjecteur contre le colmatage par des particules de limon ou de sable.

Station de pompage sans accumulateur hydraulique: caractéristiques du dispositif de fonctionnement et d'alimentation en eau sans réservoir hydrauliquetélécommande éjecteur de la salle des pompes les stations sont plus difficiles à installer que le modèle intérieur, mais cette option crée un effet sonore beaucoup plus faible

Cependant, il convient de rappeler qu'un tel modèle démontre une efficacité maximale à faible profondeur, jusqu'à 10 mètres. Les pompes avec éjecteur intégré sont conçues pour de telles sources relativement peu profondes, leur avantage est qu'elles fournissent une excellente tête d'eau entrante.

En conséquence, ces caractéristiques sont suffisantes pour utiliser l'eau non seulement pour les besoins domestiques, mais aussi pour l'irrigation ou d'autres opérations commerciales. Un autre problème est l'augmentation du niveau de bruit, car l'effet sonore de l'eau traversant l'éjecteur s'ajoute à la vibration de la pompe en marche.

Si la décision est prise d'installer une pompe avec un éjecteur intégré, vous devrez alors veiller particulièrement à l'isolation phonique. Il est recommandé d'installer des pompes ou des stations de pompage avec éjecteur intégré à l'extérieur de la maison, par exemple dans un bâtiment séparé ou dans un caisson de puits.

Le moteur électrique d'une pompe avec éjecteur doit être plus puissant que pour un modèle similaire sans éjecteur.

Un éjecteur à distance ou externe est installé à une certaine distance de la pompe, et cette distance peut être assez importante : 20 à 40 mètres, certains experts considèrent même que 50 mètres sont acceptables. Ainsi, un éjecteur déporté peut être placé directement dans une source d'eau, par exemple dans un puits.

Station de pompage sans accumulateur hydraulique: caractéristiques du dispositif de fonctionnement et d'alimentation en eau sans réservoir hydrauliqueL'éjecteur externe augmente non seulement les performances de la pompe, mais est conçu pour augmenter la profondeur de la prise d'eau de la source, qui peut atteindre 20 à 45 m

Bien entendu, le bruit du fonctionnement d'un éjecteur installé en profondeur ne dérangera plus les habitants de la maison. Cependant, ce type d'appareil doit être connecté au système à l'aide d'un tuyau de recirculation, par lequel l'eau retournera à l'éjecteur.

Plus la profondeur d'installation de l'appareil est grande, plus le tuyau devra être abaissé longtemps dans le puits ou le puits.

Il est préférable de prévoir la présence d'une autre canalisation dans le puits dès la conception du dispositif. La connexion d'un éjecteur à distance prévoit également l'installation d'un réservoir de stockage séparé, à partir duquel l'eau sera prélevée pour la recirculation.

Un tel réservoir vous permet de réduire la charge sur la pompe de surface, économisant ainsi une certaine quantité d'énergie. Il convient de noter que l'efficacité de l'éjecteur externe est quelque peu inférieure à celle des modèles intégrés à la pompe, cependant, la possibilité d'augmenter considérablement la profondeur de l'admission oblige à accepter cet inconvénient.

Lors de l'utilisation d'un éjecteur externe, il n'est pas nécessaire de placer la station de pompage directement à côté de la source d'eau. Il est tout à fait possible de l'installer dans le sous-sol d'un immeuble résidentiel. La distance à la source peut varier de 20 à 40 mètres, cela n'affectera pas les performances de l'équipement de pompage.

Avantages de l'installation d'un réservoir hydraulique

Il existe un certain nombre de raisons pour lesquelles un accumulateur hydraulique est nécessaire dans un système d'alimentation en eau :

La tâche principale est que grâce à l'accumulateur hydraulique, la pompe démarre et s'arrête moins fréquemment. Le moteur ne surchauffe pas et ne tombe pas en panne plus longtemps.
En plus de créer un approvisionnement en eau, l'entraînement adoucit les chocs hydrauliques dans le système d'alimentation en eau. L'air contenu à l'intérieur du cylindre réduit les pertes de charge dans la canalisation grâce à sa compressibilité

En conséquence, tous les éléments du système s'usent moins.
Lors d'une panne de courant, une réserve d'eau reste dans le réservoir hydraulique, ce qui est important en cas de pannes de courant fréquentes.

Est-il facile d'installer un accumulateur hydraulique

Les résidents d'été paniquent immédiatement lorsqu'ils entendent que l'accumulateur doit être connecté au système d'alimentation en eau. Ils pensent que les tuyaux peuvent soudainement éclater et que tout le chalet d'été, ainsi que la maison, sera rempli d'eau. Ce n'est pas vrai.

Lire aussi :  Règles d'approvisionnement en eau et d'assainissement : calcul du solde + taux d'approvisionnement et de consommation d'eau

L'installation de l'accumulateur s'effectue selon le schéma standard et éprouvé. Beaucoup de résidents d'été ont intégré leurs réservoirs le long de celui-ci. Et ils ont fait un excellent travail. Pour ce faire, ils ont acheté tous les composants nécessaires sous forme de mamelons, de pompes et de raccords.

Station de pompage sans accumulateur hydraulique: caractéristiques du dispositif de fonctionnement et d'alimentation en eau sans réservoir hydraulique

Pour le mettre au bon endroit, vous devez déterminer le paramètre de débit d'eau pour toute la maison. Déterminer la puissance de la pompe et le volume de l'accumulateur. Il convient également de connaître l'emplacement des principales unités d'approvisionnement en eau.

  • tuyaux;
  • tuyaux ;
  • Raccord;
  • mamelons;
  • Grues et ainsi de suite.

Ensuite, regardez le schéma d'installation et faites tout comme indiqué.

À première vue, il semble que l'installation d'un réservoir soit une tâche difficile. Ce n'est pas vrai. Décidez d'un endroit, regardez les schémas de l'approvisionnement en eau. Achetez les pièces de raccordement et connectez simplement le réservoir à l'alimentation en eau générale.

La place du réservoir dans le système d'approvisionnement en eau

Dans les systèmes d'alimentation en eau, l'accumulateur est situé après la pompe, devant le tuyau d'arrivée. À cet endroit, il est capable de contrôler la pression et d'exercer des fonctions de protection, par exemple lors d'un coup de bélier.Un coup de bélier se produit lorsque la vanne est soudainement fermée et que la pompe fonctionne en même temps. Par inertie, le liquide se déplace vers la sortie, lorsqu'il est empêché de se déplacer, une onde inverse se produit. Il entre en collision avec la masse de liquide venant en sens inverse et les tuyaux sont endommagés. L'absence de contre-courant évite la rupture de ligne.

Certains acheteurs confondent le réservoir de stockage avec le vase d'expansion. Le second est conçu pour compenser les pertes de fluide lorsqu'il est chauffé et est installé dans des systèmes de chauffage. Lorsque le liquide s'évapore, une partie supplémentaire provient de l'alimentation en eau.

En cas de panne de courant, il y a une petite réserve d'eau qui peut être utilisée pour les besoins domestiques.

Lorsqu'un réservoir hydraulique n'est pas nécessaire

Dans les systèmes d'irrigation, un accumulateur hydraulique n'est pas nécessaire, car avec un robinet ouvert constant, la pompe fonctionnera sans s'éteindre. S'il existe une capacité de stockage dans ce circuit, les équipements s'allumeront fréquemment, ce qui conduira à un épuisement prématuré des ressources.

Lors de l'achat d'une pompe avec un système automatique qui suppose un démarrage en douceur du moteur, le GA n'est pas non plus nécessaire. Les coups de bélier ne menacent pas les tuyaux, car le débit de fluide se déplace lentement.

Si la pompe aspire l'air du puits. Pourquoi y a-t-il de l'air dans l'eau du puits et que faire

Les résidents de maisons privées, de datchas, de maisons de campagne ont souvent un besoin urgent d'installer une structure de pompage pour pomper l'eau d'un puits ou d'un puits. Pour certains, c'est le seul moyen d'avoir de l'eau dans la chambre. Par conséquent, lorsqu'un jour, la pompe cesse de bourdonner, il est urgent de comprendre l'origine de la panne.

Si la station de pompage cesse de pomper de l'eau, il est urgent de trouver la cause de la panne

Souvent, la pierre d'achoppement est l'air qui pénètre dans la pompe avec le liquide. Tout peut être évité, seulement au départ, vous devez savoir à partir de quels éléments la structure de pompage est assemblée.

Principaux composants de l'unité de pompage

Il existe de nombreuses variétés de stations, mais les principaux composants sont communs à toutes.

  1. Pompe auto-amorçante. Principe de fonctionnement: la pompe aspire indépendamment le liquide de l'évidement à l'aide d'un tube dont une extrémité se trouve dans le puits, l'autre est reliée à l'équipement.
    La pompe est située à une courte distance du réservoir d'eau. La profondeur du tube est également réglable.
  2. Toutes les unités sont équipées d'un accumulateur hydraulique. Le navire, utilisant l'énergie du gaz comprimé ou d'un ressort, transfère le liquide sous pression au système hydraulique. Il accumule le fluide hydraulique et le libère au bon moment, évitant ainsi les surtensions dans le système. À l'extérieur, c'est du métal, à l'intérieur il y a une membrane en caoutchouc, au-dessus il y a une cavité de gaz remplie d'azote et une cavité sous-hydraulique. L'eau est remplie jusqu'à ce que la pression dans les deux cavités soit égale.
  3. Moteur électrique. Grâce au couplage, il est connecté à la pompe et au relais - en utilisant le circuit électrique. Du fait que la pompe ne s'allume pas pour de courtes prises de liquide, le moteur ne s'use pas.
  4. Sortie d'air.
  5. élément collecteur.
  6. Manomètre. Il vous permet de surveiller le niveau de pression.
  7. Relais. En changeant la pression, en ouvrant/fermant les contacts, il prend en charge le fonctionnement indépendant de l'équipement.

L'objectif principal des stations de pompage est de maintenir une pression continue dans la structure d'approvisionnement en eau.

Pour que tous les composants fonctionnent comme une horloge, il est important de sélectionner correctement le volume requis de l'accumulateur hydraulique et de contrôler la connexion entre le régulateur et la pompe elle-même

L'ordre de fonctionnement de l'unité

Lorsqu'il est allumé, le moteur électrique est le premier à entrer en jeu, il démarre la pompe et il pompe le liquide entrant progressivement dans l'accumulateur. Lorsque l'accumulateur est plein à la limite, une surpression sera créée et la pompe s'arrêtera. Lorsque le robinet est fermé dans la maison, la pression diminue et la pompe se remet à fonctionner.

La maison dispose d'une batterie connectée à l'alimentation en eau. Les tuyaux se remplissent d'eau lorsque la pompe démarre. Lorsque la pression dans la station atteint le pic requis, la pompe est arrêtée.

L'unité de pompage résoudra la difficulté d'approvisionner en eau les maisons, les bains, les cuisines d'été, les dépendances et autres locaux sur le territoire de votre site. Après vous être familiarisé avec les détails du fonctionnement de la station, il est nécessaire d'étudier les causes possibles de la défaillance de l'appareil et les moyens de les éliminer.

Les pannes les plus fréquemment rencontrées

Lors de l'utilisation d'un équipement, il arrive un moment où il s'use ou se casse.

Donc dans le second cas, il serait important que le propriétaire comprenne les causes des dommages. Voici une courte liste de motifs qui perturbent le fonctionnement de la station de pompage :

  • pas d'électricité - banal, mais pas non plus exclu, car le fonctionnement de l'appareil dépend directement du courant électrique;
  • le pipeline n'est pas rempli de liquide;
  • dysfonctionnement de la pompe ;
  • accumulateur hydraulique cassé ;
  • automatisation endommagée ;
  • fissures dans la coque.

La pompe tourne mais ne pompe pas l'eau

Que faire lorsque la station ne pompe pas l'eau ? Une cause fréquente de panne est le manque de liquide dans les tuyaux ou dans la pompe elle-même.Il arrive que l'unité fonctionne, mais l'eau ne pompe pas. Ensuite, vous devez inspecter l'étanchéité de l'ensemble de l'alimentation en eau, s'il y a des endroits où les tuyaux sont mal connectés.

Vérifier que la pompe n'est pas vide. Le clapet anti-retour ne fonctionne pas correctement. Le débit doit être unidirectionnel. C'est l'une des parties les plus importantes de la station, car, après l'arrêt de la pompe, elle empêche l'eau de refluer dans le puits.

Lire aussi :  Comment conduire l'eau dans une maison privée: disposition d'une source d'approvisionnement en eau + alimentation en eau de la maison

Schéma d'une vanne de station de pompage pouvant se boucher avec des débris

Il arrive que la vanne soit obstruée et ne se ferme pas physiquement, des débris, du sel, des grains de sable peuvent y pénétrer. En conséquence, le liquide n'atteint pas la pompe. Nous résolvons le problème.

Avant de faire tourner l'appareil, nous vous conseillons de vérifier la tension du courant électrique. Il arrive qu'il soit inférieur à la normale et que la pompe ne puisse tout simplement pas s'allumer. Etc

Réparation et prévention de l'accumulateur hydraulique

Même les réservoirs hydrauliques les plus simples nécessitent de l'attention et des soins, comme tout appareil qui fonctionne et en profite.

Les raisons de réparer un accumulateur hydraulique sont différentes. Il s'agit de corrosion, de bosses dans le corps, de violation de l'intégrité de la membrane ou de violation de l'étanchéité du réservoir. Il existe également de nombreuses autres raisons qui obligent le propriétaire à réparer le réservoir hydraulique. Afin d'éviter de graves dommages, il est nécessaire d'inspecter régulièrement la surface de l'accumulateur, de surveiller son fonctionnement afin d'éviter d'éventuels problèmes. Il ne suffit pas d'inspecter le GA deux fois par an, comme stipulé dans les instructions

Après tout, un dysfonctionnement peut être éliminé aujourd'hui, et demain ne pas faire attention à un autre problème qui s'est posé, qui au cours des six mois deviendra irréparable et peut entraîner la défaillance du réservoir hydraulique. Par conséquent, l'accumulateur doit être inspecté à chaque occasion, afin de ne pas manquer les moindres dysfonctionnements et de les réparer à temps.

Causes des pannes et leur élimination

Station de pompage sans accumulateur hydraulique: caractéristiques du dispositif de fonctionnement et d'alimentation en eau sans réservoir hydraulique

La raison de la défaillance du vase d'expansion peut être une activation / désactivation trop fréquente de la pompe, une sortie d'eau par la vanne, une faible pression d'eau, une faible pression d'air (inférieure à celle calculée), une faible pression d'eau après la pompe.

Comment dépanner un accumulateur hydraulique de vos propres mains? La raison de la réparation de l'accumulateur peut être une faible pression d'air ou son absence dans le réservoir à membrane, des dommages à la membrane, des dommages au boîtier, une grande différence de pression lorsque la pompe est allumée et éteinte, ou un volume mal sélectionné du réservoir hydraulique.

Le dépannage peut être effectué comme suit :

  • pour augmenter la pression d'air, il est nécessaire de la forcer à travers le mamelon du réservoir avec une pompe de garage ou un compresseur;
  • une membrane endommagée peut être réparée dans un centre de service;
  • le boîtier endommagé et son étanchéité sont également éliminés au centre de service;
  • vous pouvez corriger la différence de pression en réglant un différentiel trop important en fonction de la fréquence de mise en marche de la pompe ;
  • La suffisance du volume du réservoir doit être déterminée avant son installation dans le système.

Le principe de fonctionnement du système sans réservoir hydraulique

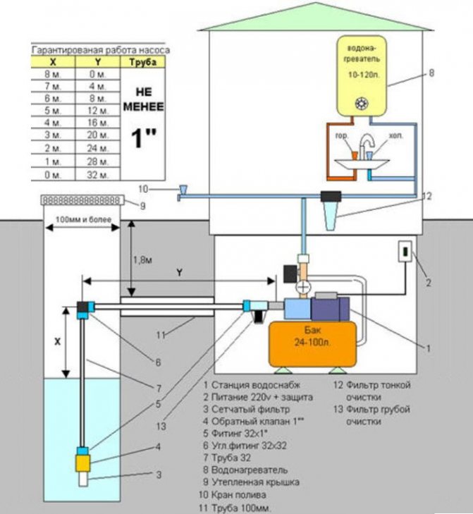
L'équipement qui pompe l'eau fonctionne de la même manière : il prélève du liquide à une source - un puits, un puits - et le pompe dans la maison, jusqu'aux points de prise d'eau. La pompe peut être à la fois submersible et de surface.

Le rôle des lignes de raccordement est assuré par des canalisations constituées de tuyaux en polypropylène ou de tuyaux flexibles. De la même manière, l'eau est fournie aux bains publics, au garage, à la cuisine d'été, à la piscine.

Pour que l'eau puisse être utilisée en automne ou au début du printemps, il est recommandé d'isoler le puits et d'enterrer les tuyaux à une profondeur de 70 à 80 cm - le liquide ne gèlera pas même pendant les gelées

La différence concerne l'utilisation de dispositifs supplémentaires, tels qu'un accumulateur hydraulique, un pressostat, etc. Il est extrêmement dangereux d'installer un équipement de pompage sans moyens de contrôle et de réglage - principalement pour l'équipement lui-même.

L'exemple le plus simple d'équipement pour fournir de l'eau aux résidents des chalets d'été est la pompe de jardin AL-KO. Avec lui, vous pouvez arroser les plantes, organiser une douche, remplir la piscine d'eau

Si vous avez besoin d'une grande quantité d'eau ou d'un approvisionnement plus stable, un autre élément important est inclus dans le circuit - un réservoir de stockage. Tout d'abord, l'eau y pénètre, et ensuite seulement - pour les consommateurs.

Lors de l'utilisation de pompes domestiques, le volume de liquide est généralement compris entre 2 et 6 m³/h. Ce montant est généralement suffisant si la station est reliée à un puits ou un puits et dessert une maison de campagne.

Les fonctions de la pompe sont contrôlées par un pressostat chargé de régler la pression. Pour le contrôle, il est plus simple d'installer un manomètre, qui est généralement équipé d'une automatisation des stations de pompage.

En l'absence d'accumulateur hydraulique, le pressostat est connecté directement à la station de pompage ou intégré avec l'interrupteur de marche à sec dans la canalisation

En plus du matériel de pompage de l'eau, vous aurez besoin d'un câble électrique, d'un point de raccordement au secteur et de bornes de terre.Si la solution prête à l'emploi ne répond pas aux exigences, les pièces de la station peuvent être achetées séparément, puis assemblées sur le site d'installation. La condition principale est la correspondance des éléments du système en fonction des caractéristiques.

Appareil et principe de fonctionnement

Afin de comprendre le fonctionnement d'une station de pompage pour une résidence d'été ou une maison privée, il convient d'examiner de plus près son dispositif et les principaux éléments fonctionnels. Considérez leur séquence dans le sens du mouvement de l'eau.

  • Une prise d'eau située dans un puits ou un puits est équipée d'un maillage filtrant qui empêche les particules d'impuretés relativement grosses de pénétrer dans le système. Un clapet anti-retour est également situé ici pour empêcher l'écoulement inverse de l'eau lorsque la pression chute ou que la pompe cesse de fonctionner.
  • La conduite d'aspiration est la section de la canalisation allant de la prise d'eau à la pompe.
  • Le fonctionnement d'une pompe centrifuge crée une dépression dans la canalisation d'alimentation en liquide de la source, ce qui contribue à son ascension intensive, et une surpression dans la conduite menant aux points de consommation d'eau pour assurer l'écoulement de l'eau à travers les communications. Pour optimiser le fonctionnement du système, la pompe est équipée d'un manomètre et d'un pressostat. dont les réglages assurent l'allumage et l'extinction du groupe de pompage lorsque des valeurs critiques sont atteintes.
  • Le principe de fonctionnement d'une station de pompage pour une résidence d'été serait incompréhensible sans clarification - les réglages du relais sont définis en tenant compte des caractéristiques de la pompe, du volume et de la pression requise dans l'accumulateur et d'autres paramètres.
  • Les systèmes sont équipés de réservoirs à partir desquels l'eau est fournie au pipeline.

Station de pompage sans accumulateur hydraulique: caractéristiques du dispositif de fonctionnement et d'alimentation en eau sans réservoir hydraulique La photo montre un schéma d'un dispositif d'alimentation en eau basé sur une station de pompage avec un accumulateur hydraulique

Ainsi, le principe de fonctionnement d'une station de pompage pour une maison par étapes est le suivant:

  • Lorsque la pompe est mise en marche, l'eau monte de la source, remplit le système et l'accumulateur hydraulique jusqu'à ce qu'une certaine pression ou un certain niveau soit atteint. Après cela, la pompe est arrêtée.
  • Lorsque de l'eau est consommée (ouverture d'un robinet, utilisation d'une douche ou d'un équipement consommateur d'eau), la pression ou le niveau dans le système diminue, ce qui contribue à l'alimentation en fluide de la chambre d'accumulation/réservoir de stockage. Ainsi, le débit d'eau de l'accumulateur est effectué jusqu'à ce qu'une valeur critique de pression / niveau soit atteinte. Après cela, la pompe est remise en marche et le cycle se répète.
Lire aussi :  Schéma d'approvisionnement en eau d'une maison privée à partir d'un puits

Installer un réducteur de pression

Station de pompage sans accumulateur hydraulique: caractéristiques du dispositif de fonctionnement et d'alimentation en eau sans réservoir hydraulique

Nous réglons le réducteur de pression à 1,5-2 bar

Cet appareil présente plusieurs types de construction (piston ou membrane). Dans ce cas, nous nous concentrerons sur la conception du type de piston. C'est ce qu'on appelle l'élément de limitation de pression supplémentaire dans le système après le relais de la station de pompage. Habituellement, une pression de 4 bars est également considérée comme un indicateur élevé. Sur la boîte de vitesses, vous pouvez régler 1-1,5 bar, ce qui garantira un fonctionnement stable de l'ensemble du système dans son ensemble.

Répétons-le à nouveau pour une clarté totale. Le pressostat à la station élimine la surcharge générale des réseaux fixes. Le réducteur de pression offre des conditions confortables pour l'utilisation des réseaux d'alimentation en eau dans la maison.

Un lecteur curieux peut avoir une question techniquement correcte : pourquoi est-il nécessaire d'utiliser deux options pour la décompression. Vous pouvez régler en toute sécurité, par exemple, 1,5 sur le relais de la station de pompage. Tout le secret réside dans les paramètres de fonctionnement de l'accumulateur.Pour le remplir d'eau, il faut créer une surpression de plus de 4 bars. Par conséquent, schématiquement, l'ensemble du système d'alimentation en eau est divisé en deux zones, haute et basse pression.

Tout d'abord, il y a une connexion de la pompe au vase d'expansion (zone haute pression), puis du réservoir à travers le réducteur à l'alimentation en eau centrale (zone basse pression). Avec un fort désir, toute la structure peut être assemblée de vos propres mains. L'essentiel est le respect des calculs et de la procédure pour les actions établies. L'installation sur un puits est aussi réelle que le raccordement à une alimentation en eau centralisée.

Pour plus de clarté, lors du résumé, il est nécessaire de noter les options suivantes nécessaires au fonctionnement stable de l'ensemble de l'approvisionnement en eau. À savoir:

  1. Utilisez des éléments filtrants.
  2. Comprendre le fonctionnement de la station de pompage, le relais selon les instructions.
  3. Assurez-vous d'utiliser des accumulateurs hydrauliques.
  4. Utilisez un réducteur de pression.

En règle générale, un tel équipement peut avoir un coût décent. Mais si vous calculez à l'avance les options possibles pour les systèmes d'approvisionnement en eau classiques et obsolètes, la différence est évidente. Dans le premier, le confort de fonctionnement est immédiatement violé. La station fonctionne en permanence (bruit, bourdonnement du moteur électrique). La pression dans le réseau est soit trop basse, soit vice versa, rompt toutes les connexions et les parties internes des robinets.

Sans éléments filtrants, les pièces mobiles de la pompe, les zones de travail des régulateurs et des vannes se bouchent. Et si la clôture est réalisée à partir d'un puits, des agents de nettoyage sont simplement nécessaires. Un réservoir de stockage ne gênera pas en cas de manque d'eau pendant un certain temps.En conséquence, lors de la réalisation de calculs préliminaires, il devient évident que l'installation d'une station de pompage selon le schéma présenté est une excellente option pour une utilisation à long terme avec des coûts de maintenance minimaux.

Lire aussi :

Accumulateur hydraulique - pourquoi est-il

Un accumulateur hydraulique sert à plusieurs fins principales dans un système d'alimentation en eau. Tout d'abord, son installation permet de créer la pression nécessaire dans le réseau. De plus, une petite quantité d'eau est stockée dans l'accumulateur. Par exemple, si pour une raison quelconque la pompe ne peut pas pomper de l'eau, vous pouvez l'utiliser. Le volume d'eau détermine le volume interne de l'accumulateur

Et surtout, sa présence dans le système d'alimentation en eau d'une maison privée empêche la formation de coups de bélier.

Un accumulateur hydraulique signifie un réservoir métallique spécial. Afin de maintenir une pression stable à l'intérieur, il est équipé d'un équipement spécial. Le schéma d'alimentation en eau d'un puits avec un accumulateur hydraulique est relativement simple, et si vous suivez toutes les instructions de cet article, vous pouvez effectuer vous-même la connexion.

Dans la plupart des cas, l'accumulateur hydraulique pour les systèmes d'alimentation en eau utilise le principe de l'énergie de l'air comprimé. Il se compose d'une cloison, par exemple, il peut s'agir d'une membrane en caoutchouc ou d'une poire en caoutchouc. Ainsi, l'essence du fonctionnement de l'ensemble du système d'alimentation en eau avec un accumulateur hydraulique est la suivante. L'équipement de pompage pompe l'eau dans le réservoir. Au fur et à mesure que le réservoir se remplit, une pression se forme à l'intérieur, car l'eau appuie sur la poire. Tout ce processus est contrôlé par un capteur de pression.

Ceci est important pour que la pompe puisse s'arrêter.Dès qu'un robinet s'ouvre dans une pièce avec de l'eau, l'eau est expulsée grâce à l'énergie d'une poire ou d'une membrane en caoutchouc

Station de pompage sans accumulateur hydraulique: caractéristiques du dispositif de fonctionnement et d'alimentation en eau sans réservoir hydraulique

Dès que la pression dans l'accumulateur chute, un capteur est activé qui envoie un signal à la pompe et celle-ci s'allume. Ainsi, l'accumulateur est à nouveau rempli d'eau. Le pompage est effectué jusqu'au déclenchement du signal d'arrêt.

Comme vous pouvez le voir, en plus de connecter l'accumulateur lui-même, il est important de calculer correctement la pression dans l'accumulateur d'alimentation en eau. À cette fin, vous pouvez utiliser les recommandations du fabricant, qui sont indiquées dans le passeport. Aujourd'hui, il existe deux types d'accumulateur hydraulique :

Aujourd'hui, il existe deux types d'accumulateur hydraulique :

  1. Type ouvert.
  2. genre fermé.

Quant au type ouvert, il est extrêmement rarement utilisé. Et ce n'est pas surprenant, car il a un certain nombre d'aspects négatifs, notamment :

  • Taux d'évaporation de l'eau élevé. En conséquence, il est nécessaire de pomper constamment de l'eau.
  • De plus, l'installation d'un accumulateur hydraulique pour les systèmes d'alimentation en eau de type ouvert de vos propres mains coûtera beaucoup plus cher. Cela est dû au fait qu'il est nécessaire de prendre des mesures qui excluront la possibilité de geler l'eau. De plus, il est nécessaire d'installer une automatisation supplémentaire, ce qui éliminera la possibilité de débordement d'eau.
  • Un inconvénient important est que lorsque l'eau entre en contact avec l'oxygène, son agressivité envers les pièces métalliques augmente. En conséquence, cela conduit à la formation de corrosion sur le métal, ce qui réduit considérablement la durée de vie.

Station de pompage sans accumulateur hydraulique: caractéristiques du dispositif de fonctionnement et d'alimentation en eau sans réservoir hydraulique

Entre autres choses, il existe des modèles qui sont placés en position verticale ou horizontale.Si la zone du caisson ou d'une autre pièce où l'installation et la connexion de l'accumulateur au système d'alimentation en eau est minimale, la direction verticale est sélectionnée. Pour l'horizontal, une plate-forme spéciale est nécessaire. Le réservoir lui-même a des pieds de montage spéciaux pour le montage.

Important! En vente, vous pouvez trouver un accumulateur hydraulique pour un système d'alimentation en eau bleu et rouge. Couleur bleue pour plomberie froide. Il diffère du rouge en ce que le réservoir lui-même est capable de fonctionner dans des conditions de pression beaucoup plus élevées.

De plus, du caoutchouc alimentaire est utilisé à l'intérieur de la structure.

Il diffère du rouge en ce que le réservoir lui-même est capable de fonctionner dans des conditions de pression beaucoup plus élevées. De plus, du caoutchouc alimentaire est utilisé à l'intérieur de la structure.

Évaluation
Site sur la plomberie

Nous vous conseillons de lire

Où remplir la poudre dans la machine à laver et combien de poudre verser