- Commutation de la lumière à partir de deux endroits
- Schéma de câblage d'un interrupteur d'intercommunication à deux gangs
- Principe d'opération
- Accession
- Le principe de fonctionnement du commutateur de passage
- Connecter un interrupteur d'éclairage à deux gangs avec une prise: décoder le circuit
- Comment fonctionne un interrupteur à deux boutons ?
- Schéma d'équipement à trois clés
- Où est placé l'appareil ?
- Installation de circuits de commutation à deux gangs
- Conception de l'appareil
- Marquage sur le corps de l'interrupteur
- Instructions étape par étape pour l'installation d'un interrupteur à deux boutons sur la hotte et l'éclairage dans la salle de bain
- Connecter des interrupteurs à une prise
- Pourquoi choisir des interrupteurs à double clé
- Commutateur à deux boutons : contrôle de deux groupes de luminaires depuis plusieurs endroits
Commutation de la lumière à partir de deux endroits
L'éclairage du couloir du projet se compose de deux groupes de lumière, il est donc logique dans ce cas d'utiliser deux interrupteurs à deux boutons pour le contrôle.
En conséquence, en plus d'eux, vous aurez besoin de:
- deux prises ;
- une boîte de jonction ;
- câble à trois conducteurs.
Le métrage des conducteurs électriques doit être calculé après avoir établi le schéma et la disposition du câblage. Il est recommandé d'acheter un câble avec une petite marge.
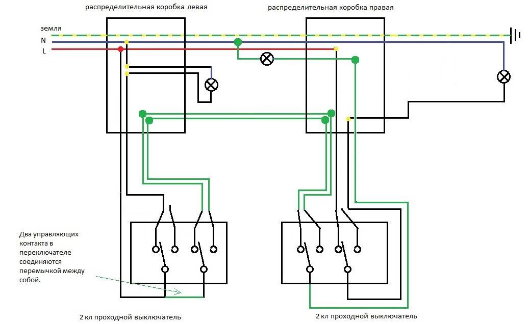
Le schéma de contrôle pour deux groupes d'éclairage via des interrupteurs à deux boutons ressemble à ceci :
Schéma de contrôle pour deux groupes d'éclairage séparés via des dispositifs à deux boutons : N, L - réseau électrique classique ; RK - boîte de distribution pour le câblage ; L1, L2 - groupes de lumière séparés ; P - cavalier; PV1, PV2 - interrupteurs d'intercommunication à deux gangs (+)
Le conducteur de phase est connecté au dispositif à deux touches PV1. Ce commutateur, qui a une configuration à deux boutons, respectivement, a deux bornes de contact communes et quatre bornes de contact de permutation.
Sur le premier appareil, les bornes communes sont connectées ensemble et le conducteur de phase leur est connecté. La borne 1 du contact inverseur PV1 est reliée par un fil à la borne 1 du contact inverseur PV2. En conséquence, la broche 2 de PV1 sera connectée à la borne 2 de PV2, la borne 3 de PV1 à la borne 3 de PV2 et la borne 4 de PV1 à la borne 4 de PV2.
Il y a deux bornes supplémentaires sur le deuxième commutateur d'intercommunication. Les deux sont communs (communs) et ils sont connectés selon le principe : chacun pour un groupe d'éclairage (L1 et L2) du système d'éclairage. Déjà des groupes de lumière, les conducteurs sortants ferment le circuit au bus neutre du réseau électrique.
Cependant, ce n'est qu'une des solutions de circuit possibles. Ainsi, si un groupe d'éclairage est utilisé, il est possible d'organiser un circuit sur des interrupteurs à un seul groupe.
Le câblage à l'aide d'interrupteurs à bouton unique semble plus économique en termes de consommation de matériau. Moins de fil est nécessaire ici, car le nombre de lignes de connexion est presque divisé par deux par rapport à la solution précédente.
Mais, en même temps, la fonctionnalité du système d'éclairage lui-même est limitée.
Solution schématique pour un groupe d'éclairage à l'aide d'interrupteurs à touche unique : L, N, PE - distribution électrique classique pour trois lignes ; RK - boîte de jonction ; L1 - groupe de lumière ; PV1, PV2 - interrupteurs à une touche (+)
Cependant, pour un appareil dans des locaux résidentiels, cette option peut être utilisée le plus souvent.
Qu'est-ce qui est requis pour l'appareil du système de contrôle sur les interrupteurs à un groupe?
La réponse est évidente :
- interrupteurs à clé unique (2 pièces);
- boîtes à douilles (2 pièces);
- boîte de jonction (1 pièce);
- câble électrique tripolaire (métrage par calcul).
La configuration système requise est standard. Avant le début des travaux, un schéma est établi. Les accessoires, matériaux et fixations nécessaires sont achetés. Des boîtiers de prises et un boîtier de distribution sont installés aux endroits désignés.

Un exemple de dispositif de câblage résidentiel de la catégorie Projets standards. Deux interrupteurs à clé unique sont utilisés. La solution est faite en tenant compte du câblage avec le conducteur de terre (PE). Cette option correspond au schéma ci-dessus.
Ensuite, le câble est acheminé et les connexions sont établies entre les interrupteurs de passage à partir de deux endroits avec la source lumineuse à travers la boîte de jonction.
Le conducteur de phase est connecté à la borne commune PV2, et la borne commune PV1 est connectée à un contact du groupe lumineux. Le deuxième contact du groupe lumineux est relié au bus zéro, et les contacts inverseurs des deux interrupteurs sont commutés entre eux, en respectant une numérotation identique (1 avec 1, 2 avec 2).
Schéma de câblage d'un interrupteur d'intercommunication à deux gangs
Bien que l'interrupteur soit généralement installé à l'entrée des locaux, il existe des situations où cela ne convient pas aux utilisateurs.Ainsi, lors du passage d'un long couloir la nuit, une personne éprouve des désagréments importants du fait qu'elle doit parcourir la majeure partie du chemin dans l'obscurité si elle entre par l'autre bout de la pièce où il n'y a pas d'interrupteur. Pour résoudre de tels problèmes, des commutateurs traversants sont produits, par exemple, par Legrand.
Dans l'exemple décrit, pour corriger la situation, à différentes extrémités du couloir, il est nécessaire d'installer deux interrupteurs de passage, dont l'un allume la lumière et l'autre éteint l'éclairage et vice versa. Grâce à cette commutation, tout le chemin passe dans l'espace éclairé, ce qui est beaucoup plus confortable et plus sûr.
Principe d'opération
Contrairement à un interrupteur standard à deux boutons, il n'y a pas de position "marche" et "arrêt" dans le passage. En raison d'un principe de fonctionnement différent du mécanisme, chaque touche contrôle un contact inverseur, c'est-à-dire qu'une tension est appliquée à un contact sortant et que l'alimentation est coupée en même temps à partir de l'autre borne sortante. Deux appareils à deux boutons contrôlent deux groupes de lampes/luminaires différents à partir de deux endroits différents dans la pièce.
La principale caractéristique du montage d'un interrupteur traversant avec deux clés est qu'un câble à quatre fils ou deux câbles à deux fils sont posés entre ces interrupteurs. Dans le même temps, comme entre les commutateurs simples, il suffit de poser un câble à deux conducteurs.
Accession
L'installation d'un commutateur d'intercommunication à deux gangs, ou plutôt d'une paire de tels dispositifs, diffère considérablement d'un commutateur standard. Par conséquent, il est recommandé d'imprimer le schéma de câblage, de marquer / numéroter tous les fils posés, puis de procéder strictement selon le schéma.Sinon, certains fils seront certainement mélangés et les commutateurs ne fonctionneront pas correctement.
Le principe de fonctionnement du commutateur de passage
Sur la touche du commutateur d'intercommunication, il y a deux flèches (pas grandes), dirigées vers le haut et vers le bas.
Ce type a un interrupteur à un bouton. Il peut y avoir des doubles flèches sur la touche.
Le schéma de branchement n'est pas beaucoup plus compliqué que le schéma de branchement d'un interrupteur classique. La différence réside uniquement dans un plus grand nombre de contacts : un interrupteur conventionnel a deux contacts et un interrupteur traversant a trois contacts. Deux contacts sur trois sont considérés comme courants. Dans le circuit de commutation d'éclairage, deux commutateurs similaires ou plus sont utilisés.
Différences - dans le nombre de contacts
Le commutateur fonctionne comme suit: lors de la commutation avec la clé, l'entrée est connectée à l'une des sorties. En d'autres termes, le commutateur de traversée est conçu pour deux états de fonctionnement :
- Entrée connectée à la sortie 1 ;
- Entrée connectée à la sortie 2.
Il n'a pas de positions intermédiaires, par conséquent, le circuit fonctionne comme il se doit. Puisqu'il existe une simple connexion de contacts, selon de nombreux experts, ils auraient dû être appelés "commutateurs". Par conséquent, le commutateur transitoire peut être attribué en toute sécurité à de tels dispositifs.
Afin de ne pas vous tromper sur le type d'interrupteur, vous devez vous familiariser avec le circuit de commutation présent sur le corps de l'interrupteur. Fondamentalement, le circuit est disponible sur les produits de marque, mais vous ne le verrez pas sur les modèles primitifs bon marché. En règle générale, le circuit se trouve sur les interrupteurs de Lezard, Legrand, Viko, etc.En ce qui concerne les commutateurs chinois bon marché, il n'existe pratiquement pas de circuit de ce type, vous devez donc appeler les extrémités avec l'appareil.
C'est l'interrupteur à l'arrière.
Comme mentionné ci-dessus, en l'absence de circuit, il est préférable d'appeler des contacts à différents postes clés. Cela est également nécessaire pour ne pas mélanger les extrémités, car les fabricants irresponsables confondent souvent les terminaux pendant le processus de production, ce qui signifie qu'il ne fonctionnera pas correctement.
Pour faire sonner les contacts, vous devez disposer d'un appareil numérique ou d'un pointeur. L'appareil numérique doit être commuté en mode de numérotation avec le commutateur. Dans ce mode, les sections court-circuitées du câblage électrique ou d'autres composants radio sont déterminées. Lorsque les extrémités des sondes sont fermées, l'appareil émet un signal sonore, ce qui est très pratique, car il n'est pas nécessaire de regarder l'écran de l'appareil. S'il y a un dispositif de pointage, alors lorsque les extrémités des sondes sont fermées, la flèche dévie vers la droite jusqu'à ce qu'elle s'arrête.
Dans ce cas, il est important de trouver un fil commun. Pour ceux qui ont les compétences nécessaires pour travailler avec l'appareil, il n'y aura pas de problèmes particuliers, mais pour ceux qui ont pris l'appareil pour la première fois, la tâche peut ne pas être résolue, malgré le fait que vous n'ayez besoin de comprendre que trois Contacts
Dans ce cas, il vaut mieux d'abord regarder la vidéo, qui explique clairement, et surtout montre comment faire.
Commutateur d'intercommunication - comment trouver un terminal commun ?
Regardez cette vidéo sur YouTube
Connecter un interrupteur d'éclairage à deux gangs avec une prise: décoder le circuit
Afin d'installer correctement l'unité dans laquelle la prise et le bouton de l'interrupteur sont combinés, il est nécessaire d'agir selon le schéma ci-dessous.
Schéma de câblage d'un interrupteur à deux clés avec une prise (unité avec 1 clé)
L'algorithme des actions est le suivant :
- un câble à deux conducteurs est retiré du blindage principal: phase et zéro. Il se connecte aux contacts dans la boîte de jonction. Au moyen d'un double câble, une lampe et un interrupteur avec une prise sont connectés;
- trois câbles sortant de l'unité installée entrent dans la boîte de jonction. Le luminaire est connecté avec un noyau à zéro et le second à la borne libre de l'interrupteur ;
- si un conducteur de mise à la terre est prévu dans le bloc "prise + interrupteur", il doit être raccordé au même conducteur dans la boîte de jonction.
Comment fonctionne un interrupteur à deux boutons ?
L'équipement a un total de 12 contacts, 6 pour chaque interrupteur double (2 entrées, 4 sorties), donc, pour connecter ce type d'équipement, vous devez prendre 3 fils pour chaque touche de l'appareil.
Diagramme de commutateur :
Circuit de commutation
- le dispositif est constitué d'une paire de contacts indépendants ;
- les contacts supérieurs de l'appareil N1 et N2 sont commutés sur les contacts inférieurs en appuyant sur les touches. Les éléments sont reliés par un cavalier ;
- le deuxième contact de l'interrupteur droit, représenté sur le schéma, est aligné avec la phase ;
- les contacts du mécanisme gauche ne se croisent pas, joignant deux sources différentes;
- Les 4 contacts croisés sont combinés par paires.
L'installation d'un interrupteur à deux gangs s'effectue comme suit :
- Une paire de mécanismes doubles est installée dans les prises dans des zones sélectionnées.
- Pour chaque source lumineuse, un câble à trois conducteurs séparé est placé dans la prise, dont les conducteurs sont débarrassés de l'isolant d'environ 1 centimètre.
- Dans le schéma, les âmes du câble sont désignées par L (phase), N (zéro de travail), terre (protection).
- L'appareil est équipé de marquages, ce qui simplifie la tâche de connexion des fils aux bornes de l'interrupteur. Les fils sont connectés aux bornes par paires.
- Le faisceau de fils est soigneusement placé dans la prise, après quoi le mécanisme de commutation, le cadre et le couvercle du boîtier de protection sont installés.
À quoi ressemble le marquage :
Marquage de l'interrupteur à deux clés
Exemple de schéma de connexion :
Schémas de connexion
Pour faciliter le processus de travail, il est recommandé de sélectionner des fils d'une certaine lumière. Il existe un marquage de couleur des fils pour la Russie et les autres pays de la CEI. De plus, un débutant peut apprendre à distinguer les câbles. Selon le marquage russe pour la «terre», les couleurs jaune et verte sont utilisées, le câble neutre est généralement marqué en bleu. La phase peut être rouge, noire ou grise.
Schéma d'équipement à trois clés
Lors de l'installation d'un triple appareil, des interrupteurs intermédiaires (croisés) sont utilisés, qui sont connectés entre les deux éléments latéraux.
Schéma d'équipement à trois clés
Ce commutateur a deux entrées et sorties. L'élément croisé peut translater les deux contacts en même temps.
Triple processus d'assemblage d'équipements :
- La masse et le zéro sont connectés à une source lumineuse.
- La phase est connectée à l'entrée de l'une d'une paire de structures traversantes (avec trois entrées).
- Un fil libre de la source lumineuse est connecté à l'entrée d'un autre interrupteur.
- Deux sorties d'un élément à trois contacts sont combinées avec l'entrée d'un dispositif croisé (avec deux paires de sorties).
- Deux sorties du mécanisme de paire (avec trois contacts) sont combinées avec une autre paire de bornes du commutateur suivant (avec quatre entrées).
Où est placé l'appareil ?
En règle générale, les commutateurs d'intercommunication sont montés dans différentes zones afin qu'ils soient pratiques à utiliser. Il n'est pas nécessaire d'utiliser deux interrupteurs. Ainsi, l'un d'eux peut devenir le principal et l'autre auxiliaire.
Si le câblage était situé dans un tube ondulé, lors de l'installation d'un dispositif de passage, il sera possible de le remplacer sans casser les sols.
Câblage dans un tube ondulé
Le plus souvent, des interrupteurs standard à une ou deux clés sont placés à ces endroits :
- De part et d'autre d'un couloir étroit. Si la porte est située au centre, il sera également possible d'installer l'appareil à proximité.
- Dans des chambres spacieuses. Ainsi, un interrupteur peut être installé conformément à la norme à une distance de 30 à 40 centimètres du montant de la porte et l'autre au-dessus du lit.
- Sur le palier.
- Le long du chemin dans la cour d'une maison particulière. Après tout, il sera pratique de se promener le soir et, si nécessaire, d'allumer et d'éteindre la lumière en cours de route.
- Dans les couloirs d'un grand espace, où il y a plusieurs entrées sur les côtés.
L'utilisation d'un interrupteur traversant est conseillée non seulement pour économiser de l'électricité, mais également nécessaire pour la sécurité du mouvement. Il s'avère que le seul inconvénient est la complexité de l'installation pour certains assistants.
Installation de circuits de commutation à deux gangs
Nous avons parlé de l'installation de circuits à clé unique ci-dessus. Pour deux clés, tout est un peu différent : il n'y a pas de boîte de jonction, donc le mécanisme sera le suivant :
- premièrement, les interrupteurs eux-mêmes sont installés dans des boîtiers spéciaux, dont les fils sont laissés suffisamment longs;
- après cela, des lampes sont installées, dont les contacts doivent également être de grande longueur;
- le raccordement est effectué conformément au schéma.
Comme vous pouvez le voir, il n'y a pas de détails complexes dans l'installation de deux et trois interrupteurs doubles. Tout est assez simple, et ayant à portée de main les schémas et le mécanisme d'installation, même un électricien non professionnel fera le travail.
Conception de l'appareil
La classification des interrupteurs d'éclairage à travers le passage dépend directement de leur conception et de leur objectif fonctionnel. Par le nombre de circuits électriques commutés indépendants, ces dispositifs sont divisés en une seule touche, deux touches et trois touches.

Le commutateur d'intercommunication le plus simple est un produit doté de trois bornes pour connecter les fils, dont l'une est une entrée et deux sont des sorties. Le contact de travail de cet appareil de commutation n'a que deux positions, dans l'une d'elles une ligne est fermée et dans l'autre - la seconde. Lorsque la touche de l'interrupteur est enfoncée, son groupe de contacts change de position, ouvrant ainsi l'un des circuits et fermant en même temps le second. Cela vous permet de contrôler l'éclairage simultanément à partir de deux endroits.
Certains modèles de tels dispositifs présentent également une position de contact intermédiaire dans laquelle les deux sont en position ouverte. L'interrupteur à trois positions appartient à un groupe de produits distinct avec ses propres tâches spécifiques et est rarement utilisé dans les circuits d'éclairage.

Les interrupteurs croisés sont un autre type d'appareil conçu pour contrôler les appareils électriques à partir de trois endroits ou plus.
Leur conception est différente en ce qu'elle contient une paire de contacts interconnectés, dont la commutation se produit simultanément lorsqu'une touche est enfoncée. Ces produits peuvent être fabriqués en version à trois et deux clés. Ils sont conçus, respectivement, pour contrôler le travail de trois ou deux groupes de consommateurs.
Marquage sur le corps de l'interrupteur
Sur la partie de l'interrupteur où se trouvent les contacts, il y a généralement un marquage spécial indiquant les caractéristiques du produit de commutation. Au minimum, il s'agit de la tension et du courant nominaux, ainsi que du degré de protection selon IP et de la désignation des serre-câbles.

Si le commutateur est sélectionné pour circuits avec lampes fluorescentes, alors les lettres "X" ou "AX" doivent être présentes dans son marquage (seul "A" est sur les ordinaires)
Lorsque la lumière est allumée dans les lampes fluorescentes, une forte augmentation du courant d'appel se produit dans le circuit. Si des ampoules LED ou à incandescence sont utilisées, ce saut n'est pas si important.
Sinon, le disjoncteur doit être conçu pour de telles charges élevées, sinon il y a un risque de brûler les contacts dans ses pinces.
Pourquoi est-il si important pour les lampes électriques fluorescentes de choisir des interrupteurs spéciaux
Pour une installation dans une chambre ou un couloir, un interrupteur avec IP03 est tout à fait adapté. Pour les salles de bains, il est préférable de monter le deuxième chiffre à 4 ou 5. Et si le produit de commutation est installé à l'extérieur, alors le degré de protection doit être au moins IP55.
Les pinces de contact pour les fils électriques sur l'interrupteur peuvent être :
- vis avec et sans plaque de pression;
- ressorts sans vis.
Les premiers sont plus fiables, tandis que les seconds simplifient grandement le câblage.De plus, la meilleure option est les colliers à vis avec l'ajout d'une plaque de pression. Une fois serrés, ils ne détruisent pas l'âme du fil avec la pointe de la vis.

Selon les exigences GOST, si le conducteur a une section allant jusqu'à 1,5 mm, il est inacceptable d'utiliser une pince à vis pour le connecter à l'interrupteur, dans lequel l'extrémité de la vis tourne le long du noyau.
Également dans le marquage des interrupteurs, il y a des désignations de bornes :
- "N" - pour le conducteur de travail zéro.
- "L" - pour un conducteur avec une phase.
- "EARTH" - pour une mise à la terre nulle du conducteur de protection.
De plus, l'utilisation habituelle de "I" et "O" indique la position de la clé dans les modes "ON" et "OFF". Il peut également y avoir des logos de fabricants et des noms de produits sur le boîtier.
Instructions étape par étape pour l'installation d'un interrupteur à deux boutons sur la hotte et l'éclairage dans la salle de bain
Disons que nous devons installer un interrupteur double sur la hotte et un éclairage dans la salle de bain. Nous supposerons que tous les fils ont déjà été posés et résumés, et que la hotte et la lampe sont installées. Notre tâche consiste à effectuer la commutation dans la boîte et à connecter l'équipement au commutateur.
Écrivons comment faire ce travail avec un minimum d'outils, tout ce dont nous avons besoin est illustré à la figure 5.
Outils pour le travail
Liste des outils :
- Phillips et tournevis à fente.
- Couteau spécial pour enlever l'isolant (vous pouvez en prendre un ordinaire);
- Quatre terminaux WAGO doubles. Ils seront nécessaires pour établir des liens. Bien sûr, cela peut être fait d'autres manières (soudage, soudage, torsion), mais nous avons opté pour cette option, car c'est la plus simple, ne nécessite pas d'outils et de compétences spéciaux pour travailler avec.Vous trouverez des informations détaillées sur les terminaux WAGO sur notre site Web.
- Niveau.
- Sonde (nécessaire si le câblage est fait avec des fils monochromes).
L'algorithme des actions sera le suivant :
- Nous désactivons le câblage dans le tableau de distribution - c'est une condition préalable au travail.
- Nous effectuons la commutation dans la boîte, connectons zéro à un fil commun de la lampe et de la hotte, démarrons la phase sur l'interrupteur, connectons les sorties de celui-ci aux fils de commande des appareils. Afin de ne pas se tromper avec le but des fils, la figure 6 montre la disposition standard des couleurs.
Couleurs de fil selon l'usage
Si les fils sont plus longs, coupez l'excédent. À l'aide d'un couteau, retirez-les de l'isolant (environ 10-15 mm du bord) et connectez-les aux bornes WAGO,
- Nous nous connectons aux bornes de l'interrupteur, pour cela nous coupons l'excédent et nettoyons l'isolation. Maintenant, il est nécessaire d'amener la phase à l'entrée commune du mécanisme de commutation, si trois fils monochromes sont connectés au point de connexion, vous devrez le trouver. Pour ce faire, appliquez une tension au câblage et touchez les fils avec la sonde un par un. Lorsque la recherche est trouvée, un néon s'allume dans l'appareil. Après cela, éteignez l'alimentation et continuez à travailler.
Nous connectons les fils de commande de la hotte et de la lampe aux sorties du mécanisme de commutation, l'ordre de connexion n'a pas d'importance.
- Nous l'installons dans un verre (si l'appareil est de type caché) ou sur un endroit préparé (version externe), après quoi nous réglons le panneau externe en fonction du niveau.
- Nous connectons la hotte et la lampe. En règle générale, ils sont fournis avec un bornier, sinon, des doubles bornes WAGO peuvent être utilisées.
- Au stade final, nous vérifions le fonctionnement du circuit assemblé. Si vous suivez cet algorithme d'actions, il n'y aura aucun problème.
Notez que la connexion de l'interrupteur triple s'effectue de la même manière, seuls 4 fils sont nécessaires pour le connecter.
Connecter des interrupteurs à une prise
Comment connecter correctement un interrupteur d'éclairage avec un interrupteur? Pour le développement indépendant d'un réseau de connexion d'éclairage avec la fonction d'allumer et d'éteindre la lumière à différents endroits de la pièce, le conducteur en L de l'ancienne ligne d'éclairage peut devenir une phase. Pour ce faire, l'entrée du premier interrupteur y est connectée, puis le câblage est effectué selon l'une des méthodes décrites.
Lors de l'installation d'un nouveau circuit, le fil de phase peut être dirigé vers une prise à proximité ou vous pouvez trouver son conducteur dans la boîte de jonction à l'aide d'un dispositif de numérotation spécial.

Le moyen le plus simple d'installer un interrupteur de passage consiste à monter la prise. Cette méthode est pratique et efficace en fonctionnement. Le cavalier dans ce cas peut être un simple fil avec une âme métallique, qui correspondra à la section du fil. L'acheminement des câbles entre deux interrupteurs et les boîtes de jonction s'effectue en stroboscope sous une couche de mastic (chemin caché) ou en pose dans des fossés de câbles.
Pourquoi choisir des interrupteurs à double clé
Il existe deux solutions de circuit populaires qui sont utilisées avec succès depuis longtemps pour équiper le système électrique de maisons et d'appartements privés.
Option numéro 1. Installation d'un DV (interrupteur à deux gangs) dans la salle de bain, si les toilettes et la salle de bain sont séparées par un mur. Ainsi, une clé contrôle l'ampoule dans les toilettes, la seconde - dans la salle de bain.
Aujourd'hui, cette option reste pertinente et est activement utilisée dans les logements typiques, où le schéma de câblage n'a pas fondamentalement changé.
Cependant, pour étendre les options de contrôle, au lieu d'un modèle à deux gangs, un interrupteur à trois gangs est parfois installé si la salle de bain est censée contrôler non pas une, mais deux lampes ou groupes de lampes.

Le montage d'un DV au lieu de deux appareils séparés est préférable du point de vue de l'économie de matériaux pour l'installation. De plus, il est plus pratique d'utiliser un seul interrupteur : en actionnant les touches, vous pouvez allumer et éteindre la lumière dans différentes pièces d'un seul mouvement de la main.
Option numéro 2. La deuxième utilisation courante d'un interrupteur à deux boutons est de contrôler un lustre. La conception du dispositif d'éclairage permet de connecter des ampoules à deux touches différentes, grâce auxquelles le niveau de lumière est ajusté.
Si une touche contrôle 2 ampoules et que la seconde en contrôle 4, alors trois modes d'éclairage peuvent être utilisés : sourd (2), léger (4) et intense (6).

Si un éclairage lumineux est nécessaire pour la lecture, les jeux ou un dîner en famille, allumez toutes les ampoules ; pour créer une atmosphère calme pour la détente du soir, une lumière tamisée d'une lampe suffit
Un grand nombre de lustres modernes, en particulier ceux à LED, sont contrôlés à partir d'une télécommande. Les modèles chinois multi-modes multicolores sont considérés comme particulièrement avancés dans cette direction. Mais l'option avec interrupteur est encore plus fiable - la télécommande peut échouer et l'électromécanique échoue rarement.
Avec le DV, vous pouvez contrôler non seulement un, mais également deux luminaires (ou groupes) d'éclairage installés dans la même pièce. Par exemple, si vous connectez un lustre et une paire d'appliques à des touches différentes.
Ainsi, les fonctions à deux touches sont très utiles :
- contrôle de plusieurs sources lumineuses ;
- contrôle de segment d'un appareil, mais multipiste (lustre);
- la possibilité de régler le degré d'éclairage dans la pièce;
- économie d'éléments d'assemblage.
Si vous avez apprécié les capacités d'un modèle à deux clés et souhaitez remplacer l'ancien modèle à une clé par celui-ci, vous devrez alors modifier le schéma de connexion et, très probablement, vous devrez commencer par le câblage.
Commutateur à deux boutons : contrôle de deux groupes de luminaires depuis plusieurs endroits
Avant de résoudre le problème de la connexion d'un commutateur d'intercommunication à deux gangs, vous devez d'abord comprendre sa conception. En fait, il s'agit de deux interrupteurs à passage unique installés dans un même boîtier. Après avoir réalisé cette nuance, vous pouvez facilement gérer sa connexion. Elle s'effectue de la même manière que l'installation d'un interrupteur passe-partout simple classique, à l'exception de deux points.
-
Sur le premier interrupteur, ou plutôt sur ses deux parties identiques, l'alimentation s'effectue par un seul fil (entre les deux bornes de ses différentes parties sont simplement reliées par un cavalier). Sur le deuxième interrupteur, à partir duquel le dispositif d'éclairage est connecté, chacune des phases de sortie alimente son propre dispositif d'éclairage.
-
Nombre de fils. Si, dans le cas d'un commutateur unique, trois fils sont posés sur chacun des appareils, alors dans le cas de son analogique à deux touches, cinq fils devront être étirés vers le premier et six vers le second. Cette différence est due à la présence d'une phase entrante commune sur le premier interrupteur et de deux sortantes vers des luminaires différents sur le second.
En résumant tout ce qui précède, nous pouvons conclure qu'en fonctionnant avec des interrupteurs à passage et croisés avec un nombre différent de touches, vous pouvez construire des circuits assez complexes qui vous permettent de contrôler l'éclairage à partir du nombre d'endroits requis - dans l'ensemble, il peut y en avoir plusieurs. Une autre chose est l'opportunité de tels régimes. En règle générale, dans la vie de tous les jours, tout est limité à un maximum de trois points de contrôle. Rarement, mais il est toujours nécessaire d'allumer et d'éteindre la lumière à quatre ou même cinq endroits. Mais ce n'est pas le but - le fait est qu'après avoir maîtrisé un simple commutateur de passage à une touche et le principe de son installation, vous pouvez facilement faire fonctionner ces appareils et créer tous les circuits qui vous conviennent.
Auteur de l'article Alexander Kulikov

































