Dysfonctionnements de la chaudière à gaz Junkers: codes de panne et dépannage

Chaudières Junkers - les experts répondent aux questions

Suppression des poches d'air dans le système

Mieux vaut commencer avec des piles. Pour éliminer les embouteillages, une grue Mayevsky est généralement installée dessus. Nous l'ouvrons et attendons que l'eau coule. Avez-vous exécutez? Nous fermons. Ces manipulations doivent être effectuées avec chaque appareil de chauffage séparément.

Comment démarrer la chaudière de vos propres mains photo

Une fois l'air évacué des batteries, la pression dans le système diminue et l'aiguille du manomètre baisse. À ce stade des travaux, la solution à la question du démarrage de la chaudière consiste à réalimenter le système en liquide.

Maintenant, le plus difficile est que le démarrage des chaudières à gaz nécessite une évacuation de l'air de la pompe de circulation. Pour ce faire, la chaudière doit être un peu démontée. Nous retirons le capot avant et recherchons un objet cylindrique avec un couvercle brillant au milieu, qui a une fente pour un tournevis. Après l'avoir trouvée, nous mettons la chaudière en marche - nous l'alimentons en électricité et réglons les régulateurs de chauffage de l'eau en position de travail.

Libérer l'air de la pompe de circulation lors du démarrage de la photo de la chaudière

La pompe de circulation s'allumera immédiatement - vous entendrez un léger bourdonnement et un fort gargouillement et de nombreux sons incompréhensibles. C'est bon. Tant que la pompe est aérée, il en sera ainsi. Nous prenons un tournevis et dévissons lentement le couvercle au milieu de la pompe - dès que l'eau commence à s'infiltrer par dessous, nous le tordons. Après deux ou trois manipulations de ce type, l'air sortira complètement, les sons incompréhensibles s'atténueront, l'allumage électrique fonctionnera et commencera à fonctionner. Nous vérifions à nouveau la pression et, si nécessaire, ajoutons de l'eau au système.

En gros, tout. Pendant que le système se réchauffe, vous pouvez faire une étude détaillée des instructions (si, bien sûr, vous ne l'avez pas déjà fait) et déboguer le système, ce qui implique de démarrer la chaudière. Tout est simple ici - les batteries les plus proches de la chaudière doivent être vissées et les plus éloignées doivent être exploitées au maximum. Un tel débogage est effectué au moyen de vannes de régulation installées sur le tuyau reliant l'alimentation au radiateur de chauffage.

L'appareil et le principe de fonctionnement des chaudières Bosch

Les modèles les plus populaires parmi la gamme de chaudières Bosch sont ceux à double circuit. Ils sont confrontés à deux tâches : la première est de chauffer la pièce à une température prédéterminée, la seconde est de fournir de l'eau chaude pour les besoins domestiques.

Les appareils Bosch, à savoir les modèles Bosch Gas 4000 W et Junkers Bosch, sont équipés de deux échangeurs de chaleur indépendants, ce qui leur permet d'effectuer parfaitement deux tâches : chauffer l'eau et fournir de la chaleur dans la pièce.

Dans chacun des modèles, il est possible de choisir la puissance de l'appareil qui vous convient de 12 à 35 kW, lors du choix, la superficie de la pièce est prise en compte. En ce qui concerne le chauffage du liquide pour les besoins domestiques, le rendement est d'environ 8 à 13 litres par minute.

Avantages d'une chaudière murale à double circuit :

Dysfonctionnements de la chaudière à gaz Junkers: codes de panne et dépannage

Défauts:

Les 20 à 40 premières secondes après avoir ouvert le robinet d'eau chaude, l'eau froide coule.

Examinons de plus près le fonctionnement de l'appareil, en prenant l'exemple du modèle Bosch Gas 4000 W ZWA 24. Lorsque la chaudière fonctionne en mode chauffage, la chaleur est transférée à l'aide d'un brûleur à gaz vers l'échangeur de chaleur primaire, qui est une structure de tubes et plaques de cuivre.

Afin qu'ils ne se détériorent pas à cause de l'exposition à des températures élevées et à l'eau, leur surface est recouverte d'une couche protectrice. Sa tâche principale est de transférer la chaleur générée lors de la combustion de la flamme au système de chauffage. Le mouvement de l'eau dans le système est assuré par la pompe.

En outre, la conception prévoit une vanne à trois voies, sa tâche est d'empêcher l'eau de pénétrer dans l'échangeur de chaleur secondaire. L'échangeur de chaleur secondaire est nécessaire pour le chauffage de l'eau sanitaire. Le liquide chauffé pour le circuit de chauffage quitte l'appareil par la conduite d'alimentation de chauffage et le liquide refroidi entre par la conduite de retour de chauffage.

Lorsque la chaudière est réglée pour chauffer l'eau chaude sanitaire, la vanne 3 voies ferme le circuit de chauffage.Le liquide chauffé s'écoule de l'échangeur de chaleur primaire vers l'échangeur secondaire, puis s'écoule hors de l'appareil.

Dysfonctionnements de la chaudière à gaz Junkers: codes de panne et dépannage

L'avantage d'utiliser différents échangeurs de chaleur est évident. Lors du chauffage, de l'eau ordinaire est souvent utilisée et elle contient généralement des impuretés. Lorsqu'il est chauffé, les impuretés commencent à former des dépôts qui nuisent à l'échangeur de chaleur, réduisent son débit, empêchent l'eau de chauffer et raccourcissent sa durée de vie.

Et lorsque le liquide qui traverse l'échangeur de chaleur primaire est en circuit fermé, il ne modifie pas ses propriétés chimiques et minimise les conséquences négatives.

Le fluide qui s'écoule à travers l'échangeur de chaleur secondaire formera des dépôts au fil du temps, et au fil du temps, l'échangeur de chaleur devra être remplacé ou nettoyé. Si le défaut survient pendant la période hivernale, votre chaudière pourra fonctionner sans interruption en mode chauffage à l'aide du radiateur primaire.

Caractéristique principale

Les fabricants coréens ont pris soin de la commodité des consommateurs et ont lancé une vaste gamme de systèmes de chauffage. L'équipement est très fiable et abordable. Caractéristiques des chaudières à gaz Navien :

  1. La machine est équipée d'un circuit de réglage qui évite les problèmes causés par les fluctuations de tension sur le réseau. Cette fonction protège le système des pannes lorsque les capteurs sont mal démarrés. Cette fonctionnalité est très utile car la tension du réseau électrique n'est pas toujours stable.
  2. Le système de chauffage est capable de stabiliser son fonctionnement lorsque la pression d'alimentation est réduite à 4 bar.
  3. L'appareil ne gèle pas même en l'absence d'alimentation en gaz. Il y a une pompe pour la circulation forcée de l'eau.
  4. Le système dispose d'un double échangeur de chaleur conçu pour chauffer le liquide de refroidissement et l'eau. Le préchauffage peut être programmé.
  5. L'électronique est simple et pratique.

Chaudière à gaz Navien :

Type d'équipement

Navien dispose d'une gamme très large, comprenant des équipements de sol et de mur. Les unités peuvent fonctionner normalement même avec un approvisionnement instable en carburant et en électricité. Les modèles ont une fonction de suralimentation et sont équipés d'un système de protection contre le gel.

L'équipement extérieur est idéal pour les maisons de campagne. Il chauffe efficacement la pièce et lui fournit de l'eau chaude. Les unités sont simples et compactes. Il y a des équipements de condensation. De tels appareils réduisent considérablement les coûts de chauffage de la maison.

Types de chaudières Navien : Les modèles Navien suivants sont très populaires : Ace (Ace), produit avec différents niveaux de puissance, par exemple 16 k ou 20 k, Deluxe (Deluxe), Prime (Prime).

Lire aussi :  Auto-installation d'une chaudière à gaz au sol

Nouveau modèle de luxe

Navien Delux est le dernier système de chauffage qui a remplacé l'Ace. Ce modèle dispose d'une chambre de combustion fermée et d'une turbine pour le désenfumage forcé. Caractéristiques de l'équipement :

  1. Protection antigel accrue. À une température de -6 degrés, le brûleur automatique s'allume et à -10 ° C, la pompe de circulation est activée, permettant au liquide de refroidissement de se déplacer en continu.
  2. Ventilateur à vitesse réglable. La vitesse de la turbine change en fonction de la lecture du capteur de pression d'air.
  3. Le système de chauffage est en acier inoxydable, qui a une durée de vie beaucoup plus longue que les autres matériaux.
  4. Protection contre les effets des chutes de tension dans le réseau et capacité à fonctionner à basse pression d'eau et de liquide de refroidissement.

Chaudière à gaz Navien Deluxe : >Tous les travaux sont effectués à l'aide d'une télécommande séparée. Il affiche un indicateur de température et diverses informations sur l'état actuel de l'appareil, y compris les codes d'erreur et de dysfonctionnement.

Il existe également un capteur de pression d'air, qui non seulement vérifie le tirant d'eau, mais informe également de la poussée inverse et envoie des données pour le contrôle des portions au panneau de commande.

S'il y a une surpression dans la cheminée, le gaz cessera de se déplacer vers le brûleur et la chaudière s'arrêtera temporairement.

Erreur Navien 02 :

2 id="ot-chego-proishodyat-polomki">Ce qui cause les pannes

Les raisons qui peuvent désactiver les chaudières à gaz Junkers peuvent s'expliquer par des facteurs externes :

  • alimentation intermittente ;
  • faible pression de gaz dans le système ;
  • aération bouchée;
  • en cas de mauvaise qualité de l'eau du robinet.

En fonction de la gravité et des dommages possibles à l'ensemble de l'unité, une technologie de dépannage est sélectionnée. Il peut s'agir à la fois de réparations esthétiques associées au revêtement des conduites d'eau et de gaz avec de la peinture ou des composés anticorrosion, de la maintenance préventive associée au nettoyage programmé ou au remplacement de certains composants, ainsi que des mesures de dépannage majeures pouvant être causées par une violation lors de l'installation ou dans le fonctionnement du processus.

Parmi les éléments les plus susceptibles de tomber en panne sous l'influence de facteurs externes, on peut distinguer :

  • brûleur à gaz;
  • carte électronique;
  • pompe de circulation.

Diffusion insuffisante, erreur 104. Comment j'ai recherché la cause

Selon le manuel, j'ai déterminé que 104 est "Circulation insuffisante". J'argumente : qu'est-ce qui peut interférer avec la circulation normale ? Après tout, un filtre obstrué dans le système de chauffage ou des scories qui se sont accumulées dans l'échangeur de chaleur primaire peuvent interférer avec le débit souhaité du liquide de refroidissement. Serait-ce la pompe de circulation ? La pompe est partie ? Pour le vérifier, dévissez la vis de purge dessus, cela vous permettra de voir si l'arbre tourne ou non.

Il y a une fente sur l'arbre pour un tournevis large et plat, j'ai essayé de tourner l'arbre avec un tournevis ... ça ne s'est pas coincé, ça tourne. J'essaie de démarrer la chaudière et de voir si l'arbre tourne. Le chaudron joue ses terribles sons et repart en défense. L'arbre ne tourne pas. Au moment du lancement, j'ai essayé de le tourner avec un tournevis.... J'ai pensé, mais tout à coup un "point mort" est apparu ... .. non, l'arbre n'a pas tourné.

Décidé de vérifier la tension d'alimentation de la pompe. Lorsque la présence de 220 volts a été détectée sur la puce, la conclusion était sans équivoque.... Pompe de remplacement. Eeeh, je pense, encore une fois, des dépenses imprévues.

Cependant, la conclusion a été hâtive, lorsque je cherchais des fils venant de la carte vers le moteur de la pompe de circulation, j'ai remarqué qu'il y en avait plus de deux. Pour quelle raison? J'ai commencé à chercher et voici ce que j'ai découvert

Que peut-on réparer sans gaziers ?

Il existe plusieurs causes principales de pannes. Il s'agit du mauvais fonctionnement des équipements à gaz, de la présence d'un microclimat inacceptable dans la chaufferie, de la maintenance intempestive de tous les systèmes ou de composants de mauvaise qualité.

Lorsque vous réparez vous-même, assurez-vous de respecter les précautions de sécurité et de suivre strictement les instructions. Tout d'abord, l'utilisateur doit décider quelles parties de la chaudière à gaz peuvent et ne peuvent pas être réparées par eux-mêmes.

Lors de la réparation d'équipements à gaz, le principal danger est une éventuelle fuite de gaz.

Par conséquent, il est nécessaire d'effectuer avec soin toutes les manipulations pour l'installation et le démontage des composants et des pièces de l'appareil.

Une attention particulière doit être accordée au remplacement des composants associés au système d'alimentation en carburant.

La connaissance des dysfonctionnements typiques des chaudières à gaz et des méthodes pour leur élimination vous permet d'effectuer indépendamment des réparations simples. Il convient de rappeler que les réparations sérieuses ne peuvent être effectuées que par des travailleurs du gaz, mais il existe des procédures disponibles pour les artisans à domicile indépendants.

Les fabricants de chaudières recommandent fortement d'appeler les employés du service de gaz pour résoudre les problèmes liés aux pannes du système d'alimentation en gaz et des appareils électroniques intégrés. Une personne inexpérimentée ne pourra pas configurer, réparer et restaurer de manière indépendante les fonctions d'automatisation spécifiques dans une chaudière à gaz.

Il existe trois éléments principaux dans la conception d'une chaudière à gaz typique, à savoir :

  • Brûleur à gaz type fermé/ouvert ;
  • Blocs de sécurité spécifiques ;
  • Système d'échange de chaleur composé d'un ou deux dispositifs internes dont le nombre est déterminé par le nombre de circuits desservis.

Si tous les composants impliqués dans le fonctionnement de la chaudière sont classés en fonction de leur fonction, ils peuvent être répartis dans les groupes suivants : dispositifs du système de contrôle, dispositifs du système hydraulique, brûleur et unité d'alimentation en gaz, cheminée, dispositifs de contrôle de la chaudière, multi systèmes de sécurité de niveau supérieur.

Le plus souvent, les utilisateurs rencontrent des problèmes de la nature suivante : la chaudière émet une odeur désagréable de gaz, ne s'allume pas, s'éteint pendant le fonctionnement, ne chauffe pas les tuyaux ou ne fume pas

La plupart de ces articles ne peuvent pas être changés et réparés par vous-même. En cas d'interférence avec la conception de la chaudière, son propriétaire perd le droit de restaurer la capacité de travail aux frais du fabricant pendant la période de garantie. Mais quoi et comment les maîtres de l'organisation avec laquelle le contrat de maintenance de l'unité et de fourniture de gaz est réparé doivent être connus.

Cependant, le propriétaire d'un équipement à gaz, cherchant à prolonger sa durée de vie, peut produire indépendamment:

  • Ramonage de cheminée. Il est produit en cas d'affaiblissement de la traction par des manipulations mécaniques ou avec l'utilisation de produits chimiques.
  • Vérification de l'étanchéité des raccordements d'alimentation en eau, des lignes d'alimentation en gaz, des branches du circuit de chauffage.
  • Installation d'un stabilisateur de tension.

Encore une fois, nous avertissons que toutes les actions pour la mise en œuvre desquelles il est nécessaire de retirer le boîtier de la chaudière doivent être effectuées par un représentant du service de gaz.

Cependant, si la garantie n'est pas importante pour vous, vous pouvez le faire vous-même :

  • Nettoyage externe manuel et rinçage interne de l'échangeur de chaleur/des échangeurs de chaleur. Ils sont faciles à démonter, à effectuer les procédures nécessaires, puis à les réinstaller. Dans ce cas, il est efficace d'utiliser des solutions aqueuses maison d'acide citrique (100g/1l) ou des produits chimiques ménagers adaptés qui peuvent dissoudre les dépôts de calcium.
  • Entretien du ventilateur soufflant. Remplacez le fusible ou le ventilateur lui-même, vérifiez le circuit électrique qui y est connecté, lubrifiez les roulements avec du fluide technique.
  • Nettoyage des buses. Des buses obstruées provoquent une flamme de brûleur faible. Ils doivent être nettoyés périodiquement avec un papier de verre fin et enlever la saleté avec des chiffons contenant des produits chimiques ménagers.
  • Régulation de la pression du système.
  • Trouver un problème en raison duquel la chaudière ne s'allume pas.
Lire aussi :  Chaudière à gaz GPL: principe de fonctionnement, types, comment choisir le bon + classement des fabricants

Afin de décider comment et comment réparer une chaudière à gaz, vous devez en effectuer une inspection visuelle et, si nécessaire, effectuer une série de procédures de diagnostic. L'auto-réparation est possible dans les cas où la garantie du fabricant a déjà expiré.

Si vous sentez une odeur de gaz, vous devez immédiatement oublier votre propre intervention. Il est nécessaire de couper l'alimentation en gaz, de produire immédiatement une salve de ventilation et d'appeler une équipe d'urgence. Les règles détaillées de fonctionnement des équipements à gaz sont énoncées dans l'article suivant, dont nous vous conseillons vivement de lire le contenu.

Technologie de démarrage de chaudière à gaz

Dysfonctionnements de la chaudière à gaz Junkers: codes de panne et dépannage

Schéma d'installation d'une chaudière à gaz.

Le premier démarrage de l'équipement consiste à remplir d'eau le système responsable du chauffage. Le démarrage initial doit se concentrer sur la configuration et la vérification non seulement de l'unité elle-même, mais également du système de chauffage, qui sert de base. La précision du lancement déterminera l'efficacité du chauffage de la maison.

Initialement, le système doit être rempli d'eau. Au bas de l'équipement, où les canalisations sont connectées, vous pouvez trouver une vanne. Sa forme peut varier d'un modèle à l'autre, elle peut donc ressembler à une goupille rotative, par exemple. Le robinet ne doit pas être complètement ouvert. Sinon, les tuyaux peuvent former de l'air libre à l'intérieur.

La chaudière à gaz doit avoir un manomètre qui représente l'indicateur de pression. L'équipement doit être démarré en créant une pression d'environ 2,5 atm.Au moment où la flèche atteint la valeur correspondante, la pompe à pression doit être éteinte, ce qui est vrai si elle est présente. Après cela, vous pouvez fermer le robinet et commencer à purger l'air, ce qui se fait à l'aide d'un grue manuelle Mayevsky, il est nécessaire de l'appliquer sur chacun des appareils de chauffage. A ce moment, lorsque l'eau commence à couler, le robinet peut être fermé. Le manomètre de la chaudière doit indiquer une pression de 1,5 atm, ce chiffre devra rattraper jusqu'à 2 atm. Ce niveau sera la pression optimale pour une chaudière à double circuit.

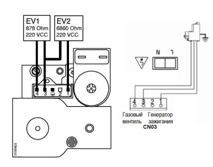
1. Lorsqu'elle est allumée, la chaudière ne fonctionne pas du tout

Pour éliminer ce dysfonctionnement d'une chaudière à gaz, il peut y avoir plusieurs façons. Le plus simple est de vérifier si la chaudière est branchée ou si la machine est éteinte. Si cela ne vous aide pas, vous devez retirer le boîtier de la chaudière et inspecter son intérieur pour détecter un court-circuit. Il y a peut-être une odeur ou quelque chose a coulé. Il est nécessaire de vérifier si tous les fils et capteurs sont situés à leur place. Si tout est en ordre, vous devez procéder à l'inspection des fusibles de la carte électronique. Après vous être assuré que le fusible a grillé, il vous suffit de le remplacer par un neuf. Si le nouveau fusible a immédiatement grillé, il est nécessaire d'appeler l'assistant, car cela signifie une sorte de dommage grave qu'il est peu probable que vous répariez vous-même. Il faut également faire appel à un spécialiste dans le cas où tous les fusibles sont normaux, cela indique que le problème ne vient pas d'eux.

Faites attention à la varistance. Il est conçu pour protéger la chaudière des surtensions.

S'il y avait une différence, la varistance exploserait et il n'en resterait qu'une petite partie. Pour cette raison, la chaudière peut également ne pas s'allumer. La solution à ce dysfonctionnement de la chaudière consiste simplement à souder la varistance.

varistance de chaudière à gaz

Aperçu du modèle

De nombreux utilisateurs ont d'abord donné des commentaires négatifs sur les chaudières coréennes. Causes - fuites dans les connexions. Ils ont dû être éliminés en remplaçant les joints - vous devez acheter un kit assez cher. Le deuxième défaut était associé à un démarrage tardif du brûleur - le liquide de refroidissement a eu le temps de se refroidir plus que nécessaire. Mais la société a corrigé les lacunes, il n'y a aujourd'hui pratiquement aucune accusation de ce type contre Navien. La marque produit des radiateurs suspendus de trois types :

  • atmosphérique;
  • condensation;
  • turbocompressé.

Le consommateur peut acheter une chaudière à gaz :

  • Simple circuit ou double circuit.
  • Mur ou sol. Ces derniers sont plus encombrants et nécessitent une pièce séparée.
  • Avec chambre de combustion ouverte ou fermée.

Dysfonctionnements de la chaudière à gaz Junkers: codes de panne et dépannage

L'appareil mural atmosphérique Navien Atmo a remplacé la modification moins réussie d'Ace. Il peut fonctionner à une pression de carburant extrêmement basse - 8 mbar et de l'eau - 0,6 bar. Il existe 4 modèles de puissance différente dans la série - 13, 16, 20, 24 kW. L'échangeur de chaleur pour le chauffage est en cuivre. Pour eau chaude - acier inoxydable. Contrôle automatique. Il y a une télécommande. Il y a une protection contre le gel. Caractéristiques:

  • 24kW.
  • Chauffage de l'eau dans le système de chauffage - 80 ° C.
  • La pression dans le circuit (maximum) - 3 bar.
  • Efficacité - 86%.
  • La température maximale de l'eau chaude sanitaire est de 60 °C.
  • Poids - 27 kg.
  • Coût estimé 26-27 000 roubles.
  • Surface de chauffage - 240 m².

Dysfonctionnements de la chaudière à gaz Junkers: codes de panne et dépannage

Deluxe 24K et autres modifications turbo

La gamme de modifications turbocompressées est représentée par trois séries de Deluxe (13-40 kW), Prime et Smart TOK (13-35 kW) à la fois. Navien Ice Turbo est un modèle obsolète, il a été remplacé par des appareils Deluxe et Prime. Les appareils de chauffage forcés ont une chambre de combustion fermée et l'air y est forcé - par un ventilateur.Les performances du ventilateur sont contrôlées par le contrôleur. Pour que l'air pénètre dans la chambre, une cheminée coaxiale est organisée. En raison de l'injection forcée, les modifications turbocompressées se caractérisent par une efficacité accrue.

Il n'y a plus de différences entre les versions turbocompressées et atmosphériques. L'équipement est complètement similaire - un vase d'expansion, une pompe, un échangeur de chaleur supplémentaire.

La série Prime, comme la Deluxe Coaxial, dispose d'un foyer fermé et de tous les éléments habituels d'un modèle turbocompressé. Mais Prime a un module supplémentaire - l'automatisation en fonction des conditions météorologiques. Caractéristiques de la chaudière murale 2 circuits Deluxe 24K :

  • Efficacité - 90,5%.
  • 24kW.

allumage automatique.

  • La surface de chauffe maximale est de 20 m².
  • Consommation de gaz naturel - 2,58 m3 / h.
  • Dimensions (LxHxP) - 440x695x265 mm.
  • Poids - 28 kg.

Dysfonctionnements de la chaudière à gaz Junkers: codes de panne et dépannage

NCN 40KN et autres modèles à condensation

Le principe de fonctionnement du chauffage à condensation repose sur l'utilisation de la chaleur directe et latente dégagée lors de la combustion du gaz. Cela permet d'atteindre des valeurs d'efficacité élevées - plus de 100%. Les radiateurs à condensation sont disponibles dans les modèles Navien NCN et NCB. Leurs échangeurs de chaleur sont en acier inoxydable. Le package est similaire aux versions turbocompressées. La différence est que les fonctions du contrôleur sont étendues. Par exemple, il peut programmer le travail pour les sept prochains jours. NCN est représenté par 4 chaudières 21-40 kW, NCB également 4 modèles 24-40 kW. L'air est fourni de force - par une cheminée coaxiale ou séparée. Par exemple, les caractéristiques du NCN 40KN :

  • 40,5kW.
  • Deux contours. Montage mural.
  • Four fermé.
  • Allumage automatique.
  • Pèse 38 kg.
  • Efficacité 107,4 %.
  • Le chauffage maximal de l'eau dans l'alimentation en eau chaude est de 65 °C.

Dysfonctionnements de la chaudière à gaz Junkers: codes de panne et dépannage

LST 30 KG et autres modèles au sol

La marque lance une ligne chaudières au sol de quatre séries - LST, LFA, GA, GST avec une capacité de 13-60, 13-40, 11-35 et 35-60 kW, respectivement. Chacun des échantillons présentés est un appareil extérieur universel capable de fonctionner à la fois au gaz naturel et au diesel. Les versions au sol, pas moins que les versions murales, sont saturées d'automatisation. Par exemple, les caractéristiques du LST 30 KG :

  • 90% d'efficacité.
  • Poids - 45 kg.
  • 30kW.
  • Surface chauffée - 300 m².
  • Allumage automatique.
  • Volatil.
Lire aussi :  Chaudière électrique à double circuit: appareil, analyse des avantages et des inconvénients + éléments à prendre en compte lors du choix

Dysfonctionnements de la chaudière à gaz Junkers: codes de panne et dépannage

Caractéristiques du fonctionnement des chaudières à gaz "Beretta"

Le manuel d'instructions du geyser Beretta indique qu'il s'agit d'un système complexe d'autorégulation, dont le travail principal consiste à convertir le gaz en chaleur utile, à chauffer la pièce et à chauffer l'eau. Le bon fonctionnement de l'appareil nécessite le respect total des instructions prescrites fournies avec la chaudière.

Dysfonctionnements de la chaudière à gaz Junkers: codes de panne et dépannage

Après avoir installé des équipements au sol ou au mur, l'ingénieur doit vérifier le premier allumage avant de fournir du gaz, afin que les communications correspondent aux caractéristiques techniques de la chaudière, que le système de désenfumage avec prise d'air fonctionne correctement, que la canalisation de gaz soit étanche et que le débit les caractéristiques correspondent à la pression du gaz dans le gazoduc. Sinon, l'affichage clignote et donne une erreur.

Ensuite, l'opération selon le manuel peut être effectuée par l'utilisateur. Pour passer du mode chaudière au chauffage en mode amélioré, vous devez tourner le bouton de l'interrupteur vers la gauche conformément à l'image, qui indique l'hiver. Pour passer à l'indicateur "été", vous devez tourner le levier dans le sens opposé.

Dysfonctionnements de la chaudière à gaz Junkers: codes de panne et dépannage

Attention! L'allumage doit être effectué dans une pièce sèche à des températures supérieures à 0 degré. Pour l'éteindre pendant une longue période, vous devez mettre le bouton en mode arrêt, fermer la vanne de la conduite d'alimentation en carburant et couper l'eau dans le système ECS

Il est également recommandé de vidanger l'eau du système.

Communication avec des périphériques (erreurs 4**)

Sur l'écran chauffe-eau à gaz Ariston les codes d'erreur des périphériques standard sont affichés. Ceci est fait afin d'expliquer la réaction de l'automatisation de la chaudière à une situation d'urgence. Dans ce cas, le consommateur pourra essayer de résoudre lui-même la panne ou le conflit de l'équipement.

Erreur n° 401. Problème de communication entre le bus et le dispositif de transfert de données. Cela peut être causé soit par un dysfonctionnement de l'appareil lui-même, soit par des dommages aux pneus. La réparation n'est possible que dans le centre de service.

Erreur n° 402. Dysfonctionnement du modem GRRS/GSM. Vous devez vérifier sa connexion ou remplacer l'appareil.

Erreur n° 403. Problème de carte SIM. Le contact s'est détaché ou la carte elle-même est endommagée.

Erreur n° 404. Échec de communication entre le modem et la carte mère. Tout d'abord, vous devez vérifier les contacts. S'ils sont étroitement connectés, le modem est défectueux.

Dysfonctionnements de la chaudière à gaz Junkers: codes de panne et dépannage
Le module GSM pour le contrôle d'une chaudière à gaz vous permet de contrôler à distance les modes de chauffage d'un bâtiment. Cependant, en plus des avantages évidents, il y a aussi un inconvénient - c'est un autre nœud qui peut casser

Erreur ## 405-406. Problème de bus de données (interface). Habituellement, le défaut réside dans des contacts mal connectés. Rarement, le pneu lui-même doit être remplacé.

Erreur n° 407. Interruption du signal du capteur de température ambiante. Vous devez vérifier la connexion (fil et contacts). S'ils sont en bon état, vous devez remplacer le capteur lui-même.

Erreur 502

L'électronique considère que la vanne est fermée et enregistre la présence d'une flamme. Causes possibles et choses à vérifier :

Dysfonctionnements de la chaudière à gaz Junkers: codes de panne et dépannage

  • état de l'électrode de contrôle de flamme (elle doit être sèche et solidement connectée au générateur d'allumage)
  • effectuer un test du robinet de gaz (technicien qualifié uniquement)
  • vérifier la conformité de l'alimentation électrique aux normes et la présence de mise à la terre sur les éléments de la chaudière
  • inspectez visuellement la carte pour détecter tout dommage (il n'est pas rare que l'erreur 502 apparaisse après un orage)

Si aucune vérification n'a abouti à un résultat et que tous les actionneurs fonctionnent, un diagnostic approfondi de la carte de commande pour les dommages est nécessaire. Nous réparons les panneaux de chaudière à gaz à Kostroma. L'équipement Ariston a également de l'expérience dans les réparations réussies et les composants nécessaires pour le remplacement et la restauration rapides des cartes, ainsi que des supports (simulateurs d'une vraie chaudière) pour les tests.

Les principales causes et dysfonctionnements des chaudières à gaz

Le schéma thermique typique pour diverses chaudières à gaz est presque le même, les principaux éléments du schéma thermique comprennent une chaudière avec un four et des réchauffeurs pour l'eau chaude, une chaudière pour les chaudières à circuit unique pour les systèmes de chauffage et deux pour les chaudières à double circuit ceux. Un brûleur et des cheminées reliées à une cheminée sont situés le long du trajet du gaz.

Si les chaudières fonctionnent avec une circulation forcée des gaz de combustion, comme dans les fours fermés, un ventilateur ou un ventilateur d'extraction supplémentaire est installé pour fournir de l'air au four et créer un mélange gaz-air. Le système de conduites de gaz et les conduites d'eau directe et de retour sont reliés à la chaudière à l'aide de vannes d'arrêt et de contrôle. De plus, des dispositifs d'automatisation de sécurité et de contrôle sont installés dans le circuit.Tous ces éléments doivent fonctionner de manière fiable et de concert les uns avec les autres, sinon la chaudière émettra un code d'erreur.

Autres dysfonctionnements de la chaudière

En plus des paramètres de code, des problèmes qui ne sont pas résolus sur l'écran peuvent également survenir.

Si vous sentez une odeur de gaz, vous devez éteindre les brûleurs non seulement sur la chaudière Baltgaz, mais également sur la cuisinière à gaz et fermer les vannes d'arrêt sur les conduites de gaz. Appelez ensuite le 04

La chaudière ne s'allume pas du tout.

Raisons possibles:

  1. Il n'y a pas d'alimentation. Vérifiez si la ligne n'est pas hors tension et si le courant est fourni. Non - contactez votre fournisseur d'électricité pour connaître les raisons et le moment de l'arrêt.
  2. De plus, le fusible pourrait avoir sauté dans la carte, et dans ce cas, installez-en simplement un nouveau.
  3. Si la raison réside dans le fait que de l'eau s'est déposée sur la planche, essayez de la mettre en séchage naturel pendant 48 heures jusqu'à ce que l'humidité s'évapore complètement.
  4. La chaudière ne démarre pas même s'il y a un défaut sur le tableau de commande. Essayez de redémarrer ou de remplacer cet élément

Si les actions n'ont apporté aucun résultat positif, il n'y a qu'une seule issue - contactez le centre de service.

Si vous ne parvenez pas à allumer la chaudière, tout d'abord, faites attention si vous n'avez pas oublié d'ouvrir la vanne d'alimentation en gaz située sur la canalisation menant à la chaudière

Le brûleur émet des sons étranges comme des pops :

  • Une alimentation en air insuffisante se produit lorsque le conduit est obstrué, mal installé ou pour d'autres raisons.
  • Une étincelle saute devant le brûleur.
  • Le brûleur est bouché.

Pas d'eau chaude ou pression insuffisante. Vérifiez que le filtre, l'échangeur de chaleur et le limiteur de débit ne sont pas obstrués.

L'appareil ne chauffe pas la pièce, mais en même temps il fonctionne en mode ECS.Le problème peut être lié à des cavaliers, à un dysfonctionnement du thermostat et du capteur de température, ou simplement à des paramètres de température mal réglés.

La température d'entrée du liquide de refroidissement est trop basse. Vérifiez la température réglée et le capteur de température.

Pression du système de chauffage trop basse. Inspectez le système pour détecter d'éventuelles fuites, inspectez le manomètre pour un fonctionnement correct, nettoyez/remplacez la soupape de décharge.

Évaluation
Site sur la plomberie

Nous vous conseillons de lire

Où remplir la poudre dans la machine à laver et combien de poudre verser