Mesure de la résistance de terre : aperçu des méthodes de mesure pratiques

Comment mesurer la résistance de terre avec un multimètre

Types de mise à la terre

En génie électrique, le concept de mise à la terre est divisé en deux types - naturel et artificiel.

  • La mise à la terre naturelle est représentée par des structures conductrices qui sont en permanence dans le sol. Il s'agit notamment des conduites d'eau et d'autres types de communications. De telles structures ne peuvent pas être utilisées pour la mise à la terre d'installations électriques, car elles ont une résistance non normalisée. Afin de garantir des conditions de sécurité, il est recommandé d'utiliser un système spécial d'égalisation de potentiel. Conformément à ce système, toutes les structures métalliques sont connectées à un conducteur de protection zéro.
  • La mise à la terre artificielle est réalisée sous la forme d'une connexion électrique délibérée de tous les points des installations électriques, des équipements ou des réseaux électriques avec un dispositif de mise à la terre. Le dispositif de mise à la terre comprend un conducteur de mise à la terre et un conducteur de mise à la terre, à l'aide desquels la partie mise à la terre et le conducteur de mise à la terre sont connectés. Les structures de tels systèmes peuvent être réalisées à la fois sous la forme de simples tiges métalliques et sous la forme de complexes complexes, comprenant des éléments spéciaux et d'autres composants.

La qualité de la mise à la terre dépend entièrement de la quantité de résistance fournie à la propagation du courant à travers le dispositif de mise à la terre. Plus cette valeur est petite, meilleure est la qualité de la mise à la terre. La résistance peut être réduite en augmentant la surface des électrodes de terre et en réduisant la résistivité électrique du sol. A cet effet, le nombre d'électrodes ou la profondeur de leur occurrence augmente.

Au fil du temps, sous l'influence de la corrosion ou en raison de modifications de la résistivité du sol, les paramètres du système de mise à la terre peuvent s'écarter considérablement de la valeur d'origine. C'est pourquoi des contrôles périodiques pendant le fonctionnement sont nécessaires. Les dysfonctionnements peuvent ne pas se manifester pendant longtemps, jusqu'à ce qu'une situation dangereuse se produise.

je 4

,= 1

où Rxii - résistance obtenue dans la dimension /-ième, Ohm ; n est le nombre de mesures.

3.4.2. Instabilité statique de la résistance de contact A RTDM en ohms est calculé par la formule _

ARCT \u003d \H, X^cp-Rx,)2-

3.5. Indicateurs de précision de mesure

3.5.1. L'erreur de mesure de l'instabilité statique de la résistance de contact est de + 10 % avec une probabilité de 0,95.

quatre.PROCEDE DE MESURE DE L'INSTABILITE DYNAMIQUE DE LA RESISTANCE DE TRANSITION D'UN CONTACT
4.1. Principe et mode de mesure

4.1.1. Le principe de la mesure est de déterminer la valeur de la variation maximale de la chute de tension aux bornes de la jonction de contact lors d'essais en mode dynamique. Le type de tests doit correspondre à celui spécifié dans les normes ou spécifications pour les produits de types spécifiques conformément à GOST 20.57.406-81.

(Édition révisée, Rev. No. 1).

4.1.2. La mesure est effectuée en courant continu ; L'EMF du circuit électrique ne doit pas dépasser 20 mV et le courant pas plus de 50 mA ou dans le mode spécifié dans les normes ou spécifications pour les produits de types spécifiques.

4.2. Équipement

4.2.1. La mesure est effectuée sur l'installation dont le circuit électrique est représenté sur la Fig. 2.

Mesure de la résistance de terre : aperçu des méthodes de mesure pratiques

G est la source actuelle ; SA1, SA2 - commutateurs ; RA - ampèremètre; R1 - résistance variable ; Rk - résistance d'étalonnage ; U - amplificateur ; Oscilloscope R ; XI, X2, X3, . . . , Хп - contacts mesurés : 1, 2, 3, 4, . . . , n sont les positions des contacts mesurés

Et mince. 2

(Édition révisée, Rev. No. 1).

4.2.2. L'erreur de l'ampèremètre est de ± 1 %.

4.2.3. Un appareil de mesure de l'instabilité dynamique de la résistance de contact doit avoir une réponse en fréquence rectiligne dans la gamme de fréquences de 400 Hz à 1 MHz avec une irrégularité de + 3 dB et être sensible aux fréquences jusqu'à 1 MHz :

50 μV / cm - lors de la mesure d'une résistance jusqu'à 5 mOhm;

500 µV/cm - lors de la mesure d'une résistance supérieure à 5 à 30 mOhm ;

1,0 mV / cm - lors de la mesure d'une résistance supérieure à 30 mOhm.

(Édition révisée, Rev. No. 1).

4.2.4. (Supprimé, Rev. No. 1).

4.2.5.La résistance de la résistance d'étalonnage doit être égale à la résistance de contact spécifiée dans les normes ou spécifications pour des types de produits spécifiques avec une tolérance de + 1 %.

4.2.6. Le câble reliant les produits testés à l'installation ne doit pas dépasser 10 m de long et avoir une tresse de blindage reliée à la terre.

4.3. Préparation et prise de mesures

4.3.1. Les produits sont montés sur un dispositif qui crée un effet dynamique. Méthode de montage - selon les normes ou les spécifications pour des types de produits spécifiques.

(Édition révisée, Rev. No. 1).

4.3.2. Avant de mesurer l'instabilité dynamique de la résistance de contact, l'oscilloscope est calibré. Le commutateur SA2 est réglé sur la position 1 et la dépendance de l'amplitude du signal sur la valeur du courant en trois à cinq points est vérifiée sur l'oscilloscope. La non-linéarité de cette dépendance doit être à + 10 %.

4.3.3. (Supprimé, Rev. No. 1).

4.3.4. La valeur de l'effet des micros sur la résistance de transition du contact est déterminée avec l'interrupteur SA1 ouvert et soustraite de la valeur du signal total reçu par l'oscilloscope lors de la mesure de la chute de tension aux bornes de la transition du contact lors du test en mode dynamique.

(Édition révisée, Rev. No. 1).

4.3.5. L'interrupteur SA2 est transféré de la position 1 aux positions 2, 3, 4, . . . , n (voir Fig. 2), mesurant alternativement la chute de tension aux bornes de la jonction de contact sur l'oscilloscope.

4.3.6. La mesure de l'instabilité de la résistance de contact est effectuée pendant le temps spécifié dans les normes ou spécifications pour les produits de types spécifiques.

(Introduit en plus, Rev. No. 1).

4.4. Traitement des résultats

4.4.1. Instabilité dynamique DH en pourcentage calculé par la formule

Présentation des méthodes

Méthode ampèremètre-voltmètre

Pour effectuer des travaux de mesure, il est nécessaire d'assembler artificiellement un circuit électrique dans lequel le courant traverse l'électrode de masse testée et l'électrode de courant (elle est également appelée auxiliaire). Dans ce circuit également, une électrode de potentiel est utilisée, dont le but est de mesurer la chute de tension lors du passage du courant électrique à travers l'électrode de masse. L'électrode de potentiel doit être placée à égale distance de l'électrode de courant et de l'électrode de masse testée, dans la zone à potentiel nul.

Mesure de la résistance de terre : aperçu des méthodes de mesure pratiques

Pour mesurer la résistance à l'aide de la méthode ampèremètre-voltmètre, vous devez utiliser la loi d'Ohm. Ainsi, selon la formule R=U/I, nous trouvons la résistance de la boucle de masse. Cette méthode est bien adaptée aux mesures dans une maison privée. Pour obtenir le courant de mesure souhaité, vous pouvez utiliser un transformateur de soudage. D'autres types de transformateurs conviennent également, dont l'enroulement secondaire n'est pas relié électriquement au primaire.

Utilisation d'appareils spéciaux

On remarque tout de suite que même pour des mesures à domicile, un multimètre multifonction n'est pas très adapté. Pour mesurer la résistance de la boucle de masse de vos propres mains, des instruments analogiques sont utilisés:

  • MS-08 ;
  • M-416 ;
  • ISZ-2016 ;
  • F4103-M1.

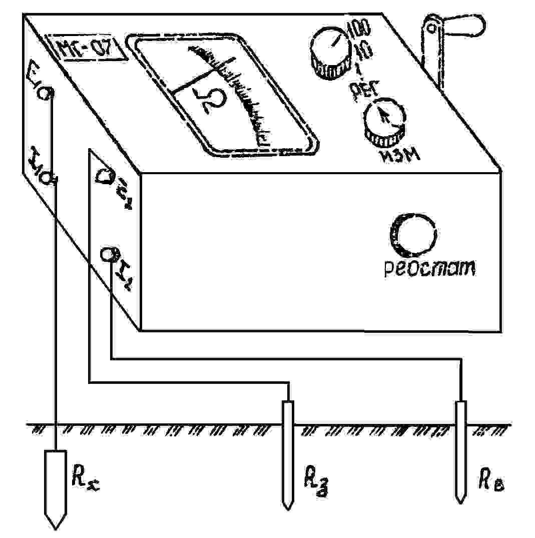
Voyons comment mesurer la résistance avec l'appareil M-416. Vous devez d'abord vous assurer que l'appareil est sous tension. Vérifions les piles. S'ils ne sont pas là, vous devez prendre 3 piles avec une tension de 1,5 V. En conséquence, nous obtenons 4,5 V. L'appareil, prêt à l'emploi, doit être placé sur une surface horizontale plane. Ensuite, nous calibrons l'appareil. Nous le plaçons en position «contrôle» et, en maintenant le bouton rouge, réglons la flèche sur la valeur «zéro».Pour la mesure, nous utiliserons un circuit à trois pinces. Nous enfonçons l'électrode auxiliaire et la tige de sonde d'au moins un demi-mètre dans le sol. Nous leur connectons les fils de l'appareil selon le schéma.

Lire aussi :  Réparation de machine à laver à faire soi-même : un aperçu des pannes possibles et comment les réparer

L'interrupteur de l'appareil est réglé sur l'une des positions "X1". Nous maintenons le bouton et tournons le bouton jusqu'à ce que la flèche sur le cadran soit égale à la marque «zéro». Le résultat obtenu doit être multiplié par le multiplicateur précédemment sélectionné. Ce sera la valeur souhaitée.

La vidéo montre clairement comment mesurer la résistance de terre avec un appareil :

Des instruments numériques plus modernes peuvent également être utilisés, ce qui simplifie considérablement le travail sur les mesures, est plus précis et enregistre les derniers résultats de mesure. Par exemple, ce sont des appareils de la série MRU - MRU200, MRU120, MRU105, etc.

Travailler avec des pinces ampèremétriques

La résistance de la boucle de terre peut également être mesurée avec une pince ampèremétrique. Leur avantage est qu'il n'est pas nécessaire d'éteindre le dispositif de mise à la terre et d'utiliser des électrodes auxiliaires. Ainsi, ils vous permettent de contrôler rapidement la mise à la terre. Considérez le principe de fonctionnement des pinces ampèremétriques. Un courant alternatif circule dans le conducteur de mise à la terre (qui dans ce cas est l'enroulement secondaire) sous l'influence de l'enroulement primaire du transformateur, qui est situé dans la tête de mesure de la pince. Pour calculer la valeur de résistance, il est nécessaire de diviser la valeur EMF de l'enroulement secondaire par la valeur de courant mesurée par les pinces.

Chez vous, vous pouvez utiliser les pinces ampèremétriques C.A 6412, C.A 6415 et C.A 6410.Vous pouvez en savoir plus sur l'utilisation des pinces ampèremétriques dans notre article !

C'est intéressant : la lumière de l'appartement clignote - les raisons, que faire ?

Types de systèmes de mise à la terre

La base de tous les systèmes de mise à la terre existants utilisés dans les installations électriques avec des tensions allant jusqu'à 1000 volts est le système TN avec un neutre solidement mis à la terre de la source d'alimentation. Il est connecté aux parties conductrices ouvertes des installations électriques en utilisant des conducteurs de protection zéro.
Le système TN-C implique la combinaison de conducteurs de travail et de protection zéro dans un seul fil sur toute sa longueur. Il s'est généralisé dans les bâtiments résidentiels anciens en raison de sa simplicité et de son économie. Cependant, le système TN-C n'est pas recommandé pour une utilisation dans les nouveaux bâtiments, car une coupure d'urgence dans le fil PEN peut entraîner une tension de ligne sur les appareils électriques connectés. En raison de l'absence d'un fil de terre PE séparé, la sécurité est considérablement réduite, de sorte que la mise à zéro est utilisée assez souvent. Dans ce cas, un court-circuit provoque le déclenchement du disjoncteur.

Un schéma de mise à la terre plus moderne et plus sûr est le système TN-S avec la séparation des conducteurs de travail et de protection zéro sur toute leur longueur. Il est utilisé dans les nouveaux bâtiments et protège avec succès les personnes et les équipements. Le système TN-S est plus cher, car des fils à cinq conducteurs sont nécessaires pour la pose d'un réseau triphasé et des conducteurs à trois conducteurs pour un réseau monophasé.

Dans le système TN-C-S, les conducteurs neutres de protection et de travail dans une certaine zone sont combinés en un seul fil. Il est facile à installer et largement utilisé dans diverses installations.Cependant, si le conducteur PEN casse avant le point de séparation, une tension composée peut apparaître sur les appareils électriques connectés.

Méthode d'essai

Alors pour savoir y a-t-il une mise à la terre dans la maison, vous devez d'abord couper l'électricité sur le blindage d'entrée et démonter l'une des prises. Après cela, vous devriez voir visuellement si le fil jaune-vert est connecté à la borne correspondante sur la prise, comme indiqué sur la photo ci-dessous :

Mesure de la résistance de terre : aperçu des méthodes de mesure pratiques

Si seuls deux conducteurs sont connectés aux bornes, par exemple avec une isolation bleue et marron (zéro et phase, selon le marquage de couleur des fils), vous n'avez pas de mise à la terre dans la maison ou l'appartement. Et encore une chose - s'il y a un cavalier entre zéro et la borne de terre, cela signifie que le câblage électrique a été mis à la terre avant vous dans la pièce, ce qui est extrêmement dangereux.

Donc, disons que les trois conducteurs sont dans les bornes à vis et que vous voulez vérifier la mise à la terre dans la prise. Tout d'abord, nous vous recommandons de tester l'efficacité de la boucle de masse avec un multimètre. Cela se fait très simplement :

  1. Mettez sous tension au niveau du panneau.
  2. Basculez le testeur en mode de mesure de tension.
  3. Mesurer la tension entre phase et zéro.
  4. Effectuez une mesure similaire entre la phase et la terre.

Si dans ce dernier cas, le multimètre indique une tension légèrement différente de la première mesure, la mise à la terre est présente dans une maison ou un appartement privé. Les chiffres sont-ils apparus sur le tableau de bord ? La boucle de terre est manquante ou ne fonctionne pas. Nous avons parlé de l'utilisation d'un multimètre à la maison dans l'article correspondant !

Mesure de la résistance de terre : aperçu des méthodes de mesure pratiques

Si vous n'avez pas de testeur à portée de main, vous pouvez vérifier la qualité de la mise à la terre à l'aide d'une lampe témoin assemblée à partir de moyens improvisés.Ainsi, vous pouvez fabriquer vous-même une lampe de test selon le schéma suivant (1 - cartouche, 2 - fils, 3 - interrupteurs de fin de course):

Mesure de la résistance de terre : aperçu des méthodes de mesure pratiques

À l'aide d'un tournevis indicateur, vous devez vérifier où se trouve la phase et où se trouve zéro. Le raccordement de la prise n'est pas toujours effectué conformément aux règles. Peut-être que quelqu'un qui a connecté les contacts les a confondus avec des couleurs et maintenant la phase est bleue, ce qui n'est pas correct.

Tout d'abord, touchez une extrémité du fil à la borne de phase et l'autre au zéro. Le voyant de contrôle doit s'allumer. Après cela, déplacez l'extrémité du fil avec lequel vous avez touché zéro vers les antennes de mise à la terre (illustrées sur la photo ci-dessous).

Mesure de la résistance de terre : aperçu des méthodes de mesure pratiques

Si la lumière est allumée - le circuit fonctionne, atténuer la lumière - l'état du circuit de masse n'est pas satisfaisant. La lumière n'est pas allumée, ce qui signifie que le "sol" ne fonctionne pas. Il convient également de noter ici que si le circuit est protégé par un dispositif à courant résiduel, lors de la vérification de la fiabilité de la terre, le RCD peut se déclencher, ce qui indique également le fonctionnement de la boucle de terre.

Si vous avez touché les fils de la commande à la phase et à la terre, mais que la lumière est éteinte, essayez de déplacer l'interrupteur de fin de course à zéro depuis la borne de phase pour vérifier le circuit. C'est le cas lorsqu'il y a un risque que la connexion soit erronée et que la phase ne soit pas de la bonne couleur.

Un mégohmmètre est mieux utilisé pour évaluer d'autres facteurs de sécurité

Par exemple, la résistance d'isolement. Il ne s'agit pas de danger direct. Autrement dit, si vous saisissez un fil dans lequel les propriétés diélectriques de l'isolant sont normales, vous ne recevrez pas de choc électrique.

Mais il existe un danger supplémentaire : la rupture de l'isolation sous charge. Ce fait désagréable entraîne des dysfonctionnements et, ce qui est plus terrible, des incendies dans le circuit électrique.

Le mégohmmètre pour mesurer la résistance d'isolement est un générateur de tension et un instrument de précision dans un seul boîtier.

La version classique (utilisée avec succès même maintenant), génère une tension jusqu'à 2500 volts. N'ayez pas peur, les courants pendant le fonctionnement sont rares. Mais vous ne devez vous accrocher qu'aux poignées isolées des câbles de mesure.

Un potentiel de haute tension révèle facilement des défauts d'isolation et l'aiguille de l'appareil indique la véritable résistance. Avant de commencer les travaux, vous devez éteindre toutes les machines d'alimentation et vous débarrasser du potentiel résiduel: mettez le fil à la terre.

Pour mesurer la répartition entre les fils d'un câble, deux fils sont utilisés. Ils sont connectés aux âmes du câble déconnecté et une mesure est prise. Si la résistance est inférieure à la norme, le câble est rejeté. Personne ne sait quand un site de panne potentiel apportera des problèmes.

Pour mesurer la fuite à la terre, un fil est connecté à la terre de protection (dans la zone de pose du câble à tester) et le second à l'âme centrale. La tension d'essai doit être plus élevée. Si le fil ne peut pas être appliqué à la "masse", la mesure est effectuée en appliquant une deuxième électrode sur la surface extérieure de l'isolant.

Lire aussi :  Types d'isolation des murs de la maison de l'intérieur: matériaux d'isolation et leurs caractéristiques

En présence d'un écran (armure de câble), un système de mesure à trois fils est utilisé. le troisième fil est connecté au blindage du câble testé.

Le schéma général est exactement le même, mais chaque modèle d'appareil a ses propres instructions. Dans les mégohmmètres modernes à affichage numérique, il est encore plus facile de le comprendre que dans les anciens interrupteurs.

À l'aide d'un mégohmmètre, vous pouvez également tester les enroulements du moteur. Mais c'est une question distincte.Information pour ceux qui pensent que tous ces appareils sont à profil étroit : à l'aide d'un système shunt, on peut transformer un mégohmmètre en ohmmètre ou voltmètre de précision.

Pince ampèremétrique

Le principal avantage de cette méthode est qu'il n'est pas nécessaire d'utiliser un équipement supplémentaire et de déconnecter la terre.

Il suffit d'utiliser simplement les pinces pour mesurer la valeur de la résistance.

Mesure de la résistance de terre : aperçu des méthodes de mesure pratiques

Les pinces ampèremétriques fonctionnent sur la base de l'induction mutuelle. Un enroulement (enroulement primaire) est caché dans la tête de la pince de mesure. Le courant qu'il contient génère un courant dans le conducteur de mise à la terre, qui joue le rôle de l'enroulement secondaire.

Pour connaître la valeur de la résistance, vous devez diviser la valeur EMF de l'enroulement secondaire par la valeur du courant qui a été mesurée par la pince (elle apparaît sur l'affichage de la pince).

Dans les appareils plus modernes, rien n'a besoin d'être divisé. Avec les réglages appropriés, la valeur de résistance de terre s'affiche immédiatement à l'écran.

Types de sol

Il existe deux types de mise à la terre :

  1. Prévention des conséquences des coups de foudre. Mise à la terre avec des paratonnerres pour drainer le courant à travers une structure métallique vers le sol.
  2. Mise à la terre de protection des boîtiers d'appareils électriques ou des sections non conductrices d'installations électriques. Empêche les chocs électriques dus à un contact accidentel avec des composants non porteurs de courant.

L'électricité dans les installations électriques où la tension ne doit pas apparaître se produit dans de telles situations :

  • électricité statique;
  • tension induite ;
  • suppression de potentiel;
  • charge électrique.

Le système de mise à la terre est un circuit créé à partir de tiges métalliques enterrées dans le sol, ainsi que d'éléments conducteurs qui y sont connectés.Le point de masse est le lieu d'accostage avec le dispositif de mise à la terre du conducteur provenant de l'équipement protégé.

Mesure de la résistance de terre : aperçu des méthodes de mesure pratiques

Le système de mise à la terre implique le contact du dispositif de mise à la terre avec les boîtiers des appareils électroménagers. De plus, la mise à la terre ne fonctionne pas tant que le potentiel n'apparaît pas pour une raison quelconque. Dans un circuit de travail, aucun type de courant n'apparaît, à l'exception des courants de fond. La principale raison de l'apparition de tension est une violation de la couche isolante sur l'équipement ou des dommages aux éléments conducteurs. Lorsqu'un potentiel se produit, il est redirigé vers la terre via une boucle de terre.

Le système de mise à la terre réduit la tension sur les sections métalliques non conductrices de courant à un niveau acceptable (sans danger pour les êtres vivants). Si l'intégrité du circuit est violée pour une raison quelconque, la tension sur les éléments non porteurs de courant ne diminue pas et constitue donc un grave danger pour les humains et les animaux domestiques.

Nous remplissons l'acte (protocole de test de mise à la terre)

L'en-tête du document doit contenir des informations sur l'entrepreneur (nom, numéro du certificat d'enregistrement, numéro de licence du ministère de l'Énergie, durée de validité des deux licences) et sur l'entreprise cliente (nom, adresse de l'installation, conditions de travailler).

Mesure de la résistance de terre : aperçu des méthodes de mesure pratiques

Saisissez ensuite les données suivantes :

  • numéro de protocole ;
  • température et humidité de l'air :
  • Pression atmosphérique ;
  • à des fins de vérification (réception, classement, tests de contrôle, etc.) ;
  • le nom des documents de conformité avec lesquels les essais ont été effectués ;
  • type et nature du sol;
  • pour quelle installation électrique le dispositif de mise à la terre est utilisé ;
  • mode neutre ;
  • résistivité du sol;
  • courant nominal de défaut à la terre.

Ensuite, remplissez le tableau, où ils entrent les résultats du test :

  1. Numéro dans l'ordre.
  2. But du conducteur de mise à la terre.
  3. Lieu de vérification.
  4. Distance aux électrodes de potentiel et de courant.
  5. Résistance de mise à la terre.
  6. facteur saisonnier.
  7. Conclusion : la résistance est conforme aux normes du PUE ou pas.

Mesure de la résistance de terre : aperçu des méthodes de mesure pratiques

Le tableau suivant indique quels instruments ont été utilisés pour mesurer. Entrez les informations suivantes:

  1. Numéro dans l'ordre.
  2. Type de.
  3. Numéro d'usine.
  4. Caractéristiques métrologiques des instruments, telles que plage de mesure et classe de précision.
  5. Dates de vérification des instruments : quand était la dernière et quand aura lieu la prochaine.
  6. Le numéro du certificat ou du certificat de vérification de l'appareil.
  7. Le nom de l'organisme qui a délivré le certificat de vérification des instruments.

Puis ils écrivent une conclusion : si la résistance correspond aux normes ou non. À la fin, les interprètes et l'employé qui ont vérifié l'exactitude de l'événement et l'achèvement du protocole signent et indiquent leurs positions. En règle générale, trois signatures sont nécessaires : les ingénieurs et le responsable du courrier électronique. laboratoires.

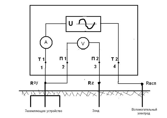
Application de l'ampèremètre et du voltmètre

La méthode est la suivante. Des deux côtés de la structure de mise à la terre à vérifier, à égale distance (environ 20 mètres), deux électrodes (principale et supplémentaire) sont placées, après quoi un courant alternatif leur est appliqué. Un courant électrique commence à circuler dans le circuit ainsi formé et sa valeur s'affiche sur l'écran de l'ampèremètre.

Mesure de la résistance de terre : aperçu des méthodes de mesure pratiques

Un voltmètre connecté au dispositif de mise à la terre et au conducteur de mise à la terre principal indiquera le niveau de tension. Pour déterminer la résistance de terre totale, vous devez utiliser la loi d'Ohm, en divisant la valeur de tension indiquée par le voltmètre par la valeur de courant indiquée par l'ampèremètre.

Cette méthode de mesure est la plus simple, mais a un faible niveau de précision, donc d'autres méthodes sont le plus souvent utilisées.

Pourquoi mesurer la résistance de contact (PS)

Les installations électriques (EI), ainsi que les boîtiers des moteurs électriques, générateurs, transformateurs et autres convertisseurs doivent être mis à la terre. La connexion du dispositif de mise à la terre à l'équipement et à la centrale électrique est réalisée par une connexion boulonnée, qui a également un PS.

Pour un fonctionnement fiable de la coupure de protection en cas de Court-circuit CA sur la coque du PS doit être vérifié périodiquement.

Les résultats des tests PS permettent de comprendre quelle est la probabilité de choc électrique pour une personne, s'il existe un risque d'incendie de l'équipement lorsque la température augmente lors de mauvais contacts. Un PS élevé augmente le temps de réponse des équipements de protection.

Comment vérifier la qualité de la mise à la terre

Selon les Règles d'Installation Electrique, tous les réseaux et équipements électriques fonctionnant avec des tensions supérieures à 50 volts AC et 120 volts DC doivent disposer d'une terre de protection. Cela s'applique aux locaux sans signes de conditions à haut risque. Dans les zones dangereuses (humidité élevée, poussières conductrices, etc.), les exigences sont encore plus strictes. Mais dans cet article, nous considérerons principalement les bâtiments résidentiels. Par défaut, nous acceptons qu'il y ait mise à la terre.

Lors de l'installation de nouvelles lignes électriques, une mise à la terre sera installée et le propriétaire des lieux pourra suivre cela (ou le connecter lui-même). Dans le cas où vous vivez (travaillez) dans une pièce déjà finie, la question se pose : comment vérifier la mise à la terre ? Tout d'abord, vous devez vous assurer que vous l'avez.Indépendamment de l'observance formelle du PUE, cela concerne la vie et la santé des personnes.

Quelle est la fréquence des mesures ?

Il est nécessaire d'effectuer une inspection visuelle, des mesures et, si nécessaire, une excavation partielle du sol selon le calendrier établi dans l'entreprise, mais au moins une fois tous les 12 ans. Il s'avère que le moment d'effectuer des mesures de mise à la terre dépend de vous. Si vous vivez dans une maison privée, toute la responsabilité vous incombe, mais il n'est pas recommandé de négliger la vérification et la mesure de la résistance, car votre sécurité en dépend directement lors de l'utilisation d'équipements électriques.

Mesure de la résistance de terre : aperçu des méthodes de mesure pratiques

Lors de l'exécution de travaux, il est nécessaire de comprendre que par temps sec en été, il est possible d'obtenir les résultats de mesure les plus réalistes, car le sol est sec et les instruments donneront les valeurs les plus véridiques de résistance au sol. Au contraire, si les mesures sont prises en automne ou au printemps par temps humide et humide, les résultats seront quelque peu faussés, car un sol humide affecte grandement la propagation du courant, ce qui, à son tour, donne une plus grande conductivité.

Lire aussi :  Dispositif de fosse de drainage : schémas de conception populaires + analyse des règles de détermination de la profondeur

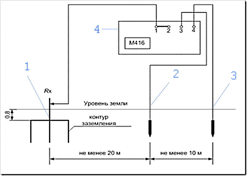
Si vous souhaitez que les mesures de mise à la terre de protection et de travail soient effectuées par des spécialistes, vous devez contacter un laboratoire électrique spécial. À la fin des travaux, un protocole de mesure de la résistance de terre vous sera remis. Il affiche le lieu de travail, le but du système d'électrodes au sol, le facteur de correction saisonnier, ainsi que la distance entre les électrodes. Un exemple de protocole est fourni ci-dessous :

Mesure de la résistance de terre : aperçu des méthodes de mesure pratiques

Enfin, nous vous recommandons de regarder une vidéo qui montre comment la résistance de mise à la terre d'un poteau de ligne aérienne est mesurée :

Vérification de la présence et du raccordement correct de la terre de protection

Au minimum, vous devez vous pencher sur le tableau électrique de votre appartement (maison, atelier).

Par défaut, nous acceptons la condition : alimentation monophasée. Cela facilitera la compréhension du matériel.

Il devrait y avoir trois lignes d'entrée indépendantes dans le blindage :

  • Phase (généralement indiquée par un fil avec isolation marron). Identifié avec un tournevis indicateur.
  • Zéro de travail (code couleur - bleu ou bleu clair).
  • Terre de protection (isolation jaune-vert).

Si l'entrée d'alimentation est faite de cette façon, vous avez très probablement une mise à la terre. Ensuite, nous vérifions l'indépendance du zéro de travail et de la mise à la terre de protection entre eux. Malheureusement, certains électriciens (même dans des équipes professionnelles), au lieu de la mise à la terre, utilisent la soi-disant mise à zéro. Un zéro de travail sert de protection : un bus de masse y est simplement connecté. Ceci est une violation des règles d'installation électrique, l'utilisation d'un tel schéma est dangereuse.

Comment vérifier si la mise à la terre ou la mise à la terre est connectée en tant que protection ?

Si la connexion filaire est évidente, il n'y a pas de terre de protection : vous avez organisé une mise à la terre. Cependant, la connexion correcte apparente ne signifie pas qu'il y a une "masse" et cela fonctionne. La vérification de la mise à la terre comprend plusieurs étapes. Nous commençons par mesurer la tension entre la terre de protection et le zéro de fonctionnement.

Nous fixons la valeur entre zéro et phase, et effectuons immédiatement une mesure entre phase et terre de protection.Si les valeurs sont les mêmes, le bus "masse" a un contact avec le zéro de travail après la masse physique. C'est-à-dire qu'il est connecté au bus zéro. Ceci est interdit par le PUE, une refonte du système de connexion sera nécessaire. Si les lectures diffèrent les unes des autres, vous avez le bon "sol".

Une mesure supplémentaire de la mise à la terre est effectuée à l'aide d'un équipement spécial. Arrêtons-nous là-dessus plus en détail.

Quelle est la fréquence des mesures ?

Il est nécessaire d'effectuer une inspection visuelle, des mesures et, si nécessaire, une excavation partielle du sol selon le calendrier établi dans l'entreprise, mais au moins une fois tous les 12 ans. Il s'avère que le moment d'effectuer des mesures de mise à la terre dépend de vous. Si vous vivez dans une maison privée, toute la responsabilité vous incombe, mais il n'est pas recommandé de négliger la vérification et la mesure de la résistance, car votre sécurité en dépend directement lors de l'utilisation d'équipements électriques.

Mesure de la résistance de terre : aperçu des méthodes de mesure pratiques

Lors de l'exécution de travaux, il est nécessaire de comprendre que par temps sec en été, il est possible d'obtenir les résultats de mesure les plus réalistes, car le sol est sec et les instruments donneront les valeurs les plus véridiques de résistance au sol. Au contraire, si les mesures sont prises en automne ou au printemps par temps humide et humide, les résultats seront quelque peu faussés, car un sol humide affecte grandement la propagation du courant, ce qui, à son tour, donne une plus grande conductivité.

Si vous souhaitez que les mesures de mise à la terre de protection et de travail soient effectuées par des spécialistes, vous devez contacter un laboratoire électrique spécial. À la fin des travaux, un protocole de mesure de la résistance de terre vous sera remis.Il affiche le lieu de travail, le but du système d'électrodes au sol, le facteur de correction saisonnier, ainsi que la distance entre les électrodes. Un exemple de protocole est fourni ci-dessous :

Mesure de la résistance de terre : aperçu des méthodes de mesure pratiques

Enfin, nous vous recommandons de regarder une vidéo qui montre comment la résistance de mise à la terre d'un poteau de ligne aérienne est mesurée :

Nous avons donc examiné les méthodes existantes pour mesurer la résistance du sol à la maison. Si vous n'avez pas les compétences adéquates, nous vous recommandons de faire appel aux services de spécialistes qui feront tout rapidement et efficacement !

Nous vous conseillons également de lire :

Comment mesurer correctement

Avant d'effectuer des mesures, il est nécessaire de réduire le nombre de facteurs qui affectent la précision des résultats finaux. Pour les instruments analogiques avec indicateur à aiguille, il s'agit tout d'abord de la disposition horizontale du boîtier. L'ampleur de l'erreur est également affectée par la proximité des champs électromagnétiques, de sorte que les appareils doivent être placés aussi loin que possible d'eux. Cette exigence doit être respectée pour tous les types de compteurs.

Étalonnez toujours l'instrument avant de tester. Sur l'induction, cela peut être fait en tournant la poignée du reochord. Certains appareils électroniques ont une fonction d'auto-test, de sorte qu'ils s'adaptent automatiquement aux conditions de fonctionnement. Un circuit de test à quatre fils donne des résultats précis.

Concepts de base

La résistance du dispositif de mise à la terre (on l'appelle aussi la résistance de propagation du courant) est directement proportionnelle à la tension et inversement proportionnelle au courant se propageant à la "terre".

Mesure de la résistance de terre : aperçu des méthodes de mesure pratiques

Il existe trois types de mise à la terre :

  • travail.Avec son aide, certains endroits sont mis à la terre, il est utilisé lors du fonctionnement des équipements électriques;
  • protection contre la foudre. Les paratonnerres sont mis à la terre afin de rediriger les courants vers les structures métalliques qui se produisent sous l'influence de la foudre ;
  • protecteur. Utilisé pour protéger contre les chocs électriques si quelqu'un entre par inadvertance en contact avec une pièce qui, en fonctionnement normal, ne devrait pas laisser passer le courant.

Il existe plusieurs méthodes pour mesurer la résistance des dispositifs de mise à la terre, qui seront discutées plus en détail. Les méthodes de mesure sont déterminées par les spécialistes du laboratoire électrique et dépendent des conditions de fonctionnement spécifiques de l'équipement.

Résultats et conclusions

La mise à la terre est un élément important du circuit électrique, qui offre une protection contre les courts-circuits, les chocs électriques ou la foudre dans l'une de ses sections. La métrique clé ici est la résistance : plus elle est basse, plus le circuit « drainera » de courant et moins il sera susceptible de causer de graves chocs ou d'endommager l'équipement. La résistance de mise à la terre est réglementée par deux documents : PUE et PTEEP. Le premier est utilisé pour recevoir une section du réseau nouvellement mise en service, le second est utilisé pour contrôler une section déjà exploitée.

Mesure de la résistance de terre : aperçu des méthodes de mesure pratiques

Il est impossible de négliger les normes de contrôle, qui visent à vérifier la qualité de la mise à la terre et le fonctionnement du circuit dans des conditions de pleine charge. Les procédures sont effectuées à la fois immédiatement après la création du circuit et au cours de son utilisation. La fréquence des vérifications dépend de la charge sur le réseau et de l'usage pour lequel le circuit est utilisé. Les normes de résistance ne sont pas du tout différentes.Il existe trois types de normes : pour les lignes électriques, les transformateurs et les installations électriques. Avec une augmentation de la tension de fonctionnement, la résistance maximale augmente de façon exponentielle. Un certain nombre d'indicateurs spécifiques sont également pris en compte (par exemple, la conductivité spécifique du sol). Sur cette base, vous pouvez obtenir la résistance maximale régulée.

Le principal moyen d'augmenter l'efficacité du système d'électrodes de terre consiste à utiliser différentes configurations de conducteurs. La tâche principale est de maximiser la zone de contact direct du circuit avec le sol. Pour cela, un ou plusieurs conducteurs sont utilisés. Dans ce dernier cas, ils peuvent être connectés aussi bien en série qu'en parallèle.

De plus, pour mesurer la résistance de la boucle de terre, il est important de connaître les facteurs de correction - par exemple, lors du calcul de la résistance de terre minimale autorisée, le contenu spécifique du matériau dans le sol et la résistance de mise à la terre sont également pris en compte. Compte. Pour obtenir cet indicateur, vous devez utiliser un équipement spécial.

Évaluation
Site sur la plomberie

Nous vous conseillons de lire

Où remplir la poudre dans la machine à laver et combien de poudre verser