- Montage
- Que choisir : système de chauffage monotube ou bitube
- Modernisation des systèmes de chauffage monotube
- Le principe de fonctionnement d'un système de chauffage monotube
- Caractéristiques de montage
- Avantages et inconvénients
- Systèmes de chauffage à eau monotube et bitube
- Système à deux tubes avec câblage inférieur
- Avantages et inconvénients d'un système à deux tubes avec câblage inférieur
- Caractéristiques du montage d'un système à deux tubes avec câblage inférieur
- Analyse comparative
- Types de systèmes de chauffage à circulation gravitaire
- Système fermé avec circulation gravitaire
- Système ouvert avec circulation gravitaire
- Système monotube avec auto-circulation
- Système à deux tubes avec auto-circulation
- Système de chauffage à deux tubes
- avantages
- Les moins
- réservoir ouvert
Montage

- N'économisez pas trop d'argent et de temps sur l'installation du système de chauffage.
- La conduite de chauffage comprend 2 tuyaux. Dans un sens, le liquide de refroidissement est fourni aux radiateurs et dans l'autre sens, il retourne à la chaudière.
- Le tuyau alimentant en eau les batteries doit être plus haut que celui qui alimente en eau la chaudière.
- N'économisez pas sur les vannes de radiateur, les dérivations et autres dispositifs qui améliorent le fonctionnement du système de chauffage.
- Ne laissez pas la ligne avoir des angles vifs qui pourraient créer des embouteillages ou de la résistance.
- Le tuyau d'alimentation doit être bien isolé, il y aura alors une perte de chaleur minimale.
- Le vase d'expansion doit également être installé dans un endroit chaud.
Pose de chaudière. C'est la toute première étape. C'est mieux quand c'est dans un endroit séparé. Il doit y avoir une bonne ventilation pour ventiler les produits de combustion. Autour de celui-ci, il faut que les murs et le sol soient à l'épreuve du feu. De plus, l'appareil doit toujours avoir un accès libre pour une maintenance et un contrôle pratiques.
Un tuyau est dévié de celui-ci vers le vase d'expansion.
Pompe de circulation. Il est monté après la chaudière. En même temps, une armoire collectrice avec tout l'équipement nécessaire est installée.
Câblage des tuyaux. Ils sont effectués de la chaudière aux endroits où se trouvent les batteries.
À ce stade, il est important d'être très prudent et de connecter soigneusement les tuyaux.
Raccordement des radiateurs. 2 tuyaux sont connectés à chaque appareil. En haut, un tuyau est monté fournissant le liquide de refroidissement, et en bas, emportant l'eau refroidie
Les batteries elles-mêmes sont montées sous la fenêtre sur les supports. Depuis le rebord de la fenêtre, la batterie doit être à une distance d'environ 100 mm, du mur 20-50 mm, du sol 100-120 mm. Des vannes d'arrêt sont montées sur les côtés du radiateur, grâce auxquelles la batterie sera éteinte sans perturber le fonctionnement de l'ensemble du système. Après avoir terminé l'installation des radiateurs, vérifiez soigneusement l'étanchéité de leurs connexions avec les tuyaux.
En haut, un tuyau est monté fournissant le liquide de refroidissement et en bas, emportant l'eau refroidie. Les batteries elles-mêmes sont montées sous la fenêtre sur les supports. Depuis le rebord de la fenêtre, la batterie doit être à une distance d'environ 100 mm, du mur 20-50 mm, du sol 100-120 mm.Des vannes d'arrêt sont montées sur les côtés du radiateur, grâce auxquelles la batterie sera éteinte sans perturber le fonctionnement de l'ensemble du système. Après avoir terminé l'installation des radiateurs, vérifiez soigneusement l'étanchéité de leurs connexions avec les tuyaux.

Que choisir : système de chauffage monotube ou bitube
Système de chauffage à deux tubes
Il n'existe que deux types de systèmes de chauffage : monotube et bitube. Dans les maisons privées, ils essaient d'installer le système de chauffage le plus efficace.
Il est très important de ne pas vendre trop bon marché, en essayant de réduire le coût d'achat et d'installation d'un système de chauffage. Fournir de la chaleur chez soi est un gros travail, et pour ne pas avoir à réinstaller le système, mieux vaut bien le comprendre et faire des économies « raisonnables ».
Et pour tirer une conclusion sur lequel des systèmes est le meilleur, il est nécessaire de comprendre le principe de fonctionnement de chacun d'eux. Après avoir étudié les avantages et les inconvénients des deux systèmes, tant du côté technique que du côté matériel, il devient clair comment faire le meilleur choix.
Modernisation des systèmes de chauffage monotube
Une solution technique permettant de réguler le fonctionnement de chaque appareil de chauffage individuel a été développée.
Il consiste à raccorder des sections de fermeture spéciales (by-pass), qui permettent d'intégrer des thermostats de radiateur automatiques au chauffage. Quels autres avantages sont possibles avec l'installation de by-pass ? Nous en reparlerons en détail plus tard.

Contournement (apparence)
Schéma de fonctionnement du bypass
Le principal avantage d'une telle modernisation est que dans ce cas il devient possible de réguler la température de chauffage de chaque batterie ou radiateur. De plus, vous pouvez complètement couper l'alimentation en liquide de refroidissement de l'appareil.
Pour cette raison, un tel appareil de chauffage est réparé ou remplacé sans arrêter l'ensemble du système.
Le by-pass est un tuyau de dérivation équipé de vannes ou de robinets. Avec la connexion correcte de ces raccords au système, cela vous permettra de rediriger le flux d'eau à travers la colonne montante, en contournant le réchauffeur réparé ou remplacé.
Il n'est pas difficile de comprendre que la tâche d'installer de tels appareils dans le système de vos propres mains est difficilement réalisable, même si des instructions détaillées sont disponibles. Dans ce cas, on ne peut pas se passer de la participation d'un spécialiste.
Un système de chauffage avec une colonne montante principale doit être équipé d'appareils de chauffage présentant des caractéristiques améliorées en termes de fiabilité. Tous les appareils d'un système monotube doivent résister à une pression accrue et à une température élevée.
Le principe de fonctionnement d'un système de chauffage monotube
La structure de chauffage monotube est constituée d'une seule tuyauterie principale. Il alimente en fluide caloporteur les convecteurs installés en série, et le prélève après entraînement. Dans le même temps, la température du liquide diminue progressivement vers le point final. Un système classique de ce type ne prévoit pas la présence de régulateurs de température individuels sur les batteries.
Le schéma de tuyauterie monotube horizontal est une chaîne de radiateurs connectés à un caloduc horizontal. Le contour vertical est utilisé dans les bâtiments à plusieurs étages.
Le liquide traverse la canalisation principale vers le haut à l'aide d'une pompe hydraulique et revient vers le bas, surmontant la chaîne de radiateurs. Du fait de la dilution successive du liquide chaud, les déchets à l'étage inférieur sont toujours plus frais qu'au dernier.
Le schéma vertical et horizontal comprend une chaudière, des radiateurs, un vase d'expansion pour la stabilisation de la pression, la prévention de la surchauffe du liquide et des coups de bélier, un système d'alimentation en eau comprenant des vannes de vidange, des entrées, des vannes et des dérivations.
La dérivation est un chemin de fluide de secours en cas d'urgence. Il s'agit d'un morceau de tuyau reliant les tuyaux d'alimentation et de décharge du convecteur. Le by-pass permet l'utilisation de batteries avec des thermostats automatiques, ce qui augmente considérablement l'efficacité de ce type de chauffage.
Le circuit avec un raccord inférieur assure l'alimentation en liquide du convecteur par le bas et ne fonctionne que s'il existe un collecteur accélérateur ou une pompe hydraulique. Avec l'alimentation supérieure, le liquide pénètre dans le radiateur par le haut et s'écoule en diagonale par le bas. Il n'y a pas de contournement dans ce schéma.
Caractéristiques de montage
La chaudière de chauffage est installée au sous-sol ou au sous-sol. Un vase d'expansion de type fermé est également placé ici. Pour une structure câblée par le bas, le caloduc d'alimentation est posé le long du sol du premier étage ou du sous-sol, et un tuyau principal vertical y est connecté, allant aux étages supérieurs.
Dans un bâtiment avec un câblage supérieur, le liquide est immédiatement fourni au point le plus élevé situé dans le grenier ou sous le plafond de l'étage supérieur. Un vase d'expansion ouvert est également installé ici. Ensuite, à travers des convecteurs connectés en série, le liquide usé retourne au dispositif de chauffage.
La conception monotube moderne prévoit la présence de tés et de dérivations au point de raccordement de chaque radiateur de chauffage.S'il est prévu de déplacer le liquide de refroidissement par gravité, la ligne doit avoir une pente de 3 à 5º par mètre linéaire de tuyau. Si le mouvement du fluide dans le système est forcé, la pente doit être de 10 mm par mètre linéaire.
Étant donné que la pompe hydraulique de circulation fonctionne à une température ne dépassant pas + 60ºС, elle est montée après le dernier radiateur de chauffage, à l'entrée de la conduite de retour vers la chaudière.
Les convecteurs sont connectés dans un ordre séquentiel. Pour chacun, une grue Mayevsky est installée pour la libération d'air, une vanne d'arrêt, un bouchon.
Pour vérifier la fiabilité des connexions, le système assemblé est rempli d'air ou d'eau sous pression, et seulement après cela - avec le liquide de refroidissement sélectionné pour régler les éléments de commande.
Avantages et inconvénients
- Refroidissement du caloporteur pendant le transport, ce qui ne permet pas un chauffage uniforme de tous les locaux du bâtiment.
- Le nombre de réfrigérants dans le circuit est limité à 10. Plus d'unités rendront la conception inefficace.
- Pour assurer le fonctionnement d'une structure monotube dans un bâtiment à plusieurs étages, une puissante pompe hydraulique capable de pomper de l'eau à travers un circuit de batterie est nécessaire. Son travail s'accompagne souvent de coups de bélier, à cause desquels des fuites sont possibles.
- Pour augmenter l'efficacité, l'installation d'un système de type monotube est réalisée à l'aide de nœuds supplémentaires. Par exemple, des cavaliers sont installés à chaque étage pour équilibrer la température et le nombre de sections pour convecteurs aux étages inférieurs est augmenté.
Avantages :
- La présence de by-pass, de vannes d'équilibrage, de vannes à bille et de vannes d'arrêt permet de réparer une unité endommagée sans arrêter tout le circuit.
- Rentabilité. L'installation du système nécessite 2 fois moins de matériaux.
- Facilité de conception et d'installation, ce qui réduit également le coût du projet.
- Compacité.
Systèmes de chauffage à eau monotube et bitube
Il existe également des chauffe-eau monotubes et bitubes. Dans un système monotube, les radiateurs sont connectés au système de chauffage en série, dans les systèmes bitubes en parallèle.
C'est tout sur les principes de base du chauffage de l'eau! Chaleur pour votre maison.
Plusieurs dessins visuels conçus de systèmes de chauffage de l'eau :
Installation de chauffage à eau chaude fermée à deux circuits fermés avec un ballon ECS avec Expansomat

Système de chauffe-eau fermé à deux circuits fermés

Système de chauffage fermé à circuit unique

Système de chauffage à eau libre avec circulation artificielle et vase d'expansion

Système de chauffage à eau libre avec circulation naturelle et vase d'expansion

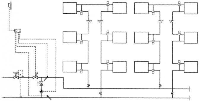
Système à deux tubes avec câblage inférieur
Ensuite, nous considérerons les systèmes à deux tuyaux, qui se distinguent par le fait qu'ils assurent une répartition uniforme de la chaleur même dans les plus grands ménages avec de nombreuses pièces. C'est le système à deux tuyaux qui est utilisé pour chauffer les bâtiments à plusieurs étages, dans lesquels il y a beaucoup d'appartements et de locaux non résidentiels - ici, un tel système fonctionne très bien. Nous envisagerons des projets pour des maisons privées.

Système de chauffage à deux tubes avec câblage inférieur.
Un système de chauffage à deux tubes se compose d'un tuyau d'alimentation et d'un tuyau de retour. Les radiateurs sont installés entre eux - l'entrée du radiateur est connectée au tuyau d'alimentation et la sortie au tuyau de retour. Qu'est-ce que ça donne ?
- Répartition uniforme de la chaleur dans tout le local.
- Possibilité de contrôler la température ambiante en éteignant complètement ou partiellement les radiateurs individuels.
- Possibilité de chauffer des maisons privées à plusieurs étages.
Il existe deux principaux types de systèmes à deux tubes - avec câblage inférieur et supérieur. Pour commencer, nous considérerons un système à deux tuyaux avec un câblage inférieur.
Le câblage inférieur est utilisé dans de nombreuses maisons privées, car il vous permet de rendre le chauffage moins visible. Les tuyaux d'alimentation et de retour passent ici côte à côte, sous les radiateurs ou même dans les planchers. L'air est évacué par des robinets Mayevsky spéciaux. Les schémas de chauffage dans une maison privée en polypropylène prévoient le plus souvent un tel câblage.
Avantages et inconvénients d'un système à deux tubes avec câblage inférieur

Lors de l'installation d'un chauffage avec un câblage inférieur, nous pouvons cacher les tuyaux dans le sol.
Voyons quelles sont les caractéristiques positives des systèmes à deux tubes avec câblage inférieur.
- La possibilité de masquer les tuyaux.
- La possibilité d'utiliser des radiateurs avec une connexion inférieure - cela simplifie quelque peu l'installation.
- Les pertes de chaleur sont minimisées.
La possibilité de rendre au moins partiellement le chauffage moins visible attire de nombreuses personnes. Dans le cas du câblage inférieur, nous obtenons deux tuyaux parallèles qui affleurent le sol. Si vous le souhaitez, ils peuvent être amenés sous les planchers, offrant cette possibilité même au stade de la conception du système de chauffage et du développement d'un projet de construction d'une maison privée.
Si vous utilisez des radiateurs avec une connexion inférieure, il devient possible de masquer presque complètement tous les tuyaux dans les sols - les radiateurs sont connectés ici à l'aide de nœuds spéciaux.
Quant aux inconvénients, ils sont la nécessité d'une évacuation manuelle régulière de l'air et la nécessité d'utiliser une pompe de circulation.
Caractéristiques du montage d'un système à deux tubes avec câblage inférieur

Attaches en plastique pour tuyaux de chauffage de différents diamètres.
Afin de monter le système de chauffage selon ce schéma, il est nécessaire de poser les tuyaux d'alimentation et de retour autour de la maison. À ces fins, il existe des attaches en plastique spéciales en vente. Si des radiateurs à raccordement latéral sont utilisés, nous faisons une dérivation du tuyau d'alimentation au trou latéral supérieur, et prenons le liquide de refroidissement à travers le trou latéral inférieur, en le dirigeant vers le tuyau de retour. Nous avons placé des bouches d'aération à côté de chaque radiateur. La chaudière dans ce schéma est installée au point le plus bas.
Il utilise une connexion diagonale des radiateurs, ce qui augmente leur transfert de chaleur. La connexion inférieure des radiateurs réduit la production de chaleur.
Un tel schéma est le plus souvent fermé, à l'aide d'un vase d'expansion scellé. La pression dans le système est créée à l'aide d'une pompe de circulation. Si vous avez besoin de chauffer une maison privée à deux étages, nous posons des tuyaux aux étages supérieur et inférieur, après quoi nous créons une connexion parallèle des deux étages à la chaudière de chauffage.
Analyse comparative
Dans une ligne monotube, il n'y a qu'un seul tuyau - le tuyau d'alimentation. Un système à deux tuyaux n'a pas un, mais deux pipelines : l'alimentation et le retour. Entre eux, ils sont reliés par des appareils de chauffage et des radiateurs en tant que cavaliers. Chaque schéma a ses avantages: un système à deux tuyaux est plus pratique à gérer - un liquide de même température coule dans chaque radiateur, de sorte qu'ils chauffent uniformément sur tout le périmètre.

Un système monotube avec un raccordement inférieur est uniquement à circulation forcée, à une exception près, lorsqu'une méthode gravitaire est organisée en présence d'un collecteur accélérateur. Ensuite, le liquide de la chaudière est dirigé verticalement vers le bas, puis vers le collecteur, puis à travers les appareils connectés en parallèle dans l'anneau de circulation.

Les différences entre le câblage supérieur et le câblage inférieur sont les suivantes : il n'a pas de by-pass, le tuyau d'alimentation est connecté en haut du radiateur, le tuyau de sortie est en bas. Dans ce cas, les radiateurs sont connectés de haut en bas, l'eau est également fournie. Ce schéma est plus adapté à l'option circulation naturelle et ne dispose pas de colonne montante de soufflage. Les vannes et les robinets ne sont pas montés sur les batteries, il est donc impossible de régler le régime de température séparément dans n'importe quelle pièce.
Types de systèmes de chauffage à circulation gravitaire
Malgré la conception simple d'un système de chauffage à eau avec auto-circulation du liquide de refroidissement, il existe au moins quatre schémas d'installation populaires. Le choix du type de câblage dépend des caractéristiques du bâtiment lui-même et des performances attendues.
Pour déterminer quel schéma fonctionnera, dans chaque cas individuel, il est nécessaire d'effectuer un calcul hydraulique du système, de prendre en compte les caractéristiques de l'unité de chauffage, de calculer le diamètre du tuyau, etc. Vous aurez peut-être besoin de l'aide d'un professionnel pour effectuer les calculs.
Système fermé avec circulation gravitaire
Dans les pays de l'UE, les systèmes fermés sont les plus populaires parmi les autres solutions. En Fédération de Russie, le système n'a pas encore été largement utilisé. Les principes de fonctionnement d'un système de chauffage à eau de type fermé avec circulation sans pompe sont les suivants:
- Lorsqu'il est chauffé, le liquide de refroidissement se dilate, l'eau est déplacée du circuit de chauffage.
- Sous pression, le liquide pénètre dans un vase d'expansion à membrane fermée. La conception du conteneur est une cavité divisée par une membrane en deux parties. La moitié du réservoir est remplie de gaz (la plupart des modèles utilisent de l'azote). La seconde partie reste vide pour le remplissage en liquide de refroidissement.
- Lorsque le liquide est chauffé, une pression suffisante est créée pour pousser à travers la membrane et comprimer l'azote. Après refroidissement, le processus inverse se produit et le gaz expulse l'eau du réservoir.
Sinon, les systèmes de type fermé fonctionnent comme les autres systèmes de chauffage à circulation naturelle. Comme inconvénients, on peut distinguer la dépendance au volume du vase d'expansion. Pour les pièces avec une grande surface chauffée, vous devrez installer un conteneur de grande capacité, ce qui n'est pas toujours conseillé.
Système ouvert avec circulation gravitaire
Le système de chauffage de type ouvert ne diffère du type précédent que par la conception du vase d'expansion. Ce schéma était le plus souvent utilisé dans les bâtiments anciens. Les avantages d'un système ouvert sont la possibilité de fabriquer soi-même des conteneurs à partir de matériaux improvisés. Le réservoir a généralement des dimensions modestes et est installé sur le toit ou sous le plafond du salon.
Le principal inconvénient des structures ouvertes est la pénétration d'air dans les tuyaux et les radiateurs de chauffage, ce qui entraîne une corrosion accrue et une défaillance rapide des éléments chauffants. L'aération du système est également un "invité" fréquent dans les circuits ouverts. Par conséquent, les radiateurs sont installés en biais, les grues Mayevsky sont nécessaires pour purger l'air.
Système monotube avec auto-circulation

Cette solution présente plusieurs avantages :
- Il n'y a pas de canalisation jumelée sous le plafond et au-dessus du niveau du sol.
- Économisez de l'argent sur l'installation du système.
Les inconvénients d'une telle solution sont évidents. La puissance calorifique des radiateurs de chauffage et l'intensité de leur chauffage diminuent avec l'éloignement de la chaudière. Comme le montre la pratique, un système de chauffage monotube d'une maison à deux étages à circulation naturelle, même si toutes les pentes sont observées et que le bon diamètre de tuyau est sélectionné, est souvent refait (en installant un équipement de pompage).
Système à deux tubes avec auto-circulation
Système de chauffage à deux tubes dans maison privée avec naturel circulation, présente les caractéristiques de conception suivantes :
- Flux d'alimentation et de retour par des tuyaux séparés.
- La canalisation d'alimentation est reliée à chaque radiateur par une entrée.
- La batterie est connectée à la ligne de retour avec le deuxième eye-liner.
Par conséquent, un système de type radiateur à deux tubes offre les avantages suivants :
- Répartition uniforme de la chaleur.
- Pas besoin d'ajouter des sections de radiateur pour un meilleur échauffement.
- Plus facile à régler le système.
- Le diamètre du circuit d'eau est d'au moins une taille plus petit que dans les schémas monotubes.
- Absence de règles strictes pour l'installation d'un système à deux tuyaux. De petites déviations concernant les pentes sont autorisées.
Le principal avantage d'un système de chauffage à deux tubes avec câblage inférieur et supérieur est la simplicité et en même temps l'efficacité de la conception, ce qui vous permet de niveler les erreurs commises dans les calculs ou lors des travaux d'installation.
Système de chauffage à deux tubes
La principale différence de conception de ce schéma réside dans les deux circuits à travers lesquels le liquide de refroidissement circule. Le premier est destiné pour l'alimentation en liquide chaud des radiateurs, le second - pour renvoyer le liquide de refroidissement refroidi à la chaudière. Dans ce cas également, un cercle vicieux est obtenu. C'est une paire de contours interconnectés qui est le moment le plus «répugnant» pour de nombreux propriétaires de maisons privées. La grande longueur du réseau, le câblage difficile sont les raisons de l'aversion pour les structures bitubes.
Les systèmes de chauffage à deux tubes sont également ouverts ou fermés. La différence entre eux est la présence de différentes conceptions du vase d'expansion. Les structures fermées sont plus pratiques, faciles à utiliser. Ils utilisent des conteneurs à membrane comme réservoir, leur différence est une sécurité totale. Ils vous permettent d'ajouter (ou d'éteindre) des appareils de chauffage ou des branches entières au circuit, simplifiant grandement le réglage du système.

Il existe deux principaux types de connexion des éléments d'une structure à deux tuyaux - vertical et horizontal. Dans le premier cas, les tuyaux sont connectés à une colonne montante verticale pour chaque étage séparément. Cette option est pratique, presque idéale pour les maisons ou les chalets à deux ou trois étages. Congestion aérienne dans ce cas, les propriétaires n'ont pas peur.
Le câblage horizontal, qui a un emplacement supérieur (dans le grenier, sous le plafond) ou inférieur (dans le sous-sol, sous le sol), est généralement utilisé pour les bâtiments à un étage de grande longueur. Ou pour les grands bâtiments à plusieurs étages, si un ajustement du sol est nécessaire. Les sas sont éliminés à l'aide de grues Mayevsky, ils sont installés sur des radiateurs.
Il existe maintenant un autre type de système - le chauffage par rayonnement. Dans ce cas, la distribution de liquide chaud passe par le collecteur.Il est possible de régler : à la fois la vitesse de déplacement et la température du liquide de refroidissement.
avantages

Quel système de chauffage est le meilleur : monotube ou bitube ? Si nous gardons à l'esprit la qualité du chauffage, la deuxième option présente un grand avantage: c'est le chauffage uniforme de tous les radiateurs, quelle que soit leur distance par rapport à la chaudière. Les autres avantages incluent :
- la thermorégulation, qui peut être prévue dès la conception du système de chauffage ;
- mise en parallèle d'éléments, permettant un remplacement relativement simple de chacun d'eux ;
- la possibilité d'ajouter de nouveaux radiateurs si vous souhaitez augmenter l'efficacité du chauffage ;
- une chance d'étendre la structure de chauffage dans n'importe quelle direction : à la fois horizontale et verticale ;
- élimination facile de toute erreur technique directement lors de l'installation ;
- réparations simples, entretien facile des radiateurs.
Les moins

Le plus gros inconvénient de ce système est le coût plus élevé des travaux. Mais il existe d'autres raisons de réfléchir à l'opportunité de sa mise en œuvre. Ceux-ci inclus:
- un grand nombre de communications, elles devront être masquées, ce qui signifie que de nouveaux coûts sont inévitables, de ce fait, des difficultés de maintenance peuvent survenir;
- la nécessité d'une circulation forcée par une pompe électrique ;
- rigueur envers l'auteur lors de l'élaboration d'un projet assez complexe;
- l'installation, qui prend beaucoup plus de temps, demande beaucoup d'efforts;
- la nécessité d'acheter un grand nombre de tuyaux pour le câblage, des vannes qui régulent l'alimentation en liquide de refroidissement de chaque radiateur.
réservoir ouvert
Un vase d'expansion ouvert est un vase partiellement ou totalement ouvert raccordé au circuit dans sa partie la plus haute, immédiatement après la chaudière.Pour éviter que le liquide ne déborde sur les bords du récipient, il existe un tuyau spécial plus près du sommet: il sert à évacuer l'excès d'eau dans les égouts ou dans la rue. Lors de l'organisation du chauffage de bâtiments à un étage, la capacité de compensation est principalement installée dans le grenier. Afin d'éviter le gel de l'eau en hiver, les parois du réservoir sont en outre isolées.
De tels systèmes de chauffage sont appelés ouverts. On parle le plus souvent de chauffage non volatil ou combiné. Dans ce cas, le liquide de refroidissement entre en contact direct avec l'air : cela entraîne son évaporation naturelle et son enrichissement en oxygène.

Les circuits ouverts se caractérisent par les inconvénients suivants :
- Respect précis des pentes (si des systèmes gravitaires sont utilisés). Cela permettra à l'air qui s'infiltre dans les tuyaux de sortir par le réservoir dans l'atmosphère.
- La nécessité d'une surveillance constante du niveau d'eau dans le réservoir. De temps en temps, le volume de liquide de refroidissement doit être reconstitué, car une partie de celui-ci s'évapore par le haut ouvert.
- N'utilisez pas de fluides non gelés qui libèrent des substances toxiques lors de l'évaporation.
- La saturation en oxygène du fluide calorigène provoque des processus de corrosion à l'intérieur des radiateurs de chauffage en acier métallique.

Points forts des systèmes ouverts :
- Il est possible de ne pas effectuer de contrôles réguliers du niveau de pression dans la canalisation.
- De petites fuites dans le circuit ne l'empêcheront pas de bien chauffer le logement. L'essentiel est qu'il y ait suffisamment de liquide dans les tuyaux.
- Pour compenser la perte de liquide de refroidissement, il est permis d'utiliser un simple seau. Cela se fait en ajoutant simplement de l'eau dans le vase d'expansion jusqu'au niveau requis.





































