- Schéma de connexion du câblage du faisceau
- Méthode 1 avec circulation d'eau forcée
- Méthode 2 avec circulation naturelle de l'eau
- Avantages du câblage horizontal
- Système de chauffage bitube avec câblage supérieur : préparez-vous à cacher les tuyaux
- Recommandations de montage
- Schéma de connexion du câblage du faisceau
- stage préliminaire
- Règles d'installation du câblage du faisceau
- Disposition de la tuyauterie radiale : caractéristiques
- Éléments du schéma de câblage du tuyau de chauffage
- Sélection des tuyaux d'entrée et de sortie
- Comparaison avec le système de chauffage vertical
- Choisir un schéma de chauffage pour une maison de campagne
- Schéma monotube des systèmes de chauffage
- Avantages et inconvénients du câblage à deux tubes
- Comment est la répartition du chauffage du faisceau collecteur ?
Schéma de connexion du câblage du faisceau
Lors du choix d'un schéma, la préférence est généralement donnée à un schéma étage par étage. Le réseau est réalisé sous un revêtement de masquage au sol. Le collecteur est généralement monté dans une niche pré-préparée dans le mur. Une alternative est une armoire spéciale.
Dans la plupart des systèmes, il est nécessaire de monter une pompe de circulation, cependant, il existe des options lorsque plusieurs d'entre elles ne sont pas nécessaires, ou elles sont montées en alternance sur chacun des anneaux. Un conteneur d'entrée et de sortie est attaché à chaque élément du système.Ensuite, les tuyaux des collecteurs sont placés sous la chape de ciment, puis ils sont connectés à l'élément chauffant.
Il est souhaitable que la durée de tous les tuyaux soit approximativement égale. Sinon, il sera nécessaire d'alimenter en plus le système avec une pompe de circulation et des capteurs pour le contrôle de la température. Il existe deux manières principales d'organiser le chauffage : avec et sans circulation forcée. Il vaut la peine de peindre chacun d'eux plus en détail, avec toutes leurs caractéristiques inhérentes.
Méthode 1 avec circulation d'eau forcée
Ce type de système, qui est équipé de pompes pour le mouvement forcé du fluide, était auparavant considéré comme extrêmement coûteux. Cependant, avec l'avènement de pompes bon marché et fiables, un tel chauffage avec des pompes est de plus en plus utilisé dans les immeubles d'habitation et les maisons privées.
La différence la plus importante est que le liquide de refroidissement (eau ou antigel) circule entre la chaudière de chauffage et les radiateurs non pas par gravité, différences de température et de pression, mais à l'aide d'une pompe spéciale. Schéma de chauffage naturel
Schéma de chauffage naturel
Il y a quand même plusieurs points positifs :
- Le système peut être monté dans une pièce de n'importe quelle complexité et géométrie.
- Vous pouvez installer un câblage de faisceau dans des pièces avec de grandes surfaces.
- Pour la pose, des tuyaux de presque tous les diamètres peuvent être utilisés, à condition qu'ils soient situés à angle droit.
Méthode 2 avec circulation naturelle de l'eau
Dans un système sans utilisation de pompes de circulation, le mouvement du fluide est assuré par gravité. Le liquide le plus chaud a une densité plus faible, grâce à quoi il monte, puis, avec le temps, retourne au collecteur et aux batteries, puis aux radiateurs.
L'installation a les fonctionnalités suivantes :
- Lors de l'installation, il est nécessaire de prévoir une place pour un vase d'expansion de type ouvert, qui doit être placé à l'endroit le plus élevé. Il est nécessaire pour compenser la dilatation du liquide de refroidissement due au chauffage et ne permet pas à la pression de trop augmenter.
- Cela ne nécessite pas l'achat et l'installation de pompes de circulation, ce qui réduit le devis des travaux.
Ce type de chauffage ne nécessite pas d'énergie électrique, ce qui est pratique pour les chalets et autres maisons de campagne.
Avantages du câblage horizontal

En soi, l'idée de chauffage séparé offre de nombreux avantages opérationnels, qui se traduisent par une facilité d'entretien, une comptabilisation plus précise des données de consommation d'eau, etc. sans affecter le fonctionnement des circuits généraux. L'indépendance du câblage horizontal dans les systèmes de chauffage d'un immeuble permet, si nécessaire, de remplacer les tuyaux endommagés dans des sections individuelles. La possibilité de pose cachée de communications est également préservée, ce qui n'est pas toujours autorisé lors de l'installation de systèmes verticaux.
Système de chauffage bitube avec câblage supérieur : préparez-vous à cacher les tuyaux
Lors de la conception de petits chalets sur un étage, un schéma est conseillé dans lequel le liquide de refroidissement est fourni par le haut aux radiateurs. De la chaudière, le liquide chaud monte par la colonne montante d'alimentation, puis descend par des tuyaux jusqu'aux batteries. Et le "retour" s'effectue en bas à travers tous les radiateurs.

Câblage supérieur d'un système à deux tubes avec circulation forcée (le détendeur de type fermé est installé à n'importe quel point) ou naturel (le détendeur de type ouvert est installé par le haut).
Le plus gros inconvénient du câblage supérieur est l'aspect peu représentable de la ligne d'alimentation située sous le plafond et le coût de son « masquage ». Cachez le tuyau de plusieurs manières :
- sous plafonds suspendus ou moulures de plafond ;
- dans les niches de plafond, boîtes de cloisons sèches ;
- dans le grenier. Avec cette option, le coût de l'isolation des tuyaux augmente considérablement ;
- les sections verticales sont généralement cachées dans des corniches artificielles imitant des colonnes.
Si la circulation du liquide se produit par gravité, il faudra dans tous les cas isoler les tuyaux dans le grenier: au point le plus haut du système, il doit y avoir un vase d'expansion. Il est nécessaire pour compenser l'augmentation du volume du liquide de refroidissement chaud.
- restriction du diamètre minimum des canalisations associée à un fort taux de résistance à la circulation naturelle ;
- la plupart des radiateurs modernes ne conviennent pas en raison de la petite section;
- les pentes des tuyaux doivent être strictement maintenues, sinon le chauffage ne fonctionnera pas correctement.
Recommandations de montage
Tout d'abord, il est nécessaire de déterminer correctement les diamètres des canalisations, en particulier pour les autoroutes, ici on ne peut pas se passer de calcul hydraulique. C'est un peu plus facile avec des branches radiales à radiateurs, leur taille peut être prise selon ce principe :
- pour batteries jusqu'à 1,5 kW, tube 16 x 2 mm ;
- pour un radiateur d'une puissance supérieure à 1,5 kW, un tuyau de 20 x 2 mm.
Lors du câblage dans le sol, toutes les connexions doivent être isolées, sinon vous chaufferez les sections de la chape et les batteries seront froides.Ne dispersez pas les tuyaux au hasard, en faisant valoir qu'ils seront toujours inondés de mortier et qu'aucun gâchis ne sera visible. C'est une erreur, les branches doivent être posées avec soin, en les distribuant par paires, et à la fin ne tracez pour vous que des marques visibles aux endroits où se trouvent les tuyaux. Par la suite, cela permettra de les retrouver rapidement en cas d'accident.
L'installation à faire soi-même dans une maison à un étage est relativement simple. Choisissez l'emplacement optimal pour une armoire avec un collecteur (idéalement - dans une niche murale), mesurez les distances et achetez des tuyaux, installez des radiateurs. Les raccords d'équilibrage n'ont pas besoin d'être installés n'importe où, seulement des vannes à bille sur les batteries. À propos, si possible, des sections verticales de tuyaux sortant du sol peuvent être cachées dans les murs. Ensuite, les connexions aux appareils de chauffage ne seront plus du tout visibles.
Dans une maison de deux étages ou plus, chaque branche de la colonne montante installer des vannes d'arrêt et de régulation. Un robinet à tournant sphérique est installé sur la conduite d'alimentation et une vanne d'équilibrage est installée sur la conduite de retour. Cela équilibrera hydrauliquement l'ensemble du système et coupera les planchers du chauffage si nécessaire.
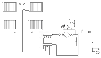
Schéma de connexion du câblage du faisceau
Lors du choix d'un schéma de chauffage, dans la plupart des cas, ils s'arrêtent à la distribution radiale au sol du pipeline. Tous les tuyaux sont cachés à la vue dans l'épaisseur du sol. Collecteur - le corps de distribution principal est installé dans une niche de la clôture murale, souvent dans une armoire spéciale située au centre de la maison / de l'appartement.
Dans la grande majorité des cas, la mise en place d'un câblage de faisceau nécessite la présence d'une pompe de circulation, et parfois plusieurs, installée sur chaque couronne ou branche.Sa nécessité est décrite ci-dessus. Le câblage du faisceau de l'ensemble du système de chauffage est le plus souvent réalisé sur la base d'une installation à un et deux tubes, remplaçant presque complètement le type de connexion en T.

C'est simplifié schéma de câblage du faisceau, dans lequel chaque radiateur est relié à un connecteur de collecteur pour un écoulement direct et inverse du liquide de refroidissement
À chaque étage, près de la colonne montante du système à deux tuyaux, les collecteurs d'alimentation et de retour sont montés. Sous le sol, les tuyaux des deux collecteurs passent dans le mur ou sous le sol et se connectent à chaque radiateur du sol.
Chacun des contours doit avoir approximativement la même longueur. Si cela n'est pas possible, chaque anneau doit être équipé de sa propre pompe de circulation et d'un contrôle automatique de la température.
Dans ce cas, le changement de régime de température sera complètement indépendant sur chaque circuit et n'affectera pas l'autre. Car la canalisation sera sous la chape, chaque radiateur doit être équipé d'une vanne d'air. La purge d'air peut également être placée sur le collecteur.
stage préliminaire
Avant de commencer les travaux, la tâche du propriétaire est de sélectionner correctement tous les composants et emplacements de l'équipement, à savoir:
- déterminer l'emplacement des radiateurs;
- choisir le type de radiateurs en fonction des indicateurs de pression et du type de liquide de refroidissement, ainsi que déterminer le nombre de sections ou la surface des panneaux (calculer les pertes de chaleur et calculer la puissance calorifique requise pour un chauffage de haute qualité de chacun chambre);
- représenter schématiquement l'emplacement des radiateurs et des canalisations, sans oublier le reste des éléments du système de chauffage (chaudière, collecteurs, pompe, etc.);
- faire une liste papier de tous les articles et faire des achats. Afin de ne pas vous tromper dans le calcul, vous pouvez inviter un spécialiste.
Ainsi, pour passer à l'étape suivante, il est nécessaire de prendre en compte les règles de montage du système de poutre
Règles d'installation du câblage du faisceau
Si vous avez choisi de poser des tuyaux sous le plancher, suivez quelques règles qui permettront d'éviter les déperditions de chaleur et le gel du liquide de refroidissement. Il devrait y avoir suffisamment d'espace entre le sol brut et le sol fini (plus à ce sujet plus loin dans la description).
Lors de l'installation de tuyaux dans le sol, il est important de prendre en compte plusieurs exigences, dont l'une est la présence d'un espace suffisant entre la finition et le sous-plancher
À comme sous-plancher peut être une dalle de fondation en béton. Une couche d'isolant est d'abord posée dessus, puis un pipeline est disposé. Si les tuyaux sont posés sans substrat calorifuge, l'eau de ces zones peut geler et perdre beaucoup de chaleur.
Quant aux tuyaux, mieux vaut opter pour des modèles en polyéthylène ou en métal-plastique, qui sont très flexibles. La canalisation en polypropylène ne se plie pas bien, elle ne convient donc pas au câblage de faisceau.
Le pipeline doit être fixé à la base afin qu'il ne flotte pas lors du coulage avec une couche de finition de chape. Vous pouvez le fixer avec du ruban de montage, des pinces en plastique ou d'autres méthodes disponibles.

Le tuyau sous la chape doit être isolé pour réduire au maximum les déperditions de chaleur, et au rez-de-chaussée il est impératif de poser une couche d'isolant thermique
Ensuite, autour du pipeline, nous posons l'isolant avec une couche de 50 mm de mousse ou de polystyrène. Nous fixons également l'isolant à la base du sol à l'aide de chevilles-clous.La dernière étape consiste à remplir la solution d'une couche de 5 à 7 cm, qui servira de base au sol de finition. Tout revêtement de sol peut déjà être posé sur cette surface.
Si des tuyaux sont posés au deuxième étage et au-dessus, l'installation d'une couche d'isolation thermique est facultative.
Rappelez-vous une règle importante, il ne devrait y avoir aucune connexion dans les sections de la canalisation sous le sol
S'il existe une pompe de circulation de puissance et de performances suffisantes, le collecteur est parfois placé un étage plus bas par rapport au niveau des radiateurs.

Si le collecteur est situé au niveau inférieur (sous-sol), vous devez prendre en compte plusieurs règles pour la bonne tuyauterie du peigne aux radiateurs, qui sont situés au niveau suivant
Disposition de la tuyauterie radiale : caractéristiques
La répartition optimale des faisceaux du système de chauffage convient aux cas où la maison a plusieurs étages ou il y a un grand nombre de pièces. Ainsi, il est possible d'augmenter considérablement l'efficacité de tous les équipements, de garantir un transfert de chaleur de haute qualité et d'éliminer les pertes de chaleur inutiles.

Un des possibilités d'agencement d'un circuit collecteur pipeline
Le principe de fonctionnement du circuit de chauffage, réalisé en fonction du circuit collecteur, est assez simple, mais en même temps, il comporte certaines caractéristiques. Ainsi, par exemple, un système de chauffage par rayonnement implique l'installation de plusieurs capteurs à chaque étage d'un bâtiment, et à partir d'eux l'organisation de la tuyauterie, l'alimentation directe et inverse du liquide de refroidissement. En règle générale, l'instruction d'un tel schéma de câblage implique l'installation de tous les éléments dans une chape en ciment.
Éléments du schéma de câblage du tuyau de chauffage
Le chauffage radiant moderne est une structure entière composée de plusieurs éléments principaux:
Chaudière. Point de départ, l'unité à partir de laquelle le liquide de refroidissement est fourni aux canalisations et aux radiateurs. La puissance de l'équipement doit nécessairement correspondre à la quantité de chaleur consommée par le chauffage ;

Collecteur pour le circuit de chauffage
Lors du choix d'une pompe de circulation pour un schéma de tuyauterie de collecteur (ceci est également requis par la notice), il est impératif de prendre en compte de nombreux paramètres, allant de la hauteur et de la longueur des canalisations (ces éléments créent une résistance hydraulique) à la matériaux des radiateurs.
La puissance de la pompe n'est pas le paramètre principal (elle ne détermine que la quantité d'énergie consommée) - il convient de prêter attention à la vitesse de pompage du liquide. Ce paramètre indique la quantité de liquide de refroidissement que la pompe de circulation peut transférer dans une certaine unité de temps ;

Installation de tuyaux en plastique dans le circuit collecteur de chauffage
Les collecteurs de tels systèmes peuvent en outre être équipés d'une variété d'éléments thermostatiques ou d'arrêt et de contrôle, grâce auxquels il est possible de fournir un certain débit de liquide de refroidissement dans chacune des branches (poutres) du système. De plus, l'installation supplémentaire de purificateurs d'air automatiques et de thermomètres vous permet de mettre en place un fonctionnement plus efficace du système sans frais supplémentaires.

Une des options de distribution de tuyaux plastiques dans un circuit collecteur
La sélection de l'un ou l'autre type de capteurs (et ils sont présentés sur le marché intérieur dans un large assortiment) se fait en fonction du nombre de radiateurs ou de circuits de chauffage connectés.De plus, tous les peignes diffèrent également par les matériaux à partir desquels ils sont fabriqués - il peut s'agir de matériaux polymères, d'acier ou de laiton ;
Armoires. Le câblage des faisceaux du système de chauffage nécessite le masquage de tous les éléments (collecteur de distribution, canalisations, vannes) dans des armoires de collecte spéciales. De telles conceptions sont assez simples, mais en même temps fonctionnelles et pratiques. Ils peuvent être à la fois externes et encastrés dans les murs.
Sélection des tuyaux d'entrée et de sortie
Avant de commencer tout travail sur l'agencement du système de chauffage, il est important de déterminer les principaux paramètres des tuyaux. Pour commencer, il convient de noter que les sorties à la chaudière, la ligne d'alimentation, ainsi que l'entrée au collecteur doivent avoir les mêmes dimensions
Sur la base de ces propriétés, les diamètres des tuyaux sont également sélectionnés et, si nécessaire, des adaptateurs spéciaux sont utilisés.

Sélection du liquide de refroidissement du réservoir et sa distribution à travers le pipeline
Les matériaux des tuyaux d'alimentation et d'évacuation du liquide de refroidissement peuvent être très différents, mais il est préférable d'utiliser des produits en plastique. Tout dépend de leur aspect pratique, de leur facilité d'installation et de leur accessibilité.
Comparaison avec le système de chauffage vertical
Trouver la meilleure solution en choisissant le système de chauffage permettra la comparaison option considérée avec un modèle de câblage vertical traditionnel. L'une des principales différences peut être appelée puissance, c'est-à-dire la quantité de transfert de chaleur, qui peut également être exprimée en efficacité. Selon cet indicateur, les systèmes de chauffage verticaux gagnent. Le modèle horizontal, en raison de la séparation plus rigide des branches, ne leur permet pas de se transférer complètement l'énergie thermique, tandis que les colonnes montantes elles-mêmes aident à retenir la chaleur dans le circuit.Il existe également une différence dans la gestion des systèmes. Le câblage vertical est davantage axé sur le contrôle externe par les fournisseurs de services, cependant, du côté de la réglementation des utilisateurs, il dispose d'une boîte à outils moins développée.
Choisir un schéma de chauffage pour une maison de campagne
Selon notre expert Vladimir Sukhorukov, le classement des systèmes en boucle fermée est le suivant :
- Cul-de-sac bitube.
- Collectionneur.
- Passage à deux tuyaux.
- Tuyau unique.
Une version monotube du réseau de chauffage est parfaite pour une petite maison d'une superficie allant jusqu'à 70 m². La boucle Tichelman est appropriée pour les longues branches qui ne traversent pas les portes, par exemple pour chauffer les étages supérieurs d'un bâtiment. Comment choisir le bon système pour des maisons de différentes formes et hauteurs, voir la vidéo:
Regardez cette vidéo sur YouTube
En ce qui concerne le choix des diamètres de tuyaux et l'installation, nous donnerons quelques recommandations :
- Si la superficie de l'habitation ne dépasse pas 200 m², il n'est pas nécessaire de faire des calculs - utilisez les conseils d'un expert sur la vidéo ou prenez la coupe transversale des canalisations selon les schémas ci-dessus.
- Lorsque vous devez "accrocher" plus de six radiateurs sur une branche de câblage sans issue, augmentez le diamètre du tuyau d'une taille standard - au lieu de DN15 (20 x 2 mm), prenez DN20 (25 x 2,5 mm) et posez jusqu'à la cinquième batterie. Dirigez ensuite les lignes avec une section plus petite indiquée initialement (DN15).
- Dans un bâtiment en construction, il est préférable de faire un câblage de faisceau et de choisir des radiateurs avec une connexion par le bas. Les routes souterraines doivent être isolées et protégées par des ondulations en plastique à l'intersection des murs.
- Si vous ne savez pas comment souder correctement le polypropylène, il vaut mieux ne pas jouer avec les tuyaux PPR.Monter le chauffage en polyéthylène réticulé ou en métal-plastique sur des raccords à compression ou à sertir.
- Ne posez pas de joints de tuyaux dans les murs ou la chape, afin de ne pas avoir de problèmes de fuites à l'avenir.
Schéma monotube des systèmes de chauffage

Système de chauffage monotube : câblage vertical et horizontal.
Dans un schéma monotube de systèmes de chauffage, le liquide de refroidissement chaud est fourni (alimentation) au radiateur et le liquide de refroidissement refroidi est évacué (retour) par un tuyau. Tous les appareils sont connectés en série par rapport au sens de déplacement du liquide de refroidissement. Par conséquent, la température du liquide de refroidissement à l'entrée de chaque radiateur suivant dans la colonne montante est considérablement réduite après l'évacuation de la chaleur du radiateur précédent. En conséquence, le transfert de chaleur des radiateurs diminue avec la distance du premier appareil.
De tels schémas sont principalement utilisés dans les anciens systèmes de chauffage central des bâtiments à plusieurs étages et dans les systèmes autonomes de type gravitationnel (circulation naturelle du caloporteur) dans les bâtiments résidentiels privés. Le principal inconvénient déterminant d'un système monotube est l'impossibilité de régler indépendamment le transfert de chaleur de chaque radiateur individuellement.
Pour éliminer cet inconvénient, il est possible d'utiliser un circuit monotube avec un by-pass (un cavalier entre l'alimentation et le retour), mais dans ce circuit, le premier radiateur sur la branche sera toujours le plus chaud, et le dernier le plus froid .

Dans les bâtiments à plusieurs étages, un système de chauffage monotube vertical est utilisé.
Dans les bâtiments à plusieurs étages, l'utilisation d'un tel schéma vous permet d'économiser sur la longueur et le coût des réseaux d'alimentation.En règle générale, le système de chauffage est réalisé sous la forme de colonnes montantes verticales traversant tous les étages du bâtiment. La dissipation thermique des radiateurs est calculée lors de la conception du système et ne peut pas être ajustée à l'aide de vannes de radiateur ou d'autres vannes de régulation. Avec les exigences modernes en matière de conditions intérieures confortables, ce schéma de connexion des appareils de chauffage de l'eau ne répond pas aux exigences des résidents d'appartements situés à différents étages, mais connectés à la même colonne montante du système de chauffage. Les consommateurs de chaleur sont obligés de « tolérer » une surchauffe ou une sous-chauffe de la température de l'air pendant les périodes transitoires d'automne et de printemps.

Chauffage monotube dans une maison privée.
Dans les maisons privées, un schéma monotube est utilisé dans les réseaux de chauffage gravitationnels, dans lesquels de l'eau chaude circule en raison de la densité différentielle des fluides de refroidissement chauffés et refroidis. Par conséquent, de tels systèmes sont appelés naturels. Le principal avantage de ce système est l'indépendance énergétique. Lorsque, par exemple, en l'absence d'une pompe de circulation connectée aux réseaux d'alimentation électrique du système et, en cas de panne de courant, le système de chauffage continue de fonctionner.
Le principal inconvénient du schéma de connexion monotube gravitationnel est la répartition inégale de la température du liquide de refroidissement sur les radiateurs. Les premiers radiateurs de la branche seront les plus chauds, et au fur et à mesure que vous vous éloignerez de la source de chaleur, la température baissera. La consommation de métal des systèmes gravitaires est toujours supérieure à celle des systèmes forcés en raison du plus grand diamètre des canalisations.
Vidéo sur l'appareil d'un système de chauffage monotube dans un immeuble:
Avantages et inconvénients du câblage à deux tubes
Pour faciliter la perception, nous avons combiné les avantages et les inconvénients de tous les systèmes ci-dessus dans une seule section. Commençons par énumérer les principaux points positifs :
- Le seul avantage de la gravité par rapport aux autres systèmes est l'indépendance de l'électricité. Condition : vous devez sélectionner une chaudière non volatile et réaliser la tuyauterie sans raccordement au réseau électrique de la maison.
- Le système d'épaule (impasse) est une alternative valable au "Leningrad" et à d'autres câblages monotubes. Les principaux avantages sont la polyvalence et la simplicité, grâce auxquelles le schéma de chauffage à deux tuyaux d'une maison de 100 à 200 m² est facilement monté à la main.
- Les principaux atouts de la boucle Tichelman sont l'équilibre hydraulique et la possibilité d'alimenter en liquide de refroidissement un grand nombre de radiateurs.
- Le câblage du collecteur est la meilleure solution pour la pose de tuyaux cachés et l'automatisation complète du fonctionnement du chauffage.
La meilleure façon de cacher les tuyaux est de les poser sous la chape
- petites sections de tuyaux de distribution ;
- flexibilité en termes de pose, c'est-à-dire que les lignes peuvent suivre différents itinéraires - dans les sols, le long et à l'intérieur des murs, sous les plafonds ;
- divers tuyaux en plastique ou en métal conviennent à l'installation: polypropylène, polyéthylène réticulé, métal-plastique, cuivre et acier inoxydable ondulé;
- tous les réseaux 2 tubes se prêtent bien à l'équilibrage et à la régulation thermique.
Pour masquer les raccords de tuyaux, vous devez découper des rainures dans le mur
Nous notons un avantage secondaire du câblage par gravité - la facilité de remplissage et d'évacuation de l'air sans l'utilisation de vannes et de robinets (bien qu'il soit plus facile de ventiler le système avec eux). L'eau est lentement fournie par le raccord au point le plus bas, l'air est progressivement expulsé des canalisations dans un vase d'expansion de type ouvert.
Passons maintenant aux principaux inconvénients :
- Le schéma avec mouvement naturel de l'eau est lourd et coûteux. Vous aurez besoin de tuyaux d'un diamètre intérieur de 25 ... 50 mm, montés avec une grande pente, idéalement en acier. La pose cachée est très difficile - la plupart des éléments seront en vue.
- Aucun inconvénient significatif n'a été trouvé dans l'installation et l'exploitation des succursales en cul-de-sac. Si les bras sont très différents en longueur et en nombre de piles, l'équilibre est rétabli par un équilibrage en profondeur.
- Les lignes de câblage en anneau de Tichelman traversent toujours les portes. Vous devez faire des boucles de dérivation, où l'air peut ensuite s'accumuler.
- Le câblage de type faisceau nécessite des coûts financiers pour l'équipement - collecteurs avec vannes et rotamètres, ainsi que des équipements d'automatisation. Une alternative consiste à assembler de vos propres mains un peigne en polypropylène ou en bronze.
Comment est la répartition du chauffage du faisceau collecteur ?
Au premier plan (ou plutôt, à un certain endroit où il n'interférera pas), un collecteur de chauffage est installé. Il peut être installé ouvert ou dans une armoire. Maintenant, il existe de nombreuses options sur le marché, du simple plafond à l'encastrement avec des serrures en nacre))).
Le collecteur de chauffage doit être pris spécifiquement pour le chauffage. Un collecteur d'eau ordinaire ne fonctionnera pas. Il devrait avoir des vannes et des vannes spéciales, ce qui contribuera davantage à équilibrer le système. Et avec leur aide, vous pouvez bloquer la branche d'un radiateur spécifique et la supprimer ou la remplacer. Tout cela éliminera les robinets supplémentaires inutiles sur les radiateurs.
L'unité de collecte est connectée à la chaudière de chauffage.Pour ce faire, il est nécessaire de poser un tuyau suffisamment épais d'au moins 25 mm (pour le polyéthylène réticulé) ou 32 mm (pour le polypropylène). Par conséquent, le choix d'un lieu pour un collectionneur est également déterminé par la possibilité d'y attirer un tel itinéraire. Un filtre à impuretés est installé sur cet itinéraire. Et le collecteur lui-même est coupé du circuit de la chaudière avec des robinets supplémentaires afin de pouvoir remplacer la chaudière sans vidanger tout le liquide de refroidissement.

Deux tuyaux viennent à chaque radiateur de chauffage du collecteur. Leur diamètre est généralement de l'ordre de 16 mm (pour le polyéthylène réticulé). Ce diamètre est suffisant même pour le radiateur le plus puissant. Ces tuyaux doivent être isolés ou minimalement ondulés.
Lors du soutirage des canalisations, leur petit diamètre de 16 mm facilite la pose dans la chape.









































