- En quoi consiste un tour: composants principaux
- lit
- Support de tour
- Poupée de tour à faire soi-même
- Tour à poupée mobile
- Fabriquer un porte-outil de bricolage pour un tour
- Quels autres types de machines peut-on fabriquer ?
- Tournage et fraisage
- Avec copieur
- mini
- D'une perceuse électrique
- Du moteur de la machine à laver
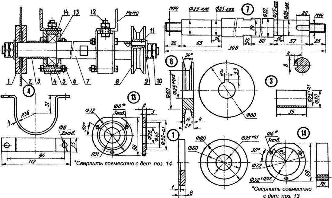
- De quoi est composé un tour ?
- Support de tour
- poupée mobile
- Caractéristiques de fabrication à faire soi-même de la poupée avant d'un tour
- Comment fabriquer soi-même un porte-outil pour un tour
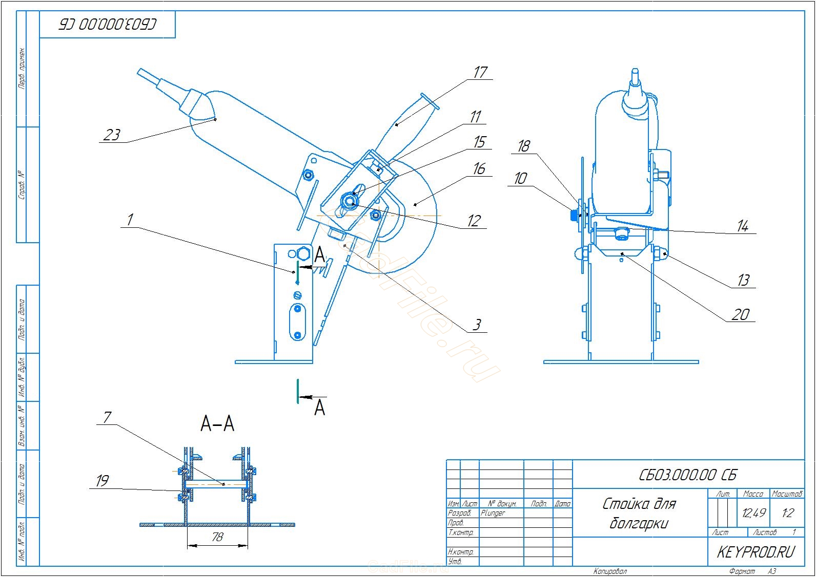
- Caractéristiques de conception de la machine de découpe
- Classification selon la méthode d'alimentation de l'élément de coupe
- Instructions pour fabriquer un tour simple à faire soi-même
- Machines-outils pour le traitement des métaux
- Dessins de conception et cotés
- Et de quoi parle-t-on en fait ?
- Moteur ou meuleuse d'angle ?
- À propos du contrôle de la vitesse
- À propos du titre
- Et de quoi parle-t-on en fait ?
- Moteur ou meuleuse d'angle ?
- À propos du contrôle de la vitesse
- À propos du titre
- Conclusion
En quoi consiste un tour: composants principaux
Pour la plupart, les tours industriels et domestiques sont similaires. La différence réside dans la fonctionnalité, la puissance et le poids. La figure ci-dessous montre le dispositif d'un tour à visser typique. Les nœuds principaux sont :
- lit;
- pied à coulisse;
- poupée (placement de la boîte de vitesses pour régler la vitesse de rotation et modifier la quantité de couple);
- poupée mobile (pour un support plus stable et fiable de la pièce ou de la pièce serrée dans le mandrin (broche), ainsi que pour l'installation de perceuses, tarauds et autres outils);
- porte-outil.
Dispositif de tour à visser
lit
L'un des éléments principaux est le cadre - une base métallique massive sur laquelle sont montés tous les principaux composants et pièces de l'équipement. Il doit être suffisamment solide et sa masse doit être telle qu'elle ne permette pas à la machine de basculer pendant le fonctionnement. Pour la version au sol, des supports massifs (socles) sont ajoutés.
banc de tour
Support de tour
L'étrier de tour est conçu pour se déplacer le long, en travers et en biais par rapport à l'axe de la broche des fraises fixées dans le porte-outil. L'appareil a une structure en croix, composée de trois éléments principaux: chariot, traîneaux transversaux et incisifs.
Support de tour à métaux pour la maison
Poupée de tour à faire soi-même
La poupée est l'un des composants les plus difficiles d'un tour, en particulier pour l'auto-fabrication. Il contient une boîte de vitesses avec une broche et une unité de commande. Sous le carter de la poupée se trouve un moteur électrique, qui est relié par une transmission par courroie à la poulie de la boîte de vitesses.
Assemblage de poupée maison avec cartouche
Cette unité contient un bloc composé d'engrenages interchangeables conçus pour transmettre et modifier la vitesse et le couple de la broche à partir de l'arbre de la boîte d'alimentation. Vous pouvez acheter une poupée de tour ou fabriquer la vôtre.
Tour de guitare
Tour à poupée mobile
La poupée mobile d'un tour à métaux est mobile et est conçue pour presser la pièce au centre de la broche. L'un des éléments de cet ensemble est un fourreau, sur lequel est installé un centre fixe ou tournant, reposant avec sa pointe contre la pièce. La pièce est installée dans le mandrin sur la broche et soutenue par la poupée mobile. Ainsi, une fixation fiable de la pièce pour son traitement de haute qualité est assurée.
Tour à poupée mobile pour le métal
Des forets, des tarauds, des alésoirs, etc. peuvent être installés dans la poupée mobile. Lors de l'installation et du déplacement sur les patins du lit, il est nécessaire d'éviter les chocs violents et violents sur le corps de l'ensemble afin d'éviter le déplacement des centres.
Détails de la poupée mobile
Fabriquer un porte-outil de bricolage pour un tour
Le porte-outil est destiné à la fixation d'un outil pour l'usinage des métaux sur le support d'un tour et se déplace aussi bien dans le sens longitudinal que dans le sens parallèle par rapport à la pièce. Il existe deux types de porte-outils : à deux et à quatre positions. Dans le premier cas, vous pouvez installer simultanément deux fraises avec des vis, et dans le second - quatre, ce qui vous permet de changer rapidement les fraises si nécessaire sans arrêter le tour. Pour un changement rapide des incisives, une poignée spéciale est fournie.
Support de tour à métaux
Quels autres types de machines peut-on fabriquer ?
Avant de créer votre propre tour, vous devriez étudier les variétés qui ont été inventées par de nombreuses personnes intéressées. Parmi les machines, à la fois artisanales et d'usine, on distingue les types suivants.
Tournage et fraisage
Une telle machine est déjà une puissante modification des versions précédentes des machines.Le plus souvent, la machine de tournage-fraisage est équipée d'une CNC, car il est extrêmement difficile de contrôler manuellement le routeur avec une grande précision. Cependant, une telle machine a le droit d'exister et est largement utilisée dans les besoins domestiques. Sa conception se compose de :
- Des lits.
- Moteur électrique pour faire tourner la poupée.
- Un moulin à main placé sur des guides, qui assurent son mouvement le long de l'axe de rotation de la pièce.
Avec copieur
Un tour à copier est nécessaire lors de la création d'un grand nombre de produits identiques, le plus souvent, vous pouvez entendre parler de plats et de balustres pour escaliers.
Il existe plusieurs options pour fabriquer un tour à copier: avec une fraise, avec une scie circulaire et avec un burin. Toutes ces méthodes impliquent l'utilisation de modèles. Un modèle est un profil d'un futur produit, qui est découpé dans du contreplaqué de faible épaisseur.
Une main courante est fixée le long du tour sur toute la longueur de la pièce. Un modèle est monté derrière le tour. Un cutter ou cutter est fixé à la main courante dont les mouvements sont régulés grâce à la butée venant du cutter, cutter ou scie au patron.
Ainsi, lors de la rotation de la barre, l'outil de coupe répète complètement la silhouette du profilé en contreplaqué avec une précision suffisante.
mini
Pour de nombreux besoins domestiques, il n'est pas nécessaire de créer un agrégat de dimensions impressionnantes capable de faire tourner une bûche d'un rayon de 300 mm. Parfois, une machine avec une conception extrêmement simple suffit, dans laquelle le lecteur d'un ancien magnétophone, alimenté par une alimentation électrique, peut agir comme un moteur. Pour le lit d'une telle machine, vous pouvez utiliser une planche 150 * 20 et longue, qui ne dépend que des besoins de l'artisan.

Pour une telle mini-machine, un entraînement par courroie sera superflu, donc le plus souvent la poupée est montée directement sur l'arbre du moteur.Et comme plaque frontale, une tête de forage ou un mandrin fait maison avec trois vis de serrage sert.
La poupée mobile est constituée d'une barre au centre de laquelle un trou pour l'arbre est percé exactement à la hauteur de l'axe du moteur, dans le rôle duquel un goujon peut jouer. Si vous fournissez à la machine une alimentation électrique avec une tension de sortie réglable, vous pouvez obtenir l'unité avec un régulateur de vitesse.
D'une perceuse électrique
Une perceuse électrique peut être trouvée dans presque toutes les maisons. L'avantage d'une machine entraînée par une perceuse électrique est qu'il n'est pas nécessaire d'acheter un moteur séparé. Les conceptions entraînées par perceuse vont des plus rudimentaires, où la perceuse est fixée à une table.

Au contraire, la poupée mobile est montée à l'aide d'une paire de coins et d'un clou ou d'une vis affûtée, à une plus parfaite, dans laquelle la perceuse sert de source de force de rotation, mais ne participe pas directement au processus de rotation de la pièce. La deuxième méthode protège le moteur contre la surchauffe et les pannes lors de surcharges.
Du moteur de la machine à laver
Il s'agit d'un schéma standard d'un tour avec un moteur, un entraînement direct ou par courroie, un banc et deux poupées.
Lors de la construction d'un tour à partir d'un moteur de machine à laver, il faut se rappeler que le moteur de l'électroménager est conçu pour circuler avec une charge déséquilibrée, mais cela ne signifie pas que la poupée mobile peut être abandonnée. Sa présence est obligatoire, surtout lorsque l'on travaille avec une pièce longue et lourde. Le dispositif d'un tel tour est facile à mettre en œuvre à la maison. Pour cela, vous avez besoin de :
Soudez ou boulonnez deux tuyaux en acier, fixez le moteur des appareils électroménagers à une extrémité.Fixez une barre entre les tuyaux avec la possibilité de la déplacer le long du cadre, un coin du repose-main y sera attaché. Du côté opposé, la poupée mobile est mise en place conformément aux instructions ci-dessus.
De quoi est composé un tour ?
Conception typique
Même un petit tour pèse beaucoup, crée des vibrations pendant le fonctionnement. Un cadre fiable (1) est nécessaire, sur lequel les unités fonctionnelles et les pièces individuelles sont fixées. S'il est prévu de créer une version au sol, utilisez des supports fiables de la longueur souhaitée. La hauteur finale de la zone de travail doit être conviviale.
La liste suivante contient d'autres composants :
- Une boîte de vitesses est placée dans la poupée (3). Il est conçu pour régler la vitesse de la broche (4), modifier la quantité de couple.
- Au verso, la pièce est supportée par la poupée mobile (6). Des tarauds, des perceuses et d'autres outils sont également installés ici, si nécessaire.
- Dans le mode de traitement standard, les fraises sont fixées dans un support spécial (5).
- Cet ensemble est monté sur l'étrier (8). Pour un mouvement horizontal en douceur, un mécanisme à vis est utilisé, situé dans le tablier (7).
- La boîte d'alimentation (2) entraîne l'arbre d'entraînement.
Support de tour
Dispositif
Notes de dessin :
- le chariot (1) et l'ensemble du bloc (17) sont entraînés par l'arbre de roulement (2) ;
- le mécanisme de mouvement est relié à une poignée spéciale (15) ;
- ces glissières (3) assurent une liberté de mouvement de la partie supérieure dans le sens transversal (12) ;
- il est fixé sur l'ensemble rotatif (4) par des guides longitudinaux (5) ;
- les fraises sont installées dans le support (6);
- des vis (7/8) servent à fixer cette pièce/outils ;
- la poignée (9) peut déplacer en toute sécurité les couteaux à distance de la zone de travail ;
- élément de fixation (10) de la partie supérieure (11);
- pour son déplacement précis dans les directions appropriées, des poignées (13, 14) à entraînement par vis sont utilisées ;
- le volant (16) déplace le pied à coulisse manuellement.
Dans une étude détaillée de cette partie du tour à métaux, il est nécessaire de prendre en compte les charges accrues auxquelles elle est soumise lors du processus d'exécution des opérations technologiques.
Faites attention au grand nombre de composants mobiles
Le maintien d'un usinage de précision nécessite plus que de simples pièces durables. Des ajustements constants aideront à éliminer le jeu pour compenser l'usure. Il est recommandé de remplacer les joints endommagés par de nouveaux produits.
poupée mobile
Les principaux composants du nœud
Ici et ci-dessous, nous considérerons simple pour les projets d'auto-jeu avec des commentaires de clarification. L'exemple de la figure est plus adapté aux équipements de menuiserie. Afin de travailler avec des pièces solides pendant une longue période, une chaussure de support doit être constituée d'une plaque d'acier.
En plus de l'équipement standard, de tels dispositifs interchangeables sont utiles
Avec leur aide, ils étendent les capacités de base de la poupée mobile. Dans les recommandations de l'auteur, il est proposé de supprimer une partie du support de cartouche standard (3). Cela augmentera la course de travail de l'outil, traitera des pièces plus grandes.
Caractéristiques de fabrication à faire soi-même de la poupée avant d'un tour
Pour la fabrication de produits faits maison, des solutions de conception simples sont utilisées.
Un entraînement par courroie (1) est utilisé ici, qui se distingue par son faible coût et son faible niveau de bruit. Une poulie double (2) est installée pour l'étagement du couple.Pour prolonger la durée de vie de la broche (3), une paire de roulements à billes doit être utilisée. Si nécessaire, des trous sont percés dans le corps pour le remplissage périodique de lubrifiant.
En règle générale, un tour à métaux est équipé de mandrins à trois mors
Ces pinces se centrent automatiquement sans autre réglage. L'autoproduction de tels nœuds entraînera des difficultés. Par conséquent, cet élément fonctionnel de la poupée d'un tour peut être acheté dans un magasin.
Pour le traitement de pièces carrées, des modèles à quatre cames sont utilisés.
Comment fabriquer soi-même un porte-outil pour un tour
Il est préférable de fabriquer la partie principale du support dans une version pliable
Cela vous permettra d'effectuer des réparations sans difficultés inutiles. Les vis sont vissées dans des trous filetés qui fixent fermement l'outil. La distance entre les plaques est déterminée en tenant compte des dimensions des fraises.
Une poignée est installée sur le dessus pour tourner rapidement le nœud. Cet appareil vous permet de changer rapidement d'outil pour un traitement séquentiel complexe de pièces.
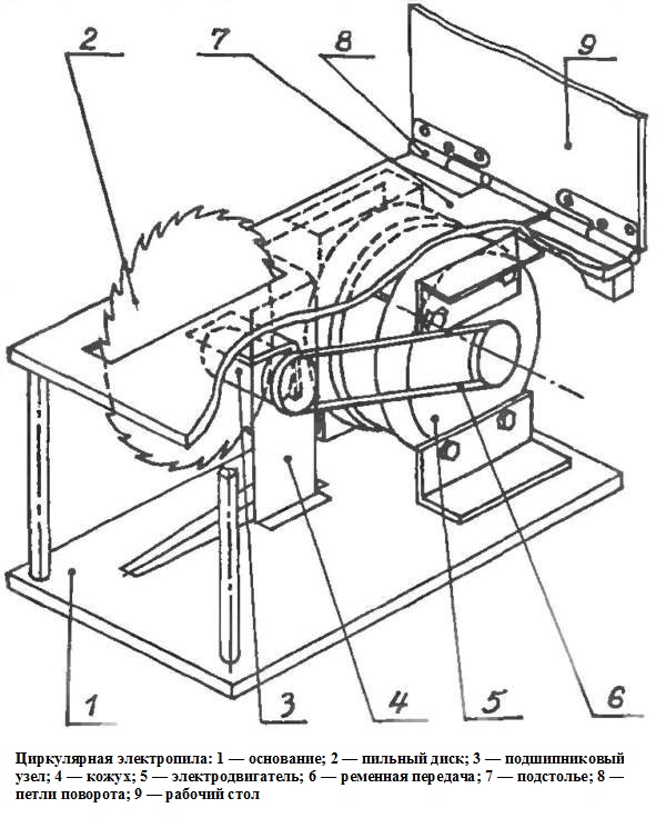
Caractéristiques de conception de la machine de découpe
Pour que la machine puisse servir pendant de nombreuses années, elle doit être fabriquée avec des matériaux fiables. Les éléments de structure métalliques sont mieux fabriqués à partir d'alliages d'acier, qui sont particulièrement durs. Le fonctionnement de l'équipement fini dans ce cas sera fluide et stable.

La plate-forme est mieux faite d'un matériau lourd et rigide - beaucoup ici détermine la position ultérieure de la machine (qu'elle soit mobile ou stationnaire).

Pour assurer une fixation fiable de la pièce à traiter, une structure plus complexe peut être montée en incluant un étau en tant qu'élément.

Le disque peut avoir une surface abrasive s'il est destiné à traiter les bords du métal des bavures formées lors de la coupe. Il est pratique de traiter les chanfreins avec un tel disque.






En ce qui concerne les appareils fixes, il est préférable d'utiliser une transmission à engrenages. Il garantit la fiabilité de la connexion et de bonnes performances. La version ceinture est plus adaptée aux appareils mobiles.

Classification selon la méthode d'alimentation de l'élément de coupe
Il existe un grand nombre de machines en vente, avant d'acheter, il est important de comprendre le fonctionnement du système d'alimentation des éléments de coupe. L'élément de coupe peut être alimenté des manières suivantes :
- alimentation frontale du disque de coupe ;
- un dispositif avec la mise en œuvre de l'alimentation inférieure de l'élément de coupe ;
- construction, dont la base est le travail de la méthode du pendule.
La base métallique de la machine de découpe peut être posée au sol ou sur une table lors de l'utilisation. Dans le premier cas, un disque de plus grand diamètre est installé, ce qui permet de couper un plus grand volume de pièces. L'équipement de bureau est plus mobile, a un poids réduit.
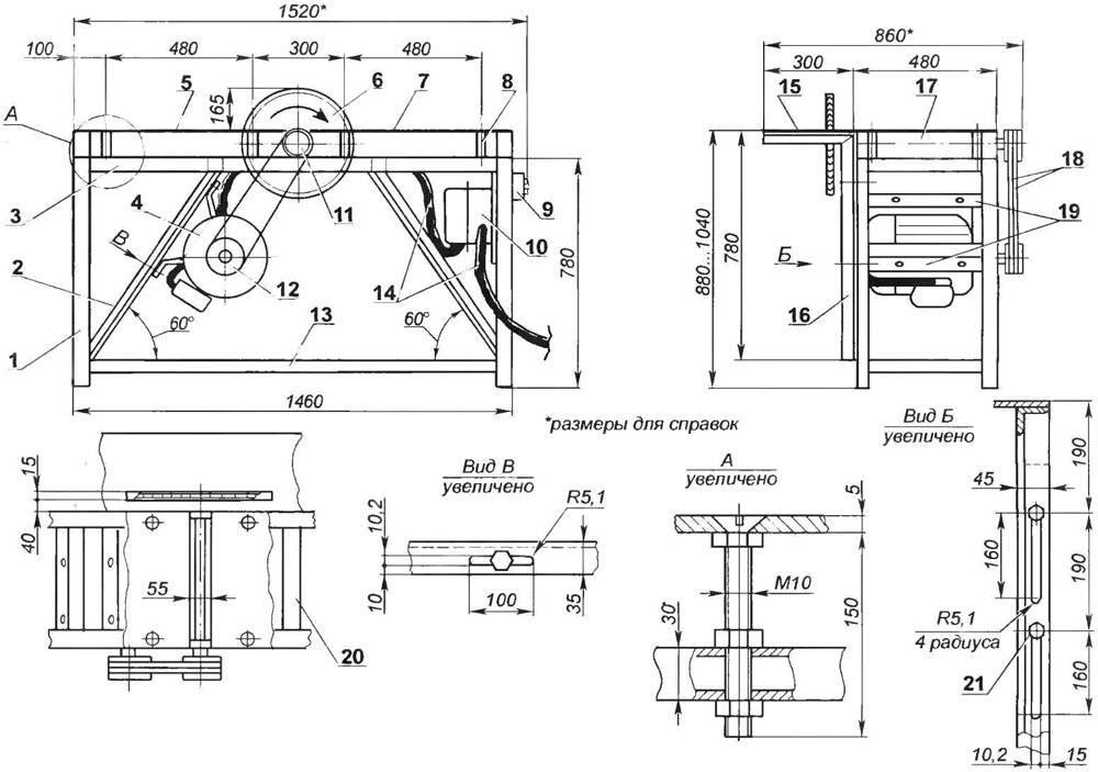
Instructions pour fabriquer un tour simple à faire soi-même
Puisque chacun décide à quoi ressemblera son tour et quelles seront ses dimensions, il est impossible de donner une description précise de la fabrication de toutes les pièces avec dimensions, tolérances et ajustements. Cependant, le processus de construction de tout tour comprend les mêmes étapes.
Fabrication de cadres. Comme mentionné ci-dessus, il est impossible de fabriquer un lit massif en fonte à la maison. Par conséquent, son rôle sera joué par un cadre constitué d'un canal ou de tubes profilés en acier, qui sont coupés sur mesure puis soudés selon le dessin
Il est important d'observer l'exactitude de tous les angles droits, donc le contrôle avec un carré doit être effectué à chaque fois que le prochain joint est fait. Fonctionne mieux sur une dalle plate et horizontale
Cela permettra d'obtenir un cadre à géométrie stricte dans le plan horizontal. Vous pouvez vous passer d'un lit massif, en le fabriquant à partir de longs arbres comme guides.
Sur un tour, les supports latéraux du lit sont fabriqués.
Assemblez les guides avec les crémaillères. Dans ce cas, des douilles d'écartement sont installées entre les éléments de support latéraux.
Des douilles pour fixer la poupée mobile et le porte-outil sont montées sur les guides. Il n'est pas nécessaire de les faire de la même longueur. Une pièce peut être plus courte que l'autre en utilisant la pièce longue comme guide et la pièce plus courte pour supporter les pièces mobiles. Cette solution augmentera la course de travail du centre arrière.
À partir d'une tôle d'acier d'une épaisseur de 8 à 10 mm, les sites de montage du fourreau et de l'étrier sont réalisés et fixés aux douilles de guidage et de retenue à l'aide de boulons d'un diamètre de 6 mm
Une attention particulière doit être portée aux trous de montage, car la moindre imprécision entraînera une déformation et un blocage des pièces mobiles de la machine.
Installez la vis mère. Vous pouvez tailler cette pièce à partir d'une pièce ou utiliser une pièce filetée à partir de n'importe quel appareil, par exemple, à partir d'une chaise haute à hauteur variable
Assurez-vous que des bagues anti-friction en bronze ou en laiton sont installées dans les trous correspondants des porte-bagages latéraux.
Un vernier et un volant sont fixés à la vis mère.
Une plate-forme de fixation de la poupée est installée, après quoi l'assemblage du lit est considéré comme terminé.
La poupée est assemblée à partir d'un support de roulement, de deux roulements à billes, d'un arbre principal avec des poulies et d'une broche.
Une poupée mobile est constituée d'une longue vis, d'un manchon avec un filetage intérieur, d'un profilé métallique et d'une poignée, après quoi l'ensemble mobile arrière est monté sur la machine.
Contrôlez et, si nécessaire, ajustez l'alignement des centres avant et arrière.
Assemblez le support. Le processus de fabrication est similaire à l'assemblage du cadre - les guides sont équipés de douilles, une vis, un vernier et un petit volant sont montés.
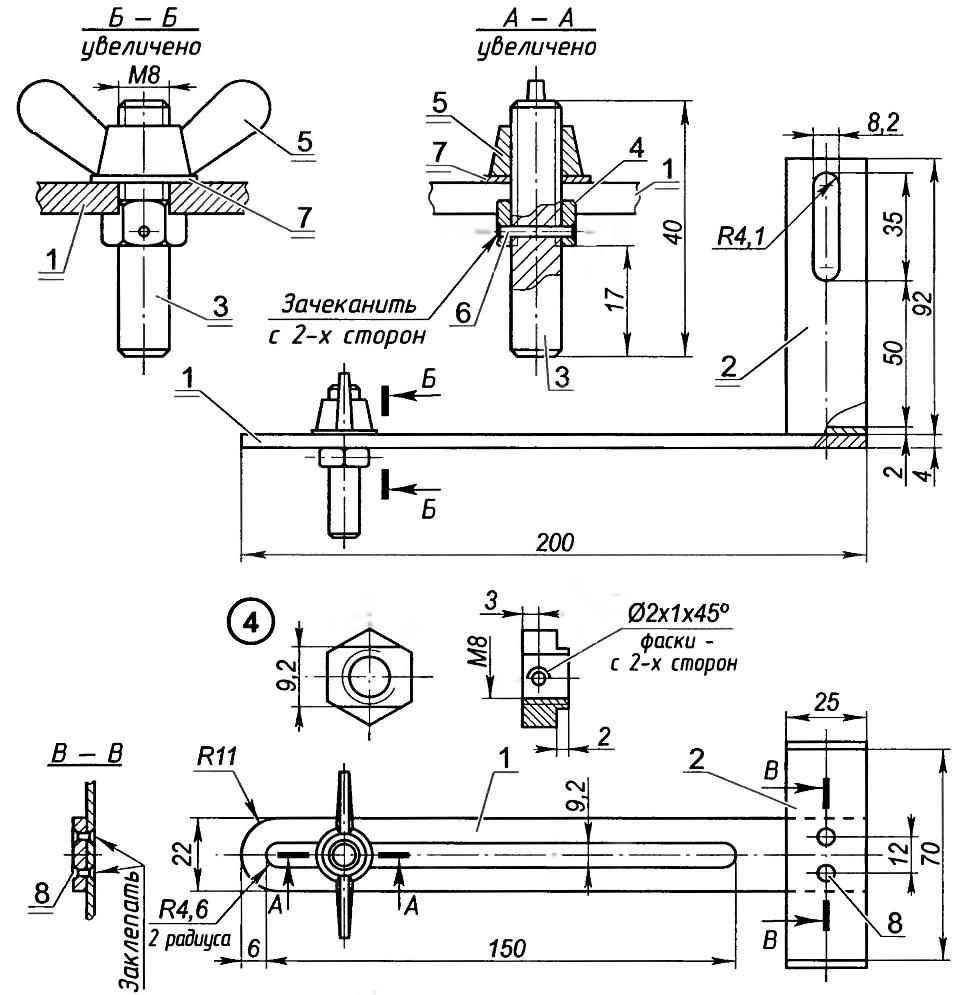
Un porte-outil est composé d'une plaque de métal épaisse et de boulons d'un diamètre de 8 mm, après quoi il est installé sur l'étrier.
À l'aide d'une machine à souder, un sous-châssis de moteur électrique est fabriqué, pour lequel des coins métalliques ou des tubes profilés sont utilisés. Le faux-châssis doit assurer la montée et la descente de l'unité motrice, sinon il sera problématique de transférer la courroie d'une poulie à une autre pour changer la vitesse de la broche.
Montez et connectez le moteur électrique, après quoi un essai de fonctionnement est effectué.
Une fois le tour testé en fonctionnement, ses composants et pièces doivent être peints. Cela ajoutera à votre progéniture de l'attrait et ne permettra pas à la corrosion de gâcher l'équipement créé par vos propres mains.
Un tour à domicile est un équipement polyvalent qui peut être utilisé à d'autres fins que celles auxquelles il est destiné. La broche peut recevoir une meule de polissage ou de meulage pour l'affûtage d'outils ou la finition de pièces métalliques.
Machines-outils pour le traitement des métaux
Pour travailler le métal (en particulier dans les mini-ateliers de production de structures métalliques), une variété de machines et d'appareils sont utilisés, et beaucoup d'entre eux peuvent être réalisés à la main.
Pour le traitement des métaux, il est déconseillé de fabriquer des machines-outils en bois de vos propres mains car elles ne peuvent tout simplement pas supporter la charge.
Par exemple, une machine à cintrer artisanale (pour faire des demi-arcs et des anneaux) est fabriquée uniquement à partir de ferraille. La conception doit être fiable.

Un cric hydraulique automobile est également utilisé, car la force des mains pour plier la pièce n'est certainement pas suffisante. Et avec une prise jack, l'appareil devient vraiment fonctionnel.
Il est possible de fabriquer une machine en bois de vos propres mains (ou plutôt, seulement un cadre pour celle-ci) pour le traitement / la coupe du métal uniquement dans un certain nombre de cas.
Par exemple, cela peut être mis en œuvre lors de l'assemblage d'une machine de découpe basée sur une petite meuleuse. Dans ce cas, la base est en aggloméré (vous pouvez prendre du contreplaqué).

Mais quoi qu'il en soit, si vous fabriquez une machine à découper les métaux, il est préférable de rendre la base plus fiable et durable. Cela ne vaut pas la peine d'économiser sur le matériel ici - les économies peuvent aller de côté.
Vous pouvez souder un cadre simple à partir d'un tube profilé avec renfort dans la partie centrale, puis souder ou boulonner une tôle de taille appropriée sur le dessus.
Une machine à cintrer pour plier des barres et des bandes métalliques a également besoin d'une base très solide.

Si au lieu d'une feuille de métal il y avait une planche de contreplaqué, la machine ne serait tout simplement pas en mesure de faire face à sa tâche.
Par conséquent, pour fabriquer vos propres machines à bois mains pour le traitement le métal n'est possible que dans les cas où la charge sur la base (cadre) sera insignifiante.Par exemple, un support de forage ou une machine de découpe.
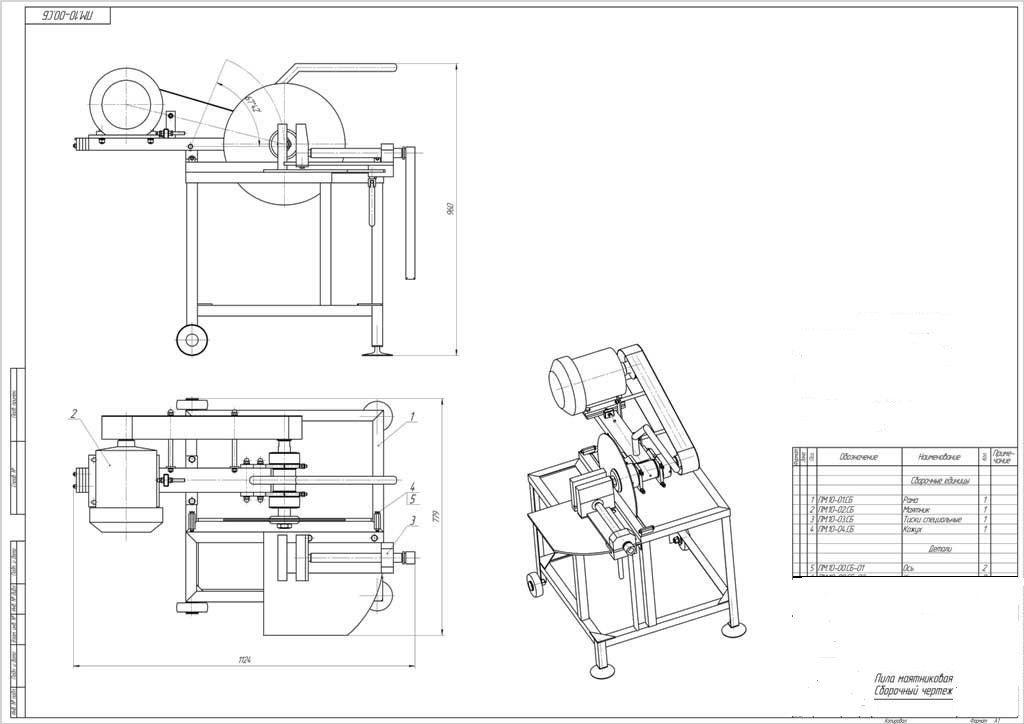
Dessins de conception et cotés
La conception commence par la détermination des types de travail et des dimensions des pièces à usiner. Sur cette base, nous décrivons les dimensions globales, la puissance du moteur d'entraînement, la longueur du châssis. Il n'est pas nécessaire de dessiner tous les détails conformément à GOST. Assez de dessin technique de tous les détails.
Calculer les points de perçage, déterminer les dimensions des pièces à assembler. Séparément, il est nécessaire de développer un schéma cinématique et un circuit électrique. Dans le schéma cinématique, nous déterminons les distances centre à centre des engrenages ou des poulies de boîte de vitesses. Le schéma électrique permettra de brancher correctement les équipements électriques.
Et de quoi parle-t-on en fait ?
Seules des dizaines de conceptions traditionnelles d'unités pour la découpe précise de tôles, de rouleaux et de matériaux longs sont connues, sans compter le laser, etc. de l'ère des hautes technologies. Nous examinerons en outre les machines avec un module de travail oscillant et un corps de coupe rotatif rond - une lame abrasive ou une lame de scie. Ces machines de découpe sont appelées pendule. Ils sont les plus polyvalents (notamment adaptés au brochage - maintien d'une coupe longitudinale de longueur limitée) et peuvent être réalisés en autonomie dans un atelier remise-garage. Quand on dit "machine à découper", dans la grande majorité des cas c'est précisément le pendule (pendulum cut grinder en anglais) qu'il s'agit.
Moteur ou meuleuse d'angle ?
Il s'agit de l'entraînement de la machine - séparé ou combiné dans un monobloc avec un corps de travail (de coupe) et une transmission de puissance vers celui-ci.Un moteur séparé présente l'avantage que la partie oscillante de l'unité - le fauteuil à bascule (pendule, bascule) peut être correctement équilibrée, ce qui simplifie grandement le travail sur la machine et augmente sa productivité; ce dernier est relativement faiblement dépendant de la résistance du matériau à la coupure
De plus, l'ensemble de la machine peut être adapté au travail intensif en rotation, ce qui peut être important pour ceux qui tirent des revenus avec des mains qui poussent là où ils le devraient et une tête qui travaille comme il se doit. La meuleuse d'angle (bulgare), comme vous le savez, peut fonctionner en continu pendant 20 à 60 minutes
(selon le modèle), puis - un temps d'arrêt forcé pour que l'outil refroidisse. Mais pour une utilisation occasionnelle, les meuleuses d'angle présentent de nombreux avantages :
- Une machine de découpe suffisamment robuste et précise à partir d'une meuleuse peut être fabriquée sans pièces tournées et avec un minimum de travaux de soudure ou sans elles, voir ci-dessous.
- L'outil de base reste adapté aux travaux manuels en dehors de la machine.
- Alimentation électrique - 220 V monophasé à partir d'une prise domestique.
- Les dispositifs de démarrage et la mise à la terre de protection ne sont pas nécessaires, car seules les meuleuses d'angle à double isolation sont disponibles dans le commerce.
- La caractéristique externe du moteur électrique à collecteur de la meuleuse d'angle est plus douce que celle du moteur électrique asynchrone à rotor à cage d'écureuil, ce qui permet d'économiser la puissance du moteur et la consommation d'électricité. Dans la plupart des cas (sauf pour couper des matériaux épais, durables et/ou visqueux), on peut supposer qu'une meuleuse électrique de 800 W équivaut à un moteur asynchrone de 1,2 kW sur l'arbre (voir ci-dessous), et une meuleuse d'angle de 1300 W est un moteur séparé pour 2, 2 kW.
- Les machines de coupe des meuleuses d'angle sont plus légères, plus compactes et transportables qu'avec un entraînement séparé.
- Les meuleuses d'angle peu coûteuses ne sont pas fournies avec des contrôleurs de vitesse, mais un contrôleur de vitesse ordinaire pour une perceuse leur convient (pas plus de 20 $ ; généralement 5 $ - 6 $). "Fréquence" pour un moteur asynchrone jusqu'à 2,5 kW coûte à partir de 50 $.
À propos du contrôle de la vitesse
Et pourquoi réguler la vitesse du disque ? Afin de ne pas dépasser la vitesse d'arête linéaire maximale et/ou la vitesse de rotation indiquée dessus. Sinon, le disque risque de ne pas se casser, mais ses performances chuteront considérablement, l'usure augmentera et la qualité de la coupe se détériorera. Les vitesses de rotation nominales des moteurs asynchrones 2800-2850 min–1 permettent l'utilisation de disques conventionnels d'un diamètre allant jusqu'à 350-400 mm ou plus, ce qui donne une profondeur de coupe d'au moins 150 mm. La broche de la meuleuse tourne beaucoup plus vite (à partir de 6000 min–1), et il est dangereux d'y poser un disque régulier de plus de 160 mm de diamètre. La profondeur de coupe peut atteindre 50 à 60 mm et un disque à grande vitesse coûte cher et s'use rapidement. L'installation d'un régulateur de vitesse résout le problème. La productivité et la qualité de coupe n'en souffrent pas, car. déterminée par la vitesse linéaire de rotation le long du tranchant.
À propos du titre
LBM sonne "techniquement", mais en fait c'est inexact, parce que. un broyeur coupe beaucoup plus qu'il ne broie. La "perceuse d'angle" est encore plus malheureuse, car. percer - percer, percer, pour lesquels les meuleuses d'angle ne conviennent généralement pas. La meuleuse d'angle est du papier calque de l'anglais. meuleuse d'angle. Mais l'anglais to grind a un sens beaucoup plus large que tous les types de traitement abrasif. Par exemple, un hachoir à viande est un hachoir à viande. « Moudre » n'a pas d'analogue russe exact ; en termes de sens, c'est quelque chose comme "déchiqueter en lambeaux le long des ruelles". En général, le "bulgare" familier est terminologiquement incorrect, mais assez court, et il est clair de quoi il s'agit.
Et de quoi parle-t-on en fait ?
Seules des dizaines de conceptions traditionnelles d'unités pour la découpe précise de tôles, de rouleaux et de matériaux longs sont connues, sans compter le laser, etc. de l'ère des hautes technologies. Nous examinerons en outre les machines avec un module de travail oscillant et un corps de coupe rotatif rond - une lame abrasive ou une lame de scie. Ces machines de découpe sont appelées pendule. Ils sont les plus polyvalents (notamment adaptés au brochage - maintien d'une coupe longitudinale de longueur limitée) et peuvent être réalisés en autonomie dans un atelier remise-garage. Quand on dit "machine à découper", dans la grande majorité des cas c'est précisément le pendule (pendulum cut grinder en anglais) qu'il s'agit.
Moteur ou meuleuse d'angle ?
Il s'agit de l'entraînement de la machine - séparé ou combiné dans un monobloc avec un corps de travail (de coupe) et une transmission de puissance vers celui-ci. Un moteur séparé présente l'avantage que la partie oscillante de l'unité - le fauteuil à bascule (pendule, bascule) peut être correctement équilibrée, ce qui simplifie grandement le travail sur la machine et augmente sa productivité; ce dernier est relativement faiblement dépendant de la résistance du matériau à la coupure
De plus, l'ensemble de la machine peut être adapté au travail intensif en rotation, ce qui peut être important pour ceux qui tirent des revenus avec des mains qui poussent là où ils le devraient et une tête qui travaille comme il se doit. La meuleuse d'angle (bulgare), comme vous le savez, peut fonctionner en continu pendant 20 à 60 minutes
(selon le modèle), puis - un temps d'arrêt forcé pour que l'outil refroidisse. Mais pour une utilisation occasionnelle, les meuleuses d'angle présentent de nombreux avantages :
- Une machine de découpe suffisamment robuste et précise à partir d'une meuleuse peut être fabriquée sans pièces tournées et avec un minimum de travaux de soudure ou sans elles, voir ci-dessous.
- L'outil de base reste adapté aux travaux manuels en dehors de la machine.
- Alimentation électrique - 220 V monophasé à partir d'une prise domestique.
- Les dispositifs de démarrage et la mise à la terre de protection ne sont pas nécessaires, car seules les meuleuses d'angle à double isolation sont disponibles dans le commerce.
- La caractéristique externe du moteur électrique à collecteur de la meuleuse d'angle est plus douce que celle du moteur électrique asynchrone à rotor à cage d'écureuil, ce qui permet d'économiser la puissance du moteur et la consommation d'électricité. Dans la plupart des cas (sauf pour couper des matériaux épais, durables et/ou visqueux), on peut supposer qu'une meuleuse électrique de 800 W équivaut à un moteur asynchrone de 1,2 kW sur l'arbre (voir ci-dessous), et une meuleuse d'angle de 1300 W est un moteur séparé pour 2, 2 kW.
- Les machines de coupe des meuleuses d'angle sont plus légères, plus compactes et transportables qu'avec un entraînement séparé.
- Les meuleuses d'angle peu coûteuses ne sont pas fournies avec des contrôleurs de vitesse, mais un contrôleur de vitesse ordinaire pour une perceuse leur convient (pas plus de 20 $ ; généralement 5 $ - 6 $). "Fréquence" pour un moteur asynchrone jusqu'à 2,5 kW coûte à partir de 50 $.
En général, si vous assemblez des structures métalliques sur place et que vous disposez d'un véhicule ou que vous négociez du métal laminé (ou du bois long) coupé à la taille du client, vous devez fabriquer une machine avec un entraînement séparé. Si tailler et couper exactement à un angle n'est pas une nécessité quotidienne pour vous, alors un lit de coupe pour une meuleuse sera le meilleur.
À propos du contrôle de la vitesse
Et pourquoi réguler la vitesse du disque ? Afin de ne pas dépasser la vitesse d'arête linéaire maximale et/ou la vitesse de rotation indiquée dessus. Sinon, le disque risque de ne pas se casser, mais ses performances chuteront considérablement, l'usure augmentera et la qualité de la coupe se détériorera.Les vitesses de rotation nominales des moteurs asynchrones 2800-2850 min–1 permettent l'utilisation de disques conventionnels d'un diamètre allant jusqu'à 350-400 mm ou plus, ce qui donne une profondeur de coupe d'au moins 150 mm. La broche de la meuleuse tourne beaucoup plus vite (à partir de 6000 min–1), et il est dangereux d'y poser un disque régulier de plus de 160 mm de diamètre. La profondeur de coupe peut atteindre 50 à 60 mm et un disque à grande vitesse coûte cher et s'use rapidement. L'installation d'un régulateur de vitesse résout le problème. La productivité et la qualité de coupe n'en souffrent pas, car. déterminée par la vitesse linéaire de rotation le long du tranchant.
À propos du titre
LBM sonne "techniquement", mais en fait c'est inexact, parce que. un broyeur coupe beaucoup plus qu'il ne broie. La "perceuse d'angle" est encore plus malheureuse, car. percer - percer, percer, pour lesquels les meuleuses d'angle ne conviennent généralement pas. La meuleuse d'angle est du papier calque de l'anglais. meuleuse d'angle. Mais l'anglais to grind a un sens beaucoup plus large que tous les types de traitement abrasif. Par exemple, un hachoir à viande est un hachoir à viande. « Moudre » n'a pas d'analogue russe exact ; en termes de sens, c'est quelque chose comme "déchiqueter en lambeaux le long des ruelles". En général, le "bulgare" familier est terminologiquement incorrect, mais assez court, et il est clair de quoi il s'agit.
Conclusion
Si le maître de maison a la formation d'un tourneur ou au moins des compétences similaires, un tour à la ferme sera utile. Cela permettra d'économiser sur l'achat de certaines pièces pour les appareils mécaniques, le polissage ou même la peinture. Des pieds en bois bouclés pour tabourets ou tables y sont également fabriqués. Comme il ressort clairement de l'article, il n'est pas si difficile de créer une telle unité de vos propres mains. Il suffit d'être attentif aux schémas et de suivre certaines règles.
Et enfin, sur la façon de choisir un tour - la vidéo est courte, mais fascinante et instructive. Bon visionnage !
Regardez cette vidéo sur YouTube
Réparation précédenteComment appliquer correctement un scellant pour fenêtres en plastique : informations générales et recommandations pratiques
Réparation suivanteComment passer les fenêtres en mode hiver : conseils professionnels aux artisans à domicile












































