- Particularités
- Différences avec le chauffage de l'eau
- Avantages et inconvénients
- Dispositif
- Quels sont les inconvénients
- Le principe de fonctionnement du chauffage à la vapeur
- Quels sont les types de chauffage à la vapeur
- Comment choisir une chaudière de chauffage
- Installation de chauffage à la vapeur : un aperçu du processus d'arrangement
- Premier schéma : version monotube ouverte
- Deuxième schéma : version fermée à deux tubes
- Chauffage à la vapeur à faire soi-même
- Étape 1. Conception du système
- Chaudière
- Schéma de chauffage
- Tuyaux
- Prix d'émission
- Étape 2. Travaux d'installation
- Plancher à paliers
- Comment est la distribution du chauffage à la vapeur du four
- Nous vous conseillons également de consulter :
- Divers schémas pour la mise en œuvre du chauffage à la vapeur
- Tuyauterie fermée et ouverte
- Système bitube ou monotube ?
- Nous nous concentrons sur la pression du système
- 5 L'installation du chauffage - est-ce vraiment simple ?
Particularités
Ce type de chauffage est un système avec un fluide caloporteur sous forme de vapeur d'eau chauffée. Il ne s'agit pas d'une invention innovante, car cette méthode était largement utilisée pour le chauffage des locaux d'habitation au XIXe siècle. Et alors seulement, ils ont décidé de remplacer la vapeur par de l'eau. Le chauffage à l'eau et à la vapeur sont différents les uns des autres, alors ne les confondez pas.


Le remplacement était nécessaire en raison du fait que l'efficacité du transfert de chaleur avec de la vapeur est extrêmement élevée.Cela a entraîné un échauffement excessif de l'équipement. Sa température pourrait monter au-dessus de 100°C. Tout contact avec un appareil de chauffage à la vapeur pourrait entraîner des brûlures à des degrés divers. C'est pourquoi cette option de chauffage d'une maison ou d'un chalet privé est assez dangereuse.
Aujourd'hui, le chauffage à la vapeur dans sa forme originale est interdit dans les bâtiments résidentiels et publics. Cependant, cette restriction ne s'applique pas à la propriété privée. Par conséquent, après avoir soigneusement étudié toutes les caractéristiques du système de vapeur, vous pourrez l'installer chez vous.
Différences avec le chauffage de l'eau
Le chauffage à la vapeur, par rapport au chauffage à l'eau, a un transfert de chaleur et une ergonomie plus élevés. Grâce au chauffage à la vapeur, la pièce chauffe 3 fois plus vite qu'avec de l'eau.
De plus, un tel système nécessite un équipement de petite taille, donc le chauffage dans son ensemble est moins cher. Le chauffage à la vapeur fonctionne non seulement à partir d'un poêle à bois, mais également à partir de chaudières qui utilisent de l'huile usée. Certes, cette option de chauffage n'est pas entièrement écologique, elle est donc utilisée pour les garages ou les buanderies.


Avantages et inconvénients
Il est possible de distinguer les principaux avantages grâce auxquels ce type de chauffage s'est répandu:
- petit prix;
- résistance du liquide de refroidissement aux basses températures;
- rendement élevé grâce à la convection et au rayonnement ;
- petite taille du système;
- la capacité de la vapeur à pénétrer n'importe où dans le système sans abaisser la température ;
- assurer un chauffage rapide de la pièce;
- perte de chaleur minimale (pratiquement nulle);
- compatibilité plancher chauffant.


Dans le même temps, le système à vapeur présente certains inconvénients:
- bruit fort pendant le fonctionnement;
- échauffement excessif de l'équipement pouvant entraîner des brûlures ou des accidents ;
- contrôle de température peu pratique;
- durée de vie relativement courte en raison de l'instabilité à la corrosion.
Cependant, ces défauts peuvent être corrigés. Pour éviter que le chauffage excessif des appareils ne nuise aux personnes et aux animaux, il est nécessaire de clôturer les radiateurs et les tuyaux avec un écran de protection spécial. Le bruit pendant le fonctionnement peut être réduit en installant des supports anti-bruit ou en montant le générateur de vapeur dans une pièce éloignée séparée.
Dispositif
Le dispositif de chauffage à la vapeur comprend plusieurs éléments. Ce sont : foyer, brûleur, cendrier et également un manomètre pour mesure de pression. Le composant principal du système est un tambour avec des unités de contrôle et de mesure et une canalisation. Parfois, des chaudières à vapeur faites maison sont utilisées pour les maisons privées. Cependant, cette option est moins efficace, puisque dans ce cas le four n'est qu'une chaudière à vapeur, il est impossible de cuisiner dessus.
Quels sont les inconvénients
Tout le monde ne convient pas au chauffage à la vapeur en raison d'imperfections.
La vapeur chaude chauffe tellement les piles que vous pouvez vous brûler si vous les touchez.
Lorsque la vapeur est mélangée à de l'eau, de la rouille se forme à l'intérieur des tuyaux, obstruant progressivement l'espace et la probabilité d'une dépressurisation soudaine augmente.
Si les joints sont brisés, un jet de vapeur se dégage, capable de provoquer de graves brûlures.
Si le propriétaire est allergique à la poussière, un tel chauffage est déconseillé en raison de l'accélération de la circulation de l'air.
L'espace aérien à l'intérieur de la pièce s'assèche beaucoup, ce qui peut provoquer des rhumes fréquents, une toux qui ne disparaît pas pendant longtemps.
Le choix des tuyaux, des matériaux de construction pour la finition est très limité, car tous les types de matières premières ne tolèrent pas un degré élevé de chaleur.
Un schéma de connexion simple élimine le contrôle de la température. L'inclusion ou la désactivation séparée de parties du circuit est autorisée.
Le problème peut être le fonctionnement bruyant de la chaudière.
Le principe de fonctionnement du chauffage à la vapeur
Le fonctionnement d'un tel système de chauffage peut être décrit comme suit : il existe une chaudière spéciale dans laquelle l'eau sous haute pression chauffé au point d'ébullition. En conséquence, de la vapeur se forme, qui pénètre par les conduites directement dans les radiateurs de chauffage. Lorsqu'il dégage complètement de la chaleur, il revient sous forme de condensat. Il convient de noter que dans un tel système, la vapeur chaude expulse l'air. La température des radiateurs peut atteindre 100o C, et ce n'est pas la limite.
Principaux avantages.
Considérez les avantages du chauffage à la vapeur:
- Aucune chaleur n'est perdue dans l'échangeur de chaleur. La vapeur accumule de la chaleur, de petits tuyaux sont donc nécessaires pour un tel système.
- Avec l'aide d'un tel chauffage, vous pouvez chauffer le bâtiment dont vous avez besoin en un temps record, car il y a une petite inertie.
- La chaudière à vapeur utilisée dans le système accumule de la vapeur.
Tout cela est bien sûr bon, mais le système de chauffage à la vapeur présente également certains inconvénients. Ainsi, sa durée de vie est assez courte. De plus, la surface dégageant de la chaleur pendant le fonctionnement est chauffée à une température élevée.
Le toucher peut provoquer de graves brûlures.
Quels sont les types de chauffage à la vapeur
Il existe plusieurs classifications de chauffage, qui dépendent d'un certain nombre de principes et d'aspects de l'application. Ainsi, selon la méthode de retour des condensats à la chaudière, les systèmes de chauffage sont :
- Fermé, dans lequel le condensat est immédiatement envoyé à la chaudière de chauffage.
- Ouvert, où il s'accumule d'abord dans un réservoir spécial.
Passez. Selon le nombre de circuits, le chauffage peut être :
- Circuit unique, conçu exclusivement pour le chauffage du bâtiment.
- Double circuit, capable, en plus, d'assurer le chauffage de l'eau pour les besoins domestiques.
Enfin, les systèmes à vapeur peuvent différer dans la manière dont ils sont câblés, qui peuvent être :
- Plus bas.
- Plus haut.
Le câblage lui-même est sélectionné en fonction des caractéristiques fonctionnelles de la structure et du type de tuyaux utilisés.
Comment choisir une chaudière de chauffage

La chaudière est la base du système, son cœur. Il ne fonctionnera correctement que s'il est sélectionné en fonction des caractéristiques de la pièce chauffée. En d'autres termes, la chaudière de chauffage doit avoir une puissance suffisante pour chauffer la pièce souhaitée. Pour vous aider, nous vous proposons les indicateurs suivants :
- Pour un bâtiment d'une superficie allant jusqu'à trois cents mètres, la puissance requise est de 30 kilowatts.
- Jusqu'à six cents mètres - 60 kilowatts.
- Jusqu'à mille deux cents mètres - 80-100 kilowatts.
De plus, le chauffage à la vapeur dans une maison privée peut être alimenté par différents types de combustibles :
- Solide.
- Liquide.
- Combinaisons.
- Gaza.
Le rôle le plus important dans le dispositif de la chaudière de chauffage est attribué au tambour, auquel sont attachés tous les capteurs, canalisations, etc. pertinents. De plus, la chaudière peut être à tubes d'eau et à tubes de gaz.
Quels tuyaux nous conviennent le mieux.
Dans ce cas, tout dépendra principalement de vos envies et de vos préférences.Classer ces tuyaux en fonction du matériau utilisé pour la fabrication.
- Pipeline en acier. Lors de son installation, vous aurez besoin d'un équipement de soudage. Il se distingue par une bonne stabilité et résistance, mais en même temps il présente un inconvénient important - au fil du temps, sa surface se corrode.
- Canalisation en cuivre. Il est également assez fiable, il s'est parfaitement montré dans de telles canalisations, où le liquide de refroidissement circule sous haute pression et haute température. Pour monter un tel système, vous devrez utiliser la méthode de soudure. Elle a aussi des inconvénients. Ainsi, il sera très coûteux d'équiper une maison d'un pipeline en cuivre, c'est pourquoi on le trouve principalement dans des manoirs luxueux et coûteux.
- Canalisation galvanisée et inoxydable.
Contrairement à la première option, ce système routier est extrêmement résistant à la rouille. La connexion se fait avec un fil. Le seul inconvénient, comme dans le cas du cuivre, peut être considéré comme le coût élevé des matériaux de travail.
Caractéristiques d'installation.
Si vous envisagez d'installer un système de chauffage, vous devez tout d'abord décider du matériau à partir duquel les tuyaux seront fabriqués. De plus, pour une installation des plus réussies, il est nécessaire de prendre en compte les aspects suivants :
- Nombre d'adaptateurs disponibles.
- La longueur totale du pipeline.
En fait, nous avons examiné ici ce qu'est le chauffage à la vapeur dans une maison privée.
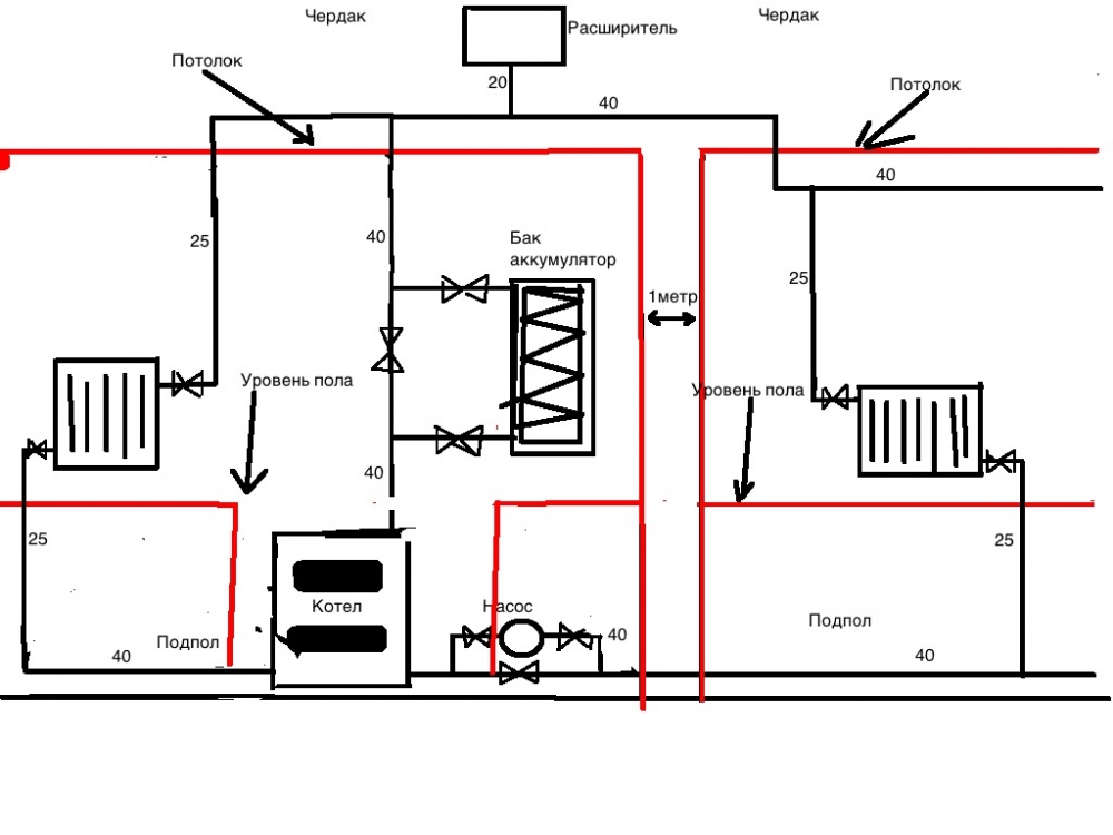
Installation de chauffage à la vapeur : un aperçu du processus d'arrangement
Dans l'examen du processus d'organisation du chauffage à la vapeur, nous passerons du simple au complexe. Par conséquent, la première option sera considérée avec un câblage fermé de type monotube, conçu pour une circulation naturelle.Et le dernier - une version ouverte avec un câblage à deux tuyaux, conçue pour la circulation forcée du liquide de refroidissement. Alors, commençons.
Premier schéma : version monotube ouverte
Dans ce cas, un four de chauffage à vapeur ne nous sera pas utile : après tout, une boucle ouverte sur la gravité ne fonctionne que si le générateur de vapeur est situé en dessous des bancs de condensateurs.
C'est-à-dire que l'installation du système commence par l'installation d'un générateur de vapeur à combustible solide ou à gaz spécial, à la sortie duquel un té est monté pour connecter un manomètre et la section primaire de la conduite de vapeur.
La section primaire est élevée au niveau du plafond et dirigée le long du périmètre des murs, à une pente de 1,5 à 2 centimètres par mètre linéaire du tuyau jusqu'à la première batterie. De plus, l'entrée de la batterie est conçue comme une sortie verticale connectée au raccord inférieur droit du radiateur.
Ensuite, vous devez connecter le raccord supérieur gauche de la première batterie et le raccord supérieur droit du deuxième radiateur. La même opération est effectuée avec les entrées inférieures. Et de la même manière, connectez toutes les batteries - de la première à la dernière. De plus, chaque batterie doit être située légèrement plus bas que la précédente, en tenant compte d'une pente de 2 centimètres pour chaque mètre linéaire de la canalisation reliant les radiateurs. Sinon, il n'y aura pas d'auto-flux.
La ligne de condensat, en fait, est la branche inférieure reliant les raccords de radiateur adjacents. De plus, une conduite de condensat séparée part de la dernière batterie, connectée au réservoir de l'évaporateur. Bien sûr, la dernière section doit être montée avec la même pente.
En conséquence, si vous ne tenez pas compte d'une légère difficulté avec le positionnement du générateur de vapeur, ou plutôt du réservoir de l'évaporateur de cet élément, alors cette méthode de câblage est le schéma d'installation le plus accessible pour le chauffage à la vapeur. De plus, l'assemblage des composants s'effectue sur des raccords filetés ou à sertir. Et le matériau principal pour la construction d'une conduite de vapeur et d'une conduite de condensat est un tuyau en cuivre.
Deuxième schéma : version fermée à deux tubes
Dans ce cas, vous pouvez utiliser la version la plus budgétaire du générateur - un poêle - pour chauffer une maison à la vapeur, l'énergie émise par la combustion du bois, de la tourbe ou du charbon est tout à fait suffisante, et l'emplacement du réservoir de l'évaporateur avec un câblage ouvert peut être n'importe quoi.
L'installation du système commence de la même manière. C'est-à-dire que la première section (verticale) de la conduite de vapeur est reliée à la vanne de sortie du réservoir de l'évaporateur, qui passe à l'horizontale, qui est posée sous le plafond même sur tout le périmètre de l'habitation.
Les batteries-condensateurs sont montées aux bons endroits, en les connectant à la section horizontale de la conduite de vapeur avec des sorties verticales.
Une conduite de condensat horizontale est montée au niveau du sol, dans laquelle la vapeur condensée collectée par les batteries est évacuée par de petites sorties verticales connectées aux tuyaux de dérivation inférieurs.
La ligne de condensat est connectée à réservoir de stockage ouvert ou genre fermé. De plus, un réservoir fermé vous permet d'augmenter la pression dans le système jusqu'à 5-7 atmosphères, ce qui, bien sûr, affecte l'efficacité du processus d'échange de chaleur entre l'évaporateur et les condenseurs.
Du réservoir de stockage à l'évaporateur, il y a une plomberie régulière avec de l'eau très chaude. Et il est d'usage de monter la pompe de circulation dans cette zone.
En conséquence, en termes de complexité, ce schéma ne dépasse pas le câblage monotube. Certes, la version bitube avec ses vases d'expansion, ses pompes de circulation et ses deux branches de câblage (conduite de vapeur et conduite de condensat) nécessite beaucoup d'efforts au stade du montage. Mais tous les efforts déployés sont compensés par l'efficacité accrue du système de chauffage. Dans le même temps, la technologie d'assemblage du câblage et le principal type de moulures de tuyaux sont similaires à un système monotube.

Chauffage à la vapeur à faire soi-même
L'agencement du chauffage à la vapeur comprend deux étapes - la conception et l'installation réelle.
Étape 1. Conception du système
Conception du système
Encore une fois, nous vous rappelons les particularités de l'utilisation de la vapeur comme caloporteur - il s'agit d'une température élevée du pipeline et des radiateurs, ainsi que d'un taux d'accident accru. Lorsque tous les avantages et les inconvénients sont pesés, le travail peut commencer. Tout d'abord, un projet du futur système est créé.
Chaudière
chaudière à bois
Tout d'abord, la puissance requise du générateur de chaleur est déterminée. Cela prend en compte la superficie de la maison - si elle ne dépasse pas 200 m², alors un appareil d'une puissance de 25 kW suffit, mais s'il fluctue entre 200 m² et 300 m², alors un minimum de 30 kW seront nécessaires. Sur la base de ces informations, une chaudière est sélectionnée. Lors de l'achat, tenez compte des facteurs suivants :
- le type de carburant à utiliser;
- la possibilité de chauffer l'eau pour les besoins domestiques.
Schéma de chauffage
Système câblé par le haut à deux fils
Système à un fil avec câblage inférieur
Schéma d'un système de chauffage ouvert
Le régime doit également être décidé à l'avance.Le choix de l'un ou de l'autre dépend :
- emplacement de la chaudière ;
- la superficie de la pièce chauffée;
- conditions d'installation des appareils de chauffage;
- le nombre requis de ces appareils.
En un mot, c'est un choix assez difficile, dans lequel la vidéo ci-dessous vous aidera.
Tuyaux
Pour le chauffage à la vapeur, l'utilisation de tuyaux de plomberie conventionnels est inacceptable en raison de la température élevée de l'ensemble du système.
Pour cette raison, le choix des tuyaux doit faire l'objet d'une grande attention, même s'il est petit.
-
Les tuyaux en cuivre se caractérisent par une excellente conductivité thermique et un coût élevé. L'installation est réalisée par soudure.
Des tuyaux de cuivre
-
L'avantage des tubes en acier est la résistance aux fluides agressifs et aux contraintes mécaniques, l'inconvénient est la sensibilité à la corrosion. Ils nécessitent une machine à souder pour être installés.
Tubes d'acier
-
Les produits galvanisés combinent les qualités positives des précédents - ils ne rouillent pas et sont relativement peu coûteux. L'amarrage des tuyaux est réalisé par une connexion filetée.
Produits galvanisés
Afin de faciliter les travaux d'installation au stade de la conception, il est nécessaire de déterminer:
- emplacement des radiateurs ;
- longueur du pipeline ;
- sites d'installation de distributeurs, embranchements, adaptateurs, etc.
Prix d'émission
Après l'élaboration du projet, les coûts futurs sont déterminés. Il est difficile de dire combien coûtera l'équipement d'un tel système, sans référence aux appareils de chauffage, à l'étendue des travaux et aux conditions spécifiques. Nous notons seulement que, selon les experts, le chauffage à la vapeur coûtera dans tous les cas moins cher que le chauffage à eau conventionnel.
Étape 2. Travaux d'installation
Étape 1. Tout d'abord, un schéma de câblage exact est dessiné sur la base du croquis.
Schéma de câblage du chauffage
Étape 2Ensuite, les radiateurs sont installés. Il est recommandé de les placer sous les fenêtres - cela chauffera non seulement le verre, mais empêchera également la formation de buée et, par conséquent, le déplacement du "point de rosée".
Raccordement d'un radiateur multi-sections
Installer un radiateur de chauffage
Installer un radiateur de chauffage
Les radiateurs sont ensuite installés.
Étape 3 Un vase d'expansion est fixé. Il doit être connecté à la canalisation allant du générateur de chaleur aux radiateurs. Autre point important : le ballon doit être installé au point le plus haut du système de chauffage.
Support de vase d'expansion
Support de vase d'expansion
Il peut être fermé et ouvert, avec ou sans trop-plein.
Étape 4. Les pipelines sont en cours d'installation. Cela se passe comme suit: le tuyau est amené au radiateur, coupé si nécessaire, après quoi les sorties et les entrées sont connectées. Ensuite, le tuyau est connecté de la même manière du premier radiateur au deuxième, puis du deuxième au troisième, et ainsi de suite.
Étape 5. Le circuit se ferme, c'est-à-dire qu'il est ramené au début - le générateur de chaleur
Il est important que la chaudière soit équipée d'un filtre et (si nécessaire) d'une pompe de circulation.
Générateur de chaleur vortex
Étape 6 Ensuite, vous devez installer la chaudière elle-même. Assez souvent, des garages à voitures jouxtent des maisons de campagne. L'appareil de chauffage peut être installé dans l'un de ces garages.
Installation d'une chaudière de chauffage
Dans ce cas, l'installation d'un générateur de chaleur n'est pas différente d'une procédure similaire dans une zone résidentielle. Dans le même temps, l'unité baie / vidange peut être équipée sur n'importe quelle section de l'autoroute. Cette unité est nécessaire pour vidanger le liquide de refroidissement à la fin de la saison de chauffage ou avant de réparer le système.
Étape 7. Tous les appareils de chauffage sont testés.S'ils sont nouveaux, il est conseillé d'inviter un spécialiste pour un essai.
Plancher à paliers
Pour zoner l'espace, les artisans montent les sols à différents niveaux. Ils conseillent d'installer un podium pour distinguer la cuisine de la salle à manger. Cette option est considérée comme l'une des plus pratiques, car, entre autres, les propriétaires disposent d'un espace libre supplémentaire où vous pouvez cacher quelque chose.
Il est pratique d'utiliser des boîtes ou des boîtes pour cela. Les paniers en osier auront fière allure. Mais un tel espace peut rester libre.

Cependant, une telle conception ne devrait pas être faite si la famille a de jeunes enfants, car le podium peut devenir un obstacle pour lui. De plus, divers revêtements de sol peuvent être utilisés.
Ils zoneront l'espace entre le salon et la cuisine et protégeront le podium des dommages. Par exemple, des carreaux sont posés dans la cuisine et un sol stratifié est posé dans la salle à manger. L'essentiel est de choisir les couleurs et les textures, de combiner correctement la finition.
Comment est la distribution du chauffage à la vapeur du four
Dans ce cas, la plupart des experts recommandent une option de câblage à circuit unique.
Un tel schéma de chauffage à la vapeur du four est équipé comme suit:
- Une branche verticale du pipeline s'élève du tuyau de pression de l'échangeur de chaleur, se transformant en une branche horizontale au plafond même.
- A la jonction des branches verticales et horizontales du tuyau de pression, un té s'enclenche, qui sert à connecter un vase d'expansion ouvert. Ce lecteur est situé derrière le plafond - dans le grenier.
- La branche horizontale de la conduite sous pression s'étend jusqu'à la première batterie, selon une pente de 2 centimètres par mètre de canalisation.De plus, au-dessus du radiateur, l'horizontale se transforme à nouveau en verticale, qui se termine au niveau du raccord supérieur de la batterie.
- Du raccord supérieur de la première batterie au "connecteur" correspondant du radiateur suivant, un tuyau de raccordement est lancé, dont le diamètre correspond aux dimensions de la branche de pression du câblage.
- Les "connecteurs" inférieurs des premier et deuxième radiateurs sont "connectés" au même tuyau. En même temps, un bouchon est vissé dans le tuyau de dérivation libre (sous l'entrée du tuyau de pression).
- La deuxième batterie est connectée à la troisième selon le même principe, en étirant une double ligne de radiateur à radiateur jusqu'à la position extrême.
- Le dernier radiateur (avant le four) "accepte" les tuyaux supérieur et inférieur de l'avant-dernier d'un bord. D'autre part, un tube est vissé dans le tuyau de dérivation inférieur de la dernière batterie, le reliant au tuyau de retour de l'échangeur de chaleur dans le four. Un robinet Mayevsky est vissé dans le tuyau supérieur libre de la batterie extrême - avec son aide, l'air est purgé du câblage.
- L'équipement sous pression est monté entre le four et la batterie extrême - dans la ligne de retour du câblage, en utilisant une dérivation standard pour les pompes.
Le câblage disposé de cette manière favorise à la fois la circulation forcée et naturelle du liquide de refroidissement. En termes simples : votre poêle chauffera votre maison avec des radiateurs même s'il n'y a pas d'électricité dans la prise. C'est-à-dire qu'en agissant de cette manière, vous obtiendrez une autonomie énergétique complète du système de chauffage domestique.
Nous vous conseillons également de consulter :
- Portes vitrées pour poêles et cheminées
- Verre résistant à la chaleur ignifuge pour cheminée
- Quelle est la pression optimale dans le système de chauffage d'un bâtiment à plusieurs étages ?
- Isolation de tuyau de cheminée en acier inoxydable
Divers schémas pour la mise en œuvre du chauffage à la vapeur
Pour faire du chauffage à la vapeur de vos propres mains, vous devez savoir quelles options peuvent être mises en œuvre.
Tuyauterie fermée et ouverte
Selon la méthode de retour du condensat à la source de chaleur, il existe deux options pour le chauffage à la vapeur : fermé et ouvert.
Dans un système fermé, le condensat des éléments chauffants est renvoyé vers la source de chaleur sous l'action d'une différence de pression. Pour le bon fonctionnement d'un tel système, il est nécessaire que le collecteur de vapeur soit placé suffisamment bas par rapport aux éléments chauffants.

Pour que le chauffage à la vapeur avec un système fermé fonctionne avec une efficacité optimale, le collecteur de vapeur doit être placé de manière à ce qu'il se trouve sous les éléments chauffants
Un système ouvert assume l'écoulement par gravité du condensat dans le réservoir de stockage. D'où il y a périodiquement un transfert vers la source de chaleur à l'aide d'une pompe. Un tel système doit être assuré par la libre circulation des condensats du dernier élément chauffant dans le réservoir de stockage.

Dans un système de chauffage à vapeur en boucle ouverte, la ligne de condensat sortant du dernier élément chauffant doit être inclinée par rapport au réservoir de stockage
Système bitube ou monotube ?
Selon la méthode d'alimentation des tuyaux vers les appareils, le chauffage à la vapeur est divisé en monotube et bitube. En raison de la difficulté de contrôler le flux de chaleur, un système de chauffage à vapeur monotube est rarement utilisé. Pour le contrôle, vous devez acheter des appareils spéciaux, ce qui augmente le coût du travail. Il est beaucoup plus facile de réguler un système de chauffage à deux tuyaux.Une vanne de régulation est installée à l'entrée de vapeur du réchauffeur. A la sortie des condensats se trouvent des purgeurs de condensats thermostatiques. De ce fait, un système à deux tubes est moins bruyant qu'un système à un seul tube.
Nous nous concentrons sur la pression du système
Division de chauffage à la vapeur en dépendant de la pression:
- basse pression, il y a fermé et ouvert;
- haute pression;
- vapeur sous vide.
Divers schémas de systèmes à vapeur diffèrent par la méthode de connexion des radiateurs, l'emplacement des conduites de vapeur et des conduites de condensat. Considérons une variante du système basse pression. La pression générée dans la chaudière contribue au mouvement de la vapeur, qui pénètre dans la colonne montante, puis dans la conduite de distribution de vapeur. Les colonnes montantes menant aux éléments chauffants en partent. Des raccords de vapeur avec vannes de régulation sont connectés aux radiateurs. La vapeur pénètre dans les éléments chauffants, se refroidit au contact des parois de l'appareil, dégageant de la chaleur. Au cours du processus, du condensat est libéré, qui est renvoyé à la chaudière par les conduites de condensat.

Les systèmes de chauffage à vapeur basse pression sont équipés de manomètres qui aident à contrôler la pression dans le système. La chaudière doit avoir un fusible
Les systèmes à haute pression au point de départ de la conduite de vapeur ont une pression de vapeur supérieure à 0,7 kgf / cm². Ils ne sont disponibles qu'en boucle fermée. Envisagez l'une des options pour mettre en œuvre un tel système. La vapeur générée est réduite et envoyée au peigne de distribution. Une soupape de sécurité est également installée ici, qui contrôle la pression dans celle définie. Pour le réparer, un by-pass est installé.
De plus, la vapeur est dirigée à travers les colonnes montantes vers les éléments chauffants.La pression dans le système doit être suffisante pour éliminer le condensat, car sa température est presque égale à la température de la vapeur. La conduite de vapeur à l'entrée et la conduite de condensat à la sortie des radiateurs sont équipées de vannes. Un manomètre est installé pour contrôler la pression. Pour compenser les allongements de température, des compensateurs sont prévus sur la canalisation.

Les éléments chauffants doivent être équipés de vannes de régulation à l'entrée de la conduite de vapeur vers le radiateur. Des purgeurs de vapeur à température contrôlée sont installés à la sortie de la conduite de condensat
Les systèmes à vapeur sous vide fonctionnent à l'aide d'une pompe. Il contribue à la création d'une basse pression dans la chaudière et au mouvement de la vapeur, puis du condensat, à travers le système.
5 L'installation du chauffage - est-ce vraiment simple ?
Lors de l'installation d'un chauffage à vapeur de vos propres mains, tenez compte de la taille de la zone chauffée, du nombre et de l'emplacement des radiateurs, des équipements d'arrêt et de contrôle, des filtres et des autres éléments nécessaires pour assurer le fonctionnement normal du système. La pompe de circulation et les ventilateurs à vapeur doivent être sélectionnés de manière à assurer une circulation efficace du liquide de refroidissement
Il est important de prendre en compte l'emplacement de l'équipement et la distance à laquelle la chaudière à vapeur sera située.

Installation de chauffage à la vapeur
Pour faire du chauffage à la vapeur vous-même, vous devez préparer les équipements et matériaux suivants:
- générateur de vapeur (chaudière);
- tuyaux pour la pose de l'autoroute;
- radiateurs;
- instrumentation;
- vannes d'arrêt et de régulation.
La documentation du projet doit indiquer la longueur des tuyaux, leur nombre et leur diamètre, ainsi que les radiateurs ou autres éléments chauffants utilisés. Tout cela doit être mis sur papier sous la forme d'un schéma avec une description détaillée de toutes les nuances.Lorsque le projet et le schéma sont prêts, nous procédons à l'installation. Le système est monté strictement selon le schéma.
- 1. Lors de la première étape, nous préparons les surfaces sur lesquelles l'équipement sera fixé. Sur les murs, nous montons les attaches sur lesquelles les radiateurs seront maintenus. Ensuite, nous fixons les appareils de chauffage sur les murs. Ils doivent être placés sous les fenêtres afin d'exclure l'apparition de courants d'air froids : les flux d'air venant de l'extérieur se réchaufferont immédiatement. De plus, cela empêchera les vitres de s'embuer et de déplacer le point de rosée.
- 2. Ensuite, installez la chaudière (générateur de vapeur) sur une base en béton. Le sol est isolé avec un matériau ignifuge. Il est préférable de le placer au sous-sol, car les vapeurs montent (ou dans le garage). Si vous envisagez d'installer un chauffage au sol, il est préférable d'acheter une chaudière à double circuit qui séparera les travaux de la maison et des sols. Dans ce cas, le générateur de vapeur est situé au-dessus de la surface du sol.
- 3. Nous installons le vase d'expansion à l'aide de fixations spéciales au point le plus élevé du système de chauffage, il doit être inclus dans la ligne entre le générateur de vapeur et les radiateurs. Selon les recommandations des experts, un réservoir ouvert doit être installé à la distance la plus proche de la chaudière de chauffage.
- 4. À l'étape suivante, nous montons le pipeline. Nous allons commencer le câblage avec le générateur de vapeur. Nous apportons le tuyau de celui-ci au premier appareil de chauffage, si nécessaire, le coupons s'il est trop long. Ensuite, nous connectons toutes les entrées et sorties. De même, nous connectons le tuyau à l'appareil suivant jusqu'à ce que nous connections toutes les pièces chauffantes en une seule ligne. Les tuyaux sont montés avec une pente de 3 mm par mètre pour une circulation naturelle.
- 5.Nous équipons chaque batterie d'une grue Mayevsky afin que les poches d'air qui se sont formées et qui interfèrent avec le fonctionnement efficace du système puissent être éliminées.
- 6. Nous installons un réservoir de stockage devant le générateur de vapeur, dans lequel le condensat s'accumulera, puis, sous une pente naturelle, l'eau s'écoulera dans la chaudière de chauffage.
- 7. Nous fermons le principal sur la chaudière de chauffage, créant ainsi un circuit fermé. Nous installons un filtre sur la chaudière, il va piéger les particules de saleté contenues dans l'eau, et, si possible, une pompe de circulation. Le tuyau menant de la pompe à la chaudière doit avoir un diamètre inférieur au reste des tuyaux.
- 8. A la sortie de la chaudière, nous installons une instrumentation: un manomètre et une soupape de décharge.
- 9. Nous incluons une unité de vidange/remplissage dans le système pour pomper le liquide de refroidissement du système à la fin de la saison de chauffage ou pendant les réparations.
- 10. Une fois l'installation terminée, nous vérifions le fonctionnement du système et la présence d'une fuite. Nous corrigeons tous les problèmes trouvés.
L'utilisation du chauffage à la vapeur est moins chère que le chauffage à l'eau, mais il est déconseillé de l'installer dans des locaux d'habitation en raison du risque d'urgence en cas d'affluence.












































