- Le principe de fonctionnement du four Bubafonya "sur les doigts"
- Caractéristiques du poêle Potbelly - avantages et inconvénients
- Comment faire un four à faire soi-même
- Variétés de poêles Bubafonya
- De quoi peut être faite la chaudière Bubafonya ?
- L'un des modèles de canon les plus simples
- Cylindres et tuyaux
- Fabrication de fours
- Descriptif étape par étape
- Gilet de sauvetage
- Allumage du réchaud "Bubafonya"
- Avantages et inconvénients
- Four à chargement par le haut - "Bubafonya"
- Four "Bubafonya", pourquoi s'appelle-t-il ainsi ?
- Comment assembler le poêle
Le principe de fonctionnement du four Bubafonya "sur les doigts"
Vous pouvez parler longuement de la théorie qui explique le fonctionnement de cette installation de chauffage et opérer dans des termes compréhensibles uniquement pour un chauffagiste. Notre tâche est d'aider les artisans à domicile à fabriquer le four Bubafonya de leurs propres mains.
Par conséquent, nous énumérons brièvement ses caractéristiques les plus importantes :
- Le processus de combustion du combustible va de haut en bas (comme une bougie en cire), et non de bas en haut, comme un poêle conventionnel. Le bois de chauffage est posé en position verticale et des copeaux, de la sciure de bois et du papier d'allumage sont versés dessus.
- Pour la post-combustion des gaz de pyrolyse, un distributeur d'air est utilisé - une «crêpe» en acier avec des lames et un trou au milieu. L'air entre dans la zone de combustion par un tuyau soudé à la "galette". Pour des raisons de similitude externe, cette conception est parfois appelée "piston".
- Le carburant est allumé par le haut (avec le répartiteur d'air retiré).Une fois la flamme allumée, une «crêpe» avec des lames est placée sur le réseau de combustible et un couvercle est placé sur le corps du four. Certains utilisateurs allument le poêle directement à travers le tuyau d'air en y versant du kérosène.
- Le processus de décomposition thermique du bois se produit sous le "piston". Sous son poids, le combustible en combustion est compacté, la température augmente et une décomposition thermique se produit avec dégagement de gaz combustibles. Au fur et à mesure que le bois de chauffage brûle, le «piston» descend, empêchant le combustible de se desserrer et de perdre la température nécessaire à la pyrolyse.
- Le gaz combustible émis par le combustible brûle sur la surface du distributeur d'air, augmentant l'efficacité de la fournaise de 20 à 30 %.

Le tirage du four est régulé au moyen d'une vanne montée sur le tuyau «piston». L'oxygène nécessaire à la combustion du gaz de pyrolyse pénètre dans la chambre supérieure par l'interstice entre le "piston" et le couvercle. La poussée d'un tel poêle étant assez puissante, il n'y a pas de sortie de gaz de combustion à travers l'espace entre le couvercle et le corps, ainsi que le piston et le couvercle. La hauteur de la cheminée, selon les propriétaires, doit être d'au moins 4 mètres.
Caractéristiques du poêle Potbelly - avantages et inconvénients
Un bon maître fabriquera calmement le four Bubafonya en une journée, c'est un plus non négligeable. Le maximum que vous devez acheter est un cylindre et des tuyaux pour la ferraille. Autres avantages du poêle à ventre:
- durée de combustion sur 1 charge 6…10 heures ;
- omnivore - des déchets de bois, des ordures, de la sciure de bois, des branches fraîchement coupées sont déposés dans le four;
- facilité de réparation, toute pièce brûlée se change facilement.
A gauche sur la photo - la fabrication d'une chemise de chaudière en tôle d'acier pliée, à droite - l'ensemble de la chaudière
Par contre "Bubafoni" est bien plus désagréable :
- Le poêle est difficile à contrôler.Lorsque vous travaillez sur du bois sec de haute qualité, l'amortisseur aide à choisir le mode optimal. Si vous chauffez avec des déchets et du bois humide, le conduit d'air doit être complètement ouvert.
- Le poêle ventru omnivore est une épée à double tranchant. En brûlant du carburant de mauvaise qualité, la cheminée est obstruée par de la suie en une journée seulement.
- Sans un bon tirage, le poêle fumera dans la pièce. D'où l'exigence d'une hauteur de cheminée - au moins 4 m, à compter de la grille, le tuyau tourne à 90 ° - pas plus de deux.
- Il est impossible de jeter des bûches «à la volée», sauf à verser une poignée de sciure de bois dans le canal d'air. Ainsi, nous apprenons à bien doser la quantité de carburant.
- Un poêle à ventre à partir d'un fût en fer de 200 litres est très encombrant et peu pratique en termes de fonctionnement. Le piston est trop gros et lourd, le métal fin brûle rapidement. Heureusement, le boîtier est facile à remplacer.
Quel est le danger de "Bubafonya": un foyer bien chauffé ne peut pas être éteint avec un registre. L'air s'infiltre par les fissures, la combustion lente du bois continue. Le radiateur ne doit pas être laissé sans surveillance ou agir radicalement - soulevez le couvercle et versez un seau d'eau. Y a-t-il un écran de fumée dans la chambre ?
Comment faire un four à faire soi-même
Faire un four à faire soi-même
Pour la fabrication du four, des conduites d'eau et de gaz de grand diamètre, des bouteilles de gaz et de vieux fûts en acier sont utilisés. L'épaisseur de la paroi du tuyau doit être d'au moins 2,5 mm. Pour les travaux d'assemblage, les matériaux et équipements suivants seront nécessaires:
- Machine à souder, électrodes, bouclier ;
- meuleuse d'angle (bulgare);
- Un marteau;
- Scie à métaux pour le métal;
- Perceuse électrique et autres.
En plus de l'outil, la présence de compétences de soudeur est un pré-requis. Un certain nombre d'opérations sont commodément effectuées à l'aide d'un coupe-gaz.
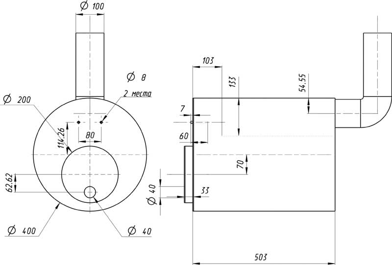
La méthode la plus simple consiste à fabriquer un poêle à partir d'un cylindre ou d'un vieux tonneau à paroi épaisse. En fait, le foyer est déjà prêt. Au niveau de la bouteille de gaz, la partie sphérique supérieure est coupée (avec une meuleuse le long du joint existant). Ensuite, une bande d'acier est soudée le long du périmètre de la coupe, qui sera une jupe. Le diamètre de la jupe doit être légèrement supérieur au diamètre du ballon. Un trou est découpé au centre du couvercle correspondant à la taille extérieure du conduit. Pour faciliter l'entretien, des poignées en métal plié sont soudées sur le couvercle. Le couvercle est prêt.
À l'étape suivante, l'assemblage du piston est réalisé. Un cercle est découpé dans une feuille d'épaisseur calculée. Un tuyau de conduit d'air est soudé au cercle au centre. Après cela, un trou est découpé au centre correspondant au diamètre intérieur du tuyau. Les éléments des canaux d'air sont montés sur le plan inférieur - coins, canaux, bandes pliées. Une déchiqueteuse avec un trou est installée sur les bandes. La dimension extérieure de l'aile doit légèrement dépasser le diamètre du conduit. Un trou est percé dans le pare-chocs au centre. Un registre de régulation est fixé à l'extrémité supérieure du conduit. Le mécanisme est prêt à l'emploi.
Faire du bubafoni à partir d'un tonneau a un algorithme similaire. Le couvercle est fait d'une manière différente. Un broyeur coupe le couvercle du baril autour de la circonférence avec une section du corps. Les parois latérales du couvercle sont dépliées avec un marteau pour l'expansion. Le bord du canon est replié vers l'intérieur. Les poignées sont soudées, un trou est coupé - le couvercle est prêt.
Il est à noter que les fûts sont rarement utilisés pour créer des poêles. Ils ont une faible épaisseur de paroi, lors du soudage, ils sont fortement conduits. Le rapport diamètre/hauteur des fûts n'est pas optimal pour une bonne combustion.La durée de vie de tels fours est courte.
Dans le cas de l'utilisation d'un tuyau comme base, son fond est soudé bout à bout avec une feuille de métal. Le couvercle est également en acier d'épaisseur accrue.
À la dernière étape, le tuyau de cheminée est monté. Un trou est découpé dans la surface latérale et un tuyau de dérivation du diamètre calculé est soudé. La longueur du tuyau est prise 400 - 500 mm.
Les principaux éléments structurels sont prêts. En plus d'eux, des éléments supplémentaires sont fabriqués - clôtures corporelles, pieds de four, cendrier. Le cendrier est en métal - un cercle est découpé légèrement plus petit que le diamètre du foyer. Un bord en bande d'acier est monté autour du périmètre. L'armature est soudée au cercle ou tuyau de petit diamètre. Le cendrier est installé sous le piston, les raccords traversent le conduit. Après avoir retiré le piston, le cendrier est soulevé par l'armature (tuyau). Certains artisans montent une porte au fond au lieu d'un cendrier.
La fondation du four pour bubafoni est coulée dans un type de bande (dans un monolithe). Une fosse est arrachée d'une profondeur de 40 à 50 cm, coulée avec du mortier de béton. Après durcissement, une plate-forme de briques réfractaires est disposée sur la fondation. Le fond du four est chaud et la simple fondation en béton va progressivement s'effondrer.
Variétés de poêles Bubafonya
Le poêle Bubafonya, fabriqué à la main, vous permettra d'oublier la pose fréquente de bois de chauffage. Et ses modifications rendront le chauffage plus efficace. Aujourd'hui, trois schémas sont utilisés pour l'assembler:
- Poêle Bubafonya traditionnel - chauffe l'air directement, dissipant la chaleur à travers son corps ;
- Une chaudière à partir d'une bouteille de gaz avec une chemise d'eau (ou d'un baril, mais la bouteille est meilleure dans ce cas, car elle a un métal plus épais) - une unité de chauffage faite maison pour chauffer des maisons à plusieurs pièces et des bâtiments à plusieurs pièces;
- Poêle à ventre Bubafonya avec convecteur - pour cela, le poêle est enveloppé dans une feuille de métal souple de sorte qu'un espace d'air reste entre lui et le corps, formant une zone de convection. En aspirant l'air par le bas, le poêle le réchauffera en le retirant par le haut.
Le four à choisir dépend de la tâche spécifique à résoudre. Si la tâche consiste à réchauffer un bâtiment à plusieurs pièces, n'hésitez pas à choisir une chaudière. Dans les autres cas, nous recommandons Bubafonya avec un convecteur.
Un autre avantage du convecteur est qu'il protège les utilisateurs des brûlures - le corps du poêle est très chaud, il est facile de se brûler dessus.
De quoi peut être faite la chaudière Bubafonya ?
La moitié de la structure entière est une chaudière, qui peut être faite de n'importe quel matériau, de forme et de caractéristiques appropriées. Il peut s'agir des éléments suivants.
- Réchaud bubafonya à faire soi-même à partir de bouteilles de gaz. Les cylindres de soudage sont la meilleure base pour une chaudière. Il suffit de l'adapter à la taille et vous pouvez déjà l'utiliser. Comme le gaz est sous pression, il est retenu par les parois épaisses du métal, ce qui empêchera de brûler dans le poêle.
- Ancien extincteur. Les extincteurs industriels de grand volume sont pratiques pour fabriquer des chaudières. Malgré le fait que leur diamètre soit plus petit, ils sont capables de supporter des charges thermiques.
- Canon en métal. Les instructions de fabrication sont similaires aux options précédentes. Pour préparer, vous devez couper le dessus et l'utiliser comme bouche d'aération.
- Tuyau. Un tuyau d'égout large avec de larges parois convient à la chaudière.Mais pour cela, vous devez couper indépendamment deux cercles en tôle d'acier et les souder comme fond et couvercle.
- Boîtier fait maison en tôle d'acier. La chaudière peut être fabriquée indépendamment à partir d'une tôle d'acier en la roulant dans un cylindre et en la soudant.
L'un des modèles de canon les plus simples
L'une des méthodes d'assemblage les plus simples consiste à utiliser un baril en étain. Il a des parois minces, ce qui contribue à une diminution de l'efficacité et à un faible transfert de chaleur. L'avantage de la méthode est une grande quantité de téléchargements et sur un onglet, elle peut fonctionner pendant plus de douze heures. Taille standardisée des fûts. En cas d'épuisement des murs, il ne sera pas difficile de le remplacer par un neuf.

Vous devez retirer la soudure qui maintient le couvercle. La meilleure façon de le faire est d'utiliser une meuleuse d'angle. pour prévenir formation de bavures. Pour rendre la couture parfaitement uniforme, vous pouvez utiliser un disque diamanté. Les bords du canon sont assommés avec un maillet ou un marteau. Sur le couvercle, au contraire, ils s'évasent. En conséquence, le couvercle doit être bien ajusté sur le baril. Un trou est percé au centre pour l'installation d'une cheminée. Le distributeur aura besoin d'un couvercle d'un baril similaire. En son absence, les pièces peuvent être fabriquées à partir de tôle d'acier. Les sorties d'air sont soudées au fond. Ils peuvent être fabriqués à partir de sections d'un profilé ou d'un canal en forme de U. Ceci est nécessaire pour améliorer les performances du poêle. Si vous avez besoin d'une faible efficacité pour une petite pièce, vous ne pouvez pas le faire. Un amortisseur est fixé à l'essieu au-dessus du tuyau d'air chaud. Pour augmenter la facilité d'utilisation, il est préférable de prévoir un mode de fixation en agneau. Un trou est fait sur le corps pour le tuyau de cheminée
Il est important que la couture soit scellée
Pour plus de commodité, un écran en tôle solide peut être installé.
Cylindres et tuyaux
fournaise bubafonya d'une bouteille de gaz bricolage - pertinent. Le principe de fabrication à partir d'un cylindre et d'un tuyau est similaire. La principale différence est que le tuyau devra être préparé. Deux cercles de diamètre sont découpés dans une tôle d'acier et le fond est soudé.

Il faut découper plusieurs disques d'acier selon le diamètre du cylindre. Dans chacun d'eux, vous devez couper un petit segment pour en faire plus qu'un demi-cercle. À l'intérieur, ils sont installés par soudage
Il est important de les souder pour qu'ils soient en miroir les uns par rapport aux autres. Il s'avère un système à plusieurs étages pour soulever l'air
Au niveau du premier étage, vous devez faire plusieurs trous dans le mur d'un diamètre de 5 millimètres. L'extrémité du canal est reliée à la sortie du tuyau de dérivation. Au milieu du mur, une porte de foyer rectangulaire est réalisée. Une grille est montée sous la porte.
Fabrication de fours

Passons à la technologie étape par étape pour créer du bubafoni. Comme base, vous pouvez utiliser soit une vieille bouteille de GPL, soit un baril en métal. Dans le premier cas, la capacité standard est de 40 litres, le poêle s'avère donc assez petit - ses heures de travail sur un signet de bois de chauffage sera d'environ huit heures.
Si vous avez besoin d'un équipement plus puissant, prenez un baril d'environ 200 litres comme base. Bien sûr, cela semble moins présentable, mais cela peut fonctionner sans problème jusqu'à deux jours sans avoir besoin de votre participation.De plus, si l'apparence de la structure est très importante pour vous, vous pouvez la recouvrir d'un matériau à forte intensité de chaleur en fin de production, par exemple de belles pierres. Ou, alternativement, disposez des briques autour du poêle. Les deux options de conception sont également bonnes car elles réduisent le risque de brûlures. De plus, le transfert de chaleur sera plus long, plus doux et meilleur.
Descriptif étape par étape
Après cette opération, le ballon est prêt pour d'autres réalisations. N'essayez pas de négliger le nettoyage, car dans ce cas la moindre étincelle peut provoquer un incendie.
Nous prenons en charge l'essentiel du travail.
- Coupez le segment supérieur du ballon. Ne le jetez pas car il se transformera plus tard en couvercle.
- Le long du périmètre de la coupe sur le corps, soudez une bande découpée dans une tôle d'acier. Un tel côté aidera à maintenir solidement le couvercle sur la partie principale, l'empêchant de bouger.
- Nous fabriquons un piston. Prenez une tôle d'acier dont l'épaisseur doit être de 3 à 4 millimètres. Découpez un cercle dans ce matériau de sorte que son diamètre soit légèrement inférieur au diamètre intérieur du corps du poêle. Faites un trou au centre de la pièce dont le diamètre doit être d'environ 10 centimètres. Fixez le tuyau du conduit à l'aide d'une machine à souder. Il doit être d'une longueur telle qu'il s'élève à 20 centimètres au-dessus du bord supérieur du poêle.
- Maintenant, au bas du cercle d'acier, soudez six lames, également en métal. Ceci est nécessaire pour la future combustion uniforme du combustible.
- Nous avons compris le «piston», passons à la partie principale du four. Coupez un trou rectangulaire dans le segment inférieur du boîtier, où la porte sera ensuite installée. Le travail se fait à l'aide d'une scie bulgare.
- Faites maintenant la porte elle-même.En fait, pour cela, vous pouvez prendre la même pièce qui vient d'être découpée, la gainer autour du périmètre avec un cordon d'amiante pour un ajustement parfait au corps, souder les charnières et la charnière de la valve.
- Souder la porte finie avec charnières au corps à l'endroit approprié. Installez la vanne du côté opposé.
- Ensuite, nous travaillons avec le couvercle. Faites-y un trou, nécessaire à l'évacuation des produits de combustion. Le diamètre doit être de 10 à 15 centimètres. Le même indicateur devrait être pour le tuyau, qui est installé dans ce trou et soudé. Un autre segment y est relié à un angle de 90 degrés. Ainsi, vous obtenez un coude de cheminée.
- Maintenant, assemblez le tout : installez le "piston" à l'intérieur de la structure et fixez le couvercle. Voici à quoi ressemble le four fini. Après cela, vous pouvez faire le petit bois comme décrit ci-dessus.
Gilet de sauvetage
La création d'une chemise d'eau n'est pas particulièrement difficile. Vous aurez besoin d'un récipient en métal dont le diamètre est supérieur au diamètre du four fini. Placez le bubaphone dans ce cylindre. Soudez les zones ouvertes et faites des trous sur les côtés pour connecter les tuyaux de chauffage d'entrée et de sortie.
Ensuite, les tuyaux correspondants y sont soudés. En principe, une telle chemise d'eau peut être placée non seulement sur le corps, mais également sur la cheminée, car le chauffage y sera tout aussi intensif. Le principe de fonctionnement de la conception est extrêmement simple. L'eau sera fournie à la «veste», où elle chauffera immédiatement du poêle et sortira dans la conduite de chauffage.
En fait, sur ce point, la fabrication du bubafoni peut être considérée comme terminée. Lors de l'installation du four, n'oubliez pas la sécurité incendie.Si vous envisagez de placer l'équipement dans un bâtiment en bois, vous devez d'abord le préparer.
Pour ce faire, prenez quelques feuilles d'amiante et recouvrez-en les murs, ainsi que les meubles qui seront situés à proximité immédiate du poêle. Quant au sol, vous pouvez le remplir d'une chape en béton ou simplement poser une tôle épaisse à l'endroit où se tiendra le bubafon. Si l'aspect esthétique est important pour vous, vous pouvez finir ces zones avec des carreaux de céramique - ils ont l'air assez décents et peuvent résister à des températures élevées.
Allumage du réchaud "Bubafonya"
Nous sortons le distributeur de piston avec un conduit d'air soudé de l'intérieur, après avoir préalablement retiré le capuchon du cylindre.
Nous mettons des bûches de bois à l'intérieur. Ils doivent être placés horizontalement bout à bout. Le placement vertical du bois de chauffage peut avoir des conséquences plutôt désagréables si une bûche non brûlée posée sur un bord empêche le piston de bouger. Cela conduira au fait qu'au lieu de couver, un feu à part entière éclatera dans la chambre primaire. En conséquence, le mode de fonctionnement correct du poêle sera violé, le bois de chauffage brûlera plus rapidement et, en plus de tout, il pourra commencer à fumer à travers le conduit. Les bûches ne doivent pas être posées au-dessus de l'emplacement de la cheminée.
Pose de bois de chauffage dans le four à pyrolyse
Versez des copeaux de sciure ou de petites branches sur le dessus du signet en bois. Trempez un morceau de vieux tissu dans un liquide d'allumage (le kérosène convient également) et placez-le sur une couche de copeaux de bois. Le papier peut servir d'alternative au chiffon.
Traitement de la couche supérieure du signet avec du kérosène
Nous appuyons sur le signet avec un piston et remettons le couvercle du four.
Installation d'un piston avec un couvercle
Nous mettons le feu au bois de chauffage en jetant un morceau de chiffon ou de papier allumé à l'intérieur à travers le conduit-conduit. Un match bubafoni ne convient pas, car il a le temps de sortir avant de tomber.
Allumage du four
Après 15-25 minutes, après que le signet s'est bien enflammé, il est nécessaire de fermer la vanne sur le conduit d'air. Cela limitera l'alimentation en air de la chambre de combustion primaire et fera couver les bûches, libérant des gaz de pyrolyse. Ainsi, le bubaphone passera à son mode de fonctionnement principal.
Avantages et inconvénients
Les réchauds à combustible solide Bubafonya sont simples et ont de bonnes caractéristiques. Ils évitent aux utilisateurs des problèmes inutiles avec le bois de chauffage, fournissant un apport de chaleur à long terme aux locaux. Voyons leurs principales caractéristiques :
Le combustible de Bubafon brûle longtemps, réchauffant bien la pièce, cependant, dès que la combustion s'arrête, le poêle se refroidit très rapidement.
- Longue combustion - de 6 à 20-24 heures (et même plus). Tout dépend de la taille de l'unité utilisée et de la qualité du combustible utilisé ;
- La conception la plus simple - facilite l'assemblage du four Bubafonya de vos propres mains, à l'aide d'outils improvisés;
- Réglage minimum - le seul régulateur est une petite vanne à tiroir dans le tuyau d'alimentation en air ;
- Ne nécessite pas d'électricité - le poêle Bubafonya peut fonctionner dans des bâtiments sans électrification ;
- Fiabilité - si nous regardons le schéma de ce poêle, nous constaterons qu'il n'y a pratiquement rien à casser dedans;
- La possibilité de travailler sur tout type de combustible solide - jusqu'à l'anthracite, caractérisé par un dégagement de chaleur maximal.
Il y a aussi quelques inconvénients :
- La perte rapide de température lors de l'atténuation du bois de chauffage - il n'y a tout simplement nulle part où la chaleur peut s'accumuler;
- Pas le plus beau design - dans la plus grande mesure, cela s'applique aux unités faites maison, qui sont souvent assemblées à partir d'anciennes bouteilles et barils de gaz;
- Difficultés d'entretien - le chargement du bois de chauffage nécessite de retirer la plaque de pression et de nettoyer soigneusement le fond du poêle des cendres et des charbons;
- Des précautions doivent être prises pour éliminer la suie et le condensat - la suie se forme le plus souvent lors de la combustion du charbon ;
- Une combustion trop intense du poêle Bubafonya peut entraîner une surchauffe de l'air ou du liquide de refroidissement (lors de l'utilisation d'une chemise d'eau) - par conséquent, le contrôle le plus minimal est toujours nécessaire ;
- La possibilité que de la fumée pénètre dans la pièce - cela se produit en raison de l'effet de refoulement lorsque la fumée sort par le tuyau d'alimentation en air.
Certains des inconvénients sont assez sérieux, mais vous devez les supporter. Par exemple, pour faciliter l'évacuation du condensat, il est recommandé de travailler sur la cheminée, et afin de donner au tirage la bonne direction, il est nécessaire d'installer un ventilateur dans le système ventilateur à vitesse variable rotation.
Le moyen le plus simple de collecter le condensat est de réaliser une cheminée avec une sortie verticale vers le bas. Les fumées iront en partie haute, et les condensats seront récupérés en partie basse, équipée d'un robinet de vidange.
C'est intéressant : le bois imprégné
Four à chargement par le haut - "Bubafonya"

Avant d'utiliser un four à chargement par le haut, vous devriez connaître leurs avantages. Dans cet article, nous décrirons en détail en quoi ils diffèrent des homologues conventionnels, et pourquoi est-il préférable d'utiliser exactement eux.Les spécialistes identifient les avantages de conception suivants : · Ces fours ont une chambre de combustion compacte, pratique à utiliser. · Il est possible d'utiliser la gravité dans le fonctionnement du four ; · Le carburant est consommé en quantités minimales, c'est-à-dire. Un poêle à chargement par le haut permet d'économiser du bois de chauffage. · La structure ci-dessus a une basse température de décharge. Ceux. vous n'avez pas besoin d'isoler la cheminée à l'aide de technologies supplémentaires. · L'émission sans fumée ne polluera pas l'atmosphère. Une caractéristique distinctive des fours à chargement par le haut est que le combustible est progressivement brûlé. Et cela signifie que la chaleur dans la pièce sera répartie uniformément, c'est-à-dire le corps aura le temps de s'habituer à l'augmentation de la température. Quant à la bourgeoisie et autres, le carburant s'embrase immédiatement. Les plus populaires sont "Bubafonya" et "Rocket"
Four "Bubafonya", pourquoi s'appelle-t-il ainsi ?
Le poêle tire son nom de son créateur. La particularité de ce type de PDH (four à combustion longue) est qu'il y a une pression de piston constante. Le talon de ce piston maintient longtemps la température optimale dans la pièce. Ainsi, certaines parties de la pièce ne surchaufferont pas, et certaines ne seront pas trop froides.
Comment assembler le poêle
Pour assembler le four, vous devez suivre les instructions ci-dessous : Au départ, nous avons besoin d'un tonneau. Nous en avons coupé la partie supérieure (elle pourra être utilisée à l'avenir comme couvercle de four). Si vous avez utilisé une bouteille de gaz au lieu d'un baril, vous devez couper la partie supérieure le long de la bordure de soudure. N'oubliez pas que le ballon est une structure inflammable. Par conséquent, vous devez vous assurer qu'il ne reste plus de gaz.Pour ce faire, versez-y de l'eau et après cela, vous pourrez déjà l'utiliser sans crainte. · Légèrement plus bas de la partie coupée, il faut placer un trou pour la cheminée. Ensuite, nous soudons le canal du tuyau, dont le diamètre doit être d'environ 120 millimètres. Commençons par la construction du conduit d'air. Le diamètre intérieur du conduit doit être de 75 mm. Longueur - environ 30 millimètres. On passe une feuille (6 millimètres) sur le talon. Nous découpons le dessin sous la forme d'un cercle dont le diamètre doit être inférieur de 4 centimètres à celui de la chambre de combustion. Ensuite, au centre du talon, nous découpons un trou spécial d'environ 3 millimètres. · Ensuite, il est nécessaire de souder sur la surface de travail des coins du talon 30x30 ou 40x40 sous forme de rayons à partir du centre.



































