- Principe d'opération
- Avantages et inconvénients du poêle canadien
- L'appareil du four Buleryan
- Dimensions
- Nous déterminons la taille du poêle buleryana
- Four Buleryan à faire soi-même. Instruction étape par étape
- Comment bien noyer buleryan
- Schéma de Buleryan du four de convection des flux d'air
- Côtés positifs et négatifs de l'appareil
- Inconvénients de la conception
- Caractéristiques de conception et principe de fonctionnement
- Raffinement et modernisation
- Répartition de la chaleur dans les pièces de la maison
- Amélioration de l'apparence
- Modification d'un réchaud à ventre plat pour combustible liquide
- Pose de circuit d'eau
- Le dispositif et le principe de fonctionnement du four
Principe d'opération

La conception est considérée comme sûre, puisque l'accès est limité à la surface chauffée. Le circuit avec un caloporteur liquide peut être combiné avec des fours Buleryan.
L'air froid s'insinue au fond de la pièce et, grâce aux tubes du four situés en dessous, le capte et le traverse. Les tubes sont en contact avec le foyer, à la suite de quoi l'air se réchauffe et sort déjà chaud. La convection forcée se produit.
À partir du bois de chauffage qui pénètre dans le poêle, les produits de combustion ne s'évaporent pas instantanément dans la rue, mais subissent une combustion secondaire dans la chambre voisine, où une température très élevée est observée. Après avoir traversé tout le processus de post-combustion de la composition air-gaz, le transfert de chaleur augmente jusqu'à 80%.
La température de l'air dans les tuyaux atteint 120 degrés Celsius après 15 minutes. Par conséquent, nous pouvons dire que le carburant sera consommé lentement et économiquement. Pour une journée complète, vous aurez besoin de deux ou trois signets de bois de chauffage.
La chaleur, grâce aux régulateurs sur la cheminée et la porte, peut être stockée. Lorsqu'il ne reste que de la chaleur du bois de chauffage, ils peuvent être couverts et toute la chaleur persistera dans la pièce. Tous les déchets de bois, les briquettes de tourbe, les produits en carton, le bois conviennent au chauffage. La seule chose qui ne peut pas être utilisée est le charbon.
Avantages et inconvénients du poêle canadien
En fait, étant le même "poêle à ventre", Buleryan a un charme particulier, n'est-ce pas?
Les spécificités d'utilisation du four Buleryan impliquaient initialement le respect de plusieurs exigences obligatoires, qui ont ensuite fait connaître l'unité dans le monde entier. La conception de l'appareil de chauffage doit fournir :
- Mobilité. Étant donné que l'abattage d'arbres implique des déplacements constants dans la forêt, le poêle des bûcherons est constamment transporté d'un endroit à un autre et est transporté manuellement du transport aux locaux.
- Compacité. L'unité doit avoir une configuration et des dimensions permettant d'installer l'appareil dans de petits bâtiments temporaires.
- Sécurité. Étant donné que le fonctionnement du buleryan prévoit l'installation d'un appareil de chauffage directement dans la zone résidentielle, sa conception devrait exclure la possibilité de fuite de monoxyde de carbone. Cela a été rendu possible grâce à la chambre de travail scellée et à la décision en faveur d'un système à porte unique. Il est également important que la configuration du corps empêche tout contact accidentel avec le métal chaud du corps du four.
- Performance.L'utilisation de la convection forcée permet de réchauffer la pièce en un temps record. Cette condition est remplie grâce à un système de canaux qui accélèrent l'échange d'air.
- Possibilité de travaux longs. La configuration de la zone de travail et la conception du ventilateur permettent au buleryan de fonctionner pendant plusieurs heures à partir d'une seule charge de combustible, et le bois de chauffage, les écorces, les copeaux de bois, les copeaux, etc. peuvent être utilisés comme combustible.le boîtier surchauffe et se déforme. En conséquence, la géométrie de l'appareil est déformée, la porte du four ne se ferme pas, des fissures aux endroits des joints soudés.
- Simplicité et fiabilité. Lors de l'élaboration de la conception d'une unité à combustible solide, les ingénieurs ont tenu compte du fait qu'elle serait exploitée dans des endroits éloignés de la civilisation. Pour la fabrication ou la réparation d'un poêle à ventre canadien, un équipement spécial ou des matériaux coûteux ne sont pas nécessaires, et pour un débutant à faire fonctionner le poêle, une petite instruction suffit.
Comme vous pouvez le voir, les avantages de buleryan ont été intégrés dans la conception au stade de la conception. Peut-être que les développeurs ne soupçonnaient même pas que leur idée deviendrait si populaire et serait utilisée à la fois dans la vie quotidienne et en production. Bien entendu, comme toute autre conception, un four à convection de ce type n'est pas sans inconvénients. Tout d'abord, l'appareil n'atteint les performances déclarées qu'en utilisant du bois de chauffage absolument sec. Lorsque la teneur en humidité du combustible est supérieure à 10 %, la vapeur d'eau libérée empêche la circulation de l'air et réduit l'intensité de la combustion, ce qui entraîne une diminution du rendement.De plus, comme tout poêle à ventre plat, Buleryan ne garde pas du tout la chaleur - il suffit que le combustible brûle, car la température dans la pièce commence à baisser.
La gamme de modèles de fours de type Buleryan contient de nombreux types qui diffèrent par leur puissance et leur configuration
Les inconvénients de la conception comprennent le fait que le fonctionnement du four implique un mode de fonctionnement générateur de gaz, dans lequel le bois de chauffage couve plus qu'il ne brûle. Ce processus s'accompagne d'une augmentation de la formation de fumée, ce qui entraîne l'émission de substances nocives et de dépôts de goudron dans le canal de fumée. Souvent, la partie extérieure de la cheminée et les sections voisines du toit sont recouvertes d'une substance huileuse, ce qui n'ajoute aucun attrait à l'image.
Il est également important que lors de l'installation du poêle, des exigences supplémentaires soient posées pour l'isolation thermique et la hauteur de la cheminée, sinon son efficacité sera réduite.
Comme vous pouvez le voir, l'unité n'est pas sans défauts, qui sont honnêtement soulignés par les développeurs eux-mêmes et les propriétaires. Néanmoins, les nombreux avantages du buleryan ont fait de cet appareil de chauffage l'un des appareils les plus populaires sur le marché des équipements compacts à combustible solide.
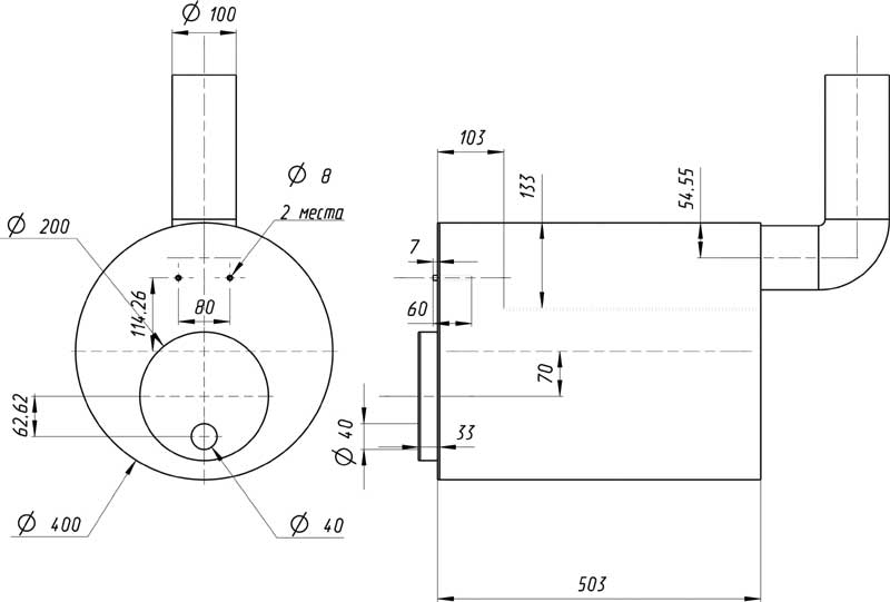
L'appareil du four Buleryan

Le four est en métal. L'appareil de Buleryan comprend un convecteur composé de tuyaux de grand diamètre, une trappe pour le chargement du carburant, des tuyaux d'injection et des amortisseurs.
Le convecteur est un tuyau métallique courbé en forme d'arcs. Ils sont installés verticalement et sont interconnectés à l'intersection. Ainsi, un four est formé entre les surfaces intérieures des tuyaux. La masse d'air provient du bas du convecteur. Lorsqu'il est chauffé, l'air monte.
Comment le poêle est installé
Il y a une cloison à l'intérieur du foyer.Il est nécessaire de former une chambre secondaire dans laquelle l'air pénètre par les tubes d'injection.
Dans celui-ci, la post-combustion des produits formés à la suite de la pyrolyse a lieu. Une telle conception d'une chambre de combustion augmente l'efficacité du four.La trappe pour le chargement du bois de chauffage est équipée d'un verre résistant à la chaleur. Cela permet de surveiller le processus de combustion. Au bas de la porte se trouve un ventilateur.
La chaudière elle-même peut être placée dans le boîtier. Source photo : ecoteplo.pro
Il est équipé d'un registre pour réguler le débit d'air fourni à la fournaise. Un ajustement serré de la trappe au corps Buleryan fournit un mécanisme de verrouillage.L'arrière du four est équipé d'une cheminée. Il est nécessaire pour l'élimination des produits de combustion dans l'atmosphère. La cheminée est équipée d'un registre régulateur de tirage.
Dimensions
La chaudière de fabrication russe est fabriquée sous licence d'une société allemande. Le principe de fonctionnement des fours Buleryan et Breneran n'est pas différent. Sur certains modèles de production nationale, la trappe de chargement du combustible est réalisée sans fenêtre de visualisation.La chaudière à combustible solide Buleryan peut être équipée d'un écran de protection. Il élimine le risque de brûlure en touchant le four.
Nous déterminons la taille du poêle buleryana
Les dimensions du four sont d'une grande importance. Dans le buleryan le plus court et le plus petit (avec une longueur de 455 mm, une largeur de 620 mm, une hauteur de 555 mm), respectivement, la chambre de combustion est petite, il n'y a donc pas beaucoup de place pour le bois de chauffage.
Le combustible brûle dans une telle chaudière miniature de deux à six heures. Cela dépend du type de bois, de la qualité du bois de chauffage, de l'épaisseur de la coupe.En conséquence, la surface de la pièce chauffée sera petite - cela doit être pris en compte lors de la sélection de la taille du futur buleryana.
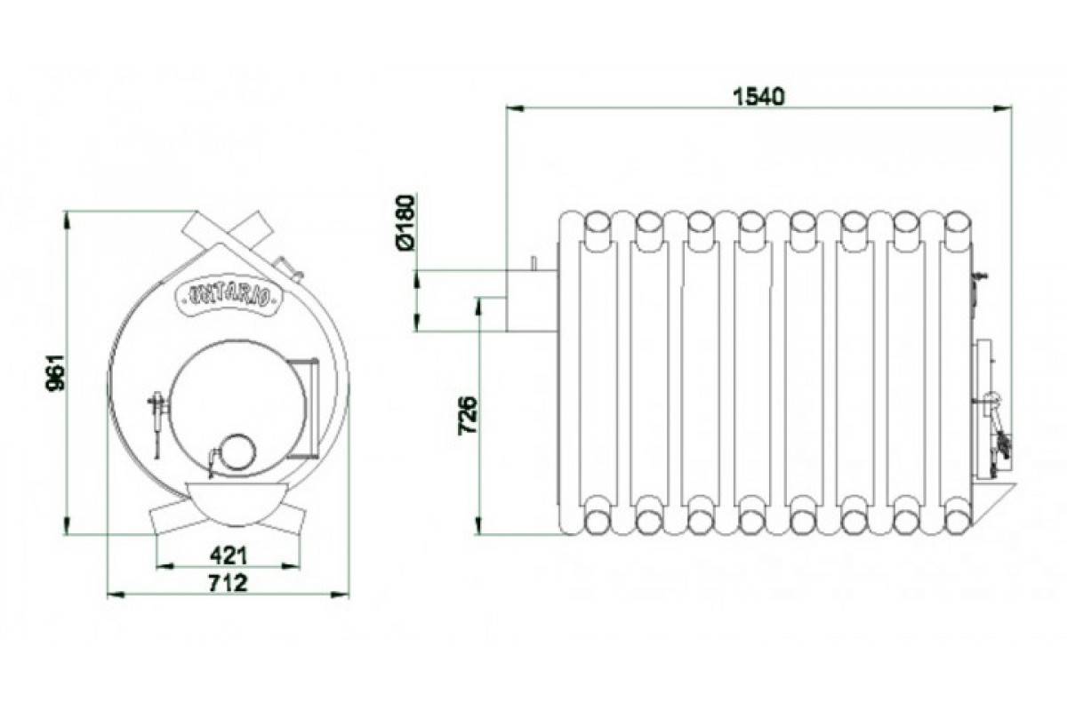
Bien sûr, pour les pièces d'une superficie de plus de vingt mètres carrés, des poêles à combustion longue de plus grandes dimensions sont conçus. Les dimensions moyennes de buleryana sont : longueur - 835 mm, largeur - 436 mm, hauteur - 640 mm. Un grand four a les paramètres suivants : 950 mm sur 676 mm avec une hauteur de 1505 mm.

Le cadre d'un four artisanal Buleryan
Four Buleryan à faire soi-même. Instruction étape par étape
Faire cuire Buleryan avec le vôtre mains, vous devez acheter des tuyaux en métal dont le diamètre sera de 50 à 60 millimètres. Vous devez également acheter du métal en feuilles. N'oubliez pas que la température de combustion dans le four est assez élevée, ce qui signifie que l'épaisseur des tôles doit être appropriée (environ 5-6 millimètres). Pour effectuer ce travail, vous aurez besoin d'une cintreuse, d'une machine à souder et de l'ensemble d'outils le plus standard.
Ensuite, suivez ces étapes :
- Pliez les sections de tuyau.
- Fabriquer des appareils destinés à collecter les condensats et à évacuer les fumées.
- Faire des amortisseurs pour la sortie et le ventilateur.
- Faire des portes pour la chambre du four.
- Coupez les feuilles de métal dans l'espace situé entre les tuyaux.
- Installez la porte et la serrure.
- Fabriquez et coupez les pieds, qui sont également en métal.
Il est nécessaire de fabriquer des segments identiques à partir du tuyau, dont la longueur sera de 1,2 mètre chacun. À l'aide d'une cintreuse, ils doivent être pliés à un rayon de 225 millimètres. Les tuyaux résultants doivent être installés selon un motif en damier.
Afin de se débarrasser du condensat, ainsi que de l'excès de fumée, il est nécessaire de construire un dispositif spécial en forme de T, grâce auquel l'humidité s'écoulera et la fumée, au contraire, montera. Il existe également une vanne spéciale pour éliminer l'humidité, qui doit être fermée immédiatement après l'écoulement de son excès.
Eh bien, pour éliminer la fumée du tuyau, un amortisseur spécial doit être fabriqué. Au fait, avec lui, vous pouvez également régler la force de traction. Dans le même temps, un amortisseur vierge est installé sur le ventilateur situé sur la porte d'entrée.
L'élément le plus difficile de ce four est considéré comme la porte d'entrée, qui doit être rendue pratiquement étanche à l'air. N'oubliez pas que plus la porte est bien ajustée à l'unité, plus l'efficacité de son fonctionnement est élevée.
À partir d'un tuyau de grand diamètre, deux anneaux doivent être fabriqués qui s'emboîtent étroitement l'un dans l'autre. Pour ce faire, des morceaux de 4 centimètres doivent être coupés d'un tuyau de 35 centimètres de diamètre, dont l'un est coupé et déplié. De plus, en utilisant l'anneau, dont le diamètre s'est avéré plus petit, la face avant du four est réalisée. Et le deuxième anneau est soudé à un cercle découpé dans une feuille de métal et utilisé lors de l'installation de la porte.
Ensuite, un autre anneau est soudé à la structure résultante, dont le diamètre sera légèrement inférieur à celui de celui qui a été soudé précédemment. Ainsi, un espace est formé entre les anneaux de la porte. C'est dans celui-ci qu'il faut poser le cordon d'amiante et faire l'installation de l'amortisseur.
Et maintenant il est temps de revenir aux tuyaux qui étaient pliés au début des travaux. Nous prenons deux tuyaux, y faisons des trous, auxquels nous soudons les tubes d'injection.Cet élément est un tuyau de 150 mm avec un diamètre de 15 mm. Il est nécessaire pour connecter d'autres éléments de convection au foyer.
Sur les huit tuyaux, le cadre doit être soudé en plaçant une cloison entre eux. Pour elle, il est préférable d'utiliser une feuille de métal d'une épaisseur d'au moins 6 mm. À l'aide de bandes découpées dans de la tôle, nous comblons tous les espaces entre les tuyaux. Pour cela, le soudage est utilisé. Grâce à de telles actions, nous créons le corps du four lui-même. Astuce : afin de découper au plus juste les cloisons entre les tuyaux, il est préférable d'utiliser des patrons en carton ou tout autre matériau de cintrage.
Ce sera très bien si vous n'êtes pas trop paresseux et installez une serrure spéciale sur la porte du four. Il doit être réalisé sous la forme d'un excentrique, fixant la boucle, qui est préalablement fixée sur la porte du four. Si vous continuez à faire défiler l'appareil plus loin, la porte s'ajustera de plus en plus serrée à chaque tour. Malheureusement, il est impossible de fabriquer une telle serrure à la maison, car un tour est nécessaire. À cet égard, pour sa fabrication, vous devez contacter un spécialiste. Il ne reste plus qu'à fabriquer des charnières, monter la porte et, bien sûr, fixer les pieds au poêle. Ce dernier, soit dit en passant, peut facilement être fabriqué à partir d'un tuyau carré.
Comme vous pouvez le constater, le processus de fabrication de Buleryan est assez laborieux et nécessite certaines compétences, ainsi que des outils spéciaux. Cependant, avec une forte envie de le faire à la maison, c'est tout à fait réaliste. Et l'installation de l'unité ne posera aucune difficulté, même pour un débutant.
Comment bien noyer buleryan
Eh bien, maintenant que presque tout est connu, brièvement sur la façon de bien noyer buleryan. Tout d'abord, il est conseillé de mettre du combustible sec dans le four, en quantité nécessaire pour chauffer la cheminée et former des charbons. De plus, il est conseillé de ne pas nettoyer du tout les vieux charbons et les cendres, en laissant une couche qui recouvrira légèrement le métal, le protégeant de la combustion. Ouvrez complètement le registre de la cheminée et soufflez, en fonction de la vitesse d'allumage requise et d'autres facteurs, du bois de chauffage sec, du vent.
Lorsque la première "dose" brûle environ les deux tiers, suffisamment de chaleur est générée. Vous pouvez faire le signet principal, grand, mais je le recommande vivement - bois de chauffage sec
Il est important de comprendre qu'une combustion lente ou couvante se produit entre 500 et 650 degrés. Cela signifie que le bois de chauffage brut, le bois résineux, les déchets contenant des produits chimiques et des adhésifs, tout cela laissera des dépôts et de l'humidité sur les parois de la cheminée à un rythme accéléré.
Aussi, n'utilisez pas de charbon ou de coke. L'air, qui agit comme un fluide caloporteur, n'aura pas le temps d'évacuer toute l'énergie des surfaces de l'échangeur. Et la plupart s'envoleront dans la cheminée. De plus, l'augmentation de la température des gaz dans la cheminée augmentera le risque d'incendie de la suie et le métal du four brûlera.
Schéma de Buleryan du four de convection des flux d'air
Ainsi, en outre, la cheminée chauffée assurera l'allumage et la poursuite de la combustion, dans le mode souhaité. Et c'est très probablement le mode économique. Le plus économiquement possible, le buller fonctionne avec le ventilateur et le registre fermés. Dans le processus de combustion, l'effet des gaz de pyrolyse de post-combustion commencera à s'activer.Si nous réduisons l'accès de l'air à travers le ventilateur, les gaz formés avec un manque d'oxygène dans le four principal brûleront en outre dans la chambre supérieure, séparée par une cloison. A l'entrée, l'air chaud est aspiré par les injecteurs.
Avec son aide, les gaz dégageront plus d'énergie pendant la combustion lente du bois de chauffage. En bas, sous le poêle, l'air plus froid est capté par le courant d'air créé par le flux déjà chauffé dans les tuyaux du convecteur et « jaillit » vers le haut. Les processus de convection font circuler les masses d'air dans la pièce, ce qui assure un taux de chauffage élevé, c'est pourquoi le buller est précieux. Il convient de noter qu'en raison de sa conception spéciale, la température des surfaces extérieures du four reste assez basse. Cela réduit le risque d'incendie et les brûlures sont beaucoup moins probables. Pour ce faire, vous devez «rechercher» un endroit plus chaud.
Côtés positifs et négatifs de l'appareil
Breneran est une conception réussie qui fonctionne au combustible solide. Il présente de nombreux avantages :
- Le boîtier sert de convecteur forcé par lequel passe tout l'oxygène de la pièce. Dans le même temps, l'échange d'air s'effectue de manière naturelle - en raison des différentes densités d'air chauffé et froid.
- Vous pouvez chauffer avec des briquettes de tourbe, des bûches, des vieux papiers et des industries du bois.
- Haut rendement du poêle - il atteint 80%.
- Les dessins de cet appareil de chauffage sont largement diffusés et peuvent être trouvés sans trop de difficulté sur le World Wide Web.
- Les matériaux et équipements pour le montage du produit sont assez simples et peu coûteux. Vous aurez besoin d'une machine à souder, d'une cintreuse, de tôles et d'échangeurs de chaleur en acier inoxydable.
- L'installation de l'équipement lui-même est assez simple, ainsi que le principe de son fonctionnement.
Inconvénients de la conception
Buleryan n'a pas de côtés négatifs visibles. Ces appareils sont appelés « fours sans défauts ». Mais si vous comprenez bien le design, vous pouvez toujours trouver des points négatifs :
- La combustion de charbon dur dans un poêle peut endommager l'appareil. L'utilisation de liquides et de gaz inflammables est également interdite.
- Le principe de fonctionnement est basé sur la combustion du bois de chauffage et du papier. Dans ce cas, de l'eau de réaction est libérée, qui se forme lors de la désintégration des molécules d'organismes vivants.
Design moderne
Les vendeurs, publicitaires breneran, disent que lors de la combustion, l'arbre ne forme pas de cendres, mais qu'il est présent dans le bois dès le début. Par conséquent, des particules de cendres volent dans le tuyau de cheminée.
Lorsque la matière organique se décompose, des radicaux d'hydrocarbures sont libérés, ce qui réduit l'efficacité du poêle de 6 %. C'est un petit chiffre, mais pour les appareils de chauffage de la vie quotidienne, les radicaux sont assez dangereux.
L'eau résultante après la réaction précipite sous forme de condensat. De plus, il ne s'agit pas seulement d'un liquide contaminé, mais d'un mélange de particules de cendres et d'un film le plus fin roulé en boule. Les toxines qui en résultent, qui ont une odeur désagréable, tombent dans le puisard. Cette «eau» doit constamment être retirée quelque part, car elle ne peut pas être versée dans le jardin, sinon le sol sera empoisonné. En lien avec ce phénomène peu agréable, un appareil de chauffage est souvent utilisé dans les serres, où le sol doit être renouvelé chaque année.
Caractéristiques de conception et principe de fonctionnement
Lors du développement de Brenaran, les spécialistes canadiens ont utilisé la conception connue de longue date d'une chaudière à convection à combustion longue, appelée four calorifique.En raison de l'augmentation de la porte du four, il est devenu possible de charger non seulement des bûches hachées, mais également des parties de rhizomes, ainsi que de grosses bûches. La nouvelle forme du ventilateur - sous la forme d'un tuyau coupé dans la trappe de chargement, a permis d'abandonner le schéma à deux portes. Pour ajuster la quantité d'air nécessaire à la combustion du carburant, un étranglement a été installé à l'intérieur du ventilateur - un amortisseur rotatif rond. Le levier de commande des gaz sorti vers l'extérieur permet, si nécessaire, de réduire ou d'augmenter le débit d'air, contrôlant ainsi la puissance du buleryan.
Construction de Buleryan
Le four de l'unité de chauffage est un cylindre métallique, des deux côtés duquel sont découpés à intervalles réguliers des échangeurs de chaleur métalliques tubulaires, pliés en forme de genoux. Du fait que les deux tiers du diamètre des tuyaux sont encastrés dans le corps de la fournaise et se trouvent dans la zone de combustion, l'air reçoit jusqu'à 70 % de la chaleur dégagée lors de la combustion du bois de chauffage. Les kilocalories restantes chauffent le corps du poêle et sont ensuite également dépensées pour chauffer la pièce. En raison de cette distribution, le corps buleryan ne chauffe généralement qu'à 60-65 ° C, tandis que l'air qui quitte les canaux de convection a une température supérieure à 100 ° C. Je dois dire que c'est la vitesse de chauffage élevée qui assure l'aspiration active des masses d'air froid dans la partie inférieure des échangeurs de chaleur tubulaires et leur éjection par les ouvertures supérieures du réchauffeur.
L'espace du four à l'intérieur de l'appareil est divisé en trois chambres. Dans la partie inférieure du four, à une hauteur pouvant atteindre ¼ du diamètre du corps, un foyer métallique ou une grille amovible est installé. Vous pouvez vous passer de ces éléments, mais avec eux, il sera plus facile d'allumer le poêle et d'enlever les cendres.Sous la voûte du foyer, à la même distance du corps que sous, une tôle perforée est soudée, qui n'atteint pas la trappe de chargement sur un quart de la longueur du buleryan. La chambre supérieure est conçue pour la post-combustion des composés volatils qui sont libérés lors du fonctionnement de l'unité en mode générateur de gaz.

Le chauffage rapide de l'air est assuré par des échangeurs de chaleur à convection qui constituent le cœur du four
L'élimination des produits de combustion se produit à travers le trou situé dans la chambre de postcombustion, du côté de la paroi arrière de l'unité. Au début du canal de fumée, un registre avec un secteur découpé à 90 degrés est monté. De plus, autour de la porte (une plaque métallique qui régule le tirage de la cheminée), il y a un espace d'au moins 10 à 15 % du diamètre de la cheminée. Cette conception permet de régler le tirage correct et en même temps ne permet pas au monoxyde de carbone de pénétrer dans la pièce, même si le canal de fumée est complètement bloqué lors de la formation intensive de gaz.
Des exigences accrues sont imposées à la cheminée du buller
Une section horizontale de la cheminée s'étend de l'ouverture de sortie, conçue pour réduire la température des produits de combustion, puis un coude est installé qui dirige le tuyau verticalement. Ici, dans les "vraies" unités fabriquées par Bulerjan, un dispositif de pyrolyse des gaz, appelé économiseur, est installé. La cheminée doit être suffisamment haute pour obtenir une traction de qualité et isolée pour éviter un refroidissement excessif des produits de combustion.Si cette exigence n'est pas satisfaite, ainsi que lors de l'utilisation de combustible à forte teneur en humidité, la température dans la post-combustion sera réduite, ce qui augmentera la teneur en goudron et autres composés carbonés dangereux dans les gaz de combustion.
Raffinement et modernisation
Le Buleryan fait maison a une apparence peu attrayante, il peut donc gâcher l'atmosphère de la pièce à lui seul. Souvent, afin de corriger ce problème, la conception est anoblie et modernisée en soudant des détails de conception ou divers éléments forgés sur le squelette.
La principale chose à comprendre est qu'une circulation d'air de haute qualité est très importante dans le fonctionnement de ce système, donc toutes les ouvertures doivent être ouvertes :

Si le système de chauffage est installé dans un garage ou une serre, il n'est pas nécessaire de l'ennoblir, cela ne gâchera pas l'aspect esthétique et l'efficacité peut être perdue si le poêle est surmodernisé.
Répartition de la chaleur dans les pièces de la maison
L'utilisation de Buleryan dans des bâtiments à plusieurs pièces est inefficace, car il n'est pas capable de chauffer de grandes surfaces. Le plus souvent, ces systèmes sont utilisés dans les serres, les garages et les hangars. Mais certains propriétaires installent ce poêle dans leurs datchas, en utilisant pour cela la distribution d'air chaud dans plusieurs pièces de la maison. Dans ce cas, le même système de câblage est utilisé que lors de l'installation du foyer :

Il convient de rappeler sur la qualité de la ventilation dans ce cas, il est préférable qu'un spécialiste dans ce domaine s'occupe de l'installation de la distribution d'air chaud.
Amélioration de l'apparence
De loin, la meilleure façon d'améliorer et de donner un aspect esthétique aux poêles Buleryan est la maçonnerie en brique ou en pierre. L'essentiel est de laisser tous les trous ouverts, tant pour l'entrée du froid que pour la sortie de l'air chaud.

Tous les canaux du four sont masqués
Vous pouvez décorer l'intérieur en utilisant des briques et un poêle sans encastrer la structure elle-même à l'intérieur de la maçonnerie, comme ils l'ont fait dans cette solution :

Mur de briques
Dans les pays européens, ce poêle est utilisé comme élément décoratif, ce qui peut également être fait dans le cas d'une structure faite maison en l'encastrant dans une cheminée ou en recouvrant le système de chauffage avec de la maçonnerie, comme sur la photo ci-dessous :
Buleryan sous la cheminée
Modification d'un réchaud à ventre plat pour combustible liquide
Breneran est un poêle à ventre converti, un poêle avec des tuyaux soudés sur le dessus pour chauffer l'air de la pièce. L'altération se déroule de la même manière que la fabrication de Buleryan, qui est décrite dans cet article ci-dessus.
Pose de circuit d'eau
Afin d'augmenter l'efficacité du système de chauffage, un cône d'eau est soudé à l'intérieur du poêle à combustible solide, ce qui, lorsque l'eau est chauffée à l'intérieur, permet de chauffer les batteries installées dans la pièce. Une telle chambre de combustion est très populaire dans les zones rurales, car ce sont des chaudières à combustible solide pour une longue combustion. L'inconvénient de ces chaudières est que les tuyaux à l'intérieur desquels l'eau liquide est chauffée consomment une partie de l'énergie et réduisent l'efficacité du four, mais si vous devez chauffer un grand nombre de pièces, ce sera une solution plus efficace pour le problème que de les chauffer avec de l'air chaud.
Afin d'installer correctement le circuit d'eau, il est préférable de faire appel à un spécialiste ou d'acheter un système prêt à l'emploi, dans lequel vous installez ensuite vous-même le système de chauffage de l'eau.Le bon fonctionnement de ce type de chauffage nécessitant une structure réalisée en tenant compte de certains facteurs d'inclinaison, l'installation d'une pompe et d'une évacuation des condensats étant nécessaire, il est préférable de confier l'installation du circuit d'eau à un professionnel.
Mais si vous décidez néanmoins de mettre en place vous-même ce système de chauffage, le schéma correct du circuit de chauffage de l'eau est proposé ci-dessous:
Le dispositif et le principe de fonctionnement du four
Dans le schéma, le dispositif du four Buleryan est le suivant :
Le dispositif du four est assez simple. Extérieurement, c'est un cylindre en acier, d'où sortent des tuyaux courbes, carrés ou ronds. L'appareil lui-même est similaire à un poêle - un appareil de chauffage, sur la base duquel le poêle a été fabriqué à l'origine.
L'ensemble du fonctionnement du four Buleryan repose sur le principe de la convection des flux d'air. Le corps de la structure est en acier sous la forme d'une chaudière, pour laquelle certains appellent le four une chaudière. Épaisseur de 4 à 10 mm et recouvert d'une peinture résistante à la chaleur. Les tuyaux sont pliés aux 2/3 dans le corps, faisant partie du mécanisme principal du four. À l'intérieur du boîtier, il y a une chambre de combustion à deux niveaux, qui n'est protégée par rien et dont le volume dépend directement du volume du cylindre principal. La chambre de combustion est divisée en deux niveaux par une tôle d'acier perforée : inférieure et supérieure.
La surface totale de la chambre, environ 8%, est occupée par la partie supérieure, dans laquelle s'effectue la combustion des composés volatils provenant de la chambre inférieure (four).
La porte de la chambre de combustion, comme le corps lui-même, est en acier durable et, dans certains modèles, il y a un insert en verre résistant à la chaleur dans la porte.La porte elle-même est de grande taille, ce qui vous permet de mettre de gros bois de chauffage dans le poêle, et se ferme également hermétiquement et possède une serrure fiable qui ne permettra pas à la porte de s'ouvrir pendant le feu. Le régulateur d'alimentation en air avec étranglement mobile (volet de fumée) situé sur la porte permet de régler la force de traction et de sélectionner le mode de fonctionnement approprié pour le poêle, dont il existe deux dans ce modèle :
- Mode d'allumage.
- Mode de combustion lente.
Le premier mode vous permet de chauffer rapidement le four. La température est réglée dans la chambre de combustion et la chaleur générée est uniformément répartie sur toute la surface chauffée.
Dans le deuxième mode, la chambre est remplie d'une grande quantité de bois de chauffage, qui couve à la suite du réglage du volet de fumée sur l'alimentation en air minimale. Dans ce mode, un marque-page peut brûler pendant 10 à 12 heures et en même temps chauffer la pièce.
Le principe de fonctionnement du poêle canadien est le suivant : lors de l'allumage, le corps du poêle s'échauffe et provoque l'assèchement de l'air froid à travers les tuyaux du buller. En passant à travers les tuyaux, l'air est chauffé à haute température et sort vers le haut par les sorties d'échappement, grâce à quoi la pièce est rapidement chauffée.
Schéma du principe de fonctionnement du four Buleryan
L'air refroidi se dépose à nouveau sur le sol et pénètre à nouveau dans les tuyaux. En termes simples, la circulation de l'air se produit constamment et, par conséquent, réchauffe complètement l'air de la pièce.
Le mouvement des masses d'air se produit par convention naturelle et n'entre pas en contact avec le feu, en passant par les tuyaux, maintenant ainsi la saturation en oxygène et une humidité confortable.








































