Commutateur croisé: à quoi ça sert et comment le connecter

Par interrupteur. schémas de câblage et exemples d'installation - samelektrik.ru

Comment connecter un commutateur d'intercommunication à deux gangs

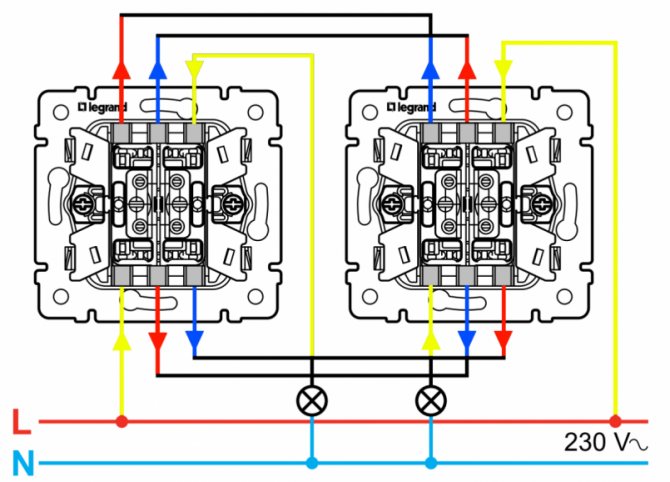
Lien interrupteur d'intercommunication à deux gangs en fait, il ne diffère que par le nombre de clés et de fils, le circuit reste le même. Il y a déjà 6 fils dans le circuit des interrupteurs. Quatre d'entre eux sont des sorties et deux sont des entrées, deux sorties vers les touches de commutation.

Comment faire un interrupteur d'intercommunication à deux gangs

Le fil neutre passe à travers la boîte de jonction vers les lampes.

Le fil de phase est connecté au premier interrupteur (dispersé à chaque touche).

Les deux extrémités du fil de phase sont reliées à leur paire de sorties du premier interrupteur.

Parfois, il est nécessaire de faire des commutateurs d'intercommunication. Ce que c'est? C'est à ce moment que la lumière peut être allumée à un endroit et éteinte à un autre. Ou vice versa.

Voici des exemples de situations réelles où vous devez allumer et éteindre la lumière à différents endroits. J'en ai rencontré quelques-uns dans la pratique, d'autres que j'ai observés à différents endroits.

  1. Dans l'hôtel, la lumière peut être allumée à l'entrée de la chambre et éteinte par l'interrupteur à la tête, déjà allongé dans son lit.
  2. Sur le balcon, qui a deux sorties (de la cuisine et de la chambre). Lorsque vous sortez par une porte, la lumière du balcon s'allume, lorsque vous sortez par une autre, elle s'éteint.
  3. Dans le pays, vous pouvez placer deux interrupteurs: du bas des escaliers au deuxième étage et d'en haut.

Ce schéma peut être mis en œuvre de deux manières principales :

  • utiliser des commutateurs d'intercommunication ;
  • à l'aide de relais spéciaux.

Un interrupteur traversant est un dispositif de contact inverseur. Extérieurement, il ressemble exactement à un normal. Le circuit sur de tels commutateurs est le suivant.

L'inconvénient d'un tel schéma est la position peu claire de l'interrupteur lorsque la lumière est éteinte. La clé de l'interrupteur peut être en position haute ou basse. C'est la position touches des deux interrupteurs lorsque la lumière est éteinte - en opposition de phase.

Le deuxième inconvénient est que vous ne pouvez pas allumer / éteindre en trois points. Par exemple, dans la chambre, j'aimerais faire de la lumière des deux côtés du lit et près de l'entrée. Ensuite, vous devez utiliser un relais spécial.

Dans mon cabinet, j'ai utilisé le relais MR-41 fabriqué par la société tchèque Elko. C'est assez cher, environ 1400 roubles. Mais cela résout le problème au maximum.

Le relais est installé dans le panneau électrique de la même manière qu'un relais normal. Beaucoup de boutons (apparemment jusqu'à 80) y sont connectés sans fixation. Et une lampe est connectée aux contacts de puissance du relais.

Legrand et ABB ont des appareils similaires, mais ils sont beaucoup plus chers.

Lors du choix de tels appareils, il est important de s'assurer qu'il y a deux fonctions

  • s'assurer que le rétroéclairage de la touche de l'interrupteur est allumé (tout le monde ne le fait pas);
  • rétablissement de l'état actuel après une coupure de courant.

Elko implémente ces deux fonctions. Un autre problème est la recherche d'un interrupteur sans verrouillage. J'ai réussi à trouver de tels interrupteurs dans la populaire série Legrand Valena. Cependant, une tentative de commande a montré que vous pouvez acheter de tels commutateurs tout de suite, sans précommande, même à Moscou dans quelques endroits seulement.

Matériaux associés :

Comment faire des commutateurs de passage?

Commentaires : 16

sérieusement
dites moi si quelqu'un sait)

Le problème est résolu en achetant un interrupteur à clé de type P2K ou un interrupteur à bascule à 2 positions dans un magasin de pièces radio pour quelques roubles.
Interrupteur basse tension à faible courant P2K, lors de la commutation de l'éclairage dans la maison, il brûle après une douzaine d'interrupteurs.

Le 28 décembre, ces interrupteurs ont été vus dans les magasins OBI et Leroy Merlin. Prix à partir de 72 r ? et 240 roubles. C'est à Moscou. Sur Altufevsky sh. et sur Borovsky. Je ne sais pas pour les autres. Oui, j'ai entendu dire qu'il y en avait à Voronezh.

Tous les interrupteurs et interrupteurs servent à une chose - au bon moment pour fermer ou ouvrir le circuit électrique (allumer ou éteindre l'éclairage). Ces appareils sont de différents types et diffèrent dans leur exécution. Dans cet article, nous comprendrons ce que sont les commutateurs et les commutateurs et en quoi ils diffèrent les uns des autres.

Schéma d'installation de la ligne de contrôle à partir de trois endroits ou plus

Option universelle - régulation des sources lumineuses à partir de 3 points. A sa base le nombre de commutateurs peut être augmenté à 10 ou plus. La création d'un circuit électrique est réalisée par 3 éléments : deux dispositifs traversants et un dispositif croisé.

Commutateur croisé: à quoi ça sert et comment le connecterDes dispositifs de passage sont montés aux extrémités de la ligne de commutation, un dispositif de croisement est installé dans la zone entre ces éléments. Lorsque le premier interrupteur est allumé, le courant de phase traverse le circuit de base, le dispositif d'éclairage s'allume. Lorsque le bouton de l'interrupteur croisé est enfoncé, le circuit est ouvert. Lorsqu'il est allumé, le courant circule dans le fil d'entrée. Dans cette position, l'un des contacts est en permanence en phase. Sur le troisième interrupteur, la procédure de fermeture et d'ouverture du circuit est similaire au premier appareil.

Si vous souhaitez contrôler l'éclairage d'un grand nombre de lieux, le nombre requis d'appareils transversaux est installé entre les produits de passage.

Ce schéma suppose 7 connexions dans la boîte de jonction.

Puisqu'il y aura trois circuits dans le circuit pour toutes les options, trois commutateurs simples et croisés sont utilisés. Cependant, les produits traversants et croisés couplés sont plus souvent utilisés (2 doubles et un simple). Les produits passants en bout de ligne peuvent être remplacés par des éléments à trois clés. Le consommateur décide indépendamment quelle option lui est préférable.

La connexion à partir de plusieurs emplacements est courante dans les immeubles de grande hauteur. Habituellement, un interrupteur est conçu pour contrôler l'éclairage de trois étages. Il se répand également dans les ménages privés, où les lampes extérieures sont nombreuses (allées de jardin, gazebos, portails, garages).

Lire aussi :  Indicateur de câblage caché: principe de fonctionnement et mode d'emploi

Analyse des schémas des groupes de contact de l'appareil

Si nous prenons la conception classique (à clé unique) de l'appareil, fabriqué, par exemple, par ABB, et tournons le dos à l'utilisateur, l'image suivante s'ouvrira.

Il y a 4 paires de bornes sur la carte de base, chacune étant marquée des symboles correspondants - dans ce cas, des "flèches". Avec une désignation technique de ce type, le fabricant donne à l'utilisateur des informations sur la connexion correcte de l'appareil.

Voici à quoi ressemble le câblage des bornes de l'appareil avec la fonction de blocage inverse. Les différences par rapport à la conception illustrée ci-dessus sont évidentes. Pour ces raisons, ils choisissent généralement la configuration souhaitée de l'appareil.

Les "flèches" entrantes indiquent le groupe de contacts commun (inverseur). Les "flèches" sortantes marquent un groupe de contact permanent.

Schématiquement, l'interaction des groupes ressemble à la figure suivante :

Des lignes colorées montrent classiquement comment les groupes de contacts sont situés à l'intérieur du dispositif de commutation intermédiaire. Chaque paire de bornes de travail est marquée de symboles indiquant les groupes d'entrée et de sortie

Les conducteurs arrivent aux bornes du groupe commun (inverseur) du contacteur à partir du premier interrupteur traversant impliqué dans le circuit électrique. En conséquence, des conducteurs sortent des bornes du deuxième groupe (permanent) du contacteur, qui sont connectés au commutateur de passage numéro deux, également prudemment inclus dans le circuit.

Il s'agit d'une variante classique utilisant deux dispositifs traversants et un inverseur.

Schéma pour l'introduction d'un appareil croisé dans un circuit entre deux appareils de l'action traversante. Typiquement, une telle solution est typique pour les circuits utilisés dans les locaux domestiques.

Un appareil destiné à jouer le rôle d'inverseur peut en effet être utilisé dans l'un des deux modes de commutation d'un circuit électrique :

  1. La commutation directe est un analogue de deux dispositifs de passage.
  2. La commutation croisée est l'objectif principal.

La configuration de la première option, en fait, est représentée par la fonctionnalité d'une connexion directe avec possibilité de communication ou de déconnexion.

La deuxième méthode de configuration (en plaçant des cavaliers) met l'appareil en mode de fonctionnement par circuit de commutation avec inversion.

Le dispositif d'inversion prend en charge la configuration (par cavaliers) pour l'une des deux fonctions de mode possibles. Ainsi, le commutateur de type croisé agit comme une sorte de dispositif universel.

Ainsi, les interrupteurs intermédiaires ressemblent fonctionnellement non seulement à des interrupteurs pour sources de lumière artificielle, mais à des interrupteurs à action universelle. Ce facteur étend les fonctionnalités de ces appareils, les rendant pratiques à utiliser dans diverses options de montage.

La différence entre un commutateur pass-through et un commutateur conventionnel

Commutateur croisé: à quoi ça sert et comment le connecterIl est pratique d'utiliser des commutateurs pass-through (ce que c'est - nous l'avons déjà compris sur les pages du site) pour contrôler un appareil d'éclairage à partir de différents endroits. Par conséquent, il est nécessaire d'installer plusieurs commandes de source d'éclairage dans le circuit électrique, c'est-à-dire plusieurs interrupteurs de passage ou à mi-vol.

De tels interrupteurs sont très pratiques dans les pièces à long passage : couloirs, escaliers, passages. Maintenant, ils sont souvent installés dans la chambre - l'un à l'entrée ("entré - allumé"), l'autre - près du lit ("couché - éteint"). La commodité de les utiliser est que vous n'avez pas besoin de revenir pour éteindre la lumière.

Pour contrôler des sources lumineuses séparées dans les appartements et les bureaux, appliquez

schémas de câblage changer

. Dans ce cas, vous pouvez allumer et éteindre l'éclairage à partir de deux, trois endroits ou plus.

Les interrupteurs traversants peuvent être connectés avec un gradateur. Vous pouvez en savoir plus sur ce régime ici.

Si vous êtes entré dans le bureau - avez allumé la lumière, puis vous êtes assis sur le bureau, avez allumé la lampe de table, vous pouvez alors éteindre le plafonnier sans vous lever de la table.

Dans les maisons privées combinées à des dépendances, il est également très pratique d'installer un interrupteur de passage: avant de quitter la maison dans la buanderie, il a allumé la lumière, et en quittant cette pièce par la porte donnant sur la rue, vous pouvez éteindre la lumière sans retourner à la maison. Et de tels commutateurs peuvent être installés plusieurs pour une source lumineuse.

Dans la cour arrière pour les lampes installées dans les gazebos, près des allées, il est pratique d'avoir au moins deux interrupteurs, un pour l'allumer et l'éteindre dans la maison, le second directement près du luminaire. A partir de deux points indépendants, le courant est transféré d'un circuit à l'autre. Très pratique et pas besoin de perdre du temps à revenir à la position d'origine.

Schéma de connexion d'un commutateur de passage à partir de 2 endroits

Le circuit du commutateur de passage à partir de deux endroits est réalisé à l'aide de deux dispositifs de passage à clé unique qui ne fonctionnent que par paires. Chacun d'eux a un contact au point d'entrée et une paire au point de sortie.

Avant de comment se connecter passthrough interrupteur, le schéma de raccordement affiche clairement toutes les étapes, il est nécessaire de mettre la pièce hors tension à l'aide de l'interrupteur approprié situé dans le panneau de commande.Après cela, il est nécessaire de vérifier en plus l'absence de tension dans tous les fils de l'interrupteur. Pour ce faire, utilisez un tournevis spécial.

Pour effectuer le travail, vous aurez besoin de: tournevis plats, cruciformes et indicateurs, un couteau, des pinces coupantes, un niveau, un ruban à mesurer et un perforateur. Pour installer des interrupteurs et poser des fils dans les murs de la pièce, il est nécessaire de faire les trous et les portes appropriés, selon le plan d'implantation des appareils.

Commutateur croisé: à quoi ça sert et comment le connecter
Contrairement aux interrupteurs conventionnels, les interrupteurs traversants n'ont pas deux, mais trois contacts et peuvent commuter la "phase" du premier contact au deuxième ou au troisième

Il est nécessaire de poser les fils à une distance non à moins de 15 cm de plafond. Ils peuvent non seulement être placés de manière cachée, mais également être empilés dans des plateaux ou des boîtes. Une telle installation permet d'effectuer rapidement des réparations en cas d'endommagement du câble. Les extrémités des fils doivent être amenées dans les boîtes de jonction, dans lesquelles toutes les connexions sont également effectuées à l'aide de contacteurs.

Procédure d'installation des interrupteurs à 2 points : schéma de câblage

Toutes les actions d'installation des dispositifs de commutation sont effectuées sur la base d'un schéma de connexion de 2 emplacements de commutateurs de passage, qui peuvent être trouvés sur Internet. Cela diffère de l'installation d'interrupteurs conventionnels, car il y a ici trois fils au lieu des deux habituels. Dans ce cas, deux fils sont utilisés comme cavalier entre deux interrupteurs situés à des endroits différents dans la pièce, et le troisième est utilisé pour alimenter la phase.

Lire aussi :  Comment faire la mise à la terre dans une maison privée de vos propres mains

Commutateur croisé: à quoi ça sert et comment le connecter
Tout type de lampes peut être utilisé comme source de lumière dans un tel schéma - des lampes à incandescence conventionnelles aux lampes fluorescentes, à économie d'énergie et à LED

Cinq fils doivent être connectés à la boîte de jonction : alimentation de la machine, trois câbles, aller aux interrupteurs, et un fil enfichable dirigé vers le luminaire. Lors de la construction d'un schéma de connexion pour un commutateur d'intercommunication à un seul groupe, des câbles à trois conducteurs sont utilisés. Le fil zéro et la masse sont dirigés directement vers la source lumineuse. Fil de phase marron qui fournit le courant, passe par les interrupteurs, selon le schéma, et sortie vers la lampe d'éclairage.

Les interrupteurs sont connectés à la rupture du fil de phase, et zéro, après avoir passé la boîte de jonction, est dirigé vers le dispositif d'éclairage. Le passage de la phase à travers l'interrupteur assurera la sécurité lors de la réparation et de l'entretien du luminaire.

L'installation du commutateur de passage consiste en la séquence d'actions suivante :

  • les extrémités des fils sont dénudées;
  • à l'aide de l'indicateur, il est nécessaire de déterminer le fil de phase;
  • en utilisant la torsion, le fil de phase doit être connecté à l'un des fils du premier interrupteur (des fils blancs ou rouges sont utilisés ici);
  • les fils sont reliés entre eux par les bornes zéro des interrupteurs ;
  • connecter un fil séparé du second interrupteur à la lampe;
  • dans la boîte de jonction, le fil de la lampe est connecté au fil neutre ;

Commutateur croisé: à quoi ça sert et comment le connecter
Lorsque vous installez vous-même des interrupteurs de passage, vous devez veiller à la sécurité

Défauts

1

Si votre ampoule est grillée et doit être remplacée, avec ce schéma, il n'est pas immédiatement possible de comprendre si la lumière est allumée ou éteinte.

Ce sera désagréable lorsque, lors du remplacement, la lampe peut simplement exploser sous vos yeux. Dans ce cas, le moyen le plus simple et le plus fiable d'éteindre l'interrupteur d'éclairage du tableau de bord.2

Et plus vous avez de points lumineux, plus il y en aura dans les boîtes de jonction. Connecter le câble directement selon des schémas sans boîtes de jonction réduit le nombre de connexions, mais peut parfois augmenter soit la consommation du câble, soit le nombre de ses conducteurs.

Si votre câblage passe sous le plafond, vous devrez abaisser le fil de là à chaque interrupteur, puis le remonter. La meilleure option ici est l'utilisation de relais à impulsions.

Fabricants bien connus de commutateurs pass-through

Legrand est un leader sur le marché de l'électroménager. La demande pour les interrupteurs de passage Legrand est due à la haute qualité des produits, à la facilité d'installation, à la commodité d'utilisation ultérieure, au design élégant et à la tarification flexible. Le seul inconvénient est la nécessité d'ajuster l'emplacement de montage. S'il ne correspond pas au produit, il peut être difficile de l'installer, ce qui s'effectue selon le schéma de raccordement de l'interrupteur de traversée Legrand.

Commutateur croisé: à quoi ça sert et comment le connecter
Interrupteurs traversants de Legrand

Une filiale de Legrand est la société chinoise Lezard. Cependant, seul un design élégant est resté de la marque native. La qualité de construction est bien inférieure, en raison du faible coût de production.

L'un des principaux fabricants nationaux d'appareils électriques est la société Wessen, qui fait partie de la société Schneider Electric. Tous les produits sont fabriqués selon les dernières technologies sur des équipements étrangers modernes et sont conformes aux normes de qualité européennes.Les modèles ont un design élégant universel qui vous permet d'intégrer chaque élément dans n'importe quel espace intérieur. Une caractéristique distinctive des interrupteurs Wessen est la possibilité de remplacer le cadre décoratif sans démonter l'appareil.

Un autre fabricant tout aussi connu est la société turque Viko. Les produits se caractérisent par une finition, une fiabilité et une durabilité élevées, répondent aux exigences de sécurité électrique et aux normes de qualité européennes. Lors de la fabrication de la coque L'appareil utilise du plastique durable ignifuge, conçu pour un grand nombre de cycles de travail.

Commutateur croisé: à quoi ça sert et comment le connecter
L'interrupteur de passage, contrairement à l'habituel, a trois fils conducteurs

La marque turque Makel propose des produits de qualité, fiables, sûrs et élégants. Grâce à la possibilité de connecter une boucle sans avoir besoin d'utiliser une boîte de jonction, l'installation des interrupteurs devient plus facile et le fonctionnement ultérieur est confortable et sûr.

Gamme populaire de commutateurs de traversée

Les interrupteurs de passage Legrand de la série Velena se distinguent par un design élégant et une variété de variations de couleurs. Ici sont présentés des produits à une ou deux clés dotés d'une couche de protection contre la poussière et l'humidité. Vous pouvez acheter un interrupteur à partir de 300 roubles.

La série Celiane comprend des produits dans lesquels les clés circulaires sont inscrites dans un carré. Ils peuvent être sans contact avec des leviers ou silencieux. Le coût des commutateurs commence à partir de 700 roubles. La gamme Exclusive Celiane comprend un nombre limité d'interrupteurs fabriqués à la main en marbre, bambou, porcelaine, or, myrte et autres matériaux. Les cadres sont fabriqués sur commande. Le prix du produit commence à partir de 5,9 mille roubles.

Commutateur croisé: à quoi ça sert et comment le connecter
Solutions de couleur pour les interrupteurs de la série Celiane

Les séries d'interrupteurs les plus populaires de Lezard sont Demet, Mira et Deriy. Voici des produits en polycarbonate ininflammable, qui répondent aux exigences de la sécurité électrique. Les éléments conducteurs sont en bronze phosphoreux, qui se caractérise par une conductivité élevée et un faible échauffement. Vous pouvez acheter un interrupteur à clé unique via le passage à partir de 125 roubles.

La série W 59 Frame de Wessen utilise un principe modulaire qui vous permet d'installer de 1 à 4 appareils dans un cadre horizontalement ou verticalement. Le prix du produit est de 140 roubles. Les interrupteurs simples et doubles de la série Asfora se distinguent par un design simple, mais une fabrication de haute qualité, qui peut être achetée pour 450 roubles.

Parmi les séries Makel populaires figurent Defne et Makel Mimoza. Le corps des appareils est en plastique de haute qualité, équipé d'un mécanisme interne fiable. Le coût des produits commence à partir de 150 roubles.

Commutateur croisé: à quoi ça sert et comment le connecter
Lorsque le bouton marche / arrêt est enfoncé, le contact mobile de l'interrupteur de traversée est transféré d'un contact à un autre, créant ainsi les conditions d'un nouveau circuit à l'avenir

Lire aussi :  Pompes pour puits profonds : meilleurs modèles + conseils de sélection d'équipement

Le principe de fonctionnement et l'installation des appareils de commutation ne présentent pas de difficultés importantes. Besoin d'étudier d'abord schéma de câblage et suivre recommandations de règles de sécurité électrique, qui permettront d'effectuer une installation fiable et sûre des appareils, assurant ainsi un contrôle pratique et confortable des appareils d'éclairage dans la maison.

Comment connecter un interrupteur de passage : vidéo schéma de câblage

Connexion avec trois points de contrôle

Si le nombre de points du commutateur de passage dépasse deux, en plus des éléments de commutation simples, un type croisé de dispositifs de commande sera également nécessaire.

Commutateur croisé: à quoi ça sert et comment le connecter

Ce type se distingue par le fait qu'il possède deux paires de contacts d'entrée et de sortie, c'est pourquoi un câble à quatre conducteurs y est tiré. Pour mettre en œuvre la chaîne, les structures traversantes classiques sont en première et dernière positions, et croisées au milieu.

Le schéma combiné est créé comme ceci :

  • le contact commun du premier interrupteur est combiné avec la phase du boîtier ;
  • les contacts de sortie du premier dispositif sont reliés à une paire de contacts d'entrée du dispositif croisé ;
  • les contacts de sortie de la conception de type croisé sont combinés avec les contacts d'entrée du prochain disjoncteur croisé ou du dernier disjoncteur (conventionnel);
  • le contact commun du dernier élément de commande classique de la chaîne est relié au contact d'entrée de l'appareil électrique ;
  • la sortie de l'appareil électrique est connectée au contact de phase de la boîte de jonction.

Commutateur croisé: à quoi ça sert et comment le connecter

Il convient de noter que le nombre de points de contrôle dans ce schéma n'est pas limité. Tout en gardant le principe de placer les structures classiques aux extrémités de la chaîne, et les croisées en son milieu.

Commutateur croisé: à quoi ça sert et comment le connecter

Commutateur croisé: à quoi ça sert et comment le connecter

Types d'interrupteurs à 3 points

Bascule avec trois lieux sont représentés par deux type de produits : traversant et traversant. Ce dernier ne peut pas être utilisé sans le premier. Selon le principe de fonctionnement, les sections sont divisées en:

  1. Claviers.
  2. Pivot. Un mécanisme rotatif est utilisé pour fermer les contacts. Ils sont présentés dans une variété de modèles et coûteront plus cher que d'habitude.

Compte tenu de l'installation, les croix sont divisées en:

  1. Aérien. Le montage s'effectue en haut du mur, ne nécessite pas d'évidement dans le mur pour installer l'appareil.Si la décoration de la pièce n'est pas prévue, cette option est idéale. Mais de tels modèles ne sont pas suffisamment fiables, car ils sont soumis à des facteurs externes ;
  2. Embarqué. Installé dans le mur, adapté aux travaux de câblage dans tous les types de bâtiments. Un trou dans le mur est pré-préparé en fonction de la taille de la boîte de commutation.

point de contrôle

Contrairement au modèle classique, l'interrupteur de passage a trois contacts et un mécanisme qui combine leur travail. Le principal avantage du produit est la possibilité d'allumer ou d'éteindre à partir de deux, trois points ou plus. Le deuxième nom d'un tel commutateur est "toggle" ou "dupliquer".

La conception du commutateur d'intercommunication à deux touches ressemble à deux commutateurs simples indépendants l'un de l'autre, mais avec six contacts. Extérieurement, un interrupteur de passage ne peut être distingué d'un interrupteur conventionnel s'il n'y avait pas une désignation spéciale dessus.

Schéma de connexion des fils de l'interrupteur de passage dans la boîte de jonction

Circuit sans conducteur de terre. Maintenant, le plus important est d'assembler correctement le circuit dans la boîte de jonction. Quatre câbles à 3 conducteurs doivent y entrer :

câble d'alimentation de la machine d'éclairage du tableau

câble pour interrupteur #1

câble pour interrupteur #2

câble pour lampe ou lustre

Lors de la connexion des fils, il est plus pratique d'orienter par couleur. Si vous utilisez un câble VVG à trois conducteurs, il comporte les deux marquages ​​de couleur les plus courants :

blanc (gris) - phase

bleu - zéro

vert jaune - terre

ou la deuxième option :

gris blanc)

brun

le noir

Pour choisir un phasage plus correct dans le second cas, reportez-vous aux conseils de l'article « Marquage couleur des fils. GOST et règles.

L'assemblage commence avec zéro conducteur. Connectez le noyau zéro du câble de la machine d'introduction et le zéro sortant sur la lampe à un moment donné par les terminaux de voiture.

Ensuite, vous devez connecter tous les fils de terre si vous avez un conducteur de terre. Comme pour les fils neutres, vous combinez la "masse" du câble d'entrée avec la "masse" du câble sortant pour l'éclairage. Ce fil est relié au corps de la lampe.

Il reste à connecter les conducteurs de phase correctement et sans erreur. La phase du câble d'entrée doit être connectée à la phase du fil sortant à la borne commune de l'interrupteur de traversée n° 1. Et connectez le fil commun du commutateur de traversée n ° 2 avec une pince Wago séparée au conducteur de phase du câble d'éclairage. Après avoir terminé toutes ces connexions, il ne reste plus qu'à connecter les noyaux secondaires (sortants) des commutateurs n ° 1 et n ° 2 entre eux

Et peu importe comment vous les connectez.

Vous pouvez même mélanger les couleurs. Mais il vaut mieux s'en tenir aux couleurs, pour ne pas se confondre à l'avenir. Sur ce, vous pouvez considérer le circuit entièrement assemblé, appliquer une tension et vérifier l'éclairage.

Les règles de connexion de base de ce schéma dont vous devez vous souvenir :

  • La phase de la machine doit arriver au conducteur commun du premier interrupteur
  • La même phase doit aller du conducteur commun du deuxième interrupteur à l'ampoule
  • Les deux autres conducteurs auxiliaires sont interconnectés dans la boîte de jonction
  • Le zéro et la terre sont alimentés directement sans interrupteurs directement aux ampoules

Traverser

Modèles croisés à 4 broches, ce qui vous permet de connecter deux broches en même temps. Contrairement aux modèles de visite, les modèles croisés ne peuvent pas être utilisés seuls. Ils sont installés complets avec des passages, ils sont désignés à l'identique sur les schémas.

Ces modèles rappellent deux interrupteurs un gang soudés. Les contacts sont reliés par des cavaliers métalliques spéciaux. Un seul bouton de commutation est responsable du fonctionnement du système de contact. Si nécessaire, croiser le modèle Tu peux le faire toi-même.

Principe de fonctionnement du sectionneur transversal

Le dispositif de passage pour allumer et éteindre la lumière à l'intérieur a quatre bornes - il ressemble aux interrupteurs ordinaires. Un tel dispositif interne est nécessaire pour l'interconnexion des deux lignes que l'interrupteur va réguler. Le sectionneur peut à un moment donné ouvrir les deux interrupteurs restants, après quoi ils sont connectés ensemble. Le résultat est d'allumer et d'éteindre la lumière.

Évaluation
Site sur la plomberie

Nous vous conseillons de lire

Où remplir la poudre dans la machine à laver et combien de poudre verser