- Connecter un interrupteur d'éclairage à deux gangs avec une prise: décoder le circuit
- Raccordement d'un interrupteur double : travaux préparatoires
- Interrupteur lumineux à deux gangs
- Matériel requis pour l'installation
- Dispositif
- avec diode
- Avec condensateur : pour économiser de l'électricité
- Un appareil qui contrôle deux groupes de luminaires
- Quels sont les avantages des interrupteurs à deux gangs ?
- Prix des interrupteurs réglables
- 6 interrupteurs doubles lumineux : connexion indépendante
- Commençons par un simple: un schéma pour connecter un interrupteur simple à une ampoule
- Comment fonctionne l'alimentation séparée du lustre ?
- La dernière étape - nous mettons les fils dans l'interrupteur
Connecter un interrupteur d'éclairage à deux gangs avec une prise: décoder le circuit
Afin d'installer correctement l'unité dans laquelle la prise et le bouton de l'interrupteur sont combinés, il est nécessaire d'agir selon le schéma ci-dessous.
Schéma de câblage d'un interrupteur à deux clés avec une prise (unité avec 1 clé)
L'algorithme des actions est le suivant :
- un câble à deux conducteurs est retiré du blindage principal: phase et zéro. Il se connecte aux contacts dans la boîte de jonction. Au moyen d'un double câble, une lampe et un interrupteur avec une prise sont connectés;
- trois câbles sortant de l'unité installée entrent dans la boîte de jonction.Le luminaire est connecté avec un noyau à zéro et le second à la borne libre de l'interrupteur ;
- si un conducteur de mise à la terre est prévu dans le bloc "prise + interrupteur", il doit être raccordé au même conducteur dans la boîte de jonction.
Raccordement d'un interrupteur double : travaux préparatoires
Il convient de noter qu'avant de connecter l'interrupteur d'éclairage, qui est double, vous devez poser le câblage. Si la maison vient d'être construite et qu'un câblage caché y est effectué, il n'y a pas de difficultés. Le câblage lui-même est installé avant même l'application du plâtre.
Après cela, vous devez connecter l'interrupteur lui-même et les luminaires au câblage. Tous les fils sont posés selon le schéma (voir ci-dessous).
L'interrupteur à deux gangs est conçu pour allumer et éteindre deux appareils électriques à partir d'un seul endroit ou contrôler des sections individuelles d'un appareil.
Le plus souvent, de tels interrupteurs sont utilisés pour changer les modes de fonctionnement du lustre: chacune des deux touches allume l'un des deux groupes de lampes, et lorsque les deux touches sont allumées, l'ensemble du lustre est complètement connecté.
À l'aide de cet interrupteur, vous pouvez contrôler l'éclairage de la pièce. De plus, l'utilisation d'un interrupteur à deux clés est utile pour allumer l'éclairage d'une salle de bain et de toilettes séparées.
Il n'est en fait pas aussi difficile d'établir un schéma de connexion pour un interrupteur à deux lampes qu'il n'y paraît à première vue. S'il s'agit d'une maison privée, connecter un double interrupteur sera pratique pour éclairer la rue en partant. S'il est possible d'utiliser un dispositif d'éclairage avec un interrupteur à deux gangs sur le balcon, la présence de l'appareil là-bas sera également appropriée.
Chaque groupe peut avoir un nombre différent d'ampoules - il peut s'agir d'une ou de dix lampes ou plus. Mais un interrupteur à deux gangs ne peut contrôler que deux groupes de lampes.
Il est clair que s'il est prévu d'effectuer un câblage ouvert, chaque câble qui doit être connecté à un interrupteur à deux gangs et à une lampe est posé dans des canaux de câbles ou des tuyaux ondulés séparés.
Si le câblage de la maison est utilisé depuis de nombreuses années et que les fils électriques existants ne conviennent pas, ils devront être remplacés. Dans le cas où ils ont été montés de manière ouverte, il n'y aura aucun problème. S'ils étaient cachés sous du plâtre, vous devrez fabriquer de nouveaux flashs et poser de nouveaux câbles. Après avoir placé les câbles à leur place, procédez à leur connexion.
Avant de commencer à travailler sur remplacement du câblage électrique dans l'appartement ou une maison privée et l'installation d'un interrupteur double, pour des raisons de sécurité, l'alimentation doit être complètement coupée.
Pour ce faire, il suffira d'éteindre l'interrupteur automatique, qui se trouve au début du circuit destiné à alimenter en courant les luminaires.
Ainsi, lorsque tous les travaux préparatoires sont terminés et que les fils sont placés conformément au schéma, vous pouvez commencer à connecter l'interrupteur à deux gangs.
Comment connecter un interrupteur avec deux clés
Interrupteur lumineux à deux gangs
L'interrupteur lumineux ne diffère de l'interrupteur habituel que par le fait qu'il contient un indicateur de rétroéclairage. Cet indicateur peut être une lampe au néon ou une LED avec une résistance de limitation. Le circuit de commutation rétro-éclairé est assez simple.
L'indicateur est connecté en parallèle avec les bornes de l'interrupteur.Lorsque l'interrupteur d'éclairage est éteint, l'indicateur de rétroéclairage est connecté au fil neutre du réseau via une petite résistance de lampe et s'allume. Lorsque l'éclairage est allumé, le circuit du voyant est court-circuité et il s'éteint.
- Le schéma de câblage de l'interrupteur lumineux est basé sur la séquence d'actions suivante :
- le circuit d'éclairage est hors tension. Pour plus de fiabilité, l'absence de tension est vérifiée avec une sonde ou un multimètre;
- un boîtier pour l'interrupteur est installé et fixé dans l'ouverture du mur. Lors du remplacement de l'ancien, il est d'abord démonté;
- la clé est retirée de l'interrupteur et les fils d'alimentation sont connectés. En parallèle avec les câbles, les sorties de l'indicateur de rétroéclairage sont connectées ;
- le corps de l'interrupteur est installé dans la boîte et fixé avec des vis ;
- le réseau est allumé et le fonctionnement de l'interrupteur, son rétroéclairage et le réseau d'éclairage sont vérifiés.
Matériel requis pour l'installation
- Pour établir une connexion, vous avez besoin de :
- Fils électriques (la section doit être d'au moins 1,5 millimètre carré). Leur longueur est déterminée par des mesures.
- Double interrupteur.
- Boîte de montage dans laquelle l'interrupteur sera placé.
- Borniers.
- Ruban.
- Outils
- Quant aux outils, leur liste devrait comprendre :
- tournevis pour fentes cruciformes et plates;
- un couteau de montage ou un appareil avec lequel l'isolation sera enlevée;
- pinces coupantes;
- niveau;
- pinces;
- marteau et burin (au cas où vous auriez besoin de faire un petit stroboscope ou un trou pour la douille).
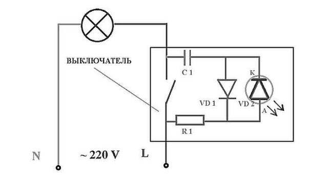
Dispositif
Connecter un interrupteur est une procédure simple, mais cela vaut la peine de savoir comment choisir un modèle de qualité ou comment refaire ce qui est déjà en stock. Le rétroéclairage de l'interrupteur est généralement une connexion en série d'une lampe LED/néon avec une résistance. Ce petit circuit est connecté en parallèle avec le contact de l'interrupteur. Il s'avère que, que la lumière soit allumée ou éteinte, ce circuit est sous tension tout le temps.
Avec cette connexion, lorsque l'éclairage est éteint, le circuit suivant est créé : la phase passe par une résistance de limitation de courant, traverse une LED ou une lampe au néon, passe par les bornes de connexion à une ampoule, et par une incandescence filament au neutre. C'est-à-dire que le rétroéclairage est allumé.
Lorsque l'interrupteur est allumé, le circuit de rétroéclairage est shunté par un contact fermé dont la résistance est bien moindre. Le courant à travers le rétro-éclairage ne circule presque pas, il ne brûle pas (il peut brûler dans un tiers ou un quart de la "lueur").

Le principe de fonctionnement du rétroéclairage dans l'interrupteur
Comme déjà mentionné, une résistance de limitation de courant (résistance) est installée en série avec la LED ou la lampe au néon dans l'interrupteur. Sa tâche est de réduire le courant à une valeur acceptable. Étant donné que les LED et les lampes au néon nécessitent une quantité de courant différente, les résistances sont réglées sur des valeurs différentes :
- pour néon 0,5-1 MΩ et puissance dissipée 0,25 W :
- pour LED - 100-150 kOhm, dissipation de puissance - 1 W.
Mais connecter le rétroéclairage LED uniquement via une résistance n'est pas la meilleure option. Tout d'abord, la résistance devient très chaude. Deuxièmement, avec une telle connexion, il est possible qu'un courant inverse puisse circuler dans le circuit.Cela peut entraîner une panne de la LED. Troisièmement, dans les modèles avec rétroéclairage LED, la consommation électrique d'un interrupteur peut dépasser 300 W par mois. Cela semble un peu, mais si le rétro-éclairage est sur chaque touche de chaque interrupteur ... Il existe des schémas plus économiques et plus sûrs pour rétro-éclairer les touches de l'interrupteur.
avec diode
Tout d'abord, cela vaut la peine de résoudre le problème du courant inverse. Le courant inverse menace de faire tomber la LED, c'est-à-dire que le rétroéclairage sera inopérant. Ce problème est résolu très simplement - en installant une diode en parallèle avec l'élément LED.

Option d'éclairage dans l'interrupteur électrique
Avec ce schéma, la puissance dissipée de la résistance est d'au moins 1 W, la résistance est de 100-150 kOhm. La diode est sélectionnée avec des paramètres similaires à ceux de la LED. Par exemple, pour AL307, KD521 ou analogues conviennent. L'inconvénient du circuit est toujours le même : la résistance chauffe et le rétroéclairage "tire" beaucoup d'énergie.
Avec condensateur : pour économiser de l'électricité
Pour résoudre le problème d'une résistance chauffante et réduire le coût du rétroéclairage, un condensateur est ajouté au circuit. Les paramètres de la résistance changent également, puisqu'elle limite désormais la charge du condensateur. Le schéma ressemble à ceci.

Circuit d'éclairage des touches de l'interrupteur avec un condensateur
Paramètres de résistance - 100-500 OM, paramètres de condensateur - 1 mF, 300 V. Les paramètres de résistance sont sélectionnés expérimentalement. De plus, dans ce circuit, au lieu d'une diode conventionnelle, vous pouvez mettre un deuxième élément LED. Par exemple, sur la deuxième clé ou sur le côté opposé du boîtier.
Un tel schéma ne "tire" pratiquement pas l'électricité. Consommation mensuelle - environ 50 watts. Mais placer un condensateur dans un petit espace du boîtier est parfois problématique. Et le travail avec des lampes LED et à économie d'énergie n'est toujours pas garanti.
Un appareil qui contrôle deux groupes de luminaires
Schéma de câblage pour les interrupteurs à deux boutons
Il est conseillé d'installer un interrupteur double passe-partout dans une grande pièce où il est nécessaire de contrôler plusieurs appareils d'éclairage. Sa conception consiste en deux interrupteurs simples dans un boîtier commun. Le montage d'un appareil pour contrôler deux groupes vous permet d'économiser sur la pose du câble vers chacun des commutateurs simples.
Montage d'un interrupteur double passage
Un tel appareil est utilisé pour allumer la lumière dans la salle de bain et les toilettes ou dans le couloir et sur le palier, il est capable d'allumer les ampoules du lustre en plusieurs groupes. Pour installer un interrupteur traversant conçu pour deux ampoules, vous aurez besoin de plus de fils. Six cœurs sont connectés à chacun, car, contrairement à un simple commutateur à deux gangs, le commutateur d'intercommunication n'a pas de borne commune. Essentiellement, ce sont deux interrupteurs indépendants dans un seul boîtier. Le circuit de commutation d'un interrupteur à deux clés s'effectue dans l'ordre suivant:
- Des prises de courant pour les appareils sont installées dans le mur. Le trou pour eux est coupé avec un perforateur avec une couronne. Deux fils à trois conducteurs leur sont connectés via les stroboscopes dans le mur (ou un fil à six conducteurs du boîtier de commutation).
- Un câble tripolaire est connecté à chaque dispositif d'éclairage : fil neutre, terre et phase.
- Dans la boîte de jonction, le fil de phase est connecté aux deux contacts du premier interrupteur. Deux appareils sont interconnectés par quatre cavaliers. Les contacts des lampes sont connectés au deuxième interrupteur. Le deuxième fil des appareils d'éclairage est commuté avec le zéro provenant du tableau de distribution.Lors de la commutation des contacts, les circuits communs des interrupteurs se ferment et s'ouvrent par paires, garantissant que la lampe correspondante est allumée et éteinte.
Connexion d'un interrupteur croisé
Des interrupteurs à deux boutons sont également utilisés, si nécessaire, pour commander l'éclairage à partir de trois ou quatre endroits. Un interrupteur à double croix est installé entre eux. Son raccordement est assuré par 8 fils, 4 pour chaque fin de course. Pour l'installation de connexions complexes avec de nombreux fils, il est recommandé d'utiliser des boîtes de jonction et de marquer tous les câbles. Un boitier standard Ø 60 mm ne pourra pas accueillir un grand nombre de fils, il faudra augmenter la taille du produit ou fournir plusieurs paires ou acheter un boitier de dérivation Ø 100 mm.
Fils dans la boîte de jonction
Il est important de se rappeler que tous les travaux de câblage électrique et d'installation d'appareils sont effectués hors tension. Cette vidéo raconte l'appareil, le principe de connexion et l'installation des commutateurs pass-through:
Cette vidéo raconte l'appareil, le principe de connexion et l'installation des commutateurs pass-through:
Cette vidéo montre une expérience dans laquelle différentes manières de connecter des fils ont été testées :
Schéma de câblage
Le principe de connexion des interrupteurs
Schéma de câblage d'un interrupteur à deux gangs avec connexion via une boîte de jonction
Tout est écrit correctement dans l'article, mais je suis tombé sur le fait que l'électricien qui avait installé les interrupteurs auparavant n'avait pas laissé de fils de rechange dans la boîte, et lorsqu'un fil d'aluminium s'est cassé, j'ai dû bricoler pour construire ce fil. Je vous conseille de laisser une marge pour au moins deux réparations.
J'ai moi-même étudié pour devenir électricien et parfois je travaille à temps partiel comme électricien. Mais chaque année, voire chaque mois, de plus en plus de questions électriques voient le jour. Je travaille sur des appels privés. Mais votre innovation publiée est nouvelle pour moi. Le schéma est intéressant et sera certainement utile dans un proche avenir. J'essaie toujours de prendre l'avis d'électriciens "expérimentés".
Quels sont les avantages des interrupteurs à deux gangs ?
En taille, les modèles doubles ne diffèrent pas des modèles simples. Ceci est pratique s'il devient nécessaire de remplacer l'un par un autre.
Les commutateurs diffèrent par leur appareil. La partie travaillante du double comprend trois contacts : un en entrée et deux en sortie. Ce sont les contacts sortants qui commandent le fonctionnement de deux sources lumineuses (ou groupes) indépendantes.

Contacts entrants et sortants
L'installation d'appareils de commutation à 2 clés a ses avantages.
- Lors de l'installation de deux modèles à clé unique, il est nécessaire de tirer le câble vers chacun d'eux. En conséquence, leur remplacement par un seul appareil entraîne une réduction des coûts de main-d'œuvre et des économies de matériaux.
- Deux sources lumineuses distinctes peuvent être connectées à différentes touches et leur fonctionnement peut être contrôlé à partir d'un point. Par exemple, cela est pratique lors de la sortie de contacts à partir d'appareils dans les toilettes et la salle de bain, s'ils sont situés à proximité. De plus, conformément au PUE, il est permis de placer des interrupteurs uniquement à l'extérieur de ces locaux. De la même manière, il est possible de configurer l'inclusion de différents groupes de projecteurs. Ils peuvent être allumés alternativement ou simultanément (en appuyant sur les deux touches).
- Les commutateurs sont assez simples, faciles à installer et faciles à entretenir. Ils servent pendant longtemps sans perte de caractéristiques opérationnelles et esthétiques.
- Des interrupteurs doubles sont installés dans des locaux à des fins diverses : dans des appartements et des bureaux, des institutions publiques et dans la production. Les modèles résistants à l'humidité peuvent également être utilisés à l'extérieur.
- Ce n'est pas toujours pratique lorsque dans un lustre avec plusieurs ampoules elles fonctionnent toutes en même temps. L'installation d'un appareil à deux clés permet de faire du câblage en connectant un certain nombre de sources lumineuses à chacune d'elles. Ainsi, le travail du lustre devient plus fonctionnel et l'électricité est économisée lorsqu'il n'est pas nécessaire d'allumer toutes les lampes.

Interrupteur d'éclairage réglable
Prix des interrupteurs réglables
Variateur
Les inconvénients des appareils incluent des problèmes d'allumage de l'éclairage lorsque l'interrupteur tombe en panne. Puisqu'un appareil contrôle deux lampes à la fois, en cas de panne, les deux ne fonctionneront pas.
6 interrupteurs doubles lumineux : connexion indépendante
La connexion d'un interrupteur à deux gangs est aussi simple qu'un interrupteur à un gang. C'est juste que pas deux, mais trois cœurs sont placés dans le socket. L'un des noyaux est une phase, les deux autres sont destinés aux lampes ou aux lustres. C'est toutes les différences.
La phase, en règle générale, est plus susceptible d'être distinguée en rouge ou marron, et du lustre - noir ou blanc. En ramassant l'outil nécessaire, la «phase» est vérifiée avant la connexion, après quoi le fil est marqué (vous pouvez utiliser n'importe quoi - ruban électrique, vernis, marqueur).
Après avoir coupé l'alimentation, il est temps de connecter l'appareil au réseau 220 volts.

La connexion d'un interrupteur à deux boutons sur le secteur est légèrement différente de la connexion d'un seul interrupteur, il est donc facile à manipuler.
Sachant que la version à deux touches de l'appareil comporte trois bornes, dont une pour la phase et les deux autres pour le câblage de la lampe, vous devez d'abord trouver un petit schéma ou la lettre L - elle indique le point de connexion pour le fil de la "phase".
En l'absence de marques d'identification, procédez comme suit: la phase est connectée uniquement à la borne simple supérieure, les fils du lustre doivent être connectés aux doubles bornes inférieures.

Trois broches pour la connexion. Celui du haut est pour la phase. Ceux ci-dessous sont pour les fils du lustre
À la fin des travaux, il est nécessaire de vérifier l'éclairage. Appuyez d'abord sur une touche, puis sur une autre. S'il n'y a pas de problème et que tout s'allume, il ne reste plus qu'à l'installer dans la prise et à l'assembler.
Commençons par un simple: un schéma pour connecter un interrupteur simple à une ampoule
Le schéma le plus simple pour connecter un interrupteur avec une clé a été adopté par tout le monde dans un cours de physique à l'école. Pour que l'ampoule s'allume et s'éteigne, il vous suffit de fermer et d'ouvrir le circuit électrique. C'est ce que fait le commutateur.
Avant de commencer les travaux, examinez le câblage d'alimentation de l'interrupteur. Vous pouvez le faire à l'ancienne, comme le font les électriciens expérimentés, en divisant les fils en «comme ça» et «ta mère», mais il est préférable d'utiliser un tournevis indicateur. Lorsqu'il y a contact avec la ligne de phase, un œil rouge s'allume dessus.
Lorsque vous avez trouvé la phase, faites une sorte de marque sur le fil afin de ne pas le confondre avec la masse ou le zéro à l'avenir
Et encore un point important dans la préparation au travail. Préparez à l'avance du ruban électrique ou des connexions auto-serrantes.Les bouchons à vis ne sont pas le meilleur choix ; après quelques mois, ces contacts commenceront à s'affaiblir. Le ruban électrique est un matériau éprouvé, mais pas éternel. Les bornes auto-serrantes constituent une méthode de connexion pratique et fiable.
Et maintenant, nous allons examiner par étapes comment connecter correctement l'interrupteur d'éclairage.
Comment fonctionne l'alimentation séparée du lustre ?
Pour comprendre dans quel ordre connecter les fils dans l'interrupteur, vous devez comprendre comment l'électricité traverse le lustre, alimentant les lampes. Dans ce chapitre, nous traiterons de cette question.
Structure du lustre
Quelle que soit la complexité de la partie électrique de l'appareil, elle se terminera toujours par des conclusions à deux, trois ou quatre fils. Le plus simple ne peut être connecté qu'avec 2 fils. Le nombre de bornes ne nous dit rien sur leur destination. Explorons ce sujet en détail.
Bornier à la base du lustre
Sur la photo ci-dessus, vous pouvez voir un bornier classique avec deux fils de couleur qui en sortent.
Ainsi, un fil est la phase de travail, indiquée par la lettre latine L (fil noir, bien qu'il puisse s'agir de n'importe quel autre), et le second est zéro - la lettre N (des fils bleus sont utilisés pour cela dans tous les circuits). En fait, la lampe ne se soucie pas du contact auquel appliquer la phase, il est beaucoup plus important de savoir lequel des fils va à l'interrupteur
Schéma de connexion des luminaires aux interrupteurs à deux gangs
Étudiez attentivement le schéma présenté - nous nous intéressons aux lignes grises indiquant la phase. Il devient immédiatement clair qu'ils sont attirés par l'interrupteur à deux gangs. C'est un point très important, puisque certains électriciens ne suivent pas cette règle et laissent zéro y aller.
Nous revenons à nouveau à notre lustre à deux fils. Pour le connecter, vous avez besoin d'un interrupteur à clé unique qui coupera le fil de phase provenant de la boîte de jonction. Dans le même temps, le zéro s'étendra directement dans la boîte - il n'a pas besoin d'un commutateur, où il se connectera au zéro commun du réseau domestique. Tout est extrêmement simple et clair.
Luminaire à 3 fils
La photo montre la base de l'applique, mais cela n'a pas d'importance, le principe de fonctionnement et de connexion pour les autres lampes avec lustres est le même. Ici, nous voyons que trois fils sortent du boîtier de l'appareil. On sait déjà que le bleu c'est zéro, tout est clair avec le noir, mais il n'y avait pas de jaune-vert avant.
Nous ne pouvons connecter la mise à la terre que si elle est prévue dans le réseau électrique de la maison. Une masse commune sera affichée dans la boîte de jonction, vers laquelle convergeront les fils jaune-vert de tous les points électriques de la maison.
En fait, le schéma de câblage d'un tel lustre n'est pas différent de celui décrit précédemment et nécessite un interrupteur simple.
Lustre à 6 fils
La photo montre un lustre avec plusieurs bougies. Puisqu'il y a deux fils de chaque base, tous leurs fils s'étendront jusqu'à la base de l'appareil, bien que dans les bons lustres, le fabricant réalise lui-même tout le circuit d'alimentation et le cache souvent dans une partie cachée du boîtier.
Maintenant, regardez comment les fils sont torsadés ensemble - ils sont connectés ensemble par couleur. En fait, ils forment les deux mêmes fils dont nous avons parlé ci-dessus. C'est-à-dire qu'avec cette connexion, vous n'avez également besoin que d'un interrupteur simple.
schéma à trois fils
La dernière option est lorsque trois fils sortent du lustre, sans compter le sol, ou que vous faites vous-même une telle torsion - un exemple en est montré sur la photo ci-dessus. Regardons-le de plus près. Nous voyons que tous les fils neutres sont connectés ensemble et connectés à une borne Vago. Voici un exemple frappant de la façon dont le code couleur n'est pas respecté. Les fils de phase sont séparés dans un certain ordre, très probablement par un, et connectés à deux bornes. Un tel schéma nous indique que deux phases distinctes doivent être connectées au lustre pour allumer toutes les bougies. C'est exactement ce qui peut être fait avec un interrupteur à deux gangs.
La dernière étape - nous mettons les fils dans l'interrupteur
L'interrupteur est toujours installé sur le fil de phase, en l'ouvrant ou en le distribuant pour chaque phase du lustre (lors de l'utilisation d'interrupteurs à touches multiples). Les fils de terre, le cas échéant, sont présents dans le câblage électrique de l'appartement ou de la maison, contournez l'interrupteur, directement au lustre.
En règle générale, des interrupteurs à un, deux et trois gangs sont en vente. Leur schéma de connexion sera légèrement différent, vous devez donc envisager trois options.
- Connexion d'un interrupteur simple.
Ce schéma est le plus simple et vous permet uniquement d'allumer et d'éteindre toutes les lampes du lustre en même temps. Il s'utilise en présence de deux fils conducteurs au plafond, quel que soit le nombre de fils sortant du lustre.
Le raccordement direct de l'interrupteur consistera à le monter au mur et à inclure le fil de phase dans l'entrefer. Vous pouvez déterminer ce fil au point de connexion en touchant séquentiellement les fils d'entrée avec un tournevis indicateur.Au contact de la phase, la lueur de l'indicateur sera perceptible sur le tournevis. Si le voyant est éteint, cela signifie une connexion au fil neutre.
Connexion à un interrupteur à deux gangs.
Ici le schéma de raccordement sera compliqué par la présence de deux phases pour deux groupes de lampes dans le lustre. Par conséquent, au point d'eau, la phase est connectée à l'interrupteur de la manière décrite ci-dessus. A la sortie de l'interrupteur, il y aura déjà deux conclusions. Ce seront les phases pour chacun des groupes de lampes. Ils doivent être connectés aux fils appropriés qui courent le long du plafond jusqu'au lustre.
Connexion d'un lustre à un interrupteur à trois gangs.
De tels interrupteurs sont utilisés pour contrôler les lustres multipistes, dans lesquels il est possible de répartir les lampes en trois groupes indépendants. En conséquence, dans le câblage du plafond, un noyau libre supplémentaire doit être fourni, si nous comparons le circuit avec la connexion d'un interrupteur à deux gangs. Le reste des étapes sera similaire : une phase est connectée à l'entrée de l'interrupteur et des phases sont connectées à la sortie pour chacun des trois groupes de lampes.
Lors de l'installation de l'interrupteur, il est nécessaire de respecter scrupuleusement toutes les règles de sécurité. Sinon, les réparations dans l'appartement peuvent se transformer en tragédie. Par conséquent, tous les travaux de pose de câbles, de montage d'interrupteurs sur les murs et de câbles de connexion au plafond ne doivent être effectués que lorsque l'alimentation est coupée. Vous pouvez vous assurer qu'il est éteint avec le même tournevis indicateur. Au point d'entrée, lorsqu'il est connecté à tous les fils disponibles, le voyant ne doit pas s'allumer.
En général, il est tout à fait possible de connecter un lustre par soi-même, même avec les compétences minimales d'un électricien. Pour ce faire, vous ne devez suivre qu'une petite liste de règles :
- effectuer l'installation uniquement avec l'alimentation débranchée ;
- avant même de commencer à étudier en profondeur le schéma de connexion;
- essayez d'utiliser le moins de rallonges et de connexions filaires possible, en préférant des câbles solides.
Le résultat sera un fonctionnement sûr et à long terme des lustres avec n'importe quel nombre de bras dans les conditions d'éclairage les plus confortables.











































