- Comment connecter des tuyaux en polypropylène?
- Processus de travail
- Outils
- Montage
- Avantages et inconvénients du métal-plastique
- Comment installer le chauffage à partir de tuyaux en polypropylène?
- Choisissez le diamètre de votre chauffage
- Installation de chauffage à faire soi-même à partir de tuyaux en polypropylène
- Câblage de chauffage
- Installation de radiateurs
- Connexion de la batterie
- Données requises pour le calcul
- Avantages des tuyaux en polypropylène
- Comment installer le chauffage à partir de tuyaux en polypropylène
- Pression nominale
- Installation et câblage du système - installation
- Les principaux types de tuyaux en plastique (polypropylène)
- Types de tuyaux renforcés
- Recommandations pratiques
- Les principaux critères de choix des tuyaux
Comment connecter des tuyaux en polypropylène?
Il est facile et simple de travailler avec n'importe quel tuyau en propylène, leur raccordement par soudure ou raccords filetés, si nécessaire, n'est pas particulièrement difficile et tout le monde peut l'apprendre. Le matériau est coupé avec des ciseaux spéciaux ou une scie à métaux, et les tuyaux sont reliés les uns aux autres par des pièces de raccordement auxiliaires et par soudure. La soudure est une connexion assez fiable - de telles lignes peuvent très bien être encastrées dans les murs, sans crainte pour leur intégrité.Si les joints filetés des tuyaux métalliques étaient le point le plus faible du système de chauffage, ils nécessitaient un «emballage» soigneux, puis l'apparition de produits en propylène et la méthode de leur connexion - une soudure de haute qualité, ont éliminé ce problème pour toujours.
Processus de travail
Le montage par soudure est assez facile si vous utilisez des outils de haute qualité et des pièces de connexion propres et non défectueuses. Une condition importante pour une installation de haute qualité est le respect de la température souhaitée. Pour chaque diamètre de tuyau spécifique, une température de brasage spécifique doit être appliquée. Si les tuyaux étaient à l'extérieur ou à l'intérieur avec des températures basses ou élevées, ils doivent être maintenus à l'intérieur pendant au moins 12 heures pour les adapter aux conditions dans lesquelles ils seront installés.
Outils
Prêt-à-monter
Pour les travaux d'installation, vous aurez besoin d'outils spéciaux, et certains d'entre eux ne peuvent pas être remplacés par d'autres appareils improvisés :
1. Un appareil pour souder des tuyaux en propylène, ayant des buses (raccords et mandrins) de différents diamètres normalisés.

Machine à souder en position de travail
2. Ciseaux pour couper les tuyaux - s'ils ne sont pas disponibles, une scie à métaux ou une scie sauteuse feront l'affaire.
3. Mètre pliant et ruban à mesurer, ainsi qu'un marqueur pour les marques.
4. Un couteau tranchant pour nettoyer les extrémités des tuyaux après qu'ils ont été coupés des bavures et des copeaux. De plus, à ces fins, pour la coupe, vous pouvez utiliser un outil spécial - un rasoir, avec des couteaux bien aiguisés et réglés.
5. De plus, il est nécessaire d'avoir un schéma pré-compilé et soigneusement pensé du circuit de chauffage.
Montage
- En commençant le travail, le plan de schéma établi doit être gardé devant vos yeux tout le temps et, en s'appuyant sur lui, préparez des parties individuelles du contour.Pour ce faire, il est préférable de disposer les tuyaux le long des murs le long desquels passeront les autoroutes et, en mesurant sur place, de préparer des pièces individuelles.
- Après avoir préparé les tuyaux dans une certaine zone, la buse requise est installée sur la machine à souder et chauffée à la température souhaitée, qui dépend du diamètre et du type de matériau. La plupart des machines à souder modernes ont une gradation extrêmement claire sur le thermostat intégré.
- Ensuite, un élément de raccordement est essayé sur le tuyau - il peut s'agir d'un raccord, d'un té, d'une branche, d'un robinet et d'autres produits façonnés.

Variété d'éléments façonnés
Pour contrôler avec un marqueur, faire un repère sur la profondeur de pénétration. Le tuyau ne doit pas pénétrer trop profondément dans le raccord, mais doit y être fermement maintenu. S'il s'agit d'un raccord droit, il y a une saillie à l'intérieur qui arrêtera le tuyau au bon endroit.

Le processus de chauffage des pièces d'accouplement
L'élément de raccordement en forme et l'extrémité du tuyau sont placés respectivement sur le mandrin et l'accouplement de la machine à souder, de sorte qu'ils se réchauffent en même temps, et le temps de chauffage requis est noté, qui dépend de la taille du diamètre du tuyau et sur l'épaisseur de ses murs. Après avoir attendu l'intervalle requis, les pièces sont retirées des buses de l'appareil, puis le tuyau est progressivement inséré dans le raccord - les mouvements de torsion ne doivent pas être effectués. La profondeur de pénétration et le temps de maintien sont indiqués dans le tableau :
Paramètres pris en compte lors du soudage de tuyaux en polypropylène
Les pièces fixées doivent refroidir - cela se produit assez rapidement (les données sont également indiquées dans le tableau).
Avantages et inconvénients du métal-plastique
Faisons une réserve sur le fait que les tuyaux en métal-plastique pour le chauffage doivent être comparés aux tuyaux en polypropylène sur un pied d'égalité.Par conséquent, les joints amovibles sur les raccords pliables ne sont pas pris en compte - ils sont coûteux et peu fiables, bien qu'ils conviennent aux artisans sans expérience. Une bonne étanchéité ne sera assurée que par un joint à sertissage.
La condition s'applique également à la méthode de renforcement du tuyau, à titre de comparaison, nous prenons du métal-plastique et du PPR, renforcés d'aluminium. Parlons maintenant des avantages du métal-plastique:
- Avec une pince spéciale, il est assez simple d'installer le chauffage à partir de pièces en métal-plastique.
- Le tuyau est plié et fourni en bobines, et donc coupé en sections de la longueur requise, sans joints inutiles.
- L'allongement thermique du matériau est insignifiant et ne nécessite pas une approche scrupuleuse lors de la fixation de longues sections.
- L'installation par tous les temps est possible.
- La pose de n'importe quelle manière cachée est autorisée, y compris sous la chape avec les joints.

La couche de renfort du pipeline métal-plastique est uniquement en aluminium
Ce qui est mieux dans les systèmes métal-plastique, c'est la technologie des éléments de connexion. L'extrémité de la section coupée est calibrée, tirée sur le raccord et sertie avec des pinces, c'est tout. Vous avez besoin d'un minimum d'espace, puisqu'il n'est pas nécessaire de coller un fer à souder sain entre les pièces à assembler, les pinces sont appliquées après l'amarrage. À l'aide d'un ressort, le métal-plastique se plie bien sous un rayon de sécurité, ce qui simplifie grandement l'installation.
Séparément, il convient de parler du sol chaud, où il est d'usage de poser du métal-plastique ou du polyéthylène réticulé, mais pas du PPR. Ces matériaux n'ont pas besoin de compensation et se sentent bien à l'intérieur du monolithe, assurant un chauffage efficace de toute la surface. Il vaut la peine d'imaginer le polypropylène à leur place avec ses parois épaisses, son allongement et ses joints à 90 °, et cela devient immédiatement clair quels tuyaux sont meilleurs utiliser dans les sols chauds.

Pinces pour raccord à sertir - l'outil n'est pas bon marché, il vaut mieux les louer pour 1-2 installations
Parlons maintenant des inconvénients du métal-plastique, dont il y en a vraiment deux:
- coût élevé de tous les éléments;
- la gamme de tuyaux est limitée à un diamètre maximum de 63 mm (DN50).
Les partisans du chauffage à partir de polypropylène font constamment attention à un autre inconvénient du métal-plastique - une diminution de la zone d'écoulement au niveau des joints où se trouvent les raccords en laiton. Comme, cela conduit à une augmentation de la résistance hydraulique du réseau et à la "prolifération" rapide des passages lors du travail dans le système de chauffage central, où le liquide de refroidissement est sale
L'affirmation est vraie concernant les raccords pliables, ils ont vraiment un rétrécissement du diamètre par rapport au passage en métal-plastique.

haute qualité raccords pour assemblage à sertir métal-plastique les tuyaux ont également un rétrécissement, mais il n'est pas assez important pour affecter de manière significative l'hydraulique du système. Il vaut mieux les mettre en chauffage, surtout avec la pose cachée d'autoroutes. Le même avis est partagé par notre expert Vladimir Sukhorukov, dont nous vous recommandons de regarder la vidéo :
Comment installer le chauffage à partir de tuyaux en polypropylène?
Voyons quelques exemples pratiques soudure du pipeline à partir d'un tuyau en polypropylène.
La soudure se fait avec un fer à souder spécial :
Chaque fer à souder possède un régulateur de température (1). La température de soudage du polypropylène est fixée à 270 degrés. Le chauffage du tuyau avec un fer à souder ne dure pas plus de 5 secondes.
Les éléments suivants doivent être pris en compte.Si le travail a lieu à l'extérieur par temps froid, ou dans une pièce froide, le temps de soudure augmente, car le fer à souder refroidit rapidement.
Dans ce cas, vous devez soit augmenter la température de chauffage du fer à souder, soit augmenter le temps de chauffage. Le temps de chauffe augmente également lors du soudage de tuyaux de plus gros diamètres, comme l'illustre le tableau suivant :
En fait à souder. Il y a deux buses sur le fer à souder : une pour chauffer le diamètre intérieur, l'autre pour le diamètre extérieur. En même temps, les deux parties censées être connectées sont chauffées :
Nous appuyons uniformément sur les deux parties, comme l'une vers l'autre - dans le sens des flèches rouges sur la photo :
Au fur et à mesure qu'il chauffe, le raccord atteint le bord et un rebord apparaît également sur le tuyau. Après le chauffage, retirez les pièces des buses et accrochez-les les unes aux autres :
Après avoir connecté les pièces chauffées, elles doivent être fixées pendant un certain temps
Après l'amarrage, maintenez les pièces jusqu'à 30 secondes - afin qu'elles refroidissent et que la connexion se durcisse. Le bordage du tuyau doit être uniforme sur toute la circonférence du raccordement.
C'est ainsi que tout le polypropylène est soudé, quel que soit le diamètre du tuyau et sa destination, qu'il s'agisse d'un système de chauffage ou d'alimentation en eau. La seule différence, comme mentionné ci-dessus, est le temps de soudure : plus le diamètre du tube est grand, plus il faut de temps pour chauffer et fixer après connexion.
Un accessoire de fer à souder a été développé pour faciliter davantage la vie déjà simple d'un installateur.
La buse vous permet de déterminer avec précision le moment où les pièces à souder sont déjà suffisamment chauffées. Dans une telle buse, il y a un trou spécial:
- par lequel sort le polypropylène fondu. Dès qu'il est apparu dans le trou:
- c'est un signal : nous retirons et amarrons les pièces.Vous n'avez pas besoin d'utiliser une horloge ou de compter les secondes vous-même.
Il existe également une buse en céramique qui empêchera ce genre de tuyau de fondre :
L'avantage d'une telle connexion (sans utilisation de métal) est qu'en raison de l'absence de composés métalliques, les sels de dureté ne se développent pas dans ces zones. Et également après soudure, une connexion monolithique est obtenue.
Lorsque vous travaillez avec du polypropylène, vous devez prendre en compte toutes les étapes à l'avance - afin de ne pas entrer dans des moments inconfortables. De tels "moments" peuvent se produire lorsque, par exemple, vous devez souder dans un espace limité, etc.
Par conséquent, avant de souder, il est préférable de dessiner un schéma de pipeline sur un morceau de papier (en partant de la chaudière) et de noter la séquence des étapes.
Choisissez le diamètre de votre chauffage
Ne comptez pas sur le fait que vous pourrez immédiatement choisir le bon diamètre de tuyau pour chauffer votre maison. Le fait est que vous pouvez obtenir l'efficacité souhaitée de différentes manières.
Maintenant plus en détail
Quelle est la chose la plus importante dans un bon système de chauffage ? La chose la plus importante est le chauffage uniforme et la distribution de liquide à tous les éléments chauffants (radiateurs)
Dans notre cas, ce processus est constamment soutenu par une pompe, grâce à laquelle, pendant une période de temps spécifique, le liquide se déplace à travers le système. Par conséquent, nous ne pouvons choisir que parmi deux options :
- acheter des tuyaux de grande section et, par conséquent, un faible débit d'alimentation en liquide de refroidissement;
- ou un tuyau de petite section, naturellement la pression et la vitesse du fluide augmenteront.
Logiquement, bien sûr, il vaut mieux choisir la deuxième option pour le diamètre des tuyaux de chauffage d'une maison, et pour ces raisons :
avec la pose de tuyaux externes, ils seront moins visibles;
avec une pose intérieure (par exemple, dans un mur ou sous un sol), les rainures dans le béton seront plus précises et il est plus facile de les marteler;
plus le diamètre du produit est petit, moins il est cher, bien sûr, ce qui est également important ;
avec une section de tuyau plus petite, le volume total du liquide de refroidissement diminue également, grâce à quoi nous économisons du carburant (électricité) et réduisons l'inertie de l'ensemble du système.
Oui, et travailler avec un tuyau fin est beaucoup plus facile et plus facile qu'avec un tuyau épais.
Installation de chauffage à faire soi-même à partir de tuyaux en polypropylène
Polypropylène les tuyaux sont connectés à raccords filetés ou non filetés. Les raccords filetés sont à la fois détachables et monoblocs.
Lors de l'installation du chauffage à partir de tuyaux en polypropylène, vous devez être guidé par les conditions techniques suivantes:
-
les tuyaux en polypropylène doivent être posés à l'écart des sources d'incendie ouvertes;
-
s'il est nécessaire d'installer un réservoir ou un compteur d'eau, il est préférable d'utiliser des raccords filetés et fendus. Les raccords monoblocs sont utilisés uniquement avec des tuyaux flexibles ;
-
l'utilisation de raccords sales et déformés, ainsi que l'auto-filetage n'est pas autorisé;
-
en cas de jonction de segments pairs ou raccords de tuyaux en polypropylène différents diamètres, vous devez utiliser des raccords ;
-
ne pas plier tuyau en polypropylène dans les lieux de rotation, lors de l'installation, vous devez utiliser un carré spécial;
-
des tés sont utilisés aux points de branchement.
Après vous être familiarisé avec les conditions obligatoires pour les travaux, vous pouvez commencer le processus d'installation.
Câblage de chauffage
Comme nous l'avons dit précédemment, pour la commodité du travail, pour économiser du temps et de l'argent, ainsi que pour atteindre l'efficacité maximale du système assemblé, il est nécessaire d'indiquer l'emplacement des éléments suivants dans le projet :
-
coins;
-
accouplements;
-
équipement de chauffage;
-
attaches.
Le pipeline s'approche des batteries par le bas ou par le côté et est réalisé selon un schéma à un ou deux tuyaux.

Installation de radiateurs
Avant de connecter le tuyau en polypropylène à la batterie, la batterie doit d'abord être assemblée, équipée des éléments de réglage nécessaires et fixée au mur.
L'installation d'un radiateur de chauffage s'effectue comme suit:
-
Nous appliquons des marquages aux endroits où les batteries seront installées. Selon SNiP, il doit y avoir un espace d'au moins 2 cm entre le radiateur de chauffage et le mur, et la distance entre la batterie et le sol doit être de 10-15 cm.
-
Nous installons des supports pour suspendre le radiateur de chauffage. Pour ce faire, vous aurez besoin d'un niveau pour que le radiateur soit suspendu uniformément et de clous à cheville pour fixer les supports au mur.
-
Ensuite, le radiateur de chauffage est installé sur les supports.
Selon ce schéma, l'installation toutes les batteries de la pièce.
Connexion de la batterie
La procédure de raccordement d'un tuyau de chauffage en polypropylène à un radiateur sera la suivante:
-
Nous commençons par fixer l'adaptateur au radiateur. Il faut se rappeler que pour connecter des tuyaux en polypropylène à un radiateur de chauffage en aluminium, des raccords spéciaux sont utilisés, qui diffèrent de ceux qui relient des tuyaux en polypropylène à des batteries en fonte.
-
Nous connectons une vanne à boisseau sphérique, une vanne de radiateur ou une vanne de réglage au raccord installé.
-
Nous connectons des tuyaux en polypropylène à cette grue.
-
Selon les étapes ci-dessus, la sortie de la batterie est connectée au tuyau de chauffage.
Ce sont les principales étapes du raccordement des tuyaux en PP aux radiateurs de chauffage.
Lisez le matériel sur le sujet: Comment changer le radiateur de chauffage sans erreur
Données requises pour le calcul
La tâche principale des tuyaux de chauffage est de fournir de la chaleur aux éléments chauffés (radiateurs) avec des pertes minimales. À partir de là, nous nous baserons sur le choix du diamètre de tuyau correct pour chauffer une maison. Mais pour tout calculer correctement, vous devez savoir:
- longueur du tuyau ;
- perte de chaleur dans le bâtiment ;
- puissance de l'élément ;
- quelle sera la tuyauterie (circulation naturelle, forcée, monotube ou bitube).
L'élément suivant après avoir sous la main toutes les données ci-dessus, vous devrez esquisser un schéma général: comment, quoi et où il sera situé, quelle charge thermique chaque élément chauffant transportera.
Ensuite, il sera possible de commencer à calculer la section souhaitée du diamètre du tuyau pour chauffer la maison. Vous devez également être prudent lors de l'achat:
- les tuyaux en métal-plastique et en acier sont marqués par la taille du diamètre intérieur, il n'y a aucun problème ici;
- mais polypropylène et cuivre - selon le diamètre extérieur. Par conséquent, nous devons soit mesurer nous-mêmes le diamètre intérieur avec un pied à coulisse, soit soustraire l'épaisseur de la paroi du diamètre extérieur du tuyau pour chauffer la maison.
N'oubliez pas cela, car nous avons besoin exactement du "diamètre intérieur du tuyau pour chauffer la maison" afin de tout calculer correctement.

Avantages des tuyaux en polypropylène
Vous pouvez économiser sur le chauffage domestique en installant un système de chauffage composé de tuyaux en polypropylène. Après tout, les produits polymères et leur installation coûtent moins cher que les pièces métalliques.
Concept de construction
Cela vous permet de poser des communications techniques durables à faible coût, car les tuyaux en PP dans des conditions standard dureront 50 ans. Ils diffèrent également :
- Poids léger, ce qui simplifie le processus d'installation et réduit la charge sur les structures de support du bâtiment.
- Bonne ductilité pour éviter la rupture lorsque l'eau gèle à l'intérieur des pièces tubulaires.
- Faible colmatage grâce aux parois lisses.
- Résistant aux hautes températures.
- Assemblage facile avec un équipement de soudage spécial.
- Excellentes propriétés d'insonorisation. Par conséquent, le bruit de l'eau en mouvement et des coups de bélier n'est pas entendu.
- Conception soignée.
- Faible conductivité thermique, ce qui permet de ne pas utiliser de matériau isolant.
Contrairement à tuyaux en réticulé polypropylène polyéthylène ne peut pas être plié en raison de son élasticité accrue. La flexion de la communication est réalisée à l'aide de ferrures.
Le polypropylène a également une expansion linéaire élevée. Cette propriété rend difficile la pose dans les structures du bâtiment. Après tout, la dilatation des tuyaux peut entraîner une déformation du matériau principal et de finition des murs. Pour réduire cette propriété lors d'une installation ouverte, des compensateurs sont utilisés.
Comment installer le chauffage à partir de tuyaux en polypropylène
Parmi les nombreuses façons d'installer des tuyaux en polypropylène, on note celles qui ont prouvé leur efficacité depuis des années. Voici les dispositions et installations de tuyaux les plus populaires :
• Installation avec déversement supérieur. Avec cette méthode d'installation des tuyaux de chauffage, l'installation d'une pompe de circulation n'est pas nécessaire, car le liquide de refroidissement se déplace dans les tuyaux par gravité.

Cette méthode est bonne dans les maisons sujettes à de fréquentes pannes de courant.
• Installation avec déversement de fond et tuyauterie radiale. Avec cette méthode de montage des tuyaux de chauffage, on utilise des tuyaux en plastique ou en métal-plastique, faciles à plier. Ainsi, un pipeline ramifié est obtenu.

Cette méthode est plus largement utilisée que la précédente, car elle vous permet de monter le pipeline de manière ergonomique dans presque toutes les pièces, quel que soit le type de murs, sols, pentes, ascenseurs, tuyauteries et autres nuances de la pièce.
À choisir la deuxième méthode d'installation systèmes de chauffage en tuyaux de polypropylène, vous obtiendrez les avantages suivants :
-
haute efficacité du système de chauffage;
-
lors de l'installation d'une pompe capable de fournir la pression nécessaire, vous pouvez utiliser des tuyaux en polypropylène de plus petit diamètre sans perdre l'efficacité du processus de chauffage;
-
vous pouvez enlever les tuyaux au sol, les remplir d'une chape, sans craindre qu'ils ne se cassent ou ne perdent leur fonctionnalité.
Pression nominale
Les lettres PN sont la désignation de la pression de service autorisée. Le chiffre suivant indique le niveau de pression interne en bar que le produit peut supporter pendant une durée de vie de 50 ans à une température d'eau de 20 degrés. Cet indicateur dépend directement de l'épaisseur de paroi du produit.
p, bloc de citation 11,0,0,0,0 ->
PN10. Cette désignation a un tuyau à paroi mince peu coûteux, dont la pression nominale est de 10 bars. La température maximale qu'il peut supporter est de 45 degrés. Un tel produit est utilisé pour le pompage d'eau froide et le chauffage par le sol.
p, guillemet 12,0,0,0,0 ->
PN16. Pression nominale plus élevée, température du fluide limite plus élevée - 60 degrés Celsius. Un tel tuyau est considérablement déformé sous l'influence d'une forte chaleur, il ne convient donc pas pour une utilisation dans des systèmes de chauffage et pour l'alimentation en liquides chauds. Son but est l'approvisionnement en eau froide.
p, guillemet 13,0,0,0,0 –>
PN20. Un tuyau en polypropylène de cette marque peut supporter une pression de 20 bar et température jusqu'à 75 degrés Celsius. Il est assez polyvalent et est utilisé pour fourniture de chaud et de froid l'eau, mais ne doit pas être utilisée dans le système de chauffage, car elle a un coefficient de déformation élevé sous l'influence de la chaleur. À une température de 60 degrés, un segment d'un tel pipeline de 5 m est prolongé de près de 5 cm.
p, guillemet 14,0,0,1,0 ->
PN25. Ce produit présente une différence fondamentale par rapport aux types précédents, car il est renforcé avec du papier d'aluminium ou de la fibre de verre. En termes de propriétés, le tuyau renforcé est similaire aux produits métal-plastique, est moins sensible aux effets de la température et peut résister à 95 degrés. Il est destiné à être utilisé dans les systèmes de chauffage, ainsi que dans GVS.
p, guillemet 15,0,0,0,0 ->
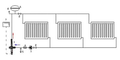
Installation et câblage du système - installation
Pour la construction d'un circuit de chauffage dans une maison privée, vous devez prendre en compte certains détails. Il existe différents schémas de câblage du système
Il est important de choisir et de concevoir l'option la plus optimale. La circulation des porteurs peut être naturelle ou forcée
Dans certains cas, la première option est pratique, dans d'autres, la seconde.
La circulation naturelle se produit en modifiant la densité du fluide. Les médias chauds se caractérisent par un indice de densité plus faible.L'eau au retour est plus dense. Ainsi, le liquide chauffé monte le long de la colonne montante et se déplace le long de lignes horizontales. Ils sont montés à un léger angle de pas plus de cinq degrés. La pente permet au média de se déplacer par gravité.

Le schéma de chauffage, qui fonctionne sur la base de la circulation naturelle, est considéré comme le plus simple. Pour effectuer son installation, vous n'avez pas besoin d'être hautement qualifié. Mais il ne convient que pour les petits bâtiments. La longueur de la ligne dans ce cas ne doit pas dépasser trente mètres. Parmi les inconvénients de ce schéma, on peut distinguer la basse pression à l'intérieur du système et la nécessité d'utiliser des canaux de section importante.
La circulation forcée implique la présence d'une pompe de circulation spéciale. Sa fonction est d'assurer le déplacement du porteur le long de l'autoroute. Lors de la mise en œuvre d'un schéma avec mouvement de fluide forcé, il n'est pas nécessaire de créer une pente de contour. Parmi ses lacunes, on peut distinguer la dépendance énergétique du système. En cas de panne de courant, le mouvement des supports dans le système sera entravé. Par conséquent, il est souhaitable que la maison dispose de son propre générateur.

Le câblage se fait :
- Tuyau unique.
- Bitube.
La première variante est mise en œuvre par un écoulement séquentiel du support à travers tous les radiateurs. Ce régime est économique. Pour sa mise en œuvre, un nombre minimum de tuyaux et de raccords pour eux est requis.
Pour ce faire, vous devez utiliser le schéma de câblage dit "Leningrad".

Cela implique l'installation de tuyaux de dérivation et de vannes sur chaque radiateur. Ce principe permet d'assurer une circulation ininterrompue du support lorsqu'une éventuelle batterie est coupée.
L'installation d'un système de chauffage à deux tuyaux dans une maison privée consiste à connecter le courant inverse et continu à chaque radiateur. Cela augmente la consommation de canal d'environ deux fois. Mais la mise en œuvre de cette option vous permet d'ajuster le transfert de chaleur dans chaque batterie. Ainsi, il sera possible d'ajuster le régime de température dans chaque pièce individuelle.
Le câblage bitube est de plusieurs types :
- verticale inférieure;
- verticale supérieure ;
- horizontal.
Le câblage vertical inférieur signifie démarrer le circuit d'alimentation le long du plancher de l'étage inférieur du bâtiment ou de son sous-sol. Ensuite, à partir de la ligne principale, le porteur monte par les colonnes montantes et pénètre dans les radiateurs. De chaque appareil, il y a un "retour", délivrant le liquide refroidi à la chaudière. Pour mettre en œuvre ce schéma, vous devez installer un vase d'expansion. Il est également nécessaire d'installer des grues Mayevsky sur tous les appareils de chauffage situés aux étages supérieurs.

Le câblage vertical supérieur est disposé différemment. De l'unité de chauffage, le liquide va au grenier. Ensuite, le transporteur descend à travers plusieurs contremarches. Il traverse tous les radiateurs et revient à l'unité par le circuit principal. Un vase d'expansion est nécessaire pour évacuer l'air de ce système. Ce schéma est plus efficace que le précédent. Puisqu'il y a une pression plus élevée à l'intérieur du système.

Schéma de câblage bitube horizontal le type à circulation forcée est le plus populaire.
Il se décline en trois variétés :
- à distribution radiale (1);
- avec mouvement associé de fluide (2);
- impasse (3).
La variante avec répartition du faisceau consiste à connecter chaque batterie à la chaudière.Ce principe de fonctionnement est le plus pratique. La chaleur est uniformément répartie dans toutes les pièces.
L'option avec mouvement fluide associé est assez pratique. Toutes les lignes menant aux radiateurs sont de longueur égale. Le réglage d'un tel système est assez simple et pratique. Pour installer ce câblage, vous devez acheter un nombre important de canaux.
Cette dernière option est mise en œuvre en utilisant un petit nombre de canaux. Moins - une longueur importante du circuit de la batterie distante, ce qui complique le réglage du système.

Les principaux types de tuyaux en plastique (polypropylène)
Selon GOST, il existe quatre principaux types de tuyaux en polypropylène :
- l'homopolymère de polypropylène (PPH) est un matériau solide qui ne résiste pas aux basses températures. Fabriqués à partir de ce matériau, ils sont pour la plupart utilisés dans la construction de pipelines dans l'industrie. Le diamètre varie de 20 à 110 mm ;
- Le copolymère séquencé (PPB) est l'un des types de polymères, qui comprend souvent 20 à 30 % d'additifs en polyéthylène. Cela donne aux produits la capacité de résister aux basses températures et une excellente flexibilité de communication. Ce matériau est utilisé pour créer des raccords et des tuyaux en PP résistants aux chocs ;
- copolymère statique de propylène avec éthylène (PPRC, PPR). Les règles et le marquage GOST recommandent l'utilisation de tels tuyaux à une température du fluide de travail ne dépassant pas 70 ° C. Les caractéristiques techniques du matériau permettent de l'utiliser lors de l'installation de conduites de chauffage ou d'alimentation en eau. Diamètre - de 16 à 110 mm;
- PP spécial. Possède une stabilité thermique et des caractéristiques opérationnelles élevées. Convient aux liquides dont la température ne dépasse pas 95°C. Ce type a acquis une grande popularité.
L'inconvénient des conduites en polypropylène est qu'avec une augmentation de la température du fluide de travail, leur dilatation thermique (allongement) se produit. Pour éviter cela, tuyaux en polypropylène pour le chauffage est en plus renforcé.
Les tuyaux en polypropylène renforcé pour le chauffage ont un rendement plus élevé et augmentent la durée de vie globale du pipeline.
Selon les experts de GOST, les analogues métalliques des produits en polypropylène deviennent inefficaces après un an, car les températures élevées provoquent une érosion interne du système de canalisation métallique.

Installation de tuyaux en métal-plastique à l'aide de raccords à sertir
Bien sûr, ce fait affecte considérablement le processus de chauffage d'une maison, rendant les conduites de chauffage en acier non conformes aux conditions GOST. L'étiquetage vous aidera à choisir le bon type de produit pour vous.
Types de tuyaux renforcés
Pour le choix optimal d'un tuyau en polypropylène, vous devez d'abord vous familiariser avec les méthodes de renforcement de ce produit.
Il existe cinq types d'augmentation de l'efficacité des tuyaux en polypropylène:
- Renfort en tôle d'aluminium pleine. Le côté extérieur du tuyau en polypropylène est recouvert d'une feuille d'aluminium solide, lors du processus de connexion, la couche d'aluminium est retirée à une distance d'environ 1 millimètre.
- Le renforcement avec une tôle d'aluminium perforée est également effectué le long de la surface extérieure et la tôle est coupée de la même manière: lors du raccordement de 1 millimètre.
- Renforcement interne du tube en aluminium. Les parois sont renforcées plus près de l'intérieur ou au milieu du produit technique. Selon les fabricants, ce type ne nécessite pas de pré-nettoyage avant le soudage.
- Renfort en fibre de verre.Le processus se déroule dans la partie centrale et les parties extérieure et intérieure sont en polypropylène.
- Renfort composite. Afin de renforcer les canalisations, un matériau composite est utilisé : un mélange de polypropylène et de fibre de verre. Dans les tuyaux de ce type, le polypropylène est utilisé pour la production de surfaces internes et externes, entre lesquelles un composite (polypropylène lié à de la fibre de verre) est posé.
Le type optimal pour les systèmes de chauffage sont les tuyaux renforcés de composite. Les tuyaux en PP avec fibre de verre maximisent la résistance et minimisent la dilatation linéaire.
Les violations techniques de l'intégrité dues à l'expansion linéaire entraînent un gonflement et une rupture du matériau le long de la ligne de couture.
Il est peu probable que vous souhaitiez que le projet devienne plus coûteux en raison de la mauvaise qualité de l'installation du système de chauffage de vos propres mains. Choisissez donc des produits techniques de haute qualité et calculez votre force.
De plus, il est important de considérer le diamètre du tuyau en polypropylène. Les PP de grande taille ne sont pas utilisés pour déplacer le caloporteur, en raison de la charge importante qui peut ramollir les lignes de polymère
Recommandations pratiques
Le mauvais choix des diamètres de produit est source de nombreux problèmes : fuites (dues à des chocs hydrodynamiques ou à une surpression dans la conduite), augmentation de la consommation d'électricité (carburant) due à un faible rendement du système, et bien d'autres. Il ne faut donc pas le monter selon le principe "comme un voisin (parrain, beau-frère)".
Si le circuit est constitué de conduites dissemblables, des calculs spéciaux devront être effectués pour chaque section (ligne) de l'itinéraire. Séparément - pour le plastique, le métal (acier, cuivre), appliquez différents coefficients, etc.
Seul un spécialiste peut résoudre un tel problème. Dans de telles situations, cela ne vaut pas la peine de faire les calculs vous-même, car l'erreur peut être très importante. Les services d'un professionnel coûteront beaucoup moins cher que la modification ultérieure des communications, et même pendant la saison de chauffage.
Le raccordement de tous les appareils (vase d'expansion, batteries et autres) du circuit s'effectue avec des tuyaux de même section.
Pour l'exclusion formation de poches d'air (en cas d'erreurs dans les calculs) des soi-disant bouches d'aération doivent être installées sur chaque ligne.
Les principaux critères de choix des tuyaux
Afin de sélectionner raisonnablement et correctement les tuyaux pour un système de chauffage domestique, les éléments suivants sont pris en compte:
- type d'installation du complexe de pipelines - en surface ou caché (interne);
- puissance de pression estimée - une évaluation de la plage allant des indicateurs de base aux indicateurs maximaux possibles;
- type de système de chauffage - communications autonomes ou centrales avec gravité ou circulation forcée de la composition chauffante;
- la température maximale pour laquelle le liquide de refroidissement est conçu ;
- caractéristiques de configuration des équipements de chauffage - complexe monotube ou bitube.
Ne connaissant que tous ces facteurs, ils commencent à choisir le type de matériau qui se manifestera le plus efficacement dans les conditions spécifiques spécifiées.














































