- Ventilation naturelle dans une maison en bois
- Technologie de pose des conduits de ventilation
- Conception d'aération
- Description de vidéo
- Conclusion
- Calcul des performances du système
- Pourquoi avez-vous besoin d'une hotte dans une maison privée avec un poêle ou une cheminée
- Réduction supplémentaire de l'humidité
- Types d'appareils et photos
- Naturel
- Forcé
- Combiné
- Conseils supplémentaires
- Prix des unités de ventilation
- Sélection de la section des conduits de ventilation
- Comment faire fonctionner et entretenir un SPE
- La nécessité d'un système de ventilation
- Types de systèmes de ventilation pour un chalet
- Échange d'air naturel
- Ventilation mécanique dans la maison
- Calculs
- Appareil de ventilation à faire soi-même dans une maison privée
- Étape #1 Calculs
- Étape #2 Ventilation naturelle : Améliorer les paramètres
- Étape numéro 3 Systèmes de ventilation d'alimentation et d'extraction
- Étape numéro 4 Ventilation à faire soi-même dans un schéma de maison privée
- Conclusions et vidéo utile sur le sujet
Ventilation naturelle dans une maison en bois
Un fait intéressant est que les cabanes en rondins russes traditionnelles n'ont pas besoin d'améliorations supplémentaires pour la ventilation naturelle. Les processus d'échange d'air traversent ici littéralement les murs, grâce à l'excellente respirabilité du bois naturel. Un autre canal d'échange d'air est la cheminée du four.
Les bâtiments en bois modernes sont une tout autre affaire.
Ici, diverses solutions d'étanchéité sont de plus en plus rencontrées :
- Profilage à la machine de sections jointes de surfaces en bois.
- Traitement des coutures avec des composés d'étanchéité.
- Revêtement des plafonds avec des films vapeur, hydro et coupe-vent.
- Installation de fenêtres en plastique scellées à double vitrage.

Les murs en bois eux-mêmes sont souvent traités avec des composés protecteurs toxiques. Le chauffage des fournaises devient également progressivement une chose du passé.
Toutes ces mesures ont clairement un effet positif sur l'efficacité thermique et le confort de la maison, mais en même temps rendent obligatoire la construction d'un système de ventilation.
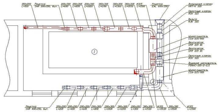
Technologie de pose des conduits de ventilation
Lorsqu'il existe un plan d'aménagement du système de ventilation dans la maison, il reste à le mettre en œuvre. Pour cela, tous les composants du futur système indiqués dans le schéma précédemment élaboré sont acquis. Chaque maison aura ses propres caractéristiques.

Pour un flux d'air naturel à l'intérieur de la maison, des fenêtres de micro-ventilation ou des vannes murales doivent être installées.
Lors de l'installation d'un système de type naturel, les gaines de ventilation sont d'abord disposées dans le mur - séparément pour la cuisine, la chaufferie / chaufferie, la salle de bain ou la salle de bain et les toilettes. Ensuite, des grilles décoratives sont installées. Pour que ces canaux remplissent leur rôle, vous ne devez pas oublier la hauteur autorisée au-dessus du niveau du toit.

En option, vous pouvez mettre des grilles de plafond dans les pièces si le grenier est équipé d'une fenêtre pour une libre circulation de l'air
Si vous souhaitez équiper une ventilation mécanique ou mixte dans la maison, il vous faut installer des tuyaux de ventilation. Pour cela, le grenier est utilisé. Lorsque cela n'est pas possible, les conduits de ventilation sont disposés sous le plafond de la maison.Ensuite, ils doivent être masqués de toute manière pratique.
Les ouvertures d'alimentation et d'échappement dans les tuyaux de ventilation sont formées par des distributeurs d'air. Les équipements de réception et d'éjection, si nécessaire, peuvent être équipés d'un système de chauffage électrique. Si nécessaire, des clapets anti-retour doivent être installés, en traitant soigneusement les joints avec du mastic.
Les tuyaux de ventilation sont fixés avec des colliers ou autres attaches prévues à cet effet. Tous les joints sont solidement scellés. À l'avenir, ce sera la clé de l'excellent fonctionnement de l'ensemble du système.

Les tuyaux peuvent être utilisés rectangulaires ou ronds. Le diamètre des tuyaux de ventilation est sélectionné en fonction des calculs
Les ventilateurs sont montés conformément aux instructions qui leur sont jointes. Si des systèmes complexes doivent être installés, l'équipement est installé conformément aux recommandations du fabricant. Sinon, vous pouvez annuler la garantie.
Conception d'aération
Projet d'unité de ventilation - que faut-il impérativement prendre en compte ?
L'emplacement des conduits d'aération doit être logique et ne peut pas bloquer les sources lumineuses, violer la stabilité de la structure de la maison et défigurer l'intérieur. Tous les conduits d'air doivent être prévus aussi courts que possible, et à proximité du ventilateur central, faire un raccordement à l'égout pour évacuer le condensat qui se forme dans l'échangeur de chaleur. Les conduits de ventilation doivent être scellés et isolés avec de la laine minérale. Le diamètre du conduit doit être choisi de manière à obtenir un débit d'air suffisant. L'utilisation de tuyaux de diamètres inférieurs à ceux justifiés par le concepteur entraînera une augmentation de la résistance de l'installation, ce qui entraînera une violation de son fonctionnement et une augmentation du niveau de bruit.
Description de vidéo
Pour les bases de la conception de la ventilation, voir la vidéo :
Tout projet de ventilation futur est réalisé en tenant compte obligatoirement des taux de renouvellement d'air pour chaque pièce individuelle et en général pour l'ensemble du bâtiment. Conformément aux normes et exigences, l'échange d'air doit respecter les indicateurs suivants :
- chambre 3 m3/h pour chaque 1 m2 de locaux d'habitation ;
- salle de bains, toilettes, salle d'eau 25 m3/h ;
- salle combinée 50 m3/h, 25.
Les paramètres sont indiqués pour la température pendant la saison froide, la température intérieure est de 16-25 °C.
Le bon fonctionnement de la ventilation fait l'objet d'une attention particulière lors de la conception des systèmes de maison intelligente.
Après la création du projet, l'installation de la ventilation peut être effectuée, sur laquelle seuls des spécialistes doivent également travailler. Le processus lui-même se déroule en plusieurs étapes - la préparation du schéma et le projet de la maison. Dans ce cas, toutes les autres communications et systèmes doivent être pris en compte. L'installation et la conception de la ventilation dans les maisons de campagne est une procédure assez compliquée et les erreurs ne peuvent pas être commises ici. Sinon, ils ne pourront pas atteindre leurs objectifs. Par exemple, le système de ventilation nécessite des actions préparatoires :
- détermination de la capacité des réseaux électriques, de leur pose et de la réduction éventuelle de la consommation d'énergie ;
- la possibilité d'installer des équipements spéciaux, ainsi que la disposition des conduits d'air;
- choix des équipements en tenant compte des caractéristiques des locaux et des conditions d'exploitation ;
- installation de tous les équipements sélectionnés.
Conclusion
Une ventilation professionnelle rendra votre séjour dans le chalet sûr et confortable. Le système fonctionnera constamment au profit de l'homme.
Lorsque vous utilisez un équipement moderne, vous pouvez contrôler le débit d'air frais ou régler le système pour qu'il fonctionne automatiquement.
De tels systèmes vous permettent de rendre votre séjour aussi confortable que possible à tout moment de l'année et dans diverses conditions météorologiques. De plus, un système de ventilation de haute qualité des locaux vous permet de purifier l'air des microbes et micro-organismes pathogènes. C'est un indicateur très important, surtout s'il y a un petit enfant dans la maison. Le calcul correct de la ventilation est une tâche assez difficile, dont la solution doit être prise en charge par des professionnels.
Calcul des performances du système

Calcul de la surface du conduit
Il est plus facile de calculer le diamètre et la longueur des conduits d'air à l'aide d'un calculateur en ligne. Mais encore faut-il connaître le principe des calculs pour éviter les erreurs.
Toutes les pièces de la maison sont conditionnellement divisées en "sales", nécessitant une ventilation plus intensive (cuisine, toilettes, salle de bain, buanderie, etc.) et résidentielles "propres". Selon le SNiP, l'air des pièces "sales" doit être renouvelé à raison de 60 mètres cubes. m par heure. S'il y a cuisinière à gaz dans la cuisine le taux de mise à jour est porté à 100 mètres cubes. Pour les salles de bains, ce chiffre est légèrement inférieur - 25 mètres cubes. m, et pour les blanchisseries, il est de 90 mètres cubes. m par heure.
La ventilation forcée est utilisée dans les pièces "sales". Pour ce faire, la cuisine prévoit un canal séparé en acier galvanisé, fonctionnant verticalement, sans coudes. Il est permis de le combiner uniquement avec le conduit de ventilation de la salle de bain.
Pour les pièces "propres" (pièces de vie et couloirs), la ventilation est réduite à 3 mètres cubes. m par heure. Pour les garde-manger, 0,5 mètre cube suffit.Il reste à calculer la quantité d'air par heure qu'il faut évacuer de ces pièces.
Il existe une autre manière de calculer l'échange d'air en fonction du nombre de personnes vivant dans la maison. Dans ce cas, un apport d'air frais d'environ 30 mètres cubes est considéré comme la norme. m par heure et par personne. Dans les régions du sud, il vaut mieux augmenter ce chiffre à 40. Pour les régions du nord, où la densité de l'air est plus faible, 20 mètres cubes suffiront. M. Au montant reçu (en fonction du nombre d'habitants), il faut ajouter 30 mètres cubes supplémentaires. m pour la cuisine.

Comment faire des pots de fleurs de vos propres mains : extérieur, intérieur, suspendu | Tableaux étape par étape (plus de 120 idées de photos et vidéos originales)
Pourquoi avez-vous besoin d'une hotte dans une maison privée avec un poêle ou une cheminée
Si un poêle ou une cheminée est utilisé dans la maison non pas comme élément de décor, mais remplit ses fonctions directes - ils chauffent la pièce, vous devez prendre soin de la double ventilation naturelle. Pour une combustion complète du carburant, une quantité suffisante d'agent oxydant (dans ce cas, l'oxygène) est nécessaire. Avec sa pénurie, le carburant ne s'éteindra pas complètement, tout en libérant du monoxyde de carbone, qui pénétrera dans les pièces d'habitation. Agréable et utile en cela, bien sûr, ne suffit pas.

Dispositif de ventilation dans une maison avec cheminée
S'il n'y a pas assez de débit d'air, pendant la saison chaude, vous pouvez ouvrir la fenêtre - cela suffira. En hiver, il est peu probable qu'une telle astuce passe, même au stade de la construction, il est conseillé de faire passer un tuyau sous le sol directement vers le poêle ou la cheminée, à travers lequel la quantité d'air requise circulera.
Pour organiser la hotte, ils ont le plus souvent recours aux services d'experts, cet article s'adresse aux artisans qui envisagent de faire l'installation eux-mêmes.Ensuite, nous examinons les principales recommandations pour la construction d'une telle ventilation, les problèmes et les lacunes se produisant souvent.
Réduction supplémentaire de l'humidité
Afin que le système de ventilation ne doive pas être renforcé en augmentant la section totale ou en installant des ventilateurs, les travaux suivants doivent être effectués :
- Le dispositif d'un système de drainage efficace est le détournement de l'eau de la fondation.
- Imperméabilisation de la base de la maison et du sous-sol. Il existe de nombreux types d'étanchéité : elle peut être roulée, soudée, enduite, etc.
- Mise en place de l'isolation. Le meilleur matériau en termes d'économie et d'efficacité est le XPS. C'est un bon isolant thermique qui ne laisse pas passer l'eau. Il n'intéresse pas les rongeurs et ne pourrit pas. EPPS peut également être isolé avec une zone aveugle.
Les mesures énumérées n'annulent pas, mais complètent seulement la ventilation. Ce n'est que dans un complexe qu'il est possible d'obtenir un drainage idéal de l'espace dans les compartiments du sous-sol.

Si la maison est construite sur une base de sol qui ne draine pas bien l'eau, en plus du système de ventilation, un drainage et des eaux pluviales sont nécessaires. Le système de drainage collectera l'eau du sol et des couches supérieures du sol, le collecteur d'eaux pluviales collectera et éliminera les précipitations
Lorsque le système est agencé selon un schéma forcé, les coûts d'installation, de maintenance et de service seront plus élevés que lors de l'organisation d'un type naturel. Il convient de garder à l'esprit qu'en hiver, de la condensation peut se former sur les parois des tuyaux de ventilation eux-mêmes et, par temps froid, la section transversale peut obstruer complètement la veste.
Pour éviter cela, les tuyaux peuvent être isolés thermiquement avec du penofol. Au tour inférieur du tuyau, vous pouvez créer un piège à condensat - par exemple, percer un trou ou mettre un té au lieu d'un coin.
Types d'appareils et photos
Naturel
- Différences de pression atmosphérique dans les parties supérieure et inférieure du conduit de ventilation.Plus il est élevé, plus la poussée est puissante.
- La différence entre la température de l'air intérieur et extérieur.
- Le degré de saturation des masses d'air en humidité. L'air plus humide est également plus léger et a tendance à monter.
Avantages:
- économiser de l'argent sur l'arrangement;
- indépendance vis-à-vis des sources d'énergie;
- les dysfonctionnements sont pratiquement exclus;
- pas de bruit.
Moins :
- mauvais échange d'air et circulation inefficace;
- vous ne pouvez pas régler le degré d'intensité ;
- manque de circulation d'air par temps chaud;
- sortie importante de masses chaudes vers l'extérieur.
ici
Forcé
Les rythmes de travail peuvent varier légèrement selon le type d'équipement :
- L'afflux est assuré par des reniflards installés dans chaque chambre. Une hotte commune est équipée dans le grenier.
- Dans les chambres, des dispositifs d'alimentation et de sortie avec une fonction de récupération sont montés. Ils sont construits dans les murs extérieurs du bâtiment.
- L'échange d'air est assuré par un système de climatisation central. L'équipement peut être responsable du nettoyage, du chauffage ou du refroidissement de l'air, selon le besoin actuel. La circulation de l'air se fait à travers un vaste réseau de canaux de ventilation.
Avantages:
- indépendance du travail par rapport aux conditions environnementales et à la hauteur du bâtiment;
- l'air fourni à la maison a des indicateurs idéaux de pureté, de température et d'humidité.
Moins :
- dépendance des équipements à l'électricité;
- des coûts élevés pour son achat, son installation et son entretien continu.
ici
Combiné
- alimentation en air de la rue par un équipement d'alimentation mécanique et évacuation par un canal situé verticalement;
- installation d'un ventilateur dans la zone d'évacuation lors de l'organisation de l'afflux à travers des vannes murales.
Attention
Un exemple serait une hotte dans une salle de bain ou une cuisine.Pour organiser l'afflux dans l'épaisseur du mur, des reniflards sont montés qui effectuent un flux d'air mécanique
Ils peuvent filtrer et chauffer les masses d'air.
Conseils supplémentaires
Conseil le premier. Lors de l'installation d'un ventilateur dans la salle de bain, il est conseillé d'acheter un système avec un capteur d'humidité. Dès que le niveau d'humidité de l'air dépasse la norme autorisée, le même ventilateur démarre automatiquement.
Astuce deux. Un système d'échappement avec une minuterie est idéal pour une toilette. Au début, l'appareil démarre et après un certain temps, il s'éteint automatiquement.
Astuce trois. Pour la cuisine, il est souhaitable d'installer un ventilateur équipé d'une grille. Cette maille protégera la pièce :
- de la pénétration des insectes en elle;
- des débris du système de ventilation générale.
Périodiquement, la maille doit être retirée et lavée à l'eau claire. Cela se fait très facilement.
Conseil le quatrième. Les systèmes de ventilation avec des compléments utiles peuvent être difficiles à obtenir. De plus, ils sont plus chers et la famille ne parvient pas toujours à allouer des fonds supplémentaires à leur achat. Vous pouvez choisir le modèle régulier.
Astuce cinq. Le ventilateur est installé de la manière indiquée dans les instructions. Habituellement, cela se fait simplement: le corps et les autres pièces sont fixés au mur avec des vis autotaraudeuses.
Astuce six. Augmenter l'efficacité de l'échange d'air permet de créer un petit espace entre le bord inférieur de la porte intérieure et le sol. La hauteur de l'espace peut atteindre 1,5 cm.Un treillis ou un panneau perforé décoratif aidera à masquer les espaces.
En utilisant les recommandations données ici, le propriétaire de l'appartement pourra équiper indépendamment la ventilation d'alimentation et d'extraction sans trop d'effort. Ensuite, l'échange d'air dans son logement deviendra effectif.
Prix des unités de ventilation
Vidéo : Simple assurer la ventilation de l'appartement fais le toi-même:
Sélection de la section des conduits de ventilation
conduit d'évacuation en maçonnerie
Le plus petit diamètre de conduit acceptable pour la ventilation naturelle d'une maison individuelle en brique, pierre ou bois est de 150 mm. La section transversale d'un tel tuyau est d'environ 0,016 m². S'il est prévu d'installer des conduits rectangulaires ou carrés pour le système de ventilation par aspiration dans une maison privée, la longueur du côté doit être d'au moins 100 mm. Si une différence de hauteur d'au moins 3 mètres est prévue, un tel conduit d'air passe à travers lui-même environ 30 mètres cubes d'air par heure. Vous pouvez améliorer le débit en augmentant l'une des valeurs :
- longueur du canal d'échappement vertical ;
- diamètre ou section transversale du conduit.
Si la longueur de la section verticale est inférieure à 200 cm, il n'y aura pas de poussée
Lors de la ventilation dans une maison privée, il convient de prendre en compte la hauteur et la forme du toit, le nombre d'étages de la maison et la présence d'un grenier.
tous les conduits de ventilation sont assemblés en un seul bloc
Avec un petit nombre de conduits d'évacuation, il est déconseillé de raccorder des conduits d'air horizontaux à une ligne commune, cela réduit le tirage. Les blocs sont commodément cachés dans les murs porteurs, dans des ébauches creuses spéciales en béton. Il est possible de poser la ventilation dans une maison privée en briques dans des canaux rectangulaires spécialement aménagés de 14x27 cm ou carrés de 14x14 cm.
Le bloc de pierre extérieur des conduits de ventilation est supporté par une dalle ou une fondation en béton armé.Dans les maisons à ossature légère ou en bois, les canaux sont constitués de tuyaux en plastique ou galvanisés, qui sont placés dans une seule boîte.
Afin d'augmenter la productivité du canal sans modifier la hauteur, il est nécessaire d'augmenter sa section transversale. Les canaux faits de différents matériaux ont un débit différent, plus les murs intérieurs sont lisses, plus ils sont hauts, il faut en tenir compte lors du calcul de la ventilation dans une maison privée.
| Hauteur (cm) | Température ambiante | |||
| 16 | 20 | 25 | 32 | |
| 200 | 24,16 | 34,17 | 43,56 | 54,03 |
| 400 | 32,50 | 45,96 | 58,59 | 72,67 |
| 600 | 38,03 | 53,79 | 68,56 | 85,09 |
| 800 | 42,12 | 59,57 | 75,93 | 94,18 |
| 1000 | 45,31 | 64,06 | 81,69 | 101,32 |
Tableau 1. Performances d'un conduit de ventilation en pierre d'une section de 204 cm².
Comment faire fonctionner et entretenir un SPE
Un travail de haute qualité du système de ventilation d'alimentation et d'extraction dépend non seulement d'une installation professionnelle, mais également d'un entretien compétent. Les éléments du dispositif d'alimentation et d'évacuation nécessitent :
- nettoyage périodique des filtres ;
- leur renouvellement, en cas de contamination ou d'expiration de leur durée de vie ;
- remplacement de la lubrification des pièces mobiles et des pièces de ventilateurs ;
- si le système est équipé d'éléments chauffants, d'ioniseurs et d'isolateurs de bruit, des contrôles réguliers de leur état de fonctionnement sont nécessaires.
Habituellement, toutes les actions nécessaires à l'entretien de ce système sont décrites dans les règles et instructions de fonctionnement.
La nécessité d'un système de ventilation
Si nous effectuons la ventilation dans une maison privée de nos propres mains et élaborons un futur projet pour un système efficace, il est nécessaire d'étudier la nécessité de son agencement.

Sans un complexe de ventilation et d'extraction d'air de haute qualité et productif, une maison ou un appartement ne convient pas à la vie pour les raisons suivantes:
- l'air stagnant à haute teneur en dioxyde de carbone ne convient pas aux humains et aux animaux;
- le mélange gaz d'échappement-air crée un environnement favorable au développement de bactéries pathogènes ;
- un air bien chauffé provoque de la condensation dans la pièce et une augmentation de l'humidité;
- l'oxygène frais et son apport constant sont nécessaires au fonctionnement normal du corps humain.












L'agencement du système de ventilation peut être fait à la main, pour cela, il est important de choisir le projet approprié et d'effectuer les calculs nécessaires.


Types de systèmes de ventilation pour un chalet
L'activité de la vie normale et le bien-être confortable des résidents sont assurés par la présence d'un échange d'air efficace
La présence d'oxygène pur est particulièrement importante pour les pièces à vivre - chambre d'enfant, chambre à coucher, salon. Pour éliminer l'air pollué, il est important d'établir un système de ventilation efficace dans la cuisine, dans les toilettes et la salle de bain, ainsi que dans les zones de service.
Pour installer un système de ventilation qui mettra à jour les masses d'air à l'intérieur du logement, il existe deux options :
Échange d'air naturel
Ce système de ventilation dans une maison privée fonctionne grâce à la différence de pression résultante entre les flux d'air à l'intérieur et à l'extérieur du bâtiment. En raison du fait que l'oxygène provenant de l'extérieur est plus froid, lorsqu'il pénètre dans la pièce, il déplace l'air plus léger et chauffé qui monte à travers les conduits et sort à l'extérieur.

Lorsque les rafales de vent augmentent, ainsi qu'en cas de différence de température entre l'intérieur et l'extérieur du bâtiment, davantage d'air frais entre. Les fenêtres à double vitrage en plastique modernes rendent difficile l'entrée naturelle des masses d'air de l'extérieur, mais elles et les murs de la maison ont des vannes d'alimentation spéciales.Ainsi, l'air pollué est évacué de la maison, entrant dans les conduits de ventilation situés dans la cuisine et dans la salle de bain avec toilettes, et l'air pur entre après ventilation des locaux.
Avantages et inconvénients de la ventilation due à la circulation naturelle de l'air :
- La ventilation de la maison est réalisée sans l'utilisation d'électricité ou d'équipement spécial.
- C'est un système simple qui ne nécessite pas d'entretien constant.
- Ventilation silencieuse.
- Peut être combiné avec divers filtres et conditionneurs.
- Parmi les lacunes, on note: une mauvaise circulation de l'air, l'incapacité de contrôler le volume d'air entrant et sortant, ainsi que la dépendance à la température de l'air extérieur. Lorsque la température extérieure est la même qu'à l'intérieur du bâtiment, le tirage devient très faible, perturbant la circulation de l'air.
Ventilation mécanique dans la maison
Il diffère du naturel en ce que divers équipements d'injection d'air (ventilateurs, groupes compresseurs, pompes) sont utilisés pour une circulation d'air efficace.

- La possibilité de fonctionnement lorsqu'il est impossible de produire une ventilation naturelle ou qu'un tel système n'est pas opérationnel.
- Le fonctionnement du système indépendamment de la température et des conditions climatiques.
- La capacité de créer des conditions confortables en chauffant, refroidissant, purifiant ou humidifiant l'air extérieur.
- Parmi les lacunes, on note: les coûts financiers des équipements et de l'électricité, ainsi que l'entretien périodique du système.
Calculs
Un calcul compétent de la ventilation d'alimentation et d'extraction implique la détermination de ses paramètres suivants:
- débit d'air total ;
- pression normale dans le système ;
- Puissance de chauffage;
- aire de la section transversale ;
- la taille des trous d'entrée et de sortie ;
- consommation d'énergie électrique (pour les systèmes mécaniques).

La productivité est calculée à partir de données sur la hauteur et la superficie des locaux, sur l'utilisation de chaque site et sur sa charge de travail. Lors du choix d'une multiplicité passage d'air à travers la ventilation il est impossible de s'écarter des valeurs prescrites par SNiP. Si nécessaire, seules des corrections sont apportées aux caractéristiques de chauffage et au nombre de personnes présentes. Pour la plupart des appartements résidentiels, il est nécessaire d'assurer l'approvisionnement de 100 à 500 mètres cubes. m d'air en 60 minutes. Et si la superficie de l'appartement est grande (ou si vous avez besoin de ventiler une maison privée), ce chiffre sera déjà de 1 à 2 000 mètres cubes. M.
Pour un aperçu de la conception des systèmes de ventilation, voir la vidéo suivante.
Appareil de ventilation à faire soi-même dans une maison privée
Étape #1 Calculs
Pour connaître la puissance du système, un paramètre tel que l'échange d'air est calculé. Il est calculé pour chaque chambre séparément selon la formule :
P \u003d VxK, où
V - le volume de la pièce (mètres cubes), est calculé en multipliant la largeur, la longueur et la hauteur de la pièce;
K - approuvé par les normes SNiP 41-01-2003 pour l'échange d'air minimum dans les locaux (cube m / h). Pour les zones résidentielles - 30, sanitaires séparés - 25, combinés - 50, cuisines - 60-90.
De plus, dans les calculs du système de ventilation d'une maison privée, d'autres indicateurs sont pris en compte:
- Le nombre de personnes en permanence dans la maison. Il faut 30 mètres cubes. m/h d'air.
- L'épaisseur des murs des locaux.
- Nombre d'équipements ménagers et informatiques.
- Zone de vitrage.
- L'emplacement du bâtiment par rapport aux points cardinaux.
- La présence (absence) du vent dominant dans la zone.
- La présence dans le bâtiment de la piscine. Pour lui, il est recommandé de réaliser un système séparé.
Étape #2 Ventilation naturelle : Améliorer les paramètres
La ventilation naturelle dans une maison privée ne fait pas toujours face à sa tâche de maintien des paramètres de température et d'humidité spécifiés. Ensuite, il est souhaitable de « terminer » le système.
Le principe du système de ventilation dans une maison privée à deux étages
Les soupapes d'admission de fenêtre aideront à cela. Ils ne dépressuriseront pas la fenêtre, mais créeront un apport d'air frais. Leur installation est élémentaire, en suivant les instructions, même une personne complètement ignorante peut s'en occuper. Le principe est qu'un dispositif allongé (350 mm) est monté sur la partie supérieure du châssis. À partir de cet endroit, un joint régulier est coupé et installé à partir du kit de livraison (plus étroit).
Quelques appareils supplémentaires qui améliorent la circulation de l'air. Afin de ne pas bloquer le flux d'air, des grilles de ventilation sont installées sur toutes les portes intérieures. Il est impossible de « bloquer » avec un rebord de fenêtre trop large le processus de mélange de l'air froid de la fenêtre et du radiateur chaud.
Si, lors de la construction de la maison, un système de ventilation naturelle est conçu, les nuances suivantes doivent être prises en compte: la maison ne doit pas avoir de pièces sans fenêtres; une garantie de bonne ventilation - les fenêtres donnent sur tous les côtés du bâtiment (les murs sourds sont exclus).
Étape numéro 3 Systèmes de ventilation d'alimentation et d'extraction
Le dispositif de ventilation d'alimentation dans une maison privée est résolu à l'aide d'un ventilateur mural. C'est un tube télescopique ou flexible, d'un côté (extérieur) duquel se trouve une grille décorative avec une moustiquaire (des moucherons et des moustiques), de l'autre (intérieur) - un ventilateur, un filtre.
Récupérateur pour système de ventilation
Fournissez une ventilation dans une maison privée, montée dans le mur de cette manière:
- À l'aide de l'équipement approprié, un trou du diamètre requis est percé.
- Un tuyau avec un réchauffeur y est inséré.
- L'appareil lui-même est monté sur la solution adhésive, composée d'un ventilateur, d'un filtre, certains modèles sont équipés d'un ioniseur.
- Raccordement au réseau électrique.
- Du côté de la rue, une couverture décorative est installée qui protège contre la pluie et la neige de pénétrer à l'intérieur, de l'intérieur - une grille décorative.
Le système de ventilation par aspiration dans une maison privée, avec un bon apport naturel, peut consister en des ventilateurs montés dans les sanitaires, dans la cuisine. Le ventilateur d'extraction mural de la cuisine est installé de la même manière que le ventilateur d'alimentation. Dans le local sanitaire, un axial ou un canal est monté dans le conduit de ventilation.
Hotte dans la cuisine au-dessus du poêle sera également un canal d'échappement supplémentaire. Si la ventilation par aspiration fonctionne plus intensément que l'alimentation, la maison suffoquera.
Étape numéro 4 Ventilation à faire soi-même dans un schéma de maison privée
L'option de ventilation la plus optimale pour une maison privée est l'alimentation et l'évacuation avec stimulation mécanique. Deux types de ses conceptions sont utilisées: la composition et le monobloc.
Gaine de ventilation à économie d'énergie
Le schéma de ventilation dans une maison privée d'un système monobloc ressemble à ceci:
- l'air de la rue, à travers le conduit d'air soufflé, pénètre dans l'échangeur de chaleur;
- il est débarrassé des impuretés nocives de l'atmosphère;
- chauffé à la température requise;
- en outre, par le conduit d'air, il pénètre dans tous les locaux de la maison ;
- l'air d'échappement à travers la conduite d'échappement pénètre dans l'échangeur de chaleur;
- cède sa chaleur à l'air froid entrant;
- de l'échangeur de chaleur, à travers le tuyau d'échappement - à l'atmosphère.
Conclusions et vidéo utile sur le sujet
La vidéo explique pourquoi la ventilation est nécessaire dans chaque maison privée et pourquoi le mélange des flux d'air d'alimentation et d'extraction ne devrait pas être autorisé :
Cette vidéo montre clairement comment organiser correctement l'entrée et l'évacuation de l'air avec un système de ventilation naturelle dans une maison de campagne:
Vidéo sur le fonctionnement de la ventilation d'alimentation et d'extraction d'une puissance suffisante avec récupération d'énergie thermique en utilisant le système profi-air du fabricant allemand FRANKISCHE comme exemple :
Après avoir étudié les principes de fonctionnement des systèmes de ventilation, il est tout à fait possible d'organiser correctement l'échange d'air dans un petit bâtiment d'un étage par vous-même. Cependant, il est préférable de confier la conception et l'installation de la ventilation dans les maisons de campagne spacieuses à des professionnels. Après tout, le système installé doit non seulement fonctionner, mais également faire face aux tâches planifiées.
Une ventilation correctement équipée résoudra les problèmes d'air stagnant et la sensation désagréable de moisi dans une maison privée.
Vous avez encore des questions, trouvé des lacunes ou souhaitez partager des informations utiles sur l'organisation de la ventilation dans une maison privée ? Veuillez laisser vos commentaires, poser des questions et partager votre expérience dans le bloc sous l'article.


































